ГОСТ 16670-80
МЕЖГОСУДАРСТВЕННЫЙ СТАНДАРТ
ПЛИТКИ
ПОДКЛАДНЫЕ К ДЕРЖАВКАМ
УДЛИНЕННО-ПРОДОЛГОВАТЫХ
ПУАНСОНОВ
КОНСТРУКЦИЯ И РАЗМЕРЫ
ИПК ИЗДАТЕЛЬСТВО СТАНДАРТОВ
Москва
МЕЖГОСУДАРСТВЕННЫЙ СТАНДАРТ
|
ПЛИТКИ ПОДКЛАДНЫЕ К
ДЕРЖАВКАМ УДЛИНЕННО- Конструкция и размеры Liner plates for holders of elongated oblong
punches. |
ГОСТ Взамен |
* Переиздание (октябрь 1999 г.) с Изменением № 1, утвержденным в июне 1985 г. (ИУС 10-85)
Постановлением Государственного комитета СССР по стандартам от 04.03.80 № 1013 дата введения установлена
01.01.81
Ограничение срока действия снято Постановлением Госстандарта от 26.06.85 № 1958
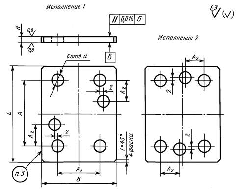
1. Конструкция и размеры подкладных плиток к державкам удлиненно-продолговатых пуансонов должны соответствовать указанным на чертеже и в таблице.

Размеры в мм
|
Обозначение
подкладной |
Применяемость |
Обозначение
подкладной |
Применяемость |
L |
В |
Н |
А |
А1 |
А2 |
d |
Масса, кг, не более |
|
Исполнение 1 |
Исполнение 2 |
||||||||||
|
1026-0711 |
1026-0712 |
71 |
56 |
5 |
48 |
32 |
16 |
9 |
0,138 |
||
|
1026-0713 |
1026-0714 |
8 |
18 |
11 |
0,214 |
||||||
|
1026-0715 |
1026-0716 |
80 |
67 |
5 |
54 |
42 |
16 |
9 |
0,192 |
||
|
1026-0717 |
1026-0718 |
8 |
18 |
11 |
0,300 |
||||||
|
1026-0719 |
1026-0720 |
20 |
13 |
0,288 |
|||||||
|
1026-0721 |
1026-0722 |
90 |
71 |
5 |
64 |
45 |
16 |
9 |
0,233 |
||
|
1026-0723 |
1026-0724 |
8 |
18 |
11 |
0,366 |
||||||
|
1026-0725 |
1026-0726 |
20 |
13 |
0,354 |
|||||||
|
1026-0727 |
1026-0728 |
100 |
80 |
70 |
50 |
18 |
11 |
0,466 |
|||
|
1026-0729 |
1026-0730 |
22 |
13 |
0,454 |
|||||||
|
1026-0731 |
1026-0732 |
12 |
15 |
0,652 |
|||||||
Пример условного обозначения подкладной плитки размерами L = 71 мм, В = 56 мм и Н = 5 мм, исполнения 1:
Плитка подкладная 1026-0711 ГОСТ 16670-80
(Измененная редакция, Изм. № 1).
2. Технические условия - по ГОСТ 16675-80.
3. Маркировать: условное обозначение и товарный знак предприятия-изготовителя.