ГОСТ 16719-71
МЕЖГОСУДАРСТВЕННЫЙ СТАНДАРТ
ХВОСТОВИКИ ПЛАВАЮЩИЕ ДЛЯ
ШТАМПОВ ЛИСТОВОЙ ШТАМПОВКИ
КОНСТРУКЦИЯ И РАЗМЕРЫ
Москва
Стандартинформ
2006
МЕЖГОСУДАРСТВЕННЫЙ СТАНДАРТ
|
ХВОСТОВИКИ ПЛАВАЮЩИЕ ДЛЯ ШТАМПОВ Конструкция и размеры Floating shanks for dies of sheet
pressing. |
ГОСТ Взамен |
Издание (август 2006 г.) с Изменениями № 1, 2, утвержденными в феврале 1981 г., июне 1986 г. (ИУС 5-81, 9-86).
Постановлением Государственного комитета стандартов Совета Министров СССР от 22 февраля 1971 г. № 299 дата введения установлена
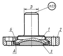
1. Конструкция и размеры плавающих хвостовиков должны соответствовать указанным на черт. 1 и в табл. 1.
Исполнение 1
Исполнение 2
Исполнение 3
1 - хвостовик; 2 - фланец; 3 - подпятник
Таблица 1
|
Применяемость |
Исполнение |
D, мм |
Масса, кг |
Обозначение деталей |
|||
|
Хвостовик |
Фланец |
Подпятник |
|||||
|
1034-0771 |
|
1 |
20 |
0,50 |
1034-0771/001 |
1034-0771/002 |
1034-0771/003 |
|
1034-0772 |
|
2 |
0,47 |
1034-0772/001 |
1034-0772/003 |
||
|
1034-0773 |
|
3 |
0,45 |
1034-0773/001 |
|||
|
1034-0774 |
|
1 |
25 |
1,05 |
1034-0774/001 |
1034-0774/002 |
1034-0774/003 |
|
1034-0775 |
|
2 |
1,00 |
1034-0775/001 |
1034-0775/003 |
||
|
1034-0776 |
|
3 |
0,97 |
1034-0776/001 |
|||
|
1034-0777 |
|
1 |
32 |
1,41 |
1034-0777/001 |
1034-0777/002 |
1034-0777/003 |
|
1034-0778 |
|
2 |
1,33 |
1034-0778/001 |
1034-0778/003 |
||
|
1034-0779 |
|
3 |
1,29 |
1034-0779/001 |
|||
|
1034-0780 |
|
1 |
40 |
2,25 |
1034-0780/001 |
1034-0780/002 |
1034-0780/003 |
|
1034-0781 |
|
2 |
2,16 |
1034-0781/001 |
1034-0781/003 |
||
|
1034-0782 |
|
3 |
2,12 |
1034-0782/001 |
|||
|
1034-0783 |
|
1 |
50 |
3,18 |
1034-0783/001 |
1034-0783/002 |
1034-0783/003 |
|
1034-0784 |
|
2 |
3,01 |
1034-0784/001 |
1034-0784/003 |
||
|
1034-0785 |
|
3 |
2,85 |
1034-0785/001 |
|||
|
1034-0786 |
|
1 |
60 |
5,19 |
1034-0786/001 |
1034-0786/002 |
1034-0786/003 |
|
1034-0787 |
|
2 |
4,90 |
1034-0787/001 |
1034-0787/003 |
||
|
1034-0788 |
|
3 |
4,68 |
1034-0788/001 |
|||
|
1034-0789 |
|
1 |
75 |
7,45 |
1034-0789/001 |
1034-0789/002 |
1034-0789/003 |
|
1034-0790 |
|
2 |
7,11 |
1034-0790/001 |
1034-0790/003 |
||
|
1034-0791 |
|
3 |
6,91 |
1034-0791/001 |
|||
Пример условного обозначения плавающего хвостовика D = 20 мм, исполнения 1:
Хвостовик 1034-0771 ГОСТ 16719-71
1.1. Между поверхностью А хвостовика (дет. 1) и поверхностью Б фланца (дет. 2) должен быть зазор. Величина зазора в вертикальном направлении - не более 0,3 мм.
1.2. Технические требования - по ГОСТ 16722-71.
1.3. Маркировать: обозначение, номер настоящего стандарта и товарный знак предприятия-изготовителя. Хвостовики диаметром D = 20 и 25 мм, а также все хвостовики исполнения 3 допускается маркировать на прикрепленных к ним бирках.
1.4. Пример закрепления плавающего хвостовика в верхней плите штампа указан в приложении.
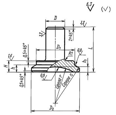
2. Конструкция и размеры хвостовика должны соответствовать указанным на черт. 2 и в табл. 2.
Исполнение 1
Исполнение 2
Исполнение 3
Таблица 2
Размеры, мм
|
Исполнение |
D |
D1 |
D2 |
d |
d1 |
L |
H |
h (пред. откл. по h12) |
h1 (пред. откл. по H12) |
h2 |
r |
r1 |
Масса, кг |
|
|
(Пред. откл. по h12) |
||||||||||||||
|
1034-0771/001 |
1 |
20 |
36 |
48 |
- |
- |
45 |
13 |
6,3 |
4,5 |
- |
36 |
42 |
0,19 |
|
1034-0772/001 |
2 |
8,5 |
- |
- |
0,17 |
|||||||||
|
1034-0773/001 |
3 |
14 |
14 |
0,15 |
||||||||||
|
1034-0774/001 |
1 |
25 |
45 |
60 |
- |
- |
60 |
17 |
9 |
6 |
- |
45 |
53 |
0,38 |
|
1034-0775/001 |
2 |
10,5 |
- |
- |
0,34 |
|||||||||
|
1034-0776/001 |
3 |
18 |
16 |
0,31 |
||||||||||
|
1034-0777/001 |
1 |
32 |
52 |
71 |
- |
- |
67 |
17 |
10,2 |
6 |
- |
53 |
63 |
0,66 |
|
1034-0778/001 |
2 |
13 |
- |
- |
0,59 |
|||||||||
|
1034-0779/001 |
3 |
22 |
25 |
0,55 |
||||||||||
|
1034-0780/001 |
1 |
40 |
60 |
80 |
- |
- |
75 |
21 |
12,5 |
8 |
- |
60 |
71 |
1,08 |
|
1034-0781/001 |
2 |
13 |
- |
- |
1,00 |
|||||||||
|
1034-0782/001 |
3 |
22 |
25 |
0,96 |
||||||||||
|
1034-0783/001 |
1 |
50 |
70 |
90 |
- |
- |
85 |
11,5 |
- |
71 |
82 |
1,66 |
||
|
1034-0784/001 |
2 |
17 |
- |
- |
1,51 |
|||||||||
|
1034-0785/001 |
3 |
28 |
36 |
1,35 |
||||||||||
|
1034-0786/001 |
1 |
60 |
82 |
105 |
- |
- |
95 |
25 |
17 |
9 |
- |
78 |
95 |
2,83 |
|
1034-0787/001 |
2 |
21 |
- |
- |
2,58 |
|||||||||
|
1034-0788/001 |
3 |
32 |
36 |
2,36 |
||||||||||
|
1034-0789/001 |
1 |
75 |
100 |
125 |
- |
- |
105 |
16 |
12 |
- |
100 |
115 |
4,39 |
|
|
1034-0790/001 |
2 |
21 |
- |
- |
4,10 |
|||||||||
|
1034-0791/001 |
3 |
32 |
36 |
3,90 |
||||||||||
(Измененная редакция, Изм. № 1).
Пример условного обозначения хвостовика D = 20 мм, исполнения 1:
Хвостовик 1034-0771/001 ГОСТ 16719-71
2.1. Смещение центров сферических поверхностей r и r1 от номинального расположения - не более 0,2 мм.
2.2. Материал хвостовика - сталь марки 45 по ГОСТ 1050-88.
2.3. Твердость хвостовика - 42 ... 46 HRCэ.
(Измененная редакция, Изм. № 2).
3. Конструкция и размеры фланца должны соответствовать указанным на черт. 3 и в табл. 3.
Таблица 3
Размеры, мм
|
D |
D1 |
D2 |
D3 |
d |
d1 |
d2 (пред. откл. по Н7) |
H |
h (пред. откл. по H12) |
h1 |
Масса, кг |
||
|
(Пред. откл. по H12) |
Номин. |
Количество отв. |
||||||||||
|
1034-0771/002 |
80 |
50 |
38 |
63 |
7 |
4 |
12 |
6 |
12 |
4,2 |
6 |
0,28 |
|
1034-0774/002 |
100 |
63 |
48 |
80 |
9 |
15 |
16 |
6,3 |
8 |
0,61 |
||
|
1034-0777/002 |
110 |
73 |
53 |
90 |
6,7 |
0,68 |
||||||
|
1034-0780/002 |
125 |
82 |
63 |
102 |
11 |
18 |
8 |
20 |
8,8 |
10 |
1,04 |
|
|
1034-0783/002 |
140 |
92 |
71 |
115 |
6 |
8 |
1,36 |
|||||
|
1034-0786/002 |
160 |
110 |
85 |
135 |
25 |
12,5 |
2,10 |
|||||
|
1034-0789/002 |
180 |
130 |
102 |
155 |
11 |
2,53 |
||||||
Пример условного обозначения фланца D = 80 мм:
Фланец 1034-0771/002 ГОСТ 16719-71
(Измененная редакция, Изм. № 1).
3.1. Смещение осей отверстий d от номинального расположения - не более 0,2 мм.
3.2. Материал фланца - сталь марки 45 по ГОСТ 1050-88.
3.3. Твердость фланца - 42 ... 46 HRCэ.
(Измененная редакция, Изм. № 2).
4. Конструкция и размеры подпятника должны соответствовать указанным на черт. 4 и в табл. 4.
Исполнение 1
Исполнение 2
Таблица 4
Размеры, мм
|
Исполнение |
D |
d |
Н (пред. откл. по h12) |
r |
Масса, кг |
|
|
1034-0771/003 |
1 |
34 |
- |
6 |
36 |
0,03 |
|
1034-0772/003 |
2 |
10 |
0,02 |
|||
|
1034-0774/003 |
1 |
42 |
- |
8 |
45 |
0,06 |
|
1034-0775/003 |
2 |
12 |
0,05 |
|||
|
1034-0777/003 |
1 |
45 |
- |
53 |
0,07 |
|
|
1034-0778/003 |
2 |
14 |
0,06 |
|||
|
1034-0780/003 |
1 |
56 |
- |
10 |
60 |
0,13 |
|
1034-0781/003 |
2 |
14 |
0,12 |
|||
|
1034-0783/003 |
1 |
63 |
- |
71 |
0,16 |
|
|
1034-0784/003 |
2 |
18 |
0,14 |
|||
|
1034-0786/003 |
1 |
71 |
- |
12 |
78 |
0,26 |
|
1034-0787/003 |
2 |
22 |
0,22 |
|||
|
1034-0789/003 |
1 |
95 |
- |
15 |
100 |
0,53 |
|
1034-0790/003 |
2 |
22 |
0,48 |
Пример условного обозначения подпятника D = 34 мм, исполнения 1:
Подпятник 1034-0771/003 ГОСТ 16719-71
(Измененная редакция, Изм. № 1).
4.1. Материал подпятника - сталь марки 45 по ГОСТ 1050-88.
4.2. Твердость подпятника - 42 ... 46 HRCэ.
(Измененная редакция, Изм. № 2).
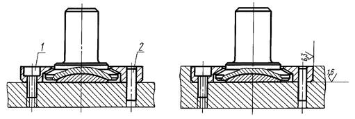
Рекомендуемое
Вариант 1 Вариант 2
1 - винт по ГОСТ 11738-84; 2 - штифт по ГОСТ 3128-70 (2 шт.)
|
Винт |
Обозначение штифта |
||
|
Обозначение |
Количество |
||
|
1034-0771 |
M6-6g´16.88 |
4 |
6m6´25 |
|
1034-0772 |
|||
|
1034-0773 |
|||
|
1034-0774 |
M8-6g´20.88 |
||
|
1034-0775 |
|||
|
1034-0776 |
|||
|
1034-0777 |
|||
|
1034-0778 |
|||
|
1034-0779 |
|||
|
1034-0780 |
M10-6g´20.88 |
8m6´36 |
|
|
1034-0781 |
|||
|
1034-0782 |
|||
|
1034-0783 |
M10-6g´25.88 |
6 |
|
|
1034-0784 |
|||
|
1034-0785 |
|||
|
1034-0786 |
M10-6g´30.88 |
8m6´40 |
|
|
1034-0787 |
|||
|
1034-0788 |
|||
|
1034-0789 |
|||
|
1034-0790 |
|||
|
1034-0791 |
|||
(Измененная редакция, Изм. № 1, 2).
Рекомендуемое
1. Плавающие хвостовики рекомендуется применять для разделительных штампов с несмещенным относительно оси штампа центром давления, при двустороннем зазоре между пуансоном и матрицей до 0,1 мм.
2. При эксплуатации штампов с плавающим хвостовиком выход направляющих колонок из втулок не допускается.
3. Рекомендуется через каждые 100 тыс. ударов пресса хвостовики осматривать, проверять их работоспособность, очищать от грязи и смазывать солидолом Ж по ГОСТ 1033-79.
(Измененная редакция, Изм. № 2).