Plates for portal rack-and-pinion-operated jigs. Design

ГОСТ 16893-71

МЕЖГОСУДАРСТВЕННЫЙ СТАНДАРТ

ПЛИТЫ К СКАЛЬЧАТЫМ ПОРТАЛЬНЫМ
КОНДУКТОРАМ

КОНСТРУКЦИЯ

ИПК ИЗДАТЕЛЬСТВО СТАНДАРТОВ
Москва

МЕЖГОСУДАРСТВЕННЫЙ СТАНДАРТ

ПЛИТЫ К СКАЛЬЧАТЫМ ПОРТАЛЬНЫМ
КОНДУКТОРАМ

Конструкция

Plates for portal rack-and pinion-operated jigs.
Design

ГОСТ
16893-71

Дата введения 01.07.72

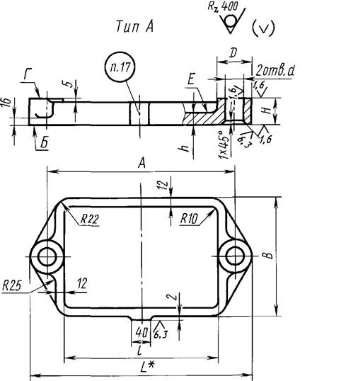
1. Настоящий стандарт распространяется на плиты, предназначенные для скальчатых портальных кондукторов с конусным и пневматическим зажимами.

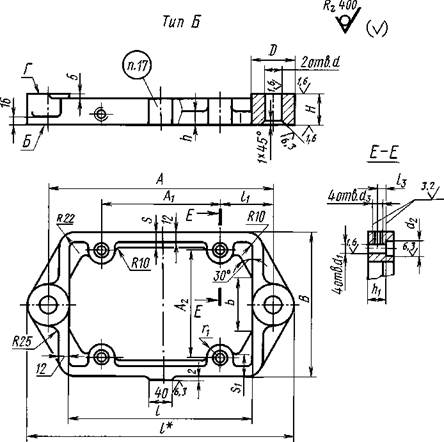
2. Плиты должны изготовляться двух типов:

А - без отверстий под установочные пальцы;

Б - с отверстиями под установочные пальцы.

3. Конструкция и размеры плит должны соответствовать указанным на черт. 1, 2 и в табл. 1, 2.

______________

* Размер для справок.

Примечание. Параметр шероховатости поверхности Е под кондукторные втулки с буртиком Ra 0,8 мкм.

Черт. 1

Таблица 1

Размеры, мм

Обозначения
плит

Применяемость

А
(пред.
откл.
±0,01)

B

H

L

D

D
(поле
допуска
HI)

h

l

Масса,
кг
»

7030-1211

250

160

36

310

60

25

22

190

7,08

7030-1212

320

180

50

390

70

32

28

250

12,66

7030-1213

400

250

470

330

20,38

7030-1214

500

320

570

36

430

42,05

Пример условного обозначения плиты размером А = 250 мм:

Плита 7030-1211 ГОСТ 16893-71

__________________

* Размер для справок.

Черт. 2

Таблица 2

Размеры, мм

Обозначение плит

Применяемость

А (пред. откл.
±0,01_

А1

А2

В

Н

L

b

D

d

D1

d2

d3

h

h1

l

l1

12

r1

s

s1

Масса, кг

Пред.
откл. ±0,02

Поле
допуска
Н7

7030-1221

250

125

105

160

36

310

60

60

25

10

18

М6

16

20

190

60

9

16

20

32

4,350

7030-1222

320

160

125

180

50

390

70

70

32

12

М8

20

26

250

80

12

20

25

7,630

7030-1223

400

210

180

250

470

90

16

22

м10

330

95

40

9,410

7030-1224

500

280

250

320

570

110

20

28

М12

430

110

25

45

14,950

Пример условного обозначения плиты размером А = 250 мм:

Плита 7030-1221 ГОСТ 16893-71

4. Материал для плит типа А - чугун марки СЧ 30 по ГОСТ 1412.

Допускается заменять на чугун других марок с механическими свойствами не ниже, чем у чугуна марки СЧ 30.

Материал для плит типа Б - отливка 45Л-1 по ГОСТ 977.

3, 4. (Измененная редакция, Изм. № 1, 2).

5. Неуказанные литейные радиусы - 4 ... 6 мм.

6. Формовочные уклоны - по ГОСТ 3212.

7. Предельные отклонения на отливку для плит типов А и Б по размерам и массе и припуски на механическую обработку - по III классу точности ГОСТ 26645.

8. Отливки подвергнуть старению.

9. Покрытие механически необработанных поверхностей - эмаль ХВ-124 голубовато-зеленая ГОСТ 10144, Ш.УХЛ. 6/1 (обозначение покрытия по ГОСТ 9.032).

(Измененная редакция, Изм. № 2).

10. Неуказанные предельные отклонения размеров: Н14, hl4,

(Измененная редакция, Изм. № 1, 2).

11. Допуск плоскостности поверхности Б - 0,02 мм на длине 100 мм. Выпуклость - не допускается.

12. Допуск параллельности поверхности Г относительно поверхности Б - 0,02 мм на длине 100 мм.

13. В плитах типа А допуск перпендикулярности осей отверстий d относительно поверхности Б - 0,02 мм на длине 100 мм.

14. В плитах типа Б допуск перпендикулярности осей отверстий d и d1 относительно поверхности Б - 0,02 мм на длине 100 мм.

15. Резьба метрическая - по ГОСТ 24705. Поле допуска резьбы - 6Н по ГОСТ 16093.

11 - 15. (Измененная редакция, Изм. № 2).

16. Фаски под резьбу - по ГОСТ 10549.

17. Маркировать: обозначения плиты и настоящего стандарта.

(Измененная редакция, Изм. № 2).

18. (Исключен, Изм. № 2).

ИНФОРМАЦИОННЫЕ ДАННЫЕ

1. РАЗРАБОТАН И ВНЕСЕН Министерством станкостроительной и инструментальной промышленности СССР

РАЗРАБОТЧИКИ

А.З. Старосельский (руководитель темы), В.В. Андреев, В.А. Петрова, В.Д. Поляков, Л.Б. Смирнов, Т.А. Шестакова

2. УТВЕРЖДЕН И ВВЕДЕН В ДЕЙСТВИЕ Постановлением Государственного комитета стандартов Совета Министров СССР от 13.04.71 № 729

3. ВЗАМЕН МН 3239-62, МН 3240-62

4. ССЫЛОЧНЫЕ НОРМАТИВНО-ТЕХНИЧЕСКИЕ ДОКУМЕНТЫ

Обозначение НТД,
на который дана ссылка

Номер пункта

Обозначение НТД,
на который дана ссылка

Номер пункта

ГОСТ 9.032-74

9

ГОСТ 10549-80

16

ГОСТ 977-88

4

ГОСТ 16093-81

15

ГОСТ 1412-85

4

ГОСТ 24705-81

15

ГОСТ 3212-92

6

ГОСТ 26645-85

7

ГОСТ 10144-89

9

5. Ограничение срока действия снято Постановлением Госстандарта СССР от 21.02.89 № 279

6. ПЕРЕИЗДАНИЕ (сентябрь 1999 г.) с Изменениями № 1, 2, утвержденными в июне 1980 г., феврале 1989 г. (ИУС 8-80, 5-89)