МЕЖГОСУДАРСТВЕННЫЙ СТАНДАРТ
|
ОТВЕРСТИЯ ПОД НАРЕЗАНИЕ Диаметры Holes for threading metric thread. Diameters |
ГОСТ Взамен |
Переиздание.
Постановлением Государственного комитета стандартов Совета Министров СССР от 6 декабря 1973 г. № 2662 дата введения установлена
01.01.74
Ограничение срока действия снято Постановлением Госстандарта от 04.08.83 № 3618
1. Настоящий стандарт устанавливает диаметры отверстий, обеспечивающих нарезание метрической резьбы по ГОСТ 9150-81, ГОСТ 24705-81 с допусками по ГОСТ 16093-81, в сером чугуне по ГОСТ 1412-85, в сталях по ГОСТ 380-94, ГОСТ 1050-88, ГОСТ 4543-71, ГОСТ 5632-72 (кроме сплавов на никелевой основе), ГОСТ 20072-74, в алюминиевых литейных сплавах по ГОСТ 1583-93, в меди по ГОСТ 859-78.
2. Размеры и предельные отклонения диаметров отверстий для резьб с крупным шагом должны соответствовать указанным в табл. 1, для резьб с мелким шагом - указанным в табл. 2.
Таблица 1
мм
|
Номинальный |
Шаг резьбы P |
Диаметр отверстия под резьбу с полем допуска |
||||
|
4H5H; 5H; |
6G; 7G |
4H5H; 5H |
5H6H; |
7H; 7G |
||
|
Номин. |
Пред. откл. |
|||||
|
1 |
0,25 |
0,75 |
0,77 |
+0,04 |
+0,06 |
- |
|
1,1 |
0,85 |
0,87 |
||||
|
1,2 |
0,95 |
0,97 |
||||
|
1,4 |
0,3 |
1,10 |
1,12 |
|||
|
1,6 |
0,35 |
1,25 |
1,27 |
+0,05 |
+0,07 |
- |
|
1,8 |
1,45 |
1,47 |
||||
|
2 |
0,40 |
1,60 |
1,62 |
+0,06 |
+0,08 |
|
|
2,2 |
0,45 |
1,75 |
1,77 |
+0,07 |
+0,09 |
|
|
2,5 |
2,05 |
2,07 |
||||
|
3 |
0,5 |
2,50 |
2,52 |
+0,08 |
+0,10 |
+0,14 |
|
3,5 |
0,6 |
2,90 |
2,93 |
+0,11 |
+0,15 |
|
|
4 |
0,7 |
3,30 |
3,33 |
+0,12 |
+0,16 |
|
|
4,5 |
0,75 |
3,70 |
3,73 |
+0,09 |
+0,13 |
+0,18 |
|
5 |
0,8 |
4,20 |
4,23 |
+0,11 |
+0,17 |
+0,22 |
|
6 |
1 |
4,95 |
5,00 |
+0,17 |
+0,20 |
+0,26 |
|
7 |
5,95 |
6,00 |
||||
|
8 |
1,25 |
6,70 |
6,75 |
|||
|
9 |
7,70 |
7,75 |
||||
|
10 |
1,5 |
8,43 |
8,50 |
+0,19 |
+0,22 |
+0,30 |
|
11 |
9,43 |
9,50 |
||||
|
12 |
1,75 |
10,20 |
10,25 |
+0,21 |
+0,27 |
+0,36 |
|
14 |
2 |
11,90 |
11,95 |
+0,24 |
+0,30 |
+0,40 |
|
16 |
13,90 |
13,95 |
||||
|
18 |
2,5 |
15,35 |
15,40 |
+0,30 |
+0,40 |
+0,53 |
|
20 |
17,35 |
17,40 |
||||
|
22 |
19,35 |
19,40 |
||||
|
24 |
3 |
20,85 |
20,90 |
|||
|
27 |
23,85 |
23,90 |
||||
|
30 |
3,5 |
26,30 |
26,35 |
+0,36 |
+0,48 |
+0,62 |
|
33 |
29,30 |
29,35 |
||||
|
36 |
4 |
31,80 |
31,85 |
|||
|
39 |
34,80 |
34,85 |
+0,36 |
+0,48 |
+0,62 |
|
|
42 |
4,5 |
37,25 |
37,30 |
+0,41 |
+ 0,55 |
+0,73 |
|
45 |
40,25 |
40,30 |
||||
|
48 |
5 |
42,70 |
42,80 |
+0,45 |
+0,60 |
+0,80 |
|
52 |
46,70 |
46,80 |
||||
|
56 |
5,5 |
50,20 |
50,30 |
|||
|
60 |
54,20 |
54,30 |
||||
|
64 |
6 |
57,70 |
57,80 |
|||
|
68 |
61,70 |
61,80 |
||||
Таблица 2
мм
|
Номинальный |
Шаг резьбы Р |
Диаметр отверстия под резьбу с полем допуска |
||||||
|
4H5H; 5H; |
6G; 7G |
4H5H; 5H |
5H6H; |
7H; 7G |
||||
|
Номин. |
Пред. откл. |
|||||||
|
1 |
0,2 |
0,80 |
0,82 |
+0,04 |
+0,05 |
- |
||
|
1,1 |
0,90 |
0,92 |
||||||
|
1,2 |
1,00 |
1,02 |
||||||
|
1,4 |
1,20 |
1,22 |
||||||
|
1,6 |
1,40 |
1,42 |
||||||
|
1,8 |
1,60 |
1,62 |
||||||
|
2 |
0,25 |
1,75 |
1,77 |
+0,06 |
||||
|
2,2 |
1,95 |
1,97 |
||||||
|
2,5 |
0,35 |
2,15 |
2,17 |
+0,05 |
+0,07 |
|||
|
3 |
2,65 |
2,67 |
||||||
|
3,5 |
3,15 |
3,17 |
||||||
|
4 |
0,5 |
3,50 |
3,52 |
+0,08 |
+0,10 |
+0,14 |
||
|
4,5 |
4,00 |
4,02 |
||||||
|
5 |
4,50 |
4,52 |
||||||
|
5,5 |
5,00 |
5,02 |
||||||
|
6 |
5,50 |
5,52 |
||||||
|
0,75 |
5,20 |
5,23 |
+0,11 |
+0,17 |
+0,22 |
|||
|
7 |
0,5 |
6,50 |
6,52 |
+0,08 |
+0,10 |
+0,14 |
||
|
0,75 |
6,20 |
6,23 |
+0,11 |
+0,17 |
+0,22 |
|||
|
8 |
0,5 |
7,50 |
7,52 |
+0,08 |
+0,10 |
+0,14 |
||
|
0,75 |
7,20 |
7,23 |
+0,11 |
+0,17 |
+0,22 |
|||
|
1 |
6,95 |
7,00 |
+0,17 |
+0,20 |
+0,26 |
|||
|
9 |
0,5 |
8,50 |
8,52 |
+0,08 |
+0,10 |
+0,14 |
||
|
0,75 |
8,20 |
8,23 |
+0,11 |
+0,17 |
+0,22 |
|||
|
1 |
7,95 |
8,00 |
+0,17 |
+0,20 |
+0,26 |
|||
|
10 |
0,5 |
9,50 |
9,52 |
+0,08 |
+0,10 |
+0,14 |
||
|
0,75 |
9,20 |
9,23 |
+0,11 |
+0,17 |
+0,22 |
|||
|
1 |
8,95 |
9,00 |
+0,17 |
+0,20 |
+0,26 |
|||
|
1,25 |
8,70 |
8,75 |
||||||
|
11 |
0,5 |
10,50 |
10,52 |
+0,08 |
+0,10 |
+0,14 |
||
|
0,75 |
10,20 |
10,23 |
+0,11 |
+0,17 |
+0,22 |
|||
|
1 |
9,95 |
10,00 |
+0,17 |
+0,20 |
+0,26 |
|||
|
12 |
0,5 |
11,50 |
11,52 |
+0,08 |
+0,10 |
+0,14 |
||
|
0,75 |
11,20 |
11,23 |
+0,11 |
+0,17 |
+0,22 |
|||
|
1 |
10,95 |
11,00 |
+0,17 |
+0,20 |
+0,26 |
|||
|
1,25 |
10,70 |
10,75 |
||||||
|
1,5 |
10,43 |
10,50 |
+0,19 |
+0,22 |
+0,30 |
|||
|
14 |
0,5 |
13,50 |
13,52 |
+0,08 |
+0,10 |
+0,14 |
||
|
0,75 |
13,20 |
13,23 |
+0,11 |
+0,17 |
+0,22 |
|||
|
1 |
12,95 |
13,00 |
+0,17 |
+0,20 |
+0,26 |
|||
|
1,25 |
12,70 |
12,75 |
||||||
|
1,5 |
12,43 |
12,50 |
+0,19 |
+0,22 |
+0,30 |
|||
|
15 |
1 |
13,95 |
14,00 |
+0,17 |
+0,20 |
+0,26 |
||
|
1,5 |
13,43 |
13,50 |
+0,19 |
+0,22 |
+0,30 |
|||
|
16 |
0,5 |
15,50 |
15,52 |
+0,08 |
+0,10 |
+0,14 |
||
|
0,75 |
15,20 |
15,23 |
+0,11 |
+0,17 |
+0,22 |
|||
|
1 |
14,95 |
15,00 |
+0,17 |
+0,20 |
+0,26 |
|||
|
1,5 |
14,43 |
14,50 |
+0,19 |
+0,22 |
+0,30 |
|||
|
17 |
1 |
15,95 |
16,00 |
+0,17 |
+0,20 |
+0,26 |
||
|
1,5 |
15,43 |
15,50 |
+0,19 |
+0,22 |
+0,30 |
|||
|
18 |
0,5 |
17,50 |
17,52 |
+0,08 |
+0,10 |
+0,14 |
||
|
0,75 |
17,20 |
17,23 |
+0,11 |
+0,17 |
+0,22 |
|||
|
1 |
16,95 |
17,00 |
+0,17 |
+0,20 |
+0,26 |
|||
|
1,5 |
16,43 |
16,50 |
+0,19 |
+0,22 |
+0,30 |
|||
|
2 |
15,90 |
15,95 |
+0,24 |
+0,30 |
+0,40 |
|||
|
20 |
0,5 |
19,50 |
19,52 |
+0,08 |
+0,10 |
+0,14 |
||
|
0,75 |
19,20 |
19,23 |
+0,11 |
+0,17 |
+0,22 |
|||
|
1 |
18,95 |
19,00 |
+0,17 |
+0,20 |
+0,26 |
|||
|
1,5 |
18,43 |
18,50 |
+0,19 |
+ 0,22 |
+0,30 |
|||
|
2 |
17,90 |
17,95 |
+0,24 |
+0,30 |
+0,40 |
|||
|
22 |
0,5 |
21,50 |
21,52 |
+0,08 |
+0,10 |
+0,14 |
||
|
0,75 |
21,20 |
21,23 |
+0,11 |
+0,17 |
+0,22 |
|||
|
1 |
20,95 |
21,00 |
+0,17 |
+0,20 |
+0,26 |
|||
|
1,5 |
20,43 |
20,50 |
+0,19 |
+0,22 |
+0,30 |
|||
|
2 |
19,90 |
19,95 |
+0,24 |
+0,30 |
+0,40 |
|||
|
24 |
0,75 |
23,20 |
23,23 |
+0,11 |
+0,17 |
+0,22 |
||
|
1 |
22,95 |
23,00 |
+0,17 |
+0,20 |
+0,26 |
|||
|
1,5 |
22,43 |
22,50 |
+0,19 |
+0,22 |
+0,30 |
|||
|
2 |
21,90 |
21,95 |
+0,24 |
+0,30 |
+0,40 |
|||
|
25 |
1 |
23,95 |
24,00 |
+0,17 |
+0,20 |
+0,26 |
||
|
1,5 |
23,43 |
23,50 |
+0,19 |
+0,22 |
+0,30 |
|||
|
2 |
22,90 |
22,95 |
+0,24 |
+0,30 |
+0,40 |
|||
|
26 |
1,5 |
24,43 |
24,50 |
+0,19 |
+0,22 |
+0,30 |
||
|
27 |
0,75 |
26,20 |
26,23 |
+0,11 |
+0,17 |
+0,22 |
||
|
1 |
25,95 |
26,00 |
+0,17 |
+0,20 |
+0,26 |
|||
|
1,5 |
25,43 |
25,50 |
+0,19 |
+0,22 |
+0,30 |
|||
|
2 |
24,90 |
24,95 |
+0,24 |
+0,30 |
+0,40 |
|||
|
28 |
1 |
26,95 |
27,00 |
+0,17 |
+0,20 |
+0,26 |
||
|
1,5 |
26,43 |
26,50 |
+0,19 |
+0,22 |
+0,30 |
|||
|
2 |
25,90 |
25,95 |
+0,24 |
+0,30 |
+0,40 |
|||
|
30 |
0,75 |
29,20 |
29,23 |
+0,11 |
+0,17 |
+0,22 |
||
|
1 |
28,95 |
29,00 |
+0,17 |
+0,20 |
+0,26 |
|||
|
1,5 |
28,43 |
28,50 |
+0,19 |
+0,22 |
+0,30 |
|||
|
2 |
27,90 |
27,95 |
+0,24 |
+0,30 |
+0,40 |
|||
|
3 |
26,85 |
26,90 |
+0,30 |
+0,40 |
+0,53 |
|||
|
32 |
1,5 |
30,43 |
30,50 |
+0,19 |
+0,22 |
+0,30 |
||
|
2 |
29,90 |
29,95 |
+0,24 |
+0,30 |
+0,40 |
|||
|
33 |
0,75 |
32,20 |
32,23 |
+0,11 |
+0,17 |
+0,22 |
||
|
1 |
31,95 |
32,00 |
+0,17 |
+0,20 |
+0,26 |
|||
|
1,5 |
31,43 |
31,50 |
+0,19 |
+0,22 |
+0,30 |
|||
|
2 |
30,90 |
30,95 |
+0,24 |
+0,30 |
+0,40 |
|||
|
3 |
29,85 |
29,90 |
+0,30 |
+0,40 |
+0,53 |
|||
|
35 |
1,5 |
33,43 |
33,50 |
+0,19 |
+0,22 |
+0,30 |
||
|
36 |
1 |
34,95 |
35,00 |
+0,17 |
+0,20 |
+0,26 |
||
|
1,5 |
34,43 |
34,50 |
+0,19 |
+0,22 |
+0,30 |
|||
|
2 |
33,90 |
33,95 |
+0,24 |
+0,30 |
+0,40 |
|||
|
3 |
32,85 |
32,90 |
+0,30 |
+0,40 |
+0,53 |
|||
|
38 |
1,5 |
36,43 |
36,50 |
+0,19 |
+0,22 |
+0,30 |
||
|
39 |
1 |
37,95 |
38,00 |
+0,17 |
+0,20 |
+0,26 |
||
|
1,5 |
37,43 |
37,50 |
+0,19 |
+0,22 |
+0,30 |
|||
|
2 |
36,90 |
36,95 |
+0,24 |
+0,30 |
+0,40 |
|||
|
3 |
35,85 |
35,90 |
+0,30 |
+0,40 |
+0,53 |
|||
|
40 |
1,5 |
38,43 |
38,50 |
+0,19 |
+0,22 |
+0,30 |
||
|
2 |
37,90 |
37,95 |
+0,24 |
+0,30 |
+0,40 |
|||
|
3 |
36,85 |
36,90 |
+0,30 |
+0,40 |
+0,53 |
|||
|
42 |
1 |
40,95 |
41,00 |
+0,17 |
+0,20 |
+0,26 |
||
|
1,5 |
40,43 |
40,50 |
+0,19 |
+0,22 |
+0,30 |
|||
|
2 |
39,90 |
39,95 |
+0,24 |
+0,30 |
+0,40 |
|||
|
3 |
38,85 |
38,90 |
+0,30 |
+0,40 |
+0,53 |
|||
|
4 |
37,80 |
37,85 |
+0,36 |
+0,48 |
+0,62 |
|||
|
45 |
1 |
43,95 |
44,00 |
+0,17 |
+0,20 |
+0,26 |
||
|
1,5 |
43,43 |
43,50 |
+0,19 |
+0,22 |
+0,30 |
|||
|
2 |
42,90 |
42,95 |
+0,24 |
+0,30 |
+0,40 |
|||
|
3 |
41,85 |
41,90 |
+0,30 |
+0,40 |
+0,53 |
|||
|
4 |
40,80 |
40,85 |
+0,36 |
+0,48 |
+0,62 |
|||
|
48 |
1 |
46,95 |
47,00 |
+0,17 |
+0,20 |
+0,26 |
||
|
1,5 |
46,43 |
46,50 |
+0,19 |
+0,22 |
+0,30 |
|||
|
2 |
45,90 |
45,95 |
+0,24 |
+0,30 |
+0,40 |
|||
|
3 |
44,85 |
44,90 |
+0,30 |
+0,40 |
+0,53 |
|||
|
4 |
43,80 |
43,85 |
+0,36 |
+0,48 |
+0,62 |
|||
|
50 |
1,5 |
48,43 |
48,50 |
+0,19 |
+0,22 |
+0,30 |
||
|
2 |
47,90 |
47,95 |
+0,24 |
+0,30 |
+0,40 |
|||
|
3 |
46,85 |
46,90 |
+0,30 |
+0,40 |
+0,53 |
|||
|
52 |
1 |
50,95 |
51,00 |
+0,17 |
+0,20 |
+0,26 |
||
|
1,5 |
50,43 |
50,50 |
+0,19 |
+0,22 |
+0,30 |
|||
|
2 |
49,90 |
49,95 |
+0,24 |
+0,30 |
+0,40 |
|||
|
3 |
48,85 |
48,90 |
+0,30 |
+0,40 |
+0,53 |
|||
|
4 |
47,80 |
47,85 |
+0,36 |
+0,48 |
+0,62 |
|||
|
55 |
1,5 |
53,43 |
53,50 |
+0,19 |
+0,22 |
+0,30 |
||
|
2 |
52,90 |
52,95 |
+0,24 |
+0,30 |
+0,40 |
|||
|
3 |
51,85 |
51,90 |
+0,30 |
+0,40 |
+0,53 |
|||
|
4 |
50,80 |
50,85 |
+0,36 |
+0,48 |
+0,62 |
|||
|
56 |
1 |
54,95 |
55,00 |
+0,17 |
+0,20 |
+0,26 |
||
|
1,5 |
54,43 |
54,50 |
+0,19 |
+0,22 |
+0,30 |
|||
|
2 |
53,90 |
53,95 |
+0,24 |
+0,30 |
+0,40 |
|||
|
3 |
52,85 |
52,90 |
+0,30 |
+0,40 |
+0,53 |
|||
|
4 |
51,80 |
51,85 |
+0,36 |
+0,48 |
+0,62 |
|||
|
58 |
1,5 |
56,43 |
56,50 |
+0,19 |
+0,22 |
+0,30 |
||
|
2 |
55,90 |
55,95 |
+0,24 |
+0,30 |
+0,40 |
|||
|
3 |
54,85 |
54,90 |
+0,30 |
+0,40 |
+0,53 |
|||
|
4 |
53,80 |
53,85 |
+0,36 |
+0,48 |
+0,62 |
|||
|
60 |
1 |
58,95 |
59,00 |
+0,17 |
+0,20 |
+0,26 |
||
|
1,5 |
58,43 |
58,50 |
+0,19 |
+0,22 |
+0,30 |
|||
|
2 |
57,90 |
57,95 |
+0,24 |
+0,30 |
+0,40 |
|||
|
3 |
56,85 |
56,90 |
+0,30 |
+0,40 |
+0,53 |
|||
|
4 |
55,80 |
55,85 |
+0,36 |
+0,48 |
+0,62 |
|||
|
62 |
1,5 |
60,43 |
60,50 |
+0,19 |
+0,22 |
+0,30 |
||
|
2 |
59,90 |
59,95 |
+0,24 |
+0,30 |
+0,40 |
|||
|
3 |
58,85 |
58,90 |
0,30 |
+0,40 |
+0,53 |
|||
|
4 |
57,80 |
57,85 |
+0,36 |
+0,48 |
+0,62 |
|||
|
64 |
1 |
62,95 |
63,00 |
+0,17 |
+0,20 |
+0,26 |
||
|
1,5 |
62,43 |
62,50 |
+0,19 |
+0,22 |
+0,30 |
|||
|
2 |
61,90 |
61,95 |
+0,24 |
+0,30 |
+0,40 |
|||
|
3 |
60,85 |
60,90 |
+0,30 |
+0,40 |
+0,53 |
|||
|
4 |
59,80 |
59,85 |
+0,36 |
+0,48 |
+0,62 |
|||
|
65 |
1,5 |
63,43 |
63,50 |
+0,19 |
+0,22 |
+0,30 |
||
|
2 |
62,90 |
62,95 |
+0,24 |
+0,30 |
+0,40 |
|||
|
3 |
61,85 |
61,90 |
+0,30 |
+0,40 |
+0,53 |
|||
|
4 |
60,80 |
60,85 |
+0,36 |
+0,48 |
+0,62 |
|||
|
68 |
I |
66,95 |
67,00 |
+0,17 |
+0,20 |
+0,26 |
||
|
1,5 |
66,43 |
66,50 |
+0,19 |
+0,22 |
+0,30 |
|||
|
2 |
65,90 |
65,95 |
+0,24 |
+0,30 |
+0,40 |
|||
|
3 |
64,85 |
64,90 |
+0,30 |
+0,40 |
+0,53 |
|||
|
4 |
63,80 |
63,85 |
+0,36 |
+0,48 |
+0,62 |
|||
|
70 |
1,5 |
68,43 |
68,50 |
+0,19 |
+0,22 |
+0,30 |
||
|
2 |
67,90 |
67,95 |
+0,24 |
+0,30 |
+0,40 |
|||
|
3 |
66,85 |
66,90 |
+0,30 |
+0,40 |
+0,53 |
|||
|
4 |
65,80 |
65,85 |
+0,36 |
+0,48 |
+0,62 |
|||
|
6 |
63,70 |
63,80 |
+0,45 |
+0,60 |
+0,80 |
|||
|
72 |
1 |
70,95 |
71,00 |
+0,17 |
+0,20 |
+0,26 |
||
|
1,5 |
70,43 |
70,50 |
+0,19 |
+0,22 |
+0,30 |
|||
|
2 |
69,90 |
69,95 |
+0,24 |
+0,30 |
+0,40 |
|||
|
3 |
68,85 |
68,90 |
+0,30 |
+0,40 |
+0,53 |
|||
|
4 |
67,80 |
67,85 |
+0,36 |
+0,48 |
+0,62 |
|||
|
6 |
65,70 |
65,80 |
+0,45 |
+0,60 |
+0,80 |
|||
|
75 |
1,5 |
73,43 |
73,50 |
+0,19 |
+0,22 |
+0,30 |
||
|
2 |
72,90 |
72,95 |
+0,24 |
+0,30 |
+0,40 |
|||
|
3 |
71,85 |
71,90 |
+0,30 |
+0,40 |
+0,53 |
|||
|
4 |
70,80 |
70,85 |
+0,36 |
+0,48 |
+0,62 |
|||
|
76 |
1 |
74,95 |
75,00 |
+0,17 |
+0,20 |
+0,26 |
||
|
1,5 |
74,43 |
74,50 |
+0,19 |
+0,22 |
+0,30 |
|||
|
2 |
73,90 |
73,95 |
+0,24 |
+0,30 |
+0,40 |
|||
|
3 |
72,85 |
72,90 |
+0,30 |
+0,40 |
+0,53 |
|||
|
4 |
71,80 |
71,85 |
+0,36 |
+0,48 |
+0,62 |
|||
|
6 |
69,70 |
69,80 |
+0,45 |
+0,60 |
+0,80 |
|||
|
78 |
2 |
75,90 |
75,95 |
+0,24 |
+0,30 |
+0,40 |
||
|
80 |
1 |
78,95 |
79,00 |
+0,17 |
+0,20 |
+0,26 |
||
|
1,5 |
78,43 |
78,50 |
+0,19 |
+0,22 |
+0,30 |
|||
|
2 |
77,90 |
77,95 |
+0,24 |
+0,30 |
+0,40 |
|||
|
3 |
76,85 |
76,90 |
+0,30 |
+0,40 |
+0,53 |
|||
|
4 |
75,80 |
75,85 |
+0,36 |
+0,48 |
+0,62 |
|||
|
6 |
73,70 |
73,80 |
+0,45 |
+0,60 |
+0,80 |
|||
|
82 |
2 |
79,90 |
79,95 |
+0,24 |
+0,30 |
+0,40 |
||
|
85 |
1,5 |
83,43 |
83,50 |
+0,19 |
+0,22 |
+0,30 |
||
|
2 |
82,90 |
82,95 |
+0,24 |
+0,30 |
+0,40 |
|||
|
3 |
81,85 |
81,90 |
+0,30 |
+0,40 |
+0,53 |
|||
|
4 |
80,80 |
80,85 |
+0,36 |
+0,48 |
+0,62 |
|||
|
6 |
78,70 |
78,80 |
+0,45 |
+0,60 |
+0,80 |
|||
|
90 |
1,5 |
88,43 |
88,50 |
+0,19 |
+0,22 |
+0,30 |
||
|
2 |
87,90 |
87,95 |
+0,24 |
+0,30 |
+0,40 |
|||
|
90 |
3 |
86,85 |
86,90 |
+0,30 |
+0,40 |
+0,53 |
||
|
4 |
85,80 |
85,85 |
+0,36 |
+0,48 |
+0,62 |
|||
|
6 |
83,70 |
83,80 |
+0,45 |
+0,60 |
+0,80 |
|||
|
95 |
1,5 |
93,43 |
93,50 |
+0,19 |
+0,22 |
+0,30 |
||
|
2 |
92,90 |
92,95 |
+0,24 |
+0,30 |
+0,40 |
|||
|
3 |
91,85 |
91,90 |
+0,30 |
+0,40 |
+0,53 |
|||
|
4 |
90,80 |
90,85 |
+0,36 |
+0,48 |
+0,62 |
|||
|
6 |
88,70 |
88,80 |
+0,45 |
+0,60 |
+0,80 |
|||
|
100 |
1,5 |
98,43 |
98,50 |
+0,19 |
+0,22 |
+0,30 |
||
|
2 |
97,90 |
97,95 |
+0,24 |
+0,30 |
+0,40 |
|||
|
3 |
96,85 |
96,90 |
0,30 |
+0,40 |
+0,53 |
|||
|
4 |
95,80 |
95,85 |
+0,36 |
+0,48 |
+0,62 |
|||
|
6 |
93,70 |
93,80 |
+0,45 |
+0,60 |
+0,80 |
|||
|
105 |
1,5 |
103,43 |
103,50 |
+0,19 |
+0,22 |
+0,30 |
||
|
2 |
102,90 |
102,95 |
+0,24 |
+0,30 |
+0,40 |
|||
|
3 |
101,85 |
101,90 |
+0,30 |
+0,40 |
+0,53 |
|||
|
4 |
100,80 |
100,85 |
+0,36 |
+0,48 |
+0,62 |
|||
|
6 |
98,70 |
98,80 |
+0,45 |
+0,60 |
+0,80 |
|||
|
110 |
1,5 |
108,43 |
108,50 |
+0,19 |
+0,22 |
+0,30 |
||
|
2 |
107,90 |
107,95 |
+0,24 |
+0,30 |
+0,40 |
|||
|
3 |
106,85 |
106,90 |
+0,30 |
+0,40 |
+0,53 |
|||
|
4 |
105,80 |
105,85 |
+0,36 |
+0,48 |
+0,62 |
|||
|
6 |
103,70 |
103,80 |
+0,45 |
+0,60 |
+0,80 |
|||
|
115 |
1,5 |
113,43 |
113,50 |
+0,19 |
+0,22 |
+0,30 |
||
|
2 |
112,90 |
112,95 |
+0,24 |
+0,30 |
+0,40 |
|||
|
3 |
111,85 |
111,90 |
+0,30 |
+0,40 |
+0,53 |
|||
|
4 |
110,80 |
110,85 |
+0,36 |
+0,48 |
+0,62 |
|||
|
6 |
108,70 |
108,80 |
+0,45 |
+0,60 |
+0,80 |
|||
|
120 |
1,5 |
118,43 |
118,50 |
+0,19 |
+0,22 |
+0,30 |
||
|
2 |
117,90 |
117,95 |
+0,24 |
+0,30 |
+0,40 |
|||
|
3 |
116,85 |
116,90 |
+0,30 |
+0,40 |
+0,53 |
|||
|
4 |
115,80 |
115,85 |
+0,36 |
+0,48 |
+0,62 |
|||
|
6 |
113,70 |
113,80 |
+0,45 |
+0,60 |
+0,80 |
|||
|
125 |
1,5 |
123,43 |
123,50 |
+0,19 |
+0,22 |
+0,30 |
||
|
2 |
122,90 |
122,95 |
+0,24 |
+0,30 |
+0,40 |
|||
|
3 |
121,85 |
121,90 |
+0,30 |
+0,40 |
+0,53 |
|||
|
4 |
120,80 |
120,85 |
+0,36 |
+0,48 |
+0,62 |
|||
|
6 |
118,70 |
118,80 |
+0,45 |
+0,60 |
+0,80 |
|||
|
130 |
1,5 |
128,43 |
128,50 |
+0,19 |
+0,22 |
+0,30 |
||
|
2 |
127,90 |
127,95 |
+0,24 |
+0,30 |
+0,40 |
|||
|
3 |
126,85 |
126,90 |
+0,30 |
+0,40 |
+0,53 |
|||
|
4 |
125,80 |
125,85 |
+0,36 |
+0,48 |
+0,62 |
|||
|
6 |
123,70 |
123,80 |
+0,45 |
+0,60 |
+0,80 |
|||
|
135 |
1,5 |
133,43 |
133,50 |
+0,19 |
+0,22 |
+0,30 |
||
|
2 |
132,90 |
132,95 |
+0,24 |
+0,30 |
+0,40 |
|||
|
3 |
131,85 |
131,90 |
+0,30 |
+0,40 |
+0,53 |
|||
|
4 |
130,80 |
130,85 |
+0,36 |
+0,48 |
+0,62 |
|||
|
6 |
128,70 |
128,80 |
+0,45 |
+0,60 |
+0,80 |
|||
|
140 |
1,5 |
138,43 |
138,50 |
+0,19 |
+0,22 |
+0,30 |
||
|
2 |
137,90 |
137,95 |
+0,24 |
+0,30 |
+0,40 |
|||
|
3 |
136,85 |
136,90 |
+0,30 |
+0,40 |
+0,53 |
|||
|
4 |
135,80 |
135,85 |
+0,36 |
+0,48 |
+0,62 |
|||
|
6 |
133,70 |
133,80 |
+0,45 |
+0,60 |
+0,80 |
|||
|
145 |
1,5 |
143,43 |
143,50 |
+0,19 |
+0,22 |
+0,30 |
||
|
2 |
142,90 |
142,95 |
+0,24 |
+0,30 |
+0,40 |
|||
|
3 |
141,85 |
141,90 |
+0,30 |
+0,40 |
+0,53 |
|||
|
4 |
140,80 |
140,85 |
+0,36 |
+0,48 |
+0,62 |
|||
|
6 |
138,70 |
138,80 |
+0,45 |
+0,60 |
+0,80 |
|||
|
150 |
1,5 |
148,43 |
148,50 |
+0,19 |
+0,22 |
+0,30 |
||
|
2 |
147,90 |
147,95 |
+0,24 |
+0,30 |
+0,40 |
|||
|
3 |
146,85 |
146,90 |
+0,30 |
+0,40 |
+0,53 |
|||
|
4 |
145,80 |
145,85 |
+0,36 |
+0,48 |
+0,62 |
|||
|
6 |
143,70 |
143,80 |
+0,45 |
+0,60 |
+0,80 |
|||
|
155 |
2 |
152,90 |
152,95 |
+0,24 |
+0,30 |
+0,40 |
||
|
3 |
151,85 |
151,90 |
+0,30 |
+0,40 |
+0,53 |
|||
|
4 |
150,80 |
150,85 |
+0,36 |
+0,48 |
+0,62 |
|||
|
6 |
148,70 |
148,80 |
+0,45 |
+0,60 |
+0,80 |
|||
|
160 |
2 |
157,90 |
157,95 |
+ 0,24 |
+0,30 |
+0,40 |
||
|
3 |
156,85 |
156,90 |
+0,30 |
+0,40 |
+0,53 |
|||
|
4 |
155,80 |
155,85 |
+0,36 |
+0,48 |
+0,62 |
|||
|
6 |
153,70 |
153,80 |
+0,45 |
+0,60 |
+0,80 |
|||
|
165 |
2 |
162,90 |
162,95 |
+0,24 |
+0,30 |
+0,40 |
||
|
3 |
161,85 |
161,90 |
+0,30 |
+0,40 |
+0,53 |
|||
|
4 |
160,80 |
160,85 |
+0,36 |
+0,48 |
+0,62 |
|||
|
6 |
158,70 |
158,80 |
+0,45 |
+0,60 |
+0,80 |
|||
|
170 |
2 |
167,90 |
167,95 |
+0,24 |
+0,30 |
+0,40 |
||
|
3 |
166,85 |
166,90 |
+0,30 |
+0,40 |
+0,53 |
|||
|
4 |
165,80 |
165,85 |
+0,36 |
+0,48 |
+0,62 |
|||
|
6 |
163,70 |
163,80 |
+0,45 |
+0,60 |
+0,80 |
|||
|
175 |
2 |
172,90 |
172,95 |
+0,24 |
+0,30 |
+0,40 |
||
|
3 |
171,85 |
171,90 |
+0,30 |
+0,40 |
+0,53 |
|||
|
4 |
170,80 |
170,85 |
+0,36 |
+0,48 |
+0,62 |
|||
|
6 |
168,70 |
168,80 |
+0,45 |
+0,60 |
+0,80 |
|||
|
180 |
2 |
177,90 |
177,95 |
+0,24 |
+0,30 |
+0,40 |
||
|
3 |
176,85 |
176,90 |
+0,30 |
+0,40 |
+0,53 |
|||
|
4 |
175,80 |
175,85 |
+0,36 |
+0,48 |
+0,62 |
|||
|
6 |
173,70 |
173,80 |
+0,45 |
+0,60 |
+0,80 |
|||
|
185 |
2 |
182,90 |
182,95 |
+0,24 |
+0,30 |
+0,40 |
||
|
3 |
181,85 |
181,90 |
+0,30 |
+0,40 |
+0,53 |
|||
|
4 |
180,80 |
180,85 |
+0,36 |
+0,48 |
+0,62 |
|||
|
6 |
178,70 |
178,80 |
+0,45 |
+0,60 |
+0,80 |
|||
|
190 |
2 |
187,90 |
187,95 |
+0,24 |
+0,30 |
+0,40 |
||
|
3 |
186,85 |
186,90 |
+0,30 |
+0,40 |
+0,53 |
|||
|
4 |
185,80 |
185,85 |
+0,36 |
+0,48 |
+0,62 |
|||
|
6 |
183,70 |
183,80 |
+0,45 |
+0,60 |
+0,80 |
|||
|
195 |
2 |
192,90 |
192,95 |
+0,24 |
+0,30 |
+0,40 |
||
|
3 |
191,85 |
191,90 |
+0,30 |
+0,40 |
+0,53 |
|||
|
4 |
190,80 |
190,85 |
+0,36 |
+0,48 |
+0,62 |
|||
|
6 |
188,70 |
188,80 |
+0,45 |
+0,60 |
+0,80 |
|||
|
200 |
2 |
197,90 |
197,95 |
+0,24 |
+0,30 |
+0,40 |
||
|
3 |
196,85 |
196,90 |
+0,30 |
+0,40 |
+0,53 |
|||
|
4 |
195,80 |
195,85 |
+0,36 |
+0,48 |
+0,62 |
|||
|
6 |
193,70 |
193,80 |
+0,45 |
+0,60 |
+0,80 |
|||
Примечание. Для резьб с номинальным диаметром свыше 200 мм, а также при технологических способах резьбообразования, обеспечивающих иной подъем витка, номинальные размеры и предельные отклонения диаметров отверстий должны быть равны установленным ГОСТ 9150-81, ГОСТ 24705-81 и ГОСТ 16093-81 для внутреннего диаметра резьбы гаек.
3. Диаметры сверл под нарезание резьбы указаны в рекомендуемом приложении 1.
4. Методика определения диаметров отверстий под нарезание резьбы для материалов повышенной вязкости приведена в рекомендуемом приложении 2.
Рекомендуемое
Диаметры сверл для отверстий под нарезание метрической резьбы
мм
|
Номинальный |
Шаг резьбы Р |
Диаметр сверла |
|
1 |
0,2 |
0,80 |
|
0,25 |
0,75 |
|
|
1,1 |
0,2 |
0,90 |
|
0,25 |
0,85 |
|
|
1,2 |
0,2 |
1,00 |
|
0,25 |
0,95 |
|
|
1,4 |
0,2 |
1,20 |
|
0,3 |
1,10 |
|
|
1,6 |
0,2 |
1,40 |
|
0,35 |
1,25 |
|
|
1,8 |
0,2 |
1,60 |
|
0,35 |
1,45 |
|
|
2 |
0,25 |
1,75 |
|
0,4 |
1,60 |
|
|
2,2 |
0,25 |
1,95 |
|
0,45 |
1,75 |
|
|
2,5 |
0,35 |
2,15 |
|
0,45 |
2,05 |
|
|
3 |
0,35 |
2,65 |
|
0,5 |
2,50 |
|
|
3,5 |
0,35 |
3,15 |
|
3,5 |
0,6 |
2,90 |
|
4 |
0,5 |
3,50 |
|
0,7 |
3,30 |
|
|
4,5 |
0,5 |
4,00 |
|
0,75 |
3,75 |
|
|
5 |
0,5 |
4,50 |
|
0,8 |
4,20 |
|
|
5,5 |
0,5 |
5,00 |
|
6 |
0,5 |
5,50 |
|
0,75 |
5,25 |
|
|
1 |
5,00 |
|
|
7 |
0,5 |
6,50 |
|
0,75 |
6,25 |
|
|
1 |
6,00 |
|
|
8 |
0,5 |
7,50 |
|
0,75 |
7,25 |
|
|
1 |
7,00 |
|
|
1,25 |
6,80 |
|
|
9 |
0,5 |
8,50 |
|
0,75 |
8,25 |
|
|
1 |
8,00 |
|
|
1,25 |
7,80 |
|
|
10 |
0,5 |
9,50 |
|
0,75 |
9,25 |
|
|
1 |
9,00 |
|
|
1,25 |
8,80 |
|
|
1,5 |
8,50 |
|
|
11 |
0,5 |
10,50 |
|
0,75 |
10,25 |
|
|
1 |
10,00 |
|
|
1,5 |
9,50 |
|
|
12 |
0,5 |
11,50 |
|
0,75 |
11,25 |
|
|
1 |
11,00 |
|
|
1,25 |
10,80 |
|
|
1,5 |
10,50 |
|
|
1,75 |
10,20 |
|
|
14 |
0,5 |
13,50 |
|
0,75 |
13,25 |
|
|
1 |
13,00 |
|
|
1,25 |
12,80 |
|
|
1,5 |
12,50 |
|
|
2 |
12,00 |
|
|
15 |
1 |
14,00 |
|
1,5 |
13,50 |
|
|
16 |
0,5 |
15,50 |
|
0,75 |
15,25 |
|
|
1 |
15,00 |
|
|
16 |
1,5 |
14,50 |
|
2 |
14,00 |
|
|
17 |
1 |
16,00 |
|
1,5 |
15,50 |
|
|
18 |
0,5 |
17,50 |
|
0,75 |
17,25 |
|
|
1 |
17,00 |
|
|
1,5 |
16,50 |
|
|
2 |
16,00 |
|
|
2,5 |
15,50 |
|
|
20 |
0,5 |
19,50 |
|
0,75 |
19,25 |
|
|
1 |
19,00 |
|
|
1,5 |
18,50 |
|
|
2 |
18,00 |
|
|
2,5 |
17,50 |
|
|
22 |
0,5 |
21,50 |
|
0,75 |
21,25 |
|
|
1 |
21,00 |
|
|
1,5 |
20,50 |
|
|
2 |
20,00 |
|
|
2,5 |
19,50 |
|
|
24 |
0,75 |
23,25 |
|
1 |
23,00 |
|
|
1,5 |
22,50 |
|
|
2 |
22,00 |
|
|
3 |
21,00 |
|
|
25 |
1 |
24,00 |
|
1,5 |
23,50 |
|
|
2 |
23,00 |
|
|
26 |
1,5 |
24,50 |
|
27 |
0,75 |
26,25 |
|
1 |
26,00 |
|
|
1,5 |
25,50 |
|
|
2 |
25,00 |
|
|
3 |
24,00 |
|
|
28 |
1 |
27,00 |
|
1,5 |
26,50 |
|
|
2 |
26,00 |
|
|
30 |
0,75 |
29,25 |
|
1 |
29,00 |
|
|
1,5 |
28,50 |
|
|
2 |
28,00 |
|
|
3 |
27,00 |
|
|
3,5 |
26,50 |
|
|
32 |
1,5 |
30,50 |
|
2 |
30,00 |
|
|
33 |
0,75 |
32,25 |
|
1 |
32,00 |
|
|
1,5 |
31,50 |
|
|
2 |
31,00 |
|
|
3 |
30,00 |
|
|
3,5 |
29,50 |
|
|
35 |
1,5 |
33,50 |
|
36 |
1 |
35,00 |
|
1,5 |
34,50 |
|
|
2 |
34,00 |
|
|
3 |
33,00 |
|
|
4 |
32,00 |
|
|
38 |
1,5 |
36,50 |
|
39 |
1 |
38,00 |
|
1,5 |
37,50 |
|
|
2 |
37,00 |
|
|
3 |
36,00 |
|
|
4 |
35,00 |
|
|
40 |
1,5 |
38,50 |
|
2 |
38,00 |
|
|
3 |
37,00 |
|
|
42 |
1 |
41,00 |
|
1,5 |
40,50 |
|
|
2 |
40,00 |
|
|
3 |
39,00 |
|
|
4 |
38,00 |
|
|
4,5 |
37,50 |
|
|
45 |
1 |
44,00 |
|
1,5 |
43,50 |
|
|
2 |
43,00 |
|
|
3 |
42,00 |
|
|
4 |
41,00 |
|
|
4,5 |
40,50 |
|
|
48 |
1 |
47,00 |
|
48 |
1,5 |
46,50 |
|
2 |
46,00 |
|
|
3 |
45,00 |
|
|
4 |
44,00 |
|
|
5 |
43,00 |
|
|
50 |
1,5 |
48,50 |
|
2 |
48,00 |
|
|
50 |
3 |
47,00 |
|
52 |
1 |
51,00 |
|
1,5 |
50,50 |
|
|
2 |
50,00 |
|
|
3 |
49,00 |
|
|
4 |
48,00 |
|
|
5 |
47,00 |
Примечание. Жирным шрифтом указаны диаметры сверл для отверстий под резьбу с крупным шагом.
Рекомендуемое
МЕТОДИКА
ОПРЕДЕЛЕНИЯ ДИАМЕТРОВ
ОТВЕРСТИЙ ПОД НАРЕЗАНИЕ МЕТРИЧЕСКОЙ РЕЗЬБЫ
ДЛЯ МАТЕРИАЛОВ ПОВЫШЕННОЙ ВЯЗКОСТИ
1. Общие положения
1.1. Под материалами повышенной вязкости понимаются материалы, у которых из-за повышенных упругих деформаций и пластических свойств наблюдается значительный подъем витка (вспучивание).
1.2. К группе материалов повышенной вязкости относятся:
сплавы магния по ГОСТ 804-93;
сплавы алюминиевые по ГОСТ 4784-97;
латуни по ГОСТ 15527-70;
титановые сплавы;
стали и сплавы высоколегированные, коррозионностойкие, жаростойкие, жаропрочные (на никелевой основе) по ГОСТ 5632-72, ГОСТ 20072-74.
1.3. В табл. 1 приведены коэффициенты подъема витка для некоторых видов труднообрабатываемых материалов повышенной вязкости.
2. Расчет диаметра отверстия
2.1. Диаметр отверстия под нарезание резьбы рассчитывается по формулам (1) ... (4).

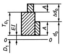
2.2. Номинальный (наименьший) диаметр отверстия d0 ном определяют по формуле
|
d0 наиб = D1 + EI + A, |
(1) |
где D1 -номинальный внутренний диаметр резьбы гайки, мм;
EI - нижнее предельное отклонение внутреннего диаметра резьбы по ГОСТ 16093-81, мм;
А - величина подъема витка, определяемая по табл. 1. При расчете диаметров отверстий для группы материалов в формулу подставляют наибольшее значение величины подъема витка для данного шага резьбы.
2.3. Наибольший диаметр отверстия d0 наиб определяют по формулам:
а) для конкретного материала
|
|
(2) |
где EI + TD1 - верхнее предельное отклонение внутреннего диаметра резьбы по ГОСТ 16093-81, мм;
А - величина подъема витка, определяемая по табл. 1;
б) для группы материалов
|
d0 наиб = D1 + (EI + TD1) +A, |
(3) |
где А - наименьшее значение величины подъема витка для данного шага резьбы.
2.4. Допуск на диаметр отверстия Dd0 определяют по формуле
|
∆d0 = d0 наиб - d0 ном. |
(4) |
2.5. Пример расчета диаметра отверстия под резьбу М10 с полем допуска 6H (Р = 1,5 мм; D1 = 8,376 мм; EI = 0; EI + TD1 = 0,300 мм) для группы материалов (наибольшее значение величины подъема витка А = 0,255, наименьшее значение величины подъема витка A = 0,110).
1. d0 ном = 8,376 + 0 + 0,255 = 8,631 мм. Округляем до d0 ном = 8,63 мм.
2. d0 наиб =8,376 + 0,300 + 0,110 = 8,786 мм. Округляем до d0 наиб = 8,79 мм.
3. Dd0 = 8,79 - 8,63 = 0,16 мм.
4. Диаметр отверстия 8,63+0,16 мм.
2.6. Размеры и предельные отклонения диаметров отверстий для резьб с крупным шагом приведены в табл. 2, для резьб с мелким шагом - в табл. 3.
2.7. Рекомендуется производить уточнение предельных размеров диаметров отверстий на первых 3 - 5 изделиях партии в зависимости от механических свойств обрабатываемых материалов, плавки, термообработки и других технологических факторов.
2.8. Диаметры сверл под нарезание резьбы в материалах повышенной вязкости приведены в табл. 4.
Таблица 1
|
Материал |
С |
Величина подъема витка резьбы А для шага резьбы Р, мм |
|||||||||||||||||||||
|
0,2 |
0,25 |
0,3 |
0,35 |
0,4 |
0,45 |
0,5 |
0,6 |
0,7 |
0,75 |
0,8 |
1 |
1,25 |
1,5 |
1,75 |
2 |
2,5 |
3 |
3,5 |
4 |
4,5 |
5 |
||
|
Алюминиевые сплавы |
0,080 |
0,016 |
0,020 |
0,024 |
0,028 |
0,032 |
0,036 |
0,040 |
0,048 |
0,056 |
0,060 |
0,064 |
0,080 |
0,100 |
0,120 |
0,140 |
0,160 |
0,200 |
0,240 |
0,280 |
0,320 |
0,360 |
0,400 |
|
Магниевые сплавы |
0,115 |
0,023 |
0,029 |
0,034 |
0,040 |
0,046 |
0,052 |
0,057 |
0,069 |
0,080 |
0,086 |
0,092 |
0,115 |
0,144 |
0,172 |
0,201 |
0,230 |
0,288 |
0,345 |
0,402 |
0,460 |
0,518 |
0,575 |
|
Латунь |
0,073 |
0,014 |
0,018 |
0,022 |
0,025 |
0,029 |
0,033 |
0,036 |
0,044 |
0,051 |
0,055 |
0,058 |
0,073 |
0,090 |
0,110 |
0,127 |
0,146 |
0,182 |
0,219 |
0,256 |
0,292 |
0,328 |
0,365 |
|
Титановые сплавы |
0,130 |
0,026 |
0,032 |
0,039 |
0,045 |
0,052 |
0,058 |
0,065 |
0,078 |
0,091 |
0,097 |
0,104 |
0,130 |
0,162 |
0,195 |
0,227 |
0,260 |
0,325 |
0,390 |
0,455 |
0,520 |
0,585 |
0,650 |
|
Жаропрочные стали и сплавы |
0,150 |
0,030 |
0,037 |
0,045 |
0,052 |
0,060 |
0,067 |
0,075 |
0,090 |
0,105 |
0,112 |
0,120 |
0,150 |
0,187 |
0,225 |
0,262 |
0,300 |
0,375 |
0,450 |
0,525 |
0,600 |
0,675 |
0,750 |
|
Коррозионностойкие, жаростойкие стали на никелевой основе |
0,170 |
0,034 |
0,042 |
0,051 |
0,059 |
0,068 |
0,076 |
0,085 |
0,092 |
0,119 |
0,127 |
0,136 |
0,170 |
0,212 |
0,255 |
0,295 |
0,340 |
0,425 |
0,510 |
0,595 |
0,680 |
0,765 |
0,850 |
Примечание. Константы С для материалов, не вошедших в таблицу, должны определяться путем экспериментов.
Таблица 2
мм
|
Номинальный |
Шаг резьбы Р |
Диаметр отверстия под резьбу с полем допуска |
||||
|
4H5H; 5H; |
6G; 7G |
4H5H; 5H |
5H6H; |
7H; 7G |
||
|
Номин. |
Пред. откл. |
|||||
|
1 |
0,25 |
0,77 |
0,79 |
+0,04 |
+0,06 |
- |
|
1,1 |
0,87 |
0,89 |
||||
|
1,2 |
0,97 |
0,99 |
||||
|
1,4 |
0,3 |
1,12 |
1,14 |
+0,05 |
||
|
1,6 |
0,35 |
1,28 |
1,30 |
+0,05 |
+0,07 |
|
|
1,8 |
1,48 |
1,50 |
||||
|
2 |
0,40 |
1,63 |
1,65 |
+0,06 |
+0,08 |
|
|
2,2 |
0,45 |
1,80 |
2,82 |
+0,09 |
||
|
2,5 |
2,10 |
2,12 |
||||
|
3 |
0,5 |
2,54 |
2,56 |
+0,07 |
+0,10 |
+0,14 |
|
3,5 |
0,6 |
2,94 |
2,97 |
+0,08 |
+0,12 |
+0,16 |
|
4 |
0,7 |
3,36 |
3,39 |
+0,17 |
||
|
4,5 |
0,75 |
3,81 |
3,84 |
|||
|
5 |
0,8 |
4,27 |
4,30 |
+0,09 |
+0,13 |
+0,18 |
|
6 |
1 |
5,08 |
5,11 |
+0,10 |
+0,15 |
+0,22 |
|
7 |
6,08 |
6,11 |
||||
|
8 |
1,25 |
6,85 |
6,88 |
|||
|
9 |
7,85 |
7,88 |
||||
|
10 |
1,5 |
8,63 |
8,67 |
+0,16 |
+ 0,24 |
|
|
11 |
9,63 |
9,67 |
||||
|
12 |
1,75 |
10,40 |
10,44 |
+0,17 |
+0,26 |
|
|
14 |
2 |
12,17 |
12,21 |
+0,11 |
+0,19 |
+0,29 |
|
16 |
14,17 |
14,21 |
||||
Таблица 3
мм
|
Номинальный |
Шаг резьбы Р |
Диаметр отверстия под резьбу с полем допуска |
||||
|
4H5H; 5H; |
6G; 7G |
4H5H; 5H |
5H6H; |
7H; 7G |
||
|
Номин. |
Пред. откл. |
|||||
|
1 |
0,2 |
0,81 |
0,83 |
+0,03 |
+0,04 |
- |
|
1,1 |
0,91 |
0,93 |
||||
|
1,2 |
1,01 |
1,03 |
||||
|
1,4 |
1,21 |
1,23 |
||||
|
1,6 |
1,41 |
1,43 |
||||
|
1,8 |
1,61 |
1,63 |
||||
|
2 |
0,25 |
1,77 |
1,79 |
+0,04 |
+0,06 |
|
|
2,2 |
1,97 |
1,99 |
||||
|
2,5 |
0,35 |
2,18 |
2,20 |
+0,05 |
+0,07 |
|
|
3 |
2,68 |
2,70 |
||||
|
3,5 |
3,18 |
3,20 |
||||
|
4 |
0,5 |
3,54 |
3,56 |
+0,07 |
+0,10 |
+0,14 |
|
4,5 |
4,04 |
4,06 |
||||
|
5 |
4,54 |
4,56 |
||||
|
5,5 |
5,04 |
5,06 |
||||
|
6 |
5,54 |
5,56 |
||||
|
6 |
0,75 |
5,31 |
5,34 |
+0,08 |
+0,12 |
+0,17 |
|
7 |
0,5 |
6,54 |
6,56 |
+0,07 |
+0,10 |
+0,14 |
|
0,75 |
6,31 |
6,34 |
+0,08 |
+0,12 |
+0,17 |
|
|
8 |
0,5 |
7,54 |
7,56 |
+0,07 |
+0,10 |
+0,14 |
|
0,75 |
7,31 |
7,34 |
+0,08 |
+0,12 |
+0,17 |
|
|
1 |
7,08 |
7,11 |
+0,10 |
+0,15 |
+0,22 |
|
|
9 |
0,5 |
8,54 |
8,56 |
+0,07 |
+0,10 |
+0,14 |
|
0,75 |
8,31 |
8,34 |
+0,08 |
+0,12 |
+0,17 |
|
|
1 |
8,08 |
8,11 |
+0,10 |
+0,15 |
+0,22 |
|
|
10 |
0,5 |
9,54 |
9,56 |
+0,07 |
+0,10 |
+0,14 |
|
0,75 |
9,31 |
9,34 |
+0,08 |
+0,12 |
+0,17 |
|
|
1 |
9,08 |
9,11 |
+0,10 |
+0,15 |
+0,22 |
|
|
1,25 |
8,85 |
8,88 |
||||
|
11 |
0,5 |
10,54 |
10,56 |
+0,07 |
+0,10 |
+0,14 |
|
0,75 |
10,31 |
10,34 |
+0,08 |
+0,12 |
+0,17 |
|
|
1 |
10,08 |
10,11 |
+0,10 |
+0,15 |
+0,22 |
|
|
12 |
0,5 |
11,54 |
11,56 |
+0,07 |
+0,10 |
+0,14 |
|
0,75 |
11,31 |
11,34 |
+0,08 |
+0,12 |
+0,17 |
|
|
1 |
11,08 |
11,11 |
+0,10 |
+0,15 |
+0,22 |
|
|
1,25 |
10,85 |
10,88 |
||||
|
1,5 |
10,63 |
10,67 |
+0,16 |
+0,24 |
||
|
14 |
0,5 |
13,54 |
13,56 |
+0,07 |
+0,10 |
+0,14 |
|
0,75 |
13,31 |
13,34 |
+0,08 |
+0,12 |
+0,17 |
|
|
1 |
13,08 |
13,11 |
+0,10 |
+0,15 |
+0,22 |
|
|
1,25 |
12,85 |
12,88 |
||||
|
1,5 |
12,63 |
12,67 |
+0,16 |
+0,24 |
||
|
15 |
1 |
14,08 |
14,11 |
+0,15 |
+0,22 |
|
|
1,5 |
13,63 |
13,67 |
+0,16 |
+0,24 |
||
|
16 |
0,5 |
15,54 |
15,56 |
+0,07 |
+0,10 |
+0,14 |
|
0,75 |
15,31 |
15,34 |
+0,08 |
+0,12 |
+0,17 |
|
|
1 |
15,08 |
15,11 |
+0,10 |
+0,15 |
+0,22 |
|
|
1,5 |
14,63 |
14,67 |
+0,16 |
+0,24 |
||
|
17 |
1 |
16,08 |
16,11 |
+0,15 |
+0,22 |
|
|
1,5 |
15,63 |
15,67 |
+0,16 |
+0,24 |
||
|
18 |
0,5 |
17,54 |
17,56 |
+0,07 |
+0,10 |
+0,14 |
|
0,75 |
17,31 |
17,34 |
+0,08 |
+0,12 |
+0,17 |
|
|
1 |
17,08 |
17,11 |
+0,10 |
+0,15 |
+0,22 |
|
|
1,5 |
16,63 |
16,67 |
+0,16 |
+0,24 |
||
|
2 |
16,17 |
16,21 |
+0,11 |
+0,19 |
+0,29 |
|
|
20 |
0,5 |
19,54 |
19,56 |
+0,07 |
+0,10 |
+0,14 |
|
0,75 |
19,31 |
19,34 |
+0,08 |
+0,12 |
+0,17 |
|
|
1 |
19,08 |
19,11 |
+0,10 |
+0,15 |
+0,22 |
|
|
1,5 |
18,63 |
18,67 |
+0,10 |
+0,16 |
+0,24 |
|
|
2 |
18,17 |
18,21 |
+0,11 |
+0,19 |
+0,29 |
|
|
22 |
0,5 |
21,54 |
21,56 |
+0,07 |
+0,10 |
+0,14 |
|
0,75 |
21,31 |
21,34 |
+0,08 |
+0,12 |
+0,17 |
|
|
1 |
21,08 |
21,11 |
+0,10 |
+0,15 |
+0,22 |
|
|
1,5 |
20,63 |
20,67 |
+0,16 |
+0,24 |
||
|
2 |
20,17 |
20,21 |
+0,11 |
+0,19 |
+0,29 |
|
|
24 |
0,75 |
23,31 |
23,34 |
+0,08 |
+0,12 |
+0,17 |
|
1 |
23,08 |
23,11 |
+0,10 |
+0,15 |
+0,22 |
|
|
1,5 |
22,63 |
22,67 |
+0,16 |
+0,24 |
||
|
2 |
22,17 |
22,21 |
+0,11 |
+0,19 |
+0,29 |
|
|
25 |
1 |
24,08 |
24,11 |
+0,10 |
+0,15 |
+0,22 |
|
1,5 |
23,63 |
23,67 |
+0,16 |
+0,24 |
||
|
2 |
23,17 |
23,21 |
+0,11 |
+0,19 |
+0,29 |
|
|
26 |
1,5 |
24,63 |
24,67 |
+0,10 |
+0,16 |
+0,24 |
|
27 |
0,75 |
26,31 |
26,34 |
+0,08 |
+0,12 |
+0,17 |
|
1 |
26,08 |
26,11 |
+0,10 |
+0,15 |
+0,22 |
|
|
1,5 |
25,63 |
25,67 |
+0,16 |
+0,24 |
||
|
2 |
25,17 |
25,21 |
+0,11 |
+0,19 |
+0,29 |
|
|
28 |
1 |
27,08 |
27,11 |
+0,10 |
+0,15 |
+0,22 |
|
1,5 |
26,63 |
26,67 |
+0,16 |
+0,24 |
||
|
2 |
26,17 |
26,21 |
+0,11 |
+0,19 |
+0,29 |
|
|
30 |
0,75 |
29,31 |
29,34 |
+0,08 |
+0,12 |
+0,17 |
|
1 |
29,08 |
29,11 |
+0,10 |
+0,15 |
+0,22 |
|
|
1,5 |
28,63 |
28,67 |
+0,16 |
+0,24 |
||
|
2 |
28,17 |
28,21 |
+0,11 |
+0,19 |
+0,29 |
|
|
32 |
1,5 |
30,63 |
30,67 |
+0,10 |
+0,16 |
+0,24 |
|
2 |
30,17 |
30,21 |
+0,11 |
+0,19 |
+0,29 |
|
|
33 |
0,75 |
32,31 |
32,34 |
+0,08 |
+0,12 |
+0,17 |
|
1 |
32,08 |
32,11 |
+0,10 |
+0,15 |
+0,22 |
|
|
1,5 |
31,63 |
31,67 |
+0,16 |
+0,24 |
||
|
2 |
31,17 |
31,21 |
+0,11 |
+0,19 |
+0,29 |
|
|
35 |
1,5 |
33,63 |
33,67 |
+0,10 |
+0,16 |
+0,24 |
|
36 |
1 |
35,08 |
35,11 |
+0,15 |
+0,22 |
|
|
1,5 |
34,63 |
34,67 |
+0,16 |
+0,24 |
||
|
2 |
34,17 |
34,21 |
+0,11 |
+0,19 |
+0,29 |
|
|
38 |
1,5 |
36,63 |
36,67 |
+0,10 |
+0,16 |
+0,24 |
|
39 |
1 |
38,08 |
38,11 |
+0,15 |
+0,22 |
|
|
1,5 |
37,63 |
37,67 |
+0,16 |
+0,24 |
||
|
2 |
37,17 |
37,21 |
+0,11 |
+0,19 |
+0,29 |
|
|
40 |
1,5 |
38,63 |
38,67 |
+0,10 |
+0,16 |
+0,24 |
|
2 |
38,17 |
38,21 |
+0,11 |
+0,19 |
+0,29 |
|
|
42 |
1 |
41,08 |
41,11 |
+0,10 |
+0,15 |
+0,22 |
|
1,5 |
40,63 |
40,67 |
+0,16 |
+0,24 |
||
|
2 |
40,17 |
40,21 |
+0,11 |
+0,19 |
+0,29 |
|
|
45 |
1 |
44,08 |
44,11 |
+0,10 |
+0,15 |
+0,22 |
|
1,5 |
43,63 |
43,67 |
+0,16 |
+0,24 |
||
|
2 |
43,17 |
43,21 |
+0,11 |
+0,19 |
+0,29 |
|
|
48 |
1 |
47,08 |
47,11 |
+0,10 |
+0,15 |
+0,22 |
|
1,5 |
46,63 |
46,67 |
+0,16 |
+0,24 |
||
|
2 |
46,17 |
46,21 |
+0,11 |
+0,19 |
+0,29 |
|
|
50 |
1,5 |
48,63 |
48,67 |
+0,10 |
+0,16 |
+0,24 |
|
2 |
48,17 |
48,21 |
+0,11 |
+0,19 |
+0,29 |
|
|
52 |
1 |
51,08 |
51,11 |
+0,10 |
+0,15 |
+0,22 |
|
1,5 |
50,63 |
50,67 |
+0,10 |
+0,16 |
+0,24 |
|
|
2 |
50,17 |
50,21 |
+0,11 |
+0,19 |
+0,29 |
|
|
55 |
1,5 |
53,63 |
53,67 |
+0,10 |
+0,16 |
+0,24 |
|
2 |
53,17 |
53,21 |
+0,11 |
+0,19 |
+0,29 |
|
|
56 |
1 |
55,08 |
55,11 |
+0,10 |
+0,15 |
+0,22 |
|
1,5 |
54,63 |
54,67 |
+0,16 |
+0,24 |
||
|
2 |
54,17 |
54,21 |
+0,11 |
+0,19 |
+0,29 |
|
|
58 |
1,5 |
56,63 |
56,67 |
+0,10 |
+0,16 |
+0,24 |
|
2 |
56,17 |
56,21 |
+0,11 |
+0,19 |
+0,29 |
|
|
60 |
1 |
59,08 |
59,11 |
+0,10 |
+0,15 |
+0,22 |
|
1,5 |
58,63 |
58,67 |
+0,16 |
+0,24 |
||
|
2 |
58,17 |
58,21 |
+0,11 |
+0,19 |
+0,29 |
|
|
62 |
1,5 |
60,63 |
60,67 |
+0,10 |
+0,16 |
+0,24 |
|
2 |
60,17 |
60,21 |
+0,11 |
+0,19 |
+0,29 |
|
|
64 |
1 |
63,08 |
63,11 |
+0,10 |
+0,15 |
+0,22 |
|
1,5 |
62,63 |
62,67 |
+0,16 |
+0,24 |
||
|
2 |
62,17 |
62,21 |
+0,11 |
+0,19 |
+0,29 |
|
|
65 |
1,5 |
63,63 |
63,67 |
+0,10 |
+0,16 |
+0,24 |
|
2 |
63,17 |
63,21 |
+0,11 |
+0,19 |
+0,29 |
|
|
68 |
1 |
67,08 |
67,11 |
+0,10 |
+0,15 |
+0,22 |
|
1,5 |
66,63 |
66,67 |
+0,16 |
+0,24 |
||
|
2 |
66,17 |
66,21 |
+0,11 |
+0,19 |
+0,29 |
|
|
70 |
1,5 |
68,63 |
68,67 |
+0,10 |
+0,16 |
+0,24 |
|
2 |
68,17 |
68,21 |
+0,11 |
+0,19 |
+0,29 |
|
|
72 |
1 |
71,08 |
71,11 |
+0,10 |
+0,15 |
+0,22 |
|
1,5 |
70,63 |
70,67 |
+0,16 |
+0,24 |
||
|
2 |
70,17 |
70,21 |
+0,11 |
+0,19 |
+0,29 |
|
|
75 |
1,5 |
73,63 |
73,67 |
+0,10 |
+0,16 |
+0,24 |
|
2 |
73,17 |
73,21 |
+0,11 |
+0,19 |
+0,29 |
|
|
76 |
1 |
75,08 |
75,11 |
+0,10 |
+0,15 |
+0,22 |
|
1,5 |
74,63 |
74,67 |
+0,16 |
+0,24 |
||
|
2 |
74,17 |
74,21 |
+0,11 |
+0,19 |
+0,29 |
|
|
78 |
2 |
76,17 |
76,21 |
|||
|
80 |
1 |
79,08 |
79,11 |
+0,10 |
+0,15 |
+0,22 |
|
1,5 |
78,63 |
78,67 |
+0,16 |
+0,24 |
||
|
2 |
78,17 |
78,21 |
+0,11 |
+0,19 |
+0,29 |
|
|
82 |
2 |
80,17 |
80,21 |
|||
|
85 |
1,5 |
83,63 |
83,67 |
+0,10 |
+0,16 |
+0,24 |
|
2 |
83,17 |
83,21 |
+0,11 |
+0,19 |
+0,29 |
|
|
90 |
1,5 |
88,63 |
88,67 |
+0,10 |
+0,16 |
+0,24 |
|
2 |
88,17 |
88,21 |
+0,11 |
+0,19 |
+0,29 |
|
|
95 |
1,5 |
93,63 |
93,67 |
+0,10 |
+0,16 |
+0,24 |
|
2 |
93,17 |
93,21 |
+0,11 |
+0,19 |
+0,29 |
|
|
100 |
1,5 |
98,63 |
98,67 |
+0,10 |
+0,16 |
+0,24 |
|
2 |
98,17 |
98,21 |
+0,11 |
+0,19 |
+0,29 |
|
Таблица 4
мм
|
Номинальный |
Шаг резьбы Р |
Диаметр сверла |
|
1 |
0,2 |
0,82 |
|
0,25 |
0,80 |
|
|
1,1 |
0,2 |
0,92 |
|
0,25 |
0,90 |
|
|
1,2 |
0,2 |
1,05 |
|
0,25 |
1,00 |
|
|
1,4 |
0,2 |
1,25 |
|
0,3 |
1,15 |
|
|
1,6 |
0,2 |
1,45 |
|
0,35 |
1,30 |
|
|
1,8 |
0,2 |
1,65 |
|
0,35 |
1,50 |
|
|
2 |
0,25 |
1,80 |
|
0,4 |
1,65 |
|
|
2,2 |
0,25 |
2,00 |
|
0,45 |
1,80 |
|
|
2,5 |
0,35 |
2,20 |
|
0,45 |
2,10 |
|
|
3 |
0,35 |
2,70 |
|
0,5 |
2,60 |
|
|
3,5 |
0,35 |
3,20 |
|
0,6 |
2,95 |
|
|
4 |
0,5 |
3,60 |
|
0,7 |
3,40 |
|
|
4,5 |
0,75 |
3,90 |
|
5 |
0,5 |
4,60 |
|
0,8 |
4,30 |
|
|
5,5 |
0,5 |
5,10 |
|
6 |
0,5 |
5,60 |
|
0,75 |
5,30 |
|
|
1 |
5,10 |
|
|
7 |
0,5 |
6,60 |
|
0,75 |
6,30 |
|
|
1 |
6,10 |
|
|
8 |
0,5 |
7,60 |
|
0,75 |
7,30 |
|
|
1 |
7,10 |
|
|
1,25 |
6,90 |
|
|
9 |
0,5 |
8,60 |
|
0,75 |
8,30 |
|
|
1 |
8,10 |
|
|
1,25 |
7,90 |
|
|
10 |
0,5 |
9,60 |
|
0,75 |
9,30 |
|
|
1 |
9,10 |
|
|
1,25 |
8,90 |
|
|
1,5 |
8,70 |
|
|
11 |
0,5 |
10,60 |
|
0,75 |
10,30 |
|
|
1 |
10,10 |
|
|
1,5 |
9,70 |
|
|
12 |
0,75 |
11,30 |
|
1 |
11,10 |
|
|
1,25 |
10,90 |
|
|
1,5 |
10,70 |
|
|
1,75 |
10,40 |
|
|
14 |
0,75 |
13,30 |
|
1 |
13,10 |
|
|
1,5 |
12,70 |
|
|
2 |
12,20 |
|
|
15 |
1,5 |
13,70 |
|
16 |
2 |
14,20 |
Примечание. Жирным шрифтом указаны диаметры сверл для отверстий под резьбу с крупным шагом.