
ГОСУДАРСТВЕННЫЕ СТАНДАРТЫ СОЮЗА ССР
ВИНТЫ С НАКАТАННОЙ НИЗКОЙ ГОЛОВКОЙ
И ЦИЛИНДРИЧЕСКИМ КОНЦОМ
Конструкция и размеры
ГОСТ 21337-75
ИПК ИЗДАТЕЛЬСТВО СТАНДАРТОВ
Москва
ГОСУДАРСТВЕННЫЙ СТАНДАРТ СОЮЗА ССР
|
ВИНТЫ С НАКАТАННОЙ НИЗКОЙ ГОЛОВКОЙ И ЦИЛИНДРИЧЕСКИМ КОНЦОМ Конструкция и размеры Low knurled-head and flat-dog point screws. Construction and dimensions |
ГОСТ Взамен ГОСТ 10492-63 в части варианта с цилиндрическим концом |
Постановлением Государственного комитета стандартов Совета Министров СССР от 8 декабря 1975 г. № 3800 срок введения установлен
с 01.01.77
Проверен в 1991 г. Постановлением Госстандарта от 27.06.91 № 1173 снято ограничение срока действия
1. Настоящий стандарт распространяется на цельные и составные винты с металлической или пластмассовой низкой головкой и цилиндрическим концом классов точности А и В с диаметром резьбы от 2 до 12 мм.
Требования настоящего стандарта являются обязательными.
(Измененная редакция, Изм. № 1, 2).
2. (Исключен, Изм. № 1).
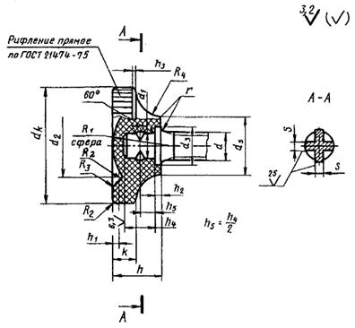
3. Конструкция и размеры винтов должны соответствовать указанным на чертеже и в табл. 1 и 2.
Исполнение 1
Исполнение 2
мм
|
2,0 |
2,5 |
3,0 |
(3,5) |
4,0 |
5,0 |
6,0 |
8,0 |
10,0 |
12,0 |
|||
|
Шаг резьбы |
крупный |
0,40 |
0,45 |
0,50 |
0,60 |
0,70 |
0,80 |
1,00 |
1,25 |
1,50 |
1,75 |
|
|
мелкий |
0,25 |
0,35 |
0,50 |
0,75 |
1,00 |
1,25 |
||||||
|
Диаметр головки dK |
9 |
10 |
12 |
14 |
16 |
20 |
24 |
30 |
36 |
40 |
||
|
Высота головки h |
- |
- |
5 |
6 |
7 |
8 |
10 |
12 |
14 |
16 |
||
|
k |
- |
0,25 |
3,0 |
3,5 |
4,0 |
5,0 |
6,0 |
8,0 |
10,0 |
|||
|
h1 |
- |
- |
0,35 |
0,45 |
0,60 |
0,75 |
0,90 |
1,20 |
1,50 |
1,75 |
||
|
h2 |
- |
- |
1,0 |
1,1 |
1,2 |
1,4 |
1,6 |
2,0 |
2,4 |
2,8 |
||
|
h3 |
- |
- |
0,4 |
0,5 |
0,7 |
0,8 |
0,9 |
1,0 |
||||
|
h4 |
- |
- |
2,5 |
3,0 |
3,5 |
4,5 |
5,5 |
7,0 |
9,0 |
10,0 |
||
|
Диаметр подголовка ds |
- |
- |
6 |
7 |
8 |
10 |
12 |
16 |
20 |
24 |
||
|
d2 |
- |
- |
7 |
8 |
9 |
11 |
13 |
18 |
22 |
24 |
||
|
d3 |
- |
- |
5 |
6 |
7 |
8 |
10 |
12 |
14 |
|||
|
S ≈ |
- |
- |
1,2 |
1,5 |
1,8 |
2,2 |
2,6 |
3,4 |
4,2 |
5,0 |
||
|
Радиус сферы R1 |
- |
- |
8,4 |
9,0 |
10,2 |
12,3 |
18,0 |
20,4 |
21,0 |
|||
|
R2 |
- |
- |
0,35 |
0,60 |
0,75 |
0,90 |
1,20 |
1,50 |
1,75 |
|||
|
Rз |
- |
- |
0,2 |
0,3 |
0,4 |
0,5 |
0,6 |
0,7 |
0,8 |
|||
|
Радиус под головкой r |
0,5 |
1,0 |
2,0 |
|||||||||
|
R4 |
- |
- |
2 |
3 |
4 |
5 |
6 |
|||||
|
с, не более |
Кромки притуплены |
0,3 |
0,4 |
0,5 |
0,6 |
0,8 |
||||||
|
Длина резьбы b |
7 |
8 |
9 |
10 |
12 |
15 |
18 |
22 |
28 |
34 |
||
Примечание. Размеры, приведенные в скобках, непредпочтительны.
мм
Примечания:
1. Винты в области от верхней сплошной линии до пунктирной изготавливаются с резьбой по всей длине.
2. Размеры, приведенные в скобках, непредпочтительны.
Пример условного обозначения винта класса точности А, исполнения 1, диаметром резьбы d = 10 мм, с крупным шагом резьбы, длиной l = 16 мм, класса прочности 4.6, без покрытия:
Винт А.М10´16.46 ГОСТ 21337-75
То же, класса точности В, исполнения 2, с мелким шагом резьбы, цинковым покрытием толщиной 6 мкм, нанесенным способом катодного восстановления, хроматированным:
Винт В2.М10´1,25 - 6g´16.46.016 ГОСТ 21337-75
(Измененная редакция, Изм. № 1, 2).
4. Резьба - по ГОСТ 24705-81, поле допуска резьбы 6g - по ГОСТ 16093-81.
(Измененная редакция, Изм. № 1).
5. Диаметр гладкой части стержня должен быть равен наружному диаметру резьбы или диаметру стержня под накатывание метрической резьбы по ГОСТ 19256-73.
Диаметр d1 должен находиться в пределах от наружного до среднего диаметра резьбы.
(Измененная редакция, Изм. № 2).
6. Размеры сбегов и недорезов резьбы - по ГОСТ 27148-86.
(Измененная редакция, Изм. № 1).
7. (Исключен, Изм. № 1).
8. Технические требования - по ГОСТ 21338-75.
9. Теоретическая масса винтов приведена в приложениях 1 и 2.
(Измененная редакция, Изм. № 2).
10. Конец винта цилиндрический - по ГОСТ 12414-66.
11. Допуски размеров, отклонений формы и расположения поверхностей - по ГОСТ 1759.1-82.
10, 11. (Введены дополнительно, Изм. № 2).
Справочное
|
Длина винта l, мм |
Теоретическая масса 1000 шт. стальных винтов с пластмассовой низкой головкой, кг ≈, при номинальном диаметре резьбы d, мм |
|||||||
|
3,0 |
(3,5) |
4,0 |
5,0 |
6,0 |
8,0 |
10,0 |
12,0 |
|
|
4 |
1,03 |
- |
- |
- |
- |
- |
- |
- |
|
5 |
1,08 |
1,68 |
2,42 |
- |
- |
- |
- |
- |
|
6 |
1,12 |
1,75 |
2,49 |
4,4 |
- |
- |
- |
- |
|
8 |
1,21 |
1,90 |
2,64 |
4,6 |
7,7 |
- |
- |
- |
|
10 |
1,30 |
2,05 |
2,79 |
4,8 |
8,0 |
- |
- |
- |
|
12 |
1,38 |
2,21 |
2,94 |
5,0 |
8,3 |
16,0 |
- |
- |
|
(14) |
1,47 |
2,36 |
3,10 |
5,3 |
8,7 |
16,7 |
- |
- |
|
16 |
1,56 |
2,51 |
3,25 |
5,5 |
9,0 |
17,3 |
29,7 |
- |
|
(18) |
1,65 |
2,66 |
3,41 |
5,7 |
9,3 |
17,9 |
30,8 |
- |
|
20 |
1,74 |
2,81 |
3,56 |
6,0 |
9,7 |
18,6 |
32 |
- |
|
(22) |
1,81 |
2,96 |
3,72 |
6,3 |
10,1 |
19,4 |
33 |
- |
|
25 |
1,97 |
3,19 |
3,94 |
6,6 |
10,6 |
20,2 |
34 |
52 |
|
(28) |
2,08 |
3,41 |
4,12 |
6,9 |
11,1 |
21,0 |
35 |
53 |
|
30 |
2,19 |
3,56 |
4,32 |
7,2 |
11,5 |
21,8 |
37 |
55 |
|
(32) |
2,28 |
3,72 |
4,50 |
7,6 |
12,0 |
22,6 |
38 |
57 |
|
35 |
2,42 |
3,94 |
4,69 |
8,0 |
12,5 |
23,4 |
39 |
59 |
|
(38) |
- |
- |
4,87 |
8,3 |
13,0 |
24,2 |
40 |
60 |
|
40 |
- |
- |
5,07 |
8,6 |
13,2 |
24,9 |
42 |
62 |
|
45 |
- |
- |
- |
- |
- |
26,5 |
44 |
66 |
|
50 |
- |
- |
- |
- |
- |
28,1 |
47 |
70 |
|
55 |
- |
- |
- |
- |
- |
- |
49 |
73 |
|
60 |
- |
- |
- |
- |
- |
- |
52 |
77 |
Справочное
|
Длина винта l, мм |
Теоретическая масса 1000 шт. стальных цельнометаллических винтов с низкой головкой, кг ≈, при номинальном диаметре d, мм |
|||||||||
|
2,0 |
2,5 |
3,0 |
(3,5) |
4,0 |
5,0 |
6,0 |
8,0 |
10,0 |
12,0 |
|
|
2 |
- |
- |
- |
- |
- |
- |
- |
- |
- |
- |
|
3 |
1,05 |
1,89 |
||||||||
|
4 |
1,07 |
1,92 |
2,39 |
|||||||
|
5 |
1,09 |
1,95 |
2,43 |
3,90 |
5,97 |
|||||
|
6 |
1,11 |
1,98 |
2,47 |
3,96 |
6,03 |
10,5 |
||||
|
8 |
1,14 |
2,04 |
2,56 |
4,08 |
6,10 |
10,8 |
18,9 |
|||
|
10 |
1,18 |
2,10 |
2,64 |
4,20 |
6,25 |
11,1 |
19,4 |
|||
|
12 |
1,22 |
2,16 |
2,73 |
4,32 |
6,40 |
11,3 |
19,8 |
38,0 |
||
|
(14) |
1,25 |
2,22 |
2,82 |
4,43 |
6,55 |
11,5 |
20,1 |
38,4 |
||
|
16 |
1,28 |
2,28 |
2,91 |
4,55 |
6,70 |
11,7 |
20,4 |
39,0 |
71,5 |
|
|
(18) |
2,34 |
3,00 |
4,67 |
6,85 |
11,9 |
20,7 |
39,6 |
72,5 |
||
|
20 |
2,40 |
3,10 |
4,79 |
7,00 |
12,1 |
21,0 |
40,2 |
73,5 |
||
|
(22) |
3,17 |
4,91 |
7,15 |
12,3 |
21,3 |
40,8 |
74,5 |
|||
|
25 |
3,26 |
5,02 |
7,37 |
12,6 |
21,8 |
41,7 |
76,0 |
116 |
||
|
(28) |
3,35 |
5,14 |
7,50 |
12,9 |
22,3 |
42,6 |
77,5 |
118 |
||
|
30 |
3,52 |
5,26 |
7,81 |
13,2 |
22,9 |
43,2 |
78,4 |
120 |
||
|
(32) |
3,75 |
5,39 |
8,19 |
13,5 |
23,5 |
43,5 |
79,8 |
121 |
||
|
35 |
4,20 |
5,52 |
8,51 |
14,2 |
24,1 |
44,4 |
80,9 |
123 |
||
|
(38) |
8,95 |
15,0 |
24,8 |
45,2 |
82,8 |
125 |
||||
|
40 |
9,30 |
15,9 |
25,6 |
45,9 |
83,4 |
127 |
||||
|
45 |
46,6 |
86,0 |
130 |
|||||||
|
50 |
48,9 |
88,4 |
134 |
|||||||
|
55 |
90,9 |
138 |
||||||||
|
60 |
93,4 |
141 |
||||||||
ПРИЛОЖЕНИЯ 1, 2. (Измененная редакция, Изм. № 2).