
ГОСУДАРСТВЕННЫЙ
СТАНДАРТ
СОЮЗА ССР
ВОРОТКИ ДЛЯ КРУГЛЫХ ПЛАШЕК
ТИПЫ И ОСНОВНЫЕ РАЗМЕРЫ
ГОСТ 22394-77
ГОСУДАРСТВЕННЫЙ КОМИТЕТ СТАНДАРТОВ
СОВЕТА МИНИСТРОВ СССР
МОСКВА - 1977
РАЗРАБОТАНЫ Всесоюзным научно-исследовательским инструментальным институтом (ВНИИ)
Зам. директора Ю.Л. Боровой
Руководитель темы И.В. Баршак
Исполнитель А.М. Краснощекова
ПОДГОТОВЛЕНЫ К УТВЕРЖДЕНИЮ Всесоюзным научно-исследовательским институтом по нормализации в машиностроении (ВНИИНМАШ)
Директор В.А. Грешников
УТВЕРЖДЕНЫ И ВВЕДЕНЫ В ДЕЙСТВИЕ Постановлением Государственного комитета стандартов Совета Министров СССР от 17 марта 1977 г. № 663
ГОСУДАРСТВЕННЫЙ СТАНДАРТ СОЮЗА ССР
|
ВОРОТКИ ДЛЯ КРУГЛЫХ
ПЛАШЕК Типы и основные размеры Stocks for round dies diameters Types and basic dimensions |
ГОСТ Взамен |
Постановлением Государственного комитета стандартов Совета Министров СССР от 17 марта 1977 г. № 663 срок действия установлен
с 01.01 1979 г.
до 01.01 1984 г.
Несоблюдение стандарта преследуется по закону
1. Настоящий стандарт распространяется на воротки для круглых плашек типа 2 по ГОСТ 9740-71 с наружными диаметрами 16 и 20 мм.
2. Воротки должны изготовляться типов:
1 - одногнездные;
2 - двухгнездные.
3. Основные размеры воротков типа 1 должны соответствовать указанным на черт. 1 и в табл. 1, а типа 2 - на черт. 2 и в табл. 2.
Тип 1
1 - корпус (кол. 1), 2 - винт (кол. 1); 3 - винт по ГОСТ 1476-75 (кол. 1)
Черт. 1
Таблица 1
мм
|
Обозначение воротка |
Применяемость |
D |
h |
h1 |
h2 |
L |
Размеры плашек по ГОСТ 9740-71 D´H |
Номинальные диаметры метрической резьбы по ГОСТ 9150-59, нарезаемой плашкой |
|
6910-0151 |
16 |
5,5 |
2,1 |
2,1 |
130 |
16´5 |
От 1 до 2,5 |
|
|
6910-0152 |
20 |
6,0 |
200 |
20´5 |
От 3 до 6 |
|||
|
6910-0153 |
7,0 |
3,1 |
3,1 |
20´7 |
Пример условного обозначения воротка размерами D = 20 мм, h = 7 мм:
Вороток 6910-0153 ГОСТ 22394-77
Тип 2
1 - корпус (кол. 1); 2 - ручка (кол. 2); 3 - винт (кол. 1); 4 - винт (кол. 1); 5 - винт по ГОСТ 1476-75 (кол. 3); 6 - винт по ГОСТ 1476-75 (кол. 3)
Черт. 2
Таблица 2
мм
|
Применяемость |
h |
h1 |
h2 |
Размеры плашек по ГОСТ 9740-71 D´H |
Номинальные диаметры метрической резьбы по ГОСТ 9150-59, нарезаемой плашкой |
|
|
6910-0154 |
6,0 |
2,1 |
2,1 |
16´5 20´5 |
От 1 до 6 |
|
|
6910-0155 |
7,0 |
3,1 |
3,1 |
16´5 20´7 |
Пример условного обозначения воротка размером h = 6,0 мм:
Вороток 6910-0154 ГОСТ 22394-77
4. Конструктивные размеры деталей воротков указаны в рекомендуемом приложении.
5. Предельные отклонения размеров установлены по СТ СЭВ 144-75 и СТ СЭВ 145-75.
6. Поля допусков резьбы - по ГОСТ 16003-70.
Корпус к воротку типа 1 (поз. 1)
Черт. 1
Таблица 1
мм
|
h |
D1 |
H, |
d |
d1 |
d2 |
l |
r |
|
|
Пред.
откл. |
||||||||
|
16 |
5,5 |
30 |
8 |
6 |
12 |
М4 |
35 |
6 |
|
20 |
6,0 |
34 |
9 |
8 |
16 |
М5 |
45 |
8 |
|
7,0 |
10 |
|||||||
Вороток типа 2
(черт. 2)
Примечание. Способ соединения ручек с корпусом воротка не регламентируются.
Черт. 2
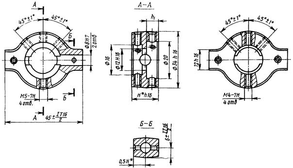
Корпус к воротку типа 2 (поз. 1
(черт. 3)
* Для h1 = 6 мм - размер H = 15 мм; для h1 = 7 мм - размер H = 16 мм
Черт. 3
Ручка к воротку типа 2 (поз. 2)
(черт. 4)
Черт. 4
Винты к вороткам типа 1 (поз. 2) и типа 2 (поз. 3 и 4)
Черт. 5
* Заготовки винтов - по ГОСТ 1476-75
Таблица 2
мм
|
d |
l |
l1 |
|||
|
1 |
2 |
||||
|
D |
D |
D1 |
|||
|
16 |
- |
- |
М4 |
8 |
1,5 |
|
- |
16 |
20 |
10 |
||
|
20 |
- |
- |
М5 |
8 |
2,5 |
|
- |
16 |
20 |
|||