Single-sideband modulation radio stations of land mobile service. Types, basic parameters, technical requirements and methods of measurements

ГОСТ 22579-86

МЕЖГОСУДАРСТВЕННЫЙ СТАНДАРТ

 

радиостанции с однополосной
МОДУЛЯЦИЕЙ СУХОПУТНОЙ
ПОДВИЖНОЙ СЛУЖБЫ

ТИПЫ, ОСНОВНЫЕ ПАРАМЕТРЫ,
ТЕХНИЧЕСКИЕ ТРЕБОВАНИЯ И МЕТОДЫ ИЗМЕРЕНИЙ

 

 

 

 

ИПК ИЗДАТЕЛЬСТВО СТАНДАРТОВ

Москва

 

 

МЕЖГОСУДАРСТВЕННЫЙ СТАНДАРТ

РАДИОСТАНЦИИ С ОДНОПОЛОСНОЙ МОДУЛЯЦИЕЙ
СУХОПУТНОЙ ПОДВИЖНОЙ СЛУЖБЫ

Типы, основные параметры, технические требования и методы
измерений

Single-sideband modulation radio stations of land mobile service.
Types, basic parameters, technical requirements and methods
of measurement

ГОСТ
22579-86

Дата введения 01.07.87

Настоящий стандарт распространяется на радиостанции с однополосной модуляцией, предназначенные для организации сухопутной подвижной радиотелефонной связи в различных отраслях народного хозяйства и ведомствах в диапазоне частот 1,6 - 30 МГц.

Термины, применяемые в настоящем стандарте, и их пояснения приведены в приложении 1.

(Измененная редакция, Изм. № 1).

1. ТИПЫ

1.1. Радиостанции подразделяют на типы в соответствии с табл. 1,

Таблица 1

Тип

Пиковая мощность передатчика, Вт

Основное эксплуатационное назначение

1

От 25 до 100

Стационарные, возимые

2

» 5 » 25

Стационарные, возимые, носимые

3

» 5

Стационарные, возимые, носимые

(Измененная редакция, Изм. № 1).

1.2. Условное обозначение радиостанции должно состоять из:

- регистрационного номера, присвоенного радиостанции в установленном порядке;

- буквы Р (первой буквы слова «Радиостанция»);

- обозначения типа радиостанции в соответствии с табл. 1;

- цифры 0 - условного обозначения среднечастотного (СЧ) и высокочастотного (ВЧ) диапазонов частот;

- обозначения эксплуатационного назначения радиостанции:

С - стационарная;

В - возимая;

Н - носимая;

СВ, СН, ВН - предназначенная для использования в двух эксплуатационных назначениях из указанных выше;

У - универсальная (предназначенная для использования в качестве стационарной, возимой и носимой);

- номера модификации радиостанции;

- отличительного признака после модернизации радиостанции:

А - после первой модернизации;

Б - после второй модернизации и т.д.

При записи в нормативно-технической документации (НТД) и при заказе после условного обозначения указывают:

- условное наименование (шифр) радиостанции;

- номер технических условий (ТУ) на радиостанцию конкретного типа.

При заказе дополнительно указывают другие данные, предусмотренные в ТУ на радиостанцию конкретного типа.

Пример записи в ТУ условного обозначения стационарной радиостанции 2-го типа, 2-й модификации после 1-й модернизации, имеющей регистрационный номер 2, шифр «Ангара-1»;

2Р20С-2А «Ангара-1» АБ0.000.000 ТУ.

Если модификация радиостанций имеет несколько вариантов исполнения, в условном обозначении радиостанций после номера модификации указывают через точку номер варианта исполнения, например 2Р20С-2.1 (первое исполнение второй модификации радиостанции).

2. ОСНОВНЫЕ ПАРАМЕТРЫ

2.1. Основные параметры радиостанций для класса излучения J3E при нормальных климатических условиях должны соответствовать нормам, указанным в табл. 2.

Таблица 2

Наименование параметра

Норма для радиостанции типа

Пункт метода измерения

 

1

2

3

 

1. Пиковая мощность передатчика, Вт

От 25 до 100

От 5 до 25

До 5

4.5.1

 

2. Изменение пиковой мощности передатчика при изменении уровня входного сигнала на 10 дБ, не более

3

4.5.2

 

3. Неравномерность амплитудно-частотной модуляционной характеристики (АЧМХ) передатчика (без предкоррекции), дБ, не более:

исполнение 1

-6

4.5.3

 

исполнение 2

-3

 

4. Уровень взаимной модуляции передатчика, дБ, не более

-25

-20

4.5.4

 

5. Уровень несущей передатчика, дБ, не более

-40

4.5.5

 

6. Уровень нижней боковой полосы передатчика, дБ, не более

-40

4.5.5

 

7. Ширина полосы частот излучения передатчика, кГц, не более, для полосы звуковых частот от 300 до 3400 Гц (от 350 до 2700 Гц) на уровнях:

-30 дБ - контрольная

5,6 (4,2)

4.5.6

 

-40 дБ

10,5 (8,0)

 

-50 дБ

18,6 (14,1)

 

-60 дБ

34,1 (25,8)

 

8. Уровень побочных излучений передатчика, дБ, не более

исполнение 1

исполнение 2

в диапазонах частот:

до 40 МГц

-40

-30

4.5.7

 

-40

1 мкВт

св. 40 МГц

 

9. Отклонение частоты передатчика и приемника от номинального значения, Гц, не более:

стационарных радиостанций

подвижных радиостанций в диапазонах частот:

20

4.5.8

4.6.11

 

1,6 - 9 МГц

20

 

св. 9 до 30 МГц

50

 

10. Чувствительность приемника при отношении сигнал/шум (СИНАД) 12 дБ, ½ э.д.с., мкВ, не более, при номинальном входном сопротивлении 50 Ом

1,2

4.6.1

 

11. Коэффициент нелинейных искажений приемника, %, не более

7

10

4.6.2

 

12. Неравномерность амплитудно-частотной характеристики (АЧХ) приемника (без послекоррекции), дБ, не более:

исполнение 1

-6

4.6.3

 

исполнение 2

-3

 

13. Диапазон автоматической регулировки усиления (АРУ) приемника, дБ, не менее, при изменении уровня выходного сигнала:

исполнение 1 - до 6 дБ

70

60

4.6.4

 

исполнение 2 - до 3 дБ

70

60

 

14. Уровень фона приемника, дБ, не более

-40

-30

4.6.5

 

15. Избирательность приемника по соседнему каналу, дБ, не менее, при измерении:

методом А11:

исполнение 1

70

60

4.6.6.1

 

исполнение 2

74

64

 

методом Б11:

исполнение 1

64

54

4.6.6.2

 

исполнение 2

74

64

 

16. Избирательность приемника по побочным каналам приема, дБ, при измерении:

методом А01:

исполнение 1

70

60

4.6.7.1

 

исполнение 2

74

64

 

методом Б11:

исполнение 1

64

54

4.6.7.2

 

исполнение 2

74

64

 

17. Интермодуляционная избирательность, дБ, не менее, при измерении:

методом А02:

исполнение 1

60

50

4.6.8.1

 

исполнение 2

70

60

 

методом Б12:

исполнение 1

60

50

4.6.8.2

 

исполнение 2

70

60

 

18. Защищенность приемника по цепям питания и управления, дБ, не менее, при измерении:

80

-

4.6.10.1

 

методом А01:

исполнение 1

 

исполнение 2

84

 

методом Б11:

исполнение 1

70

4.6.10.2

 

исполнение 2

80

-

 

19. Уровень излучения гетеродинов приемника, нВт, не более

2

4.6.10

 

Примечания:

1. Исполнение 1 - радиостанции общего применения.

Исполнение 2 - радиостанции, разработка и производство которых осуществляются по особому заказу (например для применения в сетях с повышенным уровнем помех).

2. Конкретное номинальное значение пиковой мощности передатчика и допустимые отклонения от нее устанавливают в ТУ на радиостанции конкретного типа.

3. Нормы неравномерности АЧМХ и АЧХ указаны в пп. 3 и 12 табл. 2 для радиостанции без учета неравномерности АЧХ их входного и выходного электроакустического преобразователя. Нормы неравномерности АЧМХ и АЧХ для радиостанций с электроакустическими преобразователями устанавливают в ТУ на радиостанции конкретного типа.

4. Нормы ширины полосы частот излучения передатчиков, указанные в п. 7 табл. 2, распространяются на передатчики с номинальной пиковой мощностью более 1 Вт.

5. (Исключено, Изм. № 1).

6. В радиостанциях 3-го типа с симплексным режимом работы для устранения асинхронизма в радиолинии допускается обеспечивать указанное в п. 9 табл. 2 значение отклонения частоты при помощи ручной подстройки частоты, при этом отклонение частоты передатчика от номинального значения сразу же после включения радиостанции не должно превышать ± 40·10-6.

7. Если номинальное входное сопротивление приемника Rвх превышает 50 Ом, то значение чувствительности приемника Е´ вычисляют по формуле

                                                                          (1)

где Е - значение чувствительности, указанное в п. 10 табл. 2.

8. Нормы избирательности приемников по соседнему каналу указаны в п. 15 табл. 2 для частотного разноса между соседними каналами ± 5 кГц (диапазон звуковых частот 300 - 3400 Гц согласно п. 3.1.4). При частотном разносе между соседними каналами ± 3 кГц (диапазон звуковых частот от 350 до 2700 Гц) допускается устанавливать значения ниже указанных в п. 15 табл. 2 не более чем на 10 дБ.

9. Требования к уровню фона по п. 14 табл. 2 и защищенности по цепям питания и управления по п. 18 табл. 2 не устанавливают для радиостанций, питание которых осуществляется от собственных источников постоянного тока.

10. Необходимость установления норм избирательности приемника по пп. 15 - 17 табл. 2 и защищенности приемника по цепям питания по п. 18 табл. 2 при измерении методами Аmn и (или) Бmn (т - число полезных сигналов, n - число мешающих сигналов, используемых при измерениях) определяется в ТУ на радиостанции конкретного типа.

2.2. Отклонения отдельных параметров радиостанций от их номинальных значений при одновременном воздействии любого из климатических факторов, указанных в ТУ на радиостанции конкретного типа, и изменений напряжения электропитания относительно номинального значения в пределах, указанных в п. 3.5.2, не должны превышать значений, указанных в табл. 3.

Таблица 3

Наименование параметра

Допустимое отклонение параметров от их номинальных значений для радиостанции типа

1

2

3

1. Пиковая мощность передатчика*, дБ

-2

-3

2. Отклонение частоты передатчика и приемника от номинального значения

По п. 9 табл. 2

3. Чувствительность приемника, дБ

+6

4. Выходная мощность приемника, дБ

-3

* Указанная норма определяет допустимое отклонение пиковой мощности передатчика от минимального допустимого значения, установленного при нормальных климатических условиях.

Примечания:

1. Верхние пределы допустимого отклонения пиковой мощности передатчика и выходной мощности приемника устанавливают в ТУ на радиостанции конкретного типа

2. Допустимые отклонения от номинальных значений других параметров устанавливают при необходимости в ТУ на радиостанции конкретного типа

2.1, 2.2. (Измененная редакция, Изм. № 1).

3. ТЕХНИЧЕСКИЕ ТРЕБОВАНИЯ

3.1. Общие требования

3.1.1. Радиостанции должны соответствовать требованиям настоящего стандарта, технических условий на радиостанции конкретного типа и рабочим чертежам, утвержденным в установленном порядке.

3.1.2. Радиостанции должны быть рассчитаны для передачи и приема излучений класса J3E на верхней боковой полосе частот.

Радиостанции, предназначенные для установки на судах внутреннего плавания, должны обеспечивать передачу и прием радиотелефонных сигналов тревоги на международной частоте вызова и бедствия 2182 кГц в классе излучения J3E и (или) Н3Е.

Передатчики радиостанций должны включать автоподатчики радиотелефонных сигналов, соответствующие требованиям «Правил классификации и постройки судов внутреннего плавания» Речного Регистра РСФСР.

Необходимость применения других классов излучения наряду с указанными устанавливают в ТУ на радиостанции конкретного типа.

3.1.3. Конкретный диапазон рабочих частот, число фиксированных рабочих каналов и (или) шаг сетки частот устанавливают в ТУ на радиостанции конкретного типа. Если в радиостанциях имеются частоты, на которых чувствительность приемника не соответствует нормам согласно п. 10 табл. 2 (пораженные каналы), эти частоты должны быть указаны в ТУ на радиостанции конкретного типа.

3.1.4. Номинальный диапазон звуковых частот передаваемого информационного сигнала должен быть 300 - 3400 Гц или 350 - 2700 Гц.

3.1.3, 3.1.4. (Измененная редакция, Изм. № 1).

3.1.5. Номинальное значение ширины полосы пропускания передатчика и приемника на уровне минус 6 дБ должно быть 3,1 кГц или 2,35 кГц при номинальном диапазоне звуковых частот соответственно 300 - 3400 Гц или 350 - 2700 Гц.

3.1.6. Радиостанции должны быть рассчитаны для работы в симплексном или дуплексном режиме. В радиостанциях могут быть предусмотрены оба режима.

Радиостанции в симплексном режиме должны обеспечивать работу на одну общую для приемника и передатчика антенну, если иное не указано в ТУ на радиостанции конкретного типа.

Если в радиостанции предусмотрены выход передатчика и (или) вход приемника для подключения внешних устройств, то номинальное волновое сопротивление выхода (входа) должно быть 50 или 75 Ом, определенным в ТУ на радиостанции конкретного типа.

3.1.7. В радиостанциях должны быть предусмотрены устройства, предотвращающие перегрузку высокочастотного тракта передатчика и низкочастотного тракта приемника.

При наличии в передатчике ограничителя или компрессора, а в приемнике - АРУ возможность их включения указывают в ТУ на радиостанции конкретного типа.

В приемниках радиостанций 3-го типа допускается применять ручную регулировку усиления по высокой частоте вместо АРУ.

3.1.8. В радиостанциях 1 и 2-го типов должны быть предусмотрены симметричный модуляционный вход передатчика и симметричный низкочастотный выход приемника, при этом радиостанции, предназначенные для работы в сетях общего пользования, должны иметь следующие параметры подключения:

- э.д.с. источника информационного сигнала  В при номинальном внутреннем сопротивлении 600 Ом или (минус 13 ± 2,2) дБ/мВт при номинальном сопротивлении нагрузки 600 Ом;

- сопротивление модуляционного входа передатчика и низкочастотного выхода приемника (600 ± 120) Ом;

- выходная мощность приемника  мВт или (0 ± 2,2) дБ/мВт при номинальном сопротивлении нагрузки 600 Ом.

Значения параметров подключения для радиостанций 1 и 2-го типов, предназначенных для подключения к ведомственным сетям связи, устанавливают в ТУ на радиостанции конкретного типа.

В радиостанциях 1-го и 2-го типов могут быть предусмотрены несимметричные модуляционный вход передатчика и низкочастотный выход приемника (кроме симметричных) с параметрами подключения, оговоренными в ТУ на радиостанции конкретного типа. В радиостанциях 2-го типа в технически обоснованных случаях допускается не предусматривать симметричные модуляционный вход передатчика и низкочастотный выход приемника.

Значение чувствительности модуляционного входа передатчика в необходимых случаях устанавливают в ТУ на радиостанции конкретного типа.

Методы измерения чувствительности модуляционного входа передатчика и выходной мощности приемника приведены соответственно в пп. 4.5.9 и 4.6.12.

3.1.9. Радиостанции, питание которых осуществляется от внешних источников тока, должны допускать длительную работу без ограничения времени в режиме приема и дежурного приема. Носимые радиостанции должны быть рассчитаны для длительной работы при соотношении времени «дежурный прием» - «прием» - «передача» 8:1:1, при этом допустимая продолжительность непрерывной работы в режиме передачи должна быть не менее 5 мин.

Возимые и стационарные радиостанции должны быть рассчитаны для длительной работы при соотношении времени «прием» - «передача» 3:1, при этом допустимая продолжительность непрерывной работы в режиме передачи должна быть не менее 15 мин.

Конкретная продолжительность непрерывной работы носимых, возимых и стационарных радиостанций и средняя выходная мощность передатчика при их испытании в режиме передачи должны быть установлены в ТУ на радиостанции конкретного типа.

Для стационарных радиостанций 1-го типа, в которых предусмотрены другие классы излучения наряду с J3E, например F1B, значения допустимой продолжительности непрерывной работы в режиме передачи устанавливают в ТУ на радиостанции конкретного типа.

Для радиостанций, в которых предусмотрено автоматическое ограничение времени работы в режиме передачи, продолжительность непрерывной работы в этом режиме устанавливают в ТУ на радиостанции конкретного типа.

3.1.10. Для обеспечения требований п. 2.1 (табл. 2, п. 9) в условиях эксплуатации в радиостанциях должна быть предусмотрена возможность неоперативной подстройки частоты возбудителей передатчика и гетеродинов приемника при техническом обслуживании радиостанций.

Для устранения асинхронизма в радиолинии допускается применять оперативную подстройку частоты приемника в пределах, указанных в ТУ на радиостанции конкретного типа.

3.1.9, 3.1.10. (Измененная редакция, Изм. № 1).

3.1.11. Обрыв антенны или замыкание ее на корпус не должны приводить к повреждению передатчика при его работе.

3.1.12. По требованиям к разборчивости речи радиостанции должны соответствовать ГОСТ 16600. Класс качества по разборчивости речи устанавливают в ТУ на радиостанции конкретного типа.

3.1.13. В радиостанциях 1 и 2-го типов должна предусматриваться ручная или автоматическая регулировка чувствительности так, чтобы обеспечивались нормы интермодуляционной избирательности, установленные в ТУ на радиостанции конкретного типа.

Необходимость применения указанной регулировки чувствительности в приемниках радиостанций 3-го типа должна быть определена в ТУ на радиостанции конкретного типа.

3.2. Требования к конструкции

3.2.1. Требования к конструкции радиостанции устанавливают в ТУ на радиостанции конкретного типа.

3.2.2. Масса типовых представителей радиостанций (без антенно-фидерных устройств и соединительных кабелей) в зависимости от типа радиостанции и пиковой мощности передатчика не должна превышать значения, указанного в табл. 4.

Таблица 4

Тип радиостанции

Назначение и основные функциональные особенности

Масса, кг

1

Радиостанция, устанавливаемая на судах внутреннего плавания, симплексная

Номинальное значение пиковой мощности 100 Вт

Диапазон рабочих частот 1,6 - 9 МГц

Синтезатор частот с шагом сетки 0,1 кГц

Автоматическое согласующее устройство

Питание от источника постоянного тока с номинальным напряжением 24 В

36

(30 - для радиостанций, ТЗ на разработку которых утверждены после 01.07.88)

2

Носимая симплексная (приемопередатчик), номинальное значение пиковой мощности 10 Вт

Диапазон рабочих частот от 1,6 до 8 МГц

Синтезатор частот с шагом сетки 0,1 кГц

Питание от источника постоянного тока с номинальным напряжением 12 В

Управление непосредственное 6-я группа, 2-я степень жесткости по ГОСТ 16019

4

3

Носимая симплексная (приемопередатчик), номинальное значение пиковой мощности 1 Вт

Диапазон рабочих частот от 1,6 до 2,85

Одна фиксированная рабочая частота

Питание от источника постоянного тока с номинальным напряжением 12 В 6-я группа, 1-я степень жесткости по ГОСТ 16019

1

Примечание. Значение массы радиостанций, разработанных до 01.01.86 г., и радиостанций с другими или дополнительными функциональными особенностями и другим назначением, а также габаритные размеры устанавливают в ТУ на радиостанции конкретного типа.

(Измененная редакция, Изм. № 1).

3.3. Требования по устойчивости к внешним воздействиям

3.3.1. Радиостанции должны соответствовать требованиям по устойчивости к механическим и климатическим воздействиям, установленным в ГОСТ 16019.

3.4. Требования к надежности

3.4.1. Требования к надежности радиостанций по ТУ на радиостанции конкретного типа.

3.5. Требования к электропитанию

3.5.1. Питание радиостанции в зависимости от ее назначения должно осуществляться от следующих первичных источников тока:

- сети переменного тока с номинальным напряжением 220 В и номинальной частотой 50 Гц;

- внешнего источника постоянного тока с номинальным напряжением 12 или 24 В;

- собственного источника тока напряжением, определяемым типом примененных аккумуляторов, сухих элементов или других источников тока.

Номинальное напряжение внешнего источника тока менее 12 В для радиостанций 3-го типа устанавливают в ТУ на радиостанции конкретного типа.

Номинальное напряжение питания радиостанций, предназначенных для питания от аккумуляторов, которые заряжаются во время их эксплуатации, должно быть равно номинальному напряжению аккумулятора, увеличенному на 10 %.

Номинальное напряжение питания радиостанций, предназначенных для питания от других первичных источников тока, должно быть равно номинальному напряжению первичного источника тока.

3.5.2. При измерениях параметров радиостанций согласно п. 2.2 изменение напряжения питания относительно номинального напряжения первичного источника тока должно быть в пределах:

± 10 % - для радиостанций с питанием от сети переменного тока;

от минус 10 до плюс 15 % - для радиостанций с питанием от аккумуляторов.

В технически обоснованных случаях, оговоренных в ТУ на радиостанции, могут быть установлены другие пределы изменения напряжения питания, например от минус 10 до плюс 30 % при питании от аккумуляторов, которые заряжаются во время их эксплуатации.

3.5.1, 3.5.2. (Измененная редакция, Изм. № 1).

3.5.3. В возимых радиостанциях, питание которых предусматривается от бортовой сети подвижного объекта, общий провод питания, соединенный с корпусом радиостанции, должен быть отрицательной полярности. Допускается заземление положительной полярности или отсутствие заземления обеих полярностей.

Радиостанции, предназначенные для установки на судах внутреннего плавания, не должны иметь заземления обеих полярностей питания.

3.5.4. В радиостанциях, питание которых осуществляется от источников постоянного тока, должна быть предусмотрена защита от повреждения при неправильном включении полярности электропитания.

3.5.5. Радиостанции, предназначенные для установки на судах внутреннего плавания, должны оставаться работоспособными при понижении напряжения питания на 15 % и повышении напряжения питания на 25 % относительно номинального значения, при этом допустимые отклонения основных параметров радиостанций (пиковая мощность передатчика, отклонение частоты передатчика и приемника, чувствительность приемника) от их номинальных значений устанавливают в ТУ на радиостанции конкретного типа.

3.5.6. Мощность потребления от первичных источников питания радиостанций, указанных в п. 3.2.2, в режиме передача/прием не должна превышать значений, установленных в табл. 5.

Таблица 5

Тип радиостанции

Мощность потребления, Вт

1

320/35 (250/35 для радиостанций, ТЗ на разработку которых утверждены после 01.07.88)

2

35/4

3

3,5/1,5

Значения мощности потребления в режиме приема указаны для следующих значений выходной мощности приемника: тип 2 - 0,5 Вт, тип 3 - 0,1 Вт.

Примечание. Значения мощности потребления радиостанций, разработанных до 01.01.86 г., и радиостанций с другими функциональными особенностями устанавливают в ТУ на радиостанции конкретного типа.

3.5.4 - 3.5.6. (Измененная редакция, Изм. № 1).

3.6. Требования к уровню индустриальных радиопомех

3.6.1. Радиостанции должны соответствовать требованиям «Общесоюзных норм допускаемых индустриальных радиопомех» ГКРЧ СССР для групп 2.1.1 и 2.1.2 (Нормы 15 - 78 и 15А - 33).

3.7. Требования безопасности

3.7.1. При эксплуатации и проведении измерений параметров радиостанций должны выполняться требования «Правил техники безопасности при эксплуатации электроустановок потребителей», утвержденных Госэнергонадзором, ГОСТ 12.1.030, ГОСТ 12.3.019, а также требования безопасности, изложенные в паспортах и инструкциях по эксплуатации радиостанций и контрольно-измерительных приборов.

3.7.2. В радиостанциях должна быть предусмотрена защита обслуживающего персонала от поражения электрическим током при наличии напряжений свыше 42 В переменного тока и 110 В постоянного тока при помощи системы блокировки, ограждения токонесущих частей, предостерегающих надписей, заземления корпуса аппаратуры.

(Измененная редакция, Изм. № 1).

3.7.3. (Исключен, Изм. № 1).

3.7.4. В радиостанциях должна быть исключена возможность воспламенения аппаратуры при случайном замыкании в цепях питания и при неправильном включении полярности электропитания.

3.7.5. По уровню шума, создаваемого в помещениях управления и рабочих комнатах, радиостанции должны соответствовать ГОСТ 12.1.003.

3.7.6. Температура наружных поверхностей радиоаппаратуры во время работы при нормальных климатических условиях не должна превышать 318 К (45 °С) в местах постоянного контакта оператора с поверхностью и 333 К (60 °С) - в местах случайного прикасания к поверхности.

3.7.7. По требованиям к электромагнитным полям радиочастот на рабочих местах персонала, обслуживающего радиостанции, кроме носимых 3-го типа, радиостанции должны соответствовать ГОСТ 12.1.006.

3.8. Радиостанции, предназначенные для установки на судах внутреннего плавания, должны соответствовать дополнительным техническим требованиям, установленным в «Правилах классификации и постройки судов внутреннего плавания» Речного Регистра РСФСР.

4. МЕТОДЫ ИЗМЕРЕНИЙ

4.1. Общие положения

4.1.1. Параметры радиостанций по п. 2.1 (табл. 2) измеряют в нормальных климатических условиях при стандартных испытательных напряжениях электропитания с допустимым отклонением не более ± 2 %.

Нормальными климатическими условиями являются:

- температура окружающего воздуха от 288 до 308 К (от 15 до 35 °С);

- относительная влажность от 45 % до 75 %;

- атмосферное давление от 0,86·105 до 1,06·105 Па (от 650 до 800 мм рт. ст.).

В качестве стандартного испытательного напряжения используют:

- номинальное напряжение - при питании радиостанций от источника переменного тока;

- номинальное напряжение, увеличенное на 10 %, - при питании радиостанций от аккумуляторов, которые заряжаются во время их эксплуатации;

- напряжение, установленное в ТУ на радиостанции конкретного типа, - при питании радиостанций от аккумуляторов, которые не заряжаются во время их эксплуатации, и от других источников тока.

4.1.2. Параметры радиостанций по п. 2.2 (табл. 3) измеряют в условиях по п. 2.2. Допускается измерять параметры при раздельном воздействии климатических факторов и изменении напряжения питания, при этом суммарное отклонение параметров не должно превышать допусков, установленных в табл. 3.

4.1.3. Параметры радиостанций измеряют со всеми блоками (кроме антенных устройств) и вспомогательными устройствами, входящими в комплект радиостанции, или с их эквивалентами.

4.1.4. Параметры радиостанций измеряют без вскрытия кожухов аппаратуры.

4.1.5. При измерении параметров радиостанций используют источник питания, тип которого указан в ТУ на радиостанции конкретного типа.

Напряжение питания измеряют на входе кабеля электропитания.

4.1.6. При измерении параметров радиостанций используют экранированный эквивалент антенны, схему и параметры которого согласно пп. 17 - 19 табл. 6 устанавливают в ТУ на радиостанции конкретного типа в соответствии с типом примененной антенны.

Требования к эквивалентам антенны радиостанций, предназначенных для установки на судах внутреннего плавания, должны соответствовать указанным в п. 4.2.1 (табл. 6, п. 18).

(Измененная редакция, Изм. № 1).

4.1.7. При подключении измерительных приборов и вспомогательных устройств в схеме измерений параметров радиостанций должны соблюдаться условия согласования в соответствующем диапазоне частот.

Для согласования волновых сопротивлений 50 и 75 Ом используют высокочастотное согласующее переходное устройство по п. 4.2.1 (табл. 6, п. 23).

Для исключения взаимного влияния между аппаратурой в необходимых случаях принимают меры по ее дополнительному экранированию.

4.1.8. Перед измерением параметров радиостанций согласующее антенное устройство настраивают в соответствии с инструкцией по эксплуатации радиостанции.

4.1.9. При измерении параметров радиостанций регулятор оперативной ручной подстройки частоты, если он предусмотрен, устанавливают в положение, указанное в ТУ или инструкции по эксплуатации радиостанции конкретного типа.

4.1.10. Методы измерения параметров радиостанций, приведенные в пп. 4.4 и 4.5, предусмотрены для класса излучения J3E. Особенности методов измерений параметров для других классов излучений указывают в ТУ на радиостанции конкретного типа.

4.2. Измерительная аппаратура

4.2.1. Основные характеристики приборов и вспомогательных устройств, предназначенных для измерения параметров радиостанций, должны соответствовать указанным в табл. 6.

Таблица 6

Наименование прибора

Наименование параметра

Значение параметра

1. Высокочастотный генератор сигналов (с непрерывной генерацией)

Диапазон частот, МГц

1,6 - 30

Погрешность установки частоты, не более

1·10-6

Кратковременная нестабильность частоты за 15 мин, не более

Пределы регулировки выходного напряжения, мкВ

0,5 - 1·10-6

Погрешность установки выходного напряжения, дБ, не более

1,5

Уровень паразитной амплитудной модуляции в полосе ± 1,5 кГц относительно несущей, дБ, не более

-30

Спектральная плотность шума генератора, дБ/Гц, не более, при расстройке относительно частоты несущей: на ± 3 кГц, ± 5 кГц

-(Н* + 55)

Выходное сопротивление, Ом

50

2. Высокочастотный генератор сигналов (с непрерывной генерацией)

Диапазон частот, МГц

0,1 - 300

Погрешность установки частоты, не более

10·10-6

Кратковременная нестабильность частоты за 15 мин, не более

10·10-6

Пределы регулировки выходного напряжения, мкВ

0,5 - 1·10-6

Погрешность установки выходного напряжения, дБ, не более

1,5

Выходное сопротивление, Ом

50

3. Низкочастотный генератор сигналов

Диапазон частот, кГц

0,05 - 20

Погрешность установки частоты, %, не более

± 1,0

Пределы регулировки выходного напряжения, В

0 - 3 (10)

Погрешность установки выходного напряжения, дБ, не более

0,5

Коэффициент гармоник, %, не более

1

Выходное сопротивление, Ом

50; 600

4. Генератор шумовых сигналов

Диапазон частот, кГц

0,02 - 20

Пределы регулировки выходного напряжения, В

0 - 3

Выходное сопротивление, Ом

50; 600

Неравномерность спектральной плотности шума, дБ, не более

2,2

5. Высокочастотный ваттметр

Диапазон частот, МГц

1,6 - 30

Пределы измерения мощности, Вт

0,5 - 150

Погрешность измерения, %, не более

5

Входное сопротивление, Ом

50

6. Высокочастотный вольтметр переменного тока

Диапазон частот, МГц

0,1 - 30

Пределы измерения, В

0,1 - 150

Погрешность измерения, %, не более

5

7. Низкочастотный вольтметр переменного тока

Диапазон частот, кГц

0,05 - 20

Пределы измерения, В

0,003 - 10

Погрешность измерения, %, не более

5

8. Измеритель нелинейных искажений

Диапазон частот, кГц

0,05 - 20

Пределы измерения коэффициента нелинейных искажений, %

1 - 50

Погрешность измерения, %, не более

10

Ослабление мощности шума в полосе от 300 до 3000 Гц при включенном режекторном фильтре, дБ, не более

1

9. Высокочастотный электронно-счетный частотомер

Диапазон частот, МГц

1,6 - 50

Погрешность измерения, не более, в диапазоне:

1,6 - 9 МГц

2,5·10-7

св. 9 до 30 МГц

1,0·10-7

Чувствительность, мВ, не более

100

10. Низкочастотный частотомер

Диапазон частот, кГц

0,05 - 20

Погрешность измерения, %, не более

0,2

11. Измерительный приемник (селективный микровольтметр)

Диапазон частот, МГц

0,15 - 300

Пределы измерений, мкВ

1-1·10-5

Погрешность измерения напряжения, дБ, не более

2

Погрешность установки частоты, %, не более

1

Полоса пропускания на уровне минус 6 дБ, кГц

2 - 20

Избирательность по побочным каналам на частотах измеряемых побочных излучении передатчика, дБ, не менее

-(Hn* - 6)

Входное сопротивление, Ом

50

12. Высокочастотный анализатор спектра

Диапазон частот, МГц

1,6 - 30

Полоса обзора, кГц

3 - 20

Полоса пропускания на уровне минус 3 дБ, Гц

25 - 150

Динамический диапазон по интермодуляции, дБ, не менее

70

Погрешность измерения отношения амплитуд, дБ, не более

1

Погрешность измерения частотных интервалов, %, не более

5

Время развертки, с

3,0 - 30

Постоянная времени, с

0,002 - 0,05

13. Низкочастотный анализатор спектра (для измерения уровня взаимной модуляции на выходе приемника при измерении диапазона АРУ)

Диапазон частот, кГц

0,02 - 20

Полоса обзора, кГц

0,2 - 5

Полоса пропускания на уровне минус 3 дБ, Гц

30 - 150

Динамический диапазон, по интермодуляции, дБ, не менее

40

Погрешность измерения отношения амплитуд, дБ, не более

1

Время развертки, с

3,0 - 30

Постоянная времени, с

0,002 - 0,05

14. Низкочастотный анализатор спектра (для измерения уровня фона приемника)

Диапазон частот, кГц

0,02 - 20

Полоса пропускания на уровне минус 3 дБ, Гц

5 - 10

Динамический диапазон, дБ, не менее

50

Погрешность измерения уровней, дБ, не более

1

15. Стрелочные измерительные приборы (вольтметры, амперметры)

Класс точности, не более

1,0

16. Испытательная нагрузка передатчика

Диапазон частот, МГц

0,1 - 300

Входное и выходное сопротивление, Ом

50; 75

Допустимая мощность рассеяния, Вт

1 - 150

Ослабление на выходе нагрузки, дБ

10 - 60

КСВ на входе и выходе нагрузки, не более, в диапазонах частот:

до 30 МГц

1,1

св. 30 до 300 МГц

1,2

17. Эквивалент антенны передатчика (приложение 2)

Диапазон частот, МГц

По ТУ на радиостанцию конкретного типа

Активное сопротивление RА, Ом

Реактивное сопротивление ХА (емкость СА, пФ; индуктивность LА, мкГн), Ом

То же

Допустимая мощность рассеяния, Вт

1 - 150

18. Эквивалент антенны передатчика для радиостанций, предназначенных для установки на судах внутреннего плавания (приложение 2)

Диапазон частот, МГц

0,1 - 300

Активное сопротивление RА, Ом, в диапазонах частот

от 1,6 до 3,8 МГц

4

св. 3,8 до 30 МГц

75

Емкость СА, пФ, в диапазонах частот:

от 1,6 до 3,8 МГц

300

св. 3,8 до 30 МГц

Отсутствует

Допустимая мощность рассеяния, Вт

1 - 150

19. Эквивалент антенны приемника (приложение 2)

Диапазон частот, МГц

По ТУ на радиостанцию конкретного типа

Активное сопротивление RА, Ом

Реактивное сопротивление ХA (емкость СА, пФ, индуктивность LА, мкГн), Ом

То же

Коэффициент передачи эквивалента антенны

По формуле (5) приложения 2

Погрешность коэффициента передачи, дБ, не более

0,5

20. Испытательная нагрузка приемника

Диапазон частот, кГц

0,02 - 20

Входное сопротивление, Ом

По ТУ на радиостанции конкретного типа

Допустимая мощность рассеяния, Вт

То же

21. Коаксиальные фиксированные аттенюаторы

Диапазон частот, МГц

0,1 - 300

Ослабление, дБ

3; 6; 10; 20; 30; 40

Погрешность ослабления, дБ, не более

0,5

Входное и выходное сопротивления, Ом

50

22. Низкочастотное согласующее переходное устройство 1-го типа (приложение 2)

Диапазон частот, кГц

0,02 - 20

Входное сопротивление, Ом

По ТУ на радиостанции конкретного типа

Выходное сопротивление, Ом

То же

23. Высокочастотное согласующее переходное устройство (приложение 2)

Диапазон частот, МГц

0,1 - 300

Коэффициент передачи

По формуле (5) приложения 2

Погрешность коэффициента передачи, дБ, не более

0,5

24. Низкочастотное согласующее переходное устройство 2-го типа (обязательное приложение 2)

Диапазон частот, кГц

0,02 - 20

Входное сопротивление, Ом

По ТУ на радиостанции конкретного типа

Выходное сопротивление, Ом

То же

25. Согласующее устройство 1-го типа (приложение 2)

Диапазон частот, МГц

0,1 - 300

Коэффициент ослабления

2 (6 дБ)

КСВ на входе каждого вывода при нагрузке двух остальных на сопротивление 50 Ом, не более

1,2

26. Согласующее устройство 2-го типа (приложение 2)

Диапазон частот, МГц

0,1 - 300

Коэффициент ослабления

3 (9,54 дБ)

КСВ на входе каждого вывода при нагрузке трех остальных на сопротивление 50 Ом, не более

1,2

27. Высокочастотный режекторный фильтр

Диапазон частот, МГц

0,1 - 300

Диапазон частот режекции, МГц

1,6 - 30

Разность между ослаблениями на частоте режекции и частоте измеряемого побочного (нежелательного) излучения (колебания), дБ, не менее

-(Н*n + Н*с.и - 6)

Входное и выходное сопротивления, Ом

50

28. Формирующий фильтр (приложение 2)

Отклонение АЧХ от кривой, приведенной на черт. 6 приложения 2, дБ, не более

2

29. Фильтр питания (приложение 2)

Диапазон частот, МГц

0,1 - 300

* Нс - Норма избирательности испытуемого приемника по соседнему каналу, дБ;

Нn - Норма уровня побочных излучений испытуемого передатчика, дБ;

Hс.и - Норма избирательности измерительного приемника на частоте измеряемого побочного излучения, дБ.

Примечания:

1. Нормы допустимого отклонения частоты генератора сигналов по п. 4.2.1 (п. 1 табл. 6) проверяют путем контроля частоты внешним или внутренним электронным частотомером.

2. Требования по пп. 1 и 11 табл. 6 могут выполняться путем применения внешних фильтров.

3. Вольтметры переменного тока должны измерять среднеквадратическое значение напряжения периодических сигналов произвольной формы. Допускается применять вольтметры переменного тока с другим типом детектора для измерения синусоидальных сигналов при обеспечении необходимой точности измерений.

4. Требуемый диапазон частот измерительных приборов, указанных в табл. 4, может перекрываться несколькими приборами.

5. Значения параметров, указанные без допуска, являются номинальными.

(Измененная редакция, Изм. № 1).

4.2.2. Для измерения электрических параметров радиостанций допускается использовать измерительную аппаратуру и автоматизированные средства измерений с номинальными значениями параметров, отличающимися от значений, указанных в табл. 6, при условии обеспечения необходимой точности измерений параметров радиостанций.

Перечень стандартной измерительной аппаратуры приведен в приложении 3.

4.2.3. Вспомогательные устройства по пп. 16 - 29 табл. 6 должны соответствовать ГОСТ 8.326.

4.2.4. Для проверки работоспособности радиостанций допускается использовать приборы контроля исправности.

(Введен дополнительно, Изм. № 1).

4.3. Подготовка к измерениям параметров передатчиков

4.3.1. При проведении измерений по пп. 4.5.1-4.5.9 модулирующий сигнал от генератора сигналов подают на модуляционный вход передатчика - низкочастотный вход, предназначенный для подключения электроакустического преобразователя (микрофона) или линии.

Если номинальное выходное сопротивление генератора модулирующего сигнала равно номинальному значению модуля полного внутреннего (выходного) сопротивления Zэ источника информационного сигнала (электроакустического преобразователя, линий и др.) на частоте 1000 Гц, то генератор подключают к модуляционному входу непосредственно.

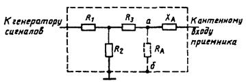
Если это условие не выполняется, модулирующий сигнал подают на модуляционный вход передатчика через низкочастотное согласующее переходное устройство 1-го типа согласно черт. 1.

Согласующее переходное устройство должно обеспечивать согласование генератора модулирующего сигнала с модуляционным входом передатчика так, чтобы входное сопротивление согласующего устройства было равно выходному сопротивлению генератора, а выходное сопротивление согласующего устройства - сопротивлению Zэ.

За уровень входного сигнала передатчика принимают э.д.с. источника сигнала с внутренним сопротивлением, равным Zэ.

При непосредственном подключении генератора модулирующего сигнала к модуляционному входу передатчика э.д.с. источника определяют как удвоенное показание вольтметра генератора. При использовании согласующего устройства значение э.д.с. измеряют в точке а (черт. 1).

При необходимости учета неравномерности амплитудно-частотной характеристики источника информационного сигнала в диапазоне звуковых частот при измерении неравномерности АЧМХ передатчика по п. 2.1 (табл. 2, п. 2) сопротивление Zэ в согласующем устройстве устанавливают частотно-зависимым в соответствии с номинальной амплитудно-частотной характеристикой примененного электроакустического преобразователя. Эти особенности согласования генератора должны быть указаны в ТУ на радиостанции конкретного типа.

При подключении к передатчику двух низкочастотных генераторов сигналов взаимная модуляция между ними не должна оказывать влияния на результаты измерения. Для этого может быть использовано, например, низкочастотное согласующее переходное устройство 2-го типа [п. 4.2.1 (табл. 6, п. 24)].

Если в передатчике предусмотрен неотсоединяемый электроакустический преобразователь, то модуляцию передатчика осуществляют методом, предусмотренным в ТУ на радиостанцию конкретного типа.

Вместо стандартного генератора (генераторов) низкочастотных сигналов для модуляции передатчика могут применяться нестандартные технологические устройства, обеспечивающие необходимую точность измерений. Низкочастотные согласующие переходные устройства могут быть включены в эти технологические устройства.

1 - генератор модулирующего сигнала (сигналов); 2 - низкочастотное согласующее переходное устройство 1-го типа; 3 - передатчик

Черт. 1

4.3.2. При измерении параметров передатчиков по пп. 4.5.1 - 4.5.9 к выходу передатчика подключают эквивалент антенны согласно п. 4.2.1 (табл. 6, п. 17).

Измерение параметров передатчика, указанных в ТУ на радиостанции конкретного типа, допускается проводить при подключении испытательной нагрузки по п. 4.2.1 (табл. 6, п. 16), если в передатчике предусмотрена возможность ее подключения. Эти параметры должны быть оговорены в ТУ на радиостанции конкретного типа.

Между эквивалентом антенны или испытательной нагрузкой и измерительной аппаратурой, при необходимости, включают аттенюатор с ослаблением, достаточным для нормальной работы измерительной аппаратуры.

4.3.3. Параметры передатчиков, в которых предусмотрены устройства по п. 3.1.7, допускается измерять при уровне модуляции передатчика, контролируемой по уровню его выходной мощности, измеряемой по п. 4.5.1:

- при измерении уровня взаимной модуляции передатчика по п. 4.5.4 суммарный уровень модулирующих сигналов устанавливают таким, чтобы средняя выходная мощность передатчика была равна 0,5 испытательной выходной мощности;

- при измерении выходной мощности передатчика Р1 по п. 4.5.2, уровня несущей и нижней боковой полосы по п. 4.5.5, уровня побочных излучений передатчика по п. 4.5.7 и чувствительности модуляционного входа передатчика по п. 4.5.9 уровень модулирующего сигнала устанавливают таким, чтобы выходная мощность передатчика была равна испытательной выходной мощности;

- при измерении ширины полосы частот излучения передатчика по п. 4.5.6 уровень шумового модулирующего сигнала устанавливают таким, чтобы средняя выходная мощность передатчика была равна 0,25 испытательной выходной мощности.

(Измененная редакция, Изм. № 1).

4.4. Подготовка к измерению параметров приемников

4.4.1. Параметры приемников радиостанций, предназначенные для работы как в симплексном, так и в дуплексном режиме, измеряют в симплексном режиме. Измерение отдельных параметров, указанных в ТУ на радиостанции конкретного типа, проводят также в дуплексном режиме.

В п. 4.6 приведены методы измерения параметров приемников радиостанций, работающих в симплексном режиме. Дополнительные особенности методов измерения этих параметров в дуплексном режиме указывают в ТУ на радиостанции конкретного типа.

4.4.2. При измерении параметров приемников по п. 4.6.1 - 4.6.9, 4.6.11 и 4.6.12 испытательный сигнал (сигналы) подают на антенный вход приемника через эквивалент антенны или непосредственно, если приемник допускает проводить измерения без эквивалента антенны. Параметры приемника, измеряемые без эквивалента антенны, должны быть указаны в ТУ на радиостанции конкретного типа.

Уровень сигнала на входе приемника определяют как ½ э.д.с. источника сигнала с внутренним сопротивлением, равным его выходному сопротивлению RА (при использовании эквивалента антенны) или 50 (75) Ом (при проведении измерений без эквивалента антенны).

(Измененная редакция, Изм. № 1).

4.4.3. При проведении измерений по пп. 4.6.1 - 4.6.3, 4.6.5, 4.6.9, 4.6.11 и 4.6.12 с эквивалентом антенны ½ э.д.с. входного сигнала приемника определяют как показание калиброванного аттенюатора выходного напряжения генератора сигналов, умноженное на коэффициент передачи эквивалента антенны Кn [п. 4.2.1 (табл. 6, п. 18, 19)].

При проведении измерений без согласующего антенного устройства генератор сигналов подключают к антенному входу приемника непосредственно, если его номинальное выходное сопротивление равно номинальному входному сопротивлению приемника, или через соответствующее согласующее переходное устройство по п. 4.2.1 (табл. 6, п. 23), если это условие не выполняется.

При непосредственном подключении генератора сигналов к приемнику ½ э.д.с. сигнала определяют как показание калиброванного аттенюатора выходного напряжения генератора.

4.4.4. При подключении к приемнику двух генераторов сигналов согласно пп. 4.6.4, 4.6.6 и 4.6.7 используют согласующее устройство 1-го типа по п. 4.2.1 (табл. 6, п. 25). За уровень сигнала на входе приемника от каждого генератора принимают значение, полученное согласно п. 4.4.3, деленное на коэффициент ослабления согласующего устройства.

4.4.5. При подключении к приемнику трех генераторов сигналов согласно п. 4.6.8 используют согласующее устройство 2-го типа по п. 4.2.1 (табл. 6, п. 26). За уровень сигнала на входе приемника от каждого генератора принимают значение, полученное согласно п. 4.4.3, деленное на коэффициент ослабления согласующего устройства.

Примечание. Для обеспечения лучшей развязки между генераторами сигналов по пп. 4.4.4 и 4.4.5 допускается использовать другие типы согласующих устройств, указанные в ТУ на радиостанции конкретного типа.

4.4.6. При измерении параметров приемников по пп. 4.6.1 - 4.6.9, 4.6.11 и 4.6.12 к выходу приемника подключают испытательную нагрузку по п. 4.2.1 (табл. 6, п. 20). В необходимых случаях к выходу приемника подключают реальную нагрузку (телефон, громкоговоритель и др.).

Входное сопротивление измерительных приборов, подключаемых к нагрузке приемника, должно быть достаточно велико, чтобы не оказывать заметного влияния на сопротивление этой нагрузки.

4.4.4 - 4.4.6. (Измененная редакция, Изм. № 1).

4.4.7. Параметры приемников с АРУ по пп. 4.6.1, 4.6.2, 4.6.4 - 4.6.12 измеряют при включенной АРУ. При измерении параметров по п. 4.6.3 АРУ выключают.

Выходную мощность приемника устанавливают при помощи регулятора громкости. При отсутствии его измерения проводят при такой выходной мощности, которая получается при данном уровне испытательного сигнала.

При наличии в приемнике регулятора усиления по высокой (промежуточной) частоте его устанавливают в положение, соответствующее максимальному усилению приемника.

4.4.8. При измерении параметров приемников по пп. 4.6.1, 4.6.3, 4.6.6 - 4.6.9 отношение сигнал/шум выходного сигнала приемника измеряют методом «СИНАД» измерителем нелинейных искажений без выключения сигнала генератора по формуле

                                                             (2)

где  - среднеквадратическое значение полного напряжения на выходе приемника;

 - среднеквадратическое значение суммарного напряжения шума и нелинейных искажений на выходе приемника;

Uc, Uш, Uu - среднеквадратические значения напряжений соответственно первой гармоники полезного сигнала, собственного шума приемника и нелинейных искажений на выходе приемника.

Отношение сигнал/шум, определяемое формулой (2), измеряют в последовательности, принятой при измерении коэффициента нелинейных искажений. Показание прибора, равное 25 %, соответствует отношению сигнал/шум (СИНАД) 12 дБ.

При измерениях частоту испытательного сигнала подстраивают, если это указано в ТУ на радиостанции конкретного типа, в пределах ± 150 Гц относительно стандартной частоты 1000 Гц так, чтобы получилось максимальное отношение сигнал/шум.

(Измененная редакция, Изм. № 1).

4.4.9. Особенности методов измерения параметров приемников, в которых предусмотрено экспандирование речевых сигналов для приема сигналов передатчика, оборудованного компрессором, указывают в ТУ на радиостанции конкретного типа.

4.4.10. С целью уменьшения погрешности измерения избирательности приемника по пп. 4.6.6, 4.6.8.2, 4.6.8 допускается проводить взаимную калибровку генераторов сигналов.

4.5. Измерение параметров передатчика

4.5.1. Измерение пиковой мощности передатчика

Аппаратуру подключают согласно черт. 2.

На модуляционный вход передатчика подают номинальный модулирующий сигнал. Подстраивают частоту модулирующего сигнала, если это указано в ТУ на радиостанции конкретного типа, в пределах ± 150 Гц относительно частоты 1000 Гц так, чтобы выходная мощность в эквиваленте антенны или испытательной нагрузке передатчика была максимальной.

1 - низкочастотный генератор сигналов; 2 - передатчик; 3 - высокочастотный ваттметр; 4 - эквивалент антенны; 5 - высокочастотный вольтметр

Черт. 2

При использовании вольтметра измеряют напряжение на активном сопротивлении эквивалента антенны или испытательной нагрузке. За пиковую мощность Рmax передатчика принимают среднюю мощность, вычисленную в ваттах по формуле

                                                              (3)

где U - выходное напряжение, В;

R - сопротивление эквивалента антенны (RA, Ом) или испытательной нагрузки (50 или 75 Ом).

При использовании термоамперметра измеряют ток, протекающий через сопротивление R, и вычисляют пиковую мощность передатчика в ваттах по формуле

Pmax = I2R,                                                               (4)

где I - ток, А.

При помощи ваттметра с номинальным входным сопротивлением, равным номинальному выходному сопротивлению передатчика, среднюю мощность, соответствующую пиковой мощности, измеряют непосредственно. В этом случае эквивалент антенны или испытательную нагрузку не используют.

Допускается измерение пиковой мощности передатчика проводить двухсигнальным методом. Для этого аппаратуру подключают согласно черт. 3 (п. 4.5.4). На модуляционный вход передатчика подают два модулирующих сигнала с частотами, указанными в п. 4.5.3. Устанавливают уровни модулирующих сигналов так, чтобы уровни основных составляющих, наблюдаемые на экране анализатора спектра, были одинаковыми, а суммарный среднеквадратический уровень входного сигнала был равен 0,707 номинального входного уровня.

Измеряют среднюю мощность Рср в нагрузке передатчика одним из методов, описанных выше. Вычисляют пиковую мощность передатчика (в режиме излучения J3E) по формуле

Рпик = 2Рср.                                                                    (5)

Допускается измерять пиковую мощность передатчика вольтметром с пиковым детектором при условии обеспечения необходимой точности измерений. В ТУ на радиостанции конкретного типа должен быть указан один из рассмотренных методов измерения пиковой мощности передатчика.

(Измененная редакция, Изм. № 1).

4.5.2. Измерение изменения пиковой мощности передатчика

Аппаратуру подключают согласно черт. 2.

На модуляционный вход передатчика подают номинальный модулирующий сигнал и отмечают полученное значение выходной мощности передатчика P1.

Увеличивают уровень входного сигнала на 10 дБ и снова измеряют выходную мощность передатчика Р2.

Изменение пиковой мощности передатчика Q относительно номинального значения вычисляют в децибелах по формуле

                                                                         (6)

В необходимых случаях в ТУ на радиостанции конкретного типа устанавливают допустимое значение уровня взаимной модуляции передатчика при суммарном среднеквадратическом уровне двухчастотного модулирующего сигнала, превышающем на 10 дБ уровень, равный 0,707 номинального входного уровня.

4.5.3. Измерение неравномерности АЧМХ передатчика

Аппаратуру подключают согласно черт. 2.

На модуляционный вход передатчика подают нормальный модулирующий сигнал с уровнем, при котором выходная мощность передатчика равна 0,25 испытательной выходной мощности.

Поддерживая постоянным уровень входного напряжения, изменяют частоту модулирующего сигнала в пределах, указанных в ТУ на радиостанцию конкретного типа, и измеряют напряжение на выходе передатчика, отмечая минимальное Umin и максимальное Umax значения. Неравномерность АЧМХ передатчика N в децибелах вычисляют по формуле

                                                                      (7)

Минимальное и максимальное значения частоты модулирующего сигнала, при которых неравномерность АЧМХ составляет минус 6 дБ, не должны отличаться от частоты 300 (350) Гц более чем на ± 100 Гц и от частоты 3400 (2700) Гц и более чем на ± 300 Гц.

4.5.4. Измерение уровня взаимной модуляции передатчика

Аппаратуру подключают согласно черт. 3.

1, 2 - низкочастотные генераторы сигналов; 3 - низкочастотное согласующее переходное устройство 2-го типа; 4 - низкочастотный вольтметр; 5 - передатчик; 6 - эквивалент антенны; 7 - высокочастотный вольтметр; 8 - аттенюатор; 9 - анализатор спектра

Черт. 3

Анализатор спектра настраивают так, чтобы можно было наблюдать основные составляющие спектра и составляющие взаимной модуляции 3 и 5-го порядков в полосе пропускания передатчика (черт. 4).

А1, А1´ - основные составляющие; А3, А3´, A5, A5´ - составляющие 3, 5-го порядков; fн и fв - нижняя и верхняя граничные частоты полосы пропускания передатчика; fнес - частота подавленной несущей; f1, f2 - частоты основных составляющих

Черт. 4

Полосу пропускания анализатора спектра устанавливают от 25 до 50 Гц, постоянную времени последетекторной цепи анализатора спектра - равной минимальному значению.

На модуляционный вход передатчика подают два модулирующих сигнала частотами F1 = 1800 Гц и F2 = 2200 Гц (в полосе звуковых частот от 300 до 3400 Гц) или F1 = 1500 Гц и F2 = 1800 Гц (в полосе звуковых частот от 350 до 2700 Гц).

Суммарный среднеквадратический уровень модулирующих сигналов устанавливают равным 0,707 номинального значения так, чтобы уровни основных составляющих спектра, наблюдаемые на экране анализатора спектра, были одинаковыми. Уровень взаимной модуляции передатчика определяют как отношение уровня наибольшей составляющей взаимной модуляции нечетного порядка к уровню одной из основных составляющих, выраженное в децибелах.

При наличии в передатчике ограничения речевых сигналов условия его модуляции указывают в ТУ на радиостанции конкретного типа.

Измерение уровня взаимной модуляции передатчика, при необходимости, совмещают с измерением его пиковой мощности.

4.5.5. Измерение уровня несущей и нижней боковой полосы частот передатчика Аппаратуру подключают согласно черт. 5.

1 - низкочастотный генератор сигналов; 2 - передатчик; 3 - эквивалент антенны; 4 - высокочастотный вольтметр; 5 - аттенюатор; 6 - анализатор спектра

Черт. 5

Анализатор спектра настраивают таким образом, чтобы можно было наблюдать составляющие спектра в полосе частот примерно ± 3 кГц относительно подавленной несущей (черт. 6).

Ан.б - нижняя боковая составляющей; Анес - подавленная несущая; Ав.б - верхняя боковая составляющая; fнес - частота подавленной несущей; F - частота модулирующего сигнала

Черт. 6

Полосу пропускания анализатора спектра устанавливают от 25 до 50 Гц, постоянную времени последетекторной цепи - равной минимальному значению.

На модуляционный вход передатчика подают модулирующий сигнал частотой 2000 Гц (в полосе звуковых частот от 300 до 3400 Гц) или 1800 Гц (в полосе звуковых частот от 350 до 2700 Гц) с уровнем, равным номинальному значению.

Уровень несущей измеряют при помощи анализатора спектра в децибелах относительно верхней боковой составляющей. Уровень нижней боковой полосы частот измеряют в децибелах как отношение нижней боковой составляющей к верхней.

4.5.6. Измерение ширины полосы частот излучения передатчика

Аппаратуру подключают согласно черт. 7.

1 - генератор шумовых сигналов; 2 - формирующий фильтр; 3 - передатчик; 4 - эквивалент антенны; 5 - высокочастотный вольтметр; 6 - аттенюатор; 7 - анализатор спектра

Черт. 7

В необходимых случаях между формирующим фильтром и передатчиком включают низкочастотное согласующее переходное устройство 1-го типа.

Полосу рабочих частот генератора шумовых сигналов устанавливают от 20 Гц до 20 кГц.

Ширину полосы частот излучения измеряют при полосе пропускания анализатора спектра от 30 до 150 Гц, времени развертки не менее 10 с и постоянной времени последетекторной цепи анализатора спектра 0,05 с.

На модуляционный вход передатчика подают шумовой сигнал со среднеквадратическим уровнем, равным 0,47 номинального входного уровня.

Устанавливают нулевой уровень шумового спектра на экране анализатора спектра как наибольшее значение огибающей спектра из числа не менее пяти последовательных реализаций (черт. 8).

Вх - ширина полосы частот излучения на уровне минус ХдБ

Черт. 8

Ширину полосы частот излучения передатчика измеряют на уровне минус 30, минус 40, минус 50 и минус 60 дБ относительно нулевого уровня.

Нижние значения измерительного уровня определяются возможностями используемого стандартного анализатора спектра.

Установку нулевого уровня и измерение ширины полосы частот излучения проводят при одних и тех же параметрах анализатора спектра (полосы пропускания на уровне минус 3 дБ, время развертки, постоянная времени).

За ширину полосы частот излучения принимают наибольшее значение из числа не менее пяти последовательных реализаций измеряемого спектра.

Измеренные значения ширины полосы частот не должны превышать установленных п. 2.1 (табл. 2, п. 7) более чем на 20 %.

4.5.7. Измерение уровня побочных излучений передатчика

Аппаратуру подключают согласно черт. 9.

1 - низкочастотный генератор сигналов; 2 - передатчик; 3 - эквивалент антенны; 4 - высокочастотный вольтметр; 5 - высокочастотный генератор сигналов; 6 - аттенюатор; 7 - режекторный фильтр; 8 - измерительный приемник

Черт. 9

Измерительный приемник, режекторный фильтр и аттенюатор в необходимых случаях размещают в экранированной камере.

Вместо измерительного приемника допускается использовать высокочастотный анализатор спектра.

Режекторный фильтр не используют, если измерительный приемник удовлетворяет требованиям, установленным в п. 4.2.1 (табл. 6, п. 10).

Измеряют следующие побочные излучения:

- на гармониках - излучения на частотах, являющихся целыми кратными частотами верхней боковой составляющей спектра выходного сигнала передатчика;

- комбинационные - излучения, которые появляются в результате взаимной модуляции между колебаниями на частоте основного излучения и частотах, формирующих это излучение, и гармониках этих частот;

- паразитные - излучения на частотах, не зависящих от частоты основного излучения и частот колебаний, формирующих это излучение.

Измерения проводят в диапазоне частот, указанном в ТУ на радиостанции конкретного типа: от наименьшей частоты до наибольшей частоты, имеющих место в процессе формирования сигнала передатчика, но не ниже 3-й гармоники составляющей основного излучения передатчика.

При необходимости получения предварительных данных о побочных излучениях передатчика перед началом измерений проверяют соответствующую полосу частот широкополосным (панорамным) анализатором спектра.

Уровни побочных излучений измеряют на сопротивлении нагрузки R (см. п. 4.5.1) методом замещения.

На модуляционный вход передатчика подают номинальный модулирующий сигнал. Отмечают полученное значение выходной мощности Р передатчика.

Режекторный фильтр настраивают так, чтобы подавление составляющей верхней боковой полосы (полезного сигнала) передатчика было максимальным.

Измерительный приемник настраивают на частоты измеряемых побочных излучений и отмечают его показания.

Вместо передатчика к сопротивлению нагрузки R, с учетом согласования с ним, подключают генератор сигналов, который настраивают на частоты побочных излучений и регулируют до получения ранее отмеченных показаний измерительного приемника.

В этом случае показание калиброванного аттенюатора генератора сигналов с учетом ослабления, вносимого согласующим переходным устройством, если оно используется, равно уровню соответствующего побочного излучения Uп.

Уровень побочного излучения Lп вычисляют в децибелах по формуле

                                                      (8)

где Рп - мощность побочного излучения, вычисляемая по формуле

                                                                              (9)

U - напряжение на сопротивлении R, соответствующее выходной мощности передатчика.

Уровень побочных излучений передатчика допускается измерять прямым методом с использованием измерительного приемника или анализатора спектра при условии обеспечения необходимой точности измерений.

4.5.8. Измерение отклонения частоты передатчика от номинального значения

Аппаратуру подключают согласно черт. 10.

1 - низкочастотный генератор сигналов; 2 - передатчик; 3 - эквивалент антенны; 4 - аттенюатор; 5 - частотомер

Черт. 10

На вход передатчика подают нормальный модулирующий сигнал уровнем, при котором выходная мощность передатчика равна 0,5 испытательной выходной мощности.

При наличии в передатчике оперативного снижения выходной мощности допускается проводить измерение отклонения частоты передатчика при пониженной выходной мощности и модуляции его номинальным модулирующим сигналом.

Частоту модулирующего сигнала при измерениях поддерживают равной 1000 Гц с необходимой точностью.

Измеряют частоту сигнала на выходе передатчика в условиях согласно п. 2.1 или 2.2. Определяют наибольшее отклонение частоты передатчика от номинального значения Δf в герцах по формуле

Δf = f - fном - 1000,                                                                  (10)

где f - измеренная частота передатчика, Гц;

fном - номинальная частота передатчика, Гц.

Если в передатчике предусмотрены классы излучения А1А, Н3А, Н3Е, то измерение отклонения частоты передатчика допускается проводить путем непосредственного измерения частоты несущей.

При измерении отклонения частоты передатчика от номинального значения в условиях воздействия климатических факторов перед началом проведения климатических испытаний допускается подстраивать частоту передатчика до номинального значения при помощи органов неоперативной подстройки частоты согласно п. 3.1.10.

4.5.7, 4.5.8. (Измененная редакция, Изм. № 1).

4.5.9. Измерение чувствительности модуляционного входа передатчика

Аппаратуру подключают согласно черт. 2.

На модуляционный вход передатчика подают номинальный модулирующий сигнал и измеряют его выходную мощность. Уменьшают уровень модулирующего сигнала до значения, при котором выходная мощность передатчика становится на 1 дБ меньше первоначального значения.

Полученное значение уровня модулирующего сигнала определяет чувствительность модуляционного входа передатчика.

4.6. Измерение параметров приемников

4.6.1. Измерение чувствительности приемника

Аппаратуру подключают согласно черт. 11.

Органы управления приемника устанавливают согласно п. 4.4.7.

На вход приемника подают нормальный испытательный сигнал и измеряют отношение сигнал/шум согласно п. 4.4.8. Чувствительность приемника определяют как ½ э.д.с. входного сигнала, при котором отношение сигнал/шум равно 12 дБ при испытательной выходной мощности.

Если при данном отношении сигнал/шум выходная мощность приемника устанавливается меньше 0,5 испытательной выходной мощности при полностью введенном регуляторе громкости, то за чувствительность приемника принимают минимальный уровень входного сигнала, при котором выходная мощность приемника равна 0,5 испытательной выходной мощности при полностью введенном регуляторе громкости.

4.6.2. Измерение коэффициента нелинейных искажений приемника

Аппаратуру подключают согласно черт. 11.

1 - высокочастотный генератор сигналов; 2 - эквивалент антенны приемника; 3 - приемник; 4 - испытательная нагрузка приемника; 5 - низкочастотный частотомер; 6 - низкочастотный вольтметр; 7 - измеритель нелинейных искажений

Черт. 11

Органы управления приемника устанавливают согласно п. 4.4.7.

На вход приемника подают стандартный испытательный сигнал. Устанавливают выходную мощность приемника равной номинальному значению. Коэффициент нелинейных искажений измеряют измерителем нелинейных искажений.

4.6.3. Измерение неравномерности амплитудно-частотной характеристики (АЧХ) приемника

Аппаратуру подключают согласно черт. 12.

Органы управления приемника устанавливают согласно п. 4.4.7.

На вход приемника подают испытательный сигнал с уровнем, превышающим чувствительность приемника, измеренную в соответствии с п. 4.6.1, не менее чем в три раза так, чтобы приемник работал в линейном режиме при 0,5 испытательной выходной мощности. Поддерживая постоянным уровень входного сигнала, изменяют частоту генератора таким образом, чтобы частота сигнала на выходе приемника изменялась в пределах, указанных в ТУ на радиостанции конкретного типа, и измеряют выходное напряжение приемника, отмечая его минимальное Umin и максимальное Umax значения.

Неравномерность АЧХ приемника Nпр в децибелах вычисляют по формуле

                                                                   (11)

Минимальное и максимальное значения частоты выходного сигнала, при котором неравномерность АЧХ составляет минус 6 дБ, не должны отличаться от частоты 300 (350) Гц более чем на ± 100 Гц и от частоты 3400 (2700) Гц более чем на ± 300 Гц.

Примечание. Метод измерения неравномерности АЧХ приемника, в котором не предусмотрен выключатель АРУ, устанавливают в ТУ на радиостанции конкретного типа.

4.6.4. Измерение диапазона автоматической регулировки усиления приемника

Аппаратуру подключают согласно черт. 12.

1, 2 - высокочастотные генераторы сигналов; 3 - согласующее устройство 1-го типа; 4 - эквивалент антенны приемника; 5 - приемник; 6 - испытательная нагрузка приемника; 7 - низкочастотный частотомер; 8 - низкочастотный вольтметр; 9 - низкочастотный анализатор спектра

Черт. 12

Полосу пропускания анализатора спектра устанавливают от 25 до 50 Гц, постоянную времени последетекторной цепи анализатора спектра - равной минимальному значению.

Анализатор спектра настраивают так, чтобы можно было наблюдать составляющие взаимной модуляции 3 и 5-го порядков в полосе пропускания приемника.

Органы управления приемника устанавливают согласно п. 4.4.7.

На вход приемника подают два испытательных сигнала с частотами, при которых частоты тональных сигналов F1 и F2 на выходе приемника равны соответственно 1800 и 2200 Гц (в полосе звуковых частот от 300 до 3400 Гц) или 1500 и 1800 Гц (в полосе звуковых частот от 350 до 2700 Гц).

Устанавливают уровни этих сигналов на входе приемника такими, чтобы их суммарный уровень U1, был на 6 дБ больше номинальной чувствительности приемника и основные составляющие спектра, наблюдаемые на экране анализатора спектра, были равными.

Устанавливают среднюю выходную мощность приемника ниже половины испытательной выходной мощности на 6 или 3 дБ согласно п. 2.1 (табл. 2, п. 13). Увеличивают суммарный уровень входного сигнала и измеряют уровень взаимной модуляции на выходе приемника как отношение уровня наибольшей составляющей взаимной модуляции к уровню одной из двух основных составляющих, выраженное в децибелах, и выходную мощность приемника. Определяют значение суммарного уровня сигнала на входе приемника U2, при котором уровень взаимной модуляции на выходе приемника устанавливается равным минус 20 дБ, при этом средняя выходная мощность приемника не должна превышать половину испытательной выходной мощности. Если это условие не выполняется, то суммарный уровень входного сигнала уменьшают до значения U2, при котором средняя выходная мощность приемника становится равной половине испытательной выходной мощности.

Диапазон АРУ определяют как изменение сигнала на входе приемника и вычисляют в децибелах по формуле

                                                                         (12)

4.6.5. Измерение уровня фона приемника

Аппаратуру подключают согласно черт. 13.

1 - высокочастотный генератор сигналов; 2 - эквивалент антенны приемника; 3 - приемник; 4 - испытательная нагрузка приемника; 5 - низкочастотный частотомер; 6 - низкочастотный вольтметр; 7 - низкочастотный анализатор спектра

Черт. 13

Ширину полосы пропускания анализатора спектра устанавливают от 5 до 10 Гц.

Органы управления приемника устанавливают согласно п. 4.4.7.

На вход приемника подают стандартный испытательный сигнал. Устанавливают выходную мощность приемника равной номинальному значению.

Низкочастотным анализатором спектра измеряют уровни полезного сигнала Uc и составляющих фона U1, U2, ..., Un частотами, кратными частоте источника питания.

Уровень фона приемника Lф в децибелах вычисляют по формуле

                                             (13)

При измерениях не учитывают составляющие фона, уровень которых равен или меньше 0,1 уровня наибольшей составляющей фона.

4.6.6. Измерение избирательности приемника по соседнему каналу

4.6.6.1. Метод измерения А11.

Аппаратуру подключают согласно черт. 14.

1 и 2 - высокочастотные генераторы сигналов; 3 - согласующее устройство 1-го типа; 4 - эквивалент антенны приемника; 5 - приемник; 6 - испытательная нагрузка приемника; 7 - низкочастотный частотомер; 8 - низкочастотный вольтметр; 9 - измеритель нелинейных искажений

Черт. 14

Органы управления приемника устанавливают согласно п. 4.4.7.

На вход приемника от одного генератора при отсутствии мешающего сигнала от второго генератора подают нормальный испытательный сигнал и определяют его уровень U1, при котором отношение сигнал/шум на выходе приемника, измеренное согласно п. 4.4.8 при испытательной выходной мощности, равно 12 дБ.

Затем от второго генератора, настроенного на центральную частоту одного из соседних каналов, подают немодулированный мешающий сигнал и увеличивают его уровень до значения U2, при котором отношение сигнал/шум на выходе приемника уменьшается на 6 дБ. Измерение повторяют при настройке генератора сигналов на центральную частоту другого соседнего канала.

Избирательность приемника по соседнему каналу Sc вычисляют в децибелах по формуле

                                                                        (14)

Центральные части верхнего fв.с и нижнего fн.с соседних каналов вычисляют согласно соотношениям:

при частотном разносе между каналами:

5 кГц - fв.с = fном + 6850 Гц, fн.с = fном - 3150 Гц;

3 кГц - fв.с = fном + 4525 Гц, fн.с = fном - 1475 Гц, где fном - номинальная частота настройки приемника.

(Измененная редакция, Изм. № 1).

4.6.6.2. Метод измерения Б11.

Аппаратуру подключают согласно черт. 14.

Органы управления приемника устанавливают согласно п. 4.4.7.

На вход приемника от одного генератора, при отсутствии мешающего сигнала от второго генератора, подают нормальный испытательный сигнал и определяют его уровень U1 при котором отношение сигнал/шум на выходе приемника, измеренное согласно п. 4.4.8 при испытательной выходной мощности, равно 12 дБ. Увеличивают уровень входного сигнала на 3 дБ.

Затем от второго генератора, настроенного на центральную частоту одного из соседних каналов, подают немодулированный мешающий сигнал и увеличивают его уровень до значения U2, при котором отношение сигнал/шум на выходе приемника становится равным прежнему значению, т.е. 12 дБ.

Измерение повторяют при настройке генератора сигналов на центральную частоту другого соседнего канала.

Избирательность приемника по соседнему каналу Sс вычисляют по формуле (14).

Центральные частоты верхнего fв.с и нижнего fн.с соседних каналов при частотном разносе между соседними каналами определяют согласно п. 4.6.6.1.

4.6.7. Измерение избирательности приемника по побочным каналам приема

4.6.7.1. Метод измерения А01.

Аппаратуру подключают согласно черт. 11.

Органы управления приемника устанавливают согласно п. 4.4.7. На вход приемника подают нормальный испытательный сигнал и определяют его уровень U1, при котором отношение сигнал/шум на выходе приемника, измеренное согласно п. 4.4.8 при испытательной выходной мощности, равно 12 дБ.

Увеличивают уровень сигнала генератора до значения, необходимого для обнаружения побочных каналов.

Изменяют частоту генератора непрерывно в диапазоне частот, указанном в ТУ на радиостанцию конкретного типа, от наименьшей промежуточной частоты, применяемой в приемнике, до утроенного значения частоты настройки приемника или частоты соответствующего зеркального канала, если она выше утроенной частоты настройки приемника, и находят побочные каналы, в том числе:

- каналы на каждой промежуточной частоте fпр;

- зеркальные каналы на частотах fзер = fc(-) + 2fпр;

- побочные каналы на частотах fc(-) + fпр/2;

- другие возможные побочные каналы на частотах

                                                             (15)

где fc - частота основного канала приема;

fз.г - частота задающего генератора каждого гетеродина приемника, т = 0, 1, 2, ...; п = 1, 2,... (в обозначении + (-) знак плюс берется при условии fг > fc, минус - при условии fг < fc, где fг - частота гетеродина приемника).

На побочном канале частоту мешающего сигнала устанавливают так, чтобы частота звукового сигнала на выходе приемника была равна частоте, установленной в начале измерения при определении уровня сигнала U1. Определяют уровень мешающего сигнала U2, при котором отношение сигнал/шум на выходе приемника равно 12 дБ.

Избирательность приемника по побочным каналам Sп в децибелах вычисляют по формуле

                                                                        (16)

4.6.7.2. Метод измерения Б11.

Аппаратуру подключают согласно черт. 14.

В необходимых случаях, указанных в ТУ на радиостанции конкретного типа, к эквиваленту антенны или непосредственно к входу приемника с входным сопротивлением 50 (75) Ом подключают аттенюатор с ослаблением не менее 10 дБ для исключения рассогласования в измерительном тракте на частотах измерения.

Органы управления приемника устанавливают согласно п. 4.4.7.

На вход приемника от одного генератора при отсутствии мешающего сигнала от второго генератора подают нормальный испытательный сигнал и определяют его уровень U1, при котором отношение сигнал/шум на выходе приемника, измеренное согласно п. 4.4.8, равно 12 дБ. Увеличивают уровень входного сигнала на 3 дБ. Затем от второго генератора подают немодулированный мешающий сигнал, уровень которого увеличивают до значения, необходимого для обнаружения побочных каналов на частотах согласно п. 4.6.8.1.

На побочном канале частоту генератора подстраивают так, чтобы побочный канал проявлялся в наибольшей степени. Определяют уровень мешающего сигнала U2, при котором отношение сигнал/шум на выходе приемника становится равным прежнему значению, т.е. 12 дБ.

Избирательность по побочным каналам приема вычисляют по формуле (16).

Примечания:

1. Побочные каналы, являющиеся следствием наличия гармоник выходного сигнала генератора, при измерениях не учитывают. При необходимости эти гармоники исключают, используя соответствующие фильтры.

2. Измеренные значения избирательности приемника по побочным каналам приема допускаются ниже значения, указанного в п. 2.1 (табл. 2, п. 16) не более чем на 10 дБ для двух побочных каналов на любой рабочей частоте.

4.6.7.1, 4.6.7.2. (Измененная редакция, Изм. № 1).

4.6.8. Измерение интермодуляционной избирательности приемника

4.6.8.1. Метод измерения А02.

Аппаратуру подключают согласно черт. 14.

Органы управления устанавливают согласно п. 4.4.7.

На вход приемника от одного генератора при отсутствии мешающего сигнала от второго генератора подают нормальный испытательный сигнал и определяют его уровень U1, при котором отношение сигнал/шум на выходе приемника, измеренное согласно п. 4.4.8 при испытательной выходной мощности, равно 12 дБ

Устанавливают частоту первого генератора равной fном + 6850 Гц и частоту второго генератора fном + 12700 Гц.

Увеличивают уровни немодулированных сигналов обоих генераторов до такого значения, при котором появляется звуковой сигнал на выходе приемника. Подстраивают частоту сигнала от второго генератора до получения частоты звукового сигнала, которая была установлена в начале измерений при определении уровня сигнала U1.

Поддерживая уровни сигналов одинаковыми, регулируют их до такого значения U2, чтобы на выходе приемника было получено отношение сигнал/шум, равное 12 дБ.

Измерения повторяют при установке частоты первого генератора fном - 3150 Гц и частоты второго генератора fном - 7300 Гц.

Интермодуляционную избирательность приемника Sи вычисляют в децибелах по формуле

                                                          (17)

4.6.8.2. Метод измерения Б12.

Аппаратуру подключают согласно черт. 15.

Органы управления приемника устанавливают согласно п. 4.4.7.

На выход приемника от одного генератора (при отсутствии сигналов от второго и третьего генераторов) подают нормальный испытательный сигнал и определяют его уровень U1, при котором отношение сигнал/шум, измеренное по п. 4.4.8 при испытательной выходной мощности, равно 12 дБ. Увеличивают уровень входного сигнала на 3 дБ.

Включают немодулированные мешающие сигналы второго и третьего генераторов, частоты которых устанавливают выше и ниже центральной частоты канала приема в соответствии с табл. 7.

1, 2 и 4 - высокочастотные генераторы сигналов; 3 - согласующее устройство типа 2; 5 - эквивалент антенны приемника; 6 - приемник; 7 - испытательная нагрузка приемника; 8 - низкочастотный частотомер; 9 - низкочастотный вольтметр; 10 - измеритель нелинейных искажений

Черт. 15

Таблица 7

Частотный разнос между соседними каналами, кГц

Вариант измерения

Частота мешающих сигналов, Гц

f1

f2

3

1

fном + 7525

fном + 13525

2

fном - 4475

fном - 10475

5

1

fном + 11850

fном + 21850

2

fном - 8150

fном - 18150

Примечание. fном - номинальное значение частоты настройки приемника.

Интермодуляционную избирательность приемника Sи вычисляют в децибелах по формуле

                                                                        (18)

Примечание. Если взаимная модуляция между генераторами мешающих сигналов оказывает влияние на результаты измерений, то принимают меры для исключения этого влияния, например путем увеличения развязки между генераторами сигналов (см. пп. 4.4.4 и 4.4.5).

4.6.8.1, 4.6.8.2. (Измененная редакция, Изм. № 1).

4.6.9. Измерение защищенности приемника от помех по цепям питания и управления

4.6.9.1. Метод измерения А01.

Аппаратуру подключают согласно черт. 16.

Приборы размещают, заземляют и, при необходимости, экранируют так, чтобы воздействие на вход приемника мешающего сигнала от генератора 1, подключенного к цепи питания и управления, было минимальным.

Органы управления приемника устанавливают согласно п. 4.4.7.

На вход приемника подают нормальный испытательный сигнал и определяют его уровень U1, при котором отношение сигнал/шум на выходе приемника, измеренное согласно п. 4.4.8 при испытательной выходной мощности, равно 12 дБ.

Затем генератор сигналов и эквивалент антенны отключают от приемника и генератор поочередно подключают к каждому проводу цепей питания и управления (в положениях переключателей соответственно А, Б и В). Увеличивают уровень выходного сигнала генератора до значения, необходимого для обнаружения побочных каналов приема.

Изменяют частоту генератора в пределах согласно п. 4.6.7.1 и находят побочные каналы приема, исключая канал на частоте настройки приемника.

На побочном канале частоту генератора подстраивают так, чтобы частота звукового сигнала на выходе приемника была равна частоте, установленной в начале измерений при определении уровня сигнала U1.

Определяют уровень выходного сигнала генератора U2, равный показанию его калиброванного аттенюатора, при котором отношение сигнал/шум на выходе приемника равно 12 дБ.

1 - высокочастотный генератор сигналов; 2 - нагрузка генератора сигналов (50 или 75 Ом); 3 - эквивалент антенны приемника; 4 - приемник; 5 - испытательная нагрузка приемника; 6 - низкочастотный частотомер; 7 - низкочастотный вольтметр; 8 - измеритель нелинейных искажений; 9 - фильтр питания; С - конденсаторы (0,1 мкФ); А - подключение к линии управления; Б и В - подключение к зажимам электропитания радиостанции

Черт. 16

Защищенность приемника от помех по цепям питания и управления Sц вычисляют по формуле

                                                                        (19)

4.6.9.2. Метод измерения Б11.

Аппаратуру подключают согласно черт. 17.

Приборы располагают и заземляют и, при необходимости, экранируют так, чтобы воздействие мешающего сигнала от генератора 2 на вход приемника было минимальным.

Органы управления приемника устанавливают согласно п. 4.4.7.

На вход приемника от первого генератора сигналов при отсутствии мешающего сигнала от второго генератора подают нормальный испытательный сигнал и определяют его уровень U1 на входе приемника, при котором отношение сигнал/шум на выходе приемника, измеренное согласно п. 4.4.8 при испытательной выходной мощности, равно 12 дБ (в положениях переключателей соответственно А, Б и В). Увеличивают уровень входного сигнала на 3 дБ. Затем от второго генератора подают немодулированный мешающий сигнал, уровень которого увеличивают до значения, необходимого для обнаружения побочных каналов приема, исключая канал на частоте настройки приемника. Изменяют частоту генератора в пределах согласно п. 4.6.8 и находят побочные каналы приема.

На побочном канале частоту генератора подстраивают так, чтобы побочный канал проявлялся в наибольшей степени. Определяют уровень мешающего сигнала U2, равный показанию калиброванного аттенюатора выходного напряжения генератора, при котором отношение сигнал/шум на выходе приемника снова становится равным 12 дБ.

1 и 2 - высокочастотные генераторы сигналов; 3 - нагрузка генератора сигналов (50 или 75 Ом); 4 - эквивалент антенны приемника; 5 - приемник; 6 - испытательная нагрузка приемника; 7 - низкочастотный частотомер; 8 - низкочастотный вольтметр; 9 - измеритель нелинейных искажений; 10 - фильтр питания; С - конденсаторы (0,1 мкФ); А - подключение к линии управления; Б и В - подключение к зажимам электропитания радиостанции

Черт. 17

Измерения проводят, подключая генератор сигналов к каждому проводу питания и управления.

Защищенность приемника от помех по цепям питания и управления Sц вычисляют в децибелах по формуле (19).

Побочные каналы, являющиеся следствием наличия гармоник выходного сигнала генератора, при измерениях не учитывают. В необходимых случаях эти гармоники исключают, используя соответствующие фильтры.

4.6.10. Измерение уровня излучения гетеродинов приемника

Аппаратуру подключают согласно черт. 18.

1 - приемник, 2 - эквивалент антенны приемника, 3 - измерительный приемник

Черт 18

Органы управления приемника устанавливают согласно п. 4.4.7.

При помощи измерительного приемника измеряют напряжения в диапазоне частот, указанном в ТУ на радиостанции: от самой низкой частоты гетеродинного преобразователя приемника до частоты не ниже третьей гармоники каждого гетеродина, имеющего наиболее высокую частоту, или до 300 МГц, если это указано в ТУ на радиостанции конкретного типа.

Напряжение гетеродина определяют как полученное показание измерительного приемника, деленное на обратный коэффициент передачи эквивалента антенны [п. 4.2.1 (табл. 4, п. 19)].

Уровень излучения гетеродинов РГ вычисляют в ваттах по формуле

                                                                (20)

где UГ - напряжение излучения гетеродина, В;

RА - сопротивление эквивалента антенны, Ом.

При проведении измерений без эквивалента антенны измерительный приемник с номинальным входным сопротивлением, равным номинальному входному сопротивлению приемника, подключают ко входу приемника непосредственно. В этом случае в формуле (20) принимают RА = Rвх, где Rвх - входное сопротивление измерительного приемника (50 или 75 Ом).

4.6.11. Измерение отклонения частоты приемника от номинального значения

Аппаратуру подключают согласно черт. 19.

Органы управления приемника устанавливают согласно п. 4.4.7.

На вход приемника подают стандартный испытательный сигнал. Устанавливают выходную мощность приемника равной значению, обеспечивающему нормальную работу низкочастотного измерителя частоты.

Частоту стандартного испытательного сигнала в процессе измерении поддерживают с необходимой точностью.

Измеряют частоту сигнала F на выходе приемника и вычисляют наибольшее отклонение частоты приемника от номинального значения ΔF в герцах по формуле

ΔF = F - 1000,                                                                       (21)

где F - измеренная частота сигнала на выходе приемника, Гц.

1 - высокочастотный генератор сигналов; 2 - эквивалент антенны приемника; 3 - приемник; 4 - испытательная нагрузка приемника; 5 - низкочастотный частотомер; 6 - низкочастотный вольтметр

Черт. 19

При измерении отклонения частоты приемника от номинального значения в условиях воздействия климатических факторов перед началом проведения климатических испытаний допускается подстраивать частоту приемника до номинального значения.

Если в приемнике предусмотрена ручная подстройка частоты, определяют возможность подстройки частоты до номинального значения.

Если в радиостанции гетеродины приемника используются в качестве возбудителей передатчика, то допускается измерять только отклонения частоты передатчика от номинального значения.

4.6.12. Измерение выходной мощности приемника

Аппаратуру подключают согласно черт. 19.

Органы управления приемника устанавливают согласно п. 4.4.7.

На выход приемника подают стандартный испытательный сигнал и измеряют выходное напряжение на нагрузке приемника.

Выходную мощность приемника Рпр вычисляют в ваттах по формуле

                                                                 (22)

где U - выходное напряжение приемника, В;

Rпр - эквивалентное сопротивление нагрузки приемника на частоте 1000 Гц.

При наличии регулятора громкости проверяют возможность установки номинальной выходной мощности.

Допускается при необходимости совмещать измерение выходной мощности приемника с измерением коэффициента нелинейных искажений по п. 4.6.2.

4.6.9.1 - 4.6.11. (Измененная редакция, Изм. № 1).

ПРИЛОЖЕНИЕ 1

Справочное

ТЕРМИНЫ, ПРИМЕНЯЕМЫЕ В СТАНДАРТЕ, И ИХ ПОЯСНЕНИЯ

Термин

Пояснение

Сухопутная подвижная служба

Подвижная служба радиосвязи между стационарными радиостанциями и сухопутными подвижными радиостанциями или между сухопутными подвижными радиостанциями

Стационарная радиостанция

Радиостанция сухопутной подвижной службы, не предназначенная для работы во время движения

Сухопутная подвижная радиостанция

Подвижная радиостанция сухопутной подвижной службы, предназначенная для работы во время движения или во время остановок

Возимая радиостанция

Сухопутная подвижная радиостанция, предназначенная для установки на сухопутных подвижных объектах (автомобилях, подвижных железнодорожных объектах, судах внутреннего плавания, сельскохозяйственных и строительных машинах, подъемных кранах и др.)

Носимая радиостанция

Подвижная радиостанция, имеющая собственный источник питания и предназначенная для работы во время переноски или во время остановки

Дуплексный режим

Режим работы радиостанции, при котором передача и прием возможны одновременно в обоих направлениях на двух разных частотах

Симплексный режим

Режим работы радиостанции, при котором передача и прием возможны попеременно в каждом из двух направлений на одной или на двух разных частотах

Номинальное значение параметра

Значение параметра, установленное в ТУ на радиостанцию

Номинальная частота радиостанции

Частота, установленная в ТУ на радиостанцию конкретного типа, совпадающая с номинальным значением подавленной несущей передатчика

Испытательная нагрузка передатчика

Экранированное безындукционное сопротивление с номинальным значением 50 (75) Ом

Испытательная нагрузка приемника

Активное сопротивление, равное номинальному значению полного электрического сопротивления электроакустического преобразователя или другого устройства (динамический громкоговоритель, линия и др.) на частоте 1000 Гц

Пиковая мощность передатчика

Средняя мощность в испытательной нагрузке передатчика, соответствующая максимальной амплитуде огибающей выходного сигнала

Испытательная выходная мощность передатчика

Пиковая мощность, соответствующая нижнему допустимому пределу, установленному в ТУ на радиостанцию конкретного типа

Испытательная выходная мощность приемника

Средняя выходная мощность в испытательной нагрузке приемника, равная 0,5 номинальной выходной мощности

Нормальный модулирующий сигнал передатчика

Синусоидальный модулирующий сигнал номинальной частотой 1000 Гц и коэффициентом нелинейных искажений не более 1 %

Номинальный модулирующий сигнал передатчика

Нормальный модулирующий сигнал с уровнем, равным номинальному значению э.д.с. источника информационного сигнала

Нормальный испытательный сигнал приемника

Синусоидальный сигнал частотой, превышающей номинальную частоту настройки приемника на 1000 Гц

Стандартный испытательный сигнал приемника

Нормальный испытательный сигнал приемника с уровнем, равным 0,5 мВ (½ э.д.с.)

ПРИЛОЖЕНИЕ 2

Обязательное

СХЕМЫ ВСПОМОГАТЕЛЬНЫХ УСТРОЙСТВ, ПРИМЕНЯЕМЫХ ДЛЯ ИЗМЕРЕНИЯ ПАРАМЕТРОВ РАДИОСТАНЦИЙ

1. Схема эквивалента антенны передатчика

ra, ха - параметры эквивалента антенны

Черт. 1

2. Схема эквивалента антенны приемника

ra, ха - параметры эквивалента антенны

Черт. 2

Сопротивления R1, R2 и R3 согласующей схемы эквивалента антенны приемника вычисляют по формулам (2) - (4) при условии Rн = Rа между точками а и б на черт. 2.

Эквивалент антенны (черт. 2) обеспечивает согласование как со стороны генератора сигналов, так и со стороны приемника радиостанции.

Вместо эквивалента антенны (черт. 2) допускается применять эквивалент антенны, аналогичный показанному на черт. 1, с применением отдельного согласующего переходного устройства согласно черт. 3.

1 - генератор сигналов; 2 - согласующее переходное устройство; 3 - испытуемое устройство (передатчик, приемник); uг - э.д.с. генератора сигналов; Rг - внутреннее сопротивление генератора сигналов; uг = ег (при точном согласовании генератора сигналов с согласующим устройством); Uвх - входное напряжение испытуемого устройства - э. д. с. источника модулирующего сигнала с внутренним сопротивлением R3; Rн - сопротивление нагрузки (входное сопротивление модуляционного входа передатчика, антенного входа приемника); uн - напряжение на сопротивлении нагрузки

Черт. 3

3. Схема согласующего переходного устройства 1-го типа

Сопротивления низкочастотного согласующего переходного устройства 1-го типа для согласования низкочастотного генератора сигналов с модуляционным входом передатчика (см. п. 4.3.1) определяют из следующих условий

                                                           (1)

Сопротивления высокочастотного согласующего переходного устройства для точного согласования волновых сопротивлений вычисляют по формулам:

при R1 < Rг:

                                                              (2)

при RH > Rг:

                                                              (3)

при RН = Rг:

                                                                          (4)

Коэффициент передачи согласующего переходного устройства Кп вычисляют по формуле

                                   (5)

Пример согласования генератора, имеющего внутреннее сопротивление Rг = 75 Ом с нагрузкой Rн = 50 Ом:

R1 = 43,3 Ом; R2 = 86,6 Ом; R3 = 0; Кп = 0,42(-7,5 дБ).

4. Схема низкочастотного согласующего переходного устройства 2-го типа

1, 2 - низкочастотные генераторы сигналов; 3 - низкочастотное согласующее переходное устройство 2-го типа; 4 - передатчик; ег1, ег2 - э.д.с. генераторов сигналов; Rг1, Rг2 - внутреннее (выходное) сопротивление генераторов сигналов; Uвx - входное напряжение передатчика - э.д.с. источника модулирующего сигнала с внутренним сопротивлением R4; Rн - сопротивление модуляционного входа передатчика

Черт. 4

Сопротивления согласующей схемы для согласования низкочастотных генераторов сигналов с модуляционным входом передатчика (см. п. 4.3.1) определяют из условий:

                                                             (6)

Для исключения взаимной модуляции между генераторами выбирают возможно большие значения сопротивления резисторов R2.

5. Схема согласующего устройства 1-го типа

R1 = R2 = R3 = 16,7 Ом для коаксиальных линий с волновым сопротивлением 50 Ом.

Черт. 5

6. Схема согласующего устройства 2-го типа

R1 = R2 = R3 = R4 = 25 Ом для коаксиальных линий с волновым сопротивлением 50 Ом.

Черт. 6

7. Схема формирующего фильтра

Черт. 7

Амплитудно-частотная характеристика формирующего фильтра

Черт. 8

8. Схема фильтра питания

 

где RH - сопротивление нагрузки высокочастотного генератора сигналов, Ом;

f - наименьшее значение частоты измерений, Гц.

Черт. 9

ПРИЛОЖЕНИЕ 2. (Измененная редакция, Изм. № 1).

ПРИЛОЖЕНИЕ 3

Справочное

ПЕРЕЧЕНЬ СТАНДАРТНОЙ ИЗМЕРИТЕЛЬНОЙ АППАРАТУРЫ

Наименование прибора

Пункт табл. 5

Тип прибора

Диапазон частот

Высокочастотный генератор сигналов

1

Г4-139

0,5 - 512 МГц

Высокочастотный генератор сигналов

2

Г4-158

0,01 - 100 МГц

Низкочастотный генератор сигналов

3

Г3-118

20 Гц - 200 кГц

Генератор шумовых сигналов

4

Г2-47

15 Гц - 6,5 МГц

Высокочастотный ваттметр

5

М3-56

М3-62

Высокочастотный вольтметр для измерения сигналов произвольной формы

8

В3-48

10 Гц - 50 МГц

Низкочастотный вольтметр переменного тока для измерения сигналов произвольной формы

8

В3-57

5 Гц - 5 МГц

Измеритель нелинейных искажений

5

С6-8

20 Гц - 200 кГц

С6-11

Высокочастотный электронно-счетный частотомер

7

Ч3-58

0,1 - 300 МГц

Низкочастотный частотомер

6

Ч3-62

10 Гц - 10 МГц

Измерительный приемник (селективный микровольтметр) для измерения уровня побочных излучений

10

SMV-11

0,01 - 30 МГц

11

SMV-6

0,1 - 30 МГц

SMV-8

30 - 1000 МГц

Высокочастотный анализатор спектра

14

С4-74

300 Гц - 300 МГц

Низкочастотный анализатор спектра (для измерения уровня фона приемника и уровня взаимной модуляции на выходе приемника)

12

СК4-56

10 Гц - 60 кГц

13

Стрелочный вольтметр

М2038

(кл. 0,5)

Измерительный комплект

К506

(кл. 0,5)

Испытательная нагрузка с волновым сопротивлением*:

50 Ом

Э9-76/1

(10 Вт)

Э9-77/1

(100 Вт)

0 - 4 ГГц

0 - 3 ГГц

75 Ом

Э9-9А

(10 Вт)

Э9-4А

(100 Вт)

0 - 3 ГГц

0 - 3 ГГц

Коаксиальные фиксированные аттенюаторы*

Д2-33-Д2-36;

Д2-38-Д2-40

0 - 5 ГГц

* Приборы ограниченного применения

 

ИНФОРМАЦИОННЫЕ ДАННЫЕ

1. УТВЕРЖДЕН И ВВЕДЕН В ДЕЙСТВИЕ Постановлением Государственного комитета СССР по стандартам от 29.05.86 № 1334

2. Стандарт полностью соответствует СТ СЭВ 4678-84

3. ВЗАМЕН ГОСТ 22579-77

4. ССЫЛОЧНЫЕ НОРМАТИВНО-ТЕХНИЧЕСКИЕ ДОКУМЕНТЫ

Обозначение НТД, на который дана ссылка

Номер пункта, подпункта

ГОСТ 8.326-89

4.2.3

ГОСТ 12.1.003-83

3.7.5

ГОСТ 12.1.006-84

3.7.7

ГОСТ 12.1.030-81

3.7.1

ГОСТ 12.3.019-80

3.7.1

ГОСТ 16019-78

3.2.2, 3.3.1

ГОСТ 16600-72

3.1.12

5. Ограничение срока действия снято Постановлением Госстандарта от 13.07.92 № 675

6. ИЗДАНИЕ (март 2001 г.) с Изменением № 1, утвержденным в апреле 1988 г. (ИУС 7-88)

 

СОДЕРЖАНИЕ

1. Типы.. 1

2. Основные параметры.. 2

3. Технические требования. 5

4. Методы измерений. 9

Приложение 1 Термины, применяемые в стандарте, и их пояснения. 33

Приложение 2 Схемы вспомогательных устройств, применяемых для измерения параметров радиостанций. 34

Приложение 3 Перечень стандартной измерительной аппаратуры.. 38