МЕЖГОСУДАРСТВЕННЫЙ СТАНДАРТ
|
ЭЛЕМЕНТЫ КРЕПЛЕНИЯ ИЗДЕЛИЙ ЭЛЕКТРОННОЙ Основные размеры Fixtures for spindle-operated electronic components. Basic dimensions |
ГОСТ |
Постановлением Государственного комитета стандартов Совета Министров СССР от 20 июля 1977 г. № 1770 дата введения установлена
Ограничение срока действия снято Постановлением Госстандарта от 07.07.83 № 2977
1. Настоящий стандарт распространяется на элементы крепления (втулки, гайки) изделий электронной техники: переключателей поворотного типа, переменных резисторов и конденсаторов переменной емкости с концами валов управления по ГОСТ 4907-81.
Стандарт не распространяется на втулки, содержащие дополнительные устройства: элементы уплотнения и стопорения валов, подшипники скольжения и др.
Стандарт устанавливает основные размеры части втулки, выступающей из корпуса изделия, и основные размеры гаек и шайб.
Предельные отклонения размеров полностью соответствуют СТ СЭВ 144-75.
2. Размеры элементов крепления должны соответствовать указанным на черт. 1 - 4 и в табл. 2 - 5, размер L втулок должен соответствовать значениям, приведенным в табл. 1.
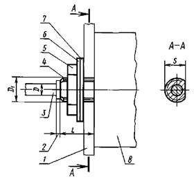
Втулка с выступом
1 - монтажная панель; 2 - стопорный элемент = 1,5 max; 3 - конец вала; 4 - втулка; 5 - гайка; 6 - шайба по ГОСТ 10462-81; 7 - шайба по ГОСТ 10450-78; 8 - корпус изделия
Примечания:
1. Допускается применение втулки без выступа.
2. Допускается применение втулки с двумя симметрично расположенными выступами для изделий с диаметром конца вала D = 3; 4 и 5 мм.
мм
|
Lномин. |
Пред. откл. по js 16 |
|
4; 5; 6 |
±0,375 |
|
8; 10 |
±0,450 |
|
12 |
±0,550 |
Примечания:
1. Положение выступа (выступов) и лыски (лысок) на втулке относительно конца вала и корпуса изделия стандартом не устанавливается.
2. Внутренний диаметр втулки и ее конструктивное исполнение стандартом не устанавливаются.
3. Размеры отверстий в монтажных панелях под втулки приведены в приложении.
4. Значения диаметров втулок (табл. 2 - 4), набранные полужирным шрифтом, предпочтительны для применения.
3. Поля допусков резьб втулок и гаек - по ГОСТ 16093-81*
втулки - 6g; 8g
гайки - 6Н; 7Н
мм
|
Dномин |
D1номин |
Kномин |
H |
|
|
номин. |
пред. откл. |
|||
|
2 |
М5´0,5; М5´0,8 |
2,0 |
7,1 |
h13 (-0,22) |
|
М6´1 |
2,5 |
8,1 |
||
|
3 |
М6´0,75; М6´1 |
|||
|
М8´1 |
10,1 |
h13 (-0,27) |
||
|
4; 5 |
М8´0,75; М8´1 |
|||
|
M10´1 |
12,1 |
|||
|
6 |
М10´0,75 M10´l |
|||
|
8 |
M12´1 |
14,1 |
||
|
10 |
M16´1 |
18,1 |
h13 (-0,33) |
|
Примечание. Предельные отклонения размера K по h12 (-0,1).
Втулка с лыской

1 - монтажная панель; 2 - стопорный элемент = 1,5 max; 3 - конец вала; 4 - втулка; 5 - гайка; 6 - шайба по ГОСТ 10462-81; 7 - шайба по ГОСТ 10450-78; 8 - корпус изделия
* С 1 июля 2005 г. введен в действие ГОСТ 16093-2004.
Таблица 3
мм
|
Dномин |
D1номин |
Sномин |
|
4; 5 |
М8´0,75 М8´1 |
7,5 |
|
M10´1 |
9,25 |
|
|
6 |
М10´0,75 M10´1 |
Примечание. Предельные отклонения размера S по h11 (-0,09).
Втулка с двумя лысками
1 - монтажная панель; 2 - стопорный элемент = 1,5 max; 3 - конец вала; 4 - втулка; 5 - гайка; 6 - шайба по ГОСТ 10462-81; 7 - шайба по ГОСТ 10450-78; 8 - корпус изделия
мм
|
Dномин |
D1номин |
Sномин |
|
4; 5 |
М8´0,75; М8´1 |
7,0 |
|
M10´1 |
8,5 |
|
|
6 |
М10´0,75; M10´1 |
Примечание. Предельные отклонения размера S по h11 (-0,09).
Гайка
Р - шаг резьбы
|
dномин |
S |
dномин |
S |
||
|
номин. |
пред. откл. |
номин. |
пред. откл. |
||
|
М5´0,5; М5´0,8 |
8 |
h13 (-0,22) |
М10´0,75; M10´1 |
14 |
h13 (-0,27) |
|
М6´0,75; М6´1 |
10 |
M12´1 |
17 |
||
|
М8´0,75; М8´1 |
12 |
h13 (-0,27) |
М16´1 |
22 |
h13 (-0,33) |
Примечания:
1. Размер гайки по высоте должен обеспечивать не менее 2 ниток резьбы без учета фасок.
2. Допускается односторонняя внутренняя заходная фаска или отсутствие фасок.
Рекомендуемое
|
Чертеж отверстия |
D2 |
H1 |
К1, номин. |
S1, номин. |
|||
|
номин. |
пред. откл. по Н12 |
номин. |
пред. откл. по Н14 |
||||
|
|
Втулка без выступа |
- |
|||||
|
5 |
5,1 |
+0,12 |
- |
- |
- |
||
|
6 |
6,1 |
+0,15 |
|||||
|
8 |
8,1 |
||||||
|
10 |
10,1 |
+0,18 |
|||||
|
12 |
12,1 |
||||||
|
16 |
16,1 |
||||||
|
|
Втулка с выступом |
||||||
|
5 |
5,1 |
+0,12 |
7,2 |
+0,36 |
2,1 |
||
|
6 |
6,1 |
+0,15 |
8,2 |
2,6 |
|||
|
8 |
8,1 |
10,2 |
+0,43 |
||||
|
10 |
10,1 |
+0,18 |
12,2 |
||||
|
12 |
12,1 |
14,2 |
|||||
|
16 |
16,1 |
18,2 |
+0,52 |
||||
|
|
Втулка с лыской |
||||||
|
8 |
8,1 |
+0,15 |
- |
- |
- |
7,55 |
|
|
10 |
10,1 |
+0,18 |
9,30 |
||||
|
|
Втулка с двумя лысками |
||||||
|
8 |
8,1 |
+0,15 |
- |
- |
- |
7,05 |
|
|
10 |
10,1 |
+0,18 |
8,55 |
||||
Примечания:
1. Предельные отклонения размеров:
K1 по Н12 (+0,10), S по Н11 (+0,09).
2. Формы и размеры разметок для крепления изделий (переключателей поворотного типа, переменных резисторов, конденсаторов переменной емкости) на монтажной панели приводятся в нормативно-технической документации, утвержденной в установленном порядке.