ГОСТ 24832-81
МЕЖГОСУДАРСТВЕННЫЙ СТАНДАРТ
ВТУЛКИ БИМЕТАЛЛИЧЕСКИЕ
И ВКЛАДЫШИ ТОЛСТОСТЕННЫЕ
БИМЕТАЛЛИЧЕСКИЕ
ПОДШИПНИКОВ СКОЛЬЖЕНИЯ
ТИПЫ И ОСНОВНЫЕ РАЗМЕРЫ
ИПК ИЗДАТЕЛЬСТВО СТАНДАРТОВ
МОСКВА
МЕЖГОСУДАРСТВЕННЫЙ СТАНДАРТ
|
ВТУЛКИ БИМЕТАЛЛИЧЕСКИЕ И ВКЛАДЫШИ ТОЛСТОСТЕННЫЕ БИМЕТАЛЛИЧЕСКИЕ ПОДШИПНИКОВ СКОЛЬЖЕНИЯ Типы и основные размеры Plain bearing bimetal bushes and thick wall bimetal shells. Types and basic dimensions |
ГОСТ |
Постановлением Государственного комитета СССР по стандартам от 16 июня 1981 г. № 2949 дата введения установлена
01.01.82
Ограничение срока действия снято Постановлением Госстандарта от 08.12.86 № 3712
1. Настоящий стандарт распространяется на биметаллические втулки и биметаллические толстостенные вкладыши подшипников скольжения общего применения, изготовляемые заливкой антифрикционными сплавами.
Стандарт не распространяется на втулки и вкладыши, применяемые при высоких нагрузках и скоростях скольжения, втулки и вкладыши, к которым предъявляют особые требования (в двигателях внутреннего сгорания и т.п.) и не устанавливает конструктивные элементы втулок и вкладышей.
Стандарт полностью соответствует СТ СЭВ 1008-78, СТ СЭВ 1783-79 и международному стандарту ИСО 4379-78 в части размеров.
2. Втулки и вкладыши следует изготавливать типов:
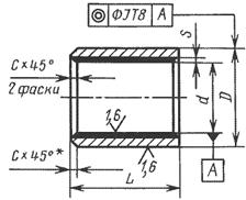
А - гладкая втулка;
В - втулка с буртиком;
А - гладкий вкладыш;
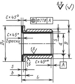
В - вкладыш с двумя буртиками.
3. Основные размеры втулок и вкладышей должны соответствовать указанным на чертеже и в таблице.
Втулка типа А

Втулка типа В

* Допускается фаска под углом 15°.
Вкладыш типа А

Вкладыш типа В

|
d |
D |
D1 |
L |
L1 |
b |
с |
s |
||||
|
Ряд 1 |
Ряд 2 |
Ряд 3 |
Ряд 1 |
Ряд 2 |
Ряд 3 |
||||||
|
20 |
26 |
32 |
15 |
20 |
30 |
- |
- |
- |
3,0 |
0,5 |
От 0,4 до 0,8 |
|
22 |
28 |
34 |
15 |
20 |
30 |
- |
- |
- |
3,0 |
0,5 |
» 0,4 » 0,8 |
|
25 |
32 |
38 |
20 |
30 |
40 |
28 |
38 |
48 |
4,0 |
0,5 |
» 0,4 » 0,8 |
|
28 |
36 |
42 |
20 |
30 |
40 |
28 |
38 |
48 |
4,0 |
0,5 |
» 0,4 » 0,8 |
|
30 |
38 |
44 |
20 |
30 |
40 |
28 |
38 |
48 |
4,0 |
0,5 |
» 0,4 » 0,8 |
|
32 |
40 |
46 |
20 |
30 |
40 |
28 |
38 |
48 |
4,0 |
0,8 |
» 0,4 » 0,8 |
|
(34) |
42 |
48 |
20 |
30 |
40 |
30 |
40 |
50 |
5,0 |
0,8 |
» 0,4 » 0,8 |
|
35 |
45 |
50 |
30 |
40 |
50 |
40 |
50 |
60 |
5,0 |
0,8 |
» 0,5 » 1,0 |
|
38 |
48 |
54 |
30 |
40 |
50 |
40 |
50 |
60 |
5,0 |
0,8 |
» 0,5 » 1,0 |
|
40 |
50 |
58 |
30 |
40 |
60 |
40 |
50 |
70 |
5,0 |
0,8 |
» 0,5 » 1,0 |
|
42 |
52 |
60 |
30 |
40 |
60 |
40 |
50 |
70 |
5,0 |
0,8 |
» 0,5 » 1,0 |
|
45 |
55 |
63 |
30 |
40 |
60 |
40 |
50 |
70 |
5,0 |
0,8 |
» 0,5 » 1,0 |
|
48 |
58 |
66 |
40 |
50 |
60 |
50 |
60 |
70 |
5,0 |
0,8 |
» 0,5 » 1,0 |
|
50 |
60 |
68 |
40 |
50 |
60 |
50 |
60 |
70 |
5,0 |
0,8 |
» 0,5 » 1,0 |
|
(53) |
63 |
71 |
40 |
50 |
60 |
50 |
60 |
70 |
5,0 |
0,8 |
» 0,5 » 1,0 |
|
55 |
65 |
73 |
40 |
50 |
70 |
50 |
60 |
80 |
5,0 |
0,8 |
» 0,5 » 1,0 |
|
60 |
75 |
83 |
40 |
60 |
80 |
55 |
75 |
95 |
7,5 |
0,8 |
» 0,5 » 1,5 |
|
(63) |
78 |
86 |
40 |
60 |
80 |
55 |
75 |
95 |
7,5 |
0,8 |
» 0,9 » 1,5 |
|
65 |
80 |
88 |
50 |
60 |
80 |
65 |
75 |
95 |
7,5 |
1,0 |
» 0,9 » 1,5 |
|
70 |
85 |
95 |
50 |
70 |
90 |
65 |
85 |
105 |
7,5 |
1,0 |
» 0,9 » 1,5 |
|
75 |
90 |
100 |
50 |
70 |
90 |
65 |
85 |
105 |
7,5 |
1,0 |
» 0,9 » 1,5 |
|
80 |
95 |
105 |
60 |
80 |
100 |
75 |
95 |
115 |
7,5 |
1,0 |
» 0,9 » 1,5 |
|
85 |
100 |
110 |
60 |
80 |
100 |
75 |
95 |
115 |
7,5 |
1,0 |
» 0,9 » 1,5 |
|
90 |
110 |
120 |
60 |
80 |
120 |
80 |
100 |
140 |
10,0 |
1,0 |
» 0,9 » 1,5 |
|
95 |
115 |
125 |
60 |
100 |
120 |
80 |
120 |
140 |
10,0 |
1,0 |
» 0,9 » 1,5 |
|
100 |
120 |
130 |
80 |
100 |
120 |
100 |
120 |
140 |
10,0 |
1,0 |
» 0,9 » 1,5 |
|
105 |
125 |
135 |
80 |
100 |
120 |
100 |
120 |
140 |
10,0 |
1,0 |
» 0,9 » 1,5 |
|
110 |
130 |
140 |
80 |
100 |
120 |
100 |
120 |
140 |
10,0 |
1,0 |
» 0,9 » 1,5 |
|
120 |
140 |
150 |
100 |
120 |
150 |
120 |
140 |
170 |
10,0 |
1,0 |
» 0,9 » 1,5 |
|
(125) |
145 |
155 |
100 |
120 |
150 |
120 |
140 |
170 |
10,0 |
1,0 |
» 0,9 » 1,5 |
|
130 |
150 |
160 |
100 |
120 |
150 |
120 |
140 |
170 |
10,0 |
2,0 |
» 1,0 » 1,8 |
|
140 |
160 |
170 |
100 |
150 |
180 |
120 |
170 |
200 |
10,0 |
2,0 |
» 1,0 » 1,8 |
|
150 |
170 |
180 |
120 |
150 |
180 |
140 |
170 |
200 |
10,0 |
2,0 |
» 1,0 » 1,8 |
|
160 |
185 |
200 |
120 |
150 |
180 |
145 |
175 |
205 |
12,5 |
2,0 |
» 1,0 » 1,8 |
|
170 |
195 |
210 |
120 |
180 |
200 |
145 |
205 |
225 |
12,5 |
2,0 |
» 1,0 » 1,8 |
|
180 |
210 |
220 |
150 |
180 |
250 |
180 |
210 |
280 |
15,0 |
2,0 |
» 1,0 » 1,8 |
|
190 |
220 |
230 |
150 |
180 |
250 |
180 |
210 |
280 |
15,0 |
2,0 |
» 1,0 » 1,8 |
|
200 |
230 |
240 |
180 |
200 |
250 |
210 |
230 |
280 |
15,0 |
2,0 |
» 1,0 » 1,8 |
|
220 |
250 |
260 |
180 |
220 |
250 |
210 |
250 |
280 |
15,0 |
2,0 |
» 1,0 » 1,8 |
|
250 |
280 |
290 |
210 |
250 |
280 |
240 |
280 |
310 |
15,0 |
2,0 |
» 1,0 » 1,8 |
Примечания:
1. Допускается изготовление втулок и вкладышей с припусками по наружному и внутреннему диаметрам.
2. Размеры, указанные в скобках, применять не рекомендуется.
3. Для вкладышей размеры L и L1 должны выбираться из рядов с одинаковыми номерами.
Пример условного наименования втулки типа В с внутренним диаметром d = 20 мм, наружным диаметром D = 26 мм, диаметром буртика D1 = 32 мм и длиной L = 20 мм:
Втулка В 20/26´20 ГОСТ 24832-81
То же, для вкладышей типа В парного комплекта с диаметром d = 40 мм, наружным диаметром D = 50 мм, диаметром буртика D1 = 58 мм и длиной L = 40 мм:
Вкладыш парного комплекта В 40/50´40 ГОСТ 24832-81.
4. Предельные отклонения размеров втулок:
внутреннего диаметра d - по F7;
наружного диаметра D - по r6;
диаметра буртика D1 - по d11;
длины L - по h13.
1 - 4. (Измененная редакция, Изм. № 1).