ГОСУДАРСТВЕННЫЙ СТАНДАРТ СОЮЗА ССР
СТАНКИ МЕТАЛЛОРЕЖУЩИЕ
ПЕРЕДАЧИ ВИНТ-ГАЙКА КАЧЕНИЯ
ОСНОВНЫЕ РАЗМЕРЫ
ГОСТ 25329-82
(СТ СЭВ 3118-81)
ГОСУДАРСТВЕННЫЙ КОМИТЕТ СССР ПО СТАНДАРТАМ
Москва
РАЗРАБОТАН Министерством станкостроительной и инструментальной промышленности
ИСПОЛНИТЕЛИ
В.А. Чечеткин, Н.Ф. Хлебалин, Л.А. Орман
ВНЕСЕН Министерством станкостроительной и инструментальной промышленности
Зам. министра Н.И. Сергеев
УТВЕРЖДЕН И ВВЕДЕН В ДЕЙСТВИЕ Постановлением Государственного комитета СССР по стандартам от 23 июня 1982 г. № 2484
ГОСУДАРСТВЕННЫЙ СТАНДАРТ СОЮЗА ССР
|
СТАНКИ МЕТАЛЛОРЕЖУЩИЕ Основные размеры Metal working machines. Ball bearing screw. Basic dimensions |
ГОСТ (СТ СЭВ 3118-81) |
Постановлением Государственного комитета СССР по стандартам от 23 июня 1982 г. № 2484 срок введения установлен
с 01.01. 1983 г.
Несоблюдение стандарта преследуется по закону
1. Настоящий стандарт распространяется на передачи винт-гайка качения, применяемые в металлорежущих станках.
Стандарт полностью соответствует СТ СЭВ 3118-81.
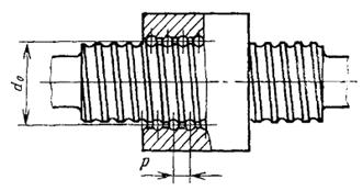
2. Основные размеры передач винт-гайка качения должны соответствовать указанным на чертеже и в таблице.
|
Номинальный шаг Р, мм |
||||||||||
|
2,5* |
3 |
4 |
5* |
6 |
8 |
10* |
12 |
16 |
20* |
|
|
6 |
- |
- |
- |
- |
- |
- |
- |
- |
- |
|
|
8 |
- |
- |
- |
- |
- |
- |
- |
- |
- |
|
|
10 |
- |
- |
- |
- |
- |
- |
- |
- |
- |
|
|
12 |
- |
- |
- |
- |
- |
- |
||||
|
16 |
- |
- |
- |
- |
- |
|||||
|
20 |
- |
- |
- |
- |
- |
|||||
|
25 |
- |
- |
- |
- |
- |
|||||
|
32 |
- |
- |
- |
- |
||||||
|
40 |
- |
- |
- |
Стандартные шаги |
- |
- |
||||
|
50 |
- |
- |
- |
- |
||||||
|
63 |
- |
- |
- |
|||||||
|
80 |
- |
- |
- |
- |
||||||
|
100 |
- |
- |
- |
- |
- |
|||||
|
125 |
- |
- |
- |
- |
- |
- |
||||
|
160 |
- |
- |
- |
- |
- |
- |
||||
|
200 |
- |
- |
- |
- |
- |
- |
||||
* Предпочтительные значения