
ГОСУДАРСТВЕННЫЙ СТАНДАРТ СОЮЗА ССР
КОНТАКТ-ДЕТАЛИ
ЭЛЕКТРИЧЕСКИЕ
ИЗ БЛАГОРОДНЫХ МЕТАЛЛОВ
И СПЛАВОВ НА ИХ ОСНОВЕ
ТЕХНИЧЕСКИЕ УСЛОВИЯ
ГОСТ 25852-83
ГОСУДАРСТВЕННЫЙ КОМИТЕТ СССР ПО СТАНДАРТАМ
Москва
ГОСУДАРСТВЕННЫЙ СТАНДАРТ СОЮЗА ССР
|
КОНТАКТ-ДЕТАЛИ
ЭЛЕКТРИЧЕСКИЕ Технические условия Electric
contacts from noble metals and their alloys. |
ГОСТ |
Срок действия с 01.07.84
до 01.07.92
Настоящий стандарт распространяется на электрические контакт-детали из благородных металлов и сплавов на их основе, изготовляемые штамповкой, холодной высадкой, вырубкой и применяемые в приборостроении, аппаратостроении, электротехнике.
(Измененная редакция, Изм. № 4).
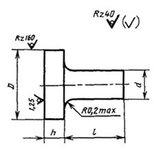
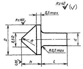
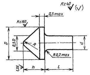
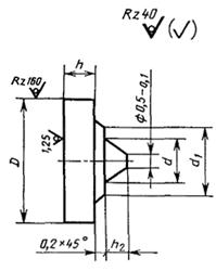
1.1а. Форма и размеры контакт-деталей должны соответствовать требованиям черт. 1 - 18 и табл. 1а - 18а.
1.2а. Предельные отклонения на размеры контакт-деталей должны соответствовать указанным в табл. 19а - 23а.
1.3а. Структура условного обозначения контакт-деталей указана в обязательном приложении 3.
1.4а. Массу контакт-деталей из благородных металлов и сплавов определяют, используя значения массы, указанные в табл. 1а - 18а для серебра, и данные по теоретической плотности металлов и сплавов, указанные в справочном приложении 1.
Тип ПГ

Размеры, мм
|
Обозначение контакта |
D |
d |
h |
l |
Масса 1000 шт., г серебра (справочно) |
|
ПГ1201 |
1,2 |
0,6 |
0,4 |
1,0 |
7,71 |
|
ПГ1503 |
1,5 |
0,5 |
0,8 |
11,64 |
|
|
ПГ1506 |
0,8 |
0,4 |
0,6 |
10,58 |
|
|
ПГ1508 |
0,5 |
0,4 |
11,39 |
||
|
ПГ1509 |
0,6 |
12,44 |
|||
|
ПГ1510 |
0,8 |
13,50 |
|||
|
ПГ1511 |
1,0 |
14,55 |
|||
|
ПГ1512 |
1,5 |
17,19 |
|||
|
ПГ1513 |
1,8 |
18,77 |
|||
|
ПГ1514 |
2,0 |
19,83 |
|||
|
ПГ1516 |
3,0 |
25,20 |
|||
|
ПГ1517 |
1,0 |
0,4 |
1,0 |
15,67 |
|
|
ПГ1518 |
0,8 |
1,0 |
23,08 |
||
|
ПГ1519 |
1,2 |
24,73 |
|||
|
ПГ1520 |
1,5 |
27,20 |
|||
|
(ПГ1801) |
1,8 |
0,8 |
0,4 |
0,4 |
12,79 |
|
(ПГ2003) |
2,0 |
0,6 |
1,0 |
16,15 |
|
|
(ПГ2004) |
0,5 |
0,6 |
18,26 |
||
|
ПГ2005 |
0,8 |
0,6 |
19,64 |
||
|
ПГ2006 |
0,8 |
20,70 |
|||
|
ПГ2007 |
1,0 |
21,76 |
|||
|
ПГ2008 |
1,2 |
22,81 |
|||
|
ПГ2009 |
1,5 |
24,39 |
|||
|
ПГ2010 |
2,0 |
27,04 |
|||
|
(ПГ2015) |
0,8 |
2,0 |
36,92 |
||
|
ПГ2019 |
1,0 |
0,2 |
0,4 |
9,89 |
|
|
ПГ2023 |
0,5 |
0,6 |
21,43 |
||
|
ПГ2024 |
0,8 |
23,08 |
|||
|
ПГ2025 |
1,0 |
24,73 |
|||
|
ПГ2026 |
1,2 |
26,37 |
|||
|
ПГ2027 |
1,5 |
28,85 |
|||
|
ПГ2028 |
1,8 |
31,32 |
|||
|
ИГ2029 |
2,0 |
32,97 |
|||
|
ПГ2030 |
2,5 |
37,09 |
|||
|
ПГ2030А |
2,8 |
39,56 |
|||
|
ПГ2031 |
3,0 |
41,21 |
|||
|
ПГ2033 |
0,8 |
0,4 |
29,67 |
||
|
ПГ2034 |
0,6 |
31,32 |
|||
|
ПГ2035 |
0,8 |
32,97 |
|||
|
ПГ2036 |
1,0 |
34,62 |
|||
|
ПГ2037 |
1,2 |
36,27 |
|||
|
ПГ2038 |
1,5 |
38,74 |
|||
|
ПГ2039 |
1,8 |
41,21 |
|||
|
ПГ2040 |
2,0 |
42,87 |
|||
|
ПГ2042 |
1,0 |
0,4 |
36,27 |
||
|
ПГ2043 |
0,6 |
37,92 |
|||
|
ПГ2044 |
0,8 |
39,56 |
|||
|
ПГ2045 |
2,0 |
1,0 |
1,0 |
1,0 |
41,21 |
|
ПГ2046 |
1,2 |
42,87 |
|||
|
ПГ2047 |
1,5 |
45,33 |
|||
|
ПГ2048 |
2,0 |
49,45 |
|||
|
ПГ2049 |
2,5 |
53,57 |
|||
|
ПГ2055 |
1,2 |
0,8 |
1,0 |
38,25 |
|
|
ПГ2056 |
1,2 |
40,62 |
|||
|
ПГ2057 |
1,5 |
44,18 |
|||
|
ПГ2516 |
2,5 |
0,6 |
1,8 |
45,74 |
|
|
(ПГ2521) |
1,0 |
1,0 |
59,76 |
||
|
(ПГ2522) |
1,2 |
61,36 |
|||
|
(ПГ2522А) |
1,5 |
63,88 |
|||
|
(ПГ2523) |
2,5 |
72,13 |
|||
|
ПГ2525 |
1,0 |
0,5 |
0,6 |
32,88 |
|
|
ПГ2526 |
0,8 |
35,25 |
|||
|
ПГ2527 |
1,0 |
37,63 |
|||
|
ПГ2528 |
1,2 |
40,00 |
|||
|
ПГ2529 |
1,5 |
43,56 |
|||
|
ПГ2530 |
1,8 |
47,12 |
|||
|
ПГ2531 |
2,0 |
49,49 |
|||
|
ПГ2532 |
2,5 |
55,46 |
|||
|
ПГ2534 |
1,2 |
0,8 |
0,8 |
50,71 |
|
|
ПГ2535 |
1,0 |
53,08 |
|||
|
ПГ2536 |
1,2 |
55,46 |
|||
|
ПГ2537 |
1,5 |
59,02 |
|||
|
ПГ2538 |
1,8 |
62,57 |
|||
|
ПГ2539 |
2,0 |
64,95 |
|||
|
ПГ2543 |
1,0 |
0,6 |
58,64 |
||
|
ПГ2544 |
1,0 |
63,39 |
|||
|
ПГ2545 |
1,2 |
65,76 |
|||
|
ПГ2646 |
1,5 |
69,32 |
|||
|
ПГ2547 |
2,5 |
81,18 |
|||
|
ПГ2549 |
2,5 |
1,5 |
0,4 |
1,2 |
42,86 |
|
ПГ2550 |
0,5 |
0,6 |
36,85 |
||
|
ПГ2551 |
1,2 |
48,01 |
|||
|
ПГ2552 |
1,5 |
53,57 |
|||
|
ПГ2553 |
1,8 |
59,14 |
|||
|
ПГ2554 |
2,0 |
62,85 |
|||
|
ПГ2555 |
2,5 |
72,13 |
|||
|
ПГ2557 |
0,8 |
1,0 |
59,76 |
||
|
ПГ2558 |
1,5 |
69,03 |
|||
|
ПГ2560 |
1,0 |
1,0 |
70,07 |
||
|
ПГ2561 |
1,5 |
79,33 |
|||
|
ПГ2562 |
3,2 |
110,86 |
|||
|
ПГ2563 |
1,5 |
0,6 |
88,41 |
||
|
ПГ2564 |
0,8 |
92,08 |
|||
|
ПГ2565 |
1,5 |
105,09 |
|||
|
ПГ2566 |
2,5 |
123,64 |
|||
|
ПГ2567 |
3,0 |
132,98 |
|||
|
(ПГ3014) |
3,0 |
1,2 |
0,3 |
1,0 |
34,14 |
|
(ПГ3015) |
2,5 |
51,95 |
|||
|
(ПГ3016) |
0,5 |
0,6 |
44,19 |
||
|
ПГ3017 |
0,8 |
46,59 |
|||
|
ПГ3018 |
1,0 |
48,96 |
|||
|
ПГ3019 |
1,2 |
51,34 |
|||
|
ПГ3020 |
1,5 |
54,90 |
|||
|
ПГ3021 |
2,0 |
60,83 |
|||
|
ПГ3022 |
2,5 |
66,76 |
|||
|
(ПГ3029) |
1,0 |
1,0 |
86,05 |
||
|
(ПГ3030) |
1,2 |
88,43 |
|||
|
(ПГ3031) |
1,5 |
91,98 |
|||
|
(ПГ3032) |
2,0 |
97,92 |
|||
|
(ПГ3033) |
2,5 |
103,86 |
|||
|
ПГ3036 |
3,0 |
1,5 |
0,5 |
0,8 |
51,93 |
|
ПГ3037 |
1,0 |
55,64 |
|||
|
ПГ3038 |
1,2 |
59,35 |
|||
|
ПГ3039 |
1,5 |
64,91 |
|||
|
ПГ3040 |
1,8 |
70,47 |
|||
|
ПГ3041 |
2,0 |
74,19 |
|||
|
ПГ3042 |
2,5 |
83,47 |
|||
|
ПГ3043 |
3,0 |
92,73 |
|||
|
ПГ3045 |
0,8 |
0,6 |
70,47 |
||
|
ПГ3046 |
0,8 |
74,19 |
|||
|
ПГ3047 |
1,0 |
77,89 |
|||
|
ПГ3048 |
1,2 |
81,60 |
|||
|
ПГ3049 |
1,5 |
87,16 |
|||
|
ПГ3050 |
1,8 |
92,73 |
|||
|
ПГ3051 |
2,0 |
96,44 |
|||
|
ПГ3052 |
2,5 |
105,72 |
|||
|
ПГ3054 |
1,0 |
0,6 |
85,31 |
||
|
ПГ3055 |
0,8 |
89,02 |
|||
|
ПГ3056 |
1,0 |
92,73 |
|||
|
ПГ3057 |
1,2 |
96,44 |
|||
|
ПГ3058 |
1,5 |
102,00 |
|||
|
ПГ3059 |
1,8 |
107,57 |
|||
|
ПГ3060 |
2,0 |
111,27 |
|||
|
ПГ3061 |
2,5 |
120,55 |
|||
|
ПГ3062 |
3,0 |
129,82 |
|||
|
ПГ3063 |
4,5 |
157,64 |
|||
|
ПГ3064 |
1,2 |
1,0 |
107,57 |
||
|
ПГ3064А |
1,3 |
113,13 |
|||
|
ПГ3065 |
1,5 |
116,84 |
|||
|
ПГ3066 |
2,0 |
126,11 |
|||
|
(ПГ3068) |
1,5 |
1,0 |
129,82 |
||
|
(ПГ3069) |
1,5 |
139,10 |
|||
|
ПГ3074 |
3,0 |
2,0 |
0,6 |
1,5 |
93,96 |
|
ПГ3075 |
2,0 |
110,45 |
|||
|
ПГ3076 |
0,8 |
1,0 |
92,36 |
||
|
ПГ3077 |
1,8 |
118,69 |
|||
|
ПГ3079 |
1,0 |
1,2 |
113,76 |
||
|
ПГ3080 |
1,5 |
123,64 |
|||
|
ПГ3081 |
2,0 |
140,12 |
|||
|
ПГ3082 |
2,5 |
156,60 |
|||
|
ПГ3083 |
5,0 |
239,17 |
|||
|
(ПГ3095) |
2,6 |
1,5 |
2,2 |
233,86 |
|
|
(ПГ3507) |
3,5 |
1,5 |
1,0 |
1,0 |
119,52 |
|
(ПГ3508) |
1,2 |
123,22 |
|||
|
(ПГ3509) |
1,5 |
128,79 |
|||
|
(ПГ3510) |
2,0 |
138,06 |
|||
|
ПГ3512 |
1,2 |
1,0 |
139,71 |
||
|
ПГ3513 |
1,2 |
143,42 |
|||
|
ПГ3514 |
1,5 |
148,99 |
|||
|
(ПГ3515) |
2,0 |
0,8 |
0,8 |
107,20 |
|
|
ПГ3516 |
1,0 |
4,5 |
249,33 |
||
|
ПГ4005 |
4,0 |
1,2 |
0,6 |
1,8 |
100,48 |
|
(ПГ4007) |
1,5 |
1,0 |
209,69 |
||
|
ПГ4009 |
1,5 |
1,0 |
1,5 |
159,70 |
|
|
ПГ4010 |
1,8 |
165,26 |
|||
|
ПГ4011 |
2,0 |
169,05 |
|||
|
(ПГ4012) |
1,2 |
0,8 |
173,09 |
||
|
(ПГ4013) |
1,0 |
176,79 |
|||
|
(ПГ4014) |
1-2, |
180,50 |
|||
|
(ПГ4015) |
1,5 |
186,06 |
|||
|
ПГ4017 |
1,5 |
1,5 |
225,62 |
||
|
ПГ4018 |
2,0 |
234,90 |
|||
|
ПГ4025 |
4,0 |
2,0 |
0,5 |
0,6 |
85,72 |
|
ПГ4026 |
0,8 |
92,31 |
|||
|
ПГ4027 |
1,0 |
98,90 |
|||
|
ПГ4028 |
1,2 |
105,50 |
|||
|
ПГ4029 |
1,5 |
115,38 |
|||
|
ПГ4030 |
2,0 |
131,87 |
|||
|
ПГ4031 |
2,5 |
148,35 |
|||
|
ПГ4036 |
0,8 |
1,0 |
138,47 |
||
|
ПГ4037 |
1,2 |
145,07 |
|||
|
ПГ4038 |
1,5 |
154,96 |
|||
|
ПГ4039 |
1,8 |
164,84 |
|||
|
ПГ4040 |
2,0 |
171,43 |
|||
|
ПГ4041 |
2,5 |
187,92 |
|||
|
ПГ4042 |
3,0 |
204,41 |
|||
|
ПГ4043 |
3,5 |
220,89 |
|||
|
ПГ4043А |
5,8 |
296,73 |
|||
|
ПГ4045 |
1,0 |
0,8 |
158,25 |
||
|
ПГ4046 |
1,0 |
164,84 |
|||
|
ПГ4047 |
1,2 |
171,43 |
|||
|
ПГ4048 |
1,5 |
181,33 |
|||
|
ПГ4049 |
1,8 |
191,22 |
|||
|
ПГ4050 |
2,0 |
197,80 |
|||
|
ПГ4051 |
2,5 |
214,31 |
|||
|
ПГ4052 |
3,0 |
230,80 |
|||
|
ПГ4053 |
3,5 |
247,29 |
|||
|
ПГ4054 |
4,0 |
263,78 |
|||
|
ПГ4055 |
4,5 |
280,24 |
|||
|
ПГ4057 |
1,2 |
1,5 |
207,79 |
||
|
ПГ4057А |
2,0 |
224,20 |
|||
|
ПГ4057Б |
3,5 |
273,79 |
|||
|
ПГ4058 |
1,5 |
0,6 |
217,60 |
||
|
ПГ4059 |
0,8 |
224,19 |
|||
|
ПГ4060 |
1,0 |
230,79 |
|||
|
ПГ4061 |
4,0 |
2,0 |
1,5 |
1,2 |
237,38 |
|
ПГ4062 |
1,5 |
247,27 |
|||
|
ПГ4063 |
1,8 |
257,16 |
|||
|
ПГ4064 |
2,0 |
263,76 |
|||
|
ПГ4065 |
2,5 |
280,24 |
|||
|
ПГ4066 |
3,0 |
296,72 |
|||
|
ПГ4067 |
3,5 |
313,21 |
|||
|
ПГ4068 |
4,0 |
329,69 |
|||
|
ПГ4069 |
7,5 |
445,32 |
|||
|
ПГ4073 |
2,0 |
1,0 |
296,72 |
||
|
ПГ4074 |
1,2 |
303,33 |
|||
|
ПГ4075 |
1,5 |
313,22 |
|||
|
(ПГ4076) |
2,0 |
329,83 |
|||
|
ПГ4086 |
2,5 |
1,2 |
1,2 |
220,07 |
|
|
ПГ4087 |
1,5 |
235,52 |
|||
|
ПГ4088 |
1,8 |
250,98 |
|||
|
ПГ4089 |
2,0 |
261,29 |
|||
|
ПГ4090 |
2,5 |
287,05 |
|||
|
ПГ4091 |
3,5 |
338,57 |
|||
|
ПГ4092 |
4,5 |
390,08 |
|||
|
(ПГ5004) |
5,0 |
1,5 |
0,8 |
1,8 |
198,24 |
|
(ПГ5005) |
2,0 |
202,24 |
|||
|
(ПГ5008) |
3,0 |
1,0 |
636,73 |
||
|
ПГ5013 |
2,0 |
1,0 |
0,8 |
232,45 |
|
|
ПГ5014 |
1,0 |
239,04 |
|||
|
ПГ5015 |
1,2 |
245,64 |
|||
|
ПГ5016 |
1,5 |
255,52 |
|||
|
ПГ5017 |
2,0 |
272,02 |
|||
|
ПГ5018 |
2,5 |
288,49 |
|||
|
ПГ5019 |
3,0 |
304,97 |
|||
|
ПГ5020 |
3,5 |
321,46 |
|||
|
ПГ5022 |
1,2 |
1,8 |
306,78 |
||
|
ПГ5023 |
3,0 |
346,18 |
|||
|
ПГ5025 |
5,0 |
2,0 |
1,5 |
0,8 |
335,48 |
|
ПГ5026 |
1,0 |
342,06 |
|||
|
ПГ5027 |
1,2 |
348,66 |
|||
|
ПГ5028 |
1,5 |
358,55 |
|||
|
ПГ5029 |
2,0 |
375,03 |
|||
|
(ПГ5031) |
3,0 |
407,99 |
|||
|
ПГ5033 |
2,5 |
0,4 |
2,0 |
185,45 |
|
|
(ПГ5034) |
0,8 |
1,2 |
226,66 |
||
|
ПГ5040 |
1,0 |
2,0 |
309,09 |
||
|
ПГ5046 |
1,5 |
3,0 |
463,64 |
||
|
ПГ5501 |
5,5 |
2,0 |
0,8 |
2,2 |
272,16 |
|
ПГ5501А |
1,0 |
3,8 |
374,81 |
||
|
ПГ5502 |
2,5 |
3,8 |
445,10 |
||
|
ПГ5505 |
1,2 |
2,5 |
427,99 |
||
|
ПГ5506 |
3,0 |
453,74 |
|||
|
ПГ5507 |
4,0 |
505,26 |
|||
|
ПГ5508 |
3,0 |
0,8 |
1,2 |
288,48 |
|
|
ПГ5509 |
2,0 |
347,83 |
|||
|
ПГ5509А |
2,5 |
384,92 |
|||
|
ПГ5510 |
3,0 |
422,01 |
|||
|
ПГ5511 |
5,8 |
629,73 |
|||
|
ПГ5512 |
1,0 |
1,5 |
360,61 |
||
|
ПГ5513 |
2,0 |
397,69 |
|||
|
ПГ5514 |
2,5 |
434,78 |
|||
|
ПГ5515 |
3,0 |
471,87 |
|||
|
ПГ5516 |
3,5 |
508,97 |
|||
|
(ПГ6002) |
6,0 |
1,5 |
2,5 |
343,11 |
|
|
ПГ6003 |
2,0 |
2,2 |
369,44 |
||
|
ПГ6004 |
3,0 |
395,63 |
|||
|
ПГ6005 |
4,0 |
428,83 |
|||
|
ПГ6006 |
1,2 |
2,0 |
422,02 |
||
|
(ПГ6007) |
3,5 |
471,47 |
|||
|
(ПГ6008) |
6,0 |
2,0 |
1,5 |
1,5 |
494,55 |
|
(ПГ6009) |
2,0 |
512,09 |
|||
|
ПГ6013 |
2,5 |
0,8 |
2,2 |
350,72 |
|
|
ПГ6014 |
1,0 |
2,0 |
399,77 |
||
|
ПГ6015 |
2,5 |
425,52 |
|||
|
ПГ6016 |
3,0 |
451,28 |
|||
|
ПГ6017 |
3,5 |
477,04 |
|||
|
ПГ6018 |
4,0 |
502,80 |
|||
|
ПГ6022 |
1,5 |
2,0 |
548,12 |
||
|
ПГ6023 |
2,5 |
573,89 |
|||
|
ПГ6024 |
3,0 |
599,64 |
|||
|
ПГ6025 |
4,5 |
676,92 |
|||
|
ПГ6027 |
2,0 |
1,5 |
670,74 |
||
|
ПГ6031 |
3,0 |
1,2 |
2,8 |
564,06 |
|
|
ПГ6032 |
1,5 |
0,8 |
504,44 |
||
|
ПГ6033 |
1,0 |
519,28 |
|||
|
ПГ6034 |
1,2 |
534,12 |
|||
|
ПГ6035 |
1,5 |
556,37 |
|||
|
ПГ6036 |
2,0 |
593,46 |
|||
|
ПГ6037 |
2,5 |
630,55 |
|||
|
ПГ6038 |
3,0 |
667,64 |
|||
|
ПГ6039 |
3,5 |
704,73 |
|||
|
ПГ6040 |
4,0 |
741,83 |
|||
|
ПГ6041 |
4,5 |
778,96 |
|||
|
ПГ6046 |
6,0 |
890,18 |
|||
|
ПГ8002 |
8,0 |
4,0 |
3,0 |
1188,74 |
Тип СГ

Таблица 2а
Размеры, мм
|
Обозначение контакта |
D |
d |
h |
l |
R |
Масса 1000 шт., г серебра (справочно) |
|
СГ1201 |
1,2 |
0,6 |
0,4 |
0,4 |
1,2 |
5,01 |
|
СГ1202 |
0,6 |
5,60 |
||||
|
СГ1203 |
0,8 |
6,20 |
||||
|
СГ1204 |
1,0 |
6,79 |
||||
|
СГ1206 |
0,6 |
0,4 |
7,38 |
|||
|
СГ1207 |
0,6 |
7,97 |
||||
|
СГ1208 |
0,8 |
8,56 |
||||
|
СГ1209 |
1,0 |
9,18 |
||||
|
СГ1210 |
1,2 |
9,75 |
||||
|
СГ1213 |
0,8 |
0,4 |
9,95 |
|||
|
СГ1214 |
0,6 |
10,55 |
||||
|
СГ1215 |
0,8 |
11,14 |
||||
|
СГ1216 |
1,0 |
11,74 |
||||
|
СГ1218 |
0,8 |
0,6 |
1,8 |
1,0 |
15,64 |
|
|
(СГ1501) |
1,5 |
0,6 |
0,6 |
1,5 |
11,09 |
|
|
(СГ1502) |
0,8 |
11,68 |
||||
|
СГ1508 |
1,5 |
0,8 |
0,6 |
1,0 |
1,5 |
14,59 |
|
СГ1508А |
1,5 |
17,23 |
||||
|
СГ1509 |
2,5 |
22,51 |
||||
|
СГ1510 |
0,8 |
0,4 |
15,13 |
|||
|
СГ1511 |
0,6 |
16,19 |
||||
|
СГ1512 |
0,8 |
17,25 |
||||
|
СГ1513 |
1,0 |
18,31 |
||||
|
СГ1514 |
2,5 |
26,22 |
||||
|
СГ1518 |
1,0 |
0,6 |
0,6 |
14,25 |
||
|
СГ1519 |
0,8 |
15,90 |
||||
|
СГ1520 |
1,0 |
17,56 |
||||
|
СГ1521 |
1,2 |
19,20 |
||||
|
СГ1522 |
1,5 |
21,67 |
||||
|
СГ1523 |
1,8 |
24,14 |
||||
|
СГ1524 |
2,0 |
25,80 |
||||
|
СГ1525 |
2,5 |
29,92 |
||||
|
СГ1526 |
3,0 |
34,04 |
||||
|
СГ1527 |
0,8 |
1,0 |
21,27 |
|||
|
СГ1529 |
2,5 |
2,0 |
34,14 |
|||
|
СГ2005 |
2,0 |
0,6 |
0,6 |
20,43 |
||
|
СГ2006 |
0,8 |
22,07 |
||||
|
СГ2007 |
1,0 |
23,72 |
||||
|
СГ2008 |
1,2 |
25,38 |
||||
|
СГ2009 |
1,5 |
27,85 |
||||
|
СГ2010 |
1,8 |
30,31 |
||||
|
СГ2011 |
2,0 |
31,97 |
||||
|
СГ2012 |
2,5 |
36,09 |
||||
|
СГ2013 |
3,0 |
40,20 |
||||
|
СГ2015 |
0,8 |
0,4 |
25,37 |
|||
|
СГ2016 |
0,6 |
27,03 |
||||
|
СГ2017 |
0,8 |
28,67 |
||||
|
СГ2018 |
1,0 |
30,33 |
||||
|
СГ2019 |
1,2 |
31,97 |
||||
|
СГ2020 |
2,0 |
1,0 |
0,8 |
1,5 |
2,0 |
34,45 |
|
СГ2021 |
1,8 |
36,81 |
||||
|
СГ2022 |
2,0 |
38,57 |
||||
|
СГ2023 |
2,5 |
42,69 |
||||
|
СГ2026 |
1,0 |
0,4 |
31,92 |
|||
|
СГ2027 |
0,6 |
33,62 |
||||
|
СГ2028 |
0,8 |
35,27 |
||||
|
СГ2029 |
1,0 |
36,92 |
||||
|
СГ2030 |
1,2 |
38,57 |
||||
|
СГ2031 |
1,5 |
41,04 |
||||
|
СГ2032 |
1,8 |
43,51 |
||||
|
СГ2033 |
2,0 |
45,16 |
||||
|
СГ2034 |
3,0 |
53,40 |
||||
|
СГ2036 |
1,2 |
1,0 |
43,51 |
|||
|
СГ2037 |
1,5 |
47,65 |
||||
|
(СГ2038) |
1,5 |
0,6 |
50,11 |
|||
|
(СГ2039) |
0,8 |
51,76 |
||||
|
(СГ2040) |
1,5 |
57,53 |
||||
|
СГ2041 |
1,2 |
0,6 |
1,0 |
27,38 |
||
|
СГ2042 |
1,2 |
29,73 |
||||
|
СГ2043 |
1,5 |
33,29 |
||||
|
СГ2044 |
2,0 |
39,22 |
||||
|
СГ2045 |
2,5 |
45,11 |
||||
|
СГ2046А |
0,8 |
0,6 |
29,18 |
|||
|
СГ2046 |
1,0 |
33,95 |
||||
|
СГ2047 |
1,5 |
39,88 |
||||
|
СГ2048 |
2,5 |
51,75 |
||||
|
СГ2050 |
1,5 |
0,8 |
1,2 |
44,34 |
||
|
СГ2502 |
2,5 |
1,0 |
0,6 |
0,8 |
2,5 |
29,17 |
|
СГ2503 |
0,8 |
0,6 |
37,77 |
|||
|
СГ2504 |
0,8 |
39,42 |
||||
|
СГ2505 |
1,0 |
41,06 |
||||
|
СГ2506 |
2,5 |
1,0 |
0,8 |
1,2 |
2,5 |
42,72 |
|
СГ2507 |
1,5 |
45,18 |
||||
|
СГ2508 |
2,0 |
49,31 |
||||
|
(СГ2510) |
1,0 |
0,6 |
48,12 |
|||
|
(СГ2511) |
0,8 |
49,77 |
||||
|
(СГ2512) |
1,0 |
51,41 |
||||
|
(СГ2513) |
1,2 |
53,06 |
||||
|
(СГ2514) |
1,5 |
55,64 |
||||
|
(СГ2515) |
2,0 |
59,66 |
||||
|
СГ2517 |
1,2 |
0,6 |
58,91 |
|||
|
СГ2518 |
1,0 |
62,20 |
||||
|
(СГ2518А) |
1,3 |
1,0 |
4,0 |
70,09 |
||
|
(СГ2522А) |
1,8 |
1,2 |
97,50 |
|||
|
СГ2522 |
1,2 |
0,6 |
1,0 |
10,0 |
38,31 |
|
|
СГ2524 |
3,0 |
35,89 |
||||
|
СГ2526 |
0,8 |
1,0 |
2,5 |
44,70 |
||
|
СГ2529 |
1,0 |
0,8 |
52,70 |
|||
|
СГ2530 |
1,0 |
55,07 |
||||
|
СГ2531 |
1,2 |
57,44 |
||||
|
СГ2532 |
1,5 |
61,01 |
||||
|
СГ2533 |
1,8 |
64,58 |
||||
|
СГ2536 |
3,0 |
78,70 |
||||
|
СГ2538 |
1,2 |
0,8 |
62,93 |
|||
|
СГ2539 |
1,0 |
65,31 |
||||
|
СГ2540 |
1,2 |
67,69 |
||||
|
СГ2541 |
1,5 |
71,25 |
||||
|
СГ2542 |
1,8 |
74,81 |
||||
|
СГ2543 |
2,0 |
77,19 |
||||
|
(СГ2544) |
1,5 |
0,4 |
1,2 |
4,0 |
37,73 |
|
|
СГ2546 |
0,6 |
1,5 |
3,0 |
51,83 |
||
|
СГ2547 |
2,0 |
61,34 |
||||
|
СГ2548 |
0,8 |
1,0 |
2,5 |
51,30 |
||
|
СГ2549 |
2,5 |
1,5 |
1,0 |
0,8 |
2,5 |
58,04 |
|
СГ2550 |
1,0 |
61,75 |
||||
|
СГ2551 |
1,2 |
65,46 |
||||
|
СГ2552 |
1,5 |
71,02 |
||||
|
СГ2553 |
1,8 |
76,59 |
||||
|
СГ2554 |
2,0 |
80,30 |
||||
|
СГ2555 |
2,5 |
89,57 |
||||
|
СГ2556 |
3,0 |
98,84 |
||||
|
СГ2557 |
3,5 |
108,11 |
||||
|
СГ2559 |
1,2 |
0,6 |
64,63 |
|||
|
СГ2560 |
1,2 |
75,75 |
||||
|
СГ2561 |
1,5 |
81,31 |
||||
|
СГ2563 |
1,5 |
1,0 |
87,51 |
|||
|
СГ2563А |
2,0 |
105,83 |
||||
|
СГ2564 |
3,0 |
124,50 |
||||
|
(СГ3004) |
3,0 |
1,2 |
0,8 |
1,0 |
3,0 |
56,69 |
|
(СГ3006) |
1,2 |
59,07 |
||||
|
СГ3009 |
1,0 |
0,6 |
66,92 |
|||
|
СГ3010 |
0,8 |
69,29 |
||||
|
СГ3011 |
1,0 |
71,67 |
||||
|
СГ3012 |
1,2 |
74,03 |
||||
|
СГ3013 |
1,5 |
77,60 |
||||
|
СГ3014 |
2,0 |
83,54 |
||||
|
(СГ3019) |
1,5 |
0,6 |
104,00 |
|||
|
(СГ3020) |
0,8 |
106,38 |
||||
|
(СГ3021) |
1,0 |
108,75 |
||||
|
(СГ3022) |
1,2 |
111,12 |
||||
|
(СГ3023) |
1,5 |
114,69 |
||||
|
(СГ3024) |
2,0 |
120,62 |
||||
|
СГ3042 |
1,5 |
0,6 |
1,0 |
4,0 |
52,40 |
|
|
СГ3043 |
1,5 |
61,68 |
||||
|
СГ3044 |
1,8 |
67,24 |
||||
|
СГ3045 |
2,5 |
80,23 |
||||
|
CГ3047 |
3,0 |
1,5 |
0,8 |
0,6 |
3,0 |
55,97 |
|
СГ3048 |
0,8 |
59,68 |
||||
|
СГ3049 |
1,0 |
63,39 |
||||
|
СГ3049А |
1,2 |
67,10 |
||||
|
СГ3050 |
1,5 |
72,66 |
||||
|
СГ3051 |
3,5 |
109,76 |
||||
|
СГ3053 |
1,0 |
0,4 |
3,0 |
67,27 |
||
|
СГ3054 |
0,6 |
70,99 |
||||
|
СГ3055 |
0,8 |
74,70 |
||||
|
СГ3056 |
1,0 |
78,40 |
||||
|
СГ3057 |
1,5 |
87,68 |
||||
|
СГ3058 |
1,8 |
93,24 |
||||
|
СГ3059 |
2,0 |
96,95 |
||||
|
СГ3060 |
2,5 |
106,22 |
||||
|
СГ3061 |
3,0 |
115,49 |
||||
|
СГ3061А |
3,0 |
5,0 |
121,45 |
|||
|
СГ3062 |
3,5 |
3,0 |
124,76 |
|||
|
СГ3064 |
1,2 |
0,6 |
85,64 |
|||
|
СГ3065 |
0,8 |
89,35 |
||||
|
СГ3066 |
1,0 |
93,06 |
||||
|
СГ3067 |
1,2 |
96,77 |
||||
|
СГ3068 |
1,5 |
102,34 |
||||
|
СГ3069 |
1,8 |
107,90 |
||||
|
СГ3070 |
2,0 |
111,62 |
||||
|
СГ3071 |
2,5 |
120,89 |
||||
|
СГ3072 |
3,0 |
130,17 |
||||
|
СГ3072А |
4,5 |
158,00 |
||||
|
СГ3073 |
1,2 |
6,0 |
104,30 |
|||
|
СГ3074 |
1,5 |
1,0 |
3,0 |
115,50 |
||
|
СГ3075 |
1,8 |
130,33 |
||||
|
СГ3076 |
2,5 |
143,31 |
||||
|
СГ3077 |
3,0 |
152,59 |
||||
|
СГ3080 |
3,0 |
1,5 |
1,8 |
1,2 |
3,0 |
141,31 |
|
(СГ3090) |
3,0 |
1,0 |
226,66 |
|||
|
СГ3093 |
1,8 |
1,0 |
2,5 |
7,0 |
134,86 |
|
|
СГ3093А |
15,0 |
138,13 |
||||
|
СГ3094 |
5,0 |
132,45 |
||||
|
СГ3097 |
2,0 |
0,6 |
1,8 |
4,0 |
93,17 |
|
|
СГ30100 |
0,8 |
1,0 |
3,0 |
77,99 |
||
|
СГ30101 |
1,8 |
104,37 |
||||
|
СГ30102 |
2,0 |
110,96 |
||||
|
СГ30104 |
1,0 |
1,0 |
92,83 |
|||
|
СГ30105 |
1,5 |
109,31 |
||||
|
СГ30106 |
2,0 |
125,80 |
||||
|
СГ30107 |
2,5 |
142,28 |
||||
|
СГ30108 |
3,5 |
175,25 |
||||
|
СГ30110 |
1,5 |
0,6 |
116,74 |
|||
|
СГ30111 |
0,8 |
123,33 |
||||
|
СГ30112 |
1,0 |
129,93 |
||||
|
СГ30113 |
1,5 |
146,41 |
||||
|
СГ30113А |
2,8 |
189,27 |
||||
|
СГ30114 |
4,0 |
228,84 |
||||
|
СГ30116 |
2,0 |
2,0 |
199,98 |
|||
|
СГ3503 |
3,5 |
1,5 |
1,2 |
1,5 |
3,5 |
125,86 |
|
СГ3503А |
2,5 |
10,0 |
159,84 |
|||
|
СГ3504 |
1,5 |
1,5 |
3,5 |
156,17 |
||
|
СГ3506 |
2,0 |
0,5 |
3,0 |
4,0 |
129,20 |
|
|
СГ3506А |
0,7 |
1,5 |
5,0 |
104,35 |
||
|
СГ3506Б |
0,8 |
1,2 |
10,0 |
112,62 |
||
|
СГ3507 |
1,0 |
3,5 |
3,5 |
193,34 |
||
|
СГ3507А |
1,0 |
110,88 |
||||
|
СГ3509 |
1,2 |
1,8 |
157,19 |
|||
|
СГ3510 |
3,0 |
196,75 |
||||
|
СГ3511 |
3,5 |
2,0 |
1,2 |
3,5 |
3,5 |
213,83 |
|
СГ3512 |
2,5 |
10,0 |
195,85 |
|||
|
СГ3513 |
1,5 |
1,0 |
3,5 |
161,07 |
||
|
СГ3514 |
1,5 |
177,56 |
||||
|
СГ3515 |
2,5 |
210,52 |
||||
|
СГ3516 |
2,0 |
1,0 |
5,0 |
220,38 |
||
|
СГ3517 |
2,5 |
1,2 |
3,0 |
10,0 |
267,83 |
|
|
СГ4005 |
4,0 |
1,5 |
1,2 |
1,0 |
4,0 |
142,56 |
|
СГ4006 |
1,2 |
146,33 |
||||
|
СГ4007 |
1,5 |
151,89 |
||||
|
(СГ4009) |
1,5 |
1,0 |
182,19 |
|||
|
(СГ4010) |
1,5 |
191,46 |
||||
|
(СГ4011) |
2,5 |
210,01 |
||||
|
СГ4013 |
2,0 |
0,8 |
1,2 |
5,0 |
118,06 |
|
|
СГ4014 |
1,5 |
127,95 |
||||
|
СГ4015 |
1,8 |
137,84 |
||||
|
СГ4016 |
2,0 |
144,44 |
||||
|
СГ4017 |
2,5 |
160,93 |
||||
|
СГ4017А |
2,5 |
40,0 |
184,72 |
|||
|
СГ4018А |
3,0 |
10,0 |
191,19 |
|||
|
СГ4018 |
3,5 |
5,0 |
193,87 |
|||
|
СГ4020 |
1,0 |
0,8 |
4,0 |
123,88 |
||
|
СГ4021 |
1,0 |
130,48 |
||||
|
СГ4022 |
1,2 |
137,07 |
||||
|
СГ4023 |
1,5 |
146,96 |
||||
|
СГ4024 |
1,8 |
156,85 |
||||
|
СГ4025 |
2,0 |
163,44 |
||||
|
СГ4026 |
2,5 |
179,93 |
||||
|
СГ4027 |
3,0 |
196,41 |
||||
|
СГ4028А |
3,5 |
212,89 |
||||
|
СГ4028 |
4,0 |
229,39 |
||||
|
СГ4029 |
1,6 |
5,0 |
157,50 |
|||
|
СГ4029А |
4,0 |
2,0 |
1,2 |
1,2 |
3,0 |
149,97 |
|
СГ4030 |
2,0 |
4,0 |
189,80 |
|||
|
СГ4031 |
3,0 |
222,79 |
||||
|
СГ4032 |
4,0 |
255,78 |
||||
|
СГ4033 |
6,8 |
15,0 |
373,82 |
|||
|
СГ4034 |
1,5 |
0,6 |
4,0 |
183,42 |
||
|
СГ4035 |
0,8 |
190,02 |
||||
|
СГ4036 |
1,0 |
3,0 |
182,92 |
|||
|
СГ4037 |
1,2 |
4,0 |
203,63 |
|||
|
СГ4038 |
1,5 |
213,10 |
||||
|
СГ4039 |
1,8 |
222,99 |
||||
|
СГ4040 |
2,0 |
229,58 |
||||
|
СГ4041 |
2,5 |
246,07 |
||||
|
СГ4042 |
3,0 |
262,55 |
||||
|
СГ4043 |
3,5 |
279,04 |
||||
|
СГ4044 |
4,0 |
295,52 |
||||
|
СГ4047 |
5,0 |
328,49 |
||||
|
СГ4047А |
6,0 |
361,46 |
||||
|
СГ4048 |
2,0 |
1,0 |
4,0 |
262,56 |
||
|
СГ4048А |
1,2 |
15,0 |
294,65 |
|||
|
СГ4049 |
1,2 |
4,0 |
269,15 |
|||
|
СГ4050 |
1,5 |
279,04 |
||||
|
СГ4051 |
2,0 |
295,52 |
||||
|
СГ4052 |
3,0 |
328,49 |
||||
|
СГ4053 |
4,0 |
361,46 |
||||
|
СГ4055 |
2,0 |
6,0 |
307,37 |
|||
|
СГ4057 |
2,5 |
0,6 |
2,0 |
7,0 |
163,11 |
|
|
СГ4064 |
0,8 |
2,5 |
40,0 |
231,11 |
||
|
СГ4065 |
1,0 |
3,5 |
7,0 |
292,82 |
||
|
СГ4068 |
1,2 |
3,0 |
8,0 |
296,11 |
||
|
СГ4069 |
3,3 |
311,06 |
||||
|
СГ4072 |
3,2 |
25,0 |
317,99 |
|||
|
СГ4073 |
2,0 |
4,0 |
3,0 |
422,11 |
||
|
СГ4079 |
4,0 |
3,0 |
0,8 |
2,0 |
25,0 |
248,56 |
|
СГ4080 |
1,1 |
3,0 |
362,48 |
|||
|
СГ4501 |
4,5 |
2,0 |
1,0 |
1,5 |
10,0 |
195,13 |
|
СГ4502 |
1,8 |
205,02 |
||||
|
СГ4503 |
2,0 |
211,63 |
||||
|
СГ4504 |
2,0 |
15,0 |
219,07 |
|||
|
СГ4505 |
1,2 |
1,0 |
8,0 |
207,30 |
||
|
СГ4506 |
2,8 |
265,57 |
||||
|
СГ4507 |
1,5 |
1,5 |
10,0 |
278,63 |
||
|
СГ4508 |
8,0 |
493,04 |
||||
|
СГ4509 |
2,0 |
1,5 |
362,14 |
|||
|
СГ4510 |
2,5 |
1,5 |
3,0 |
5,0 |
361,30 |
|
|
СГ4511 |
2,0 |
3,0 |
10,0 |
467,29 |
||
|
СГ4512 |
3,5 |
0,8 |
1,5 |
15,0 |
271,07 |
|
|
СГ4513 |
1,8 |
301,14 |
||||
|
СГ5001 |
5,0 |
1,5 |
1,0 |
2,0 |
20,0 |
226,79 |
|
СГ5015 |
2,0 |
1,2 |
6,0 |
190,49 |
||
|
СГ5016 |
3,0 |
249,83 |
||||
|
СГ5017 |
4,0 |
282,80 |
||||
|
СГ5019 |
1,5 |
30,0 |
244,58 |
|||
|
СГ5020 |
1,2 |
2,5 |
5,0 |
263,24 |
||
|
СГ5021 |
1,5 |
1,0 |
5,0 |
275,63 |
||
|
СГ5022 |
1,5 |
292,12 |
||||
|
СГ5023 |
2,0 |
308,60 |
||||
|
СГ5024 |
2,5 |
325,09 |
||||
|
СГ5025 |
3,0 |
341,58 |
||||
|
СГ5026 |
4,0 |
374,58 |
||||
|
СГ5026А |
1,8 |
1,8 |
30,0 |
419,71 |
||
|
СГ5033 |
2,5 |
1,0 |
0,8 |
6,0 |
192,13 |
|
|
СГ5034 |
1,5 |
228,19 |
||||
|
СГ5034А |
2,0 |
253,95 |
||||
|
СГ5035А |
2,5 |
279,91 |
||||
|
СГ5035 |
3,0 |
305,46 |
||||
|
СГ5036 |
5,5 |
434,26 |
||||
|
СГ5037 |
5,0 |
2,5 |
1,2 |
1,5 |
5,0 |
257,41 |
|
СГ5038 |
2,0 |
283,17 |
||||
|
СГ5039 |
5,0 |
438,40 |
||||
|
СГ5040 |
1,5 |
1,0 |
294,18 |
|||
|
СГ5041 |
1,5 |
319,93 |
||||
|
СГ5042 |
2,0 |
345,69 |
||||
|
СГ5042А |
2,5 |
20,0 |
421,89 |
|||
|
СГ5043 |
2,5 |
5,0 |
370,51 |
|||
|
СГ5044 |
3,0 |
396,30 |
||||
|
СГ5046 |
2,2 |
1,5 |
9,0 |
494,62 |
||
|
СГ5047 |
3,0 |
571,93 |
||||
|
СГ5049 |
3,0 |
1,2 |
1,5 |
5,0 |
291,17 |
|
|
СГ5051 |
2,5 |
365,59 |
||||
|
СГ5052 |
3,0 |
402,68 |
||||
|
СГ5053 |
3,5 |
439,78 |
||||
|
(СГ5054) |
1,3 |
1,8 |
80,0 |
397,59 |
||
|
СГ5055 |
1,5 |
1,5 |
5,0 |
353,18 |
||
|
СГ5056 |
2,0 |
390,29 |
||||
|
СГ5057 |
2,5 |
427,40 |
||||
|
СГ5058 |
3,0 |
464,51 |
||||
|
СГ5062 |
2,0 |
1,5 |
457,04 |
|||
|
СГ5063 |
2,0 |
494,16 |
||||
|
СГ5064 |
2,5 |
531,28 |
||||
|
СГ5065 |
3,0 |
568,40 |
||||
|
СГ5066 |
3,5 |
605,51 |
||||
|
СГ5067 |
4,0 |
642,53 |
||||
|
СГ5068 |
3,5 |
1,5 |
3,0 |
545,57 |
||
|
(СГ5070) |
3,6 |
0,8 |
2,0 |
25,0 |
365,62 |
|
|
СГ5501 |
5,5 |
2,0 |
1,0 |
2,5 |
8,0 |
271,76 |
|
СГ5502 |
1,2 |
1,3 |
5,0 |
242,51 |
||
|
СГ5502А |
1,5 |
1,5 |
8,0 |
363,51 |
||
|
СГ5503 |
2,5 |
50,0 |
447,22 |
|||
|
СГ5505 |
2,5 |
1,2 |
3,0 |
5,0 |
354,06 |
|
|
СГ5511 |
5,5 |
3,0 |
1,5 |
2,5 |
15,0 |
527,84 |
|
СГ6002А |
6,0 |
2,0 |
1,2 |
2,0 |
10,0 |
354,35 |
|
СГ6002 |
1,5 |
1,5 |
5,0 |
352,17 |
||
|
СГ6003 |
2,5 |
385,14 |
||||
|
(СГ6005) |
2,0 |
2,0 |
516,79 |
|||
|
(СГ6006) |
3,0 |
549,78 |
||||
|
СГ6011 |
2,5 |
1,5 |
1,0 |
353,92 |
||
|
СГ6012 |
1,5 |
379,99 |
||||
|
СГ6013 |
2,6 |
405,75 |
||||
|
СГ6014 |
2,5 |
431,50 |
||||
|
СГ6015 |
3,0 |
457,26 |
||||
|
СГ6016 |
3,5 |
483,02 |
||||
|
СГ6017 |
4,0 |
508,78 |
||||
|
СГ6018 |
4,5 |
534,53 |
||||
|
СГ6022 |
3,0 |
1,0 |
376,89 |
|||
|
СГ6023 |
1,5 |
413,99 |
||||
|
СГ6024 |
2,0 |
451,08 |
||||
|
СГ6025 |
3,0 |
525,26 |
||||
|
СГ6026 |
3,5 |
562,35 |
||||
|
СГ6028 |
1,5 |
9,0 |
480,99 |
|||
|
СГ6029 |
2,0 |
2,0 |
5,0 |
599,26 |
||
|
СГ6030 |
2,5 |
636,37 |
||||
|
СГ6031 |
3,0 |
673,48 |
||||
|
СГ6032 |
4,0 |
747,70 |
||||
|
СГ6034 |
2,5 |
1,0 |
673,48 |
|||
|
СГ6035 |
2,0 |
747,70 |
||||
|
СГ6036 |
3,0 |
821,92 |
||||
|
СГ6537 |
6,5 |
1,5 |
2,5 |
80,0 |
696,68 |
|
|
СГ8005 |
8,0 |
8,0 |
701,73 |
|||
|
СГ8006 |
3,0 |
738,82 |
||||
|
СГ8007 |
3,5 |
775,91 |
Тип КГ

Таблица 3а
Размеры, мм
|
Обозначение контакта |
D |
d |
h |
l |
R |
Масса 1000 шт., г серебра (справочно) |
|
КГ1001 |
1,0 |
0,6 |
0,8 |
0,8 |
0,3 |
7,68 |
|
КГ1501 |
1,5 |
0,6 |
1,0 |
0,8 |
0,5 |
16,16 |
|
КГ1504 |
0,8 |
0,8 |
0,4 |
13,55 |
||
|
КГ1505 |
0,6 |
14,61 |
||||
|
КГ1506 |
0,8 |
16,40 |
||||
|
КГ1507 |
1,0 |
17,45 |
||||
|
КГ1508 |
1,5 |
20,09 |
||||
|
КГ1509 |
2,0 |
22,73 |
||||
|
КГ1510А |
1,0 |
1,5 |
24,75 |
|||
|
КГ1510 |
1,8 |
27,27 |
||||
|
КГ1510Б |
2,0 |
28,95 |
||||
|
КГ1511 |
1,0 |
0,6 |
18,85 |
|||
|
КГ1512 |
0,8 |
20,51 |
||||
|
КГ1513 |
1,0 |
22,17 |
||||
|
КГ1514 |
1,5 |
26,26 |
||||
|
КГ1515 |
2,0 |
30,46 |
||||
|
КГ1516 |
1,5 |
1,0 |
1,2 |
0,6 |
0,5 |
20,42 |
|
КГ1517 |
0,8 |
22,06 |
||||
|
(КГ2001) |
2,0 |
0,8 |
1,5 |
0,6 |
0,6 |
34,95 |
|
КГ2003 |
1,0 |
0,8 |
1,2 |
0,5 |
29,94 |
|
|
КГ2004 |
1,8 |
34,89 |
||||
|
(КГ2005) |
3,0 |
44,78 |
||||
|
КГ2008 |
1,0 |
0,4 |
0,4 |
25,88 |
||
|
КГ2009 |
0,6 |
27,53 |
||||
|
КГ2010 |
0,8 |
29,20 |
||||
|
КГ2011 |
1,0 |
30,85 |
||||
|
КГ2012 |
1,2 |
32,50 |
||||
|
КГ2013 |
1,5 |
34,96 |
||||
|
КГ2014 |
2,0 |
39,07 |
||||
|
КГ2018 |
1,5 |
0,8 |
0,5 |
35,82 |
||
|
КГ2019 |
1,0 |
37,47 |
||||
|
КГ2020 |
1,5 |
41,64 |
||||
|
КГ2021 |
2,0 |
45,75 |
||||
|
КГ2028 |
1,2 |
1,0 |
1,0 |
32,87 |
||
|
КГ2029 |
1,5 |
38,81 |
||||
|
КГ2030 |
4,0 |
68,49 |
||||
|
КГ2035 |
1,5 |
1,0 |
42,66 |
|||
|
КГ2036 |
1,5 |
48,60 |
||||
|
КГ2037 |
2,0 |
54,53 |
||||
|
КГ2503 |
2,5 |
1,2 |
0,8 |
48,83 |
||
|
КГ2504 |
1,0 |
51,21 |
||||
|
КГ2505 |
1,2 |
53,57 |
||||
|
КГ2506 |
1,5 |
57,14 |
||||
|
КГ2507 |
1,8 |
60,70 |
||||
|
(КГ2511) |
1,5 |
1,5 |
2,8 |
95,22 |
||
|
КГ3003 |
3,0 |
1,2 |
2,0 |
84,29 |
||
|
КГ3004 |
3,0 |
1,5 |
1,0 |
1,2 |
0,5 |
67,88 |
|
КГ3005 |
1,5 |
73,45 |
||||
|
КГ3006 |
1,8 |
79,01 |
||||
|
КГ3007 |
2,0 |
82,72 |
||||
|
КГ3008 |
2,5 |
92,00 |
||||
|
КГ3010 |
1,5 |
1,2 |
87,14 |
|||
|
КГ3011 |
1,5 |
92,72 |
||||
|
КГ3012 |
1,8 |
98,30 |
||||
|
КГ3013 |
2,0 |
102,01 |
||||
|
(КГ3014) |
2,0 |
1,4 |
2,6 |
0,7 |
148,85 |
|
|
КГ4002 |
4,0 |
1,5 |
1,5 |
0,5 |
154,15 |
|
|
КГ4007 |
2,0 |
1,0 |
171,34 |
Тип СД

Таблица 4а
Размеры, мм
|
Обозначение контакта |
D |
h |
R |
Масса 1000 шт., г серебра (справочно) |
|
СД1502 |
1,5 |
0,6 |
1,5 |
9,31 |
|
(СД1503) |
0,8 |
2,0 |
13,49 |
|
|
(СД2001) |
2,0 |
0,4 |
3,0 |
10,40 |
|
СД2002 |
0,6 |
2,5 |
16,37 |
|
|
СД2003 |
0,8 |
22,96 |
||
|
(СД2501) |
2,5 |
0,4 |
3,5 |
14,74 |
|
СД2502 |
0,6 |
3,0 |
24,02 |
|
|
СД2503 |
0,8 |
34,23 |
||
|
СД2504 |
1,0 |
44,52 |
||
|
СД3002 |
3,0 |
0,6 |
4,0 |
33,86 |
|
СД3003 |
0,8 |
3,0 |
44,85 |
|
|
СД3004 |
1,0 |
59,64 |
||
|
СД3005 |
1,2 |
74,44 |
||
|
СД3006 |
1,5 |
96,70 |
||
|
СД3501 |
3,5 |
0,8 |
4,0 |
60,85 |
|
СД3502 |
1,0 |
3,0 |
73,61 |
|
|
СД3503 |
1,2 |
93,81 |
||
|
СД4001 |
4,0 |
0,8 |
5,0 |
78,47 |
|
СД4002 |
1,0 |
4,0 |
97,51 |
|
|
СД4003 |
1,2 |
123,83 |
||
|
СД4004 |
1,5 |
163,28 |
||
|
СД5000 |
5,0 |
0,8 |
8,0 |
123,98 |
|
СД5001 |
1,0 |
6,0 |
150,93 |
|
|
СД5002 |
1,2 |
5,0 |
180,13 |
|
|
СД5003 |
1,5 |
241,85 |
||
|
СД5004 |
2,0 |
344,93 |
||
|
СД5500 |
5,5 |
1,0 |
30,0 |
233,72 |
|
СД6002 |
6,0 |
1,2 |
6,0 |
240,06 |
|
СД6003 |
1,5 |
328,65 |
||
|
СД6004 |
1,8 |
417,69 |
||
|
СД6500 |
6,5 |
1,2 |
30,0 |
387,38 |
|
СД6501 |
1,5 |
491,90 |
||
|
СД8002 |
8,0 |
1,5 |
10,0 |
574,57 |
|
СД8003 |
1,8 |
8,0 |
673,95 |
|
|
СД8004 |
2,0 |
779,50 |
Тип ПД

Черт. 5
Таблица 5а
Размеры, мм
|
Обозначение контакта |
D |
s1 |
Масса 1000 шт., г серебра (справочно) |
|
ПД2001 |
2,0 |
0,2 |
6,60 |
|
ПД2002 |
0,4 |
13,19 |
|
|
ПД2003 |
0,6 |
19,79 |
|
|
ПД2004 |
0,8 |
26,37 |
|
|
ПД2005 |
1,0 |
32,97 |
|
|
ПД2501 |
2,5 |
0,2 |
10,30 |
|
ПД2502 |
0,4 |
20,60 |
|
|
ПД2503 |
0,6 |
30,91 |
|
|
ПД2504 |
0,8 |
41,21 |
|
|
ПД2505 |
1,0 |
51,51 |
|
|
ПД2506 |
1,3 |
67,00 |
|
|
ПД2507 |
1,5 |
77,27 |
|
|
(ПД2801) |
2,8 |
0,6 |
38,78 |
|
ПД3001 |
3,0 |
0,2 |
14,84 |
|
ПД3001А |
0,3 |
22,25 |
|
|
ПД3002 |
0,4 |
29,67 |
|
|
ПД3003 |
3,0 |
0,6 |
44,51 |
|
ПД3004 |
0,8 |
59,35 |
|
|
ПД3005 |
1,0 |
74,19 |
|
|
ПД3006 |
1,2 |
89,02 |
|
|
ПД3007 |
1,5 |
111,27 |
|
|
ПД3008 |
2,0 |
148,36 |
|
|
ПД3200 |
3,2 |
0,7 |
59,12 |
|
ПД3201 |
1,0 |
84,41 |
|
|
ПД3501 |
3,5 |
0,4 |
40,39 |
|
ПД3502 |
0,6 |
60,58 |
|
|
ПД3503 |
0,8 |
80,78 |
|
|
ПД3504 |
1,2 |
121,16 |
|
|
ПД4001А |
4,0 |
0,1 |
13,19 |
|
ПД4001 |
0,2 |
26,37 |
|
|
ПД4001В |
0,3 |
39,56 |
|
|
ПД4002 |
0,4 |
52,75 |
|
|
ПД4003 |
0,6 |
79,12 |
|
|
ПД4004 |
0,8 |
105,51 |
|
|
ПД4005 |
1,0 |
131,88 |
|
|
ПД4006 |
1,2 |
158,26 |
|
|
ПД4007 |
1,5 |
197,82 |
|
|
ПД4008 |
2,0 |
263,76 |
|
|
ПД4501 |
4,5 |
0,6 |
100,14 |
|
ПД4502 |
0,8 |
133,52 |
|
|
ПД4503 |
1,0 |
166,92 |
|
|
ПД4504 |
1,8 |
300,44 |
|
|
ПД5001 |
5,0 |
0,3 |
61,85 |
|
ПД5002 |
0,4 |
82,43 |
|
|
ПД5002А |
0,5 |
103,08 |
|
|
ПД5003 |
0,6 |
123,64 |
|
|
ПД5004 |
0,8 |
164,85 |
|
|
ПД5005 |
5,0 |
1,0 |
206,06 |
|
ПД5006 |
1,2 |
247,27 |
|
|
ПД5007 |
1,5 |
309,10 |
|
|
ПД5008 |
1,8 |
370,91 |
|
|
ПД5009 |
2,0 |
412,13 |
|
|
ПД5501 |
5,5 |
1,0 |
249,46 |
|
ПД5504 |
1,8 |
449,00 |
|
|
ПД6001 |
6,0 |
0,4 |
118,69 |
|
ПД6002 |
0,6 |
178,04 |
|
|
ПД6003 |
0,8 |
237,38 |
|
|
ПД6004 |
1,0 |
296,73 |
|
|
ПД6005 |
1,2 |
356,07 |
|
|
ПД6006 |
1,5 |
445,09 |
|
|
ПД6007 |
1,8 |
534,12 |
|
|
ПД6008 |
2,0 |
593,46 |
|
|
ПД6009 |
2,2 |
652,80 |
|
|
ПД7501 |
7,5 |
0,2 |
92,71 |
|
ПД7501А |
1,4 |
649,43 |
|
|
ПД8001 |
8,0 |
0,8 |
422,02 |
|
ПД8002 |
1,0 |
527,52 |
|
|
ПД8003 |
1,2 |
633,03 |
|
|
ПД8004 |
1,5 |
791,28 |
|
|
ПД8005 |
1,8 |
949,54 |
|
|
ПД8006 |
2,0 |
1055,04 |
|
|
ПД10001 |
10,0 |
1,0 |
824,25 |
|
ПД10002 |
1,5 |
1236,37 |
|
|
ПД10002А |
1,6 |
1318,80 |
|
|
ПД10003 |
2,0 |
1648,50 |
|
|
ПД10004 |
2,5 |
2060,63 |
|
|
ПД10005 |
3,0 |
2474,00 |
|
|
ПД12003 |
12,0 |
2,0 |
2373,84 |
|
ПД12004 |
2,5 |
2967,30 |
|
|
ПД12509 |
12,5 |
1,0 |
1288,54 |
Тип ПЦ

Черт. 6
Таблица 6а
Размеры, мм
|
Обозначение контакта |
d2 |
l |
Масса 1000 шт., г серебра (справочно) |
|
ПЦ0501 |
0,5 |
2,0 |
4,12 |
|
ПЦ0502 |
2,5 |
5,15 |
|
|
ПЦ0503 |
3,0 |
6,18 |
|
|
ПЦ0504 |
3,5 |
7,21 |
|
|
ПЦ0505 |
4,0 |
8,24 |
|
|
ПЦ0506 |
4,5 |
9,28 |
|
|
ПЦ0507 |
5,0 |
10,31 |
|
|
ПЦ0801 |
0,8 |
2,0 |
10,55 |
|
ПЦ0802 |
2,5 |
13,19 |
|
|
ПЦ0803 |
3,0 |
15,83 |
|
|
ПЦ0804 |
3,5 |
18,47 |
|
|
ПЦ0805 |
4,0 |
21,10 |
|
|
ПЦ0806 |
4,5 |
23,74 |
|
|
ПЦ0807 |
5,0 |
26,39 |
|
|
ПЦ0808 |
5,5 |
29,03 |
|
|
ПЦ0809 |
6,0 |
31,67 |
|
|
ПЦ1001 |
1,0 |
1,5 |
12,36 |
|
ПЦ1002 |
2,0 |
16,49 |
|
|
ПЦ1003 |
2,5 |
20,61 |
|
|
ПЦ1004 |
3,0 |
24,73 |
|
|
ПЦ1005 |
3,5 |
28,85 |
|
|
ПЦ1006 |
4,0 |
32,97 |
|
|
ПЦ1007 |
4,5 |
37,09 |
|
|
ПЦ1008 |
5,0 |
41,21 |
|
|
ПЦ1009 |
5,5 |
45,36 |
|
|
ПЦ1010 |
6,0 |
49,48 |
|
|
ПЦ1011 |
10,0 |
82,43 |
|
|
ПЦ1012 |
12,0 |
98,96 |
|
|
ПЦ1013 |
20,0 |
164,93 |
|
|
ПЦ1201 |
1,2 |
1,5 |
17,81 |
|
ПЦ1202 |
2,0 |
23,75 |
|
|
ПЦ1203 |
2,5 |
29,69 |
|
|
ПЦ1204 |
3,0 |
35,61 |
|
|
ПЦ1205 |
3,5 |
41,54 |
|
|
ПЦ1206 |
4,0 |
47,50 |
|
|
ПЦ1207 |
5,0 |
59,38 |
|
|
ПЦ1401 |
1,4 |
3,5 |
56,54 |
|
ПЦ1501 |
1,5 |
2,0 |
37,09 |
|
ПЦ1502 |
2,5 |
46,39 |
|
|
ПЦ1503 |
3,0 |
55,64 |
|
|
ПЦ1504 |
3,5 |
64,91 |
|
|
ПЦ1505 |
4,0 |
74,20 |
|
|
ПЦ1506 |
4,5 |
83,46 |
|
|
ПЦ1507 |
5,0 |
92,78 |
|
|
ПЦ1508 |
12,0 |
222,67 |
|
|
ПЦ2001 |
2,0 |
2,0 |
65,94 |
|
ПЦ2002 |
2,5 |
82,47 |
|
|
ПЦ2003 |
3,0 |
98,96 |
|
|
ПЦ2004 |
3,5 |
115,45 |
|
|
ПЦ2005 |
2,0 |
4,0 |
131,95 |
|
ПЦ2006 |
4,5 |
148,44 |
|
|
ПЦ2007 |
5,0 |
164,93 |
|
|
ПЦ2008 |
6,0 |
197,92 |
|
|
ПЦ2009 |
7,0 |
230,91 |
|
|
ПЦ2010 |
8,0 |
263,89 |
|
|
ПЦ2011 |
9,0 |
296,88 |
|
|
ПЦ2012 |
9,5 |
313,37 |
|
|
ПЦ2501 |
2,5 |
2,5 |
128,79 |
|
ПЦ3001 |
3,0 |
3,0 |
222,66 |
|
ПЦ3002 |
3,5 |
259,77 |
|
|
ПЦ3003 |
4,0 |
296,88 |
|
|
ПЦ3004 |
4,5 |
333,99 |
|
|
ПЦ3005 |
5,0 |
371,10 |
|
|
ПЦ3006 |
5,5 |
408,21 |
|
|
ПЦ3007 |
6,0 |
445,32 |
|
|
ПЦ3008 |
8,0 |
593,76 |
|
|
ПЦ3502 |
3,5 |
5,0 |
505,11 |
|
ПЦ4001 |
4,0 |
4,0 |
527,77 |
|
ПЦ4002 |
4,5 |
593,74 |
|
|
ПЦ4003 |
5,0 |
659,74 |
|
|
ПЦ4004 |
5,5 |
725,69 |
|
|
ПЦ4005 |
6,0 |
791,66 |
|
|
ПЦ4006 |
8,0 |
1055,54 |
Тип ПЛ

Черт. 7
Таблица 7а
Размеры, мм
|
Обозначение контакта |
s |
А |
B |
Масса 1000 шт., г серебра (справочно) |
|
ПЛ0201 |
0,2 |
2,0 |
6,0 |
25,21 |
|
ПЛ0302А |
0,3 |
2,5 |
6,0 |
47,25 |
|
ПЛ0303 |
4,0 |
4,0 |
50,40 |
|
|
ПЛ0304 |
10,0 |
10,0 |
315,00 |
|
|
ПЛ0401 |
0,4 |
1,5 |
2,5 |
15,75 |
|
ПЛ0402 |
3,0 |
18,90 |
||
|
ПЛ0403 |
2,0 |
4,0 |
33,60 |
|
|
ПЛ0404 |
6,0 |
50,40 |
||
|
ПЛ0404А |
5,0 |
10,0 |
210,00 |
|
|
ПЛ0405 |
12,0 |
252,00 |
||
|
ПЛ0500 |
0,5 |
1,5 |
6,0 |
47,25 |
|
(ПЛ0501А) |
2,0 |
6,3 |
66,15 |
|
|
ПЛ0501Б |
6,0 |
63,00 |
||
|
ПЛ0502 |
2,5 |
4,0 |
52,50 |
|
|
(ПЛ0503) |
2,6 |
2,6 |
35,49 |
|
|
ПЛ0503А |
0,5 |
2,5 |
2,5 |
33,34 |
|
ПЛ0505 |
3,0 |
7,0 |
110,25 |
|
|
(ПЛ0507) |
3,2 |
5,0 |
84,00 |
|
|
ПЛ0507А |
3,5 |
6,0 |
110,25 |
|
|
ПЛ0508А |
3,8 |
5,5 |
109,72 |
|
|
ПЛ0508Б |
4,0 |
115,50 |
||
|
ПЛ0508 |
4,0 |
84,00 |
||
|
ПЛ0510 |
5,0 |
5,0 |
131,27 |
|
|
ПЛ0511 |
6,0 |
157,55 |
||
|
ПЛ0514 |
6,0 |
12,0 |
378,00 |
|
|
ПЛ0601А |
0,6 |
2,5 |
3,0 |
47,25 |
|
(ПЛ0602) |
2,8 |
52,92 |
||
|
ПЛ0602А |
3,0 |
3,5 |
66,15 |
|
|
ПЛ0603 |
5,0 |
94,50 |
||
|
ПЛ0604 |
6,0 |
113,40 |
||
|
ПЛ0704 |
0,7 |
2,0 |
6,8 |
71,00 |
|
ПЛ0800 |
0,8 |
1,2 |
2,5 |
25,20 |
|
ПЛ0801А |
2,0 |
7,0 |
117,60 |
|
|
ПЛ0801 |
2,5 |
10,0 |
210,00 |
|
|
ПЛ0802 |
2,0 |
5,0 |
84,00 |
|
|
ПЛ0803А |
8,0 |
134,40 |
||
|
ПЛ0803 |
4,0 |
4,0 |
134,40 |
|
|
ПЛ0805 |
5,0 |
10,0 |
420,00 |
|
|
ПЛ1001А |
1,0 |
4,0 |
4,5 |
189,00 |
|
ПЛ1002 |
5,5 |
231,00 |
||
|
ПЛ1005 |
6,0 |
6,0 |
378,00 |
|
|
ПЛ1009 |
6,5 |
8,0 |
546,00 |
|
|
ПЛ1010 |
8,0 |
10,0 |
840,00 |
|
|
ПЛ1012 |
10,0 |
1050,00 |
||
|
ПЛ1505А |
1,5 |
1575,00 |
||
|
ПЛ1506 |
12,0 |
1890,00 |
||
|
ПЛ2005 |
2,0 |
8,0 |
10,0 |
1680,00 |
|
ПЛ2006А |
10,0 |
2100,00 |
||
|
ПЛ2007 |
14,0 |
2940,00 |
Тип ПК

Черт. 8
Таблица 8а
Размеры, мм
|
Обозначение контакта |
D |
h |
h2 |
Масса 1000 шт., г серебра (справочно) |
|
(ПК3001) |
3,0 |
1,2 |
0,8 |
94,65 |
|
ПК3002 |
0,5 |
90,39 |
||
|
ПК4000 |
4,0 |
0,6 |
71,14 |
|
|
ПК4001 |
1,0 |
133,25 |
||
|
ПК4002 |
1,4 |
185,96 |
||
|
ПК4500 |
4,5 |
0,6 |
90,40 |
|
|
ПК4501 |
1,0 |
168,20 |
||
|
(ПК4801) |
4,8 |
0,8 |
195,58 |
|
|
ПК5002 |
5,0 |
0,5 |
207,44 |
|
|
ПК5003 |
2,0 |
413,50 |
||
|
ПК6001 |
6,0 |
0,8 |
238,76 |
|
|
ПК6002 |
1,0 |
298,11 |
||
|
ПК6003 |
1,2 |
357,46 |
||
|
ПК6003А |
1,5 |
446,67 |
||
|
ПК7501 |
7,5 |
1,3 |
1,0 |
613,73 |
|
ПК8000А |
8,0 |
1,0 |
0,5 |
528,89 |
|
ПК8000 |
1,2 |
634,72 |
||
|
ПК8001 |
1,5 |
792,65 |
||
|
ПК12001 |
12,0 |
2,0 |
2375,22 |
Примечание. По требованию потребителя контакты изготавливают цилиндрическим стержнем.
Тип 1ПК

Черт. 9
Таблица 9а
Размеры, мм
|
Обозначение контакта |
D |
h |
h2 |
Масса 1000 шт., г серебра (справочно) |
|
(1ПК4001) |
4,0 |
1,0 |
0,7 |
136,55 |
|
(1ПК6001) |
6,0 |
1,5 |
331,08 |
|
|
1ПК7004 |
7,0 |
1,5 |
2,0 |
680,00 |
(Измененная редакция, Изм. № 3).
Тип 2ПК

Черт. 10
Таблица 10а
Размеры, мм
|
Обозначение контакта |
D |
d1 |
d |
h |
h2 |
Масса 1000 шт., г серебра (справочно) |
|
(2ПК4001) |
4,0 |
2,2 |
1,5 |
1,2 |
0,7 |
173,37 |
|
(2ПК4002) |
2,5 |
1,3 |
0,8 |
190,84 |
||
|
(2ПК7500) |
7,5 |
5,1 |
2,0 |
1,1 |
1,4 |
581,98 |
|
(2ПК8001) |
8,0 |
6,0 |
2,0 |
1,2 |
1136,72 |
Тип СК

Таблица 11а
Размеры, мм
|
Обозначение контакта |
D |
h |
h2 |
R |
Масса 1000 шт., г серебра (справочно) |
|
(СК2501) |
2,5 |
1,2 |
0,8 |
5,0 |
63,41 |
|
СК3001 |
3,0 |
1,0 |
0,5 |
3,0 |
61,02 |
|
СК3500 |
3,5 |
0,8 |
10,0 |
74,24 |
|
|
СК3501 |
1,5 |
3,0 |
125,49 |
||
|
СК4001 |
4,0 |
0,8 |
5,0 |
84,05 |
|
|
СК4002 |
1,0 |
4,0 |
98,88 |
||
|
СК4002А |
15,0 |
124,49 |
|||
|
СК4003 |
1,5 |
4,0 |
164,53 |
||
|
СК4501 |
4,5 |
5,0 |
208,63 |
||
|
(СК4801) |
4,8 |
1,2 |
0,8 |
8,0 |
198,96 |
|
СК5001 |
5,0 |
1,0 |
0,5 |
6,0 |
152,29 |
|
СК5001А |
1,2 |
5,0 |
181,37 |
||
|
СК5002 |
1,5 |
243,22 |
|||
|
СК5500 |
5,5 |
5,5 |
285,09 |
||
|
СК6000 |
6,0 |
1,2 |
6,5 |
250,29 |
|
|
СК6001 |
1,5 |
5,0 |
304,09 |
||
|
СК6002 |
2,0 |
452,03 |
|||
|
СК6003 |
1,5 |
11,00 |
385,13 |
||
|
СК7001 |
7,0 |
1,8 |
1,0 |
10,0 |
611,95 |
|
СК7501 |
7,5 |
2,2 |
864,40 |
||
|
СК8001 |
8,0 |
1,5 |
0,5 |
575,94 |
Примечание. По требованию потребителя контакты изготавливают с цилиндрическим стержнем.
Тип 1СК

Таблица 12а
Размеры, мм
|
Обозначение контакта |
D |
H |
h |
h2 |
R |
Масса 1000 шт., г серебра (справочно) |
|
(1СК6001) |
6,0 |
1,1 |
0,63 |
1,2 |
8,0 |
264,37 |
|
(1СК6002) |
1,3 |
0,60 |
1,5 |
6,0 |
313,95 |
Тип 2СК

Таблица 13a
Размеры, мм
|
Обозначение контакта |
D |
d1 |
H |
h |
h2 |
R |
Масса 1000 шт., г серебра (справочно) |
|
2СК3501 |
3,5 |
2,2 |
0,7 |
0,6 |
0,7 |
10,0 |
78,94 |
|
2СК3502 |
1,4 |
0,5 |
1,5 |
97,71 |
|||
|
2СК4702 |
4,7 |
2,5 |
1,6 |
1,5 |
1,0 |
15,0 |
302,00 |
|
2СК4703 |
1,9 |
1,7 |
8,5 |
344,61 |
|||
|
2СК6001 |
6,0 |
4,0 |
1,2 |
1,0 |
1,2 |
15,0 |
363,42 |
|
2СК7000 |
7,0 |
5,5 |
1,7 |
1,3 |
1,4 |
11,0 |
661,60 |
|
2СК7502 |
7,5 |
2,0 |
1,6 |
15,0 |
899,67 |
Тип 1Ф

Черт. 14
Таблица 14а
Размеры, мм
|
Обозначение контакта |
s |
А |
B |
Масса 1000 шт., г серебра (справочно) |
|
1Ф0501 |
0,5 |
2,0 |
2,0 |
18,74 |
|
1Ф0502 |
3,5 |
34,50 |
||
|
1Ф0503 |
5,0 |
5,5 |
130,27 |
|
|
1Ф0601 |
0,6 |
3,0 |
3,5 |
60,05 |
|
1Ф0602 |
4,0 |
69,51 |
||
|
1Ф0701 |
0,7 |
3,0 |
81,09 |
|
|
1Ф0702 |
3,5 |
5,0 |
118,94 |
|
|
1Ф0703 |
5,0 |
6,5 |
219,13 |
|
|
1Ф0901 |
0,9 |
2,5 |
7,0 |
159,02 |
|
1Ф1201 |
1,2 |
3,0 |
4,0 |
139,01 |
Тип 2Ф

Черт. 15
Таблица 15а
Размеры, мм
|
Обозначение контакта |
S |
А |
в |
Масса 1000 шт., г серебра (справочно) |
|
2Ф0401 |
0,4 |
1,0 |
2,0 |
7,49 |
|
2Ф0402 |
4,4 |
17,58 |
||
|
2Ф1001 |
1,0 |
2,5 |
5,0 |
117,14 |
|
2Ф1101 |
1,1 |
5,0 |
10,0 |
515,53 |
Тип 4Ф

Черт. 15а
Таблица 15б
Размеры, мм
|
Обозначение контакта |
s |
А |
В |
R |
Масса 1000 шт., г серебра (справочно) |
|
4Ф1201 |
1,2 |
3,0 |
5,0 |
5,0 |
180,00 |
(Измененная редакция, Изм. № 3).
Тип 6Ф

Черт. 16
Таблица 16а
Размеры, мм
|
Обозначение контакта |
s |
А |
L |
B |
h1 |
Масса 1000 шт., г серебра (справочно) |
|
6Ф1001 |
1,0 |
3,0 |
1,5 |
1,8 |
1,2 |
47,25 |
|
6Ф1002 |
4,0 |
2,7 |
2,0 |
95,03 |
||
|
6Ф1003 |
2,0 |
3,0 |
105,00 |
|||
|
6Ф1004 |
3,0 |
2,0 |
1,0 |
73,50 |
||
|
6Ф1005 |
1,5 |
1,3 |
65,63 |
|||
|
6Ф1006 |
6,0 |
4,0 |
2,5 |
1,7 |
140,70 |
|
|
6Ф1501 |
1,5 |
8,0 |
5,0 |
4,0 |
3,0 |
456,75 |
Тип ПС

Черт. 17
Таблица 17а
Размеры, мм
|
Обозначение контакта |
D |
h |
d1 |
Масса 1000 шт., г серебра (справочно) |
|
ПС4001 |
4,0 |
1,2 |
2,5 |
168,99 |
|
ПС4008 |
1,6 |
3,5 |
231,00 |
|
|
ПС4501 |
4,5 |
1,2 |
3,0 |
215,59 |
|
ПС4804 |
4,8 |
1,0 |
3,5 |
210,57 |
|
ПС5003 |
5,0 |
1,2 |
267,96 |
|
|
ПС5502 |
5,5 |
1,0 |
270,02 |
|
|
ПС6003 |
6,0 |
1,2 |
4,0 |
383,00 |
|
ПС6005 |
1,4 |
442,37 |
||
|
ПС6503 |
6,5 |
1,0 |
375,17 |
|
|
ПС7502 |
7,5 |
1,2 |
5,0 |
598,23 |
|
ПС8003 |
8,0 |
1,8 |
5,5 |
1000,25 |
|
ПС10003 |
10,0 |
2,0 |
7,5 |
1742,41 |
Тип СС

Размеры, мм
|
Обозначение контакта |
D |
h |
d1 |
R |
Масса 1000 шт., г серебра (справочно) |
|
СС3503 |
3,5 |
0,7 |
2,5 |
10,0 |
73,49 |
|
СС4005 |
4,0 |
1,2 |
3,5 |
5,0 |
151,75 |
|
СС4008 |
1,6 |
201,00 |
|||
|
СС4802 |
4,8 |
1,0 |
15,0 |
192,24 |
|
|
СС4803 |
1,6 |
306,24 |
|||
|
СС5003 |
5,0 |
1,2 |
246,38 |
||
|
СС6005 |
6,0 |
4,0 |
11,5 |
324,24 |
|
|
СС7003 |
7,0 |
1,7 |
5,5 |
11,0 |
622,72 |
|
СС7503 |
7,5 |
2,0 |
15,0 |
867,84 |
|
|
СС8003 |
8,0 |
963,36 |
Примечания:
1. Переходный радиус R (черт. 1а - 3а) от стержня к головке для контактов заклепочных типов ПГ, СГ и КГ с диаметром стержня менее 2 мм должен быть не более 0,1 мм.
2. Марки контактов, указанные в скобках в табл. 1а - 12а, в новых и модернизируемых изделиях не применять.
Предельные отклонения размеров контакт-деталей типов ПГ, СГ, КГ, СД, ПД, ПЦ, СК, ПС, СС, ПК, 1ПК, 1СК, 2ПК, 2СК
мм
|
D* |
d* |
d1 |
d2 |
h*; s1 |
l* |
H |
h2 |
||||||||
|
Номин. |
Пред. откл. |
Номин. |
Пред. откл. |
Номин. |
Пред. откл. |
Номин. |
Пред. откл. |
Номин. |
Пред. откл. |
Номин. |
Пред. откл. |
Номин. |
Пред. откл. |
Номин. |
Пред. откл. |
|
От 1,0 до 3,0 |
-0,12 |
От 0,6 до 1,0 |
-0,045 |
От 2,2 до 7,5 |
-0,3 |
От 0,5 до 0,6 |
-0,025 |
0,1 |
-0,03 |
От 0,4 до 0,6 |
-0,08 |
От 0,7 до 1,1 |
-0,12 |
От 0,5 до 1,5 |
-0,2 |
|
Св. 3,0 до 6,0 |
-0,16 |
Св. 1,0 до 3,0 |
-0,060 |
- |
- |
Св. 0,6 до 1,0 |
-0,030 |
Св. 0,1 до 0,4 |
-0,06 |
Св. 0,6 до 1,2 |
-0,12 |
Св. 1,1 до 2,0 |
-0,20 |
- |
- |
|
Св. 6,0 до 10,0 |
-0,20 |
Св. 3,0 до 6,0 |
-0,080 |
- |
- |
Св. 1,0 до 3,0 |
-0,040 |
Св. 0,4 до 0,6 |
-0,08 |
Св. 1,2 до 2,0 |
-0,16 |
- |
- |
- |
- |
|
Св. 10,0 до 18,0 |
-0,24 |
- |
- |
- |
- |
Св. 3,0 до 6,0 |
-0,048 |
Св. 0,6 до 1,2 |
-0,12 |
Св. 2,0 до 3,2 |
-0,20 |
- |
- |
- |
- |
|
- |
- |
- |
- |
- |
- |
- |
- |
Св. 1,2 до 2,0 |
-0,16 |
Св. 3,2 до 6,0 |
-0,24 |
- |
- |
- |
- |
|
- |
- |
- |
- |
- |
- |
- |
- |
Св. 2,0 |
-0,20 |
Св. 6,0 до 10,0 |
-0,30 |
- |
- |
- |
- |
|
- |
- |
- |
- |
- |
- |
- |
- |
- |
- |
Св. 10,0 до 20,0 |
-0,40 |
- |
- |
- |
- |
* Кроме контакт-деталей типов ПГ, СГ, КГ, СД из сплавов ПлИ-25 и ПдИ-18 (см. табл. 22а).
Таблица 20а
Предельные отклонения размеров контакт-деталей типов ПЛ, 1Ф, 2Ф, 6Ф
мм
|
А; В |
L |
s |
h1 |
||||
|
Номин. |
Пред. откл. |
Номин. |
Пред. откл. |
Номин. |
Пред. откл. |
Номин. |
Пред. откл. |
|
От 1,0 до 3,0 |
-0,12 |
От 1,0 до 3,0 |
-0,06 |
0,1 |
-0,03 |
До 1,2 |
-0,12 |
|
Св. 3,0 до 6,0 |
-0,16 |
Св. 3,0 до 6,0 |
-0,08 |
Св. 0,1 до 0,5 |
-0,04 |
Св. 1,2 до 2,0 |
-0,16 |
|
Св. 6,0 до 10,0 |
-0,20 |
- |
- |
Св. 0,5 до 0,7 |
-0,06 |
Св. 2,0 |
-0,20 |
|
Св. 10,0 до 18,0 |
-0,24 |
- |
- |
Св. 0,7 до 1,0 |
-0,08 |
- |
- |
|
Св. 18,0 до 30,0 |
-0,28 |
- |
- |
Св. 1,0 до 1,5 |
-0,10 |
- |
- |
|
- |
- |
- |
- |
Св. 1,5 |
-0,12 |
- |
- |
Таблица 21а
Предельные отклонения радиусов сферы контакт-деталей всех типов
мм
|
Номин. |
Пред. откл. |
Номин. |
Пред. откл. |
|
От 0,3 до 0,4 |
± 0,2 |
Св. 5,0 до 8,0 |
-3,0 |
|
Св. 0,4 до 0,9 |
± 0,3 |
Св. 8,0 до 16,0 |
-3,5 |
|
Св. 0,9 до 3,0 |
± 0,8 |
Св. 16,0 до 30,0 |
-6,0 |
|
Св. 3,0 |
± 2,0 |
Св. 30,0 |
-10,0 |
Таблица 22а
Предельные отклонения размеров контакт-деталей типов ПГ, СГ, КГ, СД из сплавов марок ПлИ-25 и ПдИ-18
мм
|
D |
d |
h; l |
|||
|
Номин. |
Пред. откл. |
Номин. |
Пред. откл. |
Номин. |
Пред. откл. |
|
От 1,0 до 2,5 |
-0,12 |
От 0,6 до 1,0 |
-0,07 |
От 0,4 до 0,6 |
± 0,08 |
|
Св. 2,5 до 4,0 |
-0,30 |
От 1,0 до 2,0 |
-0,12 |
От 0,6 до 0,8 |
± 0,10 |
|
- |
- |
- |
- |
От 0,8 до 1,2 |
± 0,12 |
|
- |
- |
- |
- |
От 1,2 до 1,5 |
± 0,15 |
|
- |
- |
- |
- |
От 1,5 до 2,0 |
± 0,20 |
Таблица 23а
Предельные отклонения угловых величин контакт-деталей типов ПК, 1ПК, 2ПК, СК, 1СК, 2СК
мм
|
Номин. |
Пред. откл. |
|
От 45 до 60° |
± 3° |
|
Св. 60 до 90° |
± 5° |
Разд. 1а. (Введен дополнительно, Изм. № 2).
(Измененная редакция, Поправка).
1.1. (Исключен, Изм. № 2).
1.2. Контакт-детали должны быть изготовлены из благородных металлов и сплавов по ГОСТ 6835-2002, ГОСТ 6836-2002, ГОСТ 13498-79, ГОСТ 13462-79 и техническим условиям на сплавы конкретных марок.
(Измененная редакция, Изм. № 4).
1.3. Удельный дуговой износ, теоретическая плотность, температура плавления, твердость, удельное электросопротивление материала для контакт-деталей приведены в справочных приложениях 1 и 2.
1.4. (Исключен, Изм. № 2).
1.5. На рабочей поверхности контакт-деталей не допускается наличие плен, трещин, раковин, посторонних включений. Допускаются отдельные повреждения поверхности, не превышающие половины предельного отклонения на соответствующий размер и матовость поверхности.
Примечание. Рабочая поверхность контакт-деталей со сферической, конической головкой условно обозначена «0,5D» (черт. 2, 3, 4, 11, 12, 13, 18).
(Измененная редакция, Изм. № 4).
1.6. На нерабочей поверхности контакт-детали допускаются следы облоя, потемнения и отдельные поверхностные повреждения, если они не выводят размеры за предельные отклонения.
Заусенец на нерабочей поверхности контакт-детали не должен превышать:
0,1 мм при высоте головки (h) менее 1 мм - для контакт-деталей типов ПГ, СГ, КГ, СД, ПК, 1ПК, 2ПК, СК, ПС, СС;
0,1 h - для тех же типов контакт-деталей при h, равном и более 1 мм;
0,1 диаметра стержня (d) - на торце стержня контакт-деталей типов ПГ, СГ, КГ, ПЦ;
0,1 мм при толщине (s, s1) менее 1 мм - для контакт-деталей типов ПД, ПЛ, 1Ф, 2Ф, 6Ф;
0,1 s; 0,l s1 - для тех же типов контакт-деталей при s, s1 равных и более 1 мм.
1.7. Отклонение формы геометрической поверхности контакт-деталей не должно превышать установленных ниже норм.
1.7.1. Срез торца стержня контакт-детали в виде скоса не должен превышать 0,2 длины стержня (l).
1.7.2. Площадка на вершине конического стержня (h2) контакт-деталей типов ПК и СК не должна быть более 0,5 мм по диаметру.
1.7.3. Радиус скругления острых кромок контакт-деталей не должен превышать:
0,2 мм - при h, s, s1 менее 1 мм;
0,15 h; 0,15 s; 0,15 s1 - при h, s, s1 более 1 мм (где s, s1 - толщины плоских контакт-деталей).
1.7.4. Смещение оси стержня относительно оси головки у контакт-деталей типов ПГ, СГ, КГ, ПК, СК не должно превышать 0,05 диаметра головки (D).
1.7.5. Конусность пояска головки контакт-деталей не должна превышать 10°.
1.8. Контакт-детали изготавливают в неотожженном состоянии.
Примечание. По требованию заказчика (потребителя) контакт-детали изготавливают в отожженном состоянии.
2.1. Для проверки соответствия требованиям настоящего стандарта контакт-детали должны подвергаться приемо-сдаточным периодическим и типовым испытаниям.
2.2. Приемо-сдаточные испытания должны проводиться по программе, приведенной в табл. 1.
Таблица 1
|
Контролируемый параметр |
Пункты |
|
|
требований |
методов испытаний |
|
|
Размеры |
||
|
Химический состав |
||
|
Внешний вид |
||
2.2.1. Изделия предъявляют к приемке партиями. Партия состоит из контакт-деталей одного типоразмера, одной технологии изготовления, одной марки металла (сплава), предъявленных к приемке по одному документу.
2.2.2. При испытаниях по п. 1.5 контакт-детали подвергают проверке сплошным контролем.
2.2.3. Объем выборки в зависимости от предъявленной партии должен быть не более указанного в табл. 2.
Таблица 2
шт.
|
Объем партии |
Объем выборки |
|
50 и менее |
2 |
|
От 51 до 500 включ. |
5 |
|
» 501 » 35000 » |
8 |
|
» 35001 и более |
20 |
(Измененная редакция, Изм. № 1).
2.2.4. Испытания по п. 1.2 проводят путем отбора одной пробы от партии (плавки) контакт-деталей. Масса пробы должна соответствовать требованиям п. 3.2.
2.2.5. Если при приемо-сдаточных испытаниях в выборке обнаружено хотя бы у одного изделия несоответствие требованиям настоящего стандарта по двум и более контролируемым параметрам (или по одному параметру у двух и более изделий), то партию считают не выдержавшей испытания.
Если один параметр у одного из изделий выборки не соответствует требованиям настоящего стандарта, то испытаниям подвергают удвоенное количество изделий из той же партии по всем контролируемым параметрам.
При наличии дефектов в повторной выборке хотя бы в одном изделии, всю партию считают не выдержавшей испытания.
2.3. Периодические испытания следует проводить по всем пунктам технических требований не реже одного раза в год.
2.2.5, 2.3. (Измененная редакция, Изм. № 1).
2.4. Типовые испытания должны проводиться по программе периодических испытаний.
3.1. Контроль размеров и геометрической формы контакт-деталей производят с помощью измерительных приборов и инструментов с погрешностью не более 0,01 мм.
3.2. Химический состав контакт-деталей контролируют по ГОСТ 12550.1-82, ГОСТ 12552.1-77, ГОСТ 12552.2-77, ГОСТ 12550.2-82, ГОСТ 12551.1-82, ГОСТ 12551.2-82, ГОСТ 12558.1-78, ГОСТ 12558.2-78, ГОСТ 12559.1-82, ГОСТ 12559.2-82, ГОСТ 12562.1-82, ГОСТ 12562.2-82, ГОСТ 27973.0-88, ГОСТ 27973.1-88, ГОСТ 27973.2-88, ГОСТ 27973.3-88, ГОСТ 28353.0-89, ГОСТ 28353.1-89, ГОСТ 28353.2-89, ГОСТ 28353.3-89, ГОСТ 16321.1-70, ГОСТ 16321.2-70, ГОСТ 17234-71, ГОСТ 17235-71, ГОСТ 22864-83 и методикам на сплавы конкретных марок.
(Измененная редакция, Изм. № 3).
3.3. Контроль внешнего вида производят визуально.
Примечание. При контроле рабочей поверхности контакт-деталей с размерами рабочей части (D, d2, А, В) менее 2 мм и в спорных случаях допускается применение приборов с увеличением 7´.
4.1. Контакт-детали должны быть упакованы в мешки из плотной ткани и уложены в сплошные деревянные ящики. Ящики должны быть выложены внутри бумагой по ГОСТ 8273-75. Ящики пломбируют. Может быть применен другой вид упаковки, обеспечивающий сохранность контакт-деталей при транспортировании и хранении.
Масса упаковочного места не должна превышать 20 кг.
4.2. В каждое упаковочное место с контакт-деталями должен быть вложен упаковочный лист (ярлык) с указанием:
наименования (товарного знака) предприятия-изготовителя;
наименования изделия и его условного обозначения;
марки металла (сплава);
массы, г;
номера партии;
обозначения настоящего стандарта;
даты упаковки.
(Измененная редакция, Изм. № 1, 4).
4.3. Маркировка транспортной тары - по ГОСТ 14192-96.
(Измененная редакция, Изм. № 4).
4.4. Каждая партия контакт-деталей должна сопровождаться удостоверением, содержащим:
наименование или товарный знак предприятия-изготовителя;
наименование изделия и его условное обозначение;
марку металла (сплава);
номер партии;
массу, г;
химический состав;
обозначение настоящего стандарта;
количество мест;
дату и штамп ОТК.
(Измененная редакция, Изм. № 1, 4).
4.5. Контакт-детали могут транспортироваться любым видом транспортных средств закрытого типа.
4.6. Условия хранения контакт-деталей в части воздействия климатических факторов должны соответствовать группе 3 (Ж3) по ГОСТ 15150-69.
5.1. Изготовитель должен гарантировать соответствие контакт-деталей требованиям настоящего стандарта при соблюдении условий транспортирования и хранения, установленных настоящим стандартом.
5.2. Гарантийный срок хранения контакт-деталей - 15 лет с момента их изготовления.
|
Марка металла, сплава |
Теоретическая плотность, 1 × 103 кг/м3 |
Удельное электросопротивление, 10-6 Ом × м, не более |
Твердость HV, МПа (кгс/мм2), не менее |
Температура плавления, К |
|
|
Верхняя критическая точка |
Нижняя критическая точка |
||||
|
Серебро и его сплавы |
|||||
|
Ср 99,9; Ср 99,99 |
10,50 |
0,016 |
550 (55) |
1233,5 |
1233,5 |
|
СрМ 97 |
10,44 |
0,019 |
1000 (100) |
1213,0 |
1193,0 |
|
СрМ 92,5 |
10,36 |
0,019 |
1000 (100) |
1169,0 |
1052,0 |
|
СрМ 90 |
10,32 |
0,019 |
1100 (110) |
1148,0 |
1052,0 |
|
СрМ 87,5 |
10,28 |
0,019 |
1200 (120) |
1128,0 |
1052,0 |
|
СрМ 80 |
10,15 |
0,020 |
1200 (120) |
1078,0 |
1052,0 |
|
СрМ 50 |
9,66 |
0,021 |
1250 (125) |
1143,0 |
1052,0 |
|
СрПл 88-12 |
11,19 |
0,115 |
1200 (120) |
1333,0 |
1243,0 |
|
СрПд 80-20 |
10,79 |
0,106 |
1200 (120) |
1423,0 |
1343,0 |
|
СрМ-0,2 |
10,49 |
0,018 |
680 (68) |
1233,5 |
1233,5 |
|
СрН-90 |
10,31 |
0,020 |
640 (64) |
1233,0 |
1233,0 |
|
СрКд-86-14 |
10,20 |
0,047 |
800 (80) |
1073,0 |
1173,0 |
|
СрМгНЦр-99 |
10,46 |
0,032 |
400 (40) |
1223,0 |
1253,0 |
|
Золото и его сплавы |
|||||
|
Зл 99,9; Зл 99,99 |
19,30 |
0,020 |
500 (50) |
1336,0 |
1336,0 |
|
ЗлСр 75-25 |
15,96 |
0,099 |
850 (85) |
1318,0 |
1317,0 |
|
ЗлСр 60-40 |
14,45 |
0,108 |
900 (90) |
1302,0 |
1299,0 |
|
ЗлСрМ 58,5-8 |
13,24 |
0,140 |
2200 (220) |
1178,0 |
1151,0 |
|
ЗлСрМ 58,5-30 |
13,92 |
0,108 |
2000 (200) |
1153,0 |
1108,0 |
|
ЗлПл 93-7 |
19,44 |
0,102 |
1000 (100) |
1433,0 |
1383,0 |
|
ЗлН 95 |
18,24 |
0,123 |
1750 (175) |
1293,0 |
1263,0 |
|
Платина и ее сплавы |
|||||
|
Пл 99,9; Пл 99,93 |
21,45 |
0,11 |
900 (90) |
2045,0 |
2045,0 |
|
ПлИ-10 |
21,54 |
0,24 |
1650 (165) |
2968,0 |
2053,0 |
|
ПлИ-25 |
21,68 |
0,33 |
3000 (300) |
2148,0 |
2113,0 |
|
ПлН-4,5 |
20,17 |
0,22 |
2300 (230) |
2023,0 |
1993,0 |
|
Палладий и его сплавы |
|||||
|
Пд 99,9; Пд 99,8 |
12,16 |
0,11 |
800 (80) |
1825,0 |
1825,0 |
|
ПдСр-40 |
11,44 |
0,42 |
1400 (140) |
1660,0 |
1598,0 |
|
ПдИ-10 |
12,74 |
0,25 |
1300 (130) |
1953,0 |
1823,0 |
|
ПдИ-18 |
13,25 |
0,35 |
1750 (175) |
2023,0 |
1823,0 |
Примечания:
1. Твердость деформированного материала из чистого металла может измениться во время хранения при комнатной температуре.
2. Твердость проверялась по ГОСТ 7229-76 на материале со степенью деформации, соответствующей технологии изготовления контакт-деталей. Условия измерения твердости: величина нагрузки 5 кгс; продолжительность приложения нагрузки 30 с.
(Измененная редакция, Изм. № 2, 4).
|
Марка материала |
Удельный дуговой износ, мкг/Кл*, не более |
n** |
|
Ср 99,99 |
1,5 |
1,0 |
|
СрМ 92,5 |
1,5 |
1,6 |
|
СрМ 90 |
1,5 |
1,6 |
|
СрМ 87,5 |
1,5 |
1,6 |
|
СрМ 50 |
2,5 |
1,6 |
|
ПлИ-10 |
32 |
0,2 |
|
ПлИ-25 |
32 |
0,2 |
|
Пд 99,9 |
12 |
0,6 |
|
ПдИ-10 |
14 |
0,2 |
|
ПдИ-18 |
14 |
0,2 |
|
СрПд 80-20 |
3,8 |
1,2 |
|
ПдСр-40 |
12 |
1,1 |
* Удельный дуговой износ по ГОСТ 25188-82 для контакт-деталей, закрепленных неподвижно с фиксированным зазором 0,2 мм при токе в дуговом разряде 5 А.
** п - отношение длины дуги размыкания для контакт-деталей из указанного материала к длине дуги размыкания для контакт-деталей из Ср 99,99 при коммутации постоянного тока (начальный ток дуги размыкания 5 А, напряжение на разомкнутых контакт-деталях 30 В, нагрузка - активная).
(Измененная редакция, Изм. № 2, 4).

Пример условного обозначения контакта из серебра марки Ср 99,9 заклепочного типа со сферической головкой диаметром 5,0 мм, высотой головки 1,5 мм, диаметром стержня 2,5 мм, радиусом сферы 5,0 мм, длиной стержня 2,0 мм:
Контакт-деталь Ср 99,9 СГ 5042 ГОСТ 25852-83
(Введено дополнительно, Изм. № 2, 4).
ИНФОРМАЦИОННЫЕ ДАННЫЕ
1. РАЗРАБОТАН И ВНЕСЕН Государственным комитетом СССР по стандартам
ИСПОЛНИТЕЛИ
Г.С. Хаяк (руководитель темы), Е.М. Бычков, А.А. Куранов, Н.И. Тимофеев, И.Н. Саханская, Т.И. Беляева, Г.И. Гончаренко, Л.M. Ширяева
2. УТВЕРЖДЕН И ВВЕДЕН В ДЕЙСТВИЕ Постановлением Государственного комитета СССР по стандартам от 05.07.83 № 2913
3. ВВЕДЕН ВПЕРВЫЕ
4. ССЫЛОЧНЫЕ НОРМАТИВНО-ТЕХНИЧЕСКИЕ ДОКУМЕНТЫ
|
Обозначение НТД, на который дана ссылка |
Номер пункта, подпункта |
|
ГОСТ 13611.1-79 |
|
|
ГОСТ 13611.2-79 |
|
|
ГОСТ 13638.1-79 |
|
|
ГОСТ 13638.2-79 |
|
5. Переиздание, май 1987 г., с Изменениями № 1, 2, утвержденными в сентябре 1986 г., феврале 1987 г. (ИУС 12-86, 5-87).
6. Срок действия ограничен до 01.01.92 (Постановление Госстандарта СССР от 18.02.87 № 266).
СОДЕРЖАНИЕ
|
4. Упаковка, маркировка, транспортирование и хранение. 32 Приложение 1 Физико-механические свойства благородных металлов и сплавов, применяемых для изготовления контакт-деталей. 33 |