ГОСТ 26595-85
МЕЖГОСУДАРСТВЕННЫЙ СТАНДАРТ
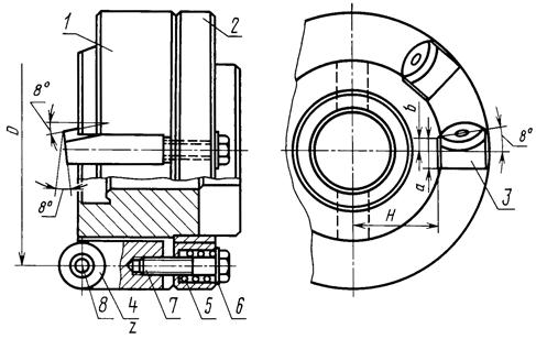
ФРЕЗЫ ТОРЦОВЫЕ С МЕХАНИЧЕСКИМ
КРЕПЛЕНИЕМ МНОГОГРАННЫХ ПЛАСТИН
ТИПЫ И ОСНОВНЫЕ РАЗМЕРЫ
|
|
Москва Стандартинформ 2010 |
МЕЖГОСУДАРСТВЕННЫЙ СТАНДАРТ
|
ФРЕЗЫ ТОРЦОВЫЕ С МЕХАНИЧЕСКИМ КРЕПЛЕНИЕМ
Типы и основные размеры Face milling cutters with
mechanically clamped indexable inserts. |
ГОСТ Взамен |
Постановлением Государственного комитета СССР по стандартам от 31 июля 1985 г. № 2446 дата введения установлена
с 01.07.86
_____________
* Издание (июнь 2010 г.) с Изменением № 1, утвержденным в декабре 1988 г. (ИУС 3-89).
1. Настоящий стандарт распространяется на праворежущие и леворежущие торцовые фрезы с регулируемыми и нерегулируемыми в осевом направлении вставками, оснащенными многогранными пластинами из минералокерамики, твердых сплавов, в том числе безвольфрамовых, а также твердосплавными пластинами с износостойким покрытием для черновой и получистовой обработки конструкционных и легированных сталей и чугуна.
Стандарт соответствует СТ СЭВ 200-75 в части присоединительных размеров.
2. Фрезы должны изготовляться типов:
А и В - закрепляемые на оправках;
С - закрепляемые на концах шпинделей.
3. Основные размеры фрез типов А и В должны соответствовать указанным на черт. 1 и в табл. 1.
Черт. 1
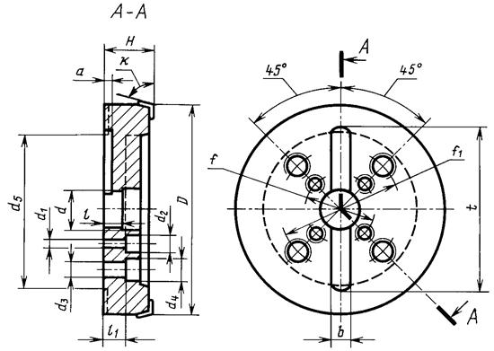
4. Основные размеры фрез типа С должны соответствовать указанным на черт. 2 и в табл. 2.
Черт. 2
Таблица 1
|
Обозначение праворежущих (леворежущих) фрез с пластинами формы |
Применяемость |
Исполнение |
D (поле допуска Js 16) |
d (поле допуска Н7) |
d1 |
d2 |
d3 |
H (пред. откл. ±0,15) |
l1 |
l2, не более |
Число зубьев |
|||
|
трехгранной χ 90° |
четырехгранной χ 75° |
пятигранной χ 67° |
круглой |
|||||||||||
|
2214-0351 (2214-0352) |
2214-0353 (2214-0354) |
2214-0355 (2214-0356) |
2214-0357 (2214-0358) |
А |
50 |
22 |
11,0 |
18 |
41 |
40 |
20 |
33 |
5 |
|
|
2214-0359 (2214-0361) |
2214-0362 (2214-0363) |
2214-0364 (2214-0365) |
2214-0366 (2214-0367) |
63 |
6 |
|||||||||
|
2214-0368 (2214-0369) |
2214-0371 (2214-0372) |
2214-0373 (2214-0374) |
2214-0375 (2214-0376) |
80 |
27 |
13,5 |
20 |
49 |
50 |
22 |
37 |
8 |
||
|
2214-0377 (2214-0378) |
2214-0379 (2214-0381) |
2214-0382 (2214-0383) |
2214-0384 (2214-0385) |
В |
- |
38 |
- |
10 |
||||||
|
2214-0386 (2214-0387) |
2214-0388 (2214-0389) |
2214-0391 (2214-0392) |
2214-0393 (2214-0394) |
А |
100 |
32 |
17,5 |
27 |
59 |
25 |
33 |
8 |
||
|
2214-0395 (2214-0396) |
2214-0397 (2214-0398) |
2214-0399 (2214-0401) |
2214-0402 (2214-0403) |
10 |
||||||||||
|
2214-0404 (2214-0405) |
2214-0406 (2214-0407) |
2214-0271 (2214-0272) |
2214-0537 (2214-0408) |
В |
- |
45 |
- |
8 |
||||||
|
2214-0409 (2214-0411) |
2214-0412 (2214-0413) |
2214-0533 (2214-0534) |
2214-0291 (2214-0414) |
10 |
||||||||||
|
2214-0415 (2214-0416) |
2214-0417 (2214-0418) |
2214-0273 (2214-0274) |
2214-0538 (2214-0419) |
125 |
40 |
56 |
71 |
63 |
28 |
- |
8 |
|||
|
2214-0421 (2214-0422) |
2214-0423 (2214-0424) |
2214-0535 (2214-0536) |
2214-0292 (2214-0425) |
12 |
||||||||||
|
2214-0539 (2214-0541) |
2214-0542 (2214-0543) |
2214-0544 (2214-0545) |
2214-0293 (2214-0546) |
160 |
90 |
14 |
||||||||
|
2214-0547 (2214-0548) |
2214-0549 (2214-0551) |
2214-0275 (2214-0276) |
2214-0552 (2214-0553) |
50 |
10 |
|||||||||
|
2214-0554 (2214-0555) |
2214-0556 (2214-0557) |
2214-0277 (2214-0278) |
2214-0558 (2214-0559) |
200 |
62 |
130 |
32 |
12 |
||||||
|
2214-0561 (2214-0562) |
2214-0563 (2214-0564) |
2214-0565 (2214-0566) |
2214-0294 (2214-0567) |
60 |
16 |
|||||||||
Таблица 2
|
Обозначение праворежущих (леворежущих) фрез с пластинами формы |
Применяемость |
D (поле допуска Js 16) |
H (пред. откл. ±0,15) |
d (поле допуска Н7) |
d1 |
d2 |
d3 |
d4 |
d5, не менее |
d6 |
l, не менее |
l1 |
f |
f1 |
t, не менее |
b (поле допуска H12) |
a (пред. откл. +0,5) |
Число зубьев |
|||
|
трехгранной χ 90° |
четырехгранной χ 75° |
пятигранной χ 67° |
круглой |
||||||||||||||||||
|
2214-0426 (2214-0427) |
2214-0428 (2214-0429) |
2214-0431 (2214-0432) |
2214-0433 (2214-0434) |
160 |
63 |
40 |
14 |
20 |
- |
- |
90 |
56 |
29 |
28 |
66,7 |
- |
105 |
16,4 |
9 |
10 |
|
|
2214-0435 (2214-0436) |
2214-0437 (2214-0438) |
2214-0439 (2214-0441) |
2214-0442 (2214-0443) |
16 |
|||||||||||||||||
|
2214-0444 (2214-0445) |
2214-0446 (2214-0447) |
2214-0448 (2214-0449) |
2214-0451 (2214-0452) |
200 |
60 |
18 |
26 |
130 |
62 |
32 |
32 |
101,6 |
155 |
25,7 |
14 |
12 |
|||||
|
2214-0453 (2214-0454) |
2214-0455 (2214-0456) |
2214-0457 (2214-0458) |
2214-0459 (2214-0461) |
20 |
|||||||||||||||||
|
2214-0462 (2214-0463) |
2214-0464 (2214-0465) |
2214-0466 (2214-0467) |
2214-0468 (2214-0469) |
250 |
14 |
||||||||||||||||
|
2214-0471 (2214-0472) |
2214-0473 (2214-0474) |
2214-0475 (2214-0476) |
2214-0477 (2214-0478) |
24 |
|||||||||||||||||
|
2214-0479 (2214-0481) |
2214-0482 (2214-0483) |
2214-0484 (2214-0485) |
2214-0486 (2214-0487) |
315 |
80 |
22 |
34 |
225 |
177,8 |
245 |
18 |
||||||||||
|
2214-0488 (2214-0489) |
2214-0491 (2214-0492) |
2214-0493 (2214-0494) |
2214-0495 (2214-0496) |
30 |
|||||||||||||||||
|
2214-0497 (2214-0498) |
2214-0499 (2214-0501) |
2214-0502 (2214-0503) |
2214-0504 (2214-0505) |
400 |
20 |
||||||||||||||||
|
2214-0506 (2214-0507) |
2214-0508 (2214-0509) |
2214-0511 (2214-0512) |
2214-0513 (2214-0514) |
40 |
|||||||||||||||||
|
2214-0515 (2214-0516) |
2214-0517 (2214-0518) |
2214-0519 (2214-0521) |
2214-0522 (2214-0523) |
500 |
26 |
||||||||||||||||
|
2214-0524 (2214-0525) |
2214-0526 (2214-0527) |
2214-0528 (2214-0529) |
2214-0531 (2214-0532) |
50 |
|||||||||||||||||
Примечание к табл. 1 и 2. Допускается изготовление фрез с углами в плане χ 45° и 60°. В этом случае в примере условного обозначения после обозначения фрезы указывают значение угла 45° или 60°.
Пример условного обозначения торцовой фрезы диаметром D = 100 мм, право-режущей с механическим креплением трехгранных пластин из твердого сплава, типа А, с числом зубьев 8:
Фреза 2214-0386 ГОСТ 26595-85
То же, леворежущей:
Фреза 2214-0387 ГОСТ 26595-85
То же, для пластин из минералокерамики:
Фреза 2214-0386 М ГОСТ 26595-85
То же, для пластин из безвольфрамового твердого сплава:
Фреза 2214-0386 Б ГОСТ 26595-85
Фрезы должны изготовляться праворежущими, леворежущие фрезы изготовляются по заказу потребителя.
2 - 4. (Измененная редакция, Изм. № 1).
ЭЛЕМЕНТЫ КОНСТРУКЦИИ И МЕТОДЫ КРЕПЛЕНИЯ ПЛАСТИН
1. Элементы конструкций и методы крепления торцовых фрез с механическим креплением трехгранных и четырехгранных пластин типов В и С регулируемых и нерегулируемых указаны на черт. 1 и в табл. 1.
1 - клин (кол. z); 2 - клин (кол. z), 3 - корпус; 4 - опора (кол. z), 5 - вставка (кол. z), 6 - пластина (кол. z)
Черт. 1
Таблица 1
|
Н для пластины |
а для пластины |
|||
|
трехгранной |
четырехгранной |
трехгранной |
четырехгранной |
|
|
100 |
- |
34,3 |
- |
4,4 |
|
125 |
40 |
46,8 |
7,8 |
5,5 |
|
160 |
57,4 |
64,1 |
9,9 |
7,0 |
|
200 |
77,3 |
84,2 |
12,4 |
8,7 |
|
250 |
103 |
111 |
15,3 |
10,9 |
|
315 |
135,5 |
114 |
18,2 |
13,7 |
|
400 |
178 |
187 |
24,4 |
17,4 |
|
500 |
228 |
237 |
30,6 |
21,8 |
2. Геометрические параметры фрез указаны в табл. 2.
Таблица 2
|
Угол в плане χ |
γ0 |
γp |
|
|
Трехгранная |
75° |
+12° -5° |
-10° -7° |
|
90° |
+7° |
0° |
|
|
Четырехгранная |
75° |
-7° +7° |
-5° 0° |
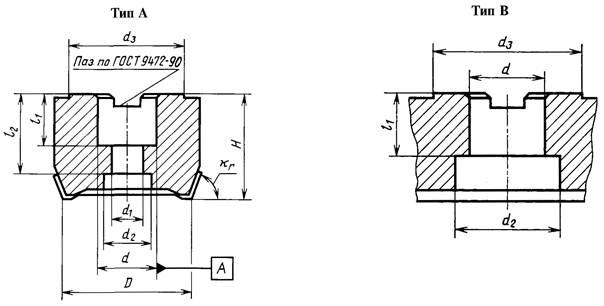
Элементы конструкции и методы крепления торцовых фрез нерегулируемых с механическим креплением пятигранных и круглых пластин типа А указаны на черт. 2 и в табл. 3.
1 - корпус; 2 - кольцо или втулка (кол. z); 3 - державка (кол. z); 4 - пластина (кол. z); 5 - пружина (кол. z); 6 - шайба (кол. z); 7 - болт (кол. z); 8 - штифт (кол. z)
Черт. 2
Таблица 3
|
Н для пластины |
а для пластины |
b для пластины |
||||
|
пятигранной |
круглой |
пятигранной |
круглой |
пятигранной |
круглой |
|
|
50 |
15,5 |
15,5 |
12Н9 |
10Н9 |
1,6 |
1 |
|
63 |
18,0 |
22,0 |
2,7 |
2 |
||
|
80 |
26,0 |
29,5 |
3,8 |
3 |
||
ПРИЛОЖЕНИЕ 1. (Измененная редакция, Изм. № 1).
Определение размеров D, Н и χр торцовых насадных фрез
1. Диаметр режущей части фрез измеряется в точке Р, являющейся пересечением рабочей плоскости с главной режущей кромкой или ее продолжением. Положения точки Р в зависимости от формы сменных режущих пластин указаны на черт. 4.
а - пластина с радиусом на вершине; б - пластина с торцовой режущей кромкой; в - пластина с торцовой режущей кромкой и с фаской на вершине; г - круглая пластина; д - пластина с торцовой режущей кромкой и с фаской на вершине
Черт. 4
2. Высота Н фрез измеряется от рабочей плоскости до торцовой опорной поверхности.
3. Номинальное значение главного угла в плане χр измеряется между рабочей плоскостью и главной режущей кромкой.
ПРИЛОЖЕНИЕ 2. (Введено дополнительно, Изм. № 1).