
ГОСУДАРСТВЕННЫЙ СТАНДАРТ
СОЮЗА ССР
АППАРАТУРА БОРТОВАЯ ЦИФРОВАЯ
САМОЛЕТОВ И ВЕРТОЛЕТОВ
МЕТОДЫ СТЕНДОВЫХ ИСПЫТАНИЙ
НА
РАБОТОСПОСОБНОСТЬ В УСЛОВИЯХ
ЭЛЕКТРОМАГНИТНЫХ ВОЗДЕЙСТВИЙ
ГОСТ 26807-86
ИПК ИЗДАТЕЛЬСТВО СТАНДАРТОВ
Москва
ГОСУДАРСТВЕННЫЙ СТАНДАРТ СОЮЗА ССР
|
АППАРАТУРА БОРТОВАЯ ЦИФРОВАЯ САМОЛЕТОВ И ВЕРТОЛЕТОВ Методы стендовых испытаний на работоспособность Airborne digital apparatus for aeroplanes
and helicopters. |
ГОСТ |
Дата введения 01.07.87
Настоящий стандарт распространяется на бортовую цифровую аппаратуру (радиоэлектронные и электронные устройства и их совокупность, включающие в себя элементы электронно-вычислительной и импульсной техники и обеспечивающие одну или несколько функций по приему, передаче, обработке, хранению цифровой информации) и сопрягаемое с ней бортовое оборудование.
Стандарт устанавливает методы стендовых испытаний бортовой цифровой аппаратуры (далее - аппаратуры) на работоспособность в условиях следующих электромагнитных воздействий:
воздействие повышением переходного напряжения сети переменного тока;
воздействие понижением переходного напряжения и перерывами напряжения сети переменного тока;
воздействие повышением переходного напряжения сети постоянного тока;
воздействие понижением переходного напряжения и перерывами напряжения сети постоянного тока;
воздействие импульсами напряжения в цепях электропитания переменного и постоянного токов;
воздействие магнитным полем;
воздействие электрическим полем;
воздействие импульсным электромагнитным полем.
Термины, применяемые в стандарте, и их пояснения приведены в приложении 1.
Требования приложения 2 настоящего стандарта являются рекомендуемыми, другие требования - обязательными.
(Измененная редакция, Изм. № 1).
1.1. Испытания на работоспособность в условиях электромагнитных воздействий должны проводиться в установившемся тепловом режиме в нормальных климатических условиях.
1.2. Оценка качества функционирования должна проводиться по критериям, принятым в НТД на соответствующую аппаратуру, а для вычислителей и БЦВМ - по выполнению тест-программы, позволяющей обнаружить искажения информации, возникающие в результате появления сбоев в различных цепях БЦВМ.
(Измененная редакция, Изм. № 1).
1.3. Тест-программу составляет разработчик аппаратуры и согласовывает с заказчиком; время проверки должно быть достаточным для пятикратного полного выполнения тест-программы.
1.4. При питании аппаратуры трехфазным переменным напряжением проверка должна проводиться при электромагнитном воздействии на все фазы одновременно.
1.5. При наличии у аппаратуры нескольких цепей электропитания с различными номинальными значениями напряжений проверка должна проводиться для каждой цепи питающего напряжения.
1.6. При проведении измерений в измерительных установках могут использоваться нестандартизованные средства измерения, приведенные в приложении 2.
1.7. Применяемая измерительная аппаратура должна быть поверена в соответствии с требованиями ГОСТ 8.513, а нестандартизованные средства измерения должны быть аттестованы в соответствии с ГОСТ 8.326.
1.8. (Исключен, Изм. № 1).
1.9. Для аппаратуры, состоящей из блоков, проверка должна проводиться по каждой внешней цепи и каждому межблочному соединению.
2.1. Воздействие повышением переходного напряжения сети переменного тока
2.1.1. Для проведения испытаний используют имитатор режимов работы сети переменного тока, основные параметры которого приведены в табл. 1.
Таблица 1
|
Значение параметра |
|
|
Диапазон выходных фазных напряжений, В |
От 0 до 200 включ. |
|
Частота напряжения источника питания, Гц |
От 300 до 500 включ. |
|
Диапазон изменения времени воздействия, с |
От 1,0·10-2 до 10 включ. |
|
Относительная погрешность установки напряжения, %, не более |
± 5 |
|
Относительная погрешность установки времени воздействия, %, не более |
± 5 |
2.1.2. Измерительную установку собирают в соответствии со структурной схемой, приведенной на черт. 1, и проверяют на функционирование.
1 - источник электроэнергии; 2 - имитатор режимов работы сети; 3 - проверяемая аппаратура
Черт. 1
2.1.3. Испытания должны проводиться в четыре цикла. Каждый цикл должен проводиться в трех режимах.
2.1.3.1. В первом и третьем режимах на вход цепи питания подают номинальное значение напряжения 115 В частотой 380 Гц в течение 600 с для оценки работоспособности аппаратуры до и после воздействия повышенного напряжения.
Во втором режиме на вход цепи питания цифровой аппаратуры подают повышенное значение переходного напряжения. Значения напряжений и время их воздействий для второго режима должны соответствовать указанным в табл. 2.
Таблица 2
|
Напряжение, В |
Время, с |
Частота напряжения, Гц |
|
|
1 |
180; 165* |
0,2 |
380 |
|
2 |
175; 155* |
0,5 |
|
|
3 |
160 |
2,0 - 5,0 |
|
|
4 |
140 |
1,0* |
_____________
* Должны применяться при проверке аппаратуры, предназначенной для установки на самолеты и вертолеты, разработанные после 01.01.90.
(Измененная редакция, Изм. № 1).
2.1.3.2. Для номинальных значений напряжений Uном, отличных от 115 В, значения повышенных переходных напряжений второго режима, указанные в табл. 2, должны быть соответственно умножены на коэффициент К, определяемый по формуле
![]()
2.1.4. При воздействии и после воздействия повышением переходного напряжения сети переменного тока работоспособность аппаратуры должна сохраняться.
2.2. Воздействие понижением переходного напряжения и перерывами напряжения сети переменного тока
2.2.1. Аппаратура - в соответствии с п. 2.1.1.
2.2.2. Подготовка к испытаниям - в соответствии с п. 2.1.2.
2.2.3. Испытания должны проводиться в четыре цикла. Каждый цикл должен проводиться в трех режимах.
В первом и третьем режимах на вход цепи питания подают номинальное значение напряжения 115 В частотой 380 Гц в течение 600 с для оценки работоспособности аппаратуры до и после воздействия пониженного напряжения.
Во втором режиме для первого цикла на вход цепи питания аппаратуры подают пониженное значение напряжения, для второго, третьего, четвертого циклов напряжение отсутствует (табл. 3).
Таблица 3
|
Напряжение, В |
Время, с |
Частота напряжения, Гц |
|
|
1 |
58; 80* |
1·10-1 |
380 |
|
2 |
0 |
1·10-2 |
|
|
3 |
0 |
8·10-2 |
|
|
4 |
0 |
7 |
_____________
* Должно применяться при проверке аппаратуры, предназначенной для установки на самолеты и вертолеты, разработанные после 01.01.90.
(Измененная редакция, Изм. № 1).
2.2.4. При воздействии и после воздействия понижением переходного напряжения сети переменного тока работоспособность аппаратуры должна сохраняться.
При перерывах напряжения сети переменного тока работоспособность аппаратуры должна сохраняться после окончания указанного воздействия. При этом не должно происходить искажения информации, хранимой в аппаратуре.
2.3. Воздействие повышением переходного напряжения сети постоянного тока
2.3.1. Для проведения испытаний используют имитатор режимов работы сети постоянного тока, основные параметры которого приведены в табл. 4.
Таблица 4
|
Значение параметра |
|
|
Диапазон изменения напряжения, В |
От 0 до 90 включ. |
|
Диапазон изменения времени воздействий, с |
От 1,0·10-2 до 10 включ. |
|
Относительная погрешность установки напряжения, %, не более |
± 5 |
|
Относительная погрешность установки времени воздействия, %, не более |
± 5 |
2.3.2. Подготовка к испытаниям - в соответствии с п. 2.1.2.
2.3.3. Испытания должны проводиться в четыре цикла. Каждый цикл должен проводиться в трех режимах.
В первом и третьем режимах на вход цепи питания проверяемой аппаратуры подают номинальное значение напряжения 27 В в течение 600 с для оценки работоспособности аппаратуры до и после воздействия повышенного напряжения. Во втором режиме на вход цепи питания проверяемой аппаратуры подают повышенное значение напряжения. Значения напряжений и время их воздействий для второго режима должны соответствовать указанным в табл. 5.
Таблица 5
|
Напряжение, В |
Время, с |
|
|
1 |
85 (45*); 65,0 (40**) |
0,3 (0,2*); 0,2** |
|
2 |
70 (44*); 53,5 (37**) |
0,6 (0,5*); 0,5** |
|
3 |
50 (40*); 41,0 (34**) |
1,9 (2,0*); 1,0** |
|
4 |
50 (35*) |
5,0 (5,0*) |
_____________
* Должны применяться для проверки аппаратуры, электропитание которой осуществляется через выпрямительные устройства от генератора переменного тока постоянной частоты.
** Должно применяться при проверке аппаратуры, предназначенной для установки на самолеты и вертолеты, разработанные после 01.01.90.
(Измененная редакция, Изм. № 1).
2.3.4. При воздействии и после воздействия повышением переходного напряжения сети постоянного тока работоспособность аппаратуры должна сохраняться.
2.4. Воздействие понижением переходного напряжения и перерывами напряжения сети постоянного тока
2.4.1. Аппаратура - в соответствии с п. 2.3.1.
2.4.2. Подготовка к испытаниям - в соответствии с п. 2.1.2.
2.4.3. Испытания должны проводиться в четыре цикла. Каждый цикл должен проводиться в трех режимах.
В первом и третьем режимах на вход цепи питания проверяемой аппаратуры подается номинальное значение напряжения 27 В в течение 600 с для оценки работоспособности аппаратуры до и после воздействия пониженного напряжения.
Во втором режиме для первого цикла на вход цепи питания аппаратуры подают пониженное значение напряжения, для второго, третьего, четвертого циклов напряжение отсутствует (табл. 6).
Таблица 6
|
Напряжение, В |
Время, с |
|
|
1 |
8 (13*); 13** |
1·10-1 |
|
2 |
0 |
1·10-2 |
|
3 |
0 |
8·10-2 |
|
4 |
0 |
7 |
_____________
* Должно применяться для проверки аппаратуры, электропитание которой осуществляется через выпрямительные устройства от генераторов переменного тока постоянной частоты.
** Должно применяться при проверке аппаратуры, предназначенной для установки на самолеты и вертолеты, разработанные после 01.01.90.
(Измененная редакция, Изм. № 1).
2.4.4. При воздействии и после воздействия понижением переходного напряжения сети постоянного тока работоспособность аппаратуры должна сохраняться.
При перерывах напряжения сети постоянного тока работоспособность аппаратуры должна сохраняться после окончания указанного воздействия. При этом не должно происходить искажения информации, хранимой в аппаратуре.
2.5. Воздействие импульсами напряжения в цепях электропитания переменного и постоянного токов
2.5.1. Измерительная аппаратура, необходимая для проведения проверки, приведена в табл. 7.
Таблица 7
|
Наименование измерительного прибора и его основные параметры |
Значение параметра |
|
Электронный осциллограф: |
|
|
максимальная амплитуда импульса на входе, В, не менее |
600 |
|
входное сопротивление, Ом, не менее |
1·106 |
|
относительная погрешность измерения амплитуды импульса, %, не более |
± 10 |
|
полоса пропускания, МГц |
От 0 до 5 включ. |
|
Генератор импульсов |
|
|
диапазон изменения амплитуды импульсов, В |
От 20 до 600 включ. |
|
относительная погрешность установки амплитуды импульса, % |
± 2 |
|
внутреннее сопротивление, Ом |
От 45 до 55 включ. |
|
длительность фронта нарастания импульса при длительности импульса 1,0·10-5 с, с |
2,0·10-6 |
|
частота следования импульсов, Гц |
От 1 до 50 включ. |
|
диапазон изменения длительности импульсов, с |
От 0,5·10-6 до 1,0·10-5 включ. |
2.5.2. Измерительную установку собирают в соответствии со структурной схемой, приведенной на черт. 2, и проверяют на функционирование.
1 - источник электроэнергии переменного (постоянного) тока; 2 - генератор импульсов; 3 - проверяемая аппаратура; 4 - электронный осциллограф
Черт. 2
2.5.3. Испытания проводят поочередно для каждой незаземленной питающей цепи, при этом генератор импульсов включают в разрыв питающей цепи.
2.5.3.1. Испытания должны проводиться в шесть циклов. Каждый цикл должен проводиться в трех режимах.
В первом и третьем режимах на вход цепи питания проверяемой аппаратуры подают номинальные значения напряжений переменного или постоянного тока в течение 600 с для оценки работоспособности аппаратуры до и после воздействия импульсами напряжения. Во втором режиме в цепи питания подают импульсы напряжения, характеристики которых для каждого цикла приведены в табл. 8.
Таблица 8
|
Амплитуда импульса, В |
Фронт нарастания импульса, с, не более |
Длительность импульса, с |
Частота повторения импульсов, Гц |
Время, с |
||
|
для сети переменного тока |
для сети постоянного тока |
|||||
|
1 |
+70 |
+50 |
5·10-7 |
1·10-6 |
50 |
20 |
|
2 |
-70 |
-50 |
5·10-7 |
1·10-6 |
50 |
20 |
|
3 |
+70 |
+50 |
5·10-7 |
3·10-6 |
50 |
20 |
|
4 |
-70 |
-50 |
5·10-7 |
3·10-6 |
50 |
20 |
|
5 |
+600 |
+600 |
2·10-6 |
1·10-5 |
1 |
60 |
|
6 |
-600 |
-600 |
2·10-6 |
1·10-5 |
1 |
60 |
2.5.3.2. Импульсы напряжения ± 70, ± 50 В должны накладываться на рабочее напряжение электропитания проверяемой аппаратуры и контролироваться при помощи осциллографа. Импульсы напряжения ± 600 В должны контролироваться при помощи осциллографа при отключенной нагрузке.
2.5.4. При воздействии и после воздействия импульсами напряжений, поступающими по цепям электропитания переменного и постоянного тока, работоспособность аппаратуры должна сохраняться.
2.6, 2.6.1 - 2.6.3, 2.6.3.1, 2.6.4. (Исключены, Изм. № 1).
2.7. Воздействие магнитным полем
2.7.1. Для проведения испытаний используют генератор низкой частоты, основные параметры которого приведены в табл. 10.
Таблица 10
|
Значение параметра |
|
|
Диапазон изменения силы тока, А |
От 0 до 25 включ. |
|
Частота, Гц |
400 |
|
Относительная погрешность установки частоты, %, не более |
± 10 |
|
Относительная погрешность установки силы тока, %, не более |
± 5 |
Минимальные размеры стороны листа должны быть 0,8 м, минимальная площадь листа - 1,5 м2. Лист должен быть заземлен.
Если длина жгута более 0,8 м, то часть жгута (провода) сворачивают в петли диаметром 0,3 - 0,4 м.
2.7.2.4. Испытания должны проводиться в два этапа. Измерительную установку для проведения испытаний по первому этапу собирают в соответствии со структурной схемой, приведенной на черт. 4, и проверяют на функционирование.
1 - эквивалент источника сигнала по входу и эквивалент нагрузки по выходу; 2 - жгут линии связи; 3 - проверяемая аппаратура; 4 - индуктор; 5 - генератор низкой частоты
Черт. 4*
_____________
* Черт. 3. (Исключен, Изм. № 1).
2.7.2.5. Измерительную установку для проведения испытаний по второму этапу собирают в соответствии со схемой, приведенной на черт. 5.
1 - эквивалент источника сигнала по входу и эквивалент нагрузки по выходу; 2 - жгут линии связи; 3 - провод-индуктор; 4 - проверяемая аппаратура; 5 - генератор низкой частоты
Черт. 5
2.7.2.7. Измерительную установку по п. 2.7.2.6 проверяют на функционирование.
2.7.3. Проведение испытаний
2.7.3.1. При проведении испытаний по первому этапу каждую наружную поверхность блока проверяемой аппаратуры зондируют плавным перемещением прямого проволочного индуктора, создающего магнитное поле, параллельно наружной поверхности блока на расстоянии от 0,15 до 0,20 м от этой поверхности.
Длина индуктора должна быть такой, чтобы он выходил за габариты проверяемого блока на расстояние не менее 0,6 м от каждого края, площадь сечения индуктора - не более 2 мм2.
Проводники, подводящие ток к индуктору, должны быть удалены на расстояние не менее 0,6 м от любой поверхности проверяемого блока.
Значение силы тока, протекающего через индуктор от генератора низкой частоты (5), и время проверки устанавливают в соответствии с приложением 3.
2.7.3.2. При проведении испытаний по второму этапу магнитное поле создают путем пропускания через провод-индуктор (3) тока от генератора низкой частоты (5).
Значение силы тока и время проверки должны устанавливаться в соответствии с приложением 3.
2.7.5. При воздействии и после воздействия магнитным полем работоспособность аппаратуры должна сохраняться.
2.8. Воздействие электрическим полем
2.8.1. Для проведения испытаний используют генератор низкой частоты, основные параметры которого приведены в табл. 11.
Таблица 11
|
Значение параметра |
|
|
Диапазон изменения напряжения, В |
От 0 до 380 включ. |
|
Относительная погрешность установки напряжения, %, не более |
± 5 |
|
Частота, Гц |
400 |
|
Относительная погрешность установки частоты, %, не более |
± 10 |
2.8.2. При подготовке к испытаниям проводят операции по пп. 2.7.2, 2.7.2.1 - 2.7.2.3.
Измерительную установку собирают в соответствии со структурной схемой, приведенной на черт. 6, при этом выполняют операции по п. 2.7.2.6.
Измерительную установку проверяют на функционирование.
1 - эквивалент источника сигнала по входу и эквивалент нагрузки по выходу; 2 - жгут линии связи; 3 - провод-индуктор; 4 - проверяемая аппаратура; 5 - генератор низкой частоты
Черт. 6
2.8.3. При проведении испытаний электрическое поле создают путем подачи напряжения на разомкнутый провод-индуктор (3) от генератора низкой частоты (5). Значение напряжения от генератора и время проверки устанавливают в соответствии с приложением 3.
2.8.4. При воздействии и после воздействия электрическим полем работоспособность аппаратуры должна сохраняться.
2.9. Воздействие импульсным электромагнитным полем
2.9.1. Для проведения испытаний используют генератор импульсов, основные параметры которого приведены в табл. 12.
Таблица 12
|
Значение параметра |
|
|
Амплитуда импульсного напряжения, В |
От 350 до 600 включ. |
|
Длительность импульса, с |
От 2·10-7 до 1·10-5 включ. |
|
Частота повторения импульсов, Гц |
От 1·103 до 2·104 включ. |
2.9.2. При подготовке к испытаниям проводят операции по пп. 2.7.2, 2.7.2.1, 2.7.2.2.
Измерительную установку собирают в соответствии со структурной схемой, приведенной на черт. 7, при этом параллельно технологическому жгуту линии связи прокладывают неэкранированный провод с сечением площадью 0,35 мм2 (провод-индуктор), который подсоединяют к генератору импульсов (5). Концы провода-индуктора должны располагаться на расстоянии от 0,15 до 0,20 м от сопрягаемых устройств.
1 - эквивалент источника сигнала по входу и эквивалент нагрузки по выходу; 2 - жгут линии связи; 3 - провод-индуктор; 4 - проверяемая аппаратура; 5 - генератор импульсов
Черт. 7
Измерительную установку проверяют на функционирование.
(Измененная редакция, Изм. № 1).
2.9.3. При проведении испытаний импульсное электромагнитное поле создают путем пропускания через провод-индуктор (3) импульсов тока от генератора импульсов (5).
Параметры импульсов от генератора импульсов (5) и время проверки устанавливают в соответствии с приложением 3.
2.9.4. При воздействии и после воздействия импульсным электромагнитным полем работоспособность аппаратуры должна сохраняться.
2.10, 2.10.1 - 2.10.4. (Исключены, Изм. № 1).
Справочное
ТЕРМИНЫ, ПРИМЕНЯЕМЫЕ В СТАНДАРТЕ, И ИХ ПОЯСНЕНИЯ
|
Термин |
Пояснение |
|
1. Работоспособность |
По ГОСТ 27.002 |
|
2. Система электроснабжения самолета, вертолета |
По ГОСТ 19705 |
|
3. Электромагнитное воздействие |
Нежелательное электрическое и (или) магнитное воздействие на бортовую цифровую аппаратуру или ее часть, которое может привести к искажению обрабатываемых, хранимых или передаваемых цифровых сигналов и источник которого не является частью этой аппаратуры |
|
4. Реальный жгут линии связи |
Конструктивно объединенные провода информационных цепей, предназначенные для монтажного соединения цифровой аппаратуры на самолете, вертолете |
|
5. Технологический жгут линии связи |
Конструктивно объединенные провода информационных цепей, соответствующие реальному жгуту линии связи в части длины, марки проводов и общей экранировки проводов и предназначенные для проверки аппаратуры |
|
6. Провод-индуктор |
Неэкранированный провод, навитый на жгут линии связи или проложенный параллельно ему и предназначенный для электромагнитного воздействия в измерительной установке |
Рекомендуемое
НЕСТАНДАРТИЗОВАННЫЕ СРЕДСТВА ИЗМЕРЕНИЯ
1. Имитатор режимов сети переменного тока выполняют по схеме, приведенной на черт. 1.
Черт. 1
На вход подключают напряжение сети переменного тока, на выход - проверяемую аппаратуру, к точкам а, б подключают устройство управления, обеспечивающее задаваемые характеристики воздействий.
2. Имитатор режимов сети постоянного тока выполняют по схеме, приведенной на черт. 2.
Черт. 2
К выводу 1 подключают «плюс» источника постоянного тока с регулируемым напряжением, к выводу 2 подключают «плюс» сети постоянного тока, к выводу 3 подключают «минус» источника и сети постоянного тока.
На выход подключают проверяемую аппаратуру, к точкам а, б подключают устройство управления, обеспечивающее заданные характеристики воздействий.
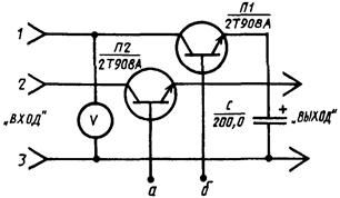
3. Генератор импульсов выполняют по схеме, приведенной на черт. 3 (используют при воздействии импульсов напряжения в цепях электропитания переменного и постоянного тока).
Черт. 3
На вход подают напряжение питания постоянного или переменного тока, на выход подключают проверяемую аппаратуру. Контроль импульсов на выходе осуществляют осциллографом. К точкам а и б подключают источник постоянного тока с регулируемым напряжением.
Число витков первичной обмотки трансформатора Т - 20 витков, число витков вторичной обмотки - 60 витков. Число витков дросселя - 50.
4. Генератор низкой частоты выполняют по схеме, приведенной на черт. 4 (используют при воздействии магнитного поля).
Черт. 4
На вход подают напряжение 115 В частотой 400 Гц, на выход подключают провод-индуктор.
5. Генератор низкой частоты выполняют по схеме, приведенной на черт. 5 (используют при воздействии электрического поля).
Черт. 5
На вход подают напряжение 115 В частотой 400 Гц, на выход подключают провод-индуктор.
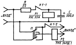
6. Генератор импульсов выполняют по схеме, приведенной на черт. 6 (используют при воздействии импульсного электромагнитного поля).
На вход подают постоянное напряжение 27 В, на выход подключают провод-индуктор.
Электромагнитное поле создается в результате переходных процессов в проводе-индукторе при коммутации катушки реле Р2 с током потребления 0,16 А.
Черт. 6
Обязательное
ЗНАЧЕНИЯ ПАРАМЕТРОВ ЭЛЕКТРОМАГНИТНЫХ ВОЗДЕЙСТВИЙ
1. (Исключен, Изм. № 1).
2. При воздействии магнитным полем по первому этапу проверки магнитное поле создают путем пропускания через индуктор тока силой 20 А частотой 400 Гц. Продолжительность проверки 60 с.
По второму этапу проверки магнитное поле создают путем пропускания через провод-индуктор тока силой 18 А частотой 400 Гц. Продолжительность проверки 60 с.
3. При воздействии электрическим полем электрическое поле создают путем подачи на разомкнутый провод-индуктор напряжения 360 В частотой 400 Гц. Продолжительность проверки 60 с.
4. При воздействии импульсным электромагнитным полем импульсное электромагнитное поле создают путем пропускания через провод-индуктор импульсов напряжения от 350 до 600 В положительной и отрицательной полярности от генератора импульсов.
5. (Исключен, Изм. № 1).
ИНФОРМАЦИОННЫЕ ДАННЫЕ
1. РАЗРАБОТАН И ВНЕСЕН Министерством авиационной промышленности
РАЗРАБОТЧИКИ
В.А. Ацуковский (руководитель темы), В.Д. Замотин
2. УТВЕРЖДЕН И ВВЕДЕН В ДЕЙСТВИЕ Постановлением Государственного комитета СССР по стандартизации от 27.01.86 № 190
3. Срок проверки - 1992 г.
4. ВВЕДЕН ВПЕРВЫЕ
5. ССЫЛОЧНЫЕ НОРМАТИВНО-ТЕХНИЧЕСКИЕ ДОКУМЕНТЫ
6. Ограничение срока действия снято Постановлением Госстандарта от 11.08.92 № 935
7. ПЕРЕИЗДАНИЕ (январь 1997 г.) с Изменением № 1, утвержденным в августе 1992 г. (ИУС 11-92)
СОДЕРЖАНИЕ
|
Приложение 1. Термины, применяемые в стандарте, и их пояснения. 9 Приложение 2. Нестандартизованные средства измерения. 9 Приложение 3. Значения параметров электромагнитных воздействий. 11 |