
ГОСУДАРСТВЕННЫЙ СТАНДАРТ СОЮЗА ССР
ГИДРОАППАРАТЫ ВСТАВНЫЕ
ПРИСОЕДИНИТЕЛЬНЫЕ РАЗМЕРЫ МОНТАЖНЫХ
ОТВЕРСТИЙ
ГОСТ 27790-88
ГОСУДАРСТВЕННЫЙ КОМИТЕТ СССР ПО СТАНДАРТАМ
Москва
ГОСУДАРСТВЕННЫЙ СТАНДАРТ СОЮЗА ССР
|
Присоединительные размеры монтажных отверстий Slip-in cartridge hydraulic valves. Mounting dimensions of cavities |
ГОСТ |
Дата введения 01.07.89
Настоящий стандарт распространяется на монтажные отверстия для вставных гидроаппаратов с условными проходами от 16 до 100 мм на номинальное давление до 32 МПа.
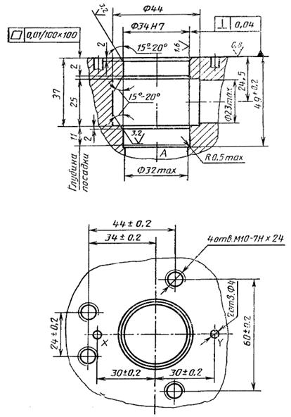
1. Присоединительные размеры отверстий для монтажа гидроаппаратов должны соответствовать указанным на черт. 1 и в таблице.
2. Присоединительные размеры отверстий для монтажа гидроаппаратов с уменьшенной посадочной длиной и условными проходами до 32 мм приведены в приложении.
3. Неуказанные предельные отклонения размеров: Н14, h14, ![]()
4. Обозначение присоединительных отверстий - по ГОСТ 24242-80.
5. Отверстие G под установочный штифт выполняют при необходимости.
Черт. 1
Размеры, мм
|
b max |
b1 min |
b2 min |
d1 H7 |
d3 H7 |
d3 |
d3 max |
d4 |
d4 max |
d5 max |
d6 H7 |
d7 H13 |
m ± 0,3 |
m1 ± 0,2 |
m2 ± 0,2 |
m3 ± 0,2 |
m4 ± 0,2 |
m5 |
t1 +0,1 |
t2 |
t3 |
t4 |
t4 при d4 max |
t5 |
t6 |
t7 |
t8 |
|
t10 |
U |
W в расчете на t2 |
||
|
Номин. |
Пред. откл. |
|||||||||||||||||||||||||||||||
|
16 |
- |
65 |
65 |
32 |
25 |
16 |
25 |
16 |
25 |
4 |
M8 |
4 |
- |
46 |
25 |
25 |
23,0 |
10,5 |
43 |
56 |
+0,1 |
11 |
34 |
29,5 |
20 |
20 |
2,0 |
2,0 |
0,5 |
10 |
0,03 |
0,05 |
|
25 |
- |
85 |
85 |
45 |
34 |
25 |
34 |
25 |
32 |
6 |
M12 |
6 |
- |
58 |
33 |
33 |
29,0 |
16,0 |
58 |
72 |
12 |
44 |
40,5 |
30 |
25 |
2,5 |
2,5 |
1,0 |
10 |
0,03 |
0,05 |
|
|
32 |
- |
102 |
102 |
60 |
45 |
32 |
45 |
32 |
40 |
8 |
M16 |
6 |
- |
70 |
41 |
41 |
35,0 |
17,0 |
70 |
85 |
13 |
52 |
48,0 |
30 |
35 |
2,5 |
2,5 |
1,5 |
10 |
0,03 |
0,10 |
|
|
40 |
- |
125 |
125 |
75 |
55 |
40 |
55 |
40 |
50 |
10 |
M20 |
6 |
- |
85 |
50 |
50 |
42,5 |
23,0 |
87 |
105 |
15 |
64 |
59,0 |
30 |
35 |
3,0 |
3,0 |
2,5 |
10 |
0,05 |
0,10 |
|
|
50 |
- |
140 |
140 |
90 |
68 |
50 |
68 |
50 |
63 |
10 |
M20 |
8 |
- |
100 |
58 |
58 |
50,0 |
30,0 |
100 |
122 |
17 |
72 |
65,5 |
35 |
40 |
4,0 |
3,0 |
2,5 |
10 |
0,05 |
0,10 |
|
|
63 |
- |
180 |
180 |
120 |
90 |
63 |
90 |
63 |
80 |
12 |
M30 |
8 |
- |
125 |
75 |
75 |
62,5 |
38,0 |
130 |
155 |
20 |
95 |
86,5 |
40 |
55 |
4,0 |
4,0 |
3,0 |
10 |
0,05 |
0,20 |
|
|
80 |
250 |
- |
- |
145 |
110 |
80 |
110 |
80 |
100 |
16 |
M24 |
10 |
200 |
- |
- |
- |
- |
- |
175 |
205 |
+0,2 |
25 |
130 |
120,0 |
40 |
45 |
5,0 |
5,0 |
4,5 |
10 |
0,05 |
0,20 |
|
100 |
300 |
- |
- |
180 |
135 |
100 |
135 |
100 |
125 |
20 |
M30 |
10 |
245 |
- |
- |
- |
- |
- |
210 |
245 |
29 |
155 |
142,5 |
50 |
55 |
5,0 |
5,0 |
4,5 |
10 |
0,05 |
0,20 |
|
* Размер для справок.
Рекомендуемое
ИНФОРМАЦИОННЫЕ ДАННЫЕ
1. РАЗРАБОТАН И ВНЕСЕН Министерством станкостроительной и инструментальной промышленности СССР
ИСПОЛНИТЕЛИ:
В.Я. Скрицкий, канд. техн. наук; В.С. Макаров; П.З. Гуцевич; А.И. Гольдшмидт; Б.Я. Ладензон; И.А. Зусер; О.П. Денисова; А.Е. Окунев; Л.А. Степанцова
2. УТВЕРЖДЕН И ВВЕДЕН В ДЕЙСТВИЕ Постановлением Государственного комитета СССР по стандартам от 27.07.88 № 2768
3. Срок проверки 1995 г.
4. ВВЕДЕН ВПЕРВЫЕ
5. ССЫЛОЧНЫЕ НОРМАТИВНО-ТЕХНИЧЕСКИЕ ДОКУМЕНТЫ
|
Номер пункта |
|
|
ГОСТ 24242-80 |