Nc metal-cutting machine tools. Prismatic shanks of holders.Design

ГОСУДАРСТВЕННЫЙ СТАНДАРТ СОЮЗА ССР

 

СТАНКИ МЕТАЛЛОРЕЖУЩИЕ
С ЧИСЛОВЫМ ПРОГРАММНЫМ
УПРАВЛЕНИЕМ. ХВОСТОВИКИ ДЕРЖАВОК
ПРИЗМАТИЧЕСКИЕ

конструкция

 

ГОСТ 28120-89

(СТ СЭВ 6299-88)

 

 

 

ГОСУДАРСТВЕННЫЙ КОМИТЕТ СССР ПО СТАНДАРТАМ

Москва

 

ГОСУДАРСТВЕННЫЙ СТАНДАРТ СОЮЗА ССР

СТАНКИ МЕТАЛЛОРЕЖУЩИЕ С ЧИСЛОВЫМ ПРОГРАММНЫМ УПРАВЛЕНИЕМ. ХВОСТОВИКИ ДЕРЖАВОК ПРИЗМАТИЧЕСКИЕ

Конструкция

NC metal-cutting machine tools.

Prismatic shanks of holders. Design

ГОСТ
28120-89

(CT СЭВ 6299-88)

Дата введения 01.01.90

Несоблюдение стандарта преследуется по закону

Настоящий стандарт распространяется на хвостовики державок с базирующей призмой для токарных станков с числовым программным управлением и устанавливает основные и присоединительные размеры хвостовиков, а также револьверной головки или переходной плиты.

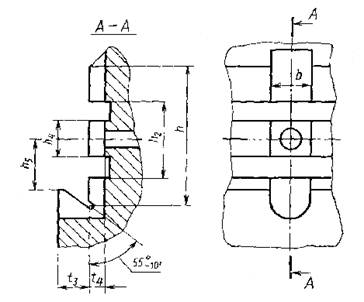
1. Основные и присоединительные размеры хвостовиков должны соответствовать указанным на черт. 1 и в табл. 1.

Черт. 1

Таблица 1

мм

h

h1,

не более

h2

h3,

не более

h4,

не более

t1

t2

-0,2

b

h5

f

L

Номин.

Пред. откл.

56

-0,1

52

32

39

20

13

5

16

3

65

72

68

42

53

20 (25)

15

6

20

85

90

-0,2

85

50

71

25 (30)

17

25

5

100

115

110

65

95

32 (45)

19

108; 125

140

135

80

115

40 (60)

23

8

118; 160

Примечания:

1. Отверстие для подвода смазочно-охлаждающей жидкости может быть размещено в осевом упоре.

2. Допускается исполнение осевого упора в виде привертываемой планки.

3. Размеры, заключенные в скобках, при новом проектировании не применять.

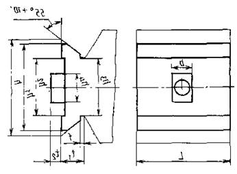
2. Присоединительные размеры револьверной головки или переходной плиты должны соответствовать указанным на черт. 2 и в табл. 2.

Черт. 2

Таблица 2

мм

h

h2

h4, не более

h5

t3, не более

t4

b

Н6

56

32

20

21

12

5,5

16

72

42

20 (25)

28

14

6,5

20

90

50

25 (30)

37

16

25

115

65

32 (45)

49

18

140

80

40 (60)

59

22

Примечания:

1. Отверстие для подвода смазочно-охлаждающей жидкости может быть размещено в пазу для осевого упора.

2. Допускается размещение паза для осевого упора в привертываемой планке.

3. Размеры, заключенные в скобках, при новом проектировании не применять.

 

ИНФОРМАЦИОННЫЕ ДАННЫЕ

1. РАЗРАБОТАН И ВНЕСЕН Министерством станкостроительной и инструментальной промышленности СССР

ИСПОЛНИТЕЛИ

А.Н. Байков, Ю.А. Архипов, С.С. Кедров, А.Д. Новицкая

2. УТВЕРЖДЕН И ВВЕДЕН В ДЕЙСТВИЕ Постановлением Государственного комитета СССР по стандартам от 25.04.89 № 1082

3. Срок проверки 1999 г., периодичность проверки - 10 лет

4. Стандарт полностью соответствует СТ СЭВ 6299-88

5. ВВЕДЕН ВПЕРВЫЕ