Push button switchers for hand electric motors up to 10 A and 250 V. Basic dimensions

ГОСТ 28315-89

МЕЖГОСУДАРСТВЕННЫЙ СТАНДАРТ

 

ВЫКЛЮЧАТЕЛИ КНОПОЧНЫЕ
НАЖИМНЫЕ ДЛЯ РУЧНЫХ
ЭЛЕКТРИЧЕСКИХ МАШИН
ДО 10 А и 250 В

ОСНОВНЫЕ РАЗМЕРЫ

 

 

Москва

Стандартинформ

2006

 

Группа Е71

МЕЖГОСУДАРСТВЕННЫЙ СТАНДАРТ

ВЫКЛЮЧАТЕЛИ КНОПОЧНЫЕ
НАЖИМНЫЕ ДЛЯ РУЧНЫХ
ЭЛЕКТРИЧЕСКИХ МАШИН
ДО 10 А и 250 В

Основные размеры

Push button switches for hand electric motors
up to 10 A and 250 V. Overall dimensions

ГОСТ
28315-89

Дата введения 01.01.91

Настоящий стандарт распространяется на кнопочные выключатели на номинальное напряжение до 250 В и номинальный переменный ток до 10 А с элементами управления электронными регуляторами скорости или без них для встройки в ручные электрические машины класса II по ГОСТ 12.2.013 (далее - выключатели), изготавливаемые для нужд народного хозяйства и экспорта.

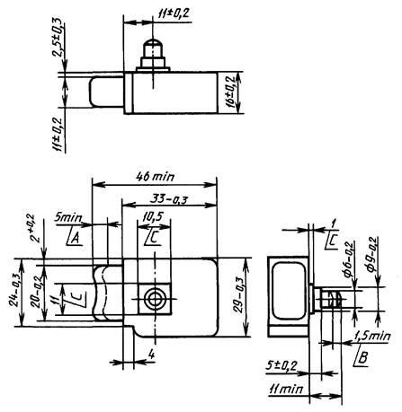
1. Основные размеры выключателя с фиксацией приведены на чертеже.

А - ход кнопки управления; В - ход кнопки фиксации; С - направляющая часть кнопки для фиксации

Примечания:

1. Размеры части кнопки управления, выступающей из кожуха минимально на 8 мм, не должны превышать указанных на чертеже. Остальная часть кнопки управления по размерам и форме может быть выбрана произвольно.

2. Диаметр части кнопки для фиксации, выступающей из кожуха минимально на 2 мм, не должен превышать указанного на чертеже. Остальная часть кнопки для фиксации по размерам и форме может быть выбрана произвольно.

3. Направляющая часть кнопки для фиксации не должна превышать заданных размеров, однако во втулке инструмента должно быть для нее свободное пространство; допускается выступ другой формы или его отсутствие.

На выключателях, в которых фиксация не допускается или не требуется, размеры кнопки фиксации не регламентируют.

2. Зажимы выключателей для присоединения к сети должны быть торцевые по ГОСТ 25034 и должны позволять присоединение проводников в диапазоне согласно ГОСТ 12.2.013.

3. На кнопке управления выключателя допускаются выступы элементов управления электронными регуляторами скорости, не выходящие более чем на 5 мм за торцевую поверхность кнопки управления.

ПРИЛОЖЕНИЕ

Обязательное

СВЕДЕНИЯ О СООТВЕТСТВИИ ССЫЛОК НА СТАНДАРТЫ СЭВ ССЫЛКАМ НА ГОСУДАРСТВЕННЫЕ СТАНДАРТЫ

Раздел, в котором приведена ссылка

Обозначение стандарта СЭВ

Обозначение государственного стандарта

Вводная часть, 2

СТ СЭВ 789-86

ГОСТ 12.2.013-87

2

СТ СЭВ 2188-80

ГОСТ 25034-85

 

ИНФОРМАЦИОННЫЕ ДАННЫЕ

1. ВНЕСЕН Министерством электротехнической промышленности и приборостроения СССР

2. Постановлением Государственного комитета СССР по стандартам от 27.10.89 № 3233 стандарт Совета Экономической Взаимопомощи СТ СЭВ 6455-88 «Выключатели кнопочные нажимные для ручных электрических машин до 10 А и 250 В. Основные размеры» введен в действие непосредственно в качестве государственного стандарта СССР с 01.01.91

3. ВВЕДЕН ВПЕРВЫЕ

4. ССЫЛОЧНЫЕ НОРМАТИВНО-ТЕХНИЧЕСКИЕ ДОКУМЕНТЫ

Обозначение НТД, на который дана ссылка

Номер пункта

ГОСТ 12.2.013-87

Вводная часть, 2

ГОСТ 25034-85

2

5. Ограничение срока действия снято по протоколу № 5-94 Межгосударственного совета по стандартизации, метрологии и сертификации (ИУС 11-12-94)

6. ПЕРЕИЗДАНИЕ. Июнь 2006 г.