Industrial aggregate-module robots. Foundations. Types. Basic dimensions

ГОСУДАРСТВЕННЫЙ СТАНДАРТ СОЮЗА ССР

 

РОБОТЫ ПРОМЫШЛЕННЫЕ
АГРЕГАТНО-МОДУЛЬНЫЕ

ОСНОВАНИЯ. ТИПЫ, ОСНОВНЫЕ РАЗМЕРЫ

 

ГОСТ 28395-89

 

 

 

ГОСУДАРСТВЕННЫЙ КОМИТЕТ СССР ПО УПРАВЛЕНИЮ
КАЧЕСТВОМ ПРОДУКЦИИ И СТАНДАРТАМ

Москва

 

 

ГОСУДАРСТВЕННЫЙ СТАНДАРТ СОЮЗА ССР

РОБОТЫ ПРОМЫШЛЕННЫЕ АГРЕГАТНО-МОДУЛЬНЫЕ.

Основания. Типы, основные размеры

Industrial aggregate-module robots. Foundations. Types. Basic dimensions

ГОСТ
28395-89

Срок действия с 01.01.91

до 01.01.96

Настоящий стандарт распространяется на напольные неподвижные основания (ННО), применяемые в составе промышленных роботов агрегатно-модульной конструкции.

Стандарт не распространяется на основания промышленных роботов, выпуск которых начат до введения настоящего стандарта в действие.

1. Основания по расположению стыковочной плоскости для установки сопрягаемого модуля относительно фундамента разделяются на следующие типы:

А - с горизонтальным расположением;

Б - с наклонным расположением;

В - с вертикальным расположением.

2. Основания по форме стыковочной плоскости делят на следующие виды:

К - круглые;

П - прямоугольные;

Д - другие виды.

3. Стыковочные плоскости ННО по назначению делят на две группы:

I - для стыковки с сопрягаемым модулем (модулями);

II - для стыковки с закладными элементами фундамента.

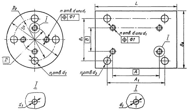
4. Значения основных габаритных и присоединительных размеров оснований к фундаменту должны соответствовать указанным на чертеже и в таблице 1.

5. Присоединительные размеры оснований к сопрягаемым исполнительным модулям должны соответствовать указанным на чертеже и в таблице 2.

Межцентровые расстояния A, В, D выбирают из ряда R20 (28 ...) по ГОСТ 8032.

Количество отверстий выбирают из ряда: 2, 3, 4, 6, 8, 12, 16.

6. Допускается использовать в конструкциях мест крепления исполнительных модулей к основанию дополнительные конструктивные элементы, например, посадочные отверстия и выступы, шпоночные пазы, штифтовые отверстия и др.

7. Пример условного обозначения основания с горизонтальным (А) расположением стыковочной плоскости относительно фундамента круглой формы (К) диаметром 630 мм:

Основание АК630

Пример условного обозначения основания с вертикальным (В) расположением стыковочной плоскости относительно фундамента прямоугольной формы (П) шириной 630 мм и длиной 1250 мм:

Основание ВП630´1250

d - номинальные диаметры резьбовых отверстий; d1 - номинальные диаметры крепежных отверстий; t - позиционный допуск осей крепежных отверстий

Таблица 1

Наименование параметра

Значение параметров, мм, не менее

Предельные отклонения

Длина - L

500

630

800

1000

1250

1600

2000

2500

3200

h14

Ширина - В2

(диаметр - D)

250

320

400

500

630

800

1000

1250

1600

h14

Межцентровые расстояния - В1 (D1)

224

280

360

450

560

710

900

1120

1400

Межцентровые расстояния - A1

450

560

710

900

1120

1400

1800

2240

2800

Номинальные диаметры отверстий гладких d2

8,4 (9,0)

10,5 (11,0)

13 (14)

17 (18)

21 (22)

-

Высота - Н

200; 250; 320; 400; 500; 630; 800; 1000

-

Количество отверстий (n1)

3; 4; 61; 8; 12; 16

-

Примечание. Допускается в технически обоснованных случаях номинальные диаметры гладких отверстий выбирать из ряда R20 (9...), а также увеличивать (уменьшать) на шаг.

Таблица 2

Размеры в мм

d

d1

H14

t

М4

М5

4,5

5,5

0,16

М6

6,6

0,2

М8

М10

9,0

11,0

0,3

М12

М16

М20

М24

14,0

18,0

22,0

26,0

0,6

М30

М36

33,0

39,0

1,0

ИНФОРМАЦИОННЫЕ ДАННЫЕ

1. РАЗРАБОТАН И ВНЕСЕН Министерством станкостроительной и инструментальной промышленности СССР

РАЗРАБОТЧИКИ:

А.И. Аликов, А.Е. Богачев, А.Г. Гринфельдт, В.В. Крупнов

2. УТВЕРЖДЕН И ВВЕДЕН В ДЕЙСТВИЕ Постановлением Государственного комитета СССР по управлению качеством продукции и стандартам от 21.12.89 № 3939

3. ВВЕДЕН ВПЕРВЫЕ

4. Срок проверки - 1995 г.; периодичность - 5 лет

5. ССЫЛОЧНЫЕ НОРМАТИВНО-ТЕХНИЧЕСКИЕ ДОКУМЕНТЫ

Обозначение НТД, на который дана ссылка

Номер пункта

ГОСТ 8032-84

5