ГОСУДАРСТВЕННЫЙ СТАНДАРТ СОЮЗА ССР
КРАНЫ КОНСОЛЬНЫЕ
ЭЛЕКТРИЧЕСКИЕ
ПЕРЕДВИЖНЫЕ
типы
ГОСТ 28448-90
ГОСУДАРСТВЕННЫЙ КОМИТЕТ СССР ПО УПРАВЛЕНИЮ
КАЧЕСТВОМ ПРОДУКЦИИ И СТАНДАРТАМ
Москва
ГОСУДАРСТВЕННЫЙ СТАНДАРТ СОЮЗА ССР
|
КРАНЫ КОНСОЛЬНЫЕ ЭЛЕКТРИЧЕСКИЕ ПЕРЕДВИЖНЫЕ Типы Movable electric cantilever cranes. Types |
ГОСТ |
Срок действия с 01.01.91
до 01.01.96
Настоящий стандарт распространяется на консольные электрические передвижные краны групп режима работы 6К и 4К по ГОСТ 25546 (далее - краны).
Краны группы режима работы 6К для металлургического производства с грузовой тележкой, управляемые из кабины, грузоподъемностью от 5 до 16 т изготавливают в климатическом исполнении У категории размещения 2 по ГОСТ 15150 для работы при температурах от плюс 50 до минус 40 °С.
Краны группы режима работы 4К общего назначения с электрической талью по ГОСТ 22584 или зарубежного производства с технической характеристикой, аналогичной электроталям по ГОСТ 22584, с механизмом передвижения грузоподъемностью от 1 до 16 т, управляемые с пола, изготавливают в климатическом исполнении У категорий размещения 1, 2 и 3 по ГОСТ 15150.
Краны работают на трехфазном токе напряжением 220 или 380 В, частотой 50 Гц.
Стандарт не распространяется на краны, предназначенные для работы во взрывоопасной и пожароопасной средах, в помещениях с парами кислот и щелочей.
Стандарт устанавливает типы, основные параметры и размеры кранов, установочные размеры на подкрановые пути с указанием предельных отклонений размеров на укладку подкрановых рельсов, рекомендуемые коэффициенты динамичности для выбора подкрановых путей.
1. Краны разделяют на типы:
1 - консольный передвижной для металлургического производства группы режима работы 6К;
2 - консольный передвижной общего назначения группы режима работы 4К;
3 - консольный передвижной с поворотной стрелой общего назначения группы режима работы 4К.
2. Основные параметры и размеры кранов типа 1 должны соответствовать указанным на черт. 1 и в табл. 1, типа 2 - на черт. 2 и в табл. 2, типа 3 - на черт. 3 и в табл. 3.
Примечание. Черт. 1 - 3 не определяют конструкцию крана.
Таблица 1
Размеры, м
|
Грузоподъемность Q, т |
Вылет |
Высота подъема H |
Расстояние между осями горизонтальных рельсов S, не более |
В |
С |
В1 |
|
||
|
наименьший Rmin |
наибольший Rmax |
|
|||||||
|
31 5922 6031 03 |
5,0 |
0,66 |
5,0 |
16 |
3,0 |
4,8 |
2,82 |
3,5 |
|
|
31 5922 6032 02 |
20 |
|
|||||||
|
31 5922 6033 01 |
0,91 |
24 |
|
||||||
|
31 5922 6034 00 |
28 |
|
|||||||
|
31 5922 6035 10 |
32 |
|
|||||||
|
31 5922 6036 09 |
36 |
|
|||||||
|
31 5922 6037 08 |
0,66 |
6,3 |
16 |
|
|||||
|
31 5922 6038 07 |
20 |
|
|||||||
|
31 5922 6039 06 |
0,91 |
24 |
|
||||||
|
31 5922 6041 01 |
28 |
|
|||||||
|
31 5922 6042 00 |
32 |
|
|||||||
|
31 5922 6043 10 |
36 |
|
|||||||
|
31 5922 6044 09 |
0,66 |
8,0 |
16 |
|
|||||
|
31 5922 6045 08 |
20 |
|
|||||||
|
31 5922 6046 07 |
0,91 |
24 |
|
||||||
|
31 5922 6047 06 |
28 |
|
|||||||
|
31 5922 6048 05 |
32 |
|
|||||||
|
31 5922 6049 04 |
36 |
|
|||||||
|
31 5922 6051 10 |
0,6 |
10,0 |
16 |
|
|||||
|
31 5922 6052 09 |
20 |
|
|||||||
|
31 5922 6053 08 |
24 |
|
|||||||
|
31 5922 6054 07 |
|||||||||
|
28 |
|||||||||
|
31 5922 6055 06 |
|||||||||
|
32 |
|||||||||
|
31 5922 6056 05 |
|||||||||
|
36 |
|||||||||
|
31 5922 7011 03 |
|||||||||
|
8,0 |
0,66 |
5,0 |
16 |
|
|||||
|
31 5922 7012 02 |
20 |
|
|||||||
|
31 5922 7013 01 |
0,91 |
24 |
|
||||||
|
31 5922 7014 00 |
28 |
|
|||||||
|
31 5922 7015 10 |
32 |
|
|||||||
|
31 5922 7016 09 |
36 |
|
|||||||
|
31 5922 7017 08 |
8,0 |
0,66 |
6,3 |
16 |
3,0 |
4,8 |
2,82 |
3,5 |
|
|
31 5922 7018 07 |
20 |
|
|||||||
|
31 5922 7019 06 |
0,91 |
24 |
|
||||||
|
31 5922 7021 01 |
28 |
|
|||||||
|
31 5922 7022 00 |
32 |
|
|||||||
|
31 5922 7023 10 |
36 |
|
|||||||
|
31 5922 7024 09 |
0,66 |
8,0 |
16 |
|
|||||
|
31 5922 7025 08 |
20 |
|
|||||||
|
31 5922 7026 07 |
0,91 |
24 |
|
||||||
|
31 5922 7027 06 |
28 |
|
|||||||
|
31 5922 7028 05 |
32 |
|
|||||||
|
31 5922 7029 04 |
36 |
|
|||||||
|
31 5922 8011 10 |
12,5 |
5,0 |
16 |
5,0 |
5,8 |
2,9 |
5,0 |
|
|
|
31 5922 8012 09 |
20 |
|
|||||||
|
31 5922 8013 08 |
24 |
|
|||||||
|
31 5922 8014 07 |
28 |
|
|||||||
|
31 5922 8015 06 |
32 |
|
|||||||
|
31 5922 8016 05 |
36 |
|
|||||||
|
31 5922 8017 04 |
6,3 |
16 |
|
||||||
|
31 5922 8018 03 |
20 |
|
|||||||
|
31 5922 8019 02 |
24 |
|
|||||||
|
31 5922 8021 08 |
28 |
|
|||||||
|
31 5922 8022 07 |
32 |
|
|||||||
|
31 5922 8023 06 |
36 |
|
|||||||
|
31 5922 9011 06 |
16,0 |
5,0 |
16 |
|
|||||
|
31 5922 9012 05 |
20 |
|
|||||||
|
31 5922 9013 04 |
24 |
|
|||||||
|
31 5922 9014 03 |
28 |
|
|||||||
|
31 5922 9015 02 |
32 |
|
|||||||
|
31 5922 9016 01 |
36 |
|
|||||||
|
c1 |
В2 |
с2 |
Задний габарит L1 |
Расстояние от крюка до оси верхнего горизонтального рельса h |
Статическая нагрузка на колесо крана, кН, не более |
Конструктивная масса, т, не более |
Удельная масса, т/т∙м |
|
|
горизонтальное Т |
вертикальное V |
|||||||
|
0,7 |
2,21 |
1,3 |
0,32 |
2,3 |
90 |
90 |
11,75 |
0,470 |
|
11,85 |
0,474 |
|||||||
|
2,5 |
12,25 |
0,490 |
||||||
|
12,45 |
0,498 |
|||||||
|
12,65 |
0,506 |
|||||||
|
12,85 |
0,514 |
|||||||
|
2,3 |
120 |
95 |
12,50 |
0,397 |
||||
|
12,60 |
0,399 |
|||||||
|
2,5 |
13,00 |
0,413 |
||||||
|
13,20 |
0,420 |
|||||||
|
13,40 |
0,426 |
|||||||
|
13,60 |
0,432 |
|||||||
|
2,3 |
150 |
100 |
13,50 |
0,338 |
||||
|
13,60 |
0,340 |
|||||||
|
2,5 |
14,00 |
0,350 |
||||||
|
14,20 |
0,355 |
|||||||
|
14,40 |
0,360 |
|||||||
|
14,60 |
0,365 |
|||||||
|
2,0 |
190 |
110 |
14,70 |
0,294 |
||||
|
14,80 |
0,296 |
|||||||
|
15,20 |
0,304 |
|||||||
|
15,40 |
0,308 |
|||||||
|
15,60 |
0,312 |
|||||||
|
15,80 |
0,316 |
|||||||
|
2,3 |
115 |
125 |
12,9 |
0,323 |
||||
|
13,0 |
0,325 |
|||||||
|
2,5 |
13,4 |
0,335 |
||||||
|
13,6 |
0,340 |
|||||||
|
13,8 |
0,345 |
|||||||
|
14,0 |
0,350 |
|||||||
|
0,7 |
2,21 |
1,3 |
0,32 |
2,3 |
150 |
130 |
13,9 |
0,276 |
|
14,0 |
0,278 |
|||||||
|
2,5 |
14,4 |
0,286 |
||||||
|
14,6 |
0,290 |
|||||||
|
14,8 |
0,294 |
|||||||
|
15,0 |
0,298 |
|||||||
|
2,3 |
200 |
135 |
14,9 |
0,233 |
||||
|
15,0 |
0,235 |
|||||||
|
2,5 |
15,4 |
0,241 |
||||||
|
15,6 |
0,244 |
|||||||
|
15,8 |
0,247 |
|||||||
|
16,0 |
0,250 |
|||||||
|
0,8 |
2,8 |
1,8 |
4,0 |
115 |
165 |
16,9 |
0,271 |
|
|
17,0 |
0,272 |
|||||||
|
17,4 |
0,279 |
|||||||
|
17,6 |
0,282 |
|||||||
|
17,8 |
0,285 |
|||||||
|
18,0 |
0,288 |
|||||||
|
150 |
170 |
17,9 |
0,228 |
|||||
|
18,0 |
0,229 |
|||||||
|
18,4 |
0,234 |
|||||||
|
18,6 |
0,237 |
|||||||
|
18,8 |
0,239 |
|||||||
|
19,0 |
0,242 |
|||||||
|
150 |
220 |
23,9 |
0,299 |
|||||
|
24,0 |
0,300 |
|||||||
|
24,4 |
0,305 |
|||||||
|
24,6 |
0,308 |
|||||||
|
24,8 |
0,310 |
|||||||
|
25,0 |
0,313 |
|||||||
Допускается отклонение линейных размеров на ± 5 %.
3. Скорости механизмов крана типа 1:
0,32 м/с - механизма подъема;
0,63 м/с - механизма передвижения грузовой тележки;
1,6 м/с - механизма передвижения крана.
Скорости механизмов кранов типов 2 и 3:
0,14 м/с (8 м/мин) - механизма подъема кранов грузоподъемностью 1 - 8 т;
0,071 м/с (4 м/мин) - механизма подъема кранов грузоподъемностью 12,5 и 16 т;
0,5 м/с (32 м/мин) - механизма передвижения грузовой тележки;
0,8 м/с (50 м/мин) - механизма передвижения крана;
0,008 с-1 (0,5 об/мин) - частота вращения консоли с вылетом крюка 8 и 10 м для крана типа 3;
0,016 с-1 (1 об/мин) - частота вращения консоли с вылетом крюка 5 и 6,3 м для кранов типа 3;
0,032 с-1 (2 об/мин) - частота вращения консоли с вылетом крюка 2,5; 3,2; 4 м для кранов типа 3.
Допускается отклонение скоростей на ± 15 %.
4. Условное обозначение должно состоять из аббревиатуры ККП (кран консольный передвижной), обозначения типа, значений грузоподъемности, наибольшего вылета крюка и высоты подъема.
Пример условного обозначения крана типа 2 грузоподъемностью 2 т, с наибольшим вылетом крюка 10 м и высотой подъема 12 м:
ККП2-2-10-12 ГОСТ 28448-90
5. Установленная мощность электродвигателей и удельный расход электроэнергии не должны превышать значений, указанных в табл. 4.
6. Диапазон подъема крюка для кранов типов 2 и 3 - в соответствии с технической характеристикой электрической тали.
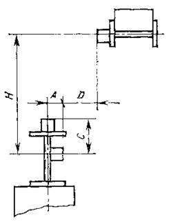
7. Установочные размеры кранов на подкрановые пути с указанием предельных отклонений размеров на укладку подкрановых рельсов приведены на черт. 4 и в табл. 5.
8. Рекомендуемые коэффициенты жесткости и динамичности для выбора подкрановых путей кранов при расстоянии между опорными колоннами 6,0 м даны в табл. 6.
Таблица 2
Размеры, м
|
Грузоподъемность Q, т |
Вылет |
Высота подъема Н |
Расстояние между осями горизонтальных рельсов S |
в |
в1 |
|
||
|
наименьший Rmin |
наибольший Rmax |
|
||||||
|
31 5922 2014 00 |
1,0 |
0,23 |
4,0 |
6,3 |
3,0 |
3,14 |
2,4 |
|
|
31 5922 2015 08 |
0,33 |
12 |
|
|||||
|
31 5922 2016 07 |
0,44 |
18 |
|
|||||
|
31 5922 2017 06 |
0,23 |
5,0 |
6,3 |
|
||||
|
31 5922 2018 05 |
0,33 |
12 |
|
|||||
|
31 5922 2019 04 |
0,44 |
18 |
|
|||||
|
31 5922 2021 10 |
0,23 |
6,3 |
6,3 |
|
||||
|
31 5922 2022 09 |
0,33 |
12 |
|
|||||
|
31 5922 2023 08 |
0,44 |
18 |
|
|||||
|
31 5922 2024 07 |
0,23 |
8,0 |
6,3 |
|
||||
|
31 5922 2025 06 |
0,33 |
12 |
|
|||||
|
31 5922 2026 05 |
0,44 |
18 |
|
|||||
|
31 5922 2027 04 |
0,23 |
10,0 |
6,3 |
|
||||
|
31 5922 2028 03 |
0,33 |
12 |
|
|||||
|
31 5922 2029 02 |
0,44 |
18 |
|
|||||
|
31 5922 4021 02 |
2,0 |
0,28 |
4,0 |
6,3 |
|
|||
|
31 5922 4022 01 |
0,38 |
12 |
|
|||||
|
31 5922 4023 00 |
0,48 |
18 |
|
|||||
|
31 5922 4024 10 |
0,28 |
5,0 |
6,3 |
|
||||
|
31 5922 4025 09 |
0,38 |
12 |
|
|||||
|
31 5922 4026 08 |
0,48 |
18 |
|
|||||
|
31 5922 4027 07 |
0,28 |
6,3 |
6,3 |
|
||||
|
31 5922 4028 06 |
0,38 |
12 |
|
|||||
|
31 5922 4029 05 |
0,48 |
18 |
|
|||||
|
31 5922 4031 00 |
0,28 |
8,0 |
6,3 |
|
||||
|
31 5922 4032 10 |
0,38 |
12 |
|
|||||
|
31 5922 4033 09 |
0,48 |
18 |
|
|||||
|
31 5922 4034 08 |
0,28 |
10,0 |
6,3 |
|
||||
|
31 5922 4035 07 |
0,38 |
12 |
|
|||||
|
31 5922 4036 06 |
0,48 |
18 |
|
|||||
|
31 5922 3024 03 |
3,2 |
0,36 |
4,0 |
6,3 |
3,0 |
3,14 |
2,4 |
|
|
31 5922 3025 02 |
0,47 |
12 |
|
|||||
|
31 5922 3026 01 |
0,583 |
18 |
|
|||||
|
31 5922 3027 09 |
0,36 |
5,0 |
6,3 |
|
||||
|
31 5922 3028 10 |
0,47 |
12 |
|
|||||
|
31 5922 3029 09 |
0,585 |
18 |
|
|||||
|
31 5922 3031 94 |
0,36 |
6,3 |
6,3 |
|
||||
|
31 5922 3032 03 |
0,47 |
12 |
|
|||||
|
31 5922 3033 02 |
0,585 |
18 |
|
|||||
|
31 5922 3034 01 |
0,36 |
8,0 |
6,3 |
4,1 |
3,0 |
|
||
|
31 5922 3035 08 |
0,47 |
12 |
|
|||||
|
31 5922 3036 10 |
0,585 |
18 |
|
|||||
|
31 5922 3037 09 |
0,36 |
10,0 |
6,3 |
|
||||
|
31 5922 3038 08 |
||||||||
|
0,47 |
12 |
|||||||
|
31 5922 3039 07 |
||||||||
|
0,585 |
18 |
|
||||||
|
31 5922 6057 04 |
5,0 |
0,315 |
4,0 |
6,3 |
|
|||
|
31 5922 6061 08 |
0,315 |
5,0 |
6,3 |
|
||||
|
31 5922 6064 05 |
0,315 |
6,3 |
6,3 |
|
||||
|
31 5922 6067 02 |
0,315 |
8,0 |
6,3 |
|
||||
|
31 5922 6068 01 |
0,415 |
12 |
|
|||||
|
31 5922 6069 08 |
0,52 |
18 |
|
|||||
|
31 5922 6071 06 |
0,315 |
10,0 |
6,3 |
|
||||
|
31 5922 6072 05 |
0,415 |
12 |
|
|||||
|
31 5922 6073 04 |
0,52 |
18 |
|
|||||
|
31 5922 7031 10 |
8,0 |
0,319 |
4,0 |
6,3 |
3,0 |
4,1 |
3,0 |
|
|
31 5922 7032 09 |
0,419 |
12 |
|
|||||
|
31 5922 7033 08 |
0,56 |
18 |
|
|||||
|
31 5922 7034 07 |
0,319 |
5,0 |
6,3 |
|
||||
|
31 5922 7035 06 |
0,419 |
12 |
|
|||||
|
31 5922 7036 05 |
0,56 |
18 |
|
|||||
|
31 5922 7037 04 |
0,319 |
6,3 |
6,3 |
|
||||
|
31 5922 7038 03 |
0,419 |
12 |
|
|||||
|
31 5922 7039 02 |
0,56 |
18 |
|
|||||
|
31 5922 8024 05 |
12,5 |
4,0 |
6,3 |
|
||||
|
31 5922 8025 04 |
12 |
|
||||||
|
31 5922 8026 03 |
18 |
|
||||||
|
31 5922 8027 02 |
5,0 |
6,3 |
|
|||||
|
31 5922 8028 01 |
12 |
|
||||||
|
31 5922 8029 00 |
18 |
|
||||||
|
31 5922 9017 00 |
16,0 |
4,0 |
6,3 |
|
||||
|
31 5922 9018 10 |
12 |
|
||||||
|
31 5922 9019 09 |
18 |
|
||||||
|
B2 |
Задний габарит L2 |
Расстояние от крюка до оси верхнего горизонтального рельса h |
Статическая нагрузка на колесо крана, кН, не более |
Конструктивная масса, т, не более |
Удельная масса, т/т∙м |
|
|
горизонтальное Т |
вертикальное V |
|||||
|
1,2 |
0,300 |
1,7 |
13 |
19 |
2,625 |
0,656 |
|
2,650 |
0,662 |
|||||
|
2,675 |
0,668 |
|||||
|
15 |
19,5 |
2,710 |
0,542 |
|||
|
2,735 |
0,547 |
|||||
|
2,760 |
0,552 |
|||||
|
20 |
20,0 |
2,815 |
0,446 |
|||
|
2,840 |
0,450 |
|||||
|
2,865 |
0,454 |
|||||
|
25 |
21,5 |
3,170 |
0,396 |
|||
|
3,195 |
0,399 |
|||||
|
3,220 |
0,402 |
|||||
|
32 |
22,5 |
3,330 |
0,333 |
|||
|
3,355 |
0,335 |
|||||
|
3,380 |
0,338 |
|||||
|
2,0 |
22 |
24,5 |
2,720 |
0,34 |
||
|
2,755 |
0,344 |
|||||
|
2,790 |
0,348 |
|||||
|
28 |
25,5 |
2,985 |
0,298 |
|||
|
3,020 |
0,302 |
|||||
|
3,055 |
0,305 |
|||||
|
35 |
26,0 |
3,090 |
0,245 |
|||
|
3,125 |
0,248 |
|||||
|
3,160 |
0,250 |
|||||
|
50 |
30,5 |
3,905 |
0,244 |
|||
|
3,940 |
0,246 |
|||||
|
3,975 |
0,248 |
|||||
|
60 |
31,5 |
4,095 |
0,204 |
|||
|
4,130 |
0,206 |
|||||
|
4,165 |
0,208 |
|||||
|
1,2 |
0,300 |
2,22 |
35 |
32,5 |
3,060 |
0,239 |
|
3,105 |
0,243 |
|||||
|
3,150 |
0,246 |
|||||
|
40 |
35,5 |
3,685 |
0,230 |
|||
|
3,730 |
0,233 |
|||||
|
3,775 |
0,236 |
|||||
|
59 |
36,0 |
3,819 |
0,189 |
|||
|
3,855 |
0,191 |
|||||
|
3,900 |
0,193 |
|||||
|
1,6 |
72 |
38,0 |
4,180 |
0,163 |
||
|
4,225 |
0,165 |
|||||
|
4,270 |
0,167 |
|||||
|
88 |
43,5 |
4,350 |
0,136 |
|||
|
4,395 |
0,137 |
|||||
|
4,440 |
0,139 |
|||||
|
2,5 |
45 |
45,0 |
3,795 |
0,190 |
||
|
3,850 |
0,193 |
|||||
|
3,910 |
0,196 |
|||||
|
60 |
47,0 |
4,280 |
0,171 |
|||
|
4,335 |
0,173 |
|||||
|
4,395 |
0,176 |
|||||
|
80 |
48,0 |
4,450 |
0,141 |
|||
|
4,505 |
0,143 |
|||||
|
4,565 |
0,145 |
|||||
|
100 |
51,0 |
4,940 |
0,124 |
|||
|
4,995 |
0,125 |
|||||
|
5,055 |
0,126 |
|||||
|
120 |
67,0 |
5,200 |
0,104 |
|||
|
5,255 |
0,105 |
|||||
|
5,315 |
0,106 |
|||||
|
1,6 |
0,300 |
2,5 |
78 |
66,0 |
4,930 |
0,154 |
|
5,030 |
0,157 |
|||||
|
5,135 |
0,160 |
|||||
|
100 |
67,5 |
5,230 |
0,130 |
|||
|
5,330 |
0,133 |
|||||
|
5,440 |
0,136 |
|||||
|
120 |
70,0 |
5,370 |
0,100 |
|||
|
5,470 |
0,108 |
|||||
|
5,580 |
0,110 |
|||||
|
110 |
92,0 |
5,600 |
0,112 |
|||
|
5,700 |
0,114 |
|||||
|
5,800 |
0,116 |
|||||
|
115 |
92,5 |
5,700 |
0,091 |
|||
|
5,800 |
0,092 |
|||||
|
5,900 |
0,094 |
|||||
|
135 |
107,5 |
5,200 |
0,081 |
|||
|
5,300 |
0,082 |
|||||
|
5,400 |
0,084 |
|||||
Размеры, м
|
Грузоподъемность Q, т |
Вылет |
Высота подъема Н |
Расстояние |
Задний габарит L2 |
Вертикальный подход h, не более |
Статическая нагрузка на колесо крана, кН, не более |
Конструктивная масса, т, не более |
Удельная масса, т/т∙м |
|
||||
|
наименьший Rmin |
Наибольший Rmax |
между осями горизонтальных рельсов S |
от оси вращения до оси вертикального рельса L1 |
||||||||||
|
горизонтальное Т |
вертикальное V |
|
|||||||||||
|
31 5922 2031 08 |
1,0, |
0,7 |
2,5 |
6,3 |
3,0 |
1,0 |
0,3 |
3,1 |
12,0 |
15,0 |
1,875 |
0,75 |
|
|
31 5922 2032 07 |
12 |
1,900 |
0,76 |
|
|||||||||
|
31 5922 2033 06 |
18 |
1,925 |
0,77 |
|
|||||||||
|
31 5922 2034 05 |
3,2 |
6,3 |
13,0 |
16,0 |
2,120 |
0,663 |
|
||||||
|
31 5922 2035 04 |
12 |
2,145 |
0,670 |
|
|||||||||
|
31 5922 2036 03 |
18 |
2,170 |
0,678 |
|
|||||||||
|
31 5922 2037 02 |
4,0 |
6,3 |
15,0 |
18,0 |
2,490 |
0,623 |
|
||||||
|
31 5922 2038 01 |
12 |
2,515 |
0,629 |
|
|||||||||
|
31 5922 2039 00 |
18 |
2,540 |
0,635 |
|
|||||||||
|
31 5922 2041 06 |
5,0 |
6,3 |
17,0 |
18,5 |
2,575 |
0,515 |
|
||||||
|
31 5922 2042 05 |
12 |
2,600 |
0,52 |
|
|||||||||
|
31 5922 2043 04 |
18 |
2,626 |
0,525 |
|
|||||||||
|
31 5922 2044 03 |
6,3 |
6,3 |
20,0 |
19,0 |
2,655 |
0,421 |
|
||||||
|
31 5922 2045 02 |
12 |
2,680 |
0,425 |
|
|||||||||
|
31 5922 2046 01 |
18 |
2,705 |
0,429 |
|
|||||||||
|
31 5922 2047 00 |
8,0 |
6,3 |
20,5 |
22,0 |
3,325 |
0,416 |
|
||||||
|
31 5922 2048 10 |
12 |
3,350 |
0,419 |
|
|||||||||
|
31 5922 2049 09 |
18 |
3,375 |
0,422 |
|
|||||||||
|
31 5922 2051 04 |
1,0 |
0,7 |
10,0 |
6,3 |
3,0 |
1,0 |
0,3 |
3,1 |
30,0 |
23,0 |
3,475 |
0,348 |
|
|
31 5922 2053 03 |
12 |
3,500 |
0,35 |
|
|||||||||
|
31 5922 2054 02 |
18 |
3,525 |
0,353 |
|
|||||||||
|
31 5922 4037 05 |
2,0 |
0,75 |
2,5 |
6,3 |
18,0 |
23,0 |
2,370 |
0,474 |
|
||||
|
31 5922 4038 04 |
12 |
2,405 |
0,481 |
|
|||||||||
|
31 5922 4039 03 |
18 |
2,440 |
0,488 |
|
|||||||||
|
31 5922 4041 09 |
3,2 |
6,3 |
21,0 |
23,5 |
2,540 |
0,397 |
|
||||||
|
31 5922 4042 08 |
12 |
2,575 |
0,402 |
|
|||||||||
|
31 5922 4043 07 |
18 |
2,610 |
0,408 |
|
|||||||||
|
31 5922 4044 06 |
4,0 |
6,3 |
24,0 |
24,0 |
2,580 |
0,323 |
|
||||||
|
31 5922 4045 05 |
12 |
2,615 |
0,327 |
|
|||||||||
|
31 5922 4046 04 |
18 |
2,650 |
0,331 |
|
|||||||||
|
31 5922 4047 03 |
5,0 |
6,3 |
29,0 |
26,0 |
3,140 |
0,314 |
|
||||||
|
31 5922 4048 02 |
12 |
3,175 |
0,318 |
|
|||||||||
|
31 5922 4049 01 |
18 |
3,210 |
0,321 |
|
|||||||||
|
31 5922 4051 07 |
6,3 |
6,3 |
34,5 |
27,0 |
3,270 |
0,260 |
|
||||||
|
31 5922 4052 06 |
12 |
3,305 |
0,262 |
|
|||||||||
|
31 5922 4053 05 |
18 |
3,340 |
0,265 |
|
|||||||||
|
31 5922 4054 04 |
2,0 |
0,75 |
8,0 |
6,3 |
3,0 |
1,0 |
0,3 |
3,1 |
43,0 |
31,0 |
4,090 |
0,256 |
|
|
31 5922 4055 03 |
12 |
4,125 |
0,258 |
|
|||||||||
|
31 5922 4056 02 |
18 |
4,160 |
0,26 |
|
|||||||||
|
31 5922 4057 01 |
10,0 |
6,3 |
51,0 |
32,5 |
4,320 |
0,216 |
|
||||||
|
31 5922 4058 00 |
12 |
4,355 |
0,218 |
|
|||||||||
|
31 5922 4059 10 |
18 |
4,390 |
0,220 |
|
|||||||||
|
31 5922 3041 02 |
3,2 |
0,87 |
2,5 |
6,3 |
27,0 |
32,0 |
3,05 |
0,381 |
|
||||
|
31 5922 3042 01 |
12 |
3,095 |
0,387 |
|
|||||||||
|
31 5922 3043 00 |
18 |
3,14 |
0,393 |
|
|||||||||
|
31 5922 3044 10 |
3,2 |
6,3 |
32,0 |
32,5 |
3,18 |
0,311 |
|
||||||
|
31 5922 3045 09 |
12 |
3,225 |
0,315 |
|
|||||||||
|
31 5922 3046 08 |
18 |
3,27 |
0,319 |
|
|||||||||
|
31 5922 3047 07 |
4,0 |
6,3 |
36,5 |
33,0 |
3,25 |
0,254 |
|
||||||
|
31 5922 3048 06 |
12 |
3,295 |
0,257 |
|
|||||||||
|
31 5922 3049 05 |
18 |
3,34 |
0,261 |
|
|||||||||
|
31 5922 3051 00 |
5,0 |
6,3 |
44,5 |
36,5 |
3,93 |
0,246 |
|
||||||
|
31 5922 3052 10 |
12 |
3,975 |
0,248 |
|
|||||||||
|
31 5922 3053 09 |
18 |
4,02 |
0,251 |
|
|||||||||
|
31 5922 3054 08 |
3,2 |
0,87 |
6,3 |
6,3 |
3,0 |
1,0 |
0,3 |
3,1 |
53,0 |
37,0 |
4,085 |
0,203 |
|
|
31 5922 3055 07 |
12 |
4,13 |
0,205 |
|
|||||||||
|
31 5922 3056 06 |
18 |
4,175 |
0,207 |
|
|||||||||
|
31 5922 3057 05 |
8,0 |
6,3 |
66,0 |
43,5 |
5,35 |
0,209 |
|
||||||
|
31 5922 3058 04 |
12 |
5,395 |
0,211 |
|
|||||||||
|
31 5922 3059 03 |
18 |
5,44 |
0,213 |
|
|||||||||
|
31 5922 3061 09 |
10,0 |
6,3 |
79,0 |
45,0 |
5,6 |
0,175 |
|
||||||
|
31 5922 3062 08 |
12 |
5,645 |
0,176 |
|
|||||||||
|
31 5922 3063 07 |
18 |
5,69 |
0,178 |
|
|||||||||
|
31 5922 6074 03 |
5,0 |
1,045 |
2,5 |
6,3 |
40,0 |
45,0 |
3,810 |
0,305 |
|
||||
|
31 5922 6075 02 |
12 |
3,865 |
0,309 |
|
|||||||||
|
31 5922 6076 01 |
18 |
3,925 |
0,314 |
|
|||||||||
|
31 5922 6077 00 |
3,2 |
6,3 |
47,0 |
46,0 |
3,975 |
0,248 |
|
||||||
|
31 5922 6078 10 |
12 |
4,030 |
0,252 |
|
|||||||||
|
31 5922 6079 09 |
18 |
4,090 |
0,256 |
|
|||||||||
|
31 5922 6081 04 |
4,0 |
6,3 |
56,0 |
46,5 |
4,060 |
0,203 |
|
||||||
|
31 5922 6082 03 |
12 |
4,115 |
0,206 |
|
|||||||||
|
31 5922 6083 02 |
18 |
4,175 |
0,209 |
|
|||||||||
|
31 5922 6084 01 |
5,0 |
1,045 |
5,0 |
6,3 |
3,0 |
1,0 |
0,3 |
3,1 |
67,0 |
52,0 |
5,220 |
0,209 |
|
|
31 5922 6085 00 |
12 |
5,275 |
0,211 |
|
|||||||||
|
31 5922 6086 10 |
18 |
5,335 |
0,213 |
|
|||||||||
|
31 5922 6087 09 |
6,3 |
6,3 |
80,0 |
53,0 |
5,380 |
0,171 |
|
||||||
|
31 5922 6088 08 |
12 |
5,435 |
0,173 |
|
|||||||||
|
31 5922 6089 09 |
18 |
5,495 |
0,174 |
|
|||||||||
|
31 5922 6091 02 |
8,0 |
6,3 |
97,5 |
55,5 |
5,830 |
0,146 |
|
||||||
|
31 5022 6092 01 |
12 |
5,885 |
0,147 |
|
|||||||||
|
31 5922 6093 00 |
18 |
5,995 |
0,137 |
|
|||||||||
|
31 5922 6094 10 |
10,0 |
6,3 |
118,0 |
57,0 |
6,180 |
0,124 |
|
||||||
|
31 5922 6095 09 |
12 |
6,235 |
0,125 |
|
|||||||||
|
31 5922 6096 08 |
18 |
6,295 |
0,126 |
|
|||||||||
|
31 5922 7041 08 |
8,0 |
1,06 |
2,5 |
6,3 |
64,0 |
71,51 |
5,800 |
0,29 |
|
||||
|
31 5922 7042 07 |
12 |
6,000 |
0,3 |
|
|||||||||
|
31 5922 7043 06 |
181 |
6,200 |
0,31 |
|
|||||||||
|
31 5922 7044 05 |
3,2 |
6,3 |
75,5 |
73,0 |
6,100 |
0,238 |
|
||||||
|
31 5922 7045 04 |
12 |
6,300 |
0,246 |
|
|||||||||
|
31 5922 7046 03 |
18 |
6,500 |
0,254 |
|
|||||||||
|
31 5922 7047 02 |
8,0 |
1,06 |
4,0 |
6,3 |
3,0 |
1,0 |
0,3 |
3,1 |
89,0 |
74,5 |
6,400 |
0,2 |
|
|
31 5922 7048 01 |
12 |
6,600 |
0,206 |
|
|||||||||
|
31 5922 7049 00 |
18 |
6,810 |
0,213 |
|
|||||||||
|
31 5922 7051 06 |
5,0 |
6,3 |
105,1 |
76,0 |
6,700 |
0,167 |
|
||||||
|
31 5922 7052 05 |
12 |
6,900 |
0,216 |
|
|||||||||
|
31 5922 7053 04 |
18 |
7,115 |
0,222 |
|
|||||||||
|
31 5922 7054 03 |
6,3 |
6,3 |
126,5 |
77,0 |
6,840 |
0,136 |
|
||||||
|
31 5922 7055 02 |
12 |
7,040 |
0,140 |
|
|||||||||
|
31 5922 7056 01 |
18 |
7,255 |
0,144 |
|
|||||||||
|
31 5922 8031 06 |
12,5 |
2,5 |
6,3 |
92,0 |
99,0 |
6,900 |
0,221 |
|
|||||
|
31 5922 8032 05 |
12 |
7,100 |
0,227 |
|
|||||||||
|
31 5922 8033 04 |
18 |
7,200 |
0,230 |
|
|||||||||
|
31 5922 8034 03 |
3,2 |
6,3 |
109,0 |
100,0 |
7,000 |
0,175 |
|
||||||
|
31 5922 8035 02 |
12 |
7,200 |
0,18 |
|
|||||||||
|
31 5922 8036 01 |
18 |
7,400 |
0,185 |
|
|||||||||
|
31 5922 8037 00 |
4,0 |
6,3 |
127,5 |
100,5 |
7,100 |
0,142 |
|
||||||
|
31 5922 8038 10 |
12 |
7,300 |
0,146 |
|
|||||||||
|
31 5922 8039 09 |
18 |
7,500 |
0,15 |
|
|||||||||
|
31 5922 9021 04 |
16,0 |
1,06 |
2,5 |
6,3 |
3,0 |
1,0 |
0,3 |
3,1 |
113,0 |
118,0 |
7,100 |
0,139 |
|
|
31 5922 9022 03 |
12 |
7,300 |
0,143 |
|
|||||||||
|
31 5922 9023 02 |
18 |
7,500 |
0,146 |
|
|||||||||
|
31 5922 9024 01 |
3,2 |
6,3 |
133,5 |
118,5 |
7,200 |
0,112 |
|
||||||
|
31 5922 9025 00 |
12 |
7,400 |
0,116 |
|
|||||||||
|
31 5922 9026 10 |
18 |
7,600 |
0,119 |
|
|||||||||
|
Установленная мощность электродвигателей N, кВт, не более |
Удельный расход электроэнергии, Вт∙ч/т цикл, не более |
|||
|
Тип 1 |
Типы 2 и 3 |
Тип 1 |
Типы 2 и 3 |
|
|
1,0 |
- |
3,4 |
- |
28,5 |
|
2,0 |
- |
5,0 |
- |
25,5 |
|
3,2 |
- |
10,0 |
- |
23,8 |
|
5,0 |
25,6 |
13,1 |
45,0 |
22,6 |
|
8,0 |
36,5 |
22,3 |
41,0 |
22,0 |
|
12,5 |
48,5 |
21,0 |
39,0 |
20,0 |
|
16,0 |
72,5 |
37,1 |
39,0 |
20,0 |
Таблица 5
|
Размеры, мм |
Номинальные значения отклонений, мм |
|||
|
Тип 1 |
Типы 2 и 3 |
при монтаже |
при эксплуатации |
|
|
А |
65 (100) |
250 |
+6 |
+8 |
|
-7 |
-10 |
|||
|
С |
265 (320) |
265 |
+8 |
+10 |
|
-5 |
-7 |
|||
|
D |
500 (800) |
315 |
0 (0) |
+3 (+5) |
|
-8 (-10) |
-10 (-12) |
|||
|
Н |
3000 (5000) |
3000 |
± 6 (± 8) |
± 8 (± 10) |
|
Разность отметок опорных рельсов на соседних колоннах при пролетах между ними до 6 м |
6 |
9 |
||
|
То же, больше 6 м |
12 |
18 |
||
|
Взаимное смещение торцов стыкуемых рельсов |
2 |
3 |
||
|
Отклонение рельсов от прямой линии на участке длиной 30 м |
15 |
20 |
||
|
Зазоры в стыках рельсов при температуре 0 °С и длине рельса 12,5 м |
4 |
|||
Примечание. Размеры в скобках даны для кранов типа 1 грузоподъемностью 12,5 и 16 т.
Таблица 6
Коэффициенты жесткости и динамичности подкрановых путей
|
Грузоподъемность Q, т |
Вылет крюка L, м |
Расстояние между осями |
Коэффициент жесткости |
Коэффициент динамичности |
|
||||
|
Вертикальный рельс ´107, Н/м |
Горизонтальный рельс |
Вертикальный рельс |
Горизонтальный верхний и нижний рельсы |
|
|||||
|
нижний ´107, Н/м |
верхний ´107, Н/м |
|
|||||||
|
1 |
5,0 |
5; 6,3; 8 |
3,0 |
4,47 |
4,23 |
2,55 |
1,118 |
1,223 |
|
|
10 |
5,40 |
5,12 |
3,10 |
1,113 |
1,224 |
|
|||
|
8,0 |
5,0; 6,3 |
5,40 |
5,12 |
3,10 |
1,113 |
1,224 |
|
||
|
8,0 |
6,61 |
6,27 |
3,82 |
1,110 |
1,226 |
|
|||
|
12,5 |
5,0 |
5,0 |
4,24 |
4,02 |
2,42 |
1,106 |
1,226 |
|
|
|
6,3 |
5,19 |
4,91 |
2,98 |
1,097 |
1,228 |
|
|||
|
16,0 |
5,0 |
5,19 |
4,91 |
2,98 |
1,097 |
1,228 |
|||
|
2; |
|||||||||
|
1,0 |
4; 5; 6,3 |
3,0 |
2,69 |
2,38 |
0,96 |
1,111 |
1,166 |
|
|
|
8; 10 |
3,00 |
2,73 |
1,06 |
1,114 |
1,170 |
|
|||
|
3 |
2,0 |
4,0 |
2,84 |
2,55 |
1,00 |
1,113 |
1,168 |
|
|
|
5,0; 6,3 |
3,26 |
3,00 |
1,14 |
1,116 |
1,173 |
|
|||
|
8; 10 |
3,92 |
3,69 |
1,34 |
1,120 |
1,18 |
|
|||
|
2; 3 |
3,2 |
4,0 |
3,0 |
3,26 |
3,00 |
1,14 |
1,116 |
1,173 |
|
|
5,0; 6,3 |
3,92 |
3,69 |
1,34 |
1,120 |
1,180 |
|
|||
|
8,0; 10,0 |
4,97 |
4,8 |
1,66 |
1,127 |
1,192 |
|
|||
|
5,0 |
4,0 |
3,92 |
3,69 |
1,34 |
1,120 |
1,180 |
|
||
|
5,0; 6,3 |
4,97 |
4,8 |
1,66 |
1,127 |
1,192 |
|
|||
|
8,0; 10,0 |
6,59 |
6,51 |
2,17 |
1,138 |
1,210 |
|
|||
|
8,0 |
4,0 |
4,97 |
4,8 |
1,66 |
1,127 |
1,192 |
|
||
|
5,0; 6,3 |
6,59 |
6,51 |
2,17 |
1,138 |
1,210 |
|
|||
|
12,5 |
4,0; 5,0 |
7,8 |
7,78 |
2,54 |
1,146 |
1,223 |
|
||
|
16,0 |
4,0 |
7,8 |
7,78 |
2,54 |
1,146 |
1,223 |
|
||
ИНФОРМАЦИОННЫЕ ДАННЫЕ
1. РАЗРАБОТАН И ВНЕСЕН Министерством тяжелого машиностроения СССР
РАЗРАБОТЧИКИ
Э.В. Андреев (руководитель темы), Л.В. Люборец
2. УТВЕРЖДЕН И ВВЕДЕН В ДЕЙСТВИЕ Постановлением Государственного комитета СССР по управлению качеством продукции и стандартам от 22.02.90 № 264
3. Срок проверки - 1994 г., периодичность - 5 лет
4. ВВЕДЕН ВПЕРВЫЕ
5. ССЫЛОЧНЫЕ НОРМАТИВНО-ТЕХНИЧЕСКИЕ ДОКУМЕНТЫ
|
Номер пункта |
|
|
» |
|
|
» |