Telegraph TDM channelling equipment. Methods of measurement of electrical parameters

ГОСТ 28816-90

МЕЖГОСУДАРСТВЕННЫЙ СТАНДАРТ

АППАРАТУРА КАНАЛООБРАЗУЮЩАЯ
ТЕЛЕГРАФНАЯ С ВРЕМЕННЫМ
РАЗДЕЛЕНИЕМ КАНАЛОВ

МЕТОДЫ ИЗМЕРЕНИЙ
ЭЛЕКТРИЧЕСКИХ ПАРАМЕТРОВ

ИПК ИЗДАТЕЛЬСТВО СТАНДАРТОВ
Москва

МЕЖГОСУДАРСТВЕННЫЙ СТАНДАРТ

АППАРАТУРА КАНАЛООБРАЗУЮЩАЯ ТЕЛЕГРАФНАЯ
С ВРЕМЕННЫМ РАЗДЕЛЕНИЕМ КАНАЛОВ

Методы измерений электрических параметров

Telegraph TDM channelling equipment.
Methods of measuring electrical parameters

ГОСТ
28816-90

Дата введения 01.01.92

Настоящий стандарт распространяется на многоканальную каналообразующую аппаратуру с временным разделением каналов (ВРК) для телеграфирования и низкоскоростной передачи данных, предназначенную для работы по стандартным каналам тональной частоты (ТЧ), уплотненным и неуплотненным кабельным линиям городской телефонной сети (ГТС), а также по комбинированным цепям ГТС (канал ТЧ и кабельная линия) на групповой скорости 2400 бит/с, либо по дискретным каналам 2400, 4800 и 9600 бит/с и устанавливает методы измерений электрических параметров по ГОСТ 27506.

Требования настоящего стандарта являются обязательными.

Перечень измерительной аппаратуры и испытательных устройств приведен в приложении 1, принципиальная электрическая схема формирования двухполярных импульсов и ее описание приведены в приложении 2.

1. ИЗМЕРЕНИЕ УРОВНЯ СРЕДНЕЙ МОЩНОСТИ

1.1. Аппаратура

Измеритель уровня (ИУ).

Предназначен для измерения уровня сигналов переменного напряжения произвольной формы. Диапазон частот измеряемых сигналов от 10 до 10000 Гц. Диапазон измеряемых уровней сигнала от 1 до 50 дБ. Максимальная погрешность измерения в заданном диапазоне уровней не более ± 5 %; входное сопротивление не менее 10 кОм. Время интеграции прибора не менее 1 с.

1.2. Проведение измерений

Уровень средней мощности измеряют на линейном выходе испытываемой системы с ВРК, нагруженном на сопротивление (600 ± 30) Ом. Состояние телеграфных каналов произвольное.

1.3. Обработка результатов

Значение уровня средней мощности определяют по шкале измерителя ИУ. Испытываемую систему считают выдержавшей испытания, если уровень средней мощности соответствует НТД.

2. ИЗМЕРЕНИЕ МАКСИМАЛЬНОГО ОТКЛОНЕНИЯ СКОРОСТИ ПЕРЕДАЧИ
ГРУППОВОГО СИГНАЛА АППАРАТУРЫ

2.1. Аппаратура

Измеритель частоты (ИЧ).

Диапазон измеряемых частот от 50 до 10000 Гц. Точность отсчета измеряемой частоты ± 1 · 10-5. Измеритель частоты должен обеспечивать измерения при напряжении сигнала 1 В и более.

2.2. Проведение измерений

С помощью измерителя ИЧ измеряют частоту сигналов цепи синхронизации передачи испытываемой системы.

2.3. Обработка результатов

Испытываемую систему считают выдержавшей проверку, если измеренная частота сигнала в цепи синхронизации передачи, равная скорости группового сигнала, отличается от номинального значения не более чем на 1 · 10-4.

3. ИЗМЕРЕНИЕ СОПРОТИВЛЕНИЯ НА ЛИНЕЙНОМ ВХОДЕ И ВЫХОДЕ
СИСТЕМЫ С ВРК И ПРОВЕРКА КОЭФФИЦИЕНТА ОТРАЖЕНИЯ

3.1. Аппаратура

3.1.1. Измеритель уровня (ИУ).

3.1.2. Низкочастотный генератор (Г) с выходным напряжением не менее 800 мВ.

3.1.3. Магазин сопротивлений (МС).

Предназначен для работы в цепях переменного и постоянного тока. Диапазон изменения сопротивлений от 10 до 10000 Ом ступенями через 1,0 Ом. Диапазон частот от 0 до 5000 Гц. Максимальный ток должен быть не менее 50 мА; класс точности не ниже 1,0.

3.2. Проведение измерений

3.2.1. Выходное сопротивление системы ВРК измеряют по схеме, приведенной на черт. 1.

Черт. 1

3.2.1.1. На магазине МС устанавливают сопротивление 600 Ом.

3.2.1.2. Устанавливают переключатель S в положение 1.

3.2.1.3. По измерителю ИУ выставляют на выходе испытуемой системы с ВРК уровень сигнала, близкий к номинальному.

3.2.1.4. Устанавливают переключатель S в положение 2.

3.2.1.5. Подбором сопротивления на магазине МС уменьшают уровень сигнала в два раза (на 6 дБ).

3.2.1.6. Выходное сопротивление системы равно сопротивлению магазина МС.

3.2.2. Входное сопротивление системы с ВРК измеряют по схеме, приведенной на черт. 2.

Черт. 2

3.2.2.1. Генератор подключают с выхода «5 Ом».

3.2.2.2. На магазине МС устанавливают значение сопротивления, близкое к 600 Ом.

3.2.2.3. Устанавливают переключатель S в положение 1.

3.2.2.4. По измерителю ИУ выставляют на линейном входе системы ВРК уровень сигнала, близкий к номинальному значению, предварительно установив на генераторе номинальное значение несущей частоты аппаратуры.

3.2.2.5. Устанавливают переключатель S в положение 2 и измерителем ИУ измеряют уровень сигнала на выходе генератора Г.

3.2.2.6. Устанавливают переключатель S в положение 1 и подбором сопротивления магазином МС добиваются показания измерителя ИУ, равного половине уровня на выходе генератора Г.

3.2.2.7. Входное сопротивление испытываемой системы с ВРК равно сопротивлению магазина МС.

3.3. Обработка результатов

3.3.1. Коэффициент отражения (δ) в процентах определяют по формуле

(1)

где Zном = 600 Ом;

Zизм - измеренное значение модуля входного или выходного сопротивления.

3.3.2. Испытываемую систему с ВРК считают выдержавшей испытания, если коэффициенты отражения на входе и на выходе не превышают 15 %.

4. ИЗМЕРЕНИЕ ЗАТУХАНИЯ АССИМЕТРИИ

4.1. Проведение измерений

Измерения проводят на испытываемой аппаратуре с использованием измерительных средств и методики, изложенной в ГОСТ 21655.

4.2. Обработка результатов

Аппаратуру считают выдержавшей испытания, если затухание ассиметрии составляет не менее 46 дБ.

5. ПРОВЕРКА ЗАЩИТЫ КОДОНЕЗАВИСИМОГО КАНАЛА ОТ ДРОБЛЕНИЙ СИГНАЛОВ
ДЛИТЕЛЬНОСТЬЮ МЕНЕЕ 20 % НОМИНАЛЬНОЙ ДЛИТЕЛЬНОСТИ ПОСЫЛКИ

5.1. Аппаратура

5.1.1. Генератор (Г1).

Генератор должен выдавать импульсы положительной или отрицательной полярности с возможностью плавного и дискретного изменения их длительности и периода повторения с точностью не хуже 0,5 % в интервале от 0 до 150 мс.

Напряжение сигнала на выходе должно быть ± (10 - 25) В.

5.1.2. Осциллограф (О). Полоса пропускания от 0 до 1 МГц.

5.1.3. Формирователь двухполярных импульсов (Ф) с выходным напряжением ± 12 В.

5.2. Проведение измерений

5.2.1. Защиту кодонезависимого канала от дроблений сигналов проверяют по схеме, приведенной на черт. 3.

Черт. 3

5.2.2. Линейный вход и выход испытываемой системы ВРК соединяют между собой непосредственно.

5.2.3. По выборочному кодонезависимому каналу со скоростью 50 Бод от генератора Г1 передают отрицательный сигнал вида «1:1» со скоростью 250 Бод.

5.2.4. Скорость передачи на генераторе Г1 задают установкой на нем длительности импульса (t) в миллисекундах, определяемой по формуле

(2)

где v - скорость передачи, Бод.

При этом длительность периода сигнала должна быть 2t.

5.2.5. По осциллографу О фиксируют отсутствие переходов в сигнале на выходе канала.

5.2.6. Повторяют проверки по пп. 5.2.3 - 5.2.5 для выборочных кодонезависимых каналов 100 и 200 Бод. При этом от Г1 передают сигналы со скоростью 500 и 1000 Бод соответственно.

5.3. Обработка результатов

Систему считают выдержавшей испытания, если результаты визуального контроля показали наличие непрерывной полярности на выходе канала.

6. ПРОВЕРКА МАКСИМАЛЬНОЙ СКОРОСТИ МОДУЛЯЦИИ
ВХОДНЫХ СИГНАЛОВ В КОДОНЕЗАВИСИМЫХ КАНАЛАХ

6.1. Аппаратура

6.1.1. Датчик испытательных сигналов (ДИС), обеспечивающий выдачу двухполярных сигналов вида «1:1» на скоростях 50, 100, 200 Бод с плавной регулировкой скорости передачи не менее ± 5 Бод. Выходное напряжение сигналов должно быть не менее ± 20 В.

6.1.2. Прибор выявления ошибок (ВО), предназначенный для определения количества ошибочных элементов и блоков (знаков) при передаче синхронного стартстопного испытательного текста.

6.1.3. Измеритель частоты (ИЧ).

6.2. Проведение измерений

6.2.1. Максимальную скорость модуляции входных сигналов проверяют по схеме, приведенной на черт. 4.

Черт. 4

6.2.2. Линейный вход-выход испытуемой системы с ВРК соединяют между собой непосредственно.

6.2.3. По выборочному кодонезависимому каналу 50 Бод от датчика ДИС передают сигнал со скоростью 50 Бод вида «1:1», устанавливая на датчике ДИС напряжение выходного сигнала ± 20 В.

6.2.4. Плавно повышают скорость сигнала на входе канала испытуемой системы до начала регистрации ошибок на выходе канала прибором ВО.

6.2.5. Фиксируют скорость сигнала (b), Бод, по показаниям частотомера ИЧ, определяя ее по формуле

b = 2f,

(3)

где f - частота, измеренная частотомером ИЧ.

6.2.6. Повторяют проверки по п. 6.2.3 - 6.2.5 для выборочных кодонезависимых каналов 100 и 200 Бод. При этом от ДИС передают сигналы со скоростью 100 и 200 Бод соответственно.

6.3. Обработка результатов

Систему с ВРК считают выдержавшей испытания, если при скоростях испытательного сигнала 51, 102, 204 Бод для канальных скоростей 50, 100 и 200 Бод соответственно не зафиксировано отдельных пропаданий или сбоев сигнала вида «1:1» на выходе канала.

7. ИЗМЕРЕНИЕ СТЕПЕНИ СТАРТСТОПНЫХ ИСКАЖЕНИЙ
НА ВЫХОДЕ КОДОНЕЗАВИСИМЫХ КАНАЛОВ

7.1. Аппаратура

Измеритель краевых искажений (ИКИ).

Предназначен для измерения индивидуальных синхронных и стартстопных краевых искажений (без выделения по значащим моментам в стартстопной телеграфной комбинации), степени синхронных искажений, степени стартстопных искажений и искажений типа преобладаний телеграфных сигналов в каналах связи и оконечной телеграфной аппаратуре.

7.2. Проведение измерений

7.2.1. Степень стартстопных искажений на выходах кодонезависимых каналов измеряют по схеме, приведенной на черт. 5.

Черт. 5

7.2.2. В испытываемой системе с ВРК каналы устанавливают на кодонезависимый тип со скоростью 50 Бод.

7.2.3. От прибора ИКИ на вход первого канала подают 7,5-элементный стартстопный сигнал со скоростью 50 Бод и измеряют степень стартстопных искажений на выходе первого канала по прибору ИКИ.

7.2.4. Измерения по п. 7.2.3 повторяют для всех каналов испытываемой системы с ВРК на скорости 50 Бод.

7.2.5. Устанавливая поочередно каналы на скорости 100 и 200 Бод, повторяют измерения по п. 7.2.3 для каналов со скоростью 100 и 200 Бод.

7.3. Обработка результатов

Испытываемую систему с ВРК считают выдержавшей проверку, если степень стартстопных искажений каналов составляет от 7 до 9 %.

8. ПРОВЕРКА ВОЗМОЖНОСТИ ПЕРЕДАЧИ ДВОИЧНЫХ СИГНАЛОВ
ПО КОДОНЕЗАВИСИМЫМ КАНАЛАМ ПРИ СТЕПЕНИ СТАРТСТОПНЫХ ИСКАЖЕНИЙ
НА ВХОДЕ ДО 40 %

8.1. Аппаратура

8.1.1. Генератор (Г1).

8.1.2. Осциллограф (О).

8.1.3. Измеритель краевых искажений (ИКИ).

8.1.4. Формирователь двухполярных импульсов (Ф).

8.1.5. Измеритель частоты (ИЧ).

8.2. Проведение измерений

Возможность передачи двоичных сигналов при степени стартстопных искажений на входе канала до 40 % проверяют по схеме, приведенной на черт. 6.

Черт. 6

8.2.2. В испытываемой аппаратуре с ВРК устанавливают все кодонезависимые каналы со скоростью 50 Бод в соответствии с емкостью аппаратуры для этого типа каналов.

8.2.3. От генератора Г1 выборочно на вход любого телеграфного канала испытываемой аппаратуры подают испытательный сигнал с периодом 40 мс и длительностью стоповой посылки 12 мс. Точность установки длительности периода и импульса стоповой полярности контролируют с помощью измерителя ИЧ, с погрешностью установки не более ± 0,1 мс в режиме измерения интервалов времени.

Указанные длительности периода и импульсов соответствуют искажениям 40 %, что одновременно контролируют с помощью прибора ИКИ, который должен фиксировать величину степени старт-стопных искажений 40 %.

8.2.4. К выходу испытываемого телеграфного канала подключают осциллограф О и измеритель ИЧ, установленный в режим измерения интервалов времени. По осциллографу проверяют прохождение испытательного сигнала, а по прибору ИЧ - длительность сигнала стоповой полярности в миллисекундах.

8.2.5. В испытываемой аппаратуре устанавливают все кодонезависимые каналы со скоростью 100 Бод в соответствии с емкостью аппаратуры для этого типа каналов.

8.2.6. От генератора Г1 выборочно на вход любого телеграфного канала испытываемой аппаратуры подают испытательный сигнал длительностью периода (20 ± 0,1) мс и длительностью стопового импульса (6 ± 0,1) мс. Точность установки длительности периода и импульса контролируют с помощью измерителя ИЧ. Одновременно контролируют искажения с помощью прибора ИКИ, который должен фиксировать величину степени стартстопных искажений 40 %.

8.2.7. Повторяют проверку по п. 8.2.4.

8.2.8. В испытываемой аппаратуре ВРК устанавливают все кодонезависимые каналы со скоростью 200 Бод в соответствии с емкостью аппаратуры для этого типа каналов.

8.2.9. От генератора Г1 выборочно на вход любого телеграфного канала испытываемой аппаратуры подают испытательный сигнал с периодом (10 ± 0,1) мс и длительностью сигнала стоповой посылки (3 ± 0,1) мс. Точность установки длительностей периода и импульса контролируют с помощью измерителя ИЧ. Одновременно контролируют искажения с помощью прибора ИКИ, который должен фиксировать величину степени стартстопных искажений 40 %.

8.2.10. Повторяют проверку по п. 8.2.4.

8.3. Обработка результатов

Аппаратуру считают выдержавшей испытания, если длительность сигнала стоповой полярности на выходе каналов со скоростями 50; 100; 200 Бод составляет не менее 10; 5; 2,5 мс соответственно.

9. ПРОВЕРКА ОБЕСПЕЧЕНИЯ ПЕРЕДАЧИ СООБЩЕНИЙ
КОДОЗАВИСИМЫМ КАНАЛОМ 50 БОД ПРИ МАКСИМАЛЬНОМ ОТКЛОНЕНИИ
СКОРОСТИ МОДУЛЯЦИИ ВХОДНЫХ СТАРТСТОПНЫХ СИГНАЛОВ
ОТ НОМИНАЛЬНОЙ СКОРОСТИ ДО ±1,4 % ПРИ ДЛИНЕ СТОПОВОЙ ПОСЫЛКИ,
РАВНОЙ 1,4 ЭЛЕМЕНТАРНОЙ ПОСЫЛКИ

9.1. Аппаратура

9.1.1. Генератор (Г1).

9.1.2. Измерители частоты (ИЧ).

9.1.3. Осциллограф (О).

9.1.4. Формирователь двухполярных импульсов (Ф).

9.2. Проведение проверки

9.2.1. Обеспечение передачи сообщений по кодозависимым каналам 50 Бод при отклонениях скорости передачи и длине стоповой посылки, равной 1,4 элементарной посылки, проводят по схеме, приведенной на черт. 7.

Черт. 7

9.2.2. Линейный вход-выход испытуемой системы ВРК соединяют между собой непосредственно.

9.2.3. В испытываемой системе с ВРК устанавливают кодозависимый канал на скорости 50 Бод (выборочно).

9.2.4. На вход канала от генератора Г1 подают испытательный сигнал с длительностью импульса положительной полярности (28,4 ± 0,1) мс и периодом повторения (150,1 ± 0,1) мс, что соответствует отклонению скорости передачи стартстопной комбинации «ЛАТ» на минус 1,4 %. Установку длительности и периода повторения импульсов контролируют при помощи ИЧ.

9.2.5. При помощи ИЧ измеряют длительность стартовой посылки на выходе канала.

9.2.6. По осциллографу О контролируют наличие стартовой полярности сигнала на выходе канала.

9.2.7. На вход канала от генератора Г1 подают испытательный сигнал с длительностью импульса (27,6 ± 0,1) мс и периодом повторения (145,9 ± 0,1) мс, что соответствует отклонению скорости передачи стартстопной комбинации «ЛАТ» на +1,4 %. Установку длительности и периода повторения контролируют при помощи ИЧ.

9.2.8. При помощи ИЧ измеряют длительность стартовой посылки на выходе канала.

9.2.9. По осциллографу О контролируют наличие сигнала стартовой полярности на выходе канала.

9.3. Обработка результатов

Испытуемую систему считают выдержавшей проверку, если длительность сигнала стартовой полярности на выходе канала остается постоянной и равной (120 ± 0,1) мс.

10. ИЗМЕРЕНИЕ ЭФФЕКТИВНОЙ ИСПРАВЛЯЮЩЕЙ СПОСОБНОСТИ
КОДОЗАВИСИМЫХ КАНАЛОВ

10.1. Аппаратура

10.1.1. Датчик испытательного текста (ДИТ).

10.1.2. Телеграфный аппарат (ТА).

Предназначен для приема стартстопных испытательных текстов пятиэлементного кода МТК-2 на скоростях телеграфирования 50 Бод.

10.1.3. Измеритель краевых искажений (ИКИ).

10.2. Проведение измерений

10.2.1. Эффективную исправляющую способность кодозависимых каналов измеряют по схеме, приведенной на черт. 8.

Черт. 8

10.2.2. От ДИТ на вход выборочного кодозависимого канала 50 Бод подают испытательный текст пятиэлементного кода со скоростью 50 Бод.

10.2.3. Изменяют величину искажений телеграфных сигналов от ДИТ до тех пор, пока на ленте телеграфного аппарата появятся неправильно зарегистрированные знаки. При этом фиксируют величину искажений на входе канала с помощью прибора ИКИ.

10.3. Обработка результатов

Испытываемую систему считают выдержавшей испытания, если при искажениях 43 % и менее ошибки в тексте, принимаемом ТА, отсутствуют.

11. ПРОВЕРКА РАСПОЗНАВАНИЯ В АППАРАТУРЕ
НА ВХОДЕ КОДОЗАВИСИМОГО КАНАЛА СТАРТОВОЙ ПОСЫЛКИ
РАЗНОЙ ДЛИТЕЛЬНОСТИ

11.1. Аппаратура

1.1.1. Генератор (Г1).

1.1.2. Осциллограф (О).

1.1.3. Формирователь двухполярных сигналов (Ф).

1.2. Проведение измерения

1.2.1. Распознавание в аппаратуре стартовой посылки разной длительности проверяют по схеме, приведенной на черт. 3.

11.2.2. Линейный вход-выход испытываемой системы ВРК соединяют между собой непосредственно.

11.2.3. На вход выборочного кодозависимого канала со скоростью 50 Бод от генератора Г1 подают импульсы длительностью (12 ± 0,1) мс и периодом повторения (150 ± 0,1) мс.

11.2.4. По осциллографу О, подключенному на выходе канала, фиксируют наличие импульсов той же полярности.

11.2.5. Уменьшают длительность импульсов, вырабатываемых генератором Г1, до (8 ± 0,1) мс, что составляет 0,4 номинальной длительности посылки, равной 20 мс.

11.2.6. По осциллографу О фиксируют отсутствие импульсов на выходе испытываемого канала.

11.2.7. Проверяют отсутствие импульсов на выходе испытываемого канала при длительностях импульсов на входе менее 8 мс.

11.2.8. Повторяют измерения по пп. 11.2.3 - 11.2.7 выборочно для кодозависимых каналов 100 и 200 Бод. При этом устанавливают от генератора Г1 длительности импульсов: для п. 11.2.3 - до (6 ± 0,1) мс с периодом повторения (80 ± 0,1) мс и (3 ± 0,1) мс с периодом повторения (40 ± 0,1) мс для каналов 100 и 200 Бод соответственно; для п. 11.2.5 - до (4 ± 0,1) мс и (2 ± 0,1) мс для каналов 100 и 200 Бод соответственно; для п. 11.2.7 - менее 4 мс и менее 2 мс для каналов 100 и 200 Бод соответственно.

11.3. Обработка результатов

Испытываемую систему считают выдержавшей проверку, если при длительностях импульсов 0,6 от номинальной величины они проходят на выход канала, а при длительностях до 0,4 от номинальной величины - не проходят. При этом номинальная длительность импульсов на скорости 50 Бод составляет 20 мс, а для скорости 100 и 200 Бод - 10 и 5 мс соответственно.

12. ИЗМЕРЕНИЕ СТЕПЕНИ СТАРТСТОПНЫХ ИСКАЖЕНИЙ
НА ВЫХОДАХ КОДОЗАВИСИМЫХ КАНАЛОВ

12.1. Аппаратура

Измеритель краевых искажений (ИКИ).

12.2. Проведение измерений

12.2.1. Степень стартстопных искажений на выходах кодозависимых каналов измеряют по схеме, приведенной на черт. 5.

12.2.2. В испытываемой системе устанавливают все кодозависимые каналы на скорость 50 Бод.

12.2.3. От прибора ИКИ на вход первого канала испытываемой системы подают 7,5-элементные стартстопные посылки и измеряют степень стартстопных искажений на выходе первого канала по ИКИ.

12.2.4. Измерения по п. 12.2.3 повторяют для всех каналов испытываемой системы.

12.2.5. В испытываемой системе устанавливают все кодозависимые каналы на скорость 100 Бод.

12.2.6. Измерения по п. 12.2.3 повторяют для всех каналов испытываемой системы.

12.2.7. В испытываемой системе устанавливают все кодозависимые каналы на скорость 200 Бод.

12.2.8. Измерение по п. 12.2.3 повторяют для всех каналов испытываемой системы.

12.3. Обработка результатов

Испытываемую систему считают выдержавшей проверку, если степень стартстопных искажений на выходах всех кодозависимых каналов не превышает 3 %.

13. ИЗМЕРЕНИЕ СТЕПЕНИ СТАРТСТОПНЫХ ИСКАЖЕНИЙ
НА ВЫХОДАХ СТАРТСТОПНО-СИНХРОННЫХ КАНАЛОВ

13.1. Аппаратура

Измеритель краевых искажений (ИКИ).

13.2. Проведение измерений

13.2.1. Степени стартстопных искажений на выходах стартстопно-синхронных каналов измеряют по схеме, приведенной на черт. 5.

13.2.2. В испытываемой системе все каналы устанавливают стартстопно-синхронного типа.

13.2.3. От прибора ИКИ на вход первого канала подают одиннадцатиэлементный стартстопный сигнал на скорости 200 Бод и измеряют стартстопные искажения на выходе первого канала по прибору ики.

13.2.4. Измерения по п. 12.2.3 повторяют для всех каналов испытываемой системы с ВРК.

13.3. Обработка результатов

Испытываемую систему считают выдержавшей проверку, если степень стартстопных искажений не превышает 9 %

14. ИЗМЕРЕНИЕ ЭФФЕКТИВНОЙ ИСПРАВЛЯЮЩЕЙ СПОСОБНОСТИ
СТАРТСТОПНО-СИНХРОННЫХ КАНАЛОВ

14.1. Аппаратура

14.1.1. Датчик испытательного текста (ДИТ).

14.1.2. Прибор выявления ошибок (ВО).

14.1.3. Измеритель краевых искажений (ИКИ).

14.2. Проведение измерений

14.2.1. Эффективную исправляющую способность стартстопно-синхронных каналов измеряют по схеме, приведенной на черт. 9.

14.2.2. От датчика ДИТ на вход выборочного стартстопно-синхронного канала подают сигнал вида «1:1» со скоростью 200 Бод.

14.2.3. Начиная с 35 %, плавно изменяют величину искажений телеграфных сигналов от датчика ДИТ до тех пор, пока прибор ВО не начнет регистрировать ошибки. При этом прибором ИКИ фиксируют величину искажений на входе канала.

14.3. Обработка результатов

Черт. 9

Испытываемую систему с ВРК считают выдержавшей проверку, если при искажениях 40 % и менее прибор ВО ошибки не регистрирует.

15. ПРОВЕРКА ВОЗМОЖНОСТИ НЕПРЕРЫВНОЙ ПЕРЕДАЧИ
ПО ИНДИВИДУАЛЬНЫМ КАНАЛАМ СТАРТОВОЙ И СТОПОВОЙ ПОЛЯРНОСТИ

15.1. Аппаратура

15.1.1. Измеритель краевых искажений (ИКИ).

15.1.2. Осциллограф (О).

15.2. Проведение измерений

15.2.1. Возможность передачи по индивидуальным каналам стартовой и стоповой полярности проверяют по схеме, приведенной на черт. 10.

Черт. 10

15.2.2. В системе с ВРК устанавливают все каналы одного типа и скорости в соответствии с емкостью системы для данного вида каналов.

15.2.3. Все организованные каналы соединяют последовательно.

15.2.4. От прибора ИКИ на вход первого канала подают сигнал непрерывной стоповой, а затем стартовой полярности с интервалом не менее 30 с.

15.2.5. На выходе последнего канала контролируют сигнал по осциллографу О.

15.2.6. Измерения по пп. 15.2.2 - 15.2.4 проводят для каждого типа каналов, имеющихся в испытываемой системе.

15.3. Обработка результатов

Испытываемую систему с ВРК считают выдержавшей проверку, если в выходном сигнале отсутствуют изменения заданной полярности.

16. ПРОВЕРКА ВОЗМОЖНОСТИ ОРГАНИЗАЦИИ
ВСЕХ ТИПОВ ИНДИВИДУАЛЬНЫХ КАНАЛОВ
И ОПЕРАТИВНОГО ИЗМЕНЕНИЯ ИХ КОЛИЧЕСТВА И ТИПОВ

16.1. Аппаратура

16.1.1. Осциллограф двухлучевой (O1), полоса пропускания от 0 до 1 мГц.

16.1.2. Измеритель краевых искажений (ИКИ).

16.2. Проведение измерений

16.2.1. В испытываемой аппаратуре устанавливают все каналы на стартстопно-синхронный тип и измеряют степень стартстопных искажений по разд. 13.

16.2.2. Устанавливают все каналы на кодонезависимый тип поочередно 50, 100 и 200 Бод и измеряют степень стартстопных искажений по разд. 7.

16.2.3. Устанавливают все каналы на кодозависимый тип поочередно 100 и 200 Бод и измеряют степень стартстопных искажений по разд. 12 на скоростях 100 и 200 Бод.

16.2.4. Устанавливают все кодозависимые каналы на скорость 50 Бод и по схеме, приведенной на черт. 11, измеряют степень стартстопных искажений.

Черт. 11

Подавая с прибора ИКИ сигналы вида «7:1» со скоростью 50 Бод, проверяют прохождение сигнала с помощью осциллографа О1, сравнивая на осциллографе О1 форму входного и выходного сигналов системы с ВРК.

16.3. Обработка результатов

По каждому виду каналов систему считают выдержавшей испытания, если степень стартстопных искажений находится в пределах от 7 до 9 % в кодонезависимых каналах, не более 9 % - в стартстопно-синхронных каналах и не более 3 % - в кодозависимых каналах, выходной сигнал телеграфных кодозависимых каналов на скорости 50 Бод соответствует выдаваемому прибором ИКИ. Количество индивидуальных каналов каждого типа определяют при измерениях по пп. 16.2.2 - 16.2.4, количество и типы которых устанавливаются техническими условиями на аппаратуру конкретного типа.

17. ОПРЕДЕЛЕНИЕ УДЕЛЬНОЙ ПОТРЕБЛЯЕМОЙ МОЩНОСТИ
ОТ ИСТОЧНИКА ПОСТОЯННОГО ТОКА

17.1. Аппаратура

17.1.1. Амперметр (А) для измерения величины постоянного тока, класс точности не более 1,5.

17.1.2. Вольтметр (В) для измерения напряжения источника постоянного тока, класс точности не более 1,5.

17.2. Проведение измерений

17.2.1. В испытываемой системе устанавливают максимальное число телеграфных кодозависимых каналов со скоростью 50 Бод.

Режим работы испытываемой системы - рабочий.

17.2.2. Телеграфные цепи приема испытываемой системы нагружают на внешние резисторы сопротивлением (3000 ± 300) Ом.

17.2.3. Измерения проводят по методу вольтметра-амперметра.

17.3. Обработка измерений

17.3.1. Удельную потребляемую мощность (Руд), Вт, определяют по формуле

(4)

где В - показания вольтметра, В;

А - показания амперметра, А;

п - количество организованных кодозависимых каналов со скоростью 50 Бод.

17.3.2. Испытываемую систему считают выдержавшей испытания, если удельная потребляемая мощность не превышает 0,8 Вт.

ПРИЛОЖЕНИЕ 1

Рекомендуемое

ПЕРЕЧЕНЬ
ИЗМЕРИТЕЛЬНОЙ АППАРАТУРЫ И ИСПЫТАТЕЛЬНЫХ УСТРОЙСТВ

Наименование

Тип

Условное обозначение

Измеритель уровня

В3-57, В3-38Б

ИУ

Генератор

Г3-112

г

Магазин сопротивлений

Р-58, Р33

мс

Датчик испытательных сигналов

ЭТИ-83

дис

Генератор

Г5-82, Г5-56

Г1

Осциллограф

С1-96

о

Формирователь двухполярных импульсов

-

ф

Измеритель частоты

Ч3-54

ич

Датчик испытательного текста

ЭДИТ-2

ДИТ

Телеграфный аппарат

РТА-80

ТА

Измеритель краевых искажений

ИК-ЗУ

ики

Выявитель ошибок

ВО-2

во

Осциллограф двухлучевой

С1-4

О1

Примечание. Допускается применение других контрольно-измерительных приборов, обеспечивающих измерение параметров с заданной точностью.

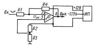
ПРИЛОЖЕНИЕ 2

Рекомендуемое

СХЕМА ЭЛЕКТРИЧЕСКАЯ ПРИНЦИПИАЛЬНАЯ
ФОРМИРОВАНИЯ ДВУХПОЛЯРНЫХ ИМПУЛЬСОВ

Схема формирователя Ф приведена на черт. 12.

R1 = R2 = 30 кОм ± 10 %, R3 = 10 кОм ± 10 %, R4 = 160 кОм ± 10 %

Черт. 12

Д1 - микросхема интегральная К140УД6 или К140УД7, К140УД11 или другой ее функциональный аналог; ИП - источник постоянного тока ВИП-009 или любые другие источники с выходным напряжением от 0 до 15 В и током нагрузки не менее 20 мА.

На контакт 3 усилителя Д1 подают опорное напряжение (Uоп), равное минус 3 В. При этом на входе появляется сигнал отрицательной полярности величиной минус 12 В, определяемой величиной напряжения питания микросхемы. При поступлении на вход 2 микросхемы импульса отрицательной полярности величиной минус 6 В, превышающей Uоп в 2 раза, на выходе 6 после инверсии сформируется импульс положительной полярности величиной + 12 В.

Таким образом, при периодическом поступлении на вход 2 импульсов отрицательной полярности минус 6 В, на выходе 6 микросхемы будут формироваться двухполярные сигналы с амплитудой ± 12 В.

 

ИНФОРМАЦИОННЫЕ ДАННЫЕ

1. РАЗРАБОТАН И ВНЕСЕН Министерством связи СССР

2. УТВЕРЖДЕН И ВВЕДЕН В ДЕЙСТВИЕ Постановлением Государственного комитета СССР по управлению качеством продукции и стандартам от 27.12.90 № 3354

3. ВВЕДЕН ВПЕРВЫЕ

4. ССЫЛОЧНЫЕ НОРМАТИВНО-ТЕХНИЧЕСКИЕ ДОКУМЕНТЫ

Обозначение НТД, на который дана ссылка

Номер пункта

ГОСТ 21655-87

4.1

ГОСТ 27506-87

Вводная часть

5. ПЕРЕИЗДАНИЕ. Ноябрь 2004 г.