Unified system for technological documentation. Rules for making graphic documents of forging pieces

ГОСТ 3.1126-88

МЕЖГОСУДАРСТВЕННЫЙ СТАНДАРТ

 

ЕДИНАЯ СИСТЕМА ТЕХНОЛОГИЧЕСКОЙ ДОКУМЕНТАЦИИ

ПРАВИЛА ВЫПОЛНЕНИЯ
ГРАФИЧЕСКИХ ДОКУМЕНТОВ
НА ПОКОВКИ

 

 

 

ИПК ИЗДАТЕЛЬСТВО СТАНДАРТОВ
Москва

 

 

МЕЖГОСУДАРСТВЕННЫЙ СТАНДАРТ

Единая система технологической документации

ПРАВИЛА ВЫПОЛНЕНИЯ ГРАФИЧЕСКИХ
ДОКУМЕНТОВ НА ПОКОВКИ

Unified system for technological documentation

Rules for making graphic documents of forging pieces

ГОСТ
3.1126-88

Дата введения 01.01.89

Настоящий стандарт устанавливает правила выполнения графических документов на поковки для изделий всех отраслей промышленности.

1. Графический документ на поковку должен быть выполнен в соответствии с требованиями стандартов Единой системы конструкторской документации и настоящего стандарта.

2. Графический документ на поковку должен быть разработан на основании чертежа детали и выполнен на карте эскизов.

3. Графический документ на поковку должен быть выполнен в масштабе изображения чертежа детали.

4. На графическом документе на поковку допускается наносить контур детали, выполняя его тонкой штрихпунктирной линией с двумя точками, при этом допускается не изображать отдельные элементы детали.

5. Графический документ на поковку допускается выполнять на копии чертежа детали, при этом обозначение документа, подписи разработчика документа на поковку и нормоконтролера и другие данные следует указывать в соответствии с приложением 2.

6. Графический документ на поковку должен содержать все данные, необходимые для ее изготовления, контроля и приемки.

7. На графическом документе на поковку допускается наносить под размерами поковки размеры детали в круглых скобках.

8. На графическом документе на поковку допускается помещать таблицу для данных, не указанных на изображениях и не установленных в технических требованиях.

9. В технических требованиях графического документа на поковку в зависимости от способа ее изготовления должны быть указаны требования, установленные в соответствующих стандартах на поковки.

10. Расположение плоскости разъема формообразующих поверхностей штампа следует изображать тонкой штрихпунктирной линией, обозначенной на концах знаком

11. Место отбора образца для испытаний следует наносить на изображении поковки сплошной тонкой линией, а размеры образца указывать в технических требованиях чертежа.

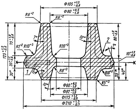
12. Пример графического выполнения поковки втулки приведен на черт. 1.

* Размеры для справок.

1 - место отбора образца для испытания; 2 - место маркировки

Черт. 1

ПРИЛОЖЕНИЕ 1

Рекомендуемое

ИНФОРМАЦИОННЫЕ ДАННЫЕ О СООТВЕТСТВИИ ГОСТ 3.1126-88 СТ СЭВ 4070-83

Требования

ГОСТ 3.1126-88

СТ СЭВ 4070-83

Указание места выполнения документа

Карта эскизов - место выполнения документа

Место выполнения документа не указано

Указание об обозначении документа и основных подписях

Дополнительный штамп указывает об обозначении документа и его основных подписях

Указания нет

Указание о ссылке на сопутствующие стандарты по изготовлению поковок

Технические требования указывают о ссылке на сопутствующие стандарты по изготовлению поковок

То же

ПРИЛОЖЕНИЕ 2

Рекомендуемое

ПРИМЕР ОФОРМЛЕНИЯ ДОПОЛНИТЕЛЬНОГО ШТАМПА

При серийном и массовом производствах при выполнении графических документов на поковки на копии чертежа детали над основной надписью или на свободном поле чертежа проставляют дополнительный штамп (черт. 2).

Черт. 2

Размеры граф с 3 по 13 - по ГОСТ 3.1103 блока Б2 ф1 и Б3 ф1в.

В графах дополнительного штампа указывают:

в графе 1 - код поковки (или обозначение);

в графе 2 - обозначение документа по ГОСТ 3.1201;

в графе 3 - разработчика;

в графе 4 - фамилию разработчика;

в графе 5 - подпись разработчика;

в графе 6 - дату подписи;

в графе 7 - нормоконтролера;

в графе 8 - фамилию нормоконтролера;

в графе 9 - подпись нормоконтролера;

в графе 10 - порядковый номер изменения документа;

в графе 11 - отметку о замене и введении листа извещения по ГОСТ 2.503;

в графе 12 - обозначение (код) извещения;

в графе 13 - подпись лица, ответственного за внесение изменения;

графа 14 - резервная.

При мелкосерийном и опытном производствах допускается штамп не проставлять. Обозначение документа, подписи разработчика и нормоконтролера выполняют над основной надписью или на свободном поле чертежа.

Примечание. Допускается графу 2 дополнительного штампа не заполнять.

ИНФОРМАЦИОННЫЕ ДАННЫЕ

1 РАЗРАБОТАН И ВНЕСЕН Государственным комитетом СССР по стандартам

2. УТВЕРЖДЕН И ВВЕДЕН В ДЕЙСТВИЕ Постановлением Государственного комитета СССР по стандартам от 28.07.88 № 2781

3. Стандарт соответствует СТ СЭВ 4070-83 согласно приложению 1

4. ВЗАМЕН ГОСТ 2.429-84

5. ССЫЛОЧНЫЕ НОРМАТИВНО-ТЕХНИЧЕСКИЕ ДОКУМЕНТЫ

Обозначение НТД, на который дана ссылка

Номер приложения

ГОСТ 2.503-90

Приложение 2

ГОСТ 3.1103-82

Приложение 2

ГОСТ 3.1201-85

Приложение 2

6. ПЕРЕИЗДАНИЕ. Апрель 2003 г.