
ГОСУДАРСТВЕННЫЙ СТАНДАРТ СОЮЗА ССР
СОЕДИНЕНИЯ ШЛАНГОВЫЕ
ДЛЯ
ГИБКИХ ШЛАНГОВ
ВОДЯНЫХ
НАСОСОВ
ТЕХНИЧЕСКИЕ УСЛОВИЯ
ГОСТ 3050-77
ГОСУДАРСТВЕННЫЙ КОМИТЕТ СССР ПО СТАНДАРТАМ
Москва
ГОСУДАРСТВЕННЫЙ СТАНДАРТ СОЮЗА ССР
|
СОЕДИНЕНИЯ ШЛАНГОВЫЕ ДЛЯ ГИБКИХ Технические условия Hose
connections for flexible hoses of water pumps. |
ГОСТ Взамен |
Постановлением Государственного комитета стандартов Совета Министров СССР от 10 ноября 1977 г. № 2596 срок введения установлен
с 01.01.79
Проверен в 1983 г. Постановлением Госстандарта от 04.11.83 № 5297 срок действия продлен
до 01.01.89
Настоящий стандарт распространяется па шланговые соединения, работающие при давлении до 0,25 МПа (≈ 2,5 кгс/см2), предназначенные для соединения гибких шлангов между собой и присоединения их к водяным насосам, а также к приемным сеткам и клапанам.
1.1. Соединения шланговые должны изготовляться типов:
1 - разъемные соединения;
2 - неразъемные соединения.
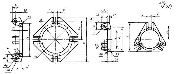
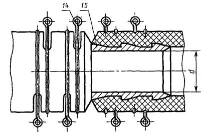
1.2. Основные размеры шланговых соединений должны соответствовать указанным на черт. 1 и в табл. 1.
Тип 1
Для Dy = 150 ÷ 200 мм Для Dу = 80 ÷ 125 мм
Тип 2
1 - ниппель; 2 - ниппель; 3 - упорное кольцо; 4 - подвижный фланец; 5 - неподвижный фланец; 6 - прокладка; 7 - болт откидной по ГОСТ 3033-79; 8 - ограничительное кольцо; 9 - цапфы; 10 - шайбы черные диаметром 16 и 20 мм по ГОСТ 11371-78; 11 - гайки М20 и М16 по ГОСТ 5915-70, ГОСТ 5918-73 и ГОСТ 5931-70; 12 - шайбы черные диаметром 16 и 14 мм по ГОСТ 11371-78; 13 - шплинты по ГОСТ 397-79; 14 - бугельное соединение; 15 - ниппель неразъемного соединения
Черт. 1
Размеры в мм
|
d |
d1 |
l |
H |
Количество болтов |
Диаметр болта |
Общая масса соединения типа 1, кг |
|
|
80 |
69 |
79 |
170 |
138 |
3 |
16 |
6,6 |
|
100 |
94 |
104 |
162 |
8,1 |
|||
|
125 |
119 |
129 |
203 |
20 |
11,6 |
||
|
150 |
143 |
154 |
180 |
262 |
4 |
17,1 |
|
|
200 |
195 |
206 |
190 |
314 |
21,0 |
Пример условного обозначения шлангового соединения типа 1, Dy 100:
Шланговое соединение 1-100 ГОСТ 3050-77
То же, типа 2:
Шланговое соединение 2-100 ГОСТ 3050-77
1.3. Основные размеры деталей шланговых соединений должны соответствовать указанным на черт. 2 - 10 и в табл. 2 - 10.
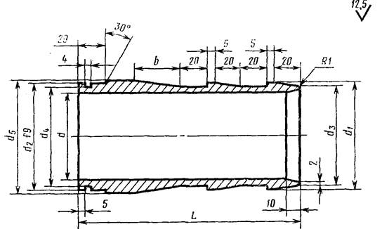
Поз. 1. Ниппель
Размеры в мм
|
d |
d1 |
dг |
d3 |
d4 |
L |
b |
Масса, кг |
|
|
80 |
69 |
79 |
80 |
75 |
83 |
170 |
35 |
1,6 |
|
100 |
94 |
104 |
104 |
100 |
108 |
2,1 |
||
|
125 |
119 |
129 |
130 |
125 |
133 |
2,6 |
||
|
150 |
143 |
154 |
154 |
150 |
159 |
180 |
40 |
3,8 |
|
200 |
195 |
206 |
206 |
202 |
209 |
190 |
50 |
4,7 |
Пример условного обозначения ниппеля 1 разъемного соединения Dy 100:
Ниппель 1-100 ГОСТ 3050-77
Поз. 2. Ниппель
Размеры в мм
|
d |
d1 |
d2 |
d3 |
d4 |
d5 |
L |
b |
Масса, кг |
|
|
80 |
69 |
79 |
80 |
75 |
77 |
83 |
170 |
35 |
1,6 |
|
100 |
90 |
104 |
104 |
100 |
101 |
108 |
2,1 |
||
|
125 |
119 |
129 |
130 |
125 |
127 |
133 |
2,6 |
||
|
150 |
143 |
154 |
154 |
150 |
151 |
159 |
180 |
40 |
3,8 |
|
200 |
195 |
206 |
206 |
202 |
203 |
209 |
190 |
50 |
4,7 |
Пример условного обозначения ниппеля 2 разъемного соединения Dy 100:
Ниппель 2-100 ГОСТ 3050-77
Поз 3 Упорное кольцо
Размеры в мм
|
d |
d1 |
d2 |
d3 |
b |
b1 |
Масса, кг |
|
|
80 |
80 |
82 |
96 |
107 |
22 |
15 |
0,52 |
|
100 |
104 |
106 |
120 |
131 |
0,57 |
||
|
125 |
130 |
133 |
150 |
164 |
24 |
17 |
1,26 |
|
150 |
154 |
157 |
174 |
188 |
1,47 |
||
|
200 |
206 |
209 |
226 |
240 |
1,9 |
Пример условного обозначения упорного кольца разъемного соединения Dy 100:
Упорное кольцо 100 ГОСТ 3050-77
Поз. 4. Подвижный фланец
Для трубопровода Dy 150 ÷ 200 мм Для трубопровода Dу 80 ÷ 125 мм
Размеры в мм
|
d |
d1 |
d2 |
b |
С |
H |
H1 |
h |
h1 |
r |
Масса, кг |
|
|
80 |
86 |
110 |
14 |
36 |
20 |
138 |
- |
36 |
65 |
16 |
1,14 |
|
100 |
111 |
134 |
162 |
- |
77 |
1,30 |
|||||
|
125 |
136 |
168 |
16 |
44 |
24 |
203 |
- |
38 |
97 |
18 |
1,94 |
|
150 |
162 |
192 |
262 |
216 |
109 |
3,35 |
|||||
|
200 |
212 |
244 |
314 |
254 |
135 |
4,08 |
Пример условного обозначения подвижного фланца разъемного соединения Dy 100:
Фланец подвижный 100 ГОСТ 3050-77
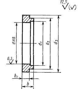
Поз. 5. Неподвижный фланец
Для трубопровода Dy 150 ÷ 200 мм. Для трубопровода Dy 80 ÷ 125 мм
Размеры в мм
|
d |
d1 |
d2 |
C |
H |
H1 |
Масса, кг |
|
|
80 |
80 |
110 |
100 |
20 |
138 |
- |
0,84 |
|
100 |
104 |
134 |
124 |
162 |
- |
0,96 |
|
|
125 |
130 |
168 |
156 |
24 |
203 |
- |
1,36 |
|
150 |
154 |
192 |
180 |
262 |
216 |
2,65 |
|
|
200 |
206 |
244 |
232 |
314 |
254 |
3,60 |
Пример условного обозначения неподвижного фланца разъемного соединения Dy 100:
Фланец 100 ГОСТ 3050-77
Поз. 6. Прокладка
Размеры в мм
|
d |
d1 |
Масса, кг |
|
|
80 |
79 |
102 |
0,040 |
|
100 |
103 |
126 |
0,052 |
|
125 |
128 |
158 |
0,080 |
|
150 |
152 |
182 |
0,094 |
|
200 |
204 |
234 |
0,122 |
Пример условного обозначения прокладки разъемного соединения Dy 100:
Прокладка 100 ГОСТ 3050-77
Поз. 8. Ограничительное кольцо
Размеры в мм
|
d |
d1 |
Масса, кг |
|
|
80 |
83 |
91 |
0,05 |
|
100 |
108 |
116 |
0,06 |
|
125 |
133 |
141 |
0,08 |
|
150 |
159 |
167 |
0,10 |
|
200 |
209 |
217 |
0,13 |
Пример условного обозначения ограничительного кольца разъемного соединения Dy 100:
Ограничительное кольцо 100 ГОСТ 3050-77
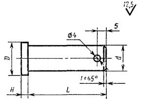
Поз. 9. Цапфа
Размеры в мм
|
d |
D |
L |
H |
Масса, кг |
|
|
80; 100 |
14 |
18 |
48 |
4 |
0,06 |
|
125; 150; 200 |
16 |
20 |
52 |
5 |
0,09 |
Пример условного обозначения цапфы с размерами d = 16 мм и L = 52 мм:
Цапфа 16´52 ГОСТ 3050-77
Поз. 15. Ниппель неразъемного соединения
Размеры в мм
|
d |
d1 |
d2 |
L |
Масса, кг |
|
|
80 |
69 |
75 |
79 |
240 |
1,73 |
|
100 |
94 |
100 |
104 |
2,32 |
|
|
125 |
119 |
125 |
129 |
260 |
3,15 |
|
150 |
143 |
150 |
154 |
4,27 |
|
|
200 |
195 |
202 |
206 |
300 |
5,86 |
Пример условного обозначения ниппеля неразъемного соединения Dy 100:
Ниппель 100 ГОСТ 3050-77
2.1. Соединения шланговые должны изготовляться в соответствии с требованиями настоящего стандарта по рабочим чертежам, утвержденным в установленном порядке.
2.2. Детали соединений должны изготовляться из материалов, указанных в табл. 11.
|
Материал |
Сортамент |
|
|
Ниппели |
Сталь 20 ГОСТ 1050-74 |
Бесшовная труба ГОСТ 8731-74 и ГОСТ 8733-74 |
|
Фланцы |
Сталь 25 Л ГОСТ 977-75 |
- |
|
Упорные и ограничительные кольца |
Сталь Ст 3 ГОСТ 380-71 |
- |
|
Откидные болты |
Сталь Ст 4 ГОСТ 380-71 |
- |
|
Цапфы, гайки и шайбы |
Сталь Ст 3 ГОСТ 380-71 |
- |
Примечания: 1. Допускается изготовление ниппелей из труб по сортаменту ГОСТ 8732-78 и ГОСТ 8734-75.
2. По согласованию с потребителем допускается заменять стальные детали латунными марки ЛЦ40Мц 1,5 по ГОСТ 17711-80 или бронзовыми. Такие детали не имеют антикоррозионного покрытия.
2.3. Резиновые прокладки разъемного соединения должны изготавливаться из резины средней твердости со следующими показателями:
Предел прочности при растяжении 0,045 МПа (≈ 0,45 кгс/см2)
Относительное удлинение........................ 300 %
Остаточное удлинение................................. 40 %
2.4. Закрепление гибких шлангов на ниппелях должно производиться при помощи бугелей, хомутов или проволочных бензелей, а также без них путем присоединения ниппелей до вулканизации шлангов (на предприятии-изготовителе шлангов).
2.5. Стальные детали должны иметь по всей поверхности покрытие: кадмиевое электролитическое с хроматированием или фосфатированием по ГОСТ 9.032-74. Толщина покрытия 30 - 36 мкм.
2.6. Требования к антикоррозионному покрытию - по ГОСТ 9.301-78.
2.7. Детали соединений не должны иметь трещин, расслоений и тому подобных пороков.
2.8. Предельные отклонения обрабатываемых поверхностей, не ограниченных допусками:
диаметров по Н14, h14, прочих размеров js14;
необрабатываемых поверхностей:
диаметров по Н15, h15, прочих размеров js15.
2.9. Отклонения по массе не должны быть более:
для всей партии, взвешиваемой при приемке + 8 %;
для отдельных соединений при контрольном взвешивании + 12 %.
2.10. Соединение в сборе должно быть прочным и плотным.
2.11. Каждая партия соединений должна сопровождаться паспортом по ГОСТ 2.601-68.
2.12. Установленный срок службы до списания - не менее 10 лет.
(Измененная редакция, Изм. № 1).
3.1. Для проверки соответствия соединений требованиям настоящего стандарта предприятие-изготовитель должно проводить приемо-сдаточные испытания.
3.2. При приемо-сдаточных испытаниях проверяют:
на соответствие требованиям пп. 2.5 - 2.6 - по ГОСТ 9.301-78;
на соответствие требованиям пп. 2.7 - 2.8 каждую деталь;
на соответствие требованиям пп. 2.9 - 2.10 - 5 % от партии, но не менее 3 шт.
3.3. Партия должна состоять из изделий одного типоразмера, изготовленных из материалов, полученных по одному сертификату и предъявленных к приемке по одному документу.
3.4. При получении неудовлетворительных результатов испытаний по какому-либо из показателей по нему проводят повторные испытания на удвоенном количестве образцов, отобранных от той же партии соединений. Результаты повторных испытаний являются окончательными и распространяются на всю партию.
4.1. Соответствие требованиям пп. 2.5 - 2.6 проверяют по ГОСТ 9.302-79.
4.2. Соответствие требованиям пп. 2.7 - 2.8 проверяют внешним осмотром и обмером.
4.3. Соответствие требованиям п. 2.9 проверяют взвешиванием на весах с погрешностью 5 %.
4.4. Соответствие требованиям п. 2.10 проверяют гидравлическим давлением 0,325 МПа (3,25 кгс/см2).
Время выдержки соединений под давлением 3 мин, при этом не должно наблюдаться остаточных деформаций, признаков разрыва, потения или течи.
5.1. Маркировка изделий - по ГОСТ 4666-75, а для изделий из цветного металла дополнительно по ГОСТ 2171-79.
5.2. Соединения должны быть упакованы в деревянные ящики по ГОСТ 2991-76: разъемные - по 20 шт., неразъемные - по 50 шт. в каждый ящик.
5.3. Маркировка транспортной тары - по ГОСТ 14192-77.
5.4. Сопроводительная документация должна быть предохранена от механических повреждений и воздействий атмосферных осадков.
5.5. Условия транспортирования и хранения - по группе С ГОСТ 15150-69.
5.6. Консервация соединений должна осуществляться нанесением на поверхность консервационных масел или пластичных смазок и отвечать требованиям ГОСТ 9.014-78 для изделий 1 группы и условий хранения и транспортирования категории С.
6.1. Изготовитель должен гарантировать соответствие соединений требованиям настоящего стандарта при соблюдении условий применения и хранения, установленных стандартом.
6.2. Гарантийный срок эксплуатации - 2 года со дня ввода соединений в эксплуатацию.
СОДЕРЖАНИЕ
|
1. Типы и основные размеры.. 1 4. Методы контроля и испытания. 9 |