Hot-rolled steel shapes for machine-Building in chemical engineering and oil industry. General specifications

ГОСТ 30565-98

МЕЖГОСУДАРСТВЕННЫЙ СТАНДАРТ

ПРОФИЛИ СТАЛЬНЫЕ ГОРЯЧЕКАТАНЫЕ
СПЕЦИАЛЬНЫЕ ДЛЯ ХИМИЧЕСКОГО И
НЕФТЯНОГО МАШИНОСТРОЕНИЯ

Общие технические условия

МЕЖГОСУДАРСТВЕННЫЙ СОВЕТ
ПО СТАНДАРТИЗАЦИИ, МЕТРОЛОГИИ И СЕРТИФИКАЦИИ

Минск

Предисловие

1 РАЗРАБОТАН Украинским государственным научно-исследовательским институтом металлов, ТК 2

ВНЕСЕН Государственным комитетом Украины по стандартизации, метрологии и сертификации

2 ПРИНЯТ Межгосударственным советом по стандартизации, метрологии и сертификации (протокол № 13 от 28 мая 1998 г.)

За принятие проголосовали:

Наименование государства

Наименование национального органа по стандартизации

Азербайджанская Республика

Азгосстандарт

Республика Армения

Армгосстандарт

Республика Беларусь

Госстандарт Беларуси

Республика Казахстан

Госстандарт Республики Казахстан

Киргизская Республика

Киргизстандарт

Республика Молдова

Молдовастандарт

Российская Федерация

Госстандарт России

Республика Таджикистан

Таджикгосстандарт

Туркменистан

Главная государственная инспекция Туркменистана

Республика Узбекистан

Узгосстандарт

Украина

Госстандарт Украины

3 Постановлением Государственного комитета Российской Федерации по стандартизации и метрологии от 28 апреля 1999 г. № 150 межгосударственный стандарт ГОСТ 30565-98 введен в действие непосредственно в качестве государственного стандарта Российской Федерации с 1 января 2000 г.

4 ВВЕДЕН ВПЕРВЫЕ

5 ПЕРЕИЗДАНИЕ

ГОСТ 30565-98

МЕЖГОСУДАРСТВЕННЫЙ СТАНДАРТ

ПРОФИЛИ СТАЛЬНЫЕ ГОРЯЧЕКАТАНЫЕ СПЕЦИАЛЬНЫЕ ДЛЯ ХИМИЧЕСКОГО И НЕФТЯНОГО МАШИНОСТРОЕНИЯ

Общие технические условия

Hot-rolled steel shapes for machine-building in chemical engineering and oil industry.

General specifications

Дата введения 2000-01-01

1 Область применения

Настоящий стандарт распространяется на стальные горячекатаные специальные профили для химического и нефтяного машиностроения, предназначенные для алюминиевых и диафрагменных электролизеров и для уплотняющих рамок коксовых печей.

2 Нормативные ссылки

В настоящем стандарте использованы ссылки на следующие стандарты:

ГОСТ 162-90 Штангенглубиномеры. Технические условия

ГОСТ 166-89 (ИСО 3599-76) Штангенциркули. Технические условия

ГОСТ 380-94 Сталь углеродистая обыкновенного качества. Марки

ГОСТ 427-75 Линейки измерительные металлические. Технические условия

ГОСТ 535-88 Прокат сортовой и фасонный из стали углеродистой обыкновенного качества. Общие технические условия

ГОСТ 1497-84 Металлы. Методы испытания на растяжение

ГОСТ 3749-77 Угольники поверочные 90°. Технические условия

ГОСТ 5378-88 Угломеры с нониусом. Технические условия

ГОСТ 6507-90 Микрометры. Технические условия

ГОСТ 7502-98 Рулетки измерительные металлические. Технические условия

ГОСТ 7564-97 Прокат. Общие правила отбора проб, заготовок и образцов для механических и технологических испытаний

ГОСТ 7565-81 (ИСО 377-2-89) Чугун, сталь и сплавы. Метод отбора проб для определения химического состава

ГОСТ 7566-94 Металлопродукция. Приемка, маркировка, упаковка, транспортирование и хранение

ГОСТ 9454-78 Металлы. Метод испытания на ударный изгиб при пониженных, комнатной и повышенных температурах

ГОСТ 14019-80 (ИСО 7483-85) Металлы. Методы испытания на изгиб

ГОСТ 22536.0-87 Сталь углеродистая и чугун нелегированный. Общие требования к методам анализа

ГОСТ 22536.1-88 Сталь углеродистая и чугун нелегированный. Методы определения общего углерода и графита

ГОСТ 22536.2-87 Сталь углеродистая и чугун нелегированный. Методы определения серы

ГОСТ 22536.3-88 Сталь углеродистая и чугун нелегированный. Методы определения фосфора

ГОСТ 22536.4-88 Сталь углеродистая и чугун нелегированный. Методы определения кремния

ГОСТ 22536.5-87 Сталь углеродистая и чугун нелегированный. Методы определения марганца

ГОСТ 22536.6-88 Сталь углеродистая и чугун нелегированный. Методы определения мышьяка

ГОСТ 22536.7-88 Сталь углеродистая и чугун нелегированный. Методы определения хрома

ГОСТ 22536.8-87 Сталь углеродистая и чугун нелегированный. Методы определения меди

ГОСТ 22536.9-88 Сталь углеродистая и чугун нелегированный. Методы определения никеля

ГОСТ 22536.10-88 Сталь углеродистая и чугун нелегированный. Методы определения алюминия

ГОСТ 22536.11-87 Сталь углеродистая и чугун нелегированный. Методы определения титана

ГОСТ 22536.12-88 Сталь углеродистая и чугун нелегированный. Методы определения ванадия

ГОСТ 26877-91 Металлопродукция. Методы измерения отклонений формы

ГОСТ 27809-95 Чугун и сталь. Методы спектрографического анализа

3 Основные параметры и размеры

3.1 Форма поперечного сечения и размеры горячекатаных профилей должны соответствовать профилям, приведенным на рисунках 1, 2, 3.

3.2 Предельные отклонения по размерам, площадь поперечного сечения и масса 1 м длины профиля должны соответствовать приведенным в таблицах 1, 2, 3.

Рисунок 1 - Полосовой профиль № 1 для алюминиевых электролизеров

Таблица 1

Тип профиля

Номинальные размеры (1) и предельные отклонения (2), мм

Радиус закругления углов R, мм

Площадь поперечного сечения, см2

Масса 1 м длины профиля, кг

b

s

1

2

1

2

1

2

190

+5,0

-7,0

115

±5,0

16

216,3

169,8

230

262,3

205,9

Примечание - Допускается увеличение радиуса закругления углов профиля до 18 мм.

Рисунок 2 - Специальный профиль № 2 для электролизеров ФБ 500

Таблица 2

Обозначение профиля

Номинальные размеры (1) и предельные отклонения (2), мм

Площадь поперечного сечения, см2

Масса 1 м длины профиля, кг

по высоте

по ширине

по толщине

основания

стенки

1

2

1

2

1

2

1

2

80 ´ 60 ´ 25 ´ 8

80

±3,0

60

±2,5

25

±2,0

8

±1,0

19,6

15,4

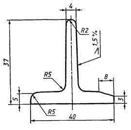
Рисунок 3 - Профиль № 3 для уплотняющих рамок коксовых батарей

Таблица 3

Обозначение профиля

Номинальные размеры (1) и предельные отклонения (2), мм

Площадь поперечного сечения, см2

Масса 1 м длины профиля, кг

по высоте

по ширине

по толщине

основания

стенки

1

2

1

2

1

2

1

2

40 ´ 37 ´ 5 ´ 4 ´ 3

40

±1,5

37

+1,2

3

±0,3

-0,5

4

+0,3

-0,5

3,12

2,58

5

3.3 Площадь поперечного сечения и масса 1 м длины профиля вычислены по номинальным размерам; при вычислении массы 1 м длины профиля плотность стали принята равной 7,85 г/см3.

3.4 Значения радиусов закругления углов и размеры профилей, на которые не установлены предельные отклонения, приведены для построения калибров; на профилях их не контролируют.

3.5 Профиль № 1 изготовляют длиной от 2,15 до 6 м, профиль № 3 - от 2 до 8 м.

3.5.1 В зависимости от заказа профили № 1 и 3 изготовляют:

- мерной длины (МД);

- мерной длины с немерными отрезками, масса которых не превышает 10 % массы партии (МД1);

- кратной мерной длины (КД);

- кратной мерной длины с немерными отрезками, масса которых не превышает 10 % массы партии (КД1);

- немерной длины (НД).

3.5.2 По соглашению изготовителя с потребителем допускается изготовление профилей других длин.

3.6 Профиль № 2 изготовляют мерной длины - 3900 мм. Допускается поставка немерной длины, но не короче 2250 мм, масса которой не превышает 5 % массы партии.

3.7 Предельные отклонения по длине профилей мерной и кратной мерной длины не должны превышать:

- для профиля № 1 +100 мм;

- для профиля № 2 +40 мм;

- для профиля № 3 +70 мм.

При поставке профилей длиной один крат предельные отклонения не должны превышать ±25 мм.

3.8 Кривизна профилей не должна превышать:

- для профиля № 1 0,6 % длины;

- для профиля № 2 0,4 % длины;

- для профиля № 3 0,5 % длины.

3.9 Серповидность профиля № 1 не должна превышать 0,6 % длины. Серповидность профиля проверяют на длине не менее 1 м.

3.10 Профили должны быть обрезаны. Косина реза для профилей № 2 и 3 не должна превышать 10 мм, а для профиля № 1 - 5 мм по толщине и 10 мм по ширине.

3.11 Скручивание профилей вокруг продольной оси не допускается.

Примеры условных обозначений:

Профиль № 1 горячекатаный шириной 230 мм, толщиной 115 мм, кратной мерной длины (КД), по ГОСТ 30565 из стали марки Ст3сп категории 2, группы II по ГОСТ 535:

Профиль № 1

Профиль № 2 горячекатаный высотой 80 мм, шириной 60 мм, толщиной у основания 25 мм, толщиной стенки 8 мм, мерной длины (МД), по ГОСТ 30565 из стали марки Ст3пс категории 2, группы II по ГОСТ 535:

Профиль № 2

4 Общие технические условия

4.1 Характеристики

4.1.1 Профили изготовляют из стали по ГОСТ 380 марок:

- профиль № 1 - Ст0, Ст1кп, Ст1пс, Ст1сп, Ст2кп, Ст2пс, Ст2сп, Ст3кп, Ст3пс, Ст3сп;

- профиль № 2 - Ст3пс, Ст3сп;

- профиль № 3 - Ст3кп, Ст3пс, Ст3сп.

Категорию указывают в заказе по ГОСТ 535. Если категория не указана в заказе, ее определяет изготовитель.

4.1.1.1 Профиль № 2 изготовляют с гарантией свариваемости, что обеспечивается соблюдением требований к химическому составу и механическим свойствам.

4.1.2 Механические свойства профилей - по ГОСТ 535.

4.1.3 Качество поверхности профилей - по ГОСТ 535. Группу качества поверхности указывают в заказе. Если группа поверхности не указана в заказе, ее устанавливает изготовитель.

4.2 Маркировка

4.2.1 Маркировка профилей - по ГОСТ 7566.

4.3 Упаковка

4.3.1 Упаковка профилей - по ГОСТ 7566.

5 Правила приемки

5.1 Правила приемки профилей - по ГОСТ 7566.

5.2 Профили принимают партиями. Партия должна состоять из профилей одного профилеразмера из стали одной плавки (ковша).

5.2.1 По соглашению изготовителя с потребителем в партии допускаются профили разных плавок.

5.3 Партия должна сопровождаться документом о качестве по ГОСТ 7566.

5.4 Для проверки качества профилей от партии отбирают:

- для химического анализа - одну-три пробы от плавки (ковша);

- для испытания на растяжение и изгиб - один профиль;

- для испытания на ударную вязкость - два профиля;

- для проверки размеров - 10 % от партии, но не меньше 5 шт.

Качество поверхности проверяют на всех профилях.

5.5 При получении неудовлетворительных результатов проверки испытаний хотя бы по одному показателю проводят повторную проверку в соответствии с ГОСТ 7566.

Результаты повторных испытаний распространяются на всю партию.

6 Методы контроля

6.1 Методы отбора проб для определения химического состава - по ГОСТ 7565.

6.2 Химический анализ стали - по ГОСТ 22536.0 - ГОСТ 22536.12, ГОСТ 27809 или другими методами, утвержденными в установленном порядке, обеспечивающими необходимую точность анализа.

При разногласии между изготовителем и потребителем оценку проводят стандартными методами.

6.3 Отбор проб для механических и технологических испытаний - по ГОСТ 7564.

6.4 Испытание на растяжение - по ГОСТ 1497.

6.5 Испытание на изгиб - по ГОСТ 14019.

6.6 Испытание на ударную вязкость - по ГОСТ 9454.

6.7 При контроле механических свойств допускается применять статистические и неразрушающие методы контроля по нормативной документации на методы контроля металлопродукции.

6.8 Геометрические размеры профилей контролируют с помощью измерительных инструментов согласно ГОСТ 162, ГОСТ 166, ГОСТ 427, ГОСТ 3749, ГОСТ 5378, ГОСТ 6507, ГОСТ 7502.

6.9 Контроль кривизны - по ГОСТ 26877.

6.10 Контроль качества поверхности проводят осмотром без применения увеличительных приборов.

6.11 Размеры профилей и кривизну проверяют на расстоянии не менее 500 мм от торцов профиля.

7 Транспортирование и хранение

7.1 Транспортирование и хранение профилей № 2 и 3 - по ГОСТ 7566.

7.2 Транспортирование и хранение профиля № 1 - по ГОСТ 7566 с дополнениями.

Профиль полосовой для алюминиевых электролизеров должен храниться на специальных стеллажах, исключающих изгибание профиля, в стопах без обвязки проволокой.

При складировании профилей в штабеля стопы их должны располагаться взаимно перпендикулярными рядами, исключающими падение, провисание концов и искривление профиля.

Ключевые слова: профили специальные, размеры, предельные отклонения, условные обозначения, марки стали, технические требования, приемка, методы контроля, маркировка, транспортирование, хранение

СОДЕРЖАНИЕ

1 Область применения. 1

2 Нормативные ссылки. 2

3 Основные параметры и размеры.. 2

4 Общие технические условия. 4

5 Правила приемки. 5

6 Методы контроля. 5

7 Транспортирование и хранение. 5