Fishplate bolts for broad gauge. General requirements

ГОСТ 799-73

МЕЖГОСУДАРСТВЕННЫЙ СТАНДАРТ

БОЛТЫ ПУТЕВЫЕ
ДЛЯ СКРЕПЛЕНИЯ РЕЛЬСОВ
ШИРОКОЙ КОЛЕИ

ОБЩИЕ ТЕХНИЧЕСКИЕ ТРЕБОВАНИЯ

ИПК ИЗДАТЕЛЬСТВО СТАНДАРТОВ
Москва

МЕЖГОСУДАРСТВЕННЫЙ СТАНДАРТ

БОЛТЫ ПУТЕВЫЕ ДЛЯ СКРЕПЛЕНИЯ РЕЛЬСОВ
ШИРОКОЙ КОЛЕИ

Общие технические требования

Fishplate bolts for broad gauge.
General requirements

ГОСТ
799-73

Дата введения 01.01.74

Настоящий стандарт распространяется на путевые болты класса точности С, применяемые для скрепления двухголовыми накладками стыков железнодорожных рельсов типов Р38 и Р43.

При поставке болтов на экспорт, как отдельных изделий, следует учитывать требования настоящего стандарта и ГОСТ 16018 (ИСО 6305-4-85), предъявляемые к болтам.

Требования настоящего стандарта являются обязательными.

(Измененная редакция, Изм. № 2).

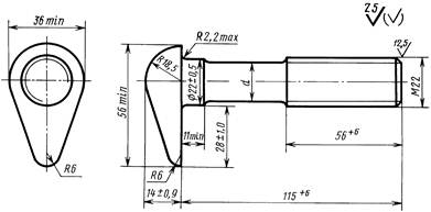
1. КОНСТРУКЦИЯ И РАЗМЕРЫ

1.1. Конструкция и размеры болтов должны соответствовать указанным на черт. 1.

d » среднему диаметру резьбы

Черт. 1

Пример условного обозначения болта путевого класса точности С, диаметром резьбы 22 мм, с крупным шагом резьбы, полем допуска 8g, длиной 115 мм, класса прочности 3.6:

Болт CM22-8g ´ 115.3.6 ГОСТ 799-73.

(Измененная редакция, Изм. № 1, 2).

1.2. (Исключен, Изм. № 2).

2. ТЕХНИЧЕСКИЕ ТРЕБОВАНИЯ

2.1. Болты путевые должны изготавливаться в соответствии с требованиями настоящего стандарта и ГОСТ 1759.0.

2.2. Механические свойства болтов должны соответствовать классу прочности 3.6 по ГОСТ 1759.4.

2.3. Резьба - по ГОСТ 24705. Поле допуска - 8g по ГОСТ 16093.

2.4. Смещение оси головки относительно оси стержня болта не должно быть более 0,9 мм.

2.5. Болты должны быть укомплектованы гайками по ГОСТ 16018.

Гайки должны быть навинчены на болты или упакованы в тару.

При упаковке гаек в тару транспортирование их должно производиться совместно с болтами.

2.6. Дефекты поверхности и методы контроля болтов - по ГОСТ 1759.2.

2.7. Транспортирование болтов без упаковки на железнодорожных платформах не допускается.

2.8. Масса 1000 шт. болтов (справочная) - 400 кг.

2.9. Остальные технические требования - по ГОСТ 1759.0.

Раздел 2. (Измененная редакция, Изм. № 2).

3. ПРИЕМКА

3.1. Приемка - по ГОСТ 17769 для изделий класса точности С.

Раздел 3. (Измененная редакция, Изм. № 2).

4. МЕТОДЫ ИСПЫТАНИЙ

4.1. Методы испытаний болтов - по ГОСТ 1759.4.

При испытании на разрыв на косой шайбе головка болта должна располагаться в соответствии с черт. 2.

Черт. 2

(Измененная редакция, Изм. № 2).

5. УПАКОВКА И МАРКИРОВКА

5.1. Упаковка и маркировка - по ГОСТ 18160.

ИНФОРМАЦИОННЫЕ ДАННЫЕ

1. РАЗРАБОТАН Научно-исследовательским институтом метизной промышленности (НИИМЕТИЗ)

ВНЕСЕН Министерством черной металлургии СССР

2. УТВЕРЖДЕН И ВВЕДЕН В ДЕЙСТВИЕ Постановлением Государственного комитета стандартов Совета Министров СССР от 22.02.73 № 431

3. ВЗАМЕН ГОСТ 799-41

4. ССЫЛОЧНЫЕ НОРМАТИВНО-ТЕХНИЧЕСКИЕ ДОКУМЕНТЫ

Обозначение НТД, на который дана ссылка

Номер пункта

ГОСТ 1759.0-87

2.1, 2.9

ГОСТ 1759.2-82

2.6

ГОСТ 1759.4-87

2.2, 4.1

ГОСТ 16018-79

Вводная часть, 2.5

ГОСТ 16093-81

2.3

ГОСТ 17769-83

3.1

ГОСТ 18160-72

5.1

ГОСТ 24705-81

2.3

5. Ограничение срока действия снято Постановлением Госстандарта СССР от 28.12.92 № 1573

6. ИЗДАНИЕ (июль 2002 г.) с Изменениями № 1, 2, утвержденными в декабре 1983 г., декабре 1992 г. (ИУС 4-84, 3-93)