ГОСТ Р 50056-92
ГОСУДАРСТВЕННЫЙ СТАНДАРТ РОССИЙСКОЙ ФЕДЕРАЦИИ
Основные нормы взаимозаменяемости
ЗАВИСИМЫЕ ДОПУСКИ ФОРМЫ,
РАСПОЛОЖЕНИЯ И КООРДИНИРУЮЩИХ
РАЗМЕРОВ
Основные положения по применению
ГОССТАНДАРТ РОССИИ
Москва
ГОСУДАРСТВЕННЫЙ СТАНДАРТ РОССИЙСКОЙ ФЕДЕРАЦИИ
|
Основные нормы взаимозаменяемости ЗАВИСИМЫЕ ДОПУСКИ ФОРМЫ, РАСПОЛОЖЕНИЯ Основные положения по применению Basic norms of interchangeability. Depended
tolerances of form, position |
ГОСТ P |
Дата введения 1994-01-01
Настоящий стандарт распространяется на зависимые допуски формы, расположения и координирующих размеров деталей машин и приборов и устанавливает основные положения по их применению.
Требования настоящего стандарта являются обязательными.
1.1 Термины и определения, относящиеся к отклонениям и допускам размеров, формы и расположения поверхностей, в т.ч. к зависимым допускам формы и расположения, - по ГОСТ 25346 и ГОСТ 24642.
Указания на чертежах зависимых допусков формы и расположения поверхностей - по ГОСТ 2.308, координирующих размеров - по ГОСТ 2.307.
В дополнение к ГОСТ 25346 и ГОСТ 24642 в настоящем стандарте устанавливают следующие термины и определения.
1.1.1 местный размер da: Размер, измеренный по двухточечной схеме измерения в любом сечении элемента (рисунок. 1).
1.1.2 размер по сопряжению dp:
- для цилиндрических наружных элементов - диаметр наименьшего описанного (прилегающего) цилиндра (черт. 1), для плоских наружных элементов - расстояние между двумя наиболее сближенными параллельными плоскостями, касательными к реальным поверхностям элемента;
- для цилиндрических внутренних элементов - диаметр наибольшего вписанного (прилегающего) цилиндра, для плоских внутренних элементов - расстояние между двумя наиболее удаленными друг от друга параллельными плоскостями, касательными к реальным поверхностям элемента;
- для резьбовых элементов - размер по сопряжению соответствует приведенному среднему диаметру резьбы.
1.1.3 предельный действующий контур: Поверхность (поверхности) или линия, имеющая номинальную форму, номинальное расположение относительно базы (баз) и размер, определяемый пределом максимума материала элемента и указанным на чертеже числовым значением зависимого допуска формы, расположения или координирующего размера (рисунок 1).
Примечание - Реальный элемент не должен выходить за предельный действующий контур. Предельный действующий контур соответствует, например, измерительному элементу калибра для контроля расположения (формы) поверхностей.
1.1.4 предельный действующий размер dv: Размер предельного действующего контура (рисунок 1).
1.1.5 контур максимума материала: Поверхность (поверхности) или линия, которая имеет номинальную форму и размер, равный пределу максимума материала (рисунок 1).
1.1.6 минимальное значение зависимого допуска ТМ min : Числовое значение зависимого допуска, когда рассматриваемый (нормируемый) элемент и/или база имеют размеры, равные пределу максимума материала (рисунок 1).
Примечание - Минимальное значение зависимого допуска указывают в чертежах или других технических документах; по нему определяют предельный действующий размер.
1.1.7 максимальное значение зависимого допуска ТМ max: Числовое значение зависимого допуска, когда рассматриваемый элемент и/или база имеют размеры, равные пределу минимума материала.
Примечание - Максимальное значение зависимого допуска используют в случае проведения проверочных расчетов при назначении зависимых допусков.
1.1.8 действительное значение зависимого допуска ТМа: Числовое значение зависимого допуска, соответствующее действительным размерам рассматриваемого элемента и/или базы.
Примечание - Действительное значение зависимого допуска расположения или формы индивидуально для каждого экземпляра детали. Его используют при контроле соблюдения зависимых допусков путем раздельного измерения действительных отклонений расположения (или формы) и размеров элементов.
1.1.9 принцип максимума материала: Метод (принцип) назначения допусков формы, расположения или координирующих размеров, при котором требуется, чтобы рассматриваемый элемент не выходил за предельный действующий контур, а базовый элемент - за контур максимума материала.
Примечание - Понятие о принципе максимума материала принято в
соответствии с международными стандартами ИСО 1101-2 и ИСО 2692. По существу и
способу обозначения символом
принцип максимума материала соответствует
понятию и способам обозначения зависимых допусков формы и расположения по ГОСТ
24642 и ГОСТ
2.308.
1.1.10 поверхность симметрии реальных плоских элементов: Геометрическое место середин местных размеров элемента, ограниченного номинально параллельными плоскостями.
1.1.11 координирующий размер: Размер, определяющий расположение элемента в выбранной системе координат или относительно другого элемента (элементов).
1.2 Зависимые допуски назначают только для элементов (их осей или плоскостей симметрии), представляющих собой отверстия или валы в соответствии с определениями по ГОСТ 25346.
1.3 Зависимые допуски назначают, как правило, когда необходимо обеспечить сборку деталей с зазором между сопрягаемыми элементами.
Примечания:
1 Свободная (без натяга) сборка деталей зависит от совместного влияния действительных размеров и действительных отклонений расположения (или формы) сопрягаемых элементов. Допуски формы или расположения, указываемые на чертежах, рассчитывают по минимальным зазорам в посадках, т.е. при условии, когда размеры элементов выполнены на пределе максимума материала. Отклонение действительного размера элемента от предела максимума материала приводит к увеличению зазора в соединении этого элемента с парной деталью. При увеличении зазора соответствующее дополнительное отклонение формы или расположения, разрешаемое зависимым допуском, не приведет к нарушению условий сборки. Примеры назначения зависимых допусков: позиционные допуски осей гладких отверстий во фланцах, через которые проходят скрепляющие их болты; допуски соосности ступенчатых валов и втулок, соединяемых друг с другом с зазором; допуски перпендикулярности к опорной плоскости осей гладких отверстий, в которые должны входить стаканы, заглушки или крышки.
2 Расчет минимальных значений зависимых допусков формы и расположения, определяемых конструктивными требованиями, в настоящем стандарте не рассматривают. Применительно к позиционным допускам осей отверстий для крепежных деталей методика расчета приведена в ГОСТ 14140.
3 Примеры назначения зависимых допусков формы, расположения, координирующих размеров и их интерпретация приведены в приложении 1, технологические преимущества зависимых допусков - в приложении 2.
1.4 Зависимые допуски формы, расположения и координирующих размеров обеспечивают сборку деталей по методу полной взаимозаменяемости без какого-либо подбора парных деталей, поскольку дополнительное отклонение формы, расположения или координирующих размеров элемента (или элементов) компенсируется отклонениями действительных размеров элементов той же самой детали.
1.5 Если, кроме собираемости деталей, необходимо обеспечить и другие требования к деталям, например, прочность или внешний вид, то при назначении зависимых допусков необходимо проверить выполнение этих требований при максимальных значениях зависимых допусков.
1.6 Зависимые допуски формы, расположения или координирующих размеров, как правило, не следует назначать в случаях, когда отклонения формы или расположения влияют на сборку или функционирование деталей независимо от действительных отклонений размеров элементов и не могут быть компенсированы ими. Примерами являются допуски расположения деталей или элементов, образующих посадки с натягами или переходные, обеспечивающих кинематическую точность, балансировку, плотность или герметичность, в т.ч. допуски расположения осей отверстий под валы зубчатых передач, посадочных мест под подшипники качения, резьбовых отверстий под шпильки и тяжелонагруженные винты.
1.7 Обозначения
В настоящем стандарте приняты следующие обозначения:
|
d, d1, d2 |
- номинальный размер рассматриваемого элемента; |
|
da |
- местный размер рассматриваемого элемента; |
|
da max, da min |
- максимальный и минимальный местные размеры рассматриваемого элемента; |
|
dLMc |
- предел минимума материала рассматриваемого элемента; |
|
dLMco |
- предел минимума материала базы; |
|
dммс |
- предел максимума материала рассматриваемого элемента; |
|
dммсо |
- предел максимума материала базы; |
|
dp |
- размер по сопряжению рассматриваемого элемента; |
|
dpo |
- размер по сопряжению базы; |
|
dv |
- предельный действующий размер рассматриваемого элемента; |
|
- номинальный координирующий размер; |
|
|
RTPMa, RTPM max, RTPM min |
- соответственно действительное, максимальное и минимальное значения зависимых допусков соосности, симметричности, пересечения осей и позиционных в радиусном выражении; |
|
Тd, Td1, Td2 |
- допуск размера рассматриваемого элемента; |
|
Td0 |
- допуск размера базы; |
|
Тма |
- обобщенное обозначение действительного значения зависимого допуска формы, расположения или координирующего размера; |
|
tM max, ТM min |
- обобщенное обозначение соответственно максимального и минимального значений зависимого допуска формы, расположения: или координирующего размера; |
|
ТFма, ТFM max, ТFM min |
- соответственно действительное, максимальное и минимальное значения зависимого допуска формы; |
|
TFz |
- допускаемое превышение минимального значения зависимого допуска формы; |
|
ТLма, ТLM max, TLM min |
- соответственно действительное, максимальное и минимальное значения зависимого допуска координирующего размера; |
|
TLz |
- допускаемое превышение минимального значения зависимого допуска координирующего размера; |
|
ТРма, ТРM max, ТРM min |
- соответственно действительное, максимальное и минимальное значения зависимого допуска расположения рассматриваемого элемента; |
|
ТРмао (TPzo), ТРмтахо |
- соответственно действительное (равное допустимому превышению зависимого допуска расположения базового элемента) и максимальное значения зависимого допуска расположения базы; |
|
ТРма |
- действительное значение зависимого допуска расположения, зависящее от отклонений размеров рассматриваемого элемента и базы; |
|
TPz |
- допускаемое превышение минимального значения зависимого допуска расположения за счет отклонения размера рассматриваемого элемента. |
2.1 Зависимыми могут назначаться следующие допуски формы:
- допуск прямолинейности оси цилиндрической поверхности;
- допуск плоскостности поверхности симметрии плоских элементов.
2.2 При зависимых допусках формы предельные размеры рассматриваемого элемента ограничивают только любые местные размеры элемента. Размер по сопряжению на длине нормируемого участка, к которой относится допуск формы, может выходить из поля допуска размера и ограничивается предельным действующим размером.
2.3 Допускаемое превышение минимального значения зависимого допуска формы определяется в зависимости от местного размера элемента.
2.4 Формулы для расчета допускаемого превышения минимального значения зависимого допуска формы, а также действительного и максимального значений зависимого допуска формы и предельного действующего размера приведены в таблице 1.
Таблица 1- Расчетные формулы для зависимых допусков формы
|
Формулы |
||
|
для валов |
для отверстий |
|
|
TFz |
dMMC - da |
da - dMMC |
|
ТРМа |
TFM min + TFz |
TFM min + TFz |
|
TFМ max |
TFM min + Тd |
TFM min + Тd |
|
dv |
dMMC + TFM min |
dMMC - TFM min |
|
Примечание - Формулы для TFz и ТРма, приведенные в табл. 1, соответствуют условию, когда все местные размеры элемента одинаковы, а для цилиндрических элементов отсутствуют отклонения от круглости. При несоблюдении этих условий значения TFz и ТРма могут быть оценены лишь ориентировочно (например, если в формулы вместо da подставлять значения da max для валов или da min для отверстий). Критическим является соблюдение условия, чтобы реальная поверхность не выходила за действующий предельный контур, размер которого равен dv. |
||
3.1 Зависимыми могут назначаться следующие допуски расположения:
- допуск перпендикулярности оси (или плоскости симметрии) относительно плоскости или оси;
- допуск наклона оси (или плоскости - симметрии) относительно плоскости или оси;
- допуск соосности;
- допуск симметричности;
- допуск пересечения осей;
- позиционный допуск оси или плоскости симметрии.
3.2 При зависимых допусках расположения предельные отклонения размера рассматриваемого элемента и базы интерпретируют в соответствии с ГОСТ 25346.
3.3 Допускаемое превышение минимального значения зависимого допуска расположения определяют в зависимости от отклонения размера по сопряжению рассматриваемого элемента и/или базы от соответствующего предела максимума материала.
В зависимости от требований, предъявляемых к детали, и способа указания зависимого допуска на чертеже условие зависимого допуска может распространяться:
- на рассматриваемый элемент и базу одновременно, когда расширение допуска расположения возможно как за счет отклонений размера по сопряжению рассматриваемого элемента, так и за счет отклонений размера по сопряжению базы;
- только на рассматриваемый элемент, когда расширение допуска расположения возможно только за счет отклонения размера по сопряжению рассматриваемого элемента;
- только на базу, когда расширение допуска расположения возможно только за счет отклонения размера по сопряжению базы.
3.4 Формулы для расчета допускаемого превышения минимального значения зависимого допуска расположения, когда условие зависимого допуска распространяют на рассматриваемый элемент, а также для определения действительного и максимального значений зависимого допуска расположения и предельного действующего размера рассматриваемого элемента приведены в таблицах 2 и 3.
3.5 Если установлены зависимые допуски на взаимное расположение двух или нескольких рассматриваемых элементов, то величины, указанные в таблицах 2 и 3, рассчитывают для каждого рассматриваемого элемента в отдельности по размерам и допускам соответствующего элемента.
Таблица 2 Расчетные формулы для зависимых допусков расположения в диаметральном выражении (превышение минимального значения зависимого допуска за счет отклонений размера рассматриваемого элемента)
|
Формулы |
||
|
для валов |
для отверстий |
|
|
ТРz |
dMMC - dp |
da - dMMC |
|
ТРМа |
TPM min + TPz |
TPM min + TPz |
|
TFМ max |
TPM min + ТPd |
TPM min + Тd |
|
dv |
dMMC + TPM min |
dMMC - TPM min |
Таблица 3 Расчетные формулы для зависимых допусков расположения в радиусном выражении (превышение минимального значения зависимого допуска за счет отклонений размера рассматриваемого элемента)
|
Формулы |
||
|
для валов |
для отверстий |
|
|
RТРz |
0,5 (dMMC - dp) |
0,5 (da - dMMC) |
|
RТРМа |
RTPM min + RTPz |
RTPM min + RTPz |
|
RTPМ max |
RTPM min + 0,5 Тd |
RTPM min + 0,5 Тd |
|
dv |
dMMC + 2 RTPM min |
dMMC - 2 RTPM min |
3.6 Когда условие зависимого допуска распространяется на базу, то дополнительно допускается отклонение (смещение) базовой оси или плоскости симметрии относительно рассматриваемого элемента (или элементов). Формулы для расчета действительного и максимального значений зависимого допуска расположения базы, а также предельного действующего размера базы приведены в таблице 4.
Таблица 4 Расчетные формулы для зависимых допусков расположения базы
|
Формулы |
||
|
для валов |
для отверстий |
|
|
Допуски расположения в диаметральном выражении |
||
|
ТРzo = ТРMao |
dMMCo - dpo |
dpo - dMMCo |
|
ТРМ max о |
Tdo |
Tdo |
|
Допуски расположения в диаметральном выражении |
||
|
RTPzo = RTPMao |
0,5 (dMMCo - dpo) |
0,5 (dpo - dMMCo) |
|
RТРМ max о |
0,5 Tdo |
0,5 Tdo |
|
Предельный действующий размер базы |
||
|
dvo |
dMMCo |
dMMCo |
3.7 Если по отношению к данной базе установлен зависимый допуск расположения одного рассматриваемого элемента, то действительное значение этого допуска может быть увеличено на действительное значение зависимого допуска расположения базы по таблице 4 с учетом длин и расположения в осевом направлении рассматриваемого элемента и базы (см. приложение 1, пример 7).
Если относительно данной базы установлены зависимые допуски расположения нескольких элементов, то зависимый допуск расположения базы не может быть использован для увеличения действительного значения зависимого допуска на взаимное расположение рассматриваемых элементов (см. приложение 1, пример 8).
4.1 Зависимыми могут назначаться допуски следующих координирующих размеров, определяющих расположение осей или плоскостей симметрии элементов:
- допуск расстояния между плоскостью и осью (или плоскостью симметрии) элемента;
- допуск расстояния между осями (плоскостями симметрии) двух элементов.
4.2 При зависимых допусках координирующих размеров предельные отклонения размеров рассматриваемых элементов интерпретируют в соответствии с ГОСТ 25346.
4.3 Допускаемое превышение минимального значения зависимого допуска расположения определяют в зависимости от отклонения размера по сопряжению рассматриваемого элемента (или элементов) от соответствующего предела максимума материала.
4.4 Формулы для расчета допускаемого превышения минимального значения зависимого допуска координирующего размера, действительного и максимального значений зависимого допуска координирующего размера, а также предельных действующих размеров рассматриваемых элементов приведены в таблице 5.
|
Определяемая |
Формулы |
||
|
для валов |
для отверстий |
||
|
|
TLz |
dMMC - dp |
dp - dMMC |
|
TLMa |
TLM min + TLz |
TLM min + TLz |
|
|
TLM max |
TLM min + Td |
TLM min + Td |
|
|
dv |
dMMC + TLM min |
dMMC - TLM min |
|
|
|
TLz |
|d1MMC - d1p| + |d2MMC - d2p| |
|
|
TLMa |
TLM min + TLz |
||
|
TLM max |
TLM min + Td1 + Td2 |
||
|
d1v |
d1MMC + 0,5 TLM min |
d1MMC - 0,1 TLM min |
|
|
d2v |
d2MMC + 0,5 TLM min |
d2MMC - 0,5 TLM min |
|
5.1 Зависимые допуски расположения могут назначаться равными нулю. В этом случае отклонения расположения допускаются в пределах поля допуска размера элемента и только при условии, что размер по сопряжению отклоняется от предела максимума материала.
5.2 При нулевом зависимом допуске расположения допуск размера является суммарным допуском размера и расположения элемента. При этом предел максимума материала ограничивает размер по сопряжению и является предельным действующим размером элемента, а предел минимума материала ограничивает местные размеры элемента.
В предельных случаях поле суммарного допуска размера и расположения может быть полностью использовано для отклонений расположения, если размер по сопряжению выполнен на пределе минимума материала, или для отклонений размера, если отклонение расположения равно нулю.
5.3 Назначение раздельных допусков размера элемента и зависимого допуска его расположения можно заменить назначением суммарного допуска размера и расположения в сочетании с нулевым зависимым допуском расположения, если по условиям сборки и функционирования детали допустимо, чтобы для данного элемента предельный размер по сопряжению совпадал с предельным действующим размером, определенным по раздельным допускам размера и расположения. Эквивалентную замену обеспечивают увеличением допуска размера путем смещения предела максимума материала на величину, равную минимальному значению зависимого допуска расположения в диаметральном выражении, при сохранении предела минимума материала, как показано на рисунке 2. Примеры эквивалентной замены раздельных допусков размера и расположения приведены на рисунке 3, а также в приложении 1 (пример 10).
По сравнению с раздельным назначением допусков размера и расположения нулевой зависимый допуск расположения позволяет не только увеличивать отклонение расположения за счет отклонений размера от предела максимума материала, но и увеличить отклонение размера при соответствующем уменьшении отклонения расположения.
Примечание - Замена раздельных допусков размера и расположения суммарным допуском размера и расположения при нулевом зависимом допуске расположения не допускается для элементов, образующих при сборке посадку, в которой не предусмотрено гарантированного зазора, компенсирующего минимальное значение зависимого раздельного допуска расположения, например, для допусков расположения резьбовых отверстий в соединениях типа В по ГОСТ 14140.
5.4 Соотношение между отклонениями размера и расположения в пределах суммарного допуска (при нулевых зависимых допусках расположения) не регламентируют. При необходимости оно может быть установлено в технологической документации с учетом особенностей процесса изготовления путем назначения поэлементного предела максимума материала для местного размера или размера по сопряжению (d′MMC на рисунке 2). Контроль соблюдения этого предела при приемочном контроле изделий не является обязательным.
5.5 Нулевые зависимые допуски расположения могут быть установлены для всех видов допусков расположения, указанных в 3.1.
Примечания
1 Нулевой зависимый допуск формы соответствует интерпретации предельных размеров по ГОСТ 25346 и его не рекомендуется назначать.
2 Вместо нулевых зависимых допусков координирующих размеров следует назначать нулевые зависимые позиционные допуски.
Рисунок 2
Рисунок 3
6.1 Контроль деталей с зависимыми допусками может осуществляться двумя способами.
6.1.1 Комплексным методом, при котором контролируют соблюдение принципа максимума материала, например, с помощью калибров для контроля расположения (формы), приборов для координатных измерений, в которых моделируются предельные действующие контуры и совмещение с ними измеренных элементов; проекторов путем наложения изображения реальных элементов на изображение предельных действующих контуров. Независимо от этой проверки отдельно осуществляют контроль размеров рассматриваемого элемента и базы.
Примечание - Допуски калибров для контроля расположения и расчет их размеров - по ГОСТ 16085.
6.1.2 Раздельным измерением отклонений размера рассматриваемого элемента и/или базы и отклонений расположения (формы или координирующего размера), ограниченных зависимым допуском, с последующим расчетом действительного значения зависимого допуска и проверкой условия, что действительное отклонение расположения (формы или координирующего размера) не превышает действительное значение зависимого допуска.
6.2 При расхождениях между результатами комплексного и раздельного контроля отклонений формы, расположения или координирующих размеров, ограниченных зависимыми допусками, арбитражными являются результаты комплексного контроля.
ПРИМЕРЫ НАЗНАЧЕНИЯ ЗАВИСИМЫХ ДОПУСКОВ И ИХ ИНТЕРПРЕТАЦИЯ
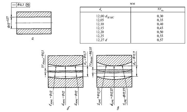
Пример 1
Задан зависимый допуск прямолинейности оси отверстия согласно рисунка 4а.
Деталь должна удовлетворять следующим требованиям:
- местные размеры отверстия должны лежать между 12 и 12,27 мм;
- реальная поверхность отверстия не должна выходить за предельный действующий контур - цилиндр с диаметром
dv = 12 - 0,3 = 11,7 мм.
Действительные значения зависимого допуска прямолинейности оси при различных значениях местного размера отверстия приведены в таблице на рисунке 4.
В предельных случаях:
- если все местные размеры отверстия выполнены равными наименьшему предельному размеру dммс = 12 мм, то допуск прямолинейности оси составит 0,3 мм (минимальное значение зависимого допуска, рисунок 4б);
- если все значения da отверстия выполнены равными наибольшему предельному размеру dLMc = 12,27 мм, то допуск прямолинейности оси составит 0,57 мм (максимальное значение зависимого допуска, рисунок 4в).
Задан зависимый допуск плоскостности поверхности симметрии пластины согласно рисунка 5а.
Деталь должна удовлетворять следующим требованиям:
- толщина в любом месте должна лежать в пределах от 4,85 до 5,15 мм;
- поверхности А пластины не должны выходить за предельный действующий контур - две параллельные плоскости, расстояние между которыми равно 5,25 мм.
Действительные значения зависимого допуска плоскостности при разных значениях местной толщины пластины приведены в таблице на рисунке 5.
В предельных случаях:
- если толщина пластины во всех местах выполнена равной наибольшему предельному размеру Dммс = 5,15 мм, то допуск плоскостности поверхности симметрии составит 0,1 мм (минимальное значение зависимого допуска, рисунок 5б),
- если толщина пластины во всех местах выполнена равной наименьшему предельному размеру dLMc = 4,85 мм, то допуск плоскостности поверхности симметрии составит 0,4 мм (максимальное значение зависимого допуска, рисунок 5в).
Рисунок 4
Рисунок 5
Пример 3
Задан зависимый допуск перпендикулярности оси выступа относительно плоскости согласно рисунка 6а.
Деталь должна удовлетворять следующим требованиям:
- местные диаметры выступа должны лежать между 19,87 и 20 мм, а диаметр выступа по сопряжению должен быть не более 20 мм;
- поверхность выступа не должна выходить за предельный действующий контур - цилиндр с осью, перпендикулярной к базе А, и диаметром
dv = 20 + 0,2 = 20,2 мм.
Рисунок 6
Действительные значения зависимого допуска перпендикулярности оси при различных значениях диаметра выступа по сопряжению приведены в таблице на рисунке 6 и графически показаны на диаграмме (рисунок 6б).
В предельных случаях:
- если диаметр выступа по сопряжению выполнен равным наибольшему предельному размеру Dммс = 20 мм, то допуск перпендикулярности оси составит 0,2 мм (минимальное значение зависимого допуска, рисунок 6в);
- если диаметр выступа по сопряжению и все местные диаметры выполнены равными наименьшему предельному размеру dLMc = 19,87 мм, то допуск перпендикулярности оси составит 0,33 мм (максимальное значение зависимого допуска, рисунок 6г).
Пример 4
Задан допуск наклона плоскости симметрии паза относительно плоскости А согласно рисунок 7а.
Деталь должна удовлетворять следующим требованиям:
- местные размеры паза должны лежать между 6,32 и 6,48 мм, а размер по сопряжению должен быть не менее 6,32 мм;
- боковые поверхности паза не должны выходить за предельный действующий контур - две параллельные плоскости, расположенные под углом 45° к базовой плоскости А и отстоящие друг от друга на расстоянии
dv = 6,32 - 0,1 = 6,22 мм.
Действительные значения зависимого допуска наклона плоскости симметрии паза в зависимости от его размера по сопряжению приведены в таблице на черт. 7 и графически показаны на диаграмме (рисунок 7б).
В предельных случаях:
- если ширина паза по сопряжению равна наименьшему предельному размеру dммс = 6,32 мм, то допуск наклона плоскости симметрии паза составит 0,1 мм (минимальное значение зависимого допуска, рисунок 7в);
- если ширина паза по сопряжению и все местные размеры паза равны наибольшему предельному размеру dLMc = 6,48 мм, то допуск наклона плоскости симметрии составит 0,26 мм (максимальное значение зависимого допуска, рисунок 7г).
Задан зависимый допуск соосности наружной поверхности относительно базового отверстия согласно рисунка 8а; условие зависимого допуска распространяется только на рассматриваемый элемент.
Деталь должна удовлетворять следующим требованиям:
- местные диаметры наружной поверхности должны лежать между 39, 75 и 40 мм, а диаметр по сопряжению не должен быть более 40 мм;
- наружная поверхность не должна выходить за предельный действующий контур - цилиндр с диаметром 40,2 мм, соосный с базовым отверстием.
Действительные значения зависимого допуска соосности в диаметральном выражении в зависимости от диаметра по сопряжению наружной поверхности приведены в таблице на рисунке 8 и показаны на диаграмме (рисунок 8б).
В предельных случаях:
- если диаметр по сопряжению наружной поверхности равен наибольшему предельному размеру dммс = 40 мм, то допуск соосности составит Ø 0,2 мм (минимальное значение зависимого допуска, рисунок 8в);
- если диаметр по сопряжению и все местные диаметры наружной поверхности равны наименьшему предельному размеру dLMc = 39,75 мм, то допуск соосности составит Ø 0,45 мм (максимальное значение зависимого допуска, рисунок 8г).
Рисунок 7
Пример 6
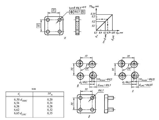
Задан зависимый позиционный допуск осей четырех отверстий по отношению друг к другу согласно рисунка 9а.
Деталь должна удовлетворять следующим требованиям:
- местные диаметры всех отверстий должны лежать между 6,5 и 6,65 мм, а диаметры по сопряжению всех отверстий должны быть не менее 6,5 мм
- поверхности всех отверстий не должны выходить за предельные действующие контуры - цилиндры с диаметром
dv = 6,5 - 0,2 = 6,3 мм,
оси которых занимают номинальное расположение (в точной прямоугольной решетке с размером 32 мм). Действительные значения позиционного допуска в диаметральном выражении для оси каждого отверстия в зависимости от диаметра по сопряжению соответствующего отверстия приведены в таблице на рисунке 9 и показаны на диаграмме (рисунок 9б).
В предельных случаях:
- если диаметр по сопряжению данного отверстия равен наименьшему предельному размеру dммс = 6,5 мм, то позиционный допуск оси данного отверстия составит Ø 0,2 мм (минимальное значение зависимого допуска, рисунок 9б);
- если диаметр по сопряжению данного отверстия и все его местные диаметры равны наибольшему предельному размеру dммс = 6,65 мм, то позиционный допуск оси данного отверстия составит Ø 0,35 мм (максимальное значение зависимого допуска, рисунок 9в).
Схема калибра для контроля расположения осей отверстий, реализующая предельные действующие контуры, приведена на рисунке 9г.
Пример 7
Задан зависимый допуск соосности наружной поверхности втулки относительно отверстия согласно рисунка 10а; условие зависимого допуска задано и для базы.
Деталь должна удовлетворять следующим требованиям:
- местные диаметры наружной поверхности должны лежать между 39, 75 и 40 мм, а диаметр по сопряжению должен быть не более 40 мм;
- местные диаметры базового отверстия должны лежать между 16 и 16,18 мм, а диаметр по сопряжению должен быть не менее 16 мм;
- наружная поверхность не должна выходить за предельный действующий контур - цилиндр с диаметром
dv = 40 + 0,2 = 40,2 мм,
ось которого совпадает с осью базового отверстия, если его диаметр по сопряжению равен наименьшему предельному размеру dммсо = 16 мм. Действительные значения зависимого допуска соосности в зависимости от размера по сопряжению наружной поверхности приведены в таблице на рисунке 10 (графа 2) и измеряются от Ø 0,20 мм (при dммс = 40 мм) до Ø 0,45 мм (при dLMc = 39,75 мм);
- поверхность базового отверстия не должна выходить за контур максимума материала - цилиндр с диаметром 16 мм (dммсо), соосный с предельным действующим контуром наружной поверхности. Действительные значения допуска ТРмао на смещение базовой оси относительно оси контура максимума материала в зависимости от диаметра по сопряжению базового отверстия приведены в таблице на рисунке 10 (4-я строка сверху) и изменяются от 0 (при dммсо = 16 мм) до Ø 0,18 мм (при dLMco = 16,18 мм).
Рисунок 9
Суммарное действительное значение зависимого допуска соосности наружной поверхности относительно отверстия, зависящее от отклонений размера как рассматриваемого элемента, так и базы при данной конфигурации детали (оба элемента имеют одинаковую длину и одинаковое расположение в осевом направлении) равно
ТР′ма = ТРМа + ТРмао
Значения ТР′ма при разных размерах по сопряжению рассматриваемого элемента и базы приведены в таблице на рисунке 10.
В предельных случаях:
- если размеры по сопряжению элементов выполнены по пределу максимума материала (dp = 40 мм, dpo = 16 мм), то ТР′ма = Ø 0,2 мм (минимальное значение зависимого допуска, черт. 10б);
- если размеры по сопряжению и все местные размеры элементов выполнены по пределу минимума материала (dp = 39,75 мм; dpo = 16,18 мм), то ТР′ма = Ø 0,63 мм (максимальное значение зависимого допуска, рисунок 10в).
При других конфигурациях деталей, когда рассматриваемый элемент и база разнесены в осевом направлении, суммарное действительное значение зависимого допуска соосности зависит от протяженности элементов, величины их разнесения в осевом направлении, а также от характера отклонения от соосности (соотношения между параллельным и угловым смещением осей).
Например, для детали, показанной на рисунок 11а, в случае углового смещения осей элементов (рисунок 11б) максимальное значение зависимого допуска соосности будет равно
ТР′мах
= 2 
Однако при параллельном смещении осей (рисунок 11в) максимальное значение зависимого допуска соосности будет другим:
ТР′мах
= 2 ![]()
При неизвестном характере отклонения осей решающим является соблюдение принципа максимума материала, например, при контроле калибром, показанном на рисунке 11г.
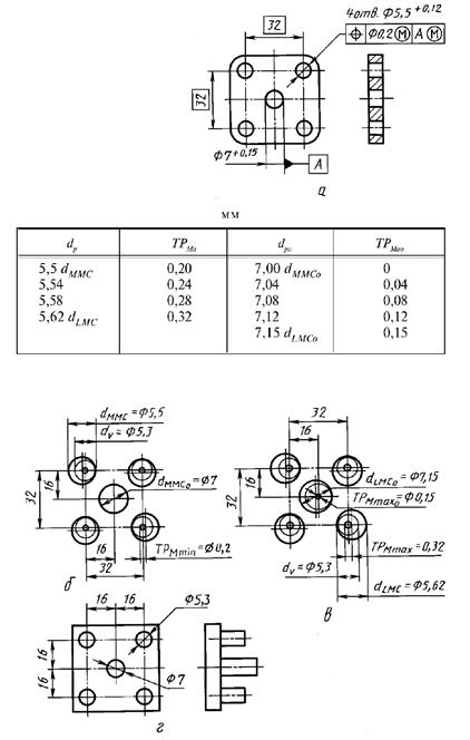
Пример 8
Задан зависимый позиционный допуск осей четырех отверстий по отношению друг к другу и относительно оси базового отверстия согласно рисунка 12а; условие зависимого допуска задано и для базы.
Деталь должна удовлетворять следующим требованиям:
- местные диаметры четырех периферийных отверстий должны лежать между 5,5 и 5,62 мм, а диаметры по сопряжению этих отверстий должны быть не менее 5,5 мм;
- местные диаметры базового отверстия должны лежать между 7 и 7,15 мм, а диаметр по сопряжению должен быть не менее 7 мм;
- поверхности периферийных отверстий не должны выходить за предельные действующие контуры - цилиндры с диаметром
dv = 5,5 - 0,2 = 5,3 мм,
оси которых занимают номинальное расположение (в точной прямоугольной решетке с размером 32 мм); центральная ось симметрии решетки совпадает с осью базового отверстия, если его размер по сопряжению выполнен по наименьшему предельному размеру (dммсо = 7 мм). Действительные значения зависимого позиционного допуска оси каждого рассматриваемого отверстия ТРма в зависимости от диаметра по сопряжению соответствующего отверстия приведены в таблице на рисунке 12 и изменяются от Ø 0,2 мм (при dммс = 5,5 мм) до Ø 0,32 мм (при dLMc = 5,62 мм), рисунок 12б, в;
- поверхность базового отверстия не должна выходить за контур максимума материала - цилиндр с диаметром 7 мм (dvo = dMMCo), ось которого совпадает с центральной осью симметрии предельных действующих контуров четырех отверстий. Действительные значения позиционного допуска оси базового отверстия ТРмао в зависимости от диаметра по сопряжению этого отверстия приведены в таблице на рисунке 12 и изменяются от 0 (при dммсо =7 мм) до Ø 0,15 мм (при dLMco = 7,15 мм), рисунок 12б, в. Этот позиционный допуск не может быть использован для расширения позиционных допусков периферийных отверстий относительно друг друга.
Схема калибра для контроля расположения осей отверстий, реализующая предельные действующие контуры четырех периферийных отверстий и контур максимума материала базового отверстия, приведена на рисунке 12г.
Пример 9
Задан зависимый допуск расстояния между осями двух отверстий согласно рисунка 13а.
Деталь должна удовлетворять следующим требованиям:
- местные диаметры левого отверстия должны лежать между 8 и 8,15 мм, а диаметр по сопряжению должен быть не менее 8 мм;
- местные диаметры правого отверстия должны лежать между 10 и 10,15 мм, а диаметр по сопряжению должен быть не менее 10 мм;
- поверхности отверстий не должны выходить за предельные действующие контуры - цилиндры с диаметрами 7,8 и 9,8 мм, расстояние между осями которых равно 50 мм. Соответствующие этому условию действительные значения зависимого допуска расстояния между осями в зависимости от диаметров по сопряжению обоих отверстий приведены в таблице на рисунке 13.
В предельных случаях:
- если диаметры по сопряжению обоих отверстий равны наименьшему предельному размеру d1Ммс = 8 мм и d2Ммс = 10 мм, то предельные отклонения расстояния между осями составят ±0,2 мм (минимальное значение зависимого допуска, рисунок 13б);
- если диаметры по сопряжению и все местные диаметры обоих отверстий равны наибольшему предельному размеру d1Lмс = 8,15 мм и d2Lмс = 10,15 мм, то предельные отклонения расстояния между осями отверстий составят ±0,35 мм (максимальное значение зависимого допуска, рисунок 13в).
Схема калибра для контроля расстояния между осями двух отверстий, реализующая предельные действующие контуры отверстий, приведена на рисунке 13г.
Пример 10
Задан нулевой зависимый позиционный допуск осей четырех отверстий по отношению друг к другу согласно рисунка 14а.
В данном примере для детали, рассмотренной в примере 6 (рисунок 8), произведена эквивалентная замена раздельных допусков размера и расположения на расширенный допуск размера при нулевом зависимом допуске расположения.
Рисунок 11
Рисунок 12
Деталь должна удовлетворять следующим требованиям:
- местные размеры всех отверстий должны лежать между 6,3 и 6,65 мм, а диаметры по сопряжению всех отверстий должны быть не менее 6,3 мм;
- поверхности всех отверстий не должны выходить за предельные действующие контуры - цилиндры с диаметром
dv = 6,3 - 0 = 6,3 мм,
оси которых занимают номинальное расположение (в точной прямоугольной решетке с размером 32 мм).
Действительные значения позиционного допуска в диаметральном выражении для оси каждого отверстия в зависимости от диаметра по сопряжению соответствующего отверстия приведены в таблице на рисунке 14 и показаны на диаграмме (рисунок 14б).
В предельных случаях:
- если диаметр по сопряжению данного отверстия равен наименьшему предельному размеру dммс = 6,3 мм, то ось отверстия должна занимать номинальное расположение (позиционное отклонение равно нулю); в этом случае все поле суммарного допуска размера и расположения элемента может быть использовано для отклонений местного диаметра и отклонений -формы отверстия;
- если диаметр по сопряжению данного отверстия и все его местные диаметры равны наибольшему предельному размеру dLMc = 6,65 мм, то позиционный допуск оси данного отверстия составит Ø 0,35 мм (максимальное значение зависимого допуска); в этом случае весь суммарный допуск размера и расположения элемента может быть использован для отклонений расположения.
Схема калибра для контроля расположения осей отверстий, реализующая предельные действующие контуры, приведена на рисунке 14в.
Рисунок 14
ТЕХНОЛОГИЧЕСКИЕ ПРЕИМУЩЕСТВА ЗАВИСИМЫХ ДОПУСКОВ
1. Технологические преимущества зависимых допусков формы и расположения по сравнению с независимыми состоят прежде всего в том, что они позволяют применить менее точные, но более экономичные способы обработки и оборудование, а также снизить потери от брака. Если поле технологического рассеивания отклонений расположения превышает значение допуска расположения (независимого или зависимого), то при зависимых допусках расположения доля годных деталей повышается по сравнению с независимыми допусками за счет:
- деталей, у которых отклонения формы и расположения превышают минимальное значение, но не превосходят действительное значение зависимого допуска;
- деталей, у которых отклонения формы и расположения хотя и превышают действительное значение, но не превосходят максимальное значение зависимого допуска; эти детали являются исправимым браком и могут быть переведены в годные путем дополнительной обработки элемента для соответствующего изменения его размера в сторону к пределу минимума материала, например, путем расточки или развертывания отверстий (см. пример на рисунке 15).
2. Если поле технологического рассеивания отклонений расположения ограничить, исходя из условия, чтобы практически отсутствовал исправимый или окончательный брак по отклонениям расположения (т.е. чтобы доля его не превышала заданного процента риска), то это поле будет больше для зависимого допуска расположения, по сравнению с независимым.
Увеличение его может быть определено с учетом законов распределения отклонений размеров и расположения, доли риска, соотношения между допусками размера и расположения. Ориентировочно для оценки возможного поля технологического рассеивания можно принимать его равным действительному значению зависимого допуска расположения при выполнении действительных размеров элементов в середине поля допуска размеров.
3. Если условие зависимого допуска распространяется на базу, то это позволяет упростить конструкцию базирующих элементов технологических приспособлений, например, кондукторов, и калибров, так как их базирующие элементы могут быть выполнены не самоцентрирующими, а жесткими с постоянным размером, соответствующим пределу максимума материала базы. Смещение базы детали из-за зазора между ней и базирующим элементом приспособления или калибра, возникающее при отклонении размера базы от предела максимума материала, в данном случае разрешается зависимым допуском расположения.
4 При зависимых допусках расположения изготовитель имеет возможность в случае необходимости увеличивать (в технологической документации) минимальное значение зависимого допуска расположения за счет соответствующего сокращения поля допуска размера со стороны максимума материала.
5 Зависимые допуски позволяют обоснованно применять калибры для контроля расположения (формы, координирующих размеров) по ГОСТ 16085, оценивающих годность детали по вхождению в нее. Принцип действия таких калибров полностью соответствует понятию о зависимых допусках.
При независимых допусках расположения применение калибров может оказаться невозможным либо потребовать предварительного пересчета независимого допуска в зависимый (преимущественно в технологической документации) или применения специальной методики расчета исполнительных размеров калибров.
Независимый допуск расположения
Зависимый допуск расположения
ИНФОРМАЦИОННЫЕ ДАННЫЕ
1 РАЗРАБОТАН И ВНЕСЕН Всесоюзным научно-исследовательским и конструкторским институтом средств измерения в машиностроении
2 УТВЕРЖДЕН И ВВЕДЕН В ДЕЙСТВИЕ Постановлением Госстандарта России от 28.07.92 № 794
3 Стандарт соответствует международному стандарту ИСО 2692-88 в части терминологии (пп. 1.1.1 - 1.1.5, 1.1.9) и примеров (примеры 1, 3, 4, 6, 7 (рисунок 11), 8, 10)
4 ВВЕДЕН ВПЕРВЫЕ
5 ССЫЛОЧНЫЕ НОРМАТИВНО-ТЕХНИЧЕСКИЕ ДОКУМЕНТЫ
|
Номер пункта |
|
|
ИСО 1101/2-74 |
|
|
ИСО 2692-88 |
6 ПЕРЕИЗДАНИЕ