ГОСТ Р 50794-95
(ИСО 4016-88)
ГОСУДАРСТВЕННЫЙ СТАНДАРТ РОССИЙСКОЙ ФЕДЕРАЦИИ
БОЛТЫ С ШЕСТИГРАННОЙ
ГОЛОВКОЙ
КЛАССА ТОЧНОСТИ С
Технические условия
ГОССТАНДАРТ РОССИИ
Москва
Предисловие
1 РАЗРАБОТАН И ВНЕСЕН Техническим Комитетом по стандартизации ТК 229 «Крепежные изделия»
2 УТВЕРЖДЕН И ВВЕДЕН В ДЕЙСТВИЕ Постановлением Госстандарта России от 29.06.95 № 334
3 Стандарт содержит полный аутентичный текст ИСО 4016-88 «Болты с шестигранной головкой. Класс точности С» с дополнительными требованиями, отражающими потребности народного хозяйства
4 ВВЕДЕН ВПЕРВЫЕ
5 ПЕРЕИЗДАНИЕ
ГОСТ Р 50794-95
ГОСУДАРСТВЕННЫЙ СТАНДАРТ РОССИЙСКОЙ ФЕДЕРАЦИИ
БОЛТЫ С ШЕСТИГРАННОЙ ГОЛОВКОЙ
КЛАССА ТОЧНОСТИ С
Технические условия
Hexagon head bolts, product grade С.
Specifications
Дата введения 1996-07-01
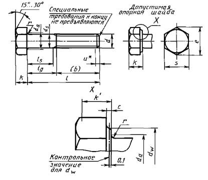
Настоящий стандарт распространяется на болты с шестигранной головкой с диаметрами резьбы от М5 до М64 класса точности С.
Стандарт полностью соответствует ИСО 4016.
Требования стандарта являются обязательными.
Дополнительные требования, отражающие потребности народного хозяйства, приведены в приложении А.
ГОСТ 1759.0-87 Болты, винты, шпильки и гайки. Технические условия
ГОСТ 1759.1-82 Болты, винты, шпильки, гайки и шурупы. Допуски. Методы контроля размеров и отклонений формы и расположения поверхностей
ГОСТ 1759.2-82 Болты, винты и шпильки. Дефекты поверхности и методы контроля
ГОСТ 1759.4-87 (ИСО 898-1-78) Болты, винты и шпильки. Механические свойства и методы испытаний
ГОСТ 16093-2004 (ИСО 965-1:1998, ИСО 965-3:1998) Основные нормы взаимозаменяемости. Резьба метрическая. Допуски. Посадки с зазором
ГОСТ 17769-83 (ИСО 3269-88) Изделия крепежные. Правила приемки
ГОСТ 24705-2004 (ИСО 724:1993) Основные нормы взаимозаменяемости. Резьба метрическая. Основные размеры
ГОСТ Р 50792-95 (ИСО 4018-88) Болты с шестигранной головкой с резьбой до головки класса точности С. Технические условия

__________
* Неполная резьба u £ 2P.
Таблица 1 - Размеры болтов с предпочтительными размерами резьбы

Окончание таблицы 1

Таблица 2 - Размеры болтов с непредпочтительными размерами резьбы

Окончание таблицы 2

Теоретическая масса болтов указана в приложении Б.
Таблица 3
|
Материал |
Сталь |
|
|
Общие технические требования |
Стандарт |
|
|
Резьба |
Допуск |
8g |
|
Стандарты |
||
|
Механические свойства |
Класс |
d £ 48 мм: 3.6, 4.6, 5.8 d > 48 мм: по соглашению |
|
Стандарты |
d £ 48 мм: ГОСТ 1759.4 d > 48 мм: по соглашению |
|
|
Допуски |
Класс |
C |
|
Стандарт |
||
|
Поверхность изделия |
Без покрытия или с покрытием. Требования к покрытию - по ГОСТ 1759.0 Другие требования к покрытию или чистовой отделке поверхности устанавливаются по соглашению между изготовителем и потребителем Допустимые дефекты поверхности болтов - по ГОСТ 1759.2 |
|
|
Приемка |
||
|
1) Символы обозначения классов прочности по ГОСТ 1759.4 могут быть использованы для размеров резьбы более М48 при условии, что готовое изделие обладает всеми свойствами, необходимыми для обозначения по ГОСТ 1759.4. |
||
Если в специальных случаях необходимы технические требования, отличающиеся от указанных в настоящем стандарте, они должны быть выбраны из действующих стандартов, указанных в разделе 2.
Пример условного обозначения болта с шестигранной головкой с резьбой М12, номинальной длиной l = 80 мм и класса прочности 4.6:
Болт М12×80.4.6 ГОСТ Р 50794-95
Дополнительные требования, отражающие потребности народного хозяйства
А.1 Максимальные значения параметра шероховатости Ra поверхностей болтов должны соответствовать указанным в таблице А.1.
Таблица А.1
|
Максимальные
значения параметра |
|
|
Резьбы |
12,5 |
|
Остальные |
25 |
А.2 По соглашению между изготовителем и потребителем допускается изготовление болтов классов прочности 5.6, 4.8 по ГОСТ 1759.4.
Таблица Б.1
|
Длина
|
Теоретическая масса 1000 шт. болтови, кг » и при номинальном диаметре резьбы dи, мм |
||||||||||||||||||||||
|
М5 |
М6 |
М8 |
М10 |
M12 |
М14 |
М16 |
М18 |
М20 |
М22 |
М24 |
М27 |
M30 |
M33 |
М36 |
М39 |
М42 |
М45 |
М48 |
М52 |
М56 |
М60 |
М64 |
|
|
25 |
5,142 |
|
|
|
|
|
|
|
|
|
|
|
|||||||||||
|
30 |
5,913 |
8,981 |
|
|
|
|
|
|
|
|
|
|
|
||||||||||
|
35 |
6,685 |
10,090 |
|
|
|
|
|
|
|
|
|
|
|
||||||||||
|
40 |
7,456 |
11,200 |
21,070 |
|
|
|
|
|
|
|
|
|
|
|
|||||||||
|
45 |
8,227 |
12,310 |
23,040 |
37,45 |
|
|
|
|
|
|
|
|
|
|
|
||||||||
|
50 |
8,999 |
13,420 |
25,020 |
40,53 |
|
|
|
|
|
|
|
|
|
|
|
||||||||
|
55 |
14,530 |
26,990 |
43,62 |
63,11 |
|
|
|
|
|
|
|
|
|
|
|
||||||||
|
60 |
15,640 |
28,970 |
46,70 |
67,55 |
95,44 |
|
|
|
|
|
|
|
|
|
|
|
|||||||
|
65 |
30,940 |
49,79 |
71,99 |
101,50 |
137,3 |
|
|
|
|
|
|
|
|
|
|
|
|||||||
|
70 |
32,910 |
52,87 |
76,44 |
107,50 |
145,2 |
|
|
|
|
|
|
|
|
|
|
|
|||||||
|
80 |
36,860 |
59,04 |
85,33 |
119,60 |
161,0 |
212,4 |
265,0 |
|
|
|
|
|
|
|
|
|
|
|
|||||
|
90 |
65,21 |
94,20 |
131,70 |
176,8 |
232,4 |
290,1 |
368,5 |
|
|
|
|
|
|
|
|
|
|
|
|||||
|
100 |
71,38 |
103,10 |
143,80 |
192,6 |
252,4 |
314,7 |
398,3 |
473,2 |
|
|
|
|
|
|
|
|
|
|
|
||||
|
110 |
112,00 |
155,90 |
208,4 |
272,3 |
339,4 |
428,2 |
508,7 |
671,0 |
|
|
|
|
|
|
|
|
|
|
|
||||
|
120 |
120,90 |
168,00 |
224,2 |
292,3 |
364,1 |
458,1 |
544,2 |
716,0 |
909,6 |
|
|
|
|
|
|
|
|
|
|
||||
|
130 |
180,10 |
240,0 |
312,3 |
388,8 |
487,9 |
579,8 |
761,0 |
965,2 |
1110 |
|
|
|
|
|
|
|
|
|
|||||
|
140 |
192,20 |
255,8 |
332,3 |
413,5 |
517,8 |
615,3 |
806,0 |
1021,0 |
1168 |
1541 |
|
|
|
|
|
|
|
|
|||||
|
150 |
271,6 |
352,3 |
438,1 |
547,6 |
650,8 |
850,1 |
1076,0 |
1227 |
1621 |
1832 |
|
|
|
|
|
|
|
||||||
|
160 |
287,4 |
372,3 |
462,8 |
577,5 |
686,4 |
895,9 |
1132,0 |
1285 |
1701 |
1913 |
|
|
|
|
|
|
|
||||||
|
180 |
412,3 |
512,2 |
637,2 |
757,5 |
985,9 |
1243,0 |
1401 |
1860 |
2076 |
2642 |
2890 |
|
|
|
|
|
|||||||
|
200 |
561,5 |
697,0 |
828,6 |
1076,0 |
1354,0 |
1517 |
2020 |
2239 |
2860 |
3108 |
3898 |
4620 |
|
|
|
||||||||
|
220 |
756,7 |
899,6 |
1166,0 |
1465,0 |
1633 |
2180 |
2402 |
3077 |
3326 |
4182 |
4910 |
|
|
|
|||||||||
|
240 |
970,8 |
1256,0 |
1576,0 |
1749 |
2340 |
2565 |
3295 |
3544 |
4466 |
5250 |
6050 |
6796 |
|
||||||||||
|
260 |
1346,0 |
1687,0 |
1865 |
2500 |
2728 |
3513 |
3762 |
4751 |
5590 |
6430 |
7189 |
8590 |
|||||||||||
|
280 |
|
|
|
|
|
|
|
|
|
|
|
|
1798,0 |
1981 |
2660 |
2891 |
3730 |
3980 |
5035 |
5930 |
6810 |
7582 |
9090 |
|
300 |
|
|
|
|
|
|
|
|
|
|
|
|
1910,0 |
2097 |
2820 |
3054 |
3948 |
4198 |
5319 |
6290 |
7190 |
7975 |
9590 |
|
320 |
|
|
|
|
|
|
|
|
|
|
|
|
|
2214 |
2980 |
3217 |
4166 |
4416 |
5603 |
6630 |
7570 |
8368 |
10100 |
|
340 |
|
|
|
|
|
|
|
|
|
|
|
|
|
|
3140 |
3380 |
4383 |
4634 |
5887 |
6970 |
7950 |
8761 |
10600 |
|
360 |
|
|
|
|
|
|
|
|
|
|
|
|
|
|
3300 |
3543 |
4603 |
4852 |
6171 |
7310 |
8330 |
9154 |
11100 |
|
380 |
|
|
|
|
|
|
|
|
|
|
|
|
|
|
|
3707 |
4820 |
5070 |
6454 |
7650 |
8710 |
9547 |
11600 |
|
400 |
|
|
|
|
|
|
|
|
|
|
|
|
|
|
|
3870 |
5038 |
5288 |
6738 |
7990 |
9090 |
9940 |
12100 |
|
420 |
|
|
|
|
|
|
|
|
|
|
|
|
|
|
|
|
5256 |
5506 |
7021 |
8330 |
9470 |
10333 |
12600 |
|
440 |
|
|
|
|
|
|
|
|
|
|
|
|
|
|
|
|
|
5724 |
7305 |
8670 |
9850 |
10726 |
13100 |
|
460 |
|
|
|
|
|
|
|
|
|
|
|
|
|
|
|
|
|
|
7589 |
9010 |
10230 |
11119 |
13600 |
|
480 |
|
|
|
|
|
|
|
|
|
|
|
|
|
|
|
|
|
|
7873 |
9350 |
10610 |
11512 |
14100 |
|
500 |
|
|
|
|
|
|
|
|
|
|
|
|
|
|
|
|
|
|
|
9690 |
10990 |
11905 |
14600 |
Ключевые слова: болты с шестигранной головкой, размеры, допуски на размер, обозначение