Information technology. International standardized profiles AMH1n. Message handling systems. Common messaging. Part 2. Specification of ROSE, RTSE, ACSE, presentation and session protocols for use by MHS

Министерство топлива и энергетики Российской Федерации

МЕТОДИЧЕСКИЕ УКАЗАНИЯ
ПО ОРГАНИЗАЦИИ
КИСЛОРОДНОГО ВОДНОГО РЕЖИМА
НА ЭНЕРГОБЛОКАХ
СВЕРХКРИТИЧЕСКОГО ДАВЛЕНИЯ

РД 34.37.507-92

ОРГРЭС
Москва 1994

РАЗРАБОТАНО Энергетическим институтом им. Г.М. Кржижановского (ЭНИН)

ИСПОЛНИТЕЛИ М.Е. Шицман, Л.С. Мидлер

УТВЕРЖДЕНО Управлением научно-технического развития корпорации «Росэнерго» 16.11.92 г.

Начальник

А.П. БЕРСЕНЬЕВ

СОДЕРЖАНИЕ

1. Общая часть. 2

2. Особенности организации кислородного водного режима. 2

3. Организация дозирования кислорода (воздуха) 4

4. Режимы работы энергетических блоков. 6

5. Эксплуатация энергоблоков сверхкритического давления на кислородном режиме. 6

6. Консервация оборудования при простоях. 8

7. Эксплуатационный контроль. 8

Приложение Объем химического контроля при стационарной работе на КВР. 9

Литература. 9

 

 

МЕТОДИЧЕСКИЕ УКАЗАНИЯ
ПО ОРГАНИЗАЦИИ КИСЛОРОДНОГО
ВОДНОГО РЕЖИМА НА ЭНЕРГОБЛОКАХ
СВЕРХКРИТИЧЕСКОГО ДАВЛЕНИЯ

РД 34.37.507-92

Срок действия установлен
с 01.04.93 г.
до 01.04.98 г.

Настоящие Методические указания составлены на основании «Методических указаний по организации кислородного водного режима на энергоблоках сверхкритического давления. МУ 34-70-120-86» (М.: СПО Союзтехэнерго, 1986), а также обобщения опыта эксплуатации на кислородном водном режиме (КВР) около 200 энергоблоков сверхкритического давления (СКД) на 40 тепловых электростанциях (ТЭС) и предусматривают:

- ввод в эксплуатацию и перевод действующих на гидразинно-аммиачном (ГАВР) и гидразинном (ГВР) водных режимах конденсационных и теплофикационных энергоблоков СКД второго поколения с ПНД, оснащенными трубками из нержавеющей стали; энергоблоков СКД первого поколения после замены во всех регенеративных подогревателей латунных трубок на стальные;

- повышение уровня эксплуатации, действующих на кислородном водном режиме (КВР) энергоблоков СКД при различных режимах их работы: базисном, полупиковом, пиковом с ночными разгрузками, частыми пусками и последующими остановами различной продолжительности.

С выходом настоящих Методических указаний отменяются МУ 34-70-120-86 издания 1986 г.

1. ОБЩАЯ ЧАСТЬ

1.1. Результаты качественного и количественного анализа оксидных пленок, образующихся на внутренних поверхностях водопарового тракта энергоблоков СКД при их длительной эксплуатации на кислородном водном режиме, подтверждают ранее установленные в исследованиях ЭНИН им. Г.М. Кржижановского и ряда других организаций возможности обеспечения с помощью кислорода, растворенного в потоке глубокообессоленной воды, и благодаря заторможенности в этих условиях процессов электрохимической коррозии эффективной пассивации стальных поверхностей.

1.2. При кислородном водном режиме по сравнению с гидразинно-аммиачным (ГАВР) и гидразинным (ГВР) резко уменьшается скорость роста отложений в трубах НРЧ. Поэтому продолжительность межпромывочного периода котлов достигает 5 - 8 и более лет. В три - четыре раза увеличиваются фильтроциклы блочных обессоливающих установок (БОУ), уменьшается количество вредных стоков, упрощаются пуски энергоблоков. Мероприятия по сухой консервации внутренних поверхностей нагрева водопарового тракта или простое ограничиваются их полным дренированием и осушкой за счет тепла, аккумулированного обмуровкой непосредственно после останова энергоблока.

1.3. Реализация КВР может обеспечена при:

- глубоком обессоливании конденсата с обеспечением удельной электрической проводимости прямой пробы менее 0,15 мкСм/см;

- исключении медьсодержащих сплавов из теплообменного оборудования конденсатно-питательного тракта после КЭН-I;

- тщательной предварительной отмывке тракта от медистых отложений, накопившихся за время эксплуатации энергоблоков первого поколения на гидразинно-аммиачном и гидразинном водном режимах;

- обеспечении водяной плотности конденсаторов турбин в соответствии с нормами ПТЭ, эффективном удалении неконденсирующихся газов из теплообменников;

- исключении выноса фильтрующих материалов из фильтров БОУ в пароводяной тракт.

2. ОСОБЕННОСТИ ОРГАНИЗАЦИИ
КИСЛОРОДНОГО ВОДНОГО РЕЖИМА

2.1. Кислородный водный режим (КВР) реализуется в двух модификациях: нейтрально-кислородный водный режим (НКВР) и кислородный режим с подщелачиванием небольшим количеством аммиака (КАВР).

2.2. Выбор модификаций КВР зависит от уровня содержания в питательной воде углекислоты и органических соединений, термолиз которых приводит к появлению потенциально кислых продуктов, обусловливающих повышение электрической проводимости и снижение значения pH теплоносителя по водопаровому тракту.

При повышенном электрической проводимости по тракту на 0,1 - 0,2 мкСм/см и сниженном значении pH на 0,2 следует применять КАВР.

2.3. При организации КВР вновь вводимый энергоблок после монтажа должен быть подвергнут горячей водно-кислородной обработке (ГВКО) в соответствии с [1]. При значительном количестве на внутренних теплонапряженных поверхностях котла продуктов атмосферной коррозии проводится предпусковая химическая очистка в соответствии с [2].

2.4. Ранее эксплуатировавшийся на ГАВР энергоблок, первоначально оборудованный ПНД с трубками из нержавеющей стали, при наличии в нем больших присосов воздуха в вакуумной части конденсатного тракта или в подогревателях смешивающего типа, достаточных для обеспечения концентрации О2 в воде перед деаэратором более 150 мкг/кг, может быть переведен на КВР «на ходу» при любом характере изменения его нагрузки (но без остановов) за 30 - 40 дней до очередного ремонта. Перевод на КВР реализуется путем прекращения дозирования гидразина в питательный тракт, снижения подачи аммиака до уровня, обеспечивающего значение pH питательной воды около 8, и полного закрытия выпара деаэратора. В дальнейшем организуется дозирование кислорода (воздуха) в тракт блока в соответствии с п. 3.

В начале ремонта по вырезкам из водяного экономайзера, пароперегревателей и теплонапряженных труб НРЧ производится количественная и качественная оценка внутренних отложений и в зависимости от вида сжигаемого топлива (мазут, газ, уголь) принимается решение о целесообразности или нецелесообразности проведения локальной кислотной очистки в соответствии с [2].

При нормативных присосах воздуха и отсутствии на блоке заранее подготовленной системы дозировки кислорода или воздуха проводится послеремонтная ГВКО согласно [1].

2.5. Энергоблоки 300 МВт первого поколения должны переводиться на КВР после капитального ремонта, включающего обязательную замену латунных трубных пучков на пучки с трубками из нержавеющей стали в регенеративных теплообменниках тракта низкого давления ПНД, охладителях конденсата греющего пара ПНД, подогревателях сетевой воды, охладителях пара эжекторов и уплотнений и в охладителях системы охлаждения генератора.

2.6. Энергоблоки первого поколения должны быть подвергнуты химической очистке в соответствии с [3].

2.7. Отношение катионита к аниониту в шихте ФСД БОУ должно соответствовать при НКВР-1: (1,5 + 2), при КАВР-1: (1,0 + 1,3).

2.8. Удельная электрическая проводимость Н-катионированной пробы питательной воды и пара при температуре 25 °С не должна превышать 0,3 мкСм/см, значение pH питательной воды и пара (при 25 °С) при НКВР может изменяться в пределах 7,0 ± 0,5, при КАВР - в пределах 8 ± 0,5. Последние соответствуют концентрации аммиака 40 - 100 мкг/кг. Удельная электрическая проводимость прямой пробы питательной воды при этих концентрациях примерно составляет 0,4 и 1,0 мкСм/см.

Предельно допустимые значения других показателей питательной воды и пара в стационарных условиях должны удовлетворять следующим нормам:

- общая жесткость питательной воды - не более 0,2 мкг·экв/кг;

- кремниевая кислота (в пересчете на SiO2) - не более 15 мкг/кг;

- соединения натрия (в пересчете на Na) - не более 5 мкг/кг;

- соединения железа (в пересчете на Fe) - не более 10 мкг/кг;

- соединения меди (в пересчете на Cu) - не более 2 мкг/кг;

- растворенный кислород 100 - 400 мкг/кг. Предпочтительно поддерживать концентрацию кислорода около 200 мкг/кг.

2.9. Показатели качества пара перед толчком турбины должны удовлетворять следующим нормам:

- удельная электрическая проводимость Н-катионированной пробы при 25 °С - не более 0,5 мкСм/см;

- соединений кремнекислоты (в пересчете на SiO2) - не более 50 мкг/кг.

3. ОРГАНИЗАЦИЯ ДОЗИРОВАНИЯ
КИСЛОРОДА (ВОЗДУХА)

3.1. В качестве пассивирующих агентов применяется газообразный кислород от электролизерных и кислородных установок, а также воздух.

3.2. Кислород или воздух вводится в питательную воду за деаэратором с помощью эжектора. Возможен дополнительный их ввод в конденсат за БОУ или (для теплофикационных энергоблоков с турбинами Т-250-240) в конденсат греющего пара сетевых подогревателей. Допускается также дозировка воздуха я вакуумную часть конденсатного тракта (перед КЭН-I) путем засасывания его непосредственно из помещения.

Примерные схемы ввода кислорода или воздуха представлены на рис. 1 - 4.

3.3. Ввод аммиака при КАВР и регулирование его дозы производится в соответствии с [4].

3.4. Устройство для подачи кислорода или воздуха состоит из фильтра с активированным углем, ротаметра, регулирующего и запорного игольчатых вентилей, эжектора. Периодичность замены фильтрующего материала устанавливается по сравнительному анализу состояния (качественному и количественному) свежего материала после 10, 30 и 50 дней его непрерывной работы.

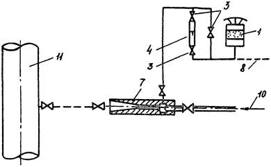
Рис. 1. Схема ввода воздуха во всасывающий
коллектор КЭН-I:

1 - фильтр для очистки воздуха; 2 -запорный вентиль; 3 - регулирующий игольчатый вентиль;
4 - ротаметр; 5 -трубка с отверстиями; 6 - всасывающий коллектор

3.5. Расход воздуха для энергоблоков различной единичной мощности устанавливается с помощью соответствующих ротаметров типа РМ (ГОСТ 13045-67). С учетом изменения концентрации кислорода в воде в пределах 100 - 400 мкг/кг устанавливаются следующие пределы объемного расхода воздуха и типы применяемых ротаметров для энергоблоков различной мощности:

Мощность энергоблока, МВт

Расход воздуха, м3

Обозначение ротаметра

Обозначение базовой модели ротаметра

250 и 300

0,4 - 1,5

РМ-1,6 ГУЗ

РМ III

500

0,7 - 2,6

РМ-2,5 ГУЗ

PM IV

800

1,1 - 4,2

РМ-4,0 ГУЗ

РМ IV

1200

1,6 - 6,25

РМ-6,3 ГУЗ

РМ IV

Рис. 2. Схема ввода воздуха (кислорода) во всасывающий
коллектор КЭН-II:

7 - эжектор; 8 - ввод кислорода; 9 - КЭН-II.

Остальные обозначения см. рис. 1

Рис. 3. Схема ввода воздуха (кислорода) в питательную
воду после деаэратора:

10 - подвод воды после КЭН-II;
11 - трубопровод питательной воды после деаэратора.

Остальные обозначения см. рис. 1 и 2

Рис. 4. Схема ввода кислорода (воздуха)
в питательную воду после деаэратора:

12 - холодильник; 13 - сепаратор для удаления влаги;
14 - шайба диаметром 1 мм; 15 - от промежуточной ступени питательного насоса;
16 - техническая вода; 17 - сброс в сливной канал; 18 - кислород (воздух).

Остальные обозначения см. рис. 1, 2, и 3.

4. РЕЖИМЫ РАБОТЫ ЭНЕРГЕТИЧЕСКИХ БЛОКОВ

4.1. Режимы работы энергетических блоков [5] определяются суточными, недельными и сезонными графиками электрических нагрузок энергосистемы. Неравномерность графиков их провалы и максимумы определяются характером потребления электроэнергии различными потребителями в дневное и ночное время, в выходные и праздничные дни и в зависимости от времени года.

4.2. Пиковая часть графика в день годового максимума в основном покрывается ГЭС, низкоэкономичными ТЭС с давлением пара 9 МПа и ниже, энергоблоками 150, 200 (14 МПа) и 300 МВт при их работе в режимах перегрузки (за счет увеличения расхода питательной воды и топлива, повышения начального давления и расхода пара перед турбинами, понижения температуры пара промперегрева и при необходимости - за счет отключения одного или нескольких ПВД).

4.3. Базовая часть графика покрывается стационарной нагрузкой агрегатов АЭС и блоками мощностью 500 и 800 МВт ТЭС СКД. Вместе с тем последние начали использоваться и при регулировании мощности системы путем снижения их нагрузки и даже отключения, что приводит к повышению циклов пусков-остановов и с учетом работы на пониженных нагрузках - к повышению количества циклов усталостных термических напряжений в металле обогреваемых элементов оборудования.

4.4. Для обеспечения длительной прочности нормативный срок службы этих элементов принят равным 30 годам, при этом допустимое количество пусков-остановов для блоков 300 и 500 МВт и составляет соответственно 70 и 35. Количество остановов корпусов дубль-блоков несколько выше, чем котлов моноблоков. Для блоков 800 МВт среднегодовое количество пусков-остановов на различных ТЭС изменяется в пределах 8 - 26.

4.5. Нижний предел регулировочного диапазона нагрузок блоков СКД надежно обеспечивается при 30 % номинального значения для газомазутного топлива, 60 - 65 % - для пылеугольного топлива при сухом шлакоудалении и 70 % номинального значения при жидком удалении шлака.

5. ЭКСПЛУАТАЦИЯ ЭНЕРГОБЛОКОВ
СВЕРХКРИТИЧЕСКОГО ДАВЛЕНИЯ
НА КИСЛОРОДНОМ РЕЖИМЕ

5.1. Пуски блоков СКД [5] и их стационарная эксплуатация в диапазоне нагрузок от 70 - 80 % номинальной до технически безопасного минимума (около 30 %) проводятся на скользящем давлении. Для блоков 300 МВт при нагрузке 100 МВт и температуре пара 550 °С давление среды за НРЧ составляет около 1,0 МПа. При этом в НРЧ происходит кипение и движение пароводяной смеси с различным выходным паросодержанием в зависимости от конструкции котла.

5.1.1. При частых пусках-остановах, переходных процессах и работе НРЧ и СРЧ на скользящем давлении в режиме кипения из-за термических деформаций теплонапряженных труб при несовпадении коэффициентов линейного расширения металла труб и внутренней пленки из оксидов на последней образуются трещины, происходит ее частичное отделение и вынос в поток среды чешуек с рыхлой фракцией оксидов железа. Таким образом, при пусках-остановах и переходных процессах концентрация железа по тракту котла заметно повышается.

5.1.2. Пуск энергоблока посте ночного останова без расхолаживания котла и турбины при температуре и давлении воды в котле, близких к эксплуатационным, проводятся без размыкания контура и водных промывок.

5.1.3. При простое энергоблока менее 2 сут его пуску из неостывшего состояния предшествует водная промывка по разомкнутой схеме. Аналогичные промывки по разомкнутой и замкнутой схемам при пусках из холодного состояния после текущих и капитальных ремонтов, а также промывки парового пространства ПНД к ПВД, КПП и ПП проводятся в соответствии с [6].

5.1.4. При КВР пуск энергоблока из любого теплового состояния при повышенной электропроводимости (около 0,5 мкСм/см) Н-катионированной пробы питательной воды проводится без предварительной ее деаэрации.

5.1.5. Для ускорения процесса восстановления защитных свойств оксидных пленок, снижения выноса железа до нормативных значений содержание кислорода в питательной воде при пусках изменяется в пределах 8 - 1 мг/кг. Нижний предел (1 мг/кг) поддерживается путем дозирования кислорода (воздуха) в течение 30 - 40 ч после пуска до стабилизации всех показателей водно-химического режима на нормативном и более низком уровне, после чего концентрация кислорода снижается до 200 мкг/кг. При этом при КАВР начинается дозирование аммиака существующими насосами дозаторами по штатной линии.

5.2. При эксплуатации энергоблока на НКВР или КАВР выпар деаэратора должен быть постоянно открыт для удаления неконденсирующихся газов.

Дозировка воздуха (кислорода) после деаэратора обеспечивает возможность поддержания концентрации кислорода в питательном тракте в заданных пределах.

5.2.1. При переходе на бездеаэраторную схему удаление неконденсирующихся газов осуществляется в смешивающих ПНД; дозирование кислорода (воздуха) производится во всасывающий коллектор КЭН-II (КЭН-III).

5.3. Для устранения неорганизованных присосов воздуха в вакуумную часть конденсатного тракта должен быть обеспечен контроль за его состоянием (исправностью сальниковых уплотнений КЭН-I и сливных насосов и др.).

Критерием наличия присосов в сливных насосах может служить содержание кислорода в конденсате греющего пара после сливных насосов, которое не должно превышать 400 мкг/кг. Неорганизованные присосы воздуха на стороне всасывания КЭН-I не должны превышать 20 мкг/кг.

5.4. При настройке дозирования воздуха в конденсатный тракт во избежание срыва конденсатных насосов особое внимание следует обращать на плавность дозирования.

5.4.1. При кислородном режиме нет необходимости в частом регулировании поступления пассивирующего агента, поскольку колебания концентрации кислорода в конденсатном и питательном трактах в пределах 100 - 400 мкг/кг допустимы (за исключением пусковых режимов, п. 5.1.5). Поэтому устанавливается содержание около 200 мкг/кг при полной нагрузке. В последующем фиксируются изменения концентраций, связанные с понижением нагрузки энергоблока и появлением неорганизованных присосов воздуха. Надобность в регулировании подачи окислителя может возникнуть при появлении неорганизованных присосов (содержание кислорода более 500 мкг/кг) или неплотностей в запорной арматуре дозировочных эжекторов (содержание кислорода менее 100 мкг/кг).

5.5. Для предупреждения коррозии в пароохладителях ПВД необходимо обеспечить эффективное функционирование отсосов не-конденсирующихся газов из парового пространства.

5.6. Порядок и продолжительность снижения нагрузки энергоблока при останове без расхолаживания котла и при его расхолаживании практически одинаков и составляет около 1,5 ч. Останов с расхолаживанием турбины проводится с плавным снижением температуры пара до 300 °С и занимает около 9 ч. При этом сохраняется установленный при нагрузке расход кислорода и (при КАВР) аммиака.

5.6.1. При останове, снижении расхода питательной воды и пара концентрация пассивирующих агентов возрастает. Желательно ее сохранение на этом уровне к началу простоя котла.

5.6.2. В застойной воде после закрытия клапанов и задвижек, отделяющих котел от питательного и пароперегревательных трактов, при значениях температуры и давления воды, близких к эксплуатационным, происходит незначительное накопление гидратных форм оксидов железа, способных повысить электропроводимость до 0,6 мкСм/см при концентрации железа в застойной воде 100 мкг/кг.

6. КОНСЕРВАЦИЯ ОБОРУДОВАНИЯ ПРИ ПРОСТОЯХ

Сухая консервация питательного (включая ПВД), испарительного и пароперегревательных (КПП и ПП) трактов котла проводится при останове блока с целью его полной осушки для предупреждения конденсации пара, накопления капельной влаги в недренируемых участках тракта. При длительном останове блока естественное проникновение атмосферного воздуха к этим участкам опасно в коррозионном отношении. Влага, адсорбируя углекислоту из воздуха и являясь коррозионным агентом, вызывает углекислотную стояночную коррозию с локальным разрушением оксидных пленок внутри труб поверхностей нагрева, что может приводить к локальным поражениям основного металла. Особенно опасны в этом отношении поверхности нагрева из углеродистых низколегированных сталей, трубы промперегревателя (12Х1МФ), водяного экономайзера и ПВД (сталь 20).

6.1. Осушка внутренних котельных поверхностей проводится в следующем порядке:

6.1.1. Перед остановом непосредственно после снижения нагрузки блока, отключения горелок производится обеспаривание котла и дренирование воды через растопочный сепаратор в конденсатор.

6.1.2. При сбросе давления в тракте котла часть воды испаряется за счет тепла, аккумулированного в металлоконструкциях и обмуровке. Этот пар отводится в атмосферу через воздушники, а из ПП отсасывается в конденсатор до срыва в нем вакуума.

6.1.3. Достижение высокого эффекта сухой консервации, сохранение защитных оксидных пленок, образовавшихся на внутренних поверхностях нагрева котла при его эксплуатации на кислородном водном режиме, зависит от скорости дренирования воды. При медленном спуске или непредвиденной задержке дренирования и обеспаривания, после отключения горелок возможно накопление влаги в недренируемых, тупиковых участках тракта.

6.2. При останове блока необходимо предусмотреть мероприятия по обеспечению сухой консервации ПВД:

6.2.1. Дренирование парового пространства ПВД осуществляется путем сброса конденсатора по дренажным линиям в конденсатор до срыва в нем вакуума.

6.2.2. Отсос неконденсирующихся газов и пара осуществляется по существующим линиям отсосов из парового пространства з конденсатор до срыва в нем вакуума.

6.3. Консервация проточной части турбины производится в соответствии с [7].

7. ЭКСПЛУАТАЦИОННЫЙ КОНТРОЛЬ

7.1. Химический контроль при КВР осуществляется по показателям, нормированным ПТЭ для энергоблоков СКД. Объем эксплуатационного химического контроля устанавливается согласно приложению.

7.2. Необходимо предусмотреть автоматическую запись значений электрической проводимости, pH, содержания кислорода с использованием кондуктометра АК-310, рН-метра-201, кислородомера АКП-201 со шкалой 0 - 500 мкг/кг. Кроме того, необходимо вывести на блочный щит управления сигнал превышения показаний от кондуктометра и кислородомера, установленных на пробоотборных точках питательной воды.

7.3. Контроль за состоянием поверхностей нагрева котла ведется с помощью температурных вставок и вырезок образцов труб. Установка температурных вставок и вырезка образцов труб производится на поверхностях, расположенных в зонах максимальных теплонапряжений, т.е. в зонах с наиболее благоприятными условиями для образования отложений и протекания процессов коррозии [8].

Первая серия вырезок после ГВКО или химической очистки котла перед переводом энергоблока на КВР производится из следующих поверхностей нагрева:

- боковых экранов НРЧ - по два образца из каждого экрана;

- фронтового и заднего экранов НРЧ - по два образца из каждого экрана;

- пароперегревателя и промежуточного пароперегревателя - по два образца из каждой поверхности.

В последующем при капитальных ремонтах:

- в основном из НРЧ для установления времени проведение локальной химической очистки. При наличии в теплонапряженных трубах НРЧ рыхлых легко снимаемых отложений в количестве более 120 т/м2 производится химическая очистка в соответствии с [2].

7.4. Контроль за развитием коррозии поверхностей нагрева осуществляется путем оценки состояния металла специальных вставок и индикаторов, установленных в котле [9].

7.5. Контроль за состоянием проточной части турбины ведется в соответствии с [8].

7.6. При необходимости контроль эффективности вакуумной сушки ПП при останове котла осуществлять с помощью мано-вакуумметров, устанавливаемых с соответствующей запорной арматурой на линиях измерения давления пара в холодных и горячих паропроводах ПП.

Приложение

ОБЪЕМ ХИМИЧЕСКОГО КОНТРОЛЯ
ПРИ СТАЦИОНАРНОЙ РАБОТЕ НА КВР

Точки отбора проб

Периодичность анализов

Органические вещества (масла)

п* Н

рH

Na

O2

Ж

SiO2

Fe

Cu

Конденсат до БОУ

4 ч

-

8 ч

4 ч

4 ч

8 ч

10 сут

10 сут

Обессоленный конденсат после БОУ

4 ч

-

8 ч

4 ч

4 ч

8 ч

10 сут

-

Обессоленный конденсат после КЭН-II

4 ч

-

-

-

-

-

-

-

Питательная вода

4 ч

4 ч

8 ч

4 ч

4 ч

8 ч

10 сут

-

Пар за котлом

4 ч

4 ч

8 ч

4 ч

-

8 ч

10 сут

-

Конденсат греющего пара ПВД

-

-

-

-

-

-

10 сут

-

-

Конденсат греющего пара ПСГ

4 ч

-

-

-

-

-

10 сут

-

-

Добавочная вода

1 сут

-

1 сут

-

1 сут

1 сут

-

-

Холодный и горячий паропровод ПП

При пусках и остановах

 

________

* Автоматический контроль электропроводимости: п - прямая проба при НКВР; Н - Н-катионированная проба при КАВР.

Примечание. При пусках энергоблоков для стабилизации водного режима периодичность проведения анализов учащается.

Литература

1. ШИЦМАН М.Е., МИДЛЕР Л.С. Горячая водно-кислородная обработка - альтернатива кислотным очисткам трактов энергоблоков//Энергетическое строительство, 1990, № 1. С. 22 - 29).

2. МЕТОДИЧЕСКИЕ УКАЗАНИЯ по эксплуатационной химической очистке котлов энергоблоков сверхкритического давления: РД 34.37.403-91. (М.: СПО ОРГРЭС, 1991).

3. МЕТОДИЧЕСКИЕ УКАЗАНИЯ по химической очистке питательного и пароводяного трактов энергоблоков мощностью 300 МВт от медных отложений перед переводом их на нейтрально-кислородный водный режим: МУ 34-70-071-84. - М.: СПО Союзтехэнерго, 1985.

4. РУКОВОДЯЩИЕ УКАЗАНИЯ по автоматическому дозированию гидразина и аммиака на энергоблоках с прямоточными котлами. М.: СЦНТИ ОРГРЭС, 1972.

5. ПРОКОПЕНКО А.Г., МЫСАК И.С. Стационарные переменные и пусковые режимы энергоблоков ТЭС. М.: Энергоатомиздат, 1990.

6. ТИПОВАЯ ИНСТРУКЦИЯ по ведению водно-химического режима энергоблоков сверхкритического давления: ТИ 34-70-050-86. М.: СПО Союзтехэнерго, 1986.

7. МЕТОДИЧЕСКИЕ УКАЗАНИЯ по консервации паротурбинного оборудования ТЭС и АЭС подогретым воздухом: МУ 34-70-078-84, - М.: СПО Союзтехэнерго, 1984.

8. МЕТОДИЧЕСКИЕ УКАЗАНИЯ по контролю состояния основного оборудования тепловых электрических станций: определение количества и химического состава отложений: РД 34.37.306-87. М.: Ротапринт ВТИ, 1987.

9. МЕТОДИКА ИССЛЕДОВАНИЙ новых водно-химических режимов и оценка их эффективности в условиях эксплуатации энергоблоков СКД: РД 34.09.307-90. М.: Ротапринт ВТИ, 1990.