ИНСТРУКЦИЯ
ПО УЧЕТУ И ОЦЕНКЕ РАБОТЫ
РЕЛЕЙНОЙ ЗАЩИТЫ И АВТОМАТИКИ ЭЛЕКТРИЧЕСКОЙ
ЧАСТИ ЭНЕРГОСИСТЕМ
РД 34.35.516-89
Срок действия установлен
с 01.12.89 г.
до 01.12.94 г.
РАЗРАБОТАНО ЦДУ ЕЭС СССР, ПО «Союзтехэнерго», ВНИИЭ при участии Донбассэнерго, Ленэнерго, Мосэнерго, Рязаньэнерго и ОДУ Северо-Запада.
УТВЕРЖДЕНО Главным научно-техническим управлением энергетики и электрификации 06.04.89 г.
Заместитель начальника К.М. Антипов.
С выходом настоящей Инструкции отменяется ранее изданная «Инструкция по учету и оценке работы релейной защиты и автоматики электрической части энергосистем» (М.-Л.: Госэнергоиздат, 1954).
1.1. Учет оснащенности энергосистем устройствами релейной защиты, электроавтоматики и противоаварийной автоматики (РЗА), а также учет, анализ и оценка их работы дают возможность:
оценивать соответствие устройств РЗА предъявляемым требованиям, их надежность и пригодность для эксплуатации;
выявлять характерные причины их неправильных срабатываний и отказов срабатывания для разработки организационных и технических мероприятий по улучшению работы устройств РЗА, предъявлять претензии проектным, монтажным, наладочным организациям, организациям-разработчикам и заводам-поставщикам;
выявлять и устранять недостатки выполнения и эксплуатации этих устройств;
определять основные эксплуатационные показатели работы отдельных видов РЗА (процент правильной работы, успешность АПВ и АВР, периодичность или частоту срабатывания устройств РЗА и др.) и оценивать численность и показатели загрузки персонала служб РЗА предприятий электрических сетей и ЭТЛ электростанций (далее - служба РЗА).
1.2. Статистическому учету подлежат устройства РЗА в соответствии с приложениями 1, 2 настоящей Инструкции, находящиеся на балансе производственного объединения энергетики и электрификации (далее - энергосистема). Порядок и сроки отчетности определены в «Типовом положении о службах релейной защиты и электроавтоматики» (М.: СПО Союзтехэнерго, 1981) - далее Типовое положение о службах РЗА и в положениях о службах РЗА энергосистем и энергопредприятий, составленных на основе Типового. Отчетными данными, учитываемыми статистическими формами № 17-энерго и 18-энерго, являются количество устройств РЗА на конец года и полные сведения об их правильной и неправильной работе. Существенный рост или уменьшение количества каких-либо устройств на конец отчетного года по сравнению с концом предыдущего должен поясняться (значительные реконструктивные работы, передача устройств на баланс другой энергосистемы, уточнение учета и др.).
Примечание. Учету также подлежат устройства РЗА потребителей, обслуживаемые персоналом служб РЗА энергосистемы.
1.3. Основной формой отчетности энергосистемы является годовой статистический отчет о наличии и работе устройств РЗА, который должен содержать:
а) краткую записку об условиях работы служб РЗА энергосистемы и энергопредприятий;
б) формы № 17-энерго и 18-энерго Госкомстата СССР об итогах работы устройств РЗА за отчетный год;
в) описание неправильных срабатываний и отказов срабатывания устройств РЗА, учтенных в указанных формах;
г) перечень дефектов аппаратуры и цепей РЗА, выявленных при техническом обслуживании и в процессе эксплуатации.
Экземпляр отчета о работе устройств РЗА, помимо его включения в годовой отчет энергосистемы, должен направляться в Главтехуправление Минэнерго СССР для технического анализа и дальнейшей обработки данных в ПО «Союзтехэнерго».
1.4. Дополнительно, согласно Типовому положению о службах РЗА, энергосистемы направляют ежеквартально технологическую (нестатистическую) информацию о работе устройств РЗА в территориальные ОДУ (энергосистемы ОЭС Центра - непосредственно в ЦДУ ЕЭС СССР). Аналогичную информацию о работе РЗА территориальные ОДУ также ежеквартально направляют в ЦДУ ЕЭС СССР. Форма представления этой информации определяется ЦДУ ЕЭС СССР. При этом в части противоаварийной автоматики (ПА) должна представляться информация о работе устройств ПА, локальных автоматик, а также функциональных (нелокальных) автоматик, в том числе в составе комплексов ПА (согласно приложению 2).
1.5. Устанавливаются следующие системы оценок работы устройств РЗА:
1.5.1. Оценка каждого случая работы любого устройства релейной защиты, электроавтоматики, а для противоаварийной автоматики любого устройства или локальной автоматики («оценка работы устройств РЗА»); цель этой оценки - установить техническое состояние и уровень организации эксплуатации каждого из устройств защиты и автоматики (разд.2).
1.5.2. Общая оценка всех устройств релейной защиты, электроавтоматики и противоаварийной автоматики по каждой аварии, отказу 1 степени или нарушению нормального режима работы («общая оценка ликвидации аварии или нарушения нормального режима работы средствами РЗА»); цель этой оценки - выявить, насколько полно наличные средства РЗА удовлетворяют требованиям к ним, которые могут возникнуть при авариях или нарушениях нормального режима работы в энергосистемах (ОЭС, ЕЭС СССР), на их объектах и оборудовании (раздел 3).
1.5.3. Те же системы оценок используются и при нестатистическом учете функциональных (нелокальных) автоматик, в том числе в составе комплексов ПА.
2.1. Требование срабатывания устройства РЗА - это возникновение и сохранение в течение определенного времени в энергосистеме (на электрооборудовании или линии электропередачи) условий, при которых устройство РЗА должно сработать по назначению для ликвидации КЗ или других ненормальных режимов.
Требованием срабатывания отдельных устройств РЗА является также входной сигнал определенных параметров (далее - заданный сигнал) от другого устройства РЗА, при котором данное устройство РЗА должно сработать по назначению для ликвидации КЗ или других ненормальных режимов или передать заданный сигнал на другое устройство РЗА.
2.2. Оценка срабатывания устройств РЗА производится на основании сравнения требовавшегося срабатывания или несрабатывания, исходя из назначения данного устройства РЗА, с тем, которое произошло в действительности.
2.3. Учету, анализу и оценке подлежат все срабатывания и отказы срабатывания устройств РЗА. Наряду с правильными срабатываниями тщательному анализу, оценке и учету подлежат неправильные срабатывания и отказы срабатывания независимо от того, правели они к аварии, ее развитию, отказам I-II степеней («Инструкция по расследованию и учету нарушений в работе электростанций, сетей, энергосистем и энергообъединений». - М.: ХОЗУ Минэнерго СССР, 1983) или не имели последствий.
Первоначальная оценка срабатывания устройств РЗА может быть изменена вышестоящей службой РЗА; оценка может также изменяться в связи с появлением дополнительных данных после осмотра или ремонта оборудования или линий, дополнительных проверок и т.п. Во всех этих случаях поправка с соответствующим обоснованием должна вноситься в первичную документацию.
2.4. Устройства РЗА при оценке их срабатывания должны рассматриваться вместе со вторичными цепями измерительных трансформаторов, с питанием от источника оперативного тока, с электромагнитами и контакторами управления коммутационными аппаратами, а также со всеми вторичными цепями и переключающими устройствами РЗА.
Примечание. При классификации неправильных срабатываний устройств РЗА из-за неисправности аппаратуры, электрооборудования и их цепей, не обслуживаемых службами РЗА, учитывается виновность тех служб и подразделений, которые их обслуживают.
2.5. Принимаются следующие оценки срабатывания устройств РЗА:
правильные срабатывания (ПС);
неправильные срабатывания (НС), в том числе излишние срабатывания (ИС), ложные срабатывания (ЛС), отказы срабатывания (ОС);
невыясненные срабатывания (НВС).
2.6. Правильное срабатывание - это состоявшееся срабатывание устройства РЗА в соответствии с назначением и при наличии требования срабатывания (см. п. 2.1) для ликвидации КЗ или других ненормальных режимов, или подача для этой же цели заданных сигналов на другие устройства РЗА.
2.7. Излишнее срабатывание - это срабатывание при отсутствии требования срабатывания для данного устройства РЗА при наличия требования срабатывания для другого (других) устройства РЗА. К излишним срабатываниям относятся также действия устройств РЗА (при наличии требования срабатывания), приведшие к дополнительным (кроме заданных) отключениям, включениям; к передаче непредусмотренных (излишних) сигналов; к отключению трех фаз вместо одной; к реализации действия противоаварийной автоматики с завышенным объемом дозировки и др.
2.8. Ложное срабатывание - это срабатывание при отсутствии требования срабатывания для данного и для других устройств РЗА, а также передача в этих же условиях сигнала на другое устройства РЗА, происходящее, как правило, из-за различных помех, механических воздействий на устройства РЗА, неправильных действий персонала и др.
2.9. Отказ срабатывания - это отсутствие срабатывания при наличии требования срабатывания для данного устройства РЗА, а такие отсутствие в тех же условиях заданного выходного сигнала данного устройства РЗА.
К отказам срабатывания относятся также срабатывания устройств РЗА с неполным выполнением задания (отключение или включение не всех коммутационных аппаратов, передача не всех заданных сигналов, реализация действия противоаварийной автоматика с заниженной дозировкой и др.).
2.10. Невыясненное срабатывание - это срабатывание устройства РЗА, которое не может быть отнесено к категории «правильно» или «неправильно», несмотря на тщательный анализ работы устройства, условий повреждений, режимов работы системы и пр.
Отнесение срабатываний к числу невыясненных производится с разрешения вышестоящей службы РЗА. В дальнейшем, при получении дополнительных данных, оценка срабатывания может быть изменена (см. п. 2.3).
3.1. Общая оценка ликвидации аварии или нарушения нормального режима устройствами РЗА (далее - общая оценка) производится на основании сопоставления фактической работы устройств РЗА в ходе данной аварии (нарушения нормального режима работы) с той, которая должна была быть, исходя из условий наиболее эффективной их ликвидации. В отдельных случаях может быть признано целесообразным ставить вопрос о замене, реконструкции или изменении характеристик устройств РЗА.
3.2. Общая оценка должна даваться во всех случаях, когда составляется аварийная документация (например, акты расследований аварий), содержащая раздел «Характеристика и оценка работы релейной завиты и автоматики». Кроме того, общая оценка должна даваться по указанию вышестоящей службы РЗА или органов Госинспекции по эксплуатации электростанций и сетей (как правило, при сложных ликвидациях аварий и отказов в работе с действием большого числа устройств защиты и автоматики).
3.3. Принимаются следующие общие оценки:
-правильно;
-правильно с замечанием;
-неправильно.
Общая оценка «правильно» означает, что имеющиеся устройства защиты и автоматики и реализовавшиеся их действия соответствовали требованиям, возникшим при данной аварии или нарушения нормального режима. При этом по действиям отдельных устройств защиты и автоматики не было замечаний, и все они получили оценку «правильно».
Общая оценка «правильно с замечанием» означает, что не все имеющиеся устройства защиты и автоматики действовали правильно или реализовавшиеся их действия не полностью соответствовали требованиям, возникшими при аварии (нарушении), но не явились причиной каких-либо существенных отрицательных последствий. Важным условием общей оценки «правильно с замечанием» (так же, как и «правильно») является то, что по результатам анализа ликвидации аварии (нарушения) не делается вывод о необходимости реконструкции, замены или перестройки действующих или необходимости дополнительной установки новых устройств защиты и автоматики.
Общая оценка «неправильно» означает, что имеющиеся устройства защиты и автоматики и реализовавшиеся их действия не соответствовали требованиям, возникшим при аварии (нарушении), что вызвало развитие аварии, дополнительные (неселективные) или излишние отключения, увеличения недоотпуска электроэнергии и пр. По результатам анализа должны быть, как правило, намечены мероприятия по реконструкции, замене или перестройке действующих устройств, по установке дополнительных устройств или иные мероприятия, повышающие эффективность действия устройств РЗА.
3.4. На общую оценку могут влиять последствия происшедшей аварии или нарушения нормального режима работы. Например, если при отказе быстродействующей защиты линия селективно отключалась резервной защитой с выдержкой времени и при этом не было негативных последствий с точки зрения устойчивости параллельной работы и устойчивости работы потребителей, общая оценка может быть «правильно с замечанием» (при оценке «неправильно» для отказавшей защиты). Если же задержка в отключении КЗ привела к негативным последствиям (например, нарушение работы ответственных потребителей), то общая оценка будет «неправильно». При этом должен ставиться вопрос об усовершенствовании защиты или ее эксплуатации (например, выполнение ускорения резервных защит, установка второй быстродействующей защиты и др.)
4.1. Основным показателем работа устройств РЗА принимается процент их правильной работы, получаемый по формуле
где - nпс - число правильных срабатываний;
nис - число излишних срабатываний;
nлс - число ложных срабатываний;
nос - число отказов срабатывания.
Сумма nпс + nос составляет число требований срабатывания.
4.2. В качестве дополнительных показателей могут использоваться периодичность или частота неправильных и правильных срабатываний устройств РЗА.
5.1. Классификации подлежат все случаи рабств устройств защиты и автоматики, получавшие в соответствии с разд. 2 оценку «неправильное срабатывание» (излишнее, ложное или отказ срабатывания).
Устанавливается следующая классификация неправильных срабатываний устройств РЗА по условной виновности:
а) по причинам, зависящим от служб РЗА;
б) по вине оперативного персонала;
в) по вине прочего эксплуатационного персонала;
г) по вине заводов-поставщиков;
д) по вине проектной организации;
е) по вине монтажной или наладочной организации;
ж) по причинам, зависящим от организации-разработчика;
з) по прочим причинам;
и) по невыясненной причине.
Примечания: 1. Если неправильное срабатывание устройства РЗА вызвано не одной, а двумя или несколькими причинами, то условная виновность устанавливается по одной из причин, принимаемой за основную (другие причины отмечаются в описании неправильных действий).
2. Если в качестве основной причины принята виновность завода-поставщика, проектной организации, монтажной или наладочной организации или организации-разработчика, должен быть обязательно составлен акт-рекламация или акт-претензия, который направляется соответствующей организации. Отнесение к этим категориям виновности так же, как и отнесение к прочим и невыясненным причинам, должно четко мотивироваться в отчетной документации.
5.2. Случаи неправильной работы устройств РЗА по причинам, зависящим от службы РЗА, в свою очередь классифицируются по следующим причинам:
а) непосредственная вина персонала;
б) неудовлетворительное состояние устройства;
в) неудовлетворительность проекта.
5.2.1. К непосредственной вине персонала относятся:
а) ошибки при реконструкциях, перемонтажах, при всех видах технического обслуживания, регулирования параметров устройств и выполнении других эксплуатационных работ, в том числе ложные отключения присоединений, ошибочные пуски команд и т.п.;
б) несвоевременное устранение выявленного дефекта или неисправности аппаратуры или схемы, несвоевременное выполнение противоаварийных мероприятий, требований директивных документов или указаний вышестоящей службы РЗА;
в) неправильно выставленные уставки или характеристики, несвоевременное изменение параметров устройства;
г) неправильные указания в инструкциях и иных документах по эксплуатации устройств РЗА, выданных службой РЗА, или отсутствие необходимых инструкций и указаний, что вызвало неправильные действия оперативного персонала и, как следствие, неправильные срабатывания устройств.
5.2.2. К неудовлетворительному состоянию устройств относятся старение изоляции и износ деталей реле, аппаратуры, контрольного кабеля (причем замена аппаратуры и кабеля своевременно не произведена не по вине службы РЗА).
5.2.3. К неудовлетворительности проекта относятся дефекты проекта, выполненного службой РЗА (неправильный выбор принципов, схем, аппаратуры, параметров срабатывания, ошибки в выданной схеме или в расчете проекта).
5.3. К случаям неправильной работы устройств РЗА по вине оперативного персонала относятся неправильные действия вследствие:
а) невыполнения или неправильного выполнения требований действующих инструкций или иных документов по РЗА, программ операций по выводу и вводу линий и оборудования, в том числе в части первичных схем и режимов (заземление нейтралей трансформаторов, фиксация присоединений по шинам и др.), вызвавших неправильные действия устройств;
б) небрежного выполнения операций по обслуживанию устройств РЗА (недовключение переключающих устройств, рубильников, крышек испытательных блоков; несвоевременная или неправильная замена предохранителей и т.п.);
в) неисправности устройств РЗА из-за недостаточного контроля за общим состоянием аппаратуры, панелей, шкафов (несвоевременная или небрежная протирка аппаратуры и коммутации; несвоевременное устранение или несвоевременное сообщение о разбитых стеклах, незапертых или неуплотненных шкафах и т.п.):
г) неправильного допуска к работам на панелях и устройствах РЗА (или вблизи них), а также неправильного включения этих устройств после выполнения работ (в пределах круга обязанностей оперативного персонала согласно «Указаниям по организации работ на панелях и в цепях устройств релейной защиты, электроавтоматики (системной и противоаварийной), управления и сигнализации на электрических станциях и подстанциях». - (М.: СПО Союзтехэнерго, 1977).
5.4. К случаям неправильной работы устройств РЗА по вине прочего эксплуатационного персонала относятся неправильные действия вследствие:
а) воздействий на устройства РЗА и их цени, вызванных ремонтным, строительным персоналом, персоналом других (не РЗА) служб и подразделений эксплуатации (например, небрежные действия, вызвавшие повреждения аппаратуры, контрольных кабелей, удары по панелям, аппаратуре; нарушение высокочастотного канала защиты или автоматики; неправильные операции в масляной системе трансформаторов, автотрансформаторов, реакторов и другие подобные причины);
б) неправильно заданных или своевременно не скорректированных параметров настройки или исходных данных для их расчета, выданных службой режимов, диспетчерской, перспективного развития и др.;
в) сбоев, неправильного функционирования управляющих ЭВМ, устройств телемеханики по причинам, зависящим от служб АСДУ, СДТУ, вычислительной техники и пр.
5.5. К случаям неправильной работы устройств РЗА по вине заводов-поставщиков относятся неправильные действия вследствие дефектов изготовления измерительных трансформаторов, контрольного кабеля, основной и вспомогательной релейной аппаратуры (например, дефекты монтажа внутри аппаратов, на панелях и шкафах, витковые замыкания и обрывы обмоток, дефектные пайки, дефекты плат с печатным монтажом, дефекты разъемов и т.п.), которые не могли быть выявлены при включении в работу и при профилактических испытаниях.
5.6. К случаям неправильной работы устройств РЗА по вине проектной организации относятся неправильные действия, явившиеся следствием ошибок или недостатков проекта.
5.7. К случаям неправильной работы устройств РЗА по вине монтажной или наладочной организаций относятся неправильные действия, явившиеся следствием ошибок при выполнении работ или дефектов монтажа или наладки, проявившиеся до первого профилактического контроля, а также скрытое дефекты, которые не могут быть выявлены во время приемки и последующей эксплуатации (например, надрезы проводников в местах разделки, ненадежное их присоединение к рядам зажимов и др.).
5.8., К случаю неправильной работы устройств РЗА по причинам, зависящим от организации - разработчика устройств РЗА, относятся неправильные действия из-за впервые проявившихся дефектов разработки новых устройств, аппаратов, реле.
5.9. К случаям неправильной работы устройств РЗА по прочим причинам относятся неправильные действия вследствие стихийных явлений (землетрясение, наводнение и т.п.), а также иных случайных, непредсказуемых событий.
5.10. К случаям неправильной работы устройств РЗА по невыясненной причине относятся неправильные действия, точные причины которых установить не удалось, несмотря на самую тщательную и полную проверку неправильно сработавшего устройства.
5.11. Дополнительной категорией учета являются допущенные неправильные срабатывания и несрабатывания РЗА, к которым относятся случаи неправильных действий, возможность которых была заранее известна, что было признано допустимым из-за малой вероятности события или малой тяжести последствий. Причинами допущенных неправильных срабатываний и несрабатываний могут быть:
а) не учет маловероятных режимов (например, с большим объемом ремонтных и аварийных отключений линий, трансформаторов, автотрансформаторов, генераторов) при выборе уставок РЗА, что может привести к их излишнему (неселективному) действию или отказу. Неучет таких режимов должен специально оформляться решением главного инженера или главного диспетчера (или их заместителя) согласно подведомственности устройств РЗА;
б) заранее известное техническое несовершенство того или иного устройства. Например, возможность неправильного действия поперечной дифференциальной токовой направленной защиты параллельных линий при КЗ с одновременным обрывом провода; возможность срабатывания дистанционной защиты при асинхронном режиме (с пуском устройства блокировки при качаниях от внешнего КЗ) и другие аналогичные причины;
в) заранее известная возможность неправильного действия устройства РЗА, исходя из его принципа действия. Например, излишнее действие полностью исправного полукомплекта защиты ДФЗ при внешнем КЗ из-за неисправности полукомплекта на противоположном конце линии.
К допущенным неправильным срабатываниям относятся также срабатывания исправных исполнительных устройств противоаварийной автоматики, действующих на отключение нагрузки, отключение генераторов, деление сети и другое, если эти срабатывания не требовались по режиму и вызваны ложной или излишней пусковой командой.
Допущенные неправильные срабатывания и несрабатывания учитываются отдельно и не суммируются с неправильными срабатываниями по пп. 5.2 - 5.10.
5.12. Неправильные срабатывания устройств РЗА должны также классифицироваться по техническим причинам, что позволяет выявлять преимущественные причины неправильных срабатываний с точки зрения технического исполнения устройств и уровня их эксплуатации. Эта классификация не является статистической (не предусмотрена в годовых формах), ведется службами РЗА разных уровней согласно подведомственности устройств РЗА и включается в описание неправильных срабатывание.
Неправильные срабатывания устройств РЗА по техническим причинам подразделяются следующим образом:
а) неисправности реле всех типов, за исключением выполненных на интегральных микросхемах и микропроцессорах;
б) неисправности реле и устройств, выполненных на интегральных микросхемах и микропроцессорах;
в) неисправности прочей аппаратуры, элементов вторичной коммутации, цепей и т.п.;
г) неправильно заданные или выполненные схемы;
д) неправильные уставки и характеристики (заданные или выполненные);
е) ошибка при работах на панелях и в цепях;
ж) невыполнение требований директивных документов;
з) прочие технические причины.
6.1. Неправильная работа одного и того же устройства РЗА, происходящая (повторяющаяся) в течение одних суток, учитывается как одни случай, одно неправильное срабатывание.
Примечание. Ложные отключения присоединений, ошибочные пуски команд и т.п., вызванные ошибочными действиями персонала, учитываются каждое в отдельности независимо от времени повторяемости.
6.2. Оценка «не выяснено» соответствует условиям, когда не удается установить, было ли требование срабатывания для данного устройства РЗА или не был, и при этом самая тщательная его проверка не выявили никаких неисправностей.
6.3. Оценка «неправильно по невыясненной причине» может быть дана, если самая тщательная всесторонняя проверка устройства РЗА (в том числе по специальным программам, с привлечением при необходимости сторонних специалистов и т.п.) не выявили никаких неисправностей и вместе с тем с достаточной достоверностью налицо факт неправильной работы этого устройства.
Если не удалось определить причину неисправной работы устройств РЗА двустороннего действия (например, дифференциально-фазной защиты), оценка «неправильно» (по невыясненной причине) выносится каждому из этих устройств (полукомплектов).
6.4. Если для какого-либо устройства РЗА созданы условия срабатывания из-за неисправности оборудования или ошибочных действий персонала, то такой работе этого устройства дается оценка «неправильно» с отнесением виновности на тот персонал, который обслуживает соответствующее оборудование или допустил ошибочные действия. Например, сработала защита от замыканий на землю автотрансформатора из-за неисправности привода устройства РПН (неодинаковое положение по фазам); сработала газовая защита из-за того, что после ремонта оставлен закрытым кран на трубопроводе между реле и расширителем и другие подобные случаи. В этих случаях виновность за неправильные срабатывания устройств РЗА относится на ремонтный персонал.
6.5. Характерные случаи работы устройств РЗА следующие:
6.5.1. Неселективное срабатывание двух исправных защит из-за недостаточной ступени выдержки времени (ступени селективности), например заданной так для снижения времени отключения КЗ на головном участке сети. Защита с меньшей выдержкой времени - «правильно». Защита с большей выдержкой времени - «допущенное неправильное срабатывание» (при наличии оформленного решения о снижении ступени селективности) или «неправильно» (излишне), непосредственная вина персонала (при отсутствии такого решения).
6.5.2. Дифференциальная защита шин при КЗ на шинах отключила не все заданные выключатели из-за не исправности защиты. Независимо от последствий оценка работы защиты шин - «неправильно» (отказ). Общая оценка, если она выносится, - «правильно с замечанием» (при отсутствии негативных последствий) или «неправильно» (при наличии таких последствий).
6.5.3. Короткое замыкание на линии самоликвидировалось после ее отключения с одной стороны. Действие защиты с другой стороны линии не оценивается.
6.5.4. При снятии напряжения с линии произошел «клевок» дистанционной защиты, сработало указательное реле. Действие защиты не оценивается.
6.5.5. Две защиты - дифференциально-фазная и междуфазовая токовая отсечка - сработали при КЗ на линии, причем отсечка «опередили» защиту ДФЗ и у последней не успело сработать указательное реле на выходе защиты. Действие ДФЗ при отсутствии признаков неисправности не оценивается.
6.5.6. При неполнофазном режиме на линии (например, обрыв шлейфа на анкерной опоре без КЗ) и работе токовой защиты от замыканий на землю в соответствии с заданными параметрами последняя оценивается «правильно».
6.5.7. Защита сработала неправильно (ложно, излишне), это действие «исправлено» успешным АПВ или АВР. Защита оценивается - «неправильно», АПВ (АВР) - «правильно». Общая оценка, если она требуется, выносится, исходя из последствий.
6.6. Примеры оценок работы устройств РЗА приведены в приложениях 3, 4. Пояснения по заполнению форм статистической отчетности о работе устройств релейной защиты, электроавтоматики и противоаварийной автоматики № 17-энерго и № 18-энерго даны в приложении 5.
1 Учитывается наличие и срабатывание устройств РЗА, включенных в работу. Случаи неправильных срабатывания и отказов устройств РЗА при их наладке и всех видах технического обслуживания в отчетности не учитываются за исключением случаев ложного отключения присоединений, ложного пуска команд и т.п.
1. Инструкцией предусматриваются учет наличия и оценка работы устройств РЗА, которыми автоматически осуществляются следующие функции:
1.1. Отключаются (тремя фазами или одной фазой) защищаемые электрооборудование или линии электропередачи при их повреждении или возникновении условий, угрожающих повреждением, а также при нарушениях нормальной работы участка электрической сети, электростанции или энергосистемы (ОЭС).
1.2. Включаются (тремя фазами или одной фазой) автоматически отключавшееся электрооборудование или линии электропередачи
1.3. Включаются резервные электрооборудование или лини электропередачи и осуществляется резервное электроснабжение взамен отключившегося оборудования или линий.
1.4. Осуществляются быстрые воздействия на изменение мощности электростанций, отключение части нагрузки потребителей и другие управляющие воздействия в целях сохранения устойчивости и предотвращения опасных отклонений режимов от нормальных (по мощности, частоте, напряжению, возникновению их колебаний).
1.5. Делится на части электрическая сеть энергосистемы (ОЭС) при возникновении асинхронного режима и в некоторых случаях при появлении условий, угрожающих нарушением устойчивости.
1.6. Производится отделение электростанции с примерно сбалансированной нагрузкой района или частичное выделение ее генерирующей мощности для сохранения собственных нужд при угрозе возникновения лавин частоты и напряжения и недостаточной эффективности действия АЧР в энергосистеме.
2. Устройство РЗА - это совокупность элементов (аппаратов, реле, цепей и др.), установленных на одном энергетическом объекте и предназначенных для решения конкретной задачи РЗА (дополнительно по устройствам противоаварийной автоматики см. приложение 2).
2.1. Учету и оценке подлежат устройства РЗА, установленные на оборудовании и линиях напряжением 6 кВ и выше, в том числе и выполненные с реле прямого действия, в форме механических АПВ и АВР и т.п.
2.2. Устройство может являться самостоятельной единицей учета, если оно содержит сигнальный элемент, по которому можно судить о его срабатывании.
Примечание. Исключение могут составлять устройства АПВ и АВР, работа которых оценивается по счетчику работы выключателя.
3. К РЗА, помимо соответствующей аппаратуры (независимо от принципов ее использования), относятся: переключающие устройства (накладки, ключи и т.п.), испытательные блоки, ряды зажимов, цепи питания оперативным током с предохранителями (автоматами), конденсаторы для питания оперативных цепей с их зарядными устройствами, вторичные цепи измерительных трансформаторов тока и напряжения или заменявших их устройств, электромагниты управления воздушными выключателями, короткозамыкателями, отделителями, электромагниты отключения и промежуточные контакторы включения масляных выключателей, вспомогательные трансформаторы и автотрансформаторы тока и напряжения, трансреакторы, проводки и контрольные кабели, соединяющие все перечисленное выше, соединительные провода продольных дифференциальных защит линий и устройств передачи импульсов РЗА с объекта на объект, ВЧ аппаратуру каналов РЗА (элементы настройки заградителей, фильтры присоединений, ВЧ кабель, разделительные фильтры, приемопередатчик и др.), а также другие вспомогательные элементы, относящиеся к РЗА.
4. Перечисленные в п. 3 вспомогательные элементы РВА не подлежат самостоятельному учету наличия и действия. Вспомогательные элементы, явившиеся причиной неправильного действия устройства РЗА. в целом, должны конкретно указываться в описании неправильных срабатываний (отказов), включаемом в отчет по РЗА.
5. Учет наличия ведется по отдельным устройствам РЗА. Оценка работы производится с отнесением того или иного действия на соответствующее устройство РЗА.
Исключение составляют случаи неправильных действий, непосредственно связанные с выходными цепями, на которые могут воздействовать два и более устройств РЗА. В таких случаях неправильное действие относится на выходные цепи, хотя для последних не ведется ни учет наличия, ни учет правильной работы.
6. Отдельно полежит оценке работы наиболее важные сигнальные устройства, как, например, сигнальные элементы газовой защиты трансформаторов, автотрансформаторов и реакторов, сигнальные элементы устройства КИВ-500, селективной защиты от замыканий на землю, действующей на сигнал (но не контроль исправности цепей трансформаторов напряжения, не контроль изоляции и другие подобные устройства). В общий подсчет и в показатели работы (в годовые формы) сигнальные устройства не включаются.
7. Для комплектов (панелей) РЗА учет наличия и оценка работы должны даваться по входящим в них практически самостоятельным, но различным по назначению частям. Например, в комбинированных панелях ЭПЗ-1636 или ШДЭ-2801 учитываются: комплект ступенчатой дистанционной защиты, комплект ступенчатой направленной токовой защиты от замыканий на землю, устройство междуфазовой токовой отсечки (всего три единицы учета); в комбинированной панели АПВ-503 - устройство ОАПВ, два устройства ТАПВ (три единицы учета). Защиты НДЗ, ДФЗ, ДЗЛ и другие двусторонние (многосторонние) защиты учитываются попанельно, т.е. каждое устройство (полукомплект) учитывается отдельно той же энергосистемой, которой оно принадлежит и которая его эксплуатирует.
8. Дифференциальная защита шин с фиксированным распределением элементов (при двух рабочих системах шин) представляет одну единицу учета. АПВ первой и второй систем шин учитываются порознь (две единицы учета). При этом на линии, осуществляющей АПВ шин, устройство АПВ условно учитывается дважды: как АПВ линии и как АПВ шин.
9. Для противоаварийной автоматики статистический учет ведется энергосистемами по отдельным устройствам ПА, эксплуатируемым данной энергосистемой, независимо от того, входят эти устройства в состав функциональных (нелокальных) автоматик или являются самостоятельными локальными автоматиками. В качестве единиц статистического учета принимаются устройства ПА и локальные автоматики согласно приложению 2. При этом должно выполняться требование п. 2.2 приложения 1.
Одновременно в отчетах территориальных ОДУ и ЦДУ ЕЭС СССР должна даваться оценка работы функциональных (нелокальный) автоматик, в том числе в составе комплексов ПА (см. приложение 2).
10. Для управляющих ЭВМ, входящих в комплексы противоаварийной автоматики в качестве программируемых устройств АДВ, должен вестись отдельный учет работы. Форма отчетности определяется территориальным ОДУ и ЦДУ ЕЭС СССР, исходя из особенностей их выполнения и обслуживания.
11. Оценка работы устройств непрерывного действия, в том числе регуляторов, действующих не по появлению требования срабатывания, а непрерывно, производится только в целом за отчетный период. В годовых отчетах (в пояснительной записке) должны характеризоваться случаи отказов их работы и указываться общее число часов использования за год.
12. Перечень по приложению 1 не исключает необходимости вести примерный количественный учет всех технических средств, эксплуатируемых службой РЗА (электролабораторией), и ежегодно уточнять его (включая устройства, учет которых не предусмотрен настоящей Инструкцией, в том числе на линиях и оборудовании напряжением ниже 6 кВ), поскольку такой учет служит характеристикой загрузки релейного персонала.
1 Устройство ПА и локальной автоматики - совокупность элементов (аппаратов, реле, панелей и др.), установленных на одном энергетическом объекте и предназначенных:
устройство ПА - для участия в решении задач противоаварийного управления (ПАУ) совместно с другими устройствами, является составной частью функциональной (нелокальной) автоматики, в том числе в составе комплекса ПА. Относится, как правило, к системе автоматического предотвращения нарушения устойчивости (АПНУ);
локальная автоматика - для самостоятельного решения (исполнения) одной конкретной задачи ПАУ.
Термин «устройство ПА» может применяться и для локальной автоматики.
Если автоматика, помимо действия в месте ее установки, осуществляет телеотключение линии с противоположной стороны, то она также относится к категории «локальная автоматика».
Примеры
Устройства ПА: устройства фиксации отключения линий, трансформаторов, блоков (ФОЛ, ФОТ, ФОБ); передатчики устройств телеотключения с их пусковыми цепями (прд ВЧТО, АНКА-АВПА); приемники устройств телеотключения с их выходными цепями (прм ВЧТО, АНКА-АВПА); устройства фиксации перегрузки по мощности (ФПМ); устройства контроля предшествующего режима (КПР); устройства автоматической дозировка воздействий (АДВ); устройства автоматического запоминания дозировки (АЗД); исполнительные устройства разгрузки турбины, отключения генераторов, нагрузки (ИУ РТ, ИУ ОГ, ИУ ОН) и т.п.
Примечания: 1. Передатчики и приемники аппаратуры телеотключения учитываются порознь, т.е.: передатчик ВЧТО и приемник ВЧТО - две единицы учета; передатчик АНКА-АВПА и приемник АНКА-АВПА - две единицы учета (аппаратура АНКА и АВПА учитывается совместно как один аппарат). Для этих устройств используется также термин: устройство передачи аварийных сигналов и команд (ПАСК).
2. Если аппаратура ВЧТО используется одновременно для релейной защиты и противоаварийной автоматики, то она подлежит учету только один раз в составе того или другого (то же для аппаратуры АНКА-АВПА).
3. Исполнительные устройства ИУ РТ, ИУ ОГ, ИУ ОН могут включать в себя отдельные устройства, не являющиеся самостоятельными единицами статистического учета (например, устройство выбора отключаемых генераторов и др.).
4. Следует иметь в виду, что отдельные статистически учитываемые устройства могут отсутствовать (например, ИУ ОН) или иметь иное наименование в оперативной диспетчерской документации.
Локальная автоматика: автоматика ликвидации асинхронного режима (АЛАР); автоматика ограничения повышения или снижения напряжения (АОП или АОСН); автоматика ограничения повышения частоты (АОПЧ); автоматика разгрузки линии (АРЛ) и т.п.
2. Функциональная (нелокальная) автоматика - совокупность устройств ПА, установленных на разных (многих) энергетических объектах и связанных между собой технологически и функционально для решения (исполнения) одной конкретной задачи ПАУ.
Автоматика разгрузки при отключении линии (АРОЛ) со следующей структурой:
устройства фиксации отключения линии (ФОЛ) - тракт телепередачи пусковой команды (прд АНКА-АВПА, прм АНКА-АВПА) - устройство автоматической дозировки управляющих воздействий (АДВ) - тракт телепередачи исполнительной команды (прд АНКА-АВПА, прм АНКА-АВПА) - исполнительное устройство отключения генераторов (ИУ ОГ);
автоматика разгрузки при перегрузке по мощности линии (АРПМ) со следующей структурой: устройство фиксации перегрузки по мощности (ФПМ) - тракт телепередачи команды (прд. АНКА-АВПА, прм АНКА-АВПА) - исполнительное устройство отключения нагрузки (ИУ ОН).
Эти функциональные (нелокальные) автоматики входят в систему АПНУ, могут охватывать несколько энергосистем, выходить за пределы ОЭС.
3. Комплекс ПА - совокупность функциональных (нелокальных) автоматик, связанных между собой технологически, использующих частично одни и те же устройства ПА. Задачей комплекса ПА является, как правило, автоматическое предотвращение нарушения устойчивости в пределах района противоаварийного управления. Каждая автоматика в составе комплекса ПА решает задачу ПАУ при одном конкретном аварийном возмущении: отключение линии, разрыв транзита, возникновение небалансов мощности в узлах нагрузок и др. Отличительной особенностью комплекса ПА является наличие центрального управляющего органа (релейного или на базе вычислительной техники), который осуществляет дозировку управляющих воздействий при возникновении того или иного аварийного возмущения. В пределах комплекса ПА может предусматриваться автоматика разгрузки узла (АРУ) со своим дозирующим устройством, решающая задачу АПНУ данного узла (именуется также «узловой комплекс ПА»).
4. Статистический учет наличия и оценка работы устройств ПА и локальных автоматик ведется энергосистемами с подразделением этих устройств и автоматик по системам ПА: автоматическое предотвращение нарушения устойчивости (АПНУ), автоматическая ликвидация асинхронного режима (АЛАР), автоматическое ограничение повышения частоты (АОПЧ), автоматическое ограничение повышения напряжения (АОПН), автоматическое ограничение снижения напряжения (АОСН), автоматическая разгрузка оборудования (АРО) и прочие (форма № 18-энерго, раздел IV «Противоаварийная автоматика»).
Эти же устройства ПА и локальные автоматики, подведомственные территориальным ОДУ и ЦДУ ЕЭС СССР, включаются ими в свои отчеты.
Для функциональных (нелокальных) автоматик, в том числе в составе комплексов ПА, статистический учет (по годовым формам) не ведется, а ведется учет и дается оценка работы на уровне энергосистемы, территориального ОДУ и ЦДУ ЕЭС СССР. Указанные сведения высылаются вышестоящей службе РЗА по установленной ею форме.
Учет противоаварийной автоматики (как статистический, так и нестатистический) ведется в полном соответствии с положениями настоящей Инструкции (системы оценок, показатели работы, классификация неправильной работы и др.).
|
Поясняющая схема |
События и работа устройств РЗА |
Оценка работы устройств релейной защиты и электроавтоматики |
Примечания и пояснения |
||
|
|
Основные |
Сопровождающие и последующие |
|||
|
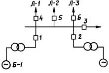
1 |
|
При КЗ на линии, отходящей от ПС «Б», защита отключила выключатель 4 |
АПВ включило выключатель 4 - успешно |
1. Защита на выключателе 4 - «правильно». 2. АПВ на выключателе 4 - «правильно» (успешно) |
При появлении требования срабатывания (возникновение КЗ) защита произвела отключение с заданным временем. Защита 3 выполнена направленной (от шин), и для нее не было требования срабатывания. Защита 2 запускалась, но не сработала из-за наличия ступени выдержки времени (оценке не подлежит). Здесь и далее условно дано общее понятие - «защита». Фактически следует указывать конкретно тип защит, которым дается оценка работы |
|
2 |
Та же, что в примере № 1 |
Защита на ПС «Б» сработала так же, как в примере № 1, но выключатель 4 не отключился |
Защита на ПС «А» отключила выключатель 2 (дальнее резервирование) АПВ на выключателе 2 выведено для профилактического контроля. Последующей проверкой выявлена механическая неисправность выключателя 4 |
1. Защита на выключателе 4 - «правильно». 2. Защита на выключателе 2 - «правильно» |
Предполагается, что на ПС «Б» отсутствует УРОВ выключателя 4. Если отключение выключателя 2 приводит к негативным последствиям (например, при наличии отпаечной подстанции на линии между ПС «А» и ПС «Б»), то может ставиться вопрос о необходимости выполнения УРОВ выключателя 4. Общая оценка, если она дается, может быть в этом случае «неправильно». Если бы отказ выключателя 4 был вызван неисправностью цепей управления, то в гр. 5 следовало дополнительно указать - Выходные цепи выключателя 4 - «неправильно» (отказ). Если бы не отключение выключателя 4 было вызвано отказом защиты 4, то в гр. 5 оценка защиты 4 - «неправильно» (отказ) |
|
3 |
Та же, что в примере № 1 |
Защита на ПС «Б» отключила выключатель 4 |
Трехфазное двукратное АПВ включило выключатель, но он снова отключился защитой. Произошел второй цикл АПВ, но также неуспешно |
1. Защита 4 - «правильно» (три раза). 2. Двукратное АПВ «правильно» (не успешно) |
Неуспешная работа АПВ после первого и второго циклов учитывается как один случай работы двукратного АПВ (т. е. неуспешное АПВ в первом цикле статистически не учитывается). Если бы имел место отказ включения во втором цикле после неуспешного АПВ в первом цикле, то общая оценка работы двухкратного АПВ была бы «неправильно» (отказ). |
|
4 |
Та же, что в примере № 1 |
Защита на ПС «А» отключила выключатель 2 |
АПВ включило выключатель 2, после чего отключился выключатель 4 |
1. Защита 2 - «правильно». 2. АПВ выключателя 2 - «правильно» (успешно) 3. Защита 4 - «правильно» |
Настройка защиты 2 выполнена по принципу «ускорение до АПВ». После АПВ выключателя 2 автоматически выводится ускорение защиты 2 и тем самым обеспечивается ее селективность относительно защиты 4 |
|
5 |
|
Защита на ПС «А» отключила выключатель 2. Защита на выключателе 4 ПС «Б» не действовала |
АПВ включило на ПС «А» выключатель 2, но он отключился вторично. Делительная автоматика отключила на ПС «А» выключатель 5, он включился от АПВ. Последующей проверкой выявлена неисправность защиты 4 |
1. Защита 4 - «неправильно» (отказ). 2. Защита 2 - «правильно» (два раза). 3. АПВ выключателя 2 - «правильно» (неуспешно). 4. Делительная автоматика на выключателе 5 - «правильно». 5. АПВ выключателя 5 - «неправильно» (излишне) |
Защита 2 действовала в качестве резервной (дальнее резервирование) из-за отказа защиты 4. Делительная автоматика на выключателе 5 действует при отключении выключателя 2 (после неуспешного АПВ). Предусмотрен запрет АПВ выключателя 5 при его отключении от делительной автоматики. Однако цепь запрета АПВ ошибочно не была включена |
|
6 |
|
Дифференциально-фазная ВЧ защита линии (ДФЗ) отключила выключатель 3 на ПС «Б» при внешнем КЗ |
Последующая проверка выявила отсутствие оперативного тока на полукомплекте ДФЗ на выключателе 2 ПС «А» |
1. ДФЗ на выключателе 2 на ПС «А» - «неправильно» (отказ). 2. ДФЗ на выключателе 3 на ПС «Б» - «допущенное неправильное срабатывание» |
Оценка «отказ» полукомплекту 2 дается условно (фактически имел место отказ пуска защиты, а не ее срабатывания Полукомплект 3 сработал, исходя из принципа действия защиты (см. п. 5.11), в Инструкции). Если бы вместо ДФЗ на линии была защита с ВЧ блокировкой, все оценки были бы теми же |
|
7 |
|
Защита выключателя 8 подействовала на его отключение и одновременно дифференциальная защита шин отключила выключатели 6, 7, 9, 10 и 11 |
- |
1. Защита на выключателе 8 - «правильно». 2. Дифференциальная защита шин - «неправильно» (излишне) |
Защита на выключателе 8 сработала в соответствии с возникшим требованием. Дифференциальная защита шин подействовала неправильно при внешнем КЗ, так как трансформаторы тока выключателя 8 ошибочно не были включены в токовые цепи дифференциальной защиты |
|
8 |
|
Дистанционные защиты отключили выключатели 4 и 5 |
Выключатель 4 включился от АПВ и вновь отключился защитой. При этом дистанционная защита отключила выключатель 8 |
1. Защита на выключателе 4 - «правильно» (два раза). 2. Защита на выкл-ле 5 - «правильно» 3. АПВ на выключателе 4 - «правильно» (неуспешно). 4. Защита на выключателе 8 - «допущенное неправильное срабатывание» |
Защиты на выключателях 4 и 5 и АПВ (с контролем отсутствия напряжения на линии) выключателя 4 действовали с заданными параметрами. АПВ на выключателе 5 - с контролем синхронизма. После отключений выключателя 4 оно не могло действовать и не оценивается. Защита на выключателе 8 исправна и подействовала в соответствии с заданными параметрами из-за возникших качаний по ВЛ ПС «А» - ПС «Г» при повторном запуске блокировки и качаниях вследствие коммутаций в сети (включение от АПВ и вторичное отключение выключателя 4) |
|
9 |
|
При обрыве провода с односторонним замыканием на землю одной из параллельных линий отключились выключатели 3 (поврежденная) и 2 (неповрежденная линия) действием поперечной дифференциальной токовой направленной защиты |
Действие АПВ не рассматривается |
1. Защита 3-4 на ПС «Б» - «правильно». 2. Защита 1-2 на ПС «А» - «допущенное неправильное срабатывание» |
Описанное поведение поперечной дифференциальной токовой направленной защиты общеизвестно, является ее органическим дефектом. Если было принято решение о замене защиты и это решение не выполнено в установленный срок, то классификация для защиты 1-2 будет иной, например «неправильно» (излишне), по вине персонала служб РЗА, не обеспечившего замену защиты |
|
10 |
|
При выводе в ремонт выключателя 4 и отсоединении токовых цепей Л-1 сработала защита ДФЗ и отключила выключатель 3 |
Действие АПВ не рассматривается |
Защита ДФЗ (действие на отключение выключателя 3) - «неправильно» (ложно) |
Нарушено требование директивного указания о необходимости вывода защиты ДФЗ перед операциями в токовых цепях |
|
11 |
|
Дифференциальная и газовая защиты отключили блок Б-1 |
От УРОВ отключились выключатели 2, 3, 4, 5 и 6 |
1. Дифференциальная защита блока Б-1 - «правильно». 2. Газовая защита трансформатора блока Б-1 - «правильно». 3. УРОВ - «неправильно» (излишне) |
Защиты блока Б-1 сработали при повреждении блочного трансформатора. Срабатывание УРОВ вызвано неисправностью (не возвратом) реле контроля тока (РТ-40/Р). Если излишнее действие УРОВ вызвано неустановкой второго реле РТ-40/Р, как того требуют директивные указания, то классификация - «по причинам, зависящим от службы РЗА» |
|
12 |
Та же, что в примере № 11, линия Л-1 отключена в ремонт |
Действием УРОВ отключились выключатели 1, 2, 3, 5, 6 |
- |
УРОВ - «неправильно» (ложно) |
На защитах Л-1 проводились работы, при этом ошибочно не был выведен пуск УРОВ |
|
13 |
Та же, что в примере № 11 |
При КЗ на Л-1 защита сработала, но выключатель 4 не отключился |
Действием УРОВ отключились выключатели 1, 2, 3, 5, 6 |
1. Защита Л-1 - «правильно». 2. УРОВ - «правильно» |
Защита Л-1 и УРОВ работали в соответствии с заданными параметрами. Выключатель 4 не отключился. Здесь возможны следующие варианты: 1. Отказ выключателя вызван его механической неисправностью или неисправностью воздушной системы, т.е. причина отказа не имеет отношения к устройствам РЗА и вторичным цепям. В этом случае, если вносится общая оценка ликвидации аварии или нарушения нормального режима работы средствами РЗА и ПА, то она будет «правильно». 2. Отказ выключателя вызван неисправностью в цепях управления. В этом случае в гр. 5 дополнительно должно быть указано: выходные цепи - «неправильно» (отказ). Общая оценка в этом случае будет «неправильно». 3. Такой же подход к оценке должен быть и в том случае, если выключатель затянул процесс отключения КЗ и хватило времени для срабатывания УРОВ |
|
14 |
|
При КЗ на одной из параллельных линий междуфазовая токовая отсечка отключила выключатель 2. Поперечная дифференциальная токовая направленная защита отключила выключатель I (после отключения выключателя 2) |
- |
1. Междуфазовая токовая отсечка 2 - «правильно». 2. Поперечная дифференциальная защита 1-3 - «правильно» |
Поперечная дифференциальная защита 1-3 сработала после отключения выключателя 2 (КЗ в зоне каскадного действия защиты 1-3)
|
|
15 |
КЗ на ВЛ 3-4 произошло через 2 с после КЗ на ВЛ1-2 |
Дистанционные защиты отключили выключатели 1 и 2. Токовые направленные защиты от замыканий на землю отключили выключатели 3 и 6 (та же защита на выключателе 4 выведена для проверки) |
Работа АПВ не рассматривается |
1. Дистанционные защиты 1 и 2 - «правильно» (каждая) 2. Токовые направленные защиты от замыканий на землю 3 и 6 - «правильно» (каждая) |
Дистанционные защиты 1 и 2 сработали с заданными параметрами. При возникновении двухфазного КЗ на землю на ВЛ 3-4 дистанционные защиты 3 и 4 (I и II ступеней) заблокированы блокировкой при качаниях, их работа не оценивается. Токовые направленные защиты от замыканий на землю 3 и 6 сработали с заданными параметрами, причем защита 6 осуществила дальнее резервирование |
|
16 |
|
При возникновении КЗ на ВЛ 1-2 защита ДФЗ отключила выключатель I, дистанционная защита отключила выключатель 2 |
АПВ с контролем отсутствия напряжения на линии включило выключатель 2 -неуспешно (устойчивое КЗ). Последующей проверкой выявлена неисправность защиты (полукомплекта) ДФЗ на выключателе 2 |
1. Защита ДФЗ на выключателе 1 – «правильно». 2. Дистанционная защита на выключателе 2 - «правильно» (два раза). 3. АНВ ВЛ 1-2 на выключателе 2 - «правильно» (неуспешно). 4. Защита ДФЗ на выключателе 2 - «неправильно» (отказ) |
АПВ на выключателе I выполнено с контролем синхронизма. После отключения выключателя 2 оно не могло действовать и не оценивается. Защита ДФЗ на выключателе 2 фактически отказала дважды (до и после АПВ), но учитывается один отказ, поскольку отказы повторялись в пределах одних суток. Если выносится общая оценка, то она будет «правильно с замечанием» («правильно» отражает отключение КЗ ближайшими выключателями, «замечание» - отказ ДФЗ на выключателе 2). Возможны случаи, когда задержка в отключении линии со стороны ПС «Б» (из-за отказа ДФЗ) приводит к негативным последствиям (например, к расстройству работы ответственных потребителей). Тогда общая оценка может быть вынесена «неправильно» и должен ставиться вопрос, например, о выполнении телеускорения резервных защит |
|
17 |
Та же, что в примере № 16 |
При однофазном КЗ на линии сработала защита ДФЗ через схему ОАПВ на отключение одной фазы на выключателе I и трех фаз на выключателе 2 |
Защита ДФЗ на выключателе I доотключила две «здоровые» фазы. ТАПВ произвело успешное трехфазное включение выключателей 1 и 2. Последующей проверки выявлена неисправность ОАПВ выключателя 2 (не блокировалась цепь трехфазного отключения) |
1. Защита ДФЗ на выключателе 1 - «правильно». 2. Защита ДФЗ на выключателе 2 - «правильно». 3. ОАПВ на выключателе 2 - «неправильно» (излишне). 4. Защита ДФЗ на выключателе 1 - «допущенное неправильное срабатывание» (доотключение двух «здоровых» фаз). 5. ТАПВ выключателя 1 - «правильно» (успешно). 6. ТАПВ выключателя 2 - «правильно» (успешно) |
Действие (правильное) ОАПВ на выключателе I на отключение одной фазы - не оценивается (схема ОАПВ осуществляет выбор поврежденной фазы, служит как бы выходными цепями защиты). Отключение трех фаз при однофазном КЗ является излишним, работа ОАПВ при этом оценивается «неправильно» (излишне). После излишнего трехфазного отключения выключателя 2 произошел останов ВЧ передатчика защиты ДФЗ на этом выключателе, что вызвало повторное срабатывание защита ДФЗ на выключателе 1 (при уже отключенном КЗ) на отключение двух «здоровых» фаз («допущенное неправильное срабатывание»). ТАПВ выключателей 1 и 2 оказалось успешным (неустойчивое КЗ) |
|
18 |
Та же, что в примере № 16 |
Междуфазовое КЗ на линии, возникшее вблизи ПС «А», ликвидировано действием первой ступени дистанционной защиты (ДЗ) и вторых ступеней ДЗ, телеускоренных по ВЧТО (ДЗ с ТУ) |
Действие АПВ не рассматривается. Принимается, что ДФЗ отсутствует |
1. ДЗ (I ступень) на выключателе 1 - «правильно». 2. ДЗ (II ступень с ТУ) на выключателе 1 - «правильно»; 3. Передатчик (прд) ВЧТО со стороны ПС «А» - «правильно» 4. Приемник (прм) ВЧТО со стороны ПС «А» - «правильно» 5. При ВЧТО со стороны ПС «Б» - «правильно» 6. Прм ВЧТО со стороны ПС «Б» - «правильно» 7. ДЗ (II ступень с ТУ; на выключателе 2 - «правильно» |
Если при отключении данной линии осуществляется пуск и передача команд противоаварийной автоматики с использованием тех же передатчиков и приемников ВЧТО, что и для телеускорения резервных защит, работа прд и прм учитывается один раз независимо от числа передаваемых команд |
|
19 |
Та же, что в примере № 16, но КЗ на шинах ПС «А» |
При междуфазовом КЗ на шинах ПС «А» сработала дифференциальная защита шин (ДЗШ) и произвела необходимые отключения, но выключатель 1 линии ПС «А» - ПС «Б» отказал из-за механической неисправности привода |
Сработал УРОВ линии и подействовал на останов ВЧ передатчика защиты ДФЗ линии, а также осуществил пуск команды на телеотключение (ТО) линии со стороны ПС «Б» с запретом ТАПВ |
1. ДЗШ - «правильно». 2. УРОВ - «правильно» 3. ДФЗ со стороны ПС «Б» и ПС «А» - «правильно». 4. Прд. ВЧТО со стороны ПС «А» - «правильно». 5. Прм. ВЧТО со стороны ПС «Б» - «правильно» |
Работа защиты ДФЗ учитывается с обеих сторон линии (вызвана остановом ВЧ передатчика ДФЗ со стороны ПС «А»). В случае неисправности в цепях управления выключателя 1 со стороны ПС «А» в гр. 5 дополнительно должно быть указано: выходные цепи - «неправильно» (отказ) |
|
20 |
|
При однофазном КЗ на линии ПС «Б» - ПС «В» отключились выключатели 3, 4 и 1 действием токовой направленной защиты от замыканий на землю (ТНЗЗ) |
Последующей проверкой выявлена неисправность первой ступени ТНЗЗ на выключателе 3. Действие АПВ не рассматривается |
1. ТНЗЗ (I ступень) на выключателе 3 - «неправильно» (отказ). 2. ТНЗЗ (II ступень) на выключателе 3 -«правильно». 3. ТНЗЗ (II ступень) на выключателе 1 - «правильно» (дальнее резервирование) |
Отказ первой ступени ТНЗЗ на выключателе 3 вызвал срабатывание второй ступени ТНЗЗ на выключателе 1 (время срабатывания вторых ступеней ТНЗЗ на выключателях 3 и 1 одинаковое) |
Примечание. В таблице принято сокращение ПС - подстанция.
|
Поясняющая схема |
События и работа РЗА |
Статистическая оценка работы ПА (разд. IV формы № 18-энерго) |
Примечания и пояснения |
||
|
Основные |
Сопровождающие и последующие |
||||
|
1 |
Рисунок |
При КЗ на Л-3 защита отключила эту линию. АПВ включило Л-3, но неуспешно. Линия отключилась повторно |
По параллельной связи между ГЭС-1 и ОЭС-1 (на схеме показана пунктиром) возник асинхронный режим (АР), ликвидированный устройством АЛАР. Последующей проверкой установлено, что причиной АР явился отказ автоматики разгрузки при отключении линии Л-3 (АРОЛ Л-3) в составе комплекса ПА: не прошел пусковой сигнал из-за неисправности приемника устройства передачи аварийных сигналов и команд (ПАСК) типа ВЧТО линии Л-2 на ПС № 3 |
1. Устройство фиксации отключения линии (ФОЛ) Л-3 на ПС № 1 и прд ВЧТО Л-3 на ПС № 1 - «правильно» (каждое). Учитывается энергосистемой № 1. 2. Устройство ФОЛ Л-3 на ПС № 2, прм ВЧТО Л-3 на ПС № 2, под ВЧТО Л-2 на ПС № 2 - «правильно» (каждое). Учитывается энергосистемой № 2 3. Прм ВЧТО Л-2 на ПС № 3 - «неправильно» (отказ), учитывается энергосистемой № 3 4. АЛАР параллельной связи - «правильно», учитывается энергосистемой № 3 |
1. Оценка работы устройств защиты и АПВ здесь и далее не приводится. 2. Оценка работы автоматики АРОЛ Л-3 в составе комплекса ПА - «неправильно» (отказ), выносится ЦДУ ЕЭС СССР или территориальным ОДУ (нестатистический учет). 3. Общая оценка ликвидации нарушения нормального режима работы (при необходимости ее вынесения) - «неправильно» |
|
2 |
Рисунок |
То же, что в примере № 1 |
Автоматика АРОЛ Л-3 (в составе комплекса ПА), исходя из предшествующего режима и принятой дозировки, произвела отключение генерирующей мощности (ОГ) на ГЭС-1. Передача по параллельной связи сохранилась |
Пункты 1 и 2 те же, что в примере № 1. 3. Прм ВЧТО Л-2 на ПС № 3, прд ВЧТО Л-1 на ПС № 3, прм ВЧТО Л-1 на КЭС-1 - «правильно» (каждый). 4. Устройства АДВ и АЗД на ГЭС-1 - «правильно» (каждое). 5. Исполнительное устройство отключения генераторов ГЭС-1 (ИУ ОГ) - «правильно». Действия по пп. 3, 4, 5 учитываются энергосистемой № 3 |
1. Оценка работы автоматики АРОЛ Л-3 в составе комплекса ПА - «правильно». 2. Общая оценка ликвидации нарушения нормального режима работы - «правильно» |
|
3 |
Рисунок |
То же, что в примере № 1 |
Действие АРОЛ Л-3 то же, что в примере № 2. Однако по параллельной связи возник АР, ликвидированный устройством АЛАР. Последующей проверкой установлено, что объем разгрузки (ОГ) ГЭС-1 оказался заниженным из-за неисправности (сбоя) АДВ (неправильная дозировка) |
Пункты 1 и 2 те же, что в примере № 1. Пункт 3 тот же, что в примере № 2. 4. Устройство АДВ на ГЭС-1 - «неправильно» (отказ). 5. Устройство АЗД на ГЭС-1 «правильно». 6. ИУ ОГ ГЭС-1 - «правильно». 7. АЛАР параллельной связи «правильно» |
1. Оценка работы автоматики АРОЛ Л-3 в составе комплекса ПА - «неправильно» (отказ). (Недоразгрузка условно оценивается как отказ, избыточная разгрузка - «излишне»). 2. Общая оценка ликвидации нарушения нормального режима работы - «неправильно». Если бы, несмотря на заниженный объем разгрузки, устойчивость по параллельной связи сохранилась, общая оценка была бы «правильно с замечанием». 3. Заниженная дозировка разгрузки (ОГ) ГЭС-1 могла иметь место по разным причинам, например: ошибка в схеме релейного устройства АДВ; сбой ЭВМ, на базе которой выполнено программируемое устройство АДВ; неисправность устройства телемеханики (УТМ); неправильно рассчитанная и заданная дозировка разгрузки. Соответственно той или иной причине устанавливается классификационная группа по условной виновности (разд. 5 Инструкции) |
|
4 |
Рисунок |
Устройство ФОЛ Л-3 на ПС № 2 ложно сформировало команду об отключении линии |
Исходя из предшествующего режима, действие ПА не требовалось, устройства АДВ и АЗД управляющих воздействий не сформировали. Последующая проверка выявила неисправность ФОЛ |
1. Устройство ФОЛ Л-3 на ПС № 2 - «неправильно» (ложно). 2. Устройства передачи аварийных сигналов и команд (передатчики и приемники) на линиях Л-2, Л-1 – «правильно» (каждое из четырех устройств). Учет энергосистемами по принадлежности |
Оценка работы автоматики в составе комплекса ПА и общая оценка не производятся |
|
5 |
Рисунок |
То же, что в примере № 4 |
Исходя из предшествующего режима устройства АДВ и АЗД сформировали управляющее воздействие (по факту срабатывания АРОЛ-3) на отключение нагрузки (ОН) на ПС № 4 |
1. Устройство ФОЛ Л-3 на ПС № 2 - «неправильно» (ложно). 2. Устройства передачи аварийных сигналов и команд (передатчики и приемники) на линиях Л-2, Л-1, Л-4 -»правильно» (каждое из шести устройств). 3. Устройства АДВ и АЗД на ГЭС-1 - «правильно» (каждое). 4. Исполнительное устройство отключения нагрузки (ИУ ОН) на ПС № 4 - «допущенное неправильное срабатывание» |
1. Оценка работы автоматики АРОЛ в составе комплекса ПА - «неправильно» (ложно). 2. Общая оценка не производится |
|
6 |
Рисунок |
То же, что в примере № 1 |
Автоматика АРОЛ Л-3, исходя из предшествующего режима и принятой дозировка, произвела ОГ на ГЭС-1и ГРЭС-2. Передача по параллельной связи сохранилась. Однако на ГРЭС-2 вместо предусмотренного для данного режима отключения одного блока отключились два блока. Последующей проверкой выявлена неисправность исполнительного устройства ИУ ОГ ГРЭС-2 |
Пункта 1 и 2 те же, что в примере № 1. Пункты 3, 4 и 5 те же, что в примере № 2. 6. Прд ВЧТО Л-5 на ГЭС-1, прм ВЧТО Л-5 на ГРЭС-2 - «правильно» (каждый). 7. Исполнительное устройство ОГ на ГРЭС-2 - «неправильно» (излишне). |
1. Оценка работы автоматики АРОЛ Л-3 в составе комплекса ПА - «неправильно» (излишне), 2. Общая оценка - «неправильно». Несмотря на то, что действием ПА предотвращено нарушение устойчивости и сохранена передача по параллельной связи, оценка дается «неправильно», что обусловлено ущербом, связанным с избыточной дозой ОГ или ОН |
|
7 |
Рисунок |
То же, что в примере № 1 |
Автоматика АРОЛ Л-3, исходя из предшествующего режима и принятой дозировки, должна была осуществить ОН на ПС № 4 и ПС № 5. Фактически реализовано ОН только на ПС № 4. Передача по параллельной связи сохранилась. Последующей проверкой выявлена неисправность приемника ВЧТО линии Л-6 на ПС № 5 |
Пункты 1 и 2 те же, что в примере № 1. Пункты 3 и 4 те же, что в примере № 2. 5.Прд ВЧТО Л-4 на ГЭС-1, прм ВЧТО Л-4 на ПС № 4, прд ВЧТО Л-6 на ПС № 4 - «правильно» (каждый). 6. Исполнительное устройство ИУ ОН на ПС № 4 - «правильно». 7. Прм ВЧТО Л-6 на ПС № 5 - «неправильно» (отказ). Учитывается энергосистемой № 4 |
1. Оценка работы автоматики АРОЛ Л-3 в составе комплекса ПА - «неправильно» (отказ). 2. Общая оценка - «правильно с замечанием». Несмотря на отключение нагрузки меньшей дозой, устойчивость не нарушилась, параллельная связь осталась в работе. Это может быть обусловлено пределом точности или ошибкой в выборе дозировки или большим по сравнению с расчетным фактическим объемом реализовавшегося ОН на ПС № 4. Оценка «правильно с замечанием» отражает то, что, предотвращение нарушения устойчивости достигнуто без превышения объема управляющих воздействий, но с замечанием по работе отдельных устройств ПА, в данном случае - отказ прм ВЧТО Л-6 на ПС № 5. Принятая дозировка ОН должна быть дополнительно проверена в связи с данным случаем |
|
8 |
Рисунок, но с оперативным изменением: параллельная связь, показанная пунктиром, отключена в ремонт |
При возникновении дефицита мощности в ОЭС-1 произошел наброс мощности на транзит, в том числе на линию Л-2 |
На ПС № 3 сработала автоматика разгрузки при перегрузке по мощности (АРПМ) с действием на ОГ ГЭС-1, благодаря чему нарушения устойчивости не было, транзит остался в работе |
1. Автоматика АРПМ на ПС № 3 - «правильно». 2. Прд ВЧТО Л-1 на ПС № 3, прм ВЧТО Л-1 на ГЭС-1 - «правильно» (каждый). 3. Исполнительное устройство ИУ ОГ на ГЗС-1 «правильно» |
1, Оценка работы автоматики АРПМ - «правильно». 2. Общая оценка - «правильно». Автоматика АРПМ является нелокальной, срабатывание пускодозирующего органа АРПМ на ПС № 3 вызывает передачу команды на ГЭС-1 на ОГ одной заранее предусмотренной дозой. Примечание. Пускодозирующий орган автоматики АРПМ на ПС № 3 допускается называть «автоматика АРПМ» |
|
9 |
- |
При отключении линии сформирована пусковая команда, передача которой осуществляется по двум ВЧ трактам |
Автоматикой реализовано управляющее воздействие, исходя из предшествующего режима и принятой дозировки. Однако, как выяснилось, пусковая команда прошла по одному ВЧ тракту и не прошла по другому из-за отказа приемника ВЧТО |
1. Все сработавшие устройства ПА - «правильно». 2. Отказавший приемник ВЧТО – «отказ» |
1. Оценка работы автоматики в составе комплекса ПА - «правильно». 2. Общая оценка - «правильно с замечанием» |
|
10 |
- |
При отключении линии сработала автоматика ограничения повышения напряжения (АОПН) на отключенном конце линии |
Автоматика АОПН по ВЧ каналу произвела отключение линии с противоположного конца |
1. АОПН - «правильно». 2. Прд ВЧТО - «правильно». 3. Прм ВЧТО - «правильно» |
1. Оценка работы (нестатистическая) автоматики в целом - не производится. 2. Общая оценка - «правильно». 3. Правильное функционирование выходных цепей (отключение линии с противоположного конца) - не учитывается (см. п. 5 приложения 1) |
|
11 |
- |
То же, что в примере № 10 |
От автоматики АОПН отключения с противоположного конца линии не произошло из-за неисправности в цепях управления выключателем |
1. АОПН - «правильно». 2. Прд ВЧТО - «правильно». 3. Прм ВЧТО - «правильно». 4. Выходные цепи - «неправильно» (отказ) |
1. Общая оценка - «неправильно». 2. Неисправность в цепях управления выключателем отнесена на выходные цепи (см. п. 5 приложения 1) |

Поясняющая схема
1. В разд. I «Общие итоги работы устройств релейной защиты, электроавтоматики, противоаварийной автоматики» учитывается работа устройств релейной защиты и электроавтоматики присоединений 6 кВ и выше и всех устройств противоаварийной автоматики.
Сумма чисел гр. 4 - 6 должна быть равна числу в гр. 3.
2. В разд. II «Классификация причин неправильной работы устройств релейной защиты, электроавтоматики и противоаварийной автоматики» в каждой из гр. 1 - 3 сумма чисел строк с шифром 02 - 04 должна быть равна числу в строке с шифром 01; сумма чисел строк с шифром 01, 05, 06 - 12 должна быть соответственно равна числам разд. 1 в гр. 3 в строках с шифром 01 - 03.
Числа в строке с шифром 13 подлежат особому учету, к сумме чисел строк с шифром 01, 05 - 12 не приплюсовываются.
3. В разд. III « Выборочные статистические данные по работе отдельных типов устройств релейной защиты, электроавтоматики и противоаварийной автоматики» включаются сведения об устройствах релейной защиты, электроавтоматики и противоаварийной автоматики, перечень которых устанавливается Минэнерго СССР на отчетный год.
1. В разд. I «Автоматы повторного включения (АПВ)» и разд. II «Автоматы включения резерва (АВР)» должны даваться сведения по всем типам устройств АПВ и АВР присоединений напряжением 6 кВ и выше, в том числе АПВ и АВР механического исполнения (грузовые, пружинно-грузовые, пружинные). Групповые АПВ и АВР учитываются по числу автоматов повторного включения и автоматов включения резерва независимо от того, сколько присоединений включается каждым из автоматов.
Работа трехфазного двукратного АПВ имеет следующие особенности учета. Неуспешная работа АПВ после второго цикла учитывается в строке с шифром 07 (1 случай). Успешная работа в первом или втором цикле - соответственно в строке с шифром 05 и 06 (и то и другое - 1 случай, т. е. неуспешное АПВ в первом цикле статистически не учитывается). Если имел место отказ включения во втором цикле (после неуспешного АПВ в первом цикле) или отказ включения в первом цикле, то учитывается отказ работы АПВ в строке с шифром 11 (1 случай).
2. В разд. III «Частотные автоматы (АЧР и другие)» следует учитывать только устройства, предназначенные для автоматического ограничения снижения частоты (АОСЧ). Учет ведется по количеству частотных автоматов (реле частоты) независимо от того, сколько присоединений отключается или включается каждым из автоматов. Устройства АЧР - ЧАПВ учитываются как два устройства независимо от схемного выполнения и использования отдельных или общего реле частоты.
Количество устройств АПВ, АВР и частотных автоматов всех типов на конец года должно быть равно числу в гр. 1 строки с шифром 02 разд. 1 формы № 17-энерго.
Сумма случаев правильной работы АПВ, АВР и частотных автоматов всех типов должна быть равна числу в гр. 2 строки с шифром 02 разд. 1 формы № 17-энерго.
Сумма случаев отказов и неправильной работы АПВ, АВР и частотных автоматов всех типов должна быть равна числу в гр. 3 строки с шифром 02 разд. 1 формы № 17-энерго (без случаев «допущенных неправильных срабатываний и не срабатываний», подлежащих особому учету в гр. 2 строки и шифром 13 разд. II формы № 17-энерго).
3. Для противоаварийной автоматики (разд. IV) учет ведется аналогично, при этом сумма случаев работы ПА «неправильно» (гр. 3, строки с шифром 01-07) должна быть равна числу в гр. 3 строки с шифром 03 разд. 1 формы № 17-энерго (без случаев «допущенных неправильных срабатываний и не срабатываний», подлежащих особому учету в гр. 3 строки с шифром 13 разд. II формы № 17-энерго); сумма случаев работы ПА «не выяснено» (гр. 4, строки № 01 - 07) должна быть равна числу в гр. 7 строки с шифром 03 разд. 1 формы № 17-энерго.
|
|
|
|
|
|
1 |
2 |
3 |
4 |
|
Формы документа по ОКУД |
организации-составителя документа по ОКПО |
территории по СОАТО |
министерства (ведомства) по СООГУ |
|
КОДЫ |
|||
|
Кому предоставляется ____________________________________ наименование и адрес получателя Предприятие (организация) _______________________________ Министерство (управление) ________________________________ Адрес предприятия (организации) ___________________________ |
|
Форма № 17-энерго Утверждена Постановлением Госкомстата СССР от 30.12.88 № 215 Предоставляется 5 февраля энергоуправлением в составе годового отчета: а) Министерству энергетики и электрификации союзной республики (энергоуправления РСФСР - своему главному управлению); б) Главному планово-экономическому управлению Министерства энергетики и электрификации СССР (Москва, Китайский пр., д. 7) |
ОТЧЕТ О РАБОТЕ УСТРОЙСТВ РЕЛЕЙНОЙ ЗАЩИТЫ,
ЭЛЕКТРОАВТОМАТИКИ, ПРОТИВОАВАРИЙНОЙ АВТОМАТИКИ
ЗА 19 ________ г.
I. Общие итоги работы устройств релейной защиты, электроавтоматики, противоаварийной автоматики
|
Номер строки |
Количество устройств на конец года |
Случаи работы «правильно» |
Случаи работы «не выяснено» |
|||||
|
Всего |
||||||||
|
«ложно» |
«излишне» |
«отказы» |
||||||
|
А |
Б |
1 |
2 |
3 |
4 |
5 |
6 |
7 |
|
Релейная защита |
01 |
|
|
|
|
|
|
|
|
Электроавтоматика |
02 |
|
|
|
|
|
|
|
|
Противоаварийная автоматика |
03 |
|
|
|
|
|
|
|
II. Классификация причин неправильной работы устройств релейной защиты, электроавтоматики, противоаварийной автоматики
III Выборочные статистические данные по работе отдельных типов устройств релейной защиты, электроавтоматики и противоаварийной автоматики
Примечание. Перечень типов устройств, работа которых учитывается за данный год в разд. III формы, устанавливается Министерством энергетики и электрификации СССР.
____________________ 19 _______ г Управляющий _____________________________________
_______________________________
Фамилия и № телефона исполнителя
|
|
|
|
|
|
1 |
2 |
3 |
4 |
|
формы документа по ОКУД |
организации составителя документа по ОКПО |
территории по СОАТО |
министерства (ведомства) по СООГУ) |
|
|
|
|
|
|
КОДЫ |
|||
|
Кому предоставляется ________________________________ наименование и адрес получателя Предприятие (организация) __________________________ Министерство (управление) ___________________________ Адрес предприятия (организации) ______________________ |
|
Форма № 18-энерго Утверждена постановлением Госкомстата СССР от 30.12.88 г № 215 Предоставляется 5 февраля энергоуправлением в составе годового отчета: а) Министерству энергетики и электрификации союзной республики (энергоуправления РСФСР - своему главному органу) б) Главному планово-экономическому управлению Министерства энергетики и электрификации СССР (Москва, Китайский пр., д. 7) |
ОТЧЕТ О РАБОТЕ ЭЛЕКТРОАВТОМАТИКИ И ПРОТИВОАВАРИЙНОЙ АВТОМАТИКИ ЗА 19 ________ г.
I. Автоматы повторного включения (АПВ).
Примечание. Количество отказов и неправильной работы АПВ (11) ________________
II. Автоматы включения резерва.
Примечание. Случаи отказов и неправильной работы АВР (04) ________________________________.
III. Частотные автоматы (АЧР и другие).
|
Номер строки |
Количество устройств на конец года |
Расчетная мощность (в % к установленной мощности) на конец года |
Случаи правильного действия (в соответствии с назначением) |
Случаи неправильного действия (не в соответствии с назначением) |
Случаи отказов |
|
|
А |
Б |
1 |
2 |
3 |
4 |
5 |
|
Автоматы частотной разгрузки |
01 |
|
|
|
|
|
|
Частотные АПВ |
02 |
|
|
|
|
|
|
Устройства перевода гидрогенераторов из режима синхронного компенсатора в генераторный режим и пуска резервных гидрогенераторов при снижении частоты |
03 |
|
|
|
|
|
|
Делительные устройства, действующие при снижении частоты |
04 |
|
|
|
|
|
IV. Противоаварийная автоматика (ПА)
|
Номер строки |
Количество на конец года |
Всего случаев работы «правильно» |
Всего случаев работы «неправильно» («ложно», «излишне», «отказы») |
Всего случаев работы «невыяснено» |
|
|
А |
Б |
|
|
|
|
|
Автоматика предотвращения нарушения устойчивости (АПНУ) |
01 |
|
|
|
|
|
Автоматическая ликвидация асинхронного режима (АЛАР) |
02 |
|
|
|
|
|
Автоматическое ограничение повышения частоты (АОПЧ) |
03 |
|
|
|
|
|
Автоматическое ограничение повышения напряжения (АОПИ) |
04 |
|
|
|
|
|
Автоматическое ограничение снижения напряжения (АОСН) |
05 |
|
|
|
|
|
Автоматическая разгрузка оборудования (АРО) |
06 |
|
|
|
|
|
Прочие |
07 |
|
|
|
|
«____» ________________ 19 ____ г Управляющий _______________________
СОДЕРЖАНИЕ