РОССИЙСКОЕ АКЦИОНЕРНОЕ ОБЩЕСТВО ЭНЕРГЕТИКИ
И ЭЛЕКТРИФИКАЦИИ «ЕЭС РОССИИ»
ДЕПАРТАМЕНТ НАУЧНО-ТЕХНИЧЕСКОЙ ПОЛИТИКИ И РАЗВИТИЯ
ТЕХНИЧЕСКИЕ УСЛОВИЯ
НА ВЫПОЛНЕНИЕ ТЕХНОЛОГИЧЕСКИХ ЗАЩИТ
И БЛОКИРОВОК ПРИ ИСПОЛЬЗОВАНИИ МАЗУТА
И ПРИРОДНОГО ГАЗА
В КОТЕЛЬНЫХ УСТАНОВКАХ
В СООТВЕТСТВИИ С ТРЕБОВАНИЯМИ
ВЗРЫВОБЕЗОПАСНОСТИ
РД 153-34.1-35.108-2001

Разработано Открытым акционерным обществом «Фирма по наладке, совершенствованию технологии и эксплуатации электростанций и сетей ОРГРЭС»
Исполнители Н.И. ЧУЧКИНА, Л.М. КАПЕЛЬСОН
Утверждено Департаментом научно-технической политики развития РАО «ЕЭС России» 23.03.2001 г.
Первый заместитель начальника А.П. ЛИВИЙСКИЙ
Настоящие Технические условия разработаны по поручению Департамента научно-технической политики развития РАО «ЕЭС России» и являются собственностью РАО.
Перепечатка Технических условий и применение их в других отраслях промышленности России, а также в странах ближнего зарубежья допускается исключительно с разрешения Собственника.
Срок первой проверки настоящего РД - 2004 г.,
периодичность проверки - один раз в 3 года.
Ключевые слова: технологическая защита, блокировка, мазут, природный газ, котельные установки.
СОДЕРЖАНИЕ
|
ТЕХНИЧЕСКИЕ УСЛОВИЯ НА ВЫПОЛНЕНИЕ ТЕХНОЛОГИЧЕСКИХ ЗАЩИТ И БЛОКИРОВОК ПРИ ИСПОЛЬЗОВАНИИ МАЗУТА И ПРИРОДНОГО ГАЗА В КОТЕЛЬНЫХ УСТАНОВКАХ В СООТВЕТСТВИИ С ТРЕБОВАНИЯМИ ВЗРЫВОБЕЗОПАСНОСТИ |
РД 153-34.1-35.108-2001 Взамен Технических условий изд. 1997 г. |
Дата введения 2002 - 07 - 01
год - месяц - число
1.1 Технические условия составлены на основании ПБ 12-368-00 [1] и РД 34.03.351-93 [2].
1.2 Документ распространяется на действующие, вновь вводимые в эксплуатацию и модернизируемые котельные установки паропроизводительностью 50 т/ч и выше и водогрейные котельные установки тепловой производительностью 30 Гкал/ч и выше, сжигающие газ и/или мазут.
Для котельных установок, у которых на линии подвода газа к горелкам установлены газовые блоки фирмы ЗАО «АМАКС», технические условия на выполнение защит и блокировок несколько отличаются от изложенных в данном документе. Для этого оборудования выпущен специальный документ.
1.3 Правилами [1] и [2] предъявляются различные требования к оснащению горелочных устройств арматурой и запально-защитными устройствами (ЗЗУ).
1.3.1 При сжигании мазута предъявляются следующие требования:
На вновь проектируемых газомазутных и мазутных котлах мощностью более 100 Гкал/ч на линии подвода мазута к каждой горелке устанавливается запорное устройство с электроприводом и предохранительно-запорный клапан (ПЗК). Горелки оснащаются ЗЗУ.
На вновь проектируемых пылеугольных котлах любой мощности и газомазутных котлах мощностью до 100 Гкал/ч включительно допускается установка на линии подвода мазута к горелке одного запорного устройства с электроприводом и другого - с ручным или электрическим приводом. Все мазутные горелки этих котлов оснащаются ЗЗУ.
На действующих котлах любой мощности допускается установка на линии подвода мазута к горелкам одного запорного устройства с электроприводом и другого - с ручным или электрическим приводом. Горелки, с которых может начинаться растопка этих котлов, оснащаются ЗЗУ, остальные горелки могут быть оснащены запальными устройствами (ЗУ) или ЗЗУ.
При установке на линии подвода мазута к горелке ПЗК и задвижки с электроприводом рекомендуемый порядок их установки дан в п. 2.2.4 [3], а именно: сначала устанавливается ПЗК, а затем задвижка.
1.3.2 При сжигании газа предъявляются следующие требования:
На линии подвода газа к горелкам котлов тепловой производительностью более 420 ГДж/ч (100 Гкал/ч) требуется установка двух запорных устройств с электроприводом, в качестве которых могут быть использованы как ПЗК, так и задвижки.
Все газовые горелки этих котлов оснащаются всережимным ЗЗУ, т.е. ЗЗУ, способным обеспечивать селективный контроль факела горелки во всех режимах работы котла.
При установке на линии подвода газа к горелке ПЗК и задвижки с электроприводом рекомендуемый порядок их установки следующий: сначала по ходу газа устанавливается ПЗК, а затем задвижка.
1.3.3 На котлах, все горелки которых на газе и/или на мазуте оснащены ПЗК, запорным устройством с электроприводом и ЗЗУ («котлы с ПЗК у горелок»), растопка может начинаться с розжига любой горелки. При этом контролируется факел каждой горелки. До ввода защиты по общему факелу горение контролируется защитой, срабатывающей при невоспламенении факела горелки, разжигаемой первой, или при погасании факела всех горелок. При погасании факела второй, третьей и т.д. разжигаемой горелки закрываются защитой запорные устройства на линии подвода топлива к этой горелке.
После ввода защиты по общему факелу контроль факела горелок, оснащенных всережимным ЗЗУ, сохраняется: при погасании факела горелки закрываются защитой запорные устройства на линии подвода топлива к этой горелке.
1.3.4 На котлах, сжигающих газ, где нет ПЗК на каждой газовой горелке («котлы без ПЗК у горелок»), выделяется растопочная группа горелок, растопка может начинаться с розжига любой из этих горелок.
При растопке на газе контролируется розжиг и горение каждой горелки растопочной группы. До ввода защиты по общему факелу горение контролируется защитой, срабатывающей при неуспешном розжиге или погасании любой горелки растопочной группы. После того, как разожжены все газовые горелки растопочной группы, разрешается розжиг остальных горелок и вводится защита по общему факелу.
1.3.5 На котлах, сжигающих мазут, где нет ПЗК на каждой мазутной горелке («котлы без ПЗК у горелок»), выделяется группа мазутных горелок, с которых может начинаться растопка котла из разных тепловых состояний. Каждая из этих горелок оснащается ЗЗУ, селективно контролирующим факел горелки хотя бы во время растопки, и растопка может начинаться с розжига любой из этих горелок.
При растопке на мазуте контролируется факел каждой горелки, оснащенной ЗЗУ. До ввода защиты по общему факелу горение контролируется защитой, срабатывающей при невоспламенении факела горелки, разжигаемой первой, или при погасании факела всех горелок, оснащенных ЗЗУ. После ввода защиты по общему факелу сохраняется контроль факела каждой горелки, оснащенной всережимным ЗЗУ: при погасании факела горелки закрываются защитой запорные устройства на линии подвода мазута к данной горелке.
1.4 Технические условия приняты с учетом следующего:
1.4.1 На котлах, работающих на нескольких видах топлива, растопка производится с использованием только одного вида топлива.
1.4.2 Если одно запорное устройство на линии подвода топлива к горелке не имеет электропривода, подача этого топлива к горелке при ее розжиге осуществляется при полностью открытом ручном запорном устройстве с помощью электрифицированного запорного устройства, которое участвует во всех блокировках и защитах.
1.4.3 Если в качестве ПЗК или других запорных устройств установлена арматура с пневмоприводом, на нее распространяются все условия, принятые для арматуры с электроприводом.
1.4.4 На котлах, оснащенных двухпоточными газовыми горелками, растопка ведется при закрытых запорных устройствах на периферийной линии подвода газа к горелке, на открытие которых налагается запрет при закрытых запорных устройствах на центральной линии подвода газа к горелке. В защитных блокировках участвуют запорные устройства на центральной линии подвода газа; защиты, отключающие данную горелку, действуют на все запорные устройства.
1.4.5 Расход мазута измеряется с учетом его рециркуляции в обратную магистраль. Установка расходомера на линии рециркуляции осуществляется в соответствии с требованиями РД 34.03.351-93 [2].
На газомазутных котлах для использования в схемах защит и блокировок допускается определение расхода мазута как приведенной разности между общим расчетным расходом топлива при данной паропроизводительности котла и расходом газа.
При применении микропроцессорной техники защиты паровых котлов, действующие на останов котла при изменении параметра, выполняются с использованием трех датчиков аналогового сигнала, локальные защиты, защиты водогрейных котлов и блокировки могут выполняться с использованием одного датчика. Контроль достоверности сигнала каждого датчика и сравнение сигналов датчиков одного параметра между собой осуществляются до их сравнения с уставкой защиты.
1.4.7 Ввод и вывод защит и блокировок, препятствующих пуску котла, должны производиться:
- на вновь проектируемых котлах и котлах, проекты автоматизации которых выполнены после 01.08.87 г., - автоматически;
- на остальных котлах для защит по погасанию общего факела в топке и основного факела горелок при растопке («Невоспламенение при растопке»), а также всех блокировок - автоматически, для остальных защит - либо автоматически, либо существующими в схемах защит средствами ввода-вывода.
1.4.8 Признак «Начало растопки» формулируется:
На котлах без ПЗК у газовых горелок при растопке на газе - «не закрыта задвижка на линии подвода топлива к котлу и начало открываться второе запорное устройство на линии подвода этого топлива к любой горелке растопочной группы».
На остальных котлах - «не закрыта задвижка на линии подвода топлива к котлу и начало открываться второе запорное устройство на линии подвода этого топлива к любой горелке».
1.4.9 Признак «Останов котла» формируется с выдержкой времени до 3 мин от начала выполнения программы автоматического останова котла («Сработало РОК»).
1.5 На рисунках 1 - 34 даны логические схемы защит и блокировок, учитывающие различные варианты оснащения горелок котлов запорными и запальными устройствами и различные виды сжигаемого топлива.
Номера рисунков, используемых при проектировании защит и блокировок разных типов котлов, приведены в приложении А.
Условные обозначения элементов схем приведены в приложении Б.
1.6 С выходом настоящих Технических условий утрачивают силу «Технические условия на выполнение технологических защит и блокировок при использовании мазута и природного газа в котельных установках в соответствии с требованиями взрывобезопасности» (М.: СПО ОРГРЭС, 1997).
2.1.1 Погасание общего факела в топке (см. рисунки 5 - 9).
2.1.2 Отключение всех дымососов (см. рисунок 10).
2.1.3 Отключение всех дутьевых вентиляторов (см. рисунок 10).
2.1.4 Отключение всех регенеративных воздухоподогревателей (см. рисунок 10).
2.1.5 Понижение давления газа (см. рисунки 11 - 14).
2.1.6 Понижение давления мазута (см. рисунки 15 - 17).
2.2.1 Отключение одного из двух дымососов.
2.2.2 Отключение одного из двух дутьевых вентиляторов.
2.2.3 Отключение одного из двух регенеративных воздухоподогревателей.
2.3.1 Невоспламенение или погасание факела любой газовой горелки растопочной группы при растопке котла без ПЗК у газовых горелок (см. рисунки 20, 22).
2.3.2 Невоспламенение первой или погасание факела всех газовых горелок, оснащенных ПЗК и ЗЗУ, или всех мазутных горелок, оснащенных ЗЗУ, при растопке котла (см. рисунки 19, 21, 23).
2.3.3 Невоспламенение или погасание факела газовой горелки или мазутной горелки, оснащенной всережимным ЗЗУ (см. рисунок 24).
2.4.1 Запрет подачи топлива к котлу при незакрытии хотя бы одного устройства с электроприводом на линии подвода этого топлива перед любой горелкой (см. рисунок 32).
2.4.2 Запрет розжига горелок при растопке котла без вентиляции топки (см. рисунки 25 - 30).
2.4.3 Запрет розжига любой газовой горелки, не относящейся к растопочной группе, пока все горелки растопочной группы не будут включены в работу - для котлов без ПЗК у газовых горелок (см. рисунок 31).
2.4.4 Прекращение и запрет подачи топлива в горелку в случае полного закрытия шибера на линии подвода воздуха к этой горелке (см. рисунок 32).
2.4.5 Запрет подачи топлива в горелку при отсутствии факела запального устройства этой горелки (см. рисунок 33).
2.4.6 Запрет подачи топлива в горелку при наличии ложного сигнала от датчика факела горелки (см. рисунок 33).
2.4.7 Запрет открытия второго запорного устройства по ходу топлива перед горелкой при неоткрытом первом (см. рисунок 33).
2.4.8 Блокировки запорного устройства на трубопроводе безопасности газовой горелки (см. рисунок 34).
2.4.9 Блокировки паровой и мазутной магистралей мазутной горелки (см. рисунок 34).
3.1.1 Погасание общего факела в топке
Факел в топке (секции топки) контролируется: на паровых котлах - не менее чем двумя комплектами приборов, на водогрейных котлах - одним комплектом. На котлах с двусветными экранами факел контролируется отдельно в каждой секции топки.
Защита срабатывает, если все приборы, контролирующие общий факел в топке (секции топки), зафиксировали его погасание.
Защита действует на останов котла.
Защита вводится автоматически, если все приборы контроля общего факела показали его наличие и выполнено одно из следующих условий:
- при растопке на газе котлов, газовые горелки которых оснащены ПЗК, - расход газа более 35 % номинального;
- при растопке на газе котлов, газовые горелки которых не оснащены ПЗК, - открыты вторые запорные устройства на линии подвода газа ко всем горелкам растопочной группы;
- при растопке на мазуте пылеугольных котлов - расход мазута более 90 % растопочного или включена одна мельница, или один питатель пыли и прошло время до 5 мин, достаточное для транспорта пыли в топку;
- при растопке на мазуте мазутных и газомазутных котлов - расход мазута более 35 % номинального.
Защита выводится при останове котла («Сработало реле останова котла - РОК»).
На газовых и газомазутных котлах, оснащенных ПЗК и всережимными ЗЗУ, с количеством горелок не более восьми допускается контроль факела в топке защитой, контролирующей наличие факела каждой горелки. Защита срабатывает при погасании факела всех горелок и действует на останов котла. Защита вводится при начале растопки с выдержкой времени до 9 с и выводится при останове котла. При этом защита «Невоспламенение при растопке» (см. п. 3.3.2) не выполняется.
Защита срабатывает при отключении всех выключателей электродвигателей дымососов и действует на останов котла.
Защита вводится автоматически при начале растопки и выводится при останове котла или срабатывании защиты «Невоспламенение при растопке».
3.1.3 Отключение всех дутьевых вентиляторов
Защита срабатывает при отключении всех выключателей электродвигателей дутьевых вентиляторов и действует на останов котла.
Защита вводится и выводится автоматически аналогично защите по п. 3.1.2.
3.1.4 Отключение всех регенеративных воза ухо подогревателей
Защита срабатывает при отключении всех автоматических выключателей (или электромагнитных пускателей) электродвигателей регенеративных воздухоподогревателей и действует на останов котла. При коммутации силовых цепей электродвигателя контактами электромагнитного пускателя (а не автоматического выключателя) защита действует с выдержкой времени до 9 с.
Защита вводится и выводится автоматически аналогично защите по п. 3.1.2.
На действующих котлах защита выполняется: по схеме «два из двух» - на паровых котлах и с одним датчиком - на водогрейных. На вновь проектируемых котлах количество и схема включения датчиков определяются по п. 1.4.6.
Давление контролируется за регулирующим клапаном на общей линии подвода газа к котлу.
На котлах, работающих под наддувом, контролируется разность давлений: газа за регулирующим клапаном на общей линии подвода к котлу и дымовых газов в топке.
На газовых котлах защита действует на останов котла.
На котлах, сжигающих несколько видов топлива, защита действует на прекращение подачи газа:
- закрытие задвижки и ПЗК на линии подвода газа к котлу (импульсная команда);
- закрытие запорных устройств на линии подвода газа к каждой горелке;
- открытие запорного устройства на трубопроводе безопасности каждой горелки.
Дополнительно, если газ является преобладающим топливом, защита действует на останов котла.
Действие защиты на останов котла вводится автоматически:
- на газомазутных котлах - если не закрыта задвижка на линии подвода газа к котлу и начало открываться второе запорное устройство на линии подвода газа к любой горелке и если расход мазута менее 35 % номинального;
- на пылегазовых котлах - если не закрыта задвижка на линии подвода газа к котлу и начало открываться второе запорное устройство на линии подвода газа к любой горелке и если переключатель топлива находится в положении «Газ».
Действие защиты на останов котла выводится при останове котла или срабатывании защиты «Невоспламенение при растопке». Кроме того, на газомазутных котлах действие защиты на останов котла выводится при расходе мазута, большем 35% номинального, а на пылегазовых котлах, когда переключатель топлива переведен из положения «Газ» в др.
3.1.6 Понижение давления мазута
На действующих котлах защита выполняется: по схеме «два из двух» на паровых котлах и с одним датчиком на водогрейных. На вновь проектируемых котлах количество и схема включения датчиков определяются по п. 1.4.6.
Давление контролируется за регулирующим клапаном на общей линии подвода мазута к котлу.
Защита действует с выдержкой времени до 20 с.
На мазутных котлах защита действует на останов котла.
На котлах, сжигающих несколько видов топлива, защита действует на прекращение подачи мазута:
- закрытие задвижки и ПЗК на линии подвода мазута к котлу (импульсная команда);
- закрытие запорных устройств на линии рециркуляции мазута (импульсная команда);
- закрытие запорных устройств на линии подвода мазута к каждой горелке.
Дополнительно, если мазут является преобладающим топливом, защита действует на останов котла.
Действие защиты на останов котла вводится автоматически:
- на мазутных котлах - при начале растопки;
- на газомазутных котлах - при начале растопки на мазуте, если расход газа менее 35 % номинального;
- на пылеугольных и пылегазовых котлах - при начале растопки, если переключатель топлива находится в положении «Мазут» («Растопка на мазуте»).
Действие защиты на останов котла выводится при останове котла или срабатывании защиты «Невоспламенение при растопке»). Кроме того, на газомазутных котлах действие защиты на останов котла выводится при расходе газа, большем 35 % номинального, а на пылеугольных и пылегазовых котлах, когда переключатель топлива переведен из положения «Растопка на мазуте» в другое положение.
3.2.1 Отключение одного из двух дымососов
Защита срабатывает при отключении всех выключателей электродвигателя одного дымососа при любом включенном выключателе электродвигателя другого дымососа.
Защита с выдержкой времени 1 с действует на снижение нагрузки котла до 50 % номинальной и независимо от состояния устройства ввода-вывода защиты при условии, что были включены два механизма - на закрытие направляющего аппарата отключившегося дымососа и на переключение воздействия регулятора разрежения на направляющий аппарат оставшегося в работе дымососа.
Защита вводится при нагрузке котла более 60 % номинальной и выводится при нагрузке менее 50 % номинальной.
3.2.2 Отключение одного из двух дутьевых вентиляторов
Защита срабатывает при отключении всех выключателей электродвигателя одного дутьевого вентилятора при любом включенном выключателе электродвигателя другого дутьевого вентилятора.
Защита действует, вводится и выводится аналогично защите по п. 3.2.1.
3.2.3 Отключение одного из двух регенеративных воздухоподогревателей
Защита срабатывает при отключении выключателей всех электродвигателей одного воздухоподогревателя при включенном выключателе любого электродвигателя другого воздухоподогревателя и с выдержкой времени 1 с действует на снижение нагрузки котла до 50 % номинальной.
Защита вводится и выводится аналогично защите по п. 3.2.1.
3.3.1 Невоспламенение или погасание факела любой газовой горелки растопочной группы при растопке котла без ПЗК у газовых горелок
Защита срабатывает при погасании факела горелки или невоспламенении газа в процессе ее розжига.
Контроль факела начинается через промежуток времени до 9 с после начала открытия второго запорного устройства на линии подвода газа к данной горелке и продолжается, пока защита введена.
Защита действует на отключение всех запальных устройств и закрытие запорных устройств на общей линии подвода газа к ним, а также на прекращение подачи всех видов топлива к котлу и горелкам: закрытие запорных устройств на линии подвода жидкого и газообразного топлива к котлу, запрет открытия первого и закрытие обоих запорных устройств на линии подвода топлива к каждой горелке, прекращение подачи твердого топлива в котел, открытие запорных устройств на трубопроводе безопасности каждой газовой горелки. Алгоритм отключения подачи твердого топлива в котел определяется при проектировании.
Защита вводится автоматически при давлении газа перед котлом, превышающем уставку защиты по п. 3.1.5. Защита выводится либо при закрытой задвижке на линии подвода газа к котлу, либо при вводе защиты «Погасание общего факела в топке».
Защита срабатывает при отсутствии факела всех контролируемых горелок в топке (секции топки).
Защита действует на отключение всех запальных устройств и закрытие запорных устройств на общей линии подвода газа к ним, а также на прекращение подачи всех видов топлива к котлу и горелкам: закрытие запорных устройств на линии подвода жидкого и газообразного топлива к котлу, запрет открытия первого и закрытие обоих запорных устройств на линии подвода топлива к каждой горелке, прекращение подачи твердого топлива в котел, открытие запорных устройств на трубопроводе безопасности каждой газовой горелки.
На всех котлах, кроме пылеугольных котлов АО ПМЗ, защита вводится автоматически при давлении топлива перед котлом, превышающем уставку защиты по понижению давления этого топлива, если прошло время до 9 с с начала открытия второго запорного устройства на данном топливе к любой из горелок: газовых, оснащенных ПЗК и ЗЗУ, мазутных, оснащенных ЗЗУ. Защита выводится либо при закрытии задвижки на линии подвода данного топлива к котлу, либо при вводе защиты по погасанию общего факела в топке.
На пылеугольных котлах АО ПМЗ защита вводится и выводится специальным ключом.
3.3.3 Невоспламенение или погасание факела газовой горелки или мазутной горелки, оснащенной всережимным ЗЗУ
Защита срабатывает при погасании факела горелки или невоспламенении топлива в процессе розжига горелки.
Защита действует на отключение запального устройства данной горелки, закрытие запорных устройств на линии подвода топлива к данной горелке.
На комбинированных газомазутных горелках защита выполняется отдельно для каждого вида топлива.
Защита вводится, если давление топлива перед котлом выше уставки защиты по понижению давления этого топлива и прошло время до 9 с от начала открытия второго запорного устройства на линии подвода этого топлива к данной горелке. Защита выводится, если закрыто наименее быстроходное запорное устройство на линии подвода этого топлива к данной горелке.
3.4.1 Запрет подачи топлива к котлу при незакрытии хотя бы одного устройства с электроприводом на линии подвода этого топлива перед любой горелкой
Запрет налагается на открытие запорной задвижки на линии подвода топлива к котлу при незакрытом положении хотя бы одного первого запорного устройства на линии подвода этого топлива к любой горелке.
3.4.2 Запрет розжига горелок при растопке котла без вентиляции топки
Запрет налагается на включение запального устройства и на открытие первого запорного устройства по ходу топлива, на котором ведется растопка, либо для всех газовых горелок растопочной группы (при розжиге котлов без ПЗК на газе к горелкам), либо для всех горелок (для остальных котлов).
Топка считается провентилированной, если в течение не менее 10 мин расход воздуха через котел соответствовал 25 % расхода при номинальной нагрузке, были включены электродвигатели всех дымососов рециркуляции газов и открытие их направляющих аппаратов соответствовало нагрузке не менее 25 %, а на котлах, где газы вводятся в воздуховоды, дополнительно - полностью открыты клапаны на линии подвода воздуха к точке его смещения с газами.
В случае невозможности измерения расхода воздуха топка считается провентилированной, если в течение не менее 10 мин были включены электродвигатели всех дымососов (для котлов с уравновешенной тягой), дутьевых вентиляторов и дымососов рециркуляции газов и величина открытия их направляющих аппаратов соответствовала нагрузке не менее 25 %, а на котлах, где газы вводятся в воздуховоды, дополнительно полностью открыты клапаны на линии подвода воздуха к точке его смешения с газами.
Отсчет времени вентиляции разрешается после того, как котел был остановлен, т.е. если были закрыты задвижки на линии подвода газа и мазута к котлу и прекращена подача твердого топлива в котел. Алгоритм формирования сигнала о прекращении подачи твердого топлива определяется при проектировании для каждого типа котла. Информация об останове котла запоминается.
Запрет вводится автоматически, если давление любого топлива, на котором может вестись растопка, выше уставки защиты по понижению давления этого топлива. Давление контролируется одним датчиком.
Запрет снимается после окончания вентиляции.
После останова котла или срабатывания защиты «Невоспламенение при растопке» запрет налагается вновь.
Если после того, как топка была провентилирована, отключились все дымососы или все дутьевые вентиляторы, запрет налагается вновь.
3.4.3 Запрет розжига любой газовой горелки, не относящейся к растопочной группе, пока все горелки растопочной группы не будут включены в работу для котлов без ПЗК у газовых горелок
Запрет налагается на открытие первого запорного устройства на линии подвода газа к каждой горелке, не относящейся к растопочной группе, и на включение запальных устройств этих горелок.
Запрет вводится автоматически при превышении давлением газа уставки защиты по понижению давления газа.
Запрет снимается, если открыты вторые запорные устройства на линии подвода газа ко всем горелкам растопочной группы.
3.4.4 Прекращение и запрет подачи топлива в горелку в случае полного закрытия шибера на линии подвода воздуха к этой горелке
Формируется команда на закрытие всех запорных устройств на линии подвода топлива к горелке и запрет открытия первого из них, если полностью закрыт шибер на линии подвода воздуха к этой горелке. При наличии нескольких последовательно установленных шиберов на линии подвода воздуха к горелке контролируется положение каждого из них. В случае установки группового шибера на линии подвода воздуха к нескольким горелкам при его закрытии формируется команда на закрытие запорных устройств на линии подвода топлива и запрет открытия первого из них для всех горелок, на которые подается воздух через данный шибер.
Запрет вводится при начале растопки и выводится при останове котла или при срабатывании защиты «Невоспламенение при растопке».
Для мазутных горелок, осуществляющих автоматический подхват пылеугольного факела, блокировка отменяется при срабатывании защиты «Потускнение пылеугольного факела в топке».
3.4.5 Запрет подачи топлива в горелку при отсутствии факела запального устройства этой горелки
При незакрытой задвижке на линии подвода топлива к котлу налагается запрет на открытие первого по ходу этого топлива запорного устройства перед каждой горелкой, если есть информация об отсутствии факела запального устройства этой горелки; для газомазутных котлов запрет снимается, если введена защита по общему факелу и есть основной факел горелки.
Для мазутных горелок, осуществляющих автоматический подхват пылеугольного факела, запрет отменяется при срабатывании защиты «Потускнение пылеугольного факела в топке».
Для горелок, разжигаемых при аварийном переводе котла на пониженную нагрузку, запрет отменяется при срабатывании защиты, переводящей котел на эту нагрузку.
3.4.6 Запрет подачи топлива в горелку при наличии ложного сигнала от датчика факела горелки
Налагается запрет на открытие первого по ходу топлива запорного устройства перед горелкой, оснащенной ЗЗУ, если при закрытых первых запорных устройствах на линии подвода всех видов топлива к горелке есть информация о наличии факела этой горелки.
Запрет снимается при вводе защиты «Погасание общего факела в топке».
3.4.7 Запрет открытия второго запорного устройства по ходу топлива перед горелкой при неоткрытом первом
При незакрытой задвижке на линии подвода топлива к котлу второе запорное устройство на линии подвода этого топлива к горелке не может быть открыто, если не открыто первое по ходу этого топлива запорное устройство.
Со щита управления оба запорных устройства на линии подвода топлива к горелке могут управляться одним ключом, управление ими по месту - раздельное.
3.4.8 Блокировки запорного устройства на трубопроводе безопасности газовой горелки
Запорное устройство на трубопроводе безопасности автоматически открывается с запретом на закрытие, если закрыты оба запорных устройства на линии подвода газа к горелке.
Запорное устройство автоматически закрывается с запретом на открытие, если открыто первое запорное устройство по ходу газа к горелке.
3.4.9 Блокировки паровой и мазутной магистралей мазутной горелки
При незакрытой запорной задвижке на линии подвода мазута к котлу налагается запрет на открытие запорного устройства на линии подвода пара на продувку горелки при незакрытом первом запорном устройстве по ходу мазута к этой горелке.
Открытие первого по ходу мазута к горелке запорного устройства запрещается при незакрытом запорном устройстве на линии подвода пара на продувку данной горелки.
(справочное)
|
Наименование защиты или блокировки |
Тип котла по виду топлива |
||||||||
|
Газовый |
Мазутный |
Газомазутный |
Пылеугольный |
Пылегазовый |
|||||
|
с ПЗК |
без ПЗК |
с ПЗК |
без ПЗК |
с ПЗК |
без ПЗК |
без ПЗК |
с ПЗК (газ) |
без ПЗК |
|
|
Ввод защит при начале растопки |
1 |
2 |
1 |
2 |
3 |
2 |
3 |
||
|
Условия ввода защит, снижающих нагрузку котла до 50 % номинальной |
4 |
||||||||
|
Погасание общего факела в топке |
5 |
6 |
5 |
7 |
8 |
9 |
|||
|
Отключение тягодутьевых механизмов и РВП котла |
10 |
||||||||
|
Понижение давления газа |
11 |
- |
13 |
- |
14 |
||||
|
Понижение давления газа на котле под наддувом |
12 |
- |
- |
- |
- |
||||
|
Понижение давления мазута |
- |
15 |
16 |
17 |
17 |
||||
|
Отключение одного из двух тягодутьевых механизмов и РВП |
18 |
||||||||
|
Невоспламенение при растопке |
19 |
20 |
19 |
21 |
22 |
19 |
21 |
22 |
|
|
То же для пылеугольного котла АО ПМЗ |
- |
- |
- |
23 |
- |
||||
|
Невоспламенение или погасание факела горелки |
24 |
||||||||
|
Условия вентиляции топки |
25 |
||||||||
|
Запрет розжига без вентиляции |
26, 31 |
26 |
27, 31 |
28 |
29, 30, 31 |
||||
|
Запрет розжига горелки, не относящейся к растопочной группе |
- |
31 |
- |
31 |
- |
31 |
|||
|
Запрет подачи топлива к котлу |
32 |
||||||||
|
Запрет при прекращении подачи воздуха в горелку |
32 |
||||||||
|
Запрет розжига горелки: - без факела запальника; - при ложной работе датчика факела горелки |
33 |
||||||||
|
Запрет открытия второго запорного устройства при закрытом первом |
33 |
||||||||
|
Блокировки запорного устройства на трубопроводе безопасности |
34 |
- |
34 |
- |
34 |
||||
|
Блокировки паровой и мазутной магистралей мазутной горелки |
- |
34 |
34 |
34 |
34 |
||||
(справочное)
|
Наименование устройства |
Обозначение |
Наименование логического элемента |
Обозначение |
|
|
Концевой выключатель запорного устройства в положении «Не открыто» |
|
«ИЛИ» |
|
|
|
Концевой выключатель запорного устройства в положении «Закрыто» |
|
«НЕ» |
|
|
|
Концевой выключатель запорного устройства в положении «Открыто» |
|
«И» |
|
|
|
Концевой выключатель запорного устройства в положении «Не закрыто» |
|
«И» с одним инверсным входом |
|
|
|
Пороговый элемент, срабатывающий при понижении параметра |
|
Триггер (память) |
|
|
|
Пороговый элемент, срабатывающий при повышении параметра |
|
Выдержка времени |
|
|
|
Контакт реле, дискретный сигнал |
|
Импульс |
|
Рисунок 1 - Ввод защит при начале растопки и вывод после
останова котла.
Газовый котел с ПЗК у горелок, мазутный котел с ПЗК у горелок

Рисунок 2 - Ввод защит при начале растопки и вывод после
останова котла.
Газовый котел без ПЗК у горелок, мазутный котел без ПЗК у горелок, пылеугольный
котел

Рисунок 3 - Ввод защит при начале растопки и вывод после останова котла. Газомазутный, пылегазовый котлы
Примечание - Для котлов с ПЗК: «Не закрыто второе запорное устройство на линии подвода газа к любой горелке». Для котлов без ПЗК: «Не закрыто второе запорное устройство на линии подвода газа к любой горелке растопочной группы».

Рисунок 4 - Условия автоматического ввода защит, снижающих нагрузку котла до 50 % номинальной
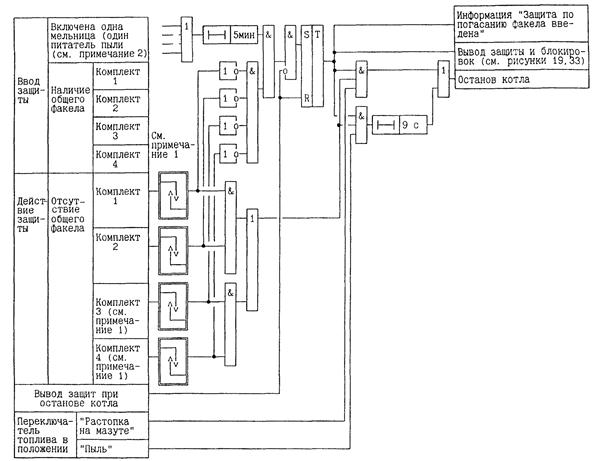
Рисунок 5 - Защита по погасанию общего факела в топке.
Газовый котел с ПЗК у горелок, мазутный котел
Примечание - Комплекты 3 и 4 для котлов с двусветным экраном.

Рисунок 6 - Защита по погасанию общего факела в топке.
Газовый котел без ПЗК у горелок
Примечание - Комплекты 3 и 4 для котлов с двусветным экраном.

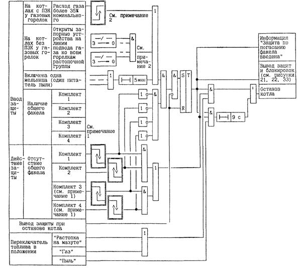
Рисунок 7 - Защита по погасанию общего факела в топке. Газомазутный котел
Примечания
1 Комплекты 3 и 4 - для котлов с двусветным экраном.
2 Выполняется один из вариантов в зависимости от наличия или отсутствия ПЗК на линии подвода газа к горелкам.

Рисунок 8 - Защита по погасанию общего факела в топке. Пылеугольный котел
Примечания
1 Комплекты 3 и 4 - для котлов с двусветным экраном.
2 Условие контролируется для всех котлов, кроме котлов АО ПМЗ. Для котлов АО ПМЗ контролируется условие: «Расход мазута более 90 % растопочного».
Рисунок 9 - Защита по погасанию общего факела в топке. Пылегазовый котел
Примечания
1 Комплекты 3 и 4 - для котлов с двусветным экраном.
2 Выполняется один из вариантов в зависимости от наличия или отсутствия ПЗК на линии подвода газа к горелкам.
Рисунок 10 - Защита по отключению тягодутьевых механизмов и регенеративных воздухоподогревателей котла
Примечание - При коммутации силовых цепей электродвигателей РВП контактами магнитных пускателей защита действует с выдержкой времени до 9 с.
Рисунок 11 - Защита по понижению давления газа. Газовый котел
Примечание - Количество датчиков при выполнении защиты на микропроцессорной технике - см. п. 1.4.6.

Рисунок 12 - Защита по понижению давления газа на котле, работающем под наддувом. Газовый котел
Примечание - Количество датчиков при выполнении защиты на микропроцессорной технике см. п. 1.4.6.

Рисунок 13 - Защита по понижению давления газа. Газомазутный котел
Примечание - Количество датчиков при выполнении защиты на микропроцессорной технике - см. п. 1.4.6.
Рисунок 14 - Защита по понижению давления газа. Пылегазовый котел
Примечание - Количество датчиков при выполнении защиты на микропроцессорной технике - см. п. 1.4.6.
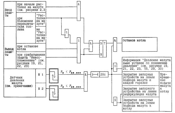
Рисунок 15 - Защита по понижению давления мазута. Мазутный котел
Примечание - Количество датчиков при выполнении защиты на микропроцессорной технике - см. п. 1.4.6.

Рисунок 16 - Защита по понижению давления мазута. Газомазутный котел
Примечание - Количество датчиков при выполнении защиты на микропроцессорной технике - см. п. 1.4.6.
Рисунок 17 - Защита по понижению давления мазута.
Пылеугольный и пылегазовый котлы
Примечание - Количество датчиков при выполнении защиты на микропроцессорной технике - см. п. 1.4.6.
Рисунок 18 - Защита по отключению одного из двух тягодутьевых механизмов или регенеративных воздухоподогревателей котла
Рисунок 19 - Защита «Невоспламенение первой или погасание факела всех газовых горелок, оснащенных ПЗК и ЗЗУ, или всех мазутных горелок, оснащенных ЗЗУ, при розжиге котла». Пылеугольный котел (кроме котлов АО ПМЗ), газовый и мазутный котлы
Примечание - Алгоритм сигнала о прекращении подачи пыли в котел определяется при проектировании
Рисунок 20 - Защита «Невоспламенение или погасание факела любой газовой горелки растопочной группы при розжиге котла». Газовый котел без ПЗК у горелок
Рисунок 21 - Защита «Невоспламенение первой или погасание факела всех газовых горелок, оснащенных ПЗК и ЗЗУ, или всех мазутных горелок, оснащенных ЗЗУ, при розжиге котла». Газомазутный и пылегазовый котлы
Рисунок 22 - Защита «Невоспламенение или погасание факела любой газовой горелки растопочной группы при розжиге на газе котла без ПЗК у газовых горелок». Газомазутный и пылегазовый котлы
Примечание - Алгоритм сигнала о прекращении подачи пыли в котел определяется при проектировании.
Рисунок 23 - Защита «Невоспламенение первой или погасание факела всех газовых горелок, оснащенных ПЗК и ЗЗУ, или всех мазутных горелок, оснащенных ЗЗУ, при розжиге котла». Пылеугольный котел АО ПМЗ
Примечание - Алгоритм сигнала о прекращении подачи пыли в котел определяется при проектировании.
Рисунок 24 - Защита «Невоспламенение или погасание факела газовой или мазутной горелки, оснащенной всережимным ЗЗУ»
Рисунок 25 - Условия вентиляции топки

Рисунок 26 - Запрет розжига горелок при растопке котла без вентиляции топки. Газовый и мазутный котлы
Примечание - Для котлов с ПЗК: «Запрет открытия первого запорного устройства на линии подвода топлива к каждой горелке». Для котлов без ПЗК: «Запрет открытия первого запорного устройства на линии подвода топлива к каждой горелке растопочной группы».

Рисунок 27 - Запрет розжига горелок при растопке котла без вентиляции топки. Газомазутный котел
Примечание - Для котлов с ПЗК: «Запрет открытия первого запорного устройства на линии подвода газа к каждой горелке». Для котлов без ПЗК: «Запрет открытия первого запорного устройства на линии подвода газа к каждой горелке растопочной группы».

Рисунок 28 - Запрет розжига горелок при растопке котла без вентиляции топки. Пылеугольный котел
Примечание - Алгоритм сигнала о прекращении подачи пыли в котел определяется при проектировании.

Рисунок 29 - Запрет розжига горелок при растопке котла без вентиляции топки. Пылегазовый котел
Примечания
1 Алгоритм сигнала о прекращении подачи пыли в котел определяется при проектировании.
2 Для котлов с ПЗК: «Запрет открытия первого запорного устройства на линии подвода газа к каждой горелке». Для котлов без ПЗК: «Запрет открытия первого запорного устройства на линии подвода газа к каждой горелке растопочной группы».
Рисунок 30 - Запрет розжига горелок при растопке котла без вентиляции топки. Пылегазовый котел. Вариант ввода блокировки, предложенный АО «ВНИПИЭнергопром»
Примечания
1 Алгоритм сигнала о прекращении подачи пыли в котел определяется при проектировании.
2 Для котлов с ПЗК: «Запрет открытия первого запорного устройства на линии подвода газа к каждой горелке». Для котлов без ПЗК: «Запрет открытия первого запорного устройства на линии подвода газа к каждой горелке растопочной группы».
3 Для котлов с ПЗК: «Закрыты первые запорные устройства на линии подвода газа ко всем горелкам». Для котлов без ПЗК: «Закрыты первые запорные устройства на линии подвода газа ко всем горелкам растопочной группы».
Рисунок 31 - Запрет розжига газовой горелки, не относящейся к растопочной группе
Рисунок 32 - Запрет подачи топлива к котлу. Запрет при закрытии воздушного шибера перед горелкой
Рисунок 33 - Запреты при розжиге горелки
Примечание - Условие вводится для газомазутных котлов.
Рисунок 34 - Блокировки запорного устройства на трубопроводе безопасности газовой горелки. Блокировки паровой и мазутной магистралей мазутной горелки
1 Правила безопасности в газовом хозяйстве: ПБ 12-368-00. - С.-Пб.: ЦОТПБСП, 2000.
2 Правила взрывобезопасности при использовании мазута в котельных установках: РД 34.03.351-93. - М.: СПО ОРГРЭС, 1994.