РОССИЙСКОЕ АКЦИОНЕРНОЕ ОБЩЕСТВО ЭНЕРГЕТИКИ
И ЭЛЕКТРИФИКАЦИИ "ЕЭС РОССИИ"
ОБЪЕМ И ТЕХНИЧЕСКИЕ
УСЛОВИЯ
НА ВЫПОЛНЕНИЕ
ТЕХНОЛОГИЧЕСКИХ ЗАЩИТ
И БЛОКИРОВОК
ГАЗОРЕГУЛЯТОРНЫХ ПУГКТОВ
РД 153-34.1-35.141-00
Разработано Открытым акционерным обществом "Фирма по наладке, совершенствованию технологии и эксплуатации электростанций и сетей ОРГРЭС"
Исполнители Н.И.ЧУЧКИНА, А.Н.ПОПОВ
Утверждено Департаментом стратегии развития и научно-технической политики РАО "ЕЭС России" 23.05.2000 г.
Первый заместитель начальника А.П.БЕРСЕНЕВ
|
ОБЪЕМ И ТЕХНИЧЕСКИЕ УСЛОВИЯ |
РД 153-34.1-35.141-00 Введено впервые |
Вводится в действие
с 01.10.2001
1.1. Настоящие "Объем и технические условия" составлены на основании "Правил безопасности в газовом хозяйстве: ПБ 12-368-00" (С.-Пб.: ЦОТПБСП, 2000), Циркуляра Ц-03-97 (Т) "О защите газопроводов от повреждений на участке от ГРП до горелок котлов" (М.: СПО ОРГРЭС, 1997), "Типовой инструкции по эксплуатации газового хозяйства тепловых электростанций: РД 34.20.514-92" (М.: СПО ОРГРЭС, 1994).
1.2. Данная работа распространяется на вновь проектируемые и реконструируемые в соответствии с документами, указанными в п. 1.1, газорегуляторные пункты (ГРП), общестанционные и блочные, с любым количеством линий редуцирования газа, с одним или двумя регулирующими клапанами на каждой линии, при наличии или отсутствии предохранительных запорных клапанов (ПЗК) на каждой линии или предохранительных сбросных клапанов с пружинным приводом (ПСК). Документ не распространяется на ГРП с регуляторами прямого действия в части командных воздействий на регуляторы и регулирующие клапаны.
1.3. Настоящий документ составлен с учетом следующего:
1.3.1. Предохранительные сбросные клапаны с пружинным приводом обеспечивают сброс газа при давлении газа за ГРП не более 1,15 рном.
1.3.2. Предохранительные запорные клапаны на ГРП устанавливаются, если какой-либо элемент газопроводов в пределах ГРП и на участке от ГРП до ПЗК котлов включительно не рассчитан на давление газа до ГРП.
1.3.3. При количестве одинаковых линий редуцирования газа на общестанционном ГРП не менее трех одна из них назначается аварийно-резервной ("АВР") и вводится в работу автоматически, остальные линии назначаются рабочими ("РАБОТА") и поочередно или одновременно участвуют в регулировании давления газа за ГРП.
На блочном ГРП при наличии двух линий, пропускная способность каждой из которых обеспечивает номинальную нагрузку энергоблока, одна из них назначается рабочей ("РАБОТА"), другая - аварийно-резервной ("АВР").
Неисправные или находящиеся в ремонте линии отключаются действием технологических защит и блокировок ("ОТКЛЮЧЕНО").
1.3.4. Линия малого расхода при работе ГРП может быть отключена или может участвовать в поддержании давления газа за ГРП.
Линия малого расхода не участвует в работе технологических защит.
1.3.5. Каждая линия редуцирования газа, за исключением линии малого расхода, может находиться в одном из трех состояний: "РАБОТА", "АВР", "ОТКЛЮЧЕНО".
Текущее состояние назначается оператором. Средства выборов определяются при проектировании АСУ ГРП.
1.3.6. Давление газа за ГРП поддерживается в пределах 10 % от рном автоматически регуляторами, действующими на электропривод регулирующего клапана, или регуляторами прямого действия.
1.3.7. В цепях управления арматурой ГРП, управляемой с двух мест: местного типа ГРП и щита управления одного из котлов (МЩУ, ГрЩУ или БЩУ), предусматривается один специальный переключатель выбора места управления, позволяющий управлять всей арматурой только с одного из щитов. Переключатель имеет два положения и устанавливается на щите управления котла, где постоянно дежурит оперативный персонал.
1.3.8. При срабатывании технологической защиты ее команды имеют длительность не менее максимального времени хода для исполнительных устройств данной защиты. Факт срабатывания защиты сигнализируется и при наличии возможности регистрируется.
1.3.9. Защиты по повышению давления газа за ГРП выполняется двухступенчатой. Первая ступень защиты одновременно с открытием ПСК запрещает неправильную работу регуляторов давления газа и при наличии на ТЭС и других ГРП подает команду на отделение от данного ГРП части котлов с помощью секционных задвижек. Запрет неправильной работы регуляторов может быть организован в их схемах.
Вторая ступень защиты отключает подачу газа на элементы схемы, не рассчитанные на давление до ГРП, путем закрытия ПЗК на ГРП или перед котлом, на котором также зафиксировано повышение давления.
1.3.10. Предусматривается предупредительная сигнализация изменения параметра в сторону срабатывания защиты.
1.4. В документе не рассмотрен способ автоматического регулирования давления газа за ГРП и технологические блокировки регуляторов. Эти вопросы решаются при проектировании АСУ ГРП.
1.5. На действующих ГРП технологические защиты и блокировки могут быть приведены в соответствие с требованиями настоящего документа полностью или в объеме отдельных защит или блокировок решением главного инженера электростанции. Новые ТЗ и блокировки ГРП должны быть выполнены в полном соответствии с данным документом.
1.6. На рис. 1 - 6 приведены структурные схемы защит и блокировок ГРП. На рис. 7 даны условные обозначения, принятые в структурных схемах.
Рис. 1. Структурная схема защиты по повышению давления газа за ГРП до 1 -го предела.
|
Примечания: 1. На рисунке представлен вариант контроля давления двумя датчиками дискретного сигнала. При контроле давления другим способом защита выполняется аналогично. 2. Схема дана для ГРП, имеющего я линий редуцирования в режиме "РАБОТА". 3. Выполняется при наличии на ТЭС двух ГРП и более |

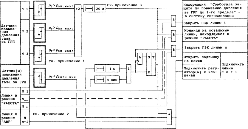
Рис. 2. Структурная схема защиты по повышению давления
газа за ГРП до 2-го предела для ГРП,
на которых установлены ПЗК.
|
Примечания: 1. На рисунке представлен вариант контроля
давления тремя датчиками дискретного сигнала. 2. Схема дана для ГРП, имеющего n линий редуцирования в режиме "РАБОТА" и одну линию - в режиме "АВР". 3. Выдержка времени
выполняется, если допустимое прочностное давление составляет не менее 140 % |

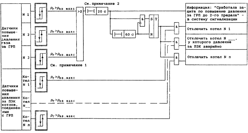
Рис. 3. Структурная схема защиты по повышению давления
газа за ГРП,
где все элементы газопроводов до ПЗК
котлов рассчитаны на давление газа до ГРП.
|
Примечания: 1. На рисунке
представлен вариант контроля давления тремя датчиками дискретного сигнала. 2. Выдержка времени выполняется, если допустимое прочностное давление составляет не менее 140 % максимального рабочего давления |

Рис. 4. Структурная схема защиты по понижению давления газа за ГРП.
|
Примечания: 1. На рисунке представлен вариант контроля давления тремя датчиками дискретного сигнала. При контроле давления другим способом защита выполняется аналогично. 2. Схема дана для ГРП, имеющего n линий редуцирования в режиме "РАБОТА" и одну линию - в режиме "АВР". 3. Выдержка времени соответствует максимальному времени хода задвижек, получающих команду при срабатывании данной защиты |

Рис. 5. Структурная схема блокировки по переводу линии редуцирования газа в новый режим.
Примечание: Определяется принятой схемой регулирования давления газа за ГРП

Рис. 6. Структурная схема блокировок при управлении арматурой ГРП с двух мест.
Примечание: Схема дана для ГРП, имеющего k единиц запорной и регулирующей арматуры на ГРП
Рис. 7. Условные обозначения, принятые в структурных схемах
Защиты
2.1. Повышение давления газа за ГРП до 1-го предела.
2.2. Повышение давления газа за ГРП до 2-го предела.
2.3. Понижение давления газа за ГРП.
Блокировки
2.4. Перевод линии редуцирования газа в режим "РАБОТА".
2.5. Перевод линии редуцирования газа в режим "АВР".
2.6. Перевод линии редуцирования газа в режим "ОТКЛЮЧЕНО".
2.7. Запрет управления арматурой с двух мест.
Давление контролируется за ГРП. Количество датчиков определяется при проектировании.
При давлении, соответствующему началу открытия ПСК, защита налагает запрет на открытие всех регулирующих клапанов рабочих линий. Запрет снимается при понижении давления ниже уставки сигнализации повышения давления. Запрет может быть выполнен как блокировка в схеме регулирования.
При наличии на ТЭС двух ГРП и более защита действует на закрытие секционных задвижек между ГРП.
Давление контролируется за ГРП тремя датчиками прямого действия - при выполнении защит на традиционных средствах или тремя датчиками с аналоговым выходом (предпочтительно 4 - 20 мА) - при выполнении защит на микропроцессорной технике.
Защита срабатывает при давлении, соответствующем 1,25 максимального рабочего давления.
Если допустимое прочностное давление составляет не менее 140 % максимального рабочего давления, защита срабатывает с выдержкой времени до 20 с.
На ГРП с ПЗК защита действует на закрытие ПЗК всех рабочих линий редуцирования. При понижении давления газа за ГРП до уставки сигнализации по понижению давления защита действует на подключение аварийно-резервной линии.
На ГРП, где элементы газапроводов до ПЗК котлов рассчитаны на давление газа до ГРП, дополнительным условием срабатывания защиты является повышение давления газа после ПЗК любого котла, соединенного с данным ГРП, до уставки по повышению давления за ГРП. Давление контролируется за ПЗК котла до его регулирующего клапана одним или большим количеством датчиков. При повышении давления газа за ГРП, защита действует на останов этого котла. Таким образом, отключаются все котлы, на которых одновременно с повышением давления за ГРП зафиксировано повышение давления газа за ПЗК.
На блочных ГРП защита действует на закрытие ПЗК ГРП.
Давление контролируется за ГРП теми же датчиками, что и для защиты по 3.2, включенными по той же схеме.
Защита действует на подключение аварийно-резервной линии редуцирования газа (открытие ее входной задвижки и подключение регулятора (ов) давления к регулирующим клапанам) и на отключение всех регуляторов давления газа, действующих на регулирующие клапаны линий, находящихся в режиме ″РАБОТА″.
При подаче команды на перевод линии редуцирования в режим ″РАБОТА″ армируются импульсные команды на:
- открытие входной задвижки;
- открытие выходной задвижки.
Состояние регулирующих клапанов этой линии по отношению к регулятору, поддерживающему давления газа (подключены к регулятору или отключены от него), определяется принятой схемой регулирования давления газа за ГРП.
При подаче команды на перевод линии редуцирования в режим “АВР” формируются импульсные команды на:
- закрытие входной задвижки;
- открытие выходной задвижки;
- отключение регулирующих клапанов от регулятора (регуляторов) давления и их открытие до установленной величины, определяемой при наладке.
Регулятор давления газа аварийно-резервной линии настраивается на поддержание рном
При подаче команды на перевод линии редуцирования в режим “ОТКЛЮЧЕНО” формируются импульсные команды на:
- закрытие выходной задвижки;
- закрытие входной задвижки.
Кроме того, снимается разрешение на воздействие защит и блокировок на задвижки и регуляторы данной линии.
Разрешается управление арматурой ГРП с МЩ ГРП, только если переключатель выбора места управления находится в положении в ″МЩ ГРП″.
СОДЕРЖАНИЕ