ОТРАСЛЕВОЙ РУКОВОДЯЩИЙ ДОКУМЕНТ
МЕТОДИЧЕСКИЕ УКАЗАНИЯ
ПО ИСПЫТАНИЯМ, ВЫБОРУ ПРОИЗВОДИТЕЛЬНОСТИ,
НАЛАДКЕ И ЭКСПЛУАТАЦИИ ВОДОСТРУЙНЫХ ЭЖЕКТОРОВ
КОНДЕНСАЦИОННЫХ УСТАНОВОК ПАРОВЫХ ТУРБИН
ТЕПЛОВЫХ ЭЛЕКТРОСТАНЦИЙ
РД 34.30.402-94
Срок действия с 01.07.1995
до 01.07.2005
РАЗРАБОТАНЫ Всероссийским дважды ордена Трудового Красного Знамени теплотехническим научно-исследовательским институтом (АООТ "ВТИ")
Разработчик Г.И. Ефимочкин, д.т.н.
УТВЕРЖДЕНЫ Департаментом науки и техники РАО "ЕЭС России" 28 декабря 1994 г. Заместитель начальника А.П. Берсенев
Настоящие Методические указания распространяются на водоструйные (водовоздушные) эжекторы, применяемые в качестве воздушных насосов для отсоса воздуха из конденсаторов паровых турбин на тепловых электростанциях и устанавливают требования к испытаниям, наладке и рациональной эксплуатации этих аппаратов.
С вводом в действие настоящих Методических указаний утрачивают силу "Руководящие указания по наладке и эксплуатации водоструйных эжекторов конденсационных установок паровых турбин" (СЦНТИ Энергонот ОРЕРЭС, Москва, 1971).
Положения настоящего нормативного документа подлежат применению расположенными на территории Российской Федерации предприятиями и объединениями предприятий, имеющими в своем составе (структуре) тепловые электростанции и котельные, независимо от форм собственности и подчинения.
|
Давление рабочей воды перед соплами водоструйного эжектора, МПа |
Рр |
|
Температура рабочей воды, °С |
tp |
|
Расход рабочей воды, г/с |
Gp |
|
Давление всасывания эжектора, кПа |
Рн |
|
Расход эжектируемого воздуха, г/с |
Gв |
|
Расход воздуха на выходе из воздухоотделителя, г/с |
|
|
Объемная производительность эжектора, м3/с |
Vн |
|
Давление насыщенного пара при температуре рабочей воды, кПа |
Pn |
|
Давление в конденсаторе, кПа |
Pк |
|
Расход пара в отсасываемой из конденсатора паровоздушной смеси, г/с |
Gn |
|
Нагрев воды в эжекторе, °С |
Δt |
|
Диаметр сопла входного сечения конденсатора камеры смешения, выходного сечения диффузора, мм |
d1; d2; d3; d4 |
|
Площадь сечения сопла, входного сечения конфузора, камеры смешения, выходного сечения диффузора, мм2 |
f1; f2; f3; f4 |
|
Скорость потока в соответствующем сечении эжектора, м/с |
w1; w2; w3; w4 |
|
Давление и температура водовоздушной смеси в сливной трубе после эжектора, кПа, °С |
Pc; tc |
|
Расстояние от выходного сечения сопла до входного сечения конфузора, мм |
lc |
|
Длина камеры смешения и диффузора, мм |
lкс; lд |
|
Площадь сечения эжектора, в которой происходит скачок давления, мм2 |
fск |
|
Паровое сопротивление конденсатора, трубопроводов между конденсатором и эжектором, входного участка эжектора, кПа |
ΔPк; ΔPтр; ΔPвх; |
|
Предельно допустимое давление в конденсаторе, кПа |
|
2.1 Водоструйный эжектор представляет собой одноступенчатый струйный аппарат, в котором истекающая из сопла струя рабочей воды захватывает, увлекает и сжимает в проточной части неконденсирующиеся газы и транспортирует их по трубопроводной сливной системе до места выброса в открытый канал или сливной колодец водовоздушного потока.
2.2 Водоструйные эжекторы, применяемые для конденсаторов паротурбинных установок, предназначены для поддержания определенного давления в конденсаторе путем постоянного удаления из него воздуха, проникающего через неплотности в вакуумной зоне паротурбинной установки (основные эжекторы), а также для набора вакуума при пуске паровой турбины (пусковой эжектор).
2.3 Основной характеристикой водоструйного эжектора является функциональная зависимость давления в приемной камере эжектора Рн от расхода воздуха, содержащегося в отсасываемой из конденсатора паровоздушной смеси Gв. Давление в конденсаторе Рк, определяемое в основном температурой охлаждающей воды, ее расходом и нагрузкой турбины, отличается от Рн на величину парового сопротивления конденсатора и трассы между конденсатором и эжектором. Расход отсасываемого водоструйным эжектором воздуха Gв определяется плотностью вакуумной системы паровой турбины.
2.4 Водоструйный эжектор отсасывает из конденсатора не только неконденсирующиеся газы (в основном воздух), но и некоторое количество пара, который конденсируется на струе рабочей воды и не требует затраты энергии на его сжатие. Соотношение расходов воздуха и пара в отсасываемой из конденсатора паровоздушной смеси зависит от плотности вакуумной системы, режимных параметров конденсатора и водоструйных эжекторов и числа работающих эжекторов.
2.5 На рисунке 1 изображена традиционная конструктивная схема водоструйного эжектора с указанием основных элементов и обозначением геометрических и режимных параметров.

1 - рабочее сопло, 2 - приемная камера, 3 - камера
смешения,
4 - диффузор, 5 - сливная труба, 6 - сжатая воздушная смесь,
7 - рабочая среда (вода), 8 - паровоздушная смесь из конденсатора.
Рисунок 1 - Схема водоструйного эжектора
Примером эжектора с короткой камерой смешения и диффузором является изображенный на рисунке 2 однокорпусный водоструйный эжектор с четырехструйным соплом.

1 - четырехструйное сопло, 2 - приемная камера, 3 -
камера смешения,
4 - диффузор, 5 - выход водовоздушной смеси,
6 - вход паровоздушной смеси, 7 - вход воды.
Рисунок 2 - Низконапорный водоструйный эжектор
с четырехструйным рабочим соплом
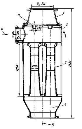
На рисунке 3 изображен разработанный ПОТ ЛМЗ четырехкорпусный эжектор типа ЭВ4-1400, применявшийся для первых модификаций турбин мощностью 300 МВт. Он состоит из четырех параллельно включенных однокорпусных эжекторов, имеющих общую приемную камеру, в которую подводится паровоздушная смесь из конденсатора турбины. Сброс водовоздушной смеси из четырех диффузоров производится в общий конический патрубок конфузорной формы, соединенный со сливной трубой. Опыт эксплуатации показал, что этот эжектор сильно вибрирует при работе.
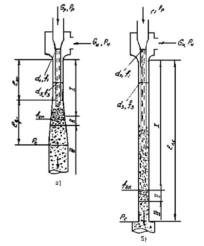
На базе проведенных в ВТИ исследований рабочего процесса в 70-х годах была предложена конструкция бездиффузорного водоструйного эжектора с удлиненными камерами смешения (каналами) постоянного сечения. На рисунке 4 "а" приведена конструктивная схема семиканального водоструйного эжектора типа ЭВ7-1000, который имеет значительно большую экономичность по сравнению с эжекторами ЭВ4-1400 и практически не вибрирует при работе. Новые эжекторы были внедрены на многих конденсационных турбинах мощностью 300 и 800 МВт.
Обозначения: 1 - входной патрубок воды, 2 - приемная
камера,
3 - камера смешения и диффузор (4 шт.), 4 - выходной патрубок,
5 - выход водовоздушной смеси, 6 - вход отсасываемой паровоздушной смеси,
7 - сопло (4 шт.)
Рисунок 3 - Водоструйный эжектор ЭВ-4-1400 ЛМЗ
а - семиканальный эжектор типа ЭВ-7-1000 ВТИ,
б - кольцевой эжектор, в - низконапорный эжектор с круглой камерой смешения;
1 - рабочее сопло, 2 - приемная камера, 3 - камера смешения,
4 - сливной трубопровод, 5 - выход водовоздушного потока,
6 - продольные ребра, 7 - вход паровоздушной смеси из конденсатора,
8 - напорная водяная камера, 9 - вход рабочей воды,
10 - окно для подвода эжектируемого воздуха.
Рисунок 4 - Конструктивные схемы водоструйных эжекторов
с удлиненной камерой смешения.
В ВТИ были разработаны и испытаны в промышленных условиях одно-, трех-, четырех и семиканальные эжекторы с камерами смешения диаметром 80, 100 и 125 мм. Исследования показали, что для каждого значения давления рабочей воды перед соплом существует оптимальное соотношение сечений камеры смешения и сопла, при котором его изотермический КПД имеет максимальное значение. Наибольшее распространение получил семиканальный эжектор, который был принят ПОТ ЛМЗ в серийное производство для новых турбин.
Двадцатилетний опыт эксплуатации канальных эжекторов на отечественных электростанциях показал, что с течением времени происходит эрозионный износ входных участков смесительных труб, приводящий к разуплотнению корпуса. Интенсивность эрозии возрастает при некачественной центровке рабочих сопл относительно смесительных каналов. При засорении сопла крупным мусором (куском дерева или камнем) происходит возвратное движение потока по соответствующему смесительному каналу, что как и расцентровка, но гораздо в большей степени приводит к снижению производительности эжектора.
Учитывая эти недостатки, ВТИ предложил конструкцию кольцевого эжектора (рисунок 4 "б"), в котором оси рабочих сопл расположены по окружности на равном расстоянии друг от друга и струи воды на них истекают в кольцевую камеру смешения, разделенную для исключения вибрации в нижней части продольными перегородками на отсеки. Этот эжектор хорошо показал себя в эксплуатации. Низконапорные эжекторы (при Рр < 0,3 МПа) целесообразно выполнять с однотрубной камерой смешения, в которую поступает вода из всех рабочих сопл. На рисунке 4 "в" показана конструктивная схема такого двенадцатисоплового эжектора, установленного на теплофикационной турбине. Рабочая вода к этому эжектору подводится непосредственно от циркуляционного насоса с малым напором. В нижней части камеры смешения, где обычно происходит резкое увеличение давления, предусмотрены, как и в кольцевом эжекторе, продольные ребра для гашения вибрации.
Основные характеристики применяемых на отечественных ТЭС водоструйных эжекторов приведены в таблице 1.
Таблица 1
Технические данные основных водоструйных эжекторов
|
Наименование параметров |
Тип эжектора |
|||
|
ЭВ4-1400
|
ЭВ4-830
|
ЭВ7-1000
|
ЭВК-1300
|
|
|
Диаметр рабочего сопла, мм |
75 |
45 |
46 |
32 |
|
Количество сопл, шт. |
4 |
4 |
7 |
18 |
|
Диаметр камеры смешения, мм |
115 |
82 |
100 |
Кольцевая
|
|
Количество камер, шт. |
4 |
4 |
7 |
1 |
|
Давление воды перед соплами, МПа |
0,343 |
0,736 |
0,47 |
0,474 |
|
Объемная производительность, м3/с |
0,6 |
0,533 |
0,97 |
1,26 |
|
Расход рабочей воды, м3/с |
0,43 |
0,23 |
0,278 |
0,361 |
|
Объемный коэффициент эжекции |
1,4 |
2,32 |
3,47 |
3,5 |
Примечания: 1. Приведенные опытные значения объемного коэффициента эжекции семиканального и кольцевого эжекторов (около 3,5) являются максимальными из достигнутых при оптимальных геометрических размерах, включая другие канальные эжекторы с тремя, четырьмя и одиннадцатью каналами.
2. В качестве насосов рабочей воды эжекторов или, как их еще иначе называют, подъемных насосов эжекторов (ПНЭ) применяются центробежные насосы типа 32Д19 (подача 4 - 5 тыс.т/ч, мощность 500 - 600 кВт); 20НДС (подача 2800 м3/ч, напор 0,45 МПа); 14НДС (подача 1260 м3/ч, напор 0,37 МПа, мощность 160 кВт); Д-3200-75 (подача 2700 м3/ч, напор 0,5 МПа). На турбине К-800-240-5 установлено два насоса Д-3200-75.
3. Канальные и кольцевой эжекторы, воздухоотделители и самоотмывающиеся фильтры могут быть изготовлены в мастерских электростанций. ВТИ может обеспечить необходимой проектной документацией.
2.6 Перед эжектором на линии отсоса паровоздушной смеси из конденсатора паровой турбины обычно устанавливают обратный клапан или гидрозатвор для защиты от заброса воды из эжектора в конденсатор в случае, например, отказа насоса рабочей воды. На рисунке 5 изображен разработанный ПОТ ЛМЗ для своих эжекторов обратный клапан, захлопывающийся при обратном течении потока и снабженный гидроприводом для принудительного закрытия. Изображенный на рисунке 6 гидрозатвор имеет меньшее, чем обратный клапан гидравлическое сопротивление, более прост и надежен в связи с отсутствием трущихся частей, но занимает больше места и не может использоваться в качестве запорного органа. На практике очень часто особенно при размещении водоструйного эжектора на большой высоте вообще не предусматривают защитных устройств, ограничиваясь выполнением небольшого подъемного участка на линии паровоздушной смеси непосредственно перед эжектором. Этот участок необходим для исключения возможности попадания из приемной камеры эжектора в конденсатор капельной влаги и ухудшения в связи с этим качества основного конденсата.
1 - сервомотор для принудительного закрытия, 2 - шток,
3 - подводы на уплотнения, 4 - корпус, 5 - тарелка клапана,
6 - вход паровоздушной смеси.
Рисунок 5 - Обратный клапан конструкции ЛМЗ

1 - гидрозатвор, 2 - срыв вакуума, 3 - паровоздушная
смесь из конденсатора,
4 - сброс воздушной смеси, 5 - водоструйный эжектор, 6 - подвод рабочей воды.
Рисунок 6 - Схема гидрозатвора конструкции ЛМЗ
2.7 При возможности засорения сопл водоструйного эжектора загрязнениями, содержащимися в рабочей воде, следует предусматривать фильтры. Наибольшее распространение получили фильтры в виде неподвижных конических сеток, предназначенные для задержки крупного мусора, извлечение которого производится при остановленном эжекторе через лаз. В последнее время в ВТИ разработана конструкция фильтра, который отмывается при работающем эжекторе. Целесообразность установки фильтра на трубопроводе рабочей воды перед водоструйным эжектором определяется местными условиями и в первую очередь качеством воды, видом загрязнений, диаметром рабочих сопл и проч.
2.8 Известны две схемы работы водоструйных эжекторов: замкнутая и разомкнутая.
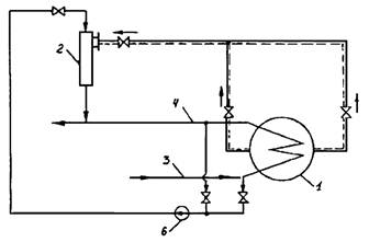
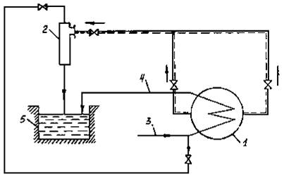
При замкнутой схеме водовоздушная смесь из эжектора поступает в сливной бак (воздухоотделитель), в котором происходит выделение воздуха, а вода забирается насосом и вновь подается на эжектор. Во избежание повышения температуры воды в замкнутом контуре в связи с конденсацией на струях в эжекторе пара, содержащегося в отсасываемой из конденсатора паровоздушной смеси, и нагревом воды в насосе либо устанавливают теплообменник, охлаждаемый циркуляционной водой (рисунок 7), либо организуют добавок в контур холодной воды (рисунок 8). Необходимость постоянного контроля за температурой воды в контуре и уровнем в воздухоотделителе несколько усложняет ее эксплуатацию.

1 - турбина, 2 - конденсатор, 3 - линия отвода
паровоздушной смеси,
4 - водоструйный эжектор, 5 - сливной бак, 6 - сброс воды в дренаж,
7 - насос, 8 - теплообменник, 9 - воздухомер,
10 - напорный циркводовод, 11 - сливной циркводовод.
Рисунок 7 - Замкнутая схема с теплообменником

1 - водоструйный эжектор, 2 - конденсатор, 3 - сброс
воды в дренаж,
4 - подъемный насос, 5 - сливной бак, 6 - добавок холодной воды.
Рисунок 8 - Замкнутая схема с добавком охлаждающей воды
Преимущества замкнутой схемы:
- исключает потери пара, конденсирующегося в эжекторе, если в контуре используют конденсат или химобессоленную воду;
- исключает сложную систему отвода водовоздушной смеси после эжекторов в сливной канал, находящийся за пределом машинного зала;
- обеспечивает углубление вакуума в конденсаторе от подачи в него дополнительного расхода воды, отводимой при разомкнутой схеме в эжекторную установку и не поступающего в конденсатор;
- исключает заброс циркуляционной воды в конденсатор и засорение рабочих сопл, что повышает надежность работы турбины.
Несмотря на эти преимущества, замкнутая схема не нашла пока применения на отечественных электростанциях.
В разомкнутой схеме рабочая вода для эжекторов забирается непосредственно из напорной линии циркуляционных насосов, либо подается специальным подъемным насосом (рисунок 9), а водовоздушная смесь после эжекторов сбрасывается в сливной канал.
а) с подъемным насосом

б) без подъемного насоса, с низконапорным эжектором

1 - конденсатор, 2 - водоструйный эжектор,
3 - подвод циркуляционной воды, 4 - отвод циркуляционной воды,
5 - сливной канал, 6 - подъемный насос рабочей воды.
Рисунок 9 - Разомкнутые схемы питания водоструйного эжектора
2.9 При установке двух и более параллельно работающих водоструйных эжекторов максимальная экономия реализуется в том случае, когда каждый эжектор имеет индивидуальный подъемный насос. Если же все эжекторы получают рабочую воду от одного насоса, то от отключения эжектора реализуется лишь малая доля от экономии энергии на собственных нуждах.
На каждой турбоустановке следует предусматривать не менее двух водоструйных эжекторов: рабочего и резервного. При этом целесообразно, чтобы производительность рабочего эжектора составляла примерно половину от производительности резервного. В этом случае при работе одного рабочего эжектора с индивидуальным насосом обеспечиваются минимальные затраты на воздухоудаление и максимальная надежность при ухудшении воздушной плотности или отказе эжектора в результате засорения сопла.
2.10 Водоструйный эжектор целесообразно устанавливать вертикально для обеспечения движения потока сверху вниз с использованием сифонного эффекта, повышающего экономичность эжектора. Поэтому сливной трубопровод после эжектора должен также быть вертикальным вплоть до воздухоотделителя, который обычно располагают на нулевой отметке. Если его установка не предусмотрена, то смесь до сливного канала отводится по горизонтальному участку, который должен быть прямолинейным, без уток, подъемов и петель.
На современных турбинах большой мощности все сливные трубопроводы эжекторов врезаются в один общеблочный или общестанционный коллектор, по которому водовоздушная смесь сбрасывается в сливной канал. Опыт показал, что такие сливные системы сильно вибрируют, а производительность основных эжекторов уменьшается по сравнению с расчетной. Во избежание этого следует на сливной линии каждого эжектора устанавливать индивидуальный воздухоотделитель, как это показано на рисунке 10.
1 - турбина, 2 - конденсатор, 3 - подъемный насос
эжекторов (ПНЭ),
4 - основной водоструйный эжектор, 5 - сливной водовод,
6 - воздухомер, 7 - воздухоотделитель, 8 - отвод воды, 9 - сливная магистраль,
10 - эжектор отсоса воздуха из уплотнений.
Рисунок 10 - Разомкнутая схема с воздухоотделителями
3.1 Основной характеристикой эжектора является зависимость давления (вакуума) в его приемной камере от расхода эжектируемого воздуха Рн = f(Gв) при неизменных значениях давления и температуры рабочей воды Рр и tp и давления в сливной трубе за эжектором Рс. Характеристика эжектора при отсасывании сухого воздуха в довольно широких пределах изменения давления всасывания линейна иногда с некоторыми отклонениями особенно на начальном участке и при высоких давлениях всасывания. В безрасходном режиме при Gв = 0 давление в приемной камере близко к давлению насыщенного пара Рn при температуре рабочей воды tp. Объемная производительность эжектора Vн определяется в метрах кубических на секунду по формуле:
Линейной характеристике Рн = f(Gв) соответствует постоянство объемной производительности, представляющей собой тангенс угла наклона характеристики к оси абсцисс α (рисунок 11). Наличие пологих участков соответствует увеличению Vн. Объемная производительность эжектора Vн при номинальных режимных параметрах Рр, tp и Рс отнесенная к объемному расходу рабочей воды Vp = 0,785d12·w1 м3/с, является основным удельным показателем эффективности работы эжектора, называемым объемным коэффициентом эжекции Uо, с помощью которого обычно сравнивают между собой разные эжекторы.

1 - линейный участок характеристики, 2 - участок
характеристики с начальной кривизной,
3 - пологий участок характеристики, 1', 2', 3' -
соответствующие значения объемной производительности.
Рисунок 11 - Характеристика эжектора Рн = f(Gв) и зависимость Vн = f(Gв)
3.2 Водовоздушная смесь сжимается в эжекторе до давления Рс, устанавливающегося за эжектором в сливной трубе. Эго давление при вертикальном расположении эжектора определяется высотой его установки над уровнем воды в сливном колодце Δh, а также плотностью смеси ρсм и сопротивлением сливной трубы ΔPс.т в мегапаскалях по формуле:
|
Рс = Рб - Δh·ρсм·g·10-6 + ΔPс.т. |
(2) |
При увеличении противодавления Рс
путем прикрытия задвижки на сливной трубе возможны два режима: предельный, при
котором изменение Рс не оказывает влияния на давление в
приемной камере Рн, и допредельный, при котором увеличение Рс
приводит к увеличению Рн. В обоих случаях при достижении
предельного значения
происходит срыв работы эжектора
вследствие того, что кинетическая энергия струи рабочей воды становится
недостаточной для сжатия водовоздушного потока до какого-то максимального для
данного эжектора противодавления
, зависящего в основном от его
конструкции и режимных параметров (рисунок 12). Увеличение высоты установки
эжектора Δh уменьшает
противодавление. Максимальное увеличение Δh
в целях обеспечения устойчивого режима работы сифона должно быть не более 8 м.

Рисунок 12 - Характеристики эжектора при изменении противодавления Рс
3.3 Характеристики эжектора при отсасывании сухого воздуха, соответствующие различным значениям температуры рабочей воды, размещаются эквидистантно по отношению друг к другу, т.е. при данном значении Gв ординаты характеристик различаются на величину разности давлений насыщения при данных температурах. Это свидетельствует о том, что объемная производительность от температуры воды не зависит (рисунок 13 "а").
Рисунок 13 - Характеристики эжектора при изменении температуры tp и давления рабочей воды Рр.
3.4. Характеристики эжектора, соответствующие различным
давлениям рабочей воды перед соплами Рр, исходят в виде лучей
из точки на оси ординат, представляющей собой значение давления насыщения при
температуре рабочей воды. Максимальное давление
определяется типом выбранного насоса
рабочей воды и сопротивлением трассы до эжектора. С уменьшением Рр
путем прикрытия задвижки на этой трассе давление Рн увеличивается
и характеристика располагается круче, что соответствует уменьшению объемной
производительности. При каком-то, определенном для данного эжектора давлении Рр
=
, происходит срыв, и его приемная камера
наполняется водой (рисунок 13
"б").
3.5 Движущийся в проточной части эжектора водовоздушный поток имеет три характерных зоны. В первой по ходу потока зоне происходит распад на капли истекающей из сопла с большой скоростью струи рабочей воды, захват и увлечение в камеру смешения окружающего воздуха. Во второй зоне захваченный воздух сжимается до заданного противодавления, определяемого величиной Рс. При этом происходит скачкообразный переход кинетической энергии движущейся струи в энергию давления с резким торможением потока и изменением его структуры от капельной до эмульсионной (или сотовой), характерной тем, что пузырьки воздуха разделены пленками воды при отсутствии скольжения фаз.
В третьей зоне непосредственно за скачком давления заканчивается формирование однородного двухфазного потока при полном заполнении сечения камеры смешения и сливной трубы.
Месторасположение зоны скачка давления в проточной части
эжектора зависит от его типа и геометрических размеров, а также режимных
параметров: в основном давлений Рр, Рс и Рн
и расходов Gв и Gp. При увеличении при
прочих неизменных условиях или уменьшении Рр зона скачка
давления перемещается навстречу потоку в сторону приемной камеры, при
достижении которой происходит срыв работы эжектора. Соответствующие этому значения
Рс и Рр считаются для данного эжектора
предельными
и
.
3.6. Давление в приемной камере Рн при увеличении может либо сохраняться неизменным, либо увеличиваться. В первом случае считается, что эжектор работает в предельном режиме, во втором - в допредельном. Работа эжектора в предельном режиме обычно наблюдается при низких значениях расхода эжектируемого воздуха Gв, а в допредельном - при высоких (рисунок 13). Переход с предельного режима к допредельному происходит плавно без существенного изменения объемной производительности эжектора. Уменьшение давления всасывания эжектора при уменьшении противодавления возможно только для эжектора, работающего в допредельном режиме.
3.7 На рисунке 14 показаны эжекторы двух типов: с короткой камерой смешения и диффузором и без диффузора с удлиненной камерой смешения, объемный коэффициент эжекции которого вдвое больше, чем у первого. Характер течения потоков эжекторов отличается тем, что у первого эжектора скачок давления обычно находится в диффузоре в сечении, отношение площади которого fск к площади выходного сечения сопла f1 значительно больше оптимального значения, что приводит к увеличению потерь энергии при сжатии захваченного воздуха. В эжекторе же с удлиненной камерой смешения площадь сечения скачка давления fск равна площади сечения камеры смешения f3, которая выбирается из условия: fск: f1 = (f3 : f1)опт. При (f3 : f1)опт сводится к минимуму вихревая область в зоне скачка давления, что хорошо видно из рисунка 15. Длина первой зоны распада и расширения рабочей струи второго эжектора значительно больше, что приводит к более равномерному распределению капель по сечению. Все это способствует росту объемной производительности второго эжектора по сравнению с первым. Второй эжектор при низких значениях Рн работает в предельном режиме, а первый - в допредельном. Отсюда следует, что для конденсационных установок нужно применять водоструйные эжекторы с удлиненной камерой смешения.
а) - с короткой камерой смешения и диффузором; б) - с
удлиненной камерой смешения;
I - зона распада рабочей струи; II - зона скачка давления;
III - зона течения однородного двухфазного потока.
Рисунок 14 - Характер течения водовоздушного потока в водоструйных эжекторах
а) - с короткой камерой смешения и диффузором;
б) - с удлиненной камерой смешения;
в) - изменение давления по длине эжектора б)
Рисунок 15 - Зона скачка давления в водоструйном эжекторе
4.1 В разделе 3 рассматривались характеристики эжектора при отсасывании сухого воздуха. Однако основные эжекторы отсасывают из конденсатора не сухой воздух, а насыщенную паровоздушную смесь, содержание пара в которой определяется главным образом содержанием в ней воздуха. Пар конденсируется на струе рабочей воды эжектора до зоны скачка давления и энергия рабочей струи на его сжатие, как, например, в пароструйных эжекторах, не расходуется. В установившемся режиме эжектор обеспечивает поддержание в конденсаторе постоянного давления Рк (вакуума). При отключении эжектора Рк давление начинает расти со скоростью, зависящей от плотности вакуумной системы.
4.2 Давление в горловине конденсатора Рк определяется давлением всасывания эжектора Рн, изменяющемся в соответствии с его характеристикой на сухом воздухе, и паровым сопротивлением между конденсатором и эжектором, основными составляющими которого являются: паровое сопротивление трубного пучка конденсатора ΔР, сопротивление паропровода между конденсатором и эжектором ΔРтр и сопротивление от места входа паровоздушного потока в приемную камеру эжектора до струи рабочей воды, на которой конденсируется пар ΔРвх.
Таким образом
|
Рк = Рн + ΔРк + ΔРтр + ΔРвх. |
(3) |
С увеличением фактического расхода
воздуха
в отсасываемой эжектором паровоздушной
смеси до определенного предельного значения Gв*
давление в конденсаторе Рк практически сохраняется
неизменным, давление всасывания эжектора увеличивается, а все составляющие
парового сопротивления, входящие в формулу (3), и расход пара в смеси Gn
уменьшаются. Точка пересечения зависимости Рк = f(Gв)
с характеристикой эжектора на сухом воздухе Рн = f(Gв)
соответствует практическое равенство Рк = Рн,
предельное значение расхода воздуха Gв* и очень
малый расход пара в отсасываемой смеси. Давление в конденсаторе начинает
увеличиваться при
> 0,8Gв*.
Эго увеличение зависит от многих факторов и пока данных для его количественной
оценки недостаточно.
При дальнейшем увеличении
> Gв*
давление в конденсаторе полностью определяется характеристикой эжектора вплоть
до предельно-допустимого вакуума в конденсаторе
, зависящего от надежности лопаточного
аппарата последней ступени турбины (рисунок 16). При этом эжектор работает
нормально без срыва, с постоянной объемной производительностью и с минимальным
расходом пара в смеси. Этим водоструйный эжектор выгодно отличается от
пароструйного, который при определенном расходе воздуха перегружается и
происходит срыв, что приводит к необходимости останова турбины.

Рисунок 16 - Зависимости давления в конденсаторе (а)
и расхода пара в отсасываемой смеси Gn (б) от расхода воздуха
4.3. При увеличении температуры рабочей воды характеристика
водоструйного эжектора перемещается эквидистантно на величину разности
давлений насыщенного пара,
соответствующих температурам
(рисунок 17).
При этом горизонтальный участок зависимости Рк = f(Gв) уменьшается на величину разности
расходов воздуха
. Эго означает, что если фактический
присос воздуха составлял
, то давление в конденсаторе увеличится
на величину ΔРк с соответствующей потерей экономичности.
Давление не изменится только в том случае, если фактический присос
не превышает
. Следует учесть, что данная ситуация
возможна лишь в редких для отечественной практики случаях работы эжекторов по
замкнутой схеме или при разомкнутой схеме, но использовании для эжекторов воды
из сливного циркуляционного водовода. В последнем случае при низком присосе
воздуха повышается расход охлаждающей воды в конденсаторе, что приводит к углублению
вакуума и повышению экономичности, а также снижаются потери пара,
конденсирующегося в водоструйном эжекторе.

Рисунок 17 - Зависимости Рк и Рн
от расхода воздуха
при изменении температуры рабочей воды tp.
4.4 При увеличении объемной производительности эжекторной
установки с
до
путем увеличения давления рабочей воды
или подключения в параллельную работу нескольких эжекторов их суммарная
характеристика становится положе, что приводит к увеличению протяженности
горизонтального участка зависимости Рк = f(Gв).
Это означает, что расчетное давление в конденсаторе Рк
обеспечивается при более высоком расходе воздуха, присасываемого в вакуумную
систему
(рисунок 18). Вместе с тем увеличивается
и затрата энергии на обеспечение работы эжекторной установки. При фактическом
присосе воздуха
целесообразно работать при меньшей
объемной производительности
, причем, чем
меньше отличается от
, тем меньше пара содержится в
отсасываемой из конденсатора паровоздушной смеси, что весьма выгодно поскольку
этот пар конденсируется в эжекторе и теряется из цикла. Увеличивать объемную
производительность следует при увеличении фактического присоса воздуха свыше
, когда происходит ухудшение вакуума в
конденсаторе в соответствии с характеристикой эжектора с объемной
производительностью
на величину
.
Рисунок 18 - Зависимости Рк и Рн
от расхода воздуха
при изменении объемной производительности эжектора Vн.
Если
увеличится более
, то следует либо подключать второй насос
или третий эжектор (если он имеется), либо работать с ухудшенным вакуумом на
величину
с соответствующей потерей экономичности
и одновременно провести поиск неплотностей и уплотнение вакуумной системы.
4.5 В установившемся режиме давление в конденсаторе
поддерживается постоянным и независимым в пределах горизонтального участка от
расхода присасываемого воздуха. При изменении режимных параметров конденсатора
давление Рк изменяется. К увеличению давления Рк
при неизменном расходе воздуха, присасываемого в вакуумную систему
, приводит увеличение температуры
охлаждающей воды
, уменьшение ее расхода, увеличение
расхода поступающего в конденсатор пара, а также увеличение отложений в
конденсаторных трубках. Новому значению
(рисунок 19) соответствует большая
протяженность горизонтального участка, большее паровое сопротивление
вместо
и больший расход конденсирующегося в
эжекторе пара
при данном
.

Рисунок 19 - Зависимости Рн, Рк и Gn от расхода воздуха при изменении Рк.
При отборе воды на эжекторы из напорного циркуляционного
водовода, когда
= tp,
в летнее время протяженность горизонтального участка зависимости Рк
= f(Gв) всегда значительно больше,
чем в зимнее, т.е.
(рисунок 20). Соответственно летом
больше и паровое сопротивление
и расход конденсирующегося в эжекторе
пара
.

Рисунок 20 - Зависимости Рк, Рн, ΔРк от расхода воздуха в зимнее и летнее время.
5.1. В соответствии с требованиями п. 4.4.19 Правил технической эксплуатации электрических станций и сетей (ПТЭ-89) присосы воздуха Gв в килограммах в час, в диапазоне изменения паровой нагрузки конденсатора от 40 до 100 % должны быть не выше значений, определенных по формуле
где N - номинальная мощность турбоустановки на конденсационном режиме, МВт.
Таким образом, для турбины 300 МВт максимальный присос воздуха составляет 7,6 г/с (27,5 кг/ч), а для турбины 800 МВт 16,6 г/с (60 кг/ч).
Объемную производительность рабочего водоструйного эжектора определяют, исходя из максимально допустимого присоса Gв, умноженного на коэффициент n = 3. Кроме того, предусматривают пуско-резервный эжектор той же производительности.
Объемную производительность определяют по формуле (1) при условии, что G* = n Gв и Pк ≈ Pн. Тогда, принимая n = 3, а давление в конденсаторе в соответствии с нормативной характеристикой для турбины 300 МВт при номинальных условиях и температуре охлаждающей воды 15 °С равным Рк = 4,4 МПа, получим
![]()
5.2 Схему включения эжекторной установки проектируют, исходя из существующей системы водоснабжения, типа и состава оборудования и других местных условий. При применении основных водоструйных эжекторов целесообразно использовать также и однотипные эжекторы для отсоса воздуха из циркуляционной системы и отсоса воздуха из уплотнений турбины.
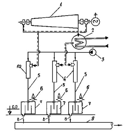
На рисунке 21 приведена рекомендуемая схема включения водоструйных эжекторов для конденсационной турбины мощностью 300 МВт с прямоточной системой водоснабжения. В качестве основных эжекторов целесообразно использовать два кольцевых эжектора с удлиненной камерой смешения разной производительности при расходе рабочей воды 600 и 1000 т/ч. Эти эжекторы при давлении рабочей воды перед соплами Рр = 0,4 МПа имеют объемную производительность соответственно 2000 и 3500 м3/ч. Эжектор меньшей производительности следует использовать в качестве рабочего, а второй - резервного. Рабочую воду для основных эжекторов, эжектора уплотнений с Vp = 230 т/ч и эжектор циркуляционной системы с Vp = 150 т/ч подводят из напорного циркуляционного водовода с помощью двух центробежных насосов; например 14НДС, один из которых рабочий, а другой резервный. При нормальных условиях затрата энергии на эжекторную установку и работе одного насоса составляет около 160 кВт ч.

1 - паровая турбина, 2 - конденсатор, 3 - рабочий
водоструйный эжектор,
4 - резервный эжектор, 5 - эжектор циркуляционной системы, 6 - эжектор
уплотнений,
7 - насосы рабочей воды для эжекторов, 8 - на собственные нужды энергоблока,
9 - теплообменник для конденсации пара (ПС-115), 10 - отсос из водяных камер
конденсатора, 11 - циркуляционные водоводы, 12 - рабочая вода эжекторов,
13 - слив водовоздушной смеси из эжекторов, 14 - паровоздушная смесь.
Рисунок 21 - Рекомендуемая схема эжекторной установки для турбины 300 МВт.
При ухудшении воздушной плотности вакуумной системы включается резервный насос, автоматически открываются задвижки на напорной линии подвода рабочей воды и отсоса из конденсатора паровоздушной смеси перед резервным эжектором. В этом случае оба основных эжектора с суммарной объемной производительностью 5500 м3/ч способны при tp = 15 °С без ухудшения вакуума отсосать 160 кг/ч воздуха. При этом должны быть приняты меры к возможно более быстрому устранению неплотностей.
Отключение ненужных по условию работы конденсационной установки эжекторов позволяет уменьшить не только затрату энергии на удаление воздуха, но и потерю пара, конденсирующегося в основных водоструйных эжекторах.
Следует отметить, что рекомендуемая схема пригодна для турбоустановок, у которых воздушная плотность вакуумной системы близка к нормативной. Однако опыт эксплуатации показал, что нередко воздушная плотность турбоустановок в два - три раза хуже нормативной. В этих случаях оказывается более выгодным иметь повышенный резерв по производительности водоструйных эжекторов, чем работать с ухудшенным вакуумом. Решение об увеличении или уменьшении этого резерва принимают на месте в зависимости от состояния оборудования и уровня эксплуатации.
5.3 При проектировании компоновки сливных линий водоструйных эжекторов не следует объединять их друг с другом, а также с другими сбросными водоводами от турбоустановки, так как это при повышенных расходах отсасываемого воздуха может вызвать пульсацию давления, вибрацию трубопроводов и срыв сифона. Иногда пульсация давления в сливных линиях приводит к повышению давления в приемной камере эжекторов Рн. Во избежание этих негативных явлений на нескольких турбинах мощностью 800 МВт основные эжекторы были снабжены воздухоотделителями, которые являются своего рода компенсаторами, исключающими влияние на эжекторы сливной системы. Выделение воздуха из водовоздушного потока до его поступления в общую сливную магистраль радикально улучшает условия работы всей сливной трассы вплоть до сливного канала, что повышает надежность и экономичность работы турбины (рисунок 10).
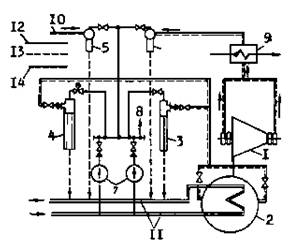
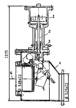
6.1 После установки основных эжекторов следует оснастить их контрольно-измерительными приборами согласно рисунку 22, провести контрольные испытания каждого эжектора на сухом воздухе, а затем сравнить полученную характеристику с расчетной. Если обнаружатся отличия, то следует выяснить и устранить причину несовпадения характеристик.

1 - основной водоструйный эжектор с кольцевой камерой
смешения типа ЭВК-1300 ВТИ,
2 - сливная труба, 3 - воздухоотделитель, 4 - сливной циркуляционный водовод,
5 - паровоздушная смесь из конденсатора, 6 - рабочая вода от эжекторных
насосов,
7 - воздухомер, Рн, Рр, Рc, Рв - манометры для измерения давления.
Рисунок
22 - Схема компоновки кольцевого эжектора на турбине
800 МВт Пермской ГРЭС с расположением КИП
6.2 Испытания каждого эжектора на сухом воздухе проводят индивидуально. Задачей испытаний является определение зависимости давления в приемной камере Рн от расхода подаваемого в нее через специальное устройство воздуха Gв при определенном давлении рабочей воды перед соплами Рр, ее температуре tp и противодавлении за эжектором Рс.
Поскольку значения Рн
обычно не превышают 0,02 - 0,03 МПа, расход подаваемого в приемную камеру
воздуха целесообразно измерять при помощи сменных сопл, которые работают при
критическом перепаде давлений. Расход
в граммах на секунду через них
определяется только диаметром сопла
|
|
(5) |
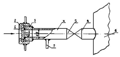
Устройство для впуска воздуха представляет собой толстостенную трубу с вентилем посредине (рисунок 23). Одним концом эту трубу приваривают к всасывающей полости эжектора, а по второму башмак, внутри которого имеется гнездо для сменных сопл, удерживаемых с помощью накидной гайки. Такое устройство следует установить на всех эжекторах, так как с его помощью можно оперативно снять характеристику на сухом воздухе, по которой можно судить об исправности эжектора.

1 - сопло (сменное), 2 - нажимная гайка, 3 - башмак, 4
- труба,
5 - вентиль, 6 - поверхность вакуумной системы, 7 - штуцер.
Рисунок 23 - Устройство для впуска воздуха
Поскольку применение ртутных манометров запрещено на электростанциях органами Госсанэпиднадзора, для измерения вакуума в конденсаторе и на входе эжектора следует использовать в качестве первичного датчика преобразователи абсолютного давления " Сапфир-22ДА" моделей 2020 или 2030 класса 0,25 и 0,5, выпускаемых МПО "Манометр" (г. Москва). Измерения проводят в соответствии с РД 34.11.304-90 "Методика выполнения измерений давления отработавшего пара в конденсаторах паровых турбин". Для измерения небольших разрежений или избыточных давлений в сливных трубах Рс и воздухоотделителях Рв.о следует использовать механические мановакуумметры.
Давление рабочей воды перед соплами эжектора можно измерять с помощью образцового манометра или штатного прибора. Температуру рабочей воды перед эжектором следует измерять при помощи ртутного термометра, который следует устанавливать в термометрическую гильзу, предварительно очищенную и залитую маслом. Такие же гильзы следует установить на линии подвода паровоздушной смеси, в сливной трубе и в баке воздухоотделителя.
На одном из эжекторов следует провести измерение давления в нескольких точках по длине камеры смешения и в сливной трубе, что позволит определить месторасположение зоны резкого повышения давления.
В верхней части воздухоотделителя следует установить воздухомер для измерения расхода выделяющегося из воды воздуха.
Изготовление и приварку штуцеров для измерения давления, термометрических гильз и устройства для впуска воздуха ведут в период монтажа эжекторной установки. Изготовление и оснащение КИП ведет цех наладки электростанции перед ее опробыванием.
6.3 Перед испытаниями на сухом воздухе эжектор отключают от конденсатора закрытием задвижки на линии подвода паровоздушной смеси. Затем подводят воду к рабочим соплам от эжекторных насосов. Изменением числа включенных насосов и прикрытием задвижки на линии подвода воды может быть установлено желаемое давление рабочей воды перед соплами эжектора Рр. При выбранном Рр вначале определяют давление при безрасходном режиме, когда воздух на вход эжектора не подается. Если измеренное давление Рн окажется близким давлению насыщенных паров при температуре рабочей воды tр, то это свидетельствует об исправности эжектора и отсутствии посторонних присосов в его корпус. Затем проводят измерение параметров при впуске воздуха через сменные сопла.
В период резких изменений Gв при смене сопл возможно попадание воды в импульсные линии приборов измерения разрежения. В этом случае их следует продуть атмосферным воздухом с помощью зажимов на тройниках, установленных около вакуумметров. По полученным параметрам строят характеристики эжектора Рн = f(Gв) при различных Рр и tр, а затем определяют и сопоставляют между собой опытные и расчетные значения объемного коэффициента эжекции.
В некоторых режимах при низких температурах рабочей воды tр < 5 °С и впуске воздуха непосредственно во входной патрубок эжектора возможно обледенение приемной камеры эжектора и повышение давления Рн. Это связано с фактическим снижением температуры движущегося с большой скоростью воздуха и замерзанием капелек воды в потоке. При прекращении подачи воздуха наледь исчезает. Учитывая это, следует избегать возникновения такого явления при испытаниях на сухом воздухе из-за искажений измерений.
В качестве примера на рисунках 24 и 25 приведены характеристики применяемых на турбинах мощностью 300 и 800 МВт основных водоструйных эжекторов типа ЭВ4-1400 и ЭВ7-1000.

Рисунок 24 - Характеристики водоструйного эжектора ЭВ-4-1400
ЛМЗ
при отсасывании сухого воздуха (по данным ОРГРЭС):
Рр = 3,4 ÷ 3,7 бар, Рс = 0,67
÷ 0,7 бар, tвозд = 17 ÷ 20 °С.

Рисунок
25 - Характеристика эжектора типа ЭВ7-1000 на сухом воздухе
(по испытаниям ОРГРЭС и ВТИ на Пермской ГРЭС)
Рр = 0,46 МПа, Рс = 0,08 ÷ 0,09 МПа.
6.4 Объем измерений при испытаниях эжекторов на паровоздушной смеси, отсасываемой из конденсатора, зависит от поставленных задач. Обычно для эксплуатации представляет интерес построение фактических зависимостей давления в конденсаторе Рк от расхода воздуха, присасываемого и дополнительно подаваемого в вакуумную систему при работе одного, двух и трех водоструйных эжекторов. Для получения этих зависимостей следует производить измерение давления в выхлопном патрубке конденсатора при естественном присосе воздуха, а также дополнительной его подаче непосредственно в горловину конденсатора через устройство с помощью критических сопл. При этих испытаниях в отдельных опытах возможно ухудшение в установленных пределах вакуума в конденсаторе. При впуске дополнительного воздуха в горловину конденсатора установившийся режим работы конденсатора наступает через 20 - 30 мин, поэтому эти испытания продолжительнее, чем на сухом воздухе. При испытаниях на паровоздушной смеси можно определить расход присасываемого в вакуумную систему воздуха и оценить воздушную плотность турбоустановки.
Для турбины мощностью 800 МВт присос воздуха в вакуумную систему согласно формуле (4) не должен превышать
Gв = 8 + 0,065·800 = 60 кг/ч.
Для эксплуатации полезно также знать величину расхода пара, содержащегося в отсасываемой из конденсатора паровоздушной смеси. Этот пар конденсируется на струях рабочей воды и теряется из цикла. Его расход может быть определен из уравнения теплового баланса по нагреву воды в эжекторе Gn в граммах на секунду по формуле:
|
|
(6) |
где Gp - расход рабочей воды, г/с;
Δt - нагрев воды в эжекторе, °С;
in - энтальпия насыщенного пара;
= 0,24(Рр - Рс)
- нагрев воды в данном эжекторе при отсасывании сухого воздуха, °С;
Рр и Рс - давление воды и смеси до и после эжектора, МПа.
Поскольку нагрев воды в водоструйном эжекторе невелик (обычно до 1 °С), он требует точного измерения. Для этого могут быть использованы метастатические термометры, имеющие пятиградусную основную шкалу и точность измерения 0,01 °С и предназначенные для измерения разности температур потока в установившемся режиме.
Абсолютное значение расхода теряемого в эжекторах пара, отсасываемого из конденсатора вместе с воздухом, зависит от многих геометрических и режимных факторов, из которых главными являются расход воздуха в отсасываемой смеси и температура рабочей воды. Максимальный расход теряемого пара составил на турбину мощностью 300 МВт в летнее время около 0,8 кг/с. Зимой расход уменьшается в 3 - 4 раза.
6.5 Основным критерием нормальной работы эжектора является совпадение измеренного давления в приемной камере эжектора Рн при работе его на безрасходном режиме, т.е. Gв = 0 с давлением насыщенных паров при температуре рабочей воды. Эго измерение следует проводить при каждом пуске эжектора. Если Рн >> Рn то нужно выяснить и устранить причину. Характерными причинами являются: разуплотнение корпуса эжектора, например, в результате сквозного эрозионного разрушения стенки; недостаточное давление рабочей воды или повышенное противодавление за эжектором.
После опробывания эжектора на безрасходном режиме с номинальным давлением рабочей воды и достижении устойчивой работы сифона можно открыть задвижку на всасывающей линии и соединить эжектор с конденсатором. В момент соединения в эжекторе прекращается характерный треск и шум в зоне повышения давления, связанный с ударной конденсацией пара, образующейся при вскипании воды в корпусе эжектора, где устанавливается давление несколько ниже давления насыщенных паров. При пуске турбины подключение эжектора к конденсатору проводят после подачи охлаждающей воды на конденсатор и пара на уплотнения турбины.
Возможно, что при пуске оба основных эжектора не обеспечивают набор вакуума с приемлемой скоростью. Причиной этого при исправных эжекторах обычно является чрезмерный присос воздуха, что связано с расширением объема вакуумной системы, находящейся под разрежением. В этом случае следует принять меры по уплотнению вакуумной системы.
6.6 Определения расхода воздуха, отсасываемого водоструйным эжектором из конденсатора турбины Gв, обычно проводят по способу, основанному на том, что при определенном Gв > Gв* давление в конденсаторе Рк изменяется в соответствии с изменением давления в приемной камере эжектора Рн.
Для определения фактического расхода воздуха при работе турбины в зоне горизонтального участка зависимости Рк = f(Gв) следует при помощи сменных калиброванных сопл добавлять воздух в конденсатор, ступенчато увеличивая его расход до тех пор, пока не произойдет заметное увеличение Рк. Измерив это давление Рк и отметив его на оси ординат (рисунок 26), проводят через эту точку горизонтальную прямую до пересечения с характеристикой эжектора, соответствующей данной температуре охлаждающей воды t0 = tp. Затем через эту точку пересечения проводят вертикальную прямую до пересечения с осью абсцисс. Далее влево от этой точки следует отложить отрезок, равный расходу воздуха, добавленного в конденсатор через критическое сопло. Тогда расстояние от конца этого отрезка до начала координат и составит в данном масштабе расход воздуха, присасываемого через неплотности в вакуумную систему. Для большей уверенности в правильности полученного результата операцию можно повторить при несколько большем расходе добавляемого через сопло воздуха.

Рисунок 26 - Определение присоса воздуха, отсасываемого водоструйным эжектором
При работе двух или трех основных эжекторов величину присоса воздуха можно определить проще без подачи дополнительного расхода воздуха, а путем последовательного отключения эжекторов. В качестве примера реализации данного способа на турбине мощностью 800 МВт на рисунке 27 показано, что при отключении одного из трех работающих эжекторов давление в конденсаторе увеличилось с 2,66 до 3,66 кПа, что соответствует присосу воздуха 64 г/с.

Рисунок 27 - Зависимости Pк = f(Gв)
на турбине 800 МВт
при изменении числа работающих эжекторов
6.7 При работе эжекторов следует следить за обеспечением номинального давления в конденсаторе при минимальной затрате энергии на эжекторную установку. Для этого необходимо на хорошем уровне поддерживать воздушную плотность вакуумной системы, не допуская, чтобы присос воздуха превышал норму, установленную ПТЭ-89, и работать с одним основным эжектором и одним насосом рабочей воды. Включение второго эжектора и подключение его в соответствии с п. 5.2 ПТЭ-89 к конденсатору целесообразно только в случае, когда заметно увеличивается давление в конденсаторе по сравнению с его нормативным значением (рисунок 18) в результате внезапного нарушения плотности вакуумной системы. После этого следует принять меры по быстрейшему отысканию и ликвидации источника повышенного присоса воздуха, поскольку при работе резервных эжектора и насоса увеличиваются затраты энергии на отсос воздуха и уменьшается запас по производительности основных эжекторов. После устранения присоса резервный эжектор отключается.
6.8 Признаки нарушения нормальной работы водоструйного эжектора, основные причины и способы устранения
6.8.1 Увеличение давления всасывания Рн по сравнению с нормативным значением обычно связано со снижением давления рабочей воды перед соплами эжектора вследствие неисправности насоса, засорения сетки (или фильтра) на линии подвода воды к эжектору или, при их отсутствии, засорения рабочих сопл. Для устранения следует проверить и наладить работу насоса, очистить сетку и сопла эжектора.
6.8.2 Повышенное давление Рн по сравнению с Рn при безрасходном режиме связано с появлением неплотностей в корпусе эжектора или воздухоподводящей линии. Следует отыскать и устранить неплотности.
6.8.3 Нарушение нормальной работы сифона и увеличение давления в верхней части сливной трубы Рс обычно связано с возникновением пульсаций в сливной системе при больших расходах эжектируемого воздуха. Следует проверить правильность трассировки сливных линий и при необходимости установить воздухоотделители после каждого эжектора.
6.8.4 Попадание воды из эжектора в конденсатор турбины при отключении насоса рабочей воды обычно связано с незакрытием обратного клапана, а также с пропуском рабочей воды через закрытую задвижку отключенного водоструйного эжектора.
|
Ключевые слова: энергетика, тепловые электростанции, паровые турбины, конденсаторы, водоструйные эжекторы, воздушные насосы, расчет, испытания, наладка, эксплуатация |
СОДЕРЖАНИЕ