МИНИСТЕРСТВО ЭНЕРГЕТИКИ И ЭЛЕКТРИФИКАЦИИ СССР
ГЛАВНОЕ НАУЧНО-ТЕХНИЧЕСКОЕ УПРАВЛЕНИЕ ЭНЕРГЕТИКИ И ЭЛЕКТРИФИКАЦИИ
ТИПОВАЯ
ЭНЕРГЕТИЧЕСКАЯ ХАРАКТЕРИСТИКА
КОНДЕНСАТОРА К-6000-1
ТУРБИНЫ ПТ-135/165-130/15 ПО ТМЗ
ТХ 34-70-024-86

СОЮЗТЕХЭНЕРГО
Москва 1987
РАЗРАБОТАНО предприятием «Уралтехэнерго» Производственного объединения по наладке, совершенствованию технологии и эксплуатации электростанций и сетей «Союзтехэнерго»
ИСПОЛНИТЕЛИ С.И. КАЮКОВ, С.В. СИМОЛКИНА, Н.М. СТУПНИКОВА
УТВЕРЖДЕНО Главным научно-техническим управлением энергетики и электрификации 29.12.86 г.
Заместитель начальника А.П. БЕРСЕНЕВ
Настоящая Типовая энергетическая характеристика распространяется на конденсаторы К-6000-1 турбины ПТ-135/165-130/15 ПО ТМЗ; устанавливает порядок организации и проведения контроля за работой конденсационной установки и анализа технико-экономических показателей.
Типовая энергетическая характеристика обязательна при разработке нормативных характеристик конденсаторов предприятиями и организациями Минэнерго СССР.
|
Рис. 1 |
ТИПОВАЯ ЭНЕРГЕТИЧЕСКАЯ ХАРАКТЕРИСТИКА КОНДЕНСАТОРА Зависимость температурного напора конденсатора от массового расхода пара в конденсатор и температуры охлаждающей воды при объемном расходе охлаждающей воды 12400 м3/ч (встроенный пучок включен) |
Тип К-6000-1 ПО ТМЗ |
|
|
||
|
Рис. 2 |
ТИПОВАЯ ЭНЕРГЕТИЧЕСКАЯ ХАРАКТЕРИСТИКА КОНДЕНСАТОРА. Зависимость температурного напора конденсатора от массового расхода пара в конденсатор и температуры охлаждающей воды при объемном расходе охлаждающей воды 10000 м3/ч (встроенный пучок включен) |
Тип К-6000-1 ПО ТМЗ |
|
|
||
|
Рис. 3 |
ТИПОВАЯ ЭНЕРГЕТИЧЕСКАЯ ХАРАКТЕРИСТИКА КОНДЕНСАТОРА Зависимость температурного напора конденсатора от массового расхода пара в конденсатор и температуры охлаждающей воды при объемном расходе охлаждающей воды 8000 м3/ч (встроенный пучок включен) |
Тип К-6000-1 ПО ТМЗ |
|
|
||
|
Рис. 4 |
ТИПОВАЯ ЭНЕРГЕТИЧЕСКАЯ ХАРАКТЕРИСТИКА КОНДЕНСАТОРА Зависимость абсолютного давления в конденсаторе от массового расхода пара в конденсатор и температуры охлаждающей воды при объемном расходе охлаждающей воды 12400 м3/ч (встроенный пучок включен) |
Тип К-6000-1 ПО ТМЗ |
|
|
||
|
Рис. 5 |
ТИПОВАЯ ЭНЕРГЕТИЧЕСКАЯ ХАРАКТЕРИСТИКА КОНДЕНСАТОРА Зависимость абсолютного давления в конденсаторе от массового расхода пара, в конденсатор и температуры охлаждающей воды при объемном расходе охлаждающей воды 10000 м3/ч (встроенный пучок включен) |
Тип К-6000-1 ПО ТМЗ |
|
|
||
|
Рис. 6 |
ТИПОВАЯ ЭНЕРГЕТИЧЕСКАЯ ХАРАКТЕРИСТИКА КОНДЕНСАТОРА Зависимость абсолютного давления в конденсаторе от массового расхода пара в конденсатор и температуры охлаждающей воды при объемном расходе охлаждающей воды 8000 м3/ч (встроенный пучок включен) |
Тип К-6000-1 ПО ТМЗ |
|
|
||
|
Рис. 7 |
ТИПОВАЯ ЭНЕРГЕТИЧЕСКАЯ ХАРАКТЕРИСТИКА КОНДЕНСАТОРА Зависимость температурного напора конденсатора от массового расхода пара в конденсатор и температуры охлаждающей воды при объемном расходе охлаждающей воды 10000 м3/ч (встроенный пучок отключен) |
Тип К-6000-1 ПО ТМЗ |
|
|
||
|
Рис. 8 |
ТИПОВАЯ ЭНЕРГЕТИЧЕСКАЯ ХАРАКТЕРИСТИКА КОНДЕНСАТОРА Зависимость температурного напора конденсатора от массового расхода пара в конденсатор и температуры охлаждающей воды при объемном расходе охлаждающей воды 8000 м3/ч (встроенный пучок отключен) |
Тип К-6000-1 ПО ТМЗ |
|
|
||
|
Рис. 9 |
ТИПОВАЯ ЭНЕРГЕТИЧЕСКАЯ ХАРАКТЕРИСТИКА КОНДЕНСАТОРА Зависимость температурного напора конденсатора от массового расхода пара в конденсатор и температуры охлаждающей воды при объемном расходе охлаждающей воды 6000 м3/ч (встроенный пучок отключен) |
Тип К-6000-1 ПО ТМЗ |
|
|
||
|
Рис. 10 |
ТИПОВАЯ ЭНЕРГЕТИЧЕСКАЯ ХАРАКТЕРИСТИКА КОНДЕНСАТОРА Зависимость абсолютного давления в конденсаторе от массового расхода пара в конденсатор и температуры охлаждающей воды при объемном расходе охлаждающей воды 10000 м3/ч (встроенный пучок отключен) |
Тип К-6000-1 ПО ТМЗ |
|
|
||
|
Рис. 11 |
ТИПОВАЯ ЭНЕРГЕТИЧЕСКАЯ ХАРАКТЕРИСТИКА КОНДЕНСАТОРА Зависимость абсолютного давления в конденсаторе от массового расхода пара в конденсатор и температуры охлаждающей воды при объемном расходе охлаждающей воды 8000 м3/ч (встроенный пучок отключен) |
Тип К-6000-1 ПО ТМЗ |
|
|
||
|
Рис. 12 |
ТИПОВАЯ ЭНЕРГЕТИЧЕСКАЯ ХАРАКТЕРИСТИКА КОНДЕНСАТОРА. Зависимость абсолютного давления в конденсаторе от массового расхода пара в конденсатор и температуры охлаждающей воды при объемном расходе охлаждающей воды 6000 м3/ч (встроенный пучок отключен) |
Тип К-6000-1 ПО ТМЗ |
|
|
||
|
Рис. 13 |
ТИПОВАЯ ЭНЕРГЕТИЧЕСКАЯ ХАРАКТЕРИСТИКА КОНДЕНСАТОРА Зависимость гидравлического сопротивления конденсатора от объемного расхода охлаждающей воды через основные пучки |
Тип К-6000-1 ПО ТМЗ |
|
|
||
|
Рис. 14 |
ТИПОВАЯ ЭНЕРГЕТИЧЕСКАЯ ХАРАКТЕРИСТИКА КОНДЕНСАТОРА Поправка к мощности турбины на давление отработавшего пара |
Тип К-6000-1 ПО ТМЗ |
|
|
||
|
Рис. 15 |
ТИПОВАЯ ЭНЕРГЕТИЧЕСКАЯ ХАРАКТЕРИСТИКА КОНДЕНСАТОРА Зависимость массового расхода пара на входе в ЦСНД от массового расхода свежего пара и пара производственного отбора |
Тип К-6000-1 ПО ТМЗ |
|
Условия: P0 = 13 МПа (130 кгс/см2); t0 = 555 °С; Pп = 1,5 МПа (15 кгс/см2) |
||
|
Рис. 16 |
ТИПОВАЯ ЭНЕРГЕТИЧЕСКАЯ ХАРАКТЕРИСТИКА КОНДЕНСАТОРА Зависимость массового расхода пара, в конденсатор от массового расхода пара на входе в ЦСНД и тепловой нагрузки (одноступенчатый режим) |
Тип К-6000-1 ПО ТМЗ |
|
Условия: Pп = 1,5 МПа (15 кгс/см2); PНТО = 0,08 МПа (0,8 кгс/см2); P2 = 0,0064 МПа (0,064 кгс/см2). На конденсационном режиме D2 = 77 · PVI + 18. |
||
|
Рис. 16а |
ТИПОВАЯ ЭНЕРГЕТИЧЕСКАЯ ХАРАКТЕРИСТИКА КОНДЕНСАТОРА Зависимость массового расхода пара в конденсатор от массового расхода пара на входе в ЦСНЦ и тепловой нагрузки (двухступенчатый режим) |
Тип К-6000-1 ПО ТМЗ |
|
Условия: Pп = 1,5 МПа (15 кгс/см2); PВТО = 0,12 МПа (1,2 кгс/см2); P2 = 0,0064 МПа (0,064 кгс/см2); tобр = 53 °С |
||
D2 - массовый расход пара в конденсатор (паровая нагрузка конденсатора), т/ч.
-
массовый расход пара на входе в ЦСНД, т/ч.
Dпо - массовый расход пара, отпускаемого из производственного отбора, т/ч.
D0 - массовый расход свежего пара на турбину, т/ч.
Р2 - давление пара в конденсаторе, кПа (кгс/см2).
Р0 - давление свежего пара, МПа (кгс/см2).
Рп - давление пара в камере производственного отбора, МПа (кгс/см2).
t0 - температура свежего пара, °С.
tS - температура насыщения при давлении пара в конденсаторе, °С.
-
температура охлаждающей воды на входе в конденсатор, °С.
-
температура охлаждающей воды на выходе из конденсатора, °С.
Dtв - нагрев охлаждающей воды в конденсаторе, °С.
δt - температурный напор конденсатора, °С.
tобр - температура обратной сетевой воды, °С.
W - объемный расход охлаждающей воды через конденсатор, м3/ч.
Wоп - объемный расход охлаждающей воды через основные пучки, м3/ч.
Hг - гидравлическое сопротивление конденсатора, кПа (м вод. ст.).
Di2 - удельная теплота конденсации отработавшего пара, кДж/кг (ккал/кг).
-
поправка к мощности турбоагрегата на изменение давления в конденсаторе, кВт.
РVI - давление пара в камере VI отбора, МПа (кгc/cм2).
F - площадь поверхности охлаждения конденсатора, м2.
Qт - теплота, отпускаемая из теплофикационного отбора (тепловая нагрузка), ГДж/ч (Гкал/ч).
Wсет - объемный расход сетевой воды, м3/ч.
Dtсет - нагрев сетевой воды в сетевых подогревателях, °С.
PВТО - давление пара в верхнем теплофикационном отборе, МПа (кгс/см2).
PНТО - давление пара в нижнем теплофикационном отборе, МПа кгс/см2).
ρ - плотность воды, кг/м3.
с - удельная теплоемкость воды, кДж/(кг · K) (ккал/кг · °С).
2. ИСХОДНЫЕ ДАННЫЕ
Для составления типовой энергетической характеристики конденсатора К-6000-1 турбины ПТ-135/165-130/15 ПО ТМЗ использовались результаты тепловых испытаний конденсатора турбоагрегата № 3 Чебоксарской ТЭЦ-2, проведенных Уралтехэнерго, и расчет тепловых и гидравлических характеристик конденсатора К-6000-1 ПО ТМЗ.
Испытания проводились на турбоагрегате, проработавшем после монтажа 6064 ч при эксплуатационно-чистом состоянии поверхности теплообмена конденсатора.
Воздушная плотность вакуумной системы турбоагрегата обеспечивала нормальную работу конденсатора с одним эжектором, присосы воздуха составляли 18 кг/ч и не превышали норм, установленных действующими Правилами технической эксплуатации электрических станций и сетей.
3. ТЕХНИЧЕСКИЕ ДАННЫЕ КОНДЕНСАТОРА
Номинальный массовый расход пара в конденсатор, т/ч.................................... 330
Номинальный объемный расход охлаждающей воды, м3/ч:
через основные пучки........................................................................................ 10000
через все пучки.................................................................................................... 12400
Площадь поверхности охлаждения, м2:
полная................................................................................................................... 6000
основных пучков................................................................................................. 4920
Число ходов охлаждающей воды:
через основные пучки......................................................................................... 2
через встроенный пучок..................................................................................... 2; 4
Диаметр трубок (наружный/внутренний), мм:
основного пучка.................................................................................................. 26/24
усиленного верхнего ряда основного пучка.................................................... 28/24
встроенного пучка............................................................................................... 26/24
Количество трубок, шт.:
основного пучка.................................................................................................. 7158
усиленного верхнего ряда основного
пучка..................................................................................................................... 156
встроенного пучка............................................................................................... 1776
Активная длина трубок конденсатора, м:
основного пучка.................................................................................................. 9,0
встроенного пучка............................................................................................... 8,31
Количество пароструйных эжекторов ЭПЗ-2А.................................................... 2
Материал трубок - МНЖ5-I
4. ЭКСПЛУАТАЦИОННЫЙ КОНТРОЛЬ ЗА РАБОТОЙ И СОСТОЯНИЕМ КОНДЕНСАТОРА
Целью контроля является выявление причин ухудшения технического состояния конденсатора и разработка мероприятий, обеспечивающих его экономичную работу.
Основными показателями, позволяющими осуществлять эксплуатационный контроль, являются давление отработавшего пара и температурный напор при фактических эксплуатационных условиях (паровой нагрузке конденсатора, расходе и температуре охлаждающей воды).
Эксплуатационный
контроль за работой и состоянием конденсатора осуществляется сопоставлением
измеренных в условиях эксплуатации давления в конденсаторе и температурного
напора с нормативными значениями
и δtн,
соответствующими тем же условиям. Сравнительный анализ результатов измерений и
нормативных показателей позволяет обнаружить изменения в работе и установить
вероятные причины этих изменений. Анализ работы конденсатора рекомендуется
проводить при паровых нагрузках, равных 150 - 330 т/ч. Ниже приводятся основные
параметры, которые необходимо измерять при эксплуатационном контроле за
состоянием конденсатора, а также рекомендации по организации измерений и методы
определения основных контролируемых показателей.
4.1. Давление отработавшего пара
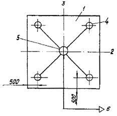
Для измерения давления пара в конденсаторе устанавливается четыре датчика (вакуумных зонда), соединенных импульсными линиями с центральным стаканом, от которого выведена импульсная линия к первичному измерительному преобразователю (см. рисунок).

Схема измерения давления отработавшего пара:
1 - конденсатор; 2 - ось турбины; 3 - ось конденсатора; 4 - вакуумный зонд; 5 - центральный (усредняющий) стакан; 6 - импульсная линия к первичному измерительному прибору
Вакуумные зонды располагаются в горизонтальной плоскости на расстоянии не более 1 м от верхнего ряда конденсаторных трубок и не более 0,5 м от боковых стенок переходного патрубка.
В качестве первичного измерительного преобразователя рекомендуется использовать преобразователь абсолютного давления «Сапфир-22ДА-2030» с диапазоном измерений от 0 до 16 кПа (от 0 до 0,16 кгс/см2) класса точности 0,25, в качестве вторичного регистрирующего прибора - автоматический миллиамперметр КСУ-4 класса точности 0,25.
Давление пара в конденсаторе может измеряться и другими средствами измерения, по точности и диапазону измерений соответствующими заменяемым.
При измерении давления отработавшего пара прокладку соединительных линий и установку средств измерений необходимо производить с соблюдением следующих правил монтажа:
внутренний диаметр соединительных трубок должен быть от 10 до 12 мм;
соединительные линии должны иметь общий уклон в сторону конденсатора не менее 1:10;
герметичность соединительных линий должна быть проверена опрессовкой водой в соответствии с «Методическими указаниями по испытаниям конденсационных установок паровых турбин МУ 34-70-010-82» (М.: СПО Союзтехэнерго, 1982);
не должны применяться запорные устройства, имеющие сальники и резьбовые соединения.
4.2. Температурный напор
Температурный напор конденсатора определяется как разность между температурой насыщения отработавшего пара и температурой охлаждающей воды на выходе из конденсатора:
(1)
Температура насыщения определяется по измеренному давлению отработавшего пара.
4.3. Паровая нагрузка конденсатора.
При работе турбины на конденсационном режиме паровая нагрузка конденсатора определяется по давлению в камере VI отбора по формуле
D2 = 77PVI + 18; (2)
при работе турбины на теплофикационном режиме - графически, с использованием рис. 15, 16 и 16а:
![]()
при этом отпуск теплоты из теплофикационного отбора определяется по формуле
(3)
4.4. Температура охлаждающей воды
Температура охлаждающей воды на входе в конденсатор в каждом напорном водоводе измеряется в одной точке.
Температура воды на выходе из конденсатора должна измеряться в трех точках в одном поперечном сечении каждого трубопровода на расстоянии 5 - 7 м от конденсатора. Температура воды на выходе определяется как средняя по показаниям термометров во всех точках или как средневзвешенная по потокам, если расход охлаждающей воды измеряется по потокам.
Температуру охлаждающей воды необходимо измерять ртутными термометрами с диапазоном измерений от 0 до 50 °С и ценой деления 0,1 °С. Термометры устанавливаются в термометрические гильзы длиной 300 - 350 мм. Можно использовать другие средства измерения, обеспечивающие требуемые точность и диапазон измерений.
4.5. Гидравлическое сопротивление конденсатора
Для определения гидравлического сопротивления конденсатора измеряется перепад давлений между напорными и сливными трубопроводами каждого из потоков конденсатора. Перепад давлений может измеряться преобразователями разности давлений «Сапфир-22ДД-2440» с диапазоном измерений от 0 до 0,1 МПа (от 0 до 1 кгс/см2) класса точности 0,5 в комплекте с автоматическим миллиамперметром КСУ-4 класса точности 0,5 или другими средствами измерений, обеспечивающими требуемые точность и диапазон измерений. Штуцера для измерения давлений врезаются в непосредственной близости к конденсатору.
4.6. Расход охлаждающей воды
Расход охлаждающей воды на конденсатор может быть определен из теплового баланса конденсатора или непосредственным измерением специальными сужающими устройствами (сегментными диафрагмами), установленными на напорных водоводах в соответствии с «Методическими указаниями. Расход жидкостей и газов. Методика выполнения измерений с помощью специальных сужающих устройств: РД 50-411-83» (Издательство стандартов, 1984).
Расход охлаждающей воды из теплового баланса конденсатора определяется по формуле
(4)
Удельная теплота конденсации отработавшего пара принимается для конденсационного режима 2241,7 кДж/кг (535 ккал/кг), для теплофикационного - 2304,5 кДж/кг (550 ккал/кг).
4.7. Воздушная плотность вакуумной системы
Присосы воздуха в вакуумную систему определяются с помощью штатных расходомеров, которыми оснащены основные эжекторы.