МИНИСТЕРСТВО ЭНЕРГЕТИКИ И ЭЛЕКТРИФИКАЦИИ СССР
ГЛАВНОЕ ТЕХНИЧЕСКОЕ УПРАВЛЕНИЕ ПО ЭКСПЛУАТАЦИИ ЭНЕРГОСИСТЕМ
ТИПОВАЯ
ИНСТРУКЦИЯ
ПО ПУСКУ
из РАзличных ТЕПловых состояний
и ОСТАНОВУ моноБлокА
МОЩНОСТЬЮ 300 МВт
с турБиной к-300-240 лмз
РД 34.25.512

МОСКВА 1975
Типовая инструкция составлена Всесоюзным государственным трестом по организации и рационализации районных электрических станций и сетей и Всесоюзным дважды ордена Трудового Красного Знамени теплотехническим научно-исследовательским институтом им. Ф.Э. Дзержинского (инженеры Е.Е. ГОВЕРЛОВСКИЙ, Б.Я. ДИРЕКТОР, В.З. ЗАРЕЦКИЙ, Л.Н. КАСЬЯНОВ, В.М. КРЕМЕНЧУГСКИЙ, С.В. ПЕТРОВ - ОРГРЭС; кандидаты техн. наук Ю.Л. ИЗРАИЛЕВ, Е.Р. ПЛОТКИН, Б.И. ШМУКЛЕР - ВТИ).
В основу Инструкции положены результаты экспериментальных и исследовательских работ, выполненных ОРГРЭС, ВТИ и ЛМЗ на моноблоках мощностью 300 МВт.
Типовая инструкция согласована с заводами-изготовителями основного энергетического оборудования, научно-исследовательскими институтами и электростанциями.
Полученные от организаций замечания по первой редакции Типовой инструкции и вытекающие из них изменения Инструкции рассмотрены и согласованы на рабочей группе, в состав которой, помимо авторов, входили инженеры С.Б. ЛОШАК, В.С. ПОЛЯКОВ, Н.Д. ШУСТРОВ (ОРГРЭС); канд. техн. наук А.Г. ПРОКОПЕНКО, инженеры А.Д. ГОРЕШНИК, Б.Д. КОЗИЦКИЙ, Н.П. СТАСЮК, Н.В. ТКАЧУК, А.А. ФИНКЕВИЧ (ЮО ОРГРЭС); инженеры А.В. ГОФАЙЗЕН, А.С. СОЗАЕВ (ВТИ).
УТВЕРЖДАЮ:
Главный инженер
Главтехуправления
В.И. ГОРИН
9 июня 1975 г.
1.1. Настоящая Типовая инструкция разработана для моноблоков 300 МВт с турбинами К-300-240 ЛМЗ, прямоточными котлами и типовой пусковой схемой (рис. 1, см. вклейку), обязательными элементами которой являются шиберные клапаны на отводе пара из встроенных сепараторов (Др-3), растопочный расширитель (Р-20), байпасы промежуточного пароперегревателя и пусковые впрыски в паропроводы горячего промперегрева, пусковые впрыски в главные паропроводы с системой регулируемого давления воды.
1.2. Типовая инструкция ориентирована на ограниченное число пусков и остановов блоков, при котором регулирование нагрузки энергосистем преимущественно осуществляется путем изменения нагрузки блоков в регулировочном диапазоне. Допускается 15 - 20 плановых остановов каждого блока в год на выходные дни. Остановы блока на ночь могут производиться только в случаях, когда глубина провала нагрузки не позволяет ограничиться разгрузкой блоков.
1.3. На основе Типовой инструкции должны быть разработаны местные рабочие инструкции и графики-задания пусков и остановов с учетом особенностей оборудования, вида сжигаемого топлива и характеристик естественного остывания основных элементов блока. В рабочих графиках-заданиях должны быть дополнительно указаны параметры, характеризующие расход топлива в процессе пуска (число включенных форсунок, горелок, молотковых мельниц, температура газов в поворотной камере).
При составлении местных инструкций принципиальные положения Типовой инструкции разрешается изменять только на основании соответствующих экспериментальных данных после согласования с ОРГРЭС.
1.4. Типовая инструкция составлена применительно к условиям эксплуатации блока с использованием в полном объеме КИП, автоматики и защит, предусмотренных соответствующими руководящими указаниями и техническими условиями.
Контроль за растопочным расходом воды в котел при пуске и останове должен осуществляться по растопочным расходомерам с датчиками на пониженный перепад давлений.
Разбивка защит по группам и порядок их включения при пуске блока приведены в приложении 1.
Минимальный объем используемых пусковых регуляторов и порядок включения основных и пусковых регуляторов при пуске блока приведены в приложении 2.
1.5. В Типовой инструкции указаны последовательность и условия проведения основных технологических операций при пуске и останове блока и приведены графики-задания пуска и останова.
Основные технологические принципы организации режимов пуска и останова блока изложены в приложении 3. Графики-задания пуска разработаны для блоков, имеющих модернизированную систему обогрева фланцевого соединения корпуса ЦСД турбины (приложение 4). Краткая характеристика режимов пуска блока из различных тепловых состояний приведена в приложении 5.
Для блоков, на которых система обогрева фланцевого соединения корпуса ЦСД не модернизирована, графики-задания пуска и дополнительные инструктивные указания приведены в приложении 6, краткая характеристика режимов пуска - в приложении 7.
В приложении 8 приведен перечень обозначений операций и параметров, принятых в графиках-заданиях.
1.6. Режимы пуска и останова блока и графики-задания разработаны, исходя из соблюдения показателей надежности, заданных заводами-изготовителями.
1.6.1. Применительно к заданной в Типовой инструкции технологии пуска блока необходимо руководствоваться следующими изменениями и дополнениями инструкции ЛМЗ для турбин К-300-240:
Разность температур по ширине фланцев ЦВД и ЦСД...................... Не более 80 °С
Обратная разность температур по ширине фланца.............................. 50 °С
Разность температур фланца и шпильки ЦВД и ЦСД (температура фланца измеряется вблизи внутренней поверхности, а температура шпильки - посредине высоты верхнего фланца) 60 °С
Допустимая скорость прогрева стопорного клапана:
- для этапов предварительного прогрева, разворота ротора
и включения в сеть........................................................................................ 4 °С/мин
- для этапа нагружения до перехода на номинальное давление.......... 3 °С/мин
- для этапа нагружения после перехода на номинальное давление.... 2 °С/мин
Допустимая скорость прогрева перепускных труб высокого давления:
- для пусков из горячего состояния..................... Не более 30 °С/мин
- для пусков после простоя 18 ч и более............. Не более 20 °С/мин
1.6.2. Показатели надежности при пуске и останове оборудования должны тщательно контролироваться в соответствии с указаниями местных инструкций по эксплуатации основного и вспомогательного оборудования. Отклонения параметров от рекомендуемых графиков-заданий допускаются не более ±20 °С по температуре свежего и вторично перегретого пара и ±5 кгс/см2 по давлению свежего пара.
1.6.3. При нагружении блока ток статора генератора не должен возрастать быстрее активной нагрузки.
1.7. Программы и графики-задания пуска блока в зависимости от исходного теплового состояния разработаны в двух модификациях: с ограниченным предварительным прогревом паропроводов горячего промперегрева (при простоях блока более 55 ч) и без предварительного прогрева этих паропроводов (при простоях меньшей длительности).
1.7.1. Рекомендуемая Типовой инструкцией граница между указанными двумя режимами определена по усредненным характеристикам естественного остывания оборудования.
В местных инструкциях режим без предварительного прогрева системы промперегрева должен допускаться при следующих условиях:
- температура металла концевых участков паропроводов перед ЦСД турбины (контрольных точек по нижней образующей в начале и конце горизонтального участка перед подъемом к ЦСД) - не менее 100 °С;
- разница температуры металла верха паровпуска ЦСД турбины и основной трассы паропроводов - не более 100 °С.
Тепловое состояние основной трассы паропровода должно контролироваться двумя измерениями температуры:
- перед последним по ходу пара гибом паропровода в горизонтальной плоскости (по нижней образующей);
- в средней части вертикального участка паропровода (а при наличии на этом участке пускового впрыска - за ним).
1.7.2. Для тепловых состояний оборудования, при которых требуется предварительный прогрев системы промперегрева, Инструкция ориентирована на применение технологии совмещенного прогрева с подводом пара через ЦВД турбины при обеспаренных ЦСД и ЦНД. При наличии в пусковой схеме блока РОУ разрешается применение технологии прогрева с ее использованием в соответствии с местной инструкцией.
1.8. В графиках-заданиях пуска блока указаны диапазон начальных температур металла ЦВД и ЦСД турбины в зоне паровпусков в пределах которого должен реализовываться заданный график нагружения, и сетка кривых изменения температуры свежего пара (за пусковым впрыском) и вторично перегретого пара (перед ЦСД турбины).
Температуру свежего и вторично перегретого пара следует выдерживать в соответствии с кривыми, отвечающими фактической начальной температуре металла верха паровпуска ЦВД и ЦСД.
При промежуточном тепловом состоянии турбины, не предусмотренном в графиках-заданиях, пуск блока производится по графику-заданию для ближайшего температурного состояния ЦСД турбины.
Если начальные температуры ЦВД и ЦСД турбины в зоне паровпуска отвечают двум смежным графикам-заданиям, пуск блока может производиться по любому из них.
1.9. При задержках на отдельных этапах нагружения турбины следует:
1.9.1. В период до перехода на номинальное давление температуру свежего пара повышать в заданном темпе, но не более чем до 500 °С; температуру вторично перегретого пара - в заданном темпе вплоть до номинального значения. Дальнейшее нагружение турбины может быть ускорено (до нагрузки, соответствующей достигнутым температурам пара), при этом должны соблюдаться критерии надежности оборудования, указанные в инструкциях заводов-изготовителей.
1.9.2. В период после перехода на номинальное давление температуру свежего и вторично перегретого пара повышать в заданном темпе вплоть до номинального значения. При задержках нагружения последующий темп нагружения турбины должен соответствовать графику-заданию.
1.10. Для обеспечения надежности пуска блока из горячего резерва на прямоточном режиме необходимо строгое соблюдение не только последовательности, но и времени выполнения отдельных технологических операций.
Для обеспечения оптимальных условий пуска следует:
1.10.1. Выполнить прямую сигнальную связь между блочным щитом управления (БЩУ) и фронтом котла для четкой синхронизации подачи воды и топлива в котел.
1.10.2. Задействовать устройства автоматического запала форсунок (горелок) котла.
1.10.3. Четко разграничить в рабочих инструкциях (сетевых графиках) пусковые операции между работниками оперативной вахты.
1.11. Основным показателем, характеризующим паропроизводительность котла, необходимую для обеспечения графика-задания пуска блока до перехода на прямоточный режим, является температура среды перед встроенной задвижкой. Начальный расход топлива и график его изменения на сепараторной фазе пуска приняты в графиках-заданиях при условии включения ПВД, с учетом динамических свойств котла и требуемой по режиму пуска температуры свежего пара перед толчком турбины и температуры вторично перегретого пара после взятия начальной нагрузки.
Начальный расход топлива и температура газов в поворотной камере при пуске из горячего состояния уточняются для каждого типа котла по условиям обеспечения надежности температурного режима отключенного пароперегревателя.
1.12. Пуск блока запрещается:
1.12.1. При неисправностях и условиях, оговоренных для основного и вспомогательного оборудования в ПТЭ и заводских инструкциях.
1.12.2. При неисправности любой из защит, действующих на останов оборудования блока.
1.12.4. При неготовности к включению блочной обессоливающей установки (БОУ).
1.12.5. При неплотностях в пароводяном тракте блока.
1.12.6. При повреждении опор и пружинных подвесок паропроводов.
Примечание. При неплотностях во фланцевых соединениях, сальниковых уплотнениях арматуры, неисправности отдельных регуляторов, блокировок, а также защит и дистанционного управления, кроме указанных в пунктах 1.12.2 и 1.12.3, пуск блока допускается только с разрешения главного инженера электростанции. С учетом требований инструкций заводов-изготовителей оборудования главным инженером электростанции может быть разрешен пуск блока при неисправности отдельных приборов.
1.13. Пуск блока из горячего резерва на прямоточном режиме разрешается:
1.13.1. Если по результатам испытаний головного образца котла в этом режиме обеспечивается надежность поверхностей нагрева.
1.13.2. Если длительность простоя не превысила 30 мин при сохранившемся состоянии горячего резерва (сверхкритическое давление среды в пароводяном тракте котла и температура газов в поворотной камере не менее 400 °С).
1.14. Загрязнения выводятся из цикла при растопках котла на сепараторном режиме путем сброса воды из Р-20 в циркуляционный водовод или от напорной линии конденсатного насоса 1 ступени (КЭН-1) в бак грязного конденсата (БГК).
1.14.1. При пуске блока после простоя более 3 сут должно предусматриваться специальное время для отмывки пароводяного тракта до встроенной задвижки (ВЗ). При менее продолжительном простое специальное время для отмывки не предусматривается; загрязнения из пароводяного тракта блока выводятся за время, предусмотренное графиком-заданием на сепараторную фазу пуска.
1.14.2. При пуске блока после простоя более 3 сут пароводяной тракт котла до ВЗ отмывается при огневом подогреве и температуре среды перед ВЗ, равной 180 - 220 °С.
Отмывка пароводяного тракта заканчивается при снижении в питательной воде на входе в котел содержания соединений железа и кремниевой кислоты до 100 мкг/кг, меди - до 20 мкг/кг и жесткости до 3 мкг-экв/кг.
1.14.3. Переключение сброса воды на БОУ производится при уменьшении содержания соединений железа (в пересчете на Fe) и кремниевой кислоты (в пересчете на SiO3) в сбросной воде до 300 мкг/кг.
1.14.4. Время проведения операции по подключению пароперегревателя котла при пусках после простоя любой продолжительности определяется только технологическими условиями и не ограничивается показателями водного режима.
1.15. Отмывка тракта котла за ВЗ проводится после капитального ремонта, а также после ремонтных или реконструктивных работ, связанных с массовой заменой труб в поверхностях нагрева за ВЗ. Отмывка проводится на неработающем блоке.
1.16. Отмывка тракта котла до ВЗ при останове или в период простоя блока проводится в случае, если предшествующая непрерывная работа котла составляла более 1500 ч или в период работы имели место резкие нарушения норм ПТЭ по качеству питательной воды. Отмывка в этом случае проводится без огневого подогрева при температуре питательной воды 100 - 120 °С*.
* Более подробные указания по проведению отмывок пароводяного тракта блока приведены в «Типовой инструкции по водным отмывкам пароводяного тракта блока 300 МВт» (СЦНТИ ОРГРЭС, 1972).
- в окончании всех работ на оборудовании; снятии закороток и заземлений; в завершении уборки всего оборудования, а также лестниц и площадок;
- в исправном состоянии телефонной связи, рабочего и аварийного освещения на рабочих местах, блочного щита управления и местных щитов;
- в наличии противопожарного инвентаря по всем контрольным постам.
2.1.2. В оперативном журнале начальника смены ответственным лицом должна быть сделана запись о завершении всех работ, закрытии нарядов и о времени начала пусковых операций на блоке.
2.1.3. Предупредить о предстоящем пуске блока:
- начальника смены электроцеха - для подготовки к сборке схем электродвигателей вспомогательного оборудования и арматуры;
- начальника смены химического цеха - для подготовки к анализам воды, пара, конденсата, газа, к контролю за заполнением корпуса генератора водородом, к включению БОУ и увеличению расхода обессоленной воды;
- начальника смены цеха тепловой автоматики и измерений - для подготовки и включения контрольно-измерительных приборов, авторегуляторов, защит, блокировок и технологической сигнализации;
- начальника смены топливно-транспортного цеха - для подготовки к бесперебойному обеспечению топливом.
2.1.4. Проверить:
- запас обессоленной воды в баках и ее качество;
- давление газа в станционных газопроводах;
- запас мазута в баках, его подогрев и готовность оборудования мазутного хозяйства к подаче мазута в котельную);
- запас топлива в бункерах сырого угля;
- наличие запального газа для розжига мазутных форсунок, а также работу защитно-запальных устройств (ЗЗУ);
- наличие комплектов тарированных рабочих и резервных мазутных форсунок;
- схему соединений и надежность питания собственных нужд блока, состояние изоляции обмотки статора и цепей возбуждения генератора. Опробовать дистанционное управление выключателем блока и автоматом гашения поля (АГП).

Рис. 2. График-задание пуска блока из холодного состояния (температура паровпуска ЦВД 150 °С, температура паровпуска ЦСД 100 °С)
Обозначения см. в приложении 8.
Примечание. При температуре металла ЦСД в зоне паровпуска менее 100 °С продолжительность работы турбины с частотой вращения 800 об/мин увеличивается на 90 мин.
2.1.6. Собрать электрические схемы электродвигателей дистанционного управления арматурой и шиберами. Подать напряжение на контрольно-измерительные приборы, устройства защит, блокировок, автоматики и сигнализации.
2.1.7. Включить все контрольно-измерительные приборы и отметить время включения регистрирующих приборов на диаграммах. Опробовать дистанционное управление оперативной арматурой и шиберами с контролем сигнализации их положений.
2.1.9. Подготовить схемы и опробовать насосы систем смазки турбоагрегата, уплотнения вала и охлаждения статора генератора, проверить их блокировки и оставить в работе по одному насосу с электродвигателями переменного тока.
Включить в работу регуляторы давления масла и системы уплотнений генератора. Начать операции по заполнению системы охлаждения генератора.
2.1.10. Собрать рабочую схему системы огнестойкой жидкости, поочередно опробовать насосы системы регулирования и их блокировки, после чего оставить в работе один насос с электродвигателем переменного тока. Проверять работу узлов парораспределения и регулирования турбины.
2.1.11. Проверить технологические защиты, блокировки и сигнализацию в соответствии с местной инструкцией по эксплуатации автоматики и защит блока. В оперативном журнале записать результаты проверки.
Деблокировать защиты, препятствующие пуску блока (см. приложение 1).
2.1.12. Собрать рабочие электрические схемы всех электродвигателей собственных нужд блока.
2.1.13. Подготовить к синхронизации силовую и вторичные схемы генератора (блока генератор-трансформатор):
1. Систему охлаждения генератора;
2. Систему возбуждения;
3. Систему охлаждения трансформаторов;
4. Схему открытого распределительного устройства (ОРУ).
Примечание. Операции по п. 2 проводятся после проведения операций по п. 1. Операции по пп. 3 и 4 проводятся параллельно с операциями по пп. 1 и 2.
2.1.14. Поставить под давление коллектор собственных нужд блока, для чего:
- убедиться в том, что задвижки на трубопроводах подачи пара из коллектора собственных нужд блока к уплотнениям турбины, мазутным форсункам, деаэратору и другим потребителям закрыты;
- проверить отключение деаэратора по пару от уплотнений и отборов турбины, а также от Р-20 (закрытие задвижки С3-5);
- открыть дренажи на подключаемых трубопроводах, прогреть их паром от общестанционной магистрали и поставить под давление.
2.1.15. Собрать схемы газовоздушного тракта котла, подачи природного газа, паромазутопроводов, технического водоснабжения, пожаротушения и очистки регенеративных воздухоподогревателей (РВП) в соответствии с местными инструкциями.
2.1.16. Подготовить к включению тягодутьевое оборудование котла, системы пылеприготовления, электрофильтры, системы механизированного шлакоудаления и гидрозолоудаления, установку дробеструйной очистки, паровую обдувку и калориферную установку котла в соответствии со специальными инструкциями.
1. Собрать схему циркуляционного водоснабжения турбины и технического водоснабжения вспомогательных механизмов.
2. Включить циркуляционные насосы, проверить разрежение в сливных циркуляционных водоводах и отрегулировать расход охлаждающей воды.
Подготовить к пуску и опробовать насосы системы газоохлаждения генератора, проверить их блокировки и остановить в резерв.
3. Включить систему регенерации низкого давления по основному конденсату, пару, воздуху и конденсату греющего пара с каскадным отводом дренажа всех подогревателей в конденсатор турбины; включить регуляторы уровня в ПНД.
4. Закрыть задвижки на отборах турбины к РУ 40/13, калориферам котла, бойлерам и другим потребителям пара.
5. Собрать схему подпитки блока обессоленной водой в конденсатор и заполнить его на 3/4 по водоуказательному стеклу.
Включить в работу по одному КЭН-I и КЭН-II с подачей воды через БОУ и рециркуляцией после КЭН-II в конденсатор. Поочередно опробовать работу конденсатных насосов, их блокировки и оставить в работе по одному насосу.
6. Включить систему регенерации высокого давления по пару, воздуху и конденсату греющего пара с каскадным отводом дренажа в конденсатор турбины по промывочной линии из ПВД № 6; включить регуляторы уровня и защиты ПВД. Подготовить ПВД к заполнению водой, для чего открыть задвижки на питательных трубопроводах до и после них и арматуру на байпасе впускного клапана и закрыть задвижку на обводе ПВД.
Опробовать защиту ПВД (без впускного клапана) в соответствии с указаниями Противоаварийного циркуляра № Т-2/73 «О предупреждении аварий подогревателей высокого давления ТКЗ типа ПВ из-за разрушения трубной системы» (СЦНТИ ОРГРЭС, 1973), после чего восстановить схему включения ПВД по пару и питательной воде.
7. Включить регулятор уровня в конденсаторе и заполнить обессоленной водой деаэратор, бустерные (БН) и питательные насосы. При этом задвижки на линиях напора и отбора из промежуточной ступени питательного электро- и турбонасоса (ПЭН и ПТН) и байпас напорной задвижки ПЭН должны быть закрыты, а на линиях рециркуляции всех насосов - открыты.
В процессе заполнения питательных насосов подать конденсат на их уплотнения со сливом его в конденсатор турбины и включить регулятор давления1.
1 При отсутствии в схеме сливной линии в конденсатор собрать схему слива сразу в деаэратор.
После достижения нормального уровня воды в деаэраторе включить регулятор уровня.
Поочередно опробовать работу БН, их блокировки и оставить в работе один насос.
8. Подать пар из коллектора собственных нужд блока в деаэратор, поднять давление в ней до 0,2 - 0,5 кгс/см2 и включить регулятор давления. Нагреть воду в деаэраторе до температуры насыщения (104 - 110 °С).
9. Открыть дренажи первых и вторых перепускных труб, цилиндров и отборов турбинной установки.
Собрать схему для прогрева системы обогрева фланцевого соединения корпуса ПВД до регулирующих клапанов, оставив систему обогрева фланцев и шпилек ЦСД отключенной.
10. Вращая маховик механизма управления против часовой стрелки, открыть стопорные клапаны высокого и среднего давления, не допуская при этом открытия регулирующих клапанов турбины. Механизм расхаживания быстровключающихся клапанов (БВК) вывести в сторону «Открыть» до упора. С помощью механизмов расхаживания закрыть стопорные клапаны среднего давления.
2.1.18. Собрать схему для заполнения котла водой и прокачки воды по контуру деаэратор - тракт котла до ВЗ - встроенные сепараторы (ВС) - Р-20 - циркуляционные водоводы.
При этом выполнить следующие операции:
Открыть:
- арматуру на трубопроводе сброса воды из коллектора впрысков в деаэратор (СЗ-8 и Др-5);
- регулирующие питательные клапаны котла (РПК);
- арматуру на трубопроводах перед ВС (ДР-1);
- арматуру на трубопроводах сброса среды из ВС (Др-2 и СЗ-1);
- арматуру на воздушниках питательных трубопроводов и тракта котла до ВЗ;
- арматуру на трубопроводе сброса воды из Р-20 (РКС-1, СЗ-2 и СЗ-6);
- арматуру на дренажах промежуточного пароперегревателя котла, направленных в конденсатор турбины;
- арматуру на импульсных линиях контрольно-измерительных приборов, автоматики и защит;
- арматуру на линиях отбора проб пара и воды в местах отборов.
Закрыть:
- арматуру на трубопроводе подвода воды в коллектор впрысков (СЗ-7);
- арматуру на трубопроводах всех впрысков (задвижки и клапаны);
- встроенные задвижки (ВЗ);
- арматуру на трубопроводах отвода пара из ВС (Др-3);
- арматуру на линиях продувки впрысков обратным ходом;
- арматуру на дренажах питательных трубопроводов и тракта котла до и после ВЗ;
- арматуру на воздушниках тракта после ВЗ и промежуточного пароперегревателя котла;
- арматуру на трубопроводе сброса воды из Р-20 в конденсатор (СЗ-8);
- арматуру на трубопроводе отвода пара из Р-20 в конденсатор (РКС-2 и СЗ-4);
- арматуру на дренажах и продувках импульсных линий контрольно-измерительных приборов, автоматики и защит;
- арматуру на линиях отбора проб пара и воды у холодильников.
Примечания: 1. Если перед сборкой схемы пароперегреватель был заполнен водой, его необходимо предварительно сдренировать.
2. Если котел был заполнен консервирующим раствором, вытеснение раствора проводить в соответствии с инструкцией по консервации.
3. При закрытии клапана Др-3 проверить соответствие хода клапана указателю положения (УП).
2.1.19. Подготовить схему паропроводов блока к растопке:
Открыть:
- главные паровые задвижки (ГПЗ);
- арматуру на дренажах перед ГПЗ;
- пускосбросное устройство (ПСБУ);
- арматуру на линии подвода воды к охладителю ПСБУ (задвижку);
- арматуру на дренажах паропроводов промперегрева;
- арматуру на сбросных трубопроводах горячих паропроводов промперегрева (СЗ-9);
- арматуру на импульсных линиях контрольно-измерительных приборов, автоматики и защит;
- арматуру на линиях отбора проб пара в местах отборов.
Закрыть арматуру:
- на линии подвода воды к охладителю ПСБУ (регулирующий клапан);
- на впрысках в трубопроводы сброса пара горячих паропроводов промперегрева;
- на воздушниках паропроводов свежего пара и пара промперегрева;
- на паровых байпасах промежуточного пароперегревателя (ПЗ-3 и РКБ);
- на дренажах и продувках импульсных линий контрольно-измерительных приборов, автоматики и защит;
- на линиях отбора проб пара у холодильников.
2.1.20. Включить в работу валоповоротное устройство турбины, основные водоструйные эжекторы и начать набор вакуума. Подать пар из коллектора собственных нужд на уплотнения турбины и включить регулятор давления. Включить эжектор отсоса из охладителя уплотнений и отрегулировать работу системы уплотнений. Установить вакуум в конденсаторе 0,65 кгс/см2 (около 500 мм рт. ст.).
2.1.21. После окончания предпусковой деаэрации при содержании кислорода в питательной воде не более 10 мкг/кг приступить к заполнению котла водой.
При заполнении котла от ПЭН:
1. Включить на рециркуляцию ПЭН, закрыть задвижку на линии рециркуляции БН и открыть задвижку на питательном байпасе с шайбовым набором Ш-1.
2. С помощью гидромуфты установить давление воды за ПЭН ~ 300 кгс/см2.
3. После заполнения котла водой прикрытием клапанов Др-1 повысить давление перед ВЗ примерно до 250 кгс/см2 и включить регуляторы давления.
4. С помощью гидромуфты установить давление воды за ПЭН 270 - 280 кгс/см2. Перейти на основную схему питания, для чего прикрыть РПК, открыть задвижку на линии напора ПЭН и закрыть задвижку на питательном байпасе.
При заполнении котла от БН:
1. Открыть задвижку на линии напора ПЭН и закрыть задвижку на линии рециркуляции БН.
2. После заполнения котла водой прикрыть РПК и клапаны Др-1 до 10 - 15 % по УП, установить гидромуфту в положение максимального скольжения и включить ПЭН с открытой рециркуляцией.
3. С помощью клапанов Др-1 установить давление перед ВЗ около 250 кгс/см2, включить регуляторы давления перед ВЗ и с помощью РПК установить растопочный расход воды в котел.
2.1.22. С момента подачи воды в котел контролировать уровни в баках запаса конденсата (БЗК), конденсаторе, деаэраторе и режим деаэрации. По мере заполнения ПВД и котла водой закрывать воздушники.
2.1.23. После повышения давления в тракте котла до ВЗ и открытия впускного клапана ПВД опробовать защиту ПВД по первому пределу (с контролем закрытия впускного клапана), после чего восстановить схему включения ПВД по пару и питательной воде. Закрыть арматуру на байпасе впускного клапана ПВД.
2.1.24. Провести прокачку воды по потокам котла в соответствии с указаниями местной инструкции по обслуживанию котла. При необходимости прокачки воды с расходом, превышающим 300 т/ч, во избежание срыва деаэрации питательной воды проводить поочередную прокачку по потокам.
2.1.25. После окончания прокачки установить растопочный расход воды по 135 т/ч на поток, включить растопочные (либо основные) регуляторы питания и отключить рециркуляцию ПЭН.
Примечание. Видимому значению расхода воды 135 т/ч при температуре 100 - 150 °С соответствует действительный расход питательной воды 150 т/ч.
2.1.27. Провентилировать газовоздушный тракт котла. При растопке на мазуте повысить температуру воздуха перед воздухоподогревателями котла не менее чем до 70 °С.
2.1.28. При растопке на газе заполнить газом и продуть газопроводы котла.
2.2.4. По указанию начальника смены химического цеха перевести сброс воды из Р-20 в конденсатор, для чего открыть задвижку СЗ-3 и закрыть задвижку СЗ-6.
2.2.6. При повышении температуры пара в сбросном трубопроводе после ПСБУ до 180 - 200 °С ввести в работу впрыск.
2.2.7. При повышении температуры свежего пара за пусковым впрыском до 280 °С включить в работу пусковой впрыск и его регулятор для поддержания указанной температуры. Включить регулятор давления воды в системе впрысков.
Примечание. При отсутствии регуляторов прикрытие клапанов Др-2 вести по мере роста температуры среды перед ВЗ в соответствии с указаниями местной инструкции по эксплуатации котла.
2.2.10. При повышении температуры пара в стопорных клапанах высокого давления до 220 - 230 °С начать прогрев паропроводов промперегрева, для чего открытием регулирующих клапанов турбины произвести толчок ротора и в течение 10 мин повысить частоту его вращения примерно до 800 об/мин.
2.2.11. При повышении температуры пара в сбросных трубопроводах из горячих паропроводов промперегрева до 180 - 200 °С ввести в работу впрыски.
2.2.12. В зависимости от теплового состояния ЦСД выполнить следующие операции:
1. При температуре металла верха ЦСД в зоне паровпуска выше 100 °С:
а) после повышения частоты вращения ротора турбины примерно до 800 об/мин увеличить расход топлива до 21 - 22 % номинального, исходя из повышения температуры среды перед ВЗ примерно до 370 °С;
б) после повышения температуры металла участков горячих паропроводов промперегрева перед ЦСД турбины не менее чем до 100 °С начать повышение вакуума в конденсаторе до номинального;
в) подать пар в ЦСД турбины, для чего открыть стопорные клапаны среднего давления и с помощью механизмов расхаживания закрыть сбросные клапаны (БВК); отключить впрыски в сбросные трубопроводы промперегрева;
2. При температуре металла верха ЦСД турбины в зоне паровпуска, равной или меньшей 100 °С:
а) после повышения температуры металла участков паропроводов перед ЦСД турбины не менее чем до 100 °С подать пар в ЦСД, выполнив операции в соответствии с п. 1, в;
б) выдержать режим работы турбины с частотой вращения ротора около 800 об/мин в течение 90 мин для прогрева ротора среднего давления;
в) за 25 - 30 мин до окончания указанной выдержки увеличить расход топлива до 21 - 22 % номинального; за 10 мин до окончания выдержки начать повышение вакуума в конденсаторе до номинального.
2.2.13. При достижении вакуума в конденсаторе не менее 0,8 кгс/см2 (около 600 мм рт. ст) подать пар на обогрев фланцевого соединения корпуса ЦВД турбины и начать повышение частоты вращения ротора до 3000 об/мин с помощью регулирующих клапанов турбины при полностью отрытом клапане ПСБУ.
При частоте вращения ротора 3000 об/мин вакуум в конденсаторе должен быть не менее 0,88 кгс/см2 (около 650 мм рт. ст.).
2.2.14. При достижении в стопорных клапанах среднего давления требуемой температуры пара включить в работу паровые байпасы промежуточного пароперегревателя, для чего открыть задвижки ПЗ-3 и с помощью РКБ поддерживать эту температуру в соответствии с графиком-заданием.
2.2.15. При частоте вращения ротора турбины 3000 об/мин:
- проверить (при необходимости) автомат безопасности турбины;
- возбудить генератор и проверить оборудование под рабочим напряжением;
- синхронизировать и включить генератор в сеть, открыть полностью регулирующие клапаны турбины, закрыть ПСБУ и его впрыск, отключить впрыск в пароприемное устройство конденсатора. Взять нагрузку не менее 20 МВт; загрузить генератор реактивной нагрузкой 10 - 20 МВ∙Ар;
- закрыть дренажи паропроводов свежего пара и пара промперегрева, перепускных труб турбины и промежуточного пароперегревателя котла.
2.2.16. Сразу после включения генератора в сеть подать пар на обогрев фланцевого соединения корпуса ЦСД турбины.
2.2.17. По окончании выдержки на начальной нагрузке закрыть дренажи турбины, приступить к дальнейшему увеличению расхода топлива для перевода котла на прямоточный режим и нагружения блока до 90 - 100 МВт в соответствии с графиком-заданием.
2.2.18. При нагрузке 30 - 40 МВт перевести электрические собственные нужды блока на рабочее питание и включить АВР питания секций 6 кВ.
2.2.19. При нагрузке 40 - 50 МВт включить в работу пусковой впрыск для регулирования температуры пара перед ЦСД турбины и начать отключение паровых байпасов промежуточного пароперегревателя; включить регулятор пускового впрыска. Паровые байпасы отключить до вывода котла на прямоточный режим, после чего снять напряжение с приводов задвижки ПЗ-3 и РКБ.
Примечание. При отсутствии пускового впрыска в горячие паропроводы промперегрева отключение паровых байпасов производить при нагрузке блока 90 - 100 МВт и параллельно с этим включить аварийные впрыски. При проведении этих операций нагрузку блока поддерживать постоянной.
2.2.20. При нагрузке 70 - 80 МВт перевести деаэратор на питание паром от IV отбора турбины, отключив его от Р-20. При этом открыть задвижку СЗ-4 и закрыть задвижку СЗ-5.
2.2.21. Перевести слив из уплотнений ПЗН с конденсатора на деаэратор.
2.2.22. После повышения температуры перед ВЗ примерно до 410 °С перевести котел на прямоточный режим, для чего закрыть клапаны Др-2 и задвижку СЗ-1. Параллельно во избежание срыва вакуума в конденсаторе закрыть задвижки СЗ-3, СЗ-4 и проверить закрытие регуляторами клапанов РКС-1 и РКС-2. Снять напряжение с приводов задвижки СЗ-1 и клапанов Др-2.
Примечание. При работе на твердом топливе с выходом летучих более 15 % переход на его сжигание допускается при тепловой нагрузке топки менее 30 % номинальной (уточняется местной инструкцией).
2.2.24. При нагрузке 100 - 110 МВт приступить к прогреву турбопривода питательного насоса от III отбора турбины при частоте вращения ротора 1000 об/мин.
2.2.25. При нагрузке 140 - 150 МВт дополнительно включить в работу по одному насосу КЭН-I и КЭН-II.
2.2.26. При нагрузке 170 - 180 МВт включить второй БН и перейти с ПЭН на ПТН. Переключатель блокировки ПЭН установить в положение АВР.
2.2.27. При нагрузке блока 180 МВт повысить давление свежего пара до номинального путем прикрытия регулирующих клапанов турбины и температуру свежего пара до значения, указанного в графике-задании.
а) включить регулятор давления свежего пара «До себя», воздействующий на регулирующие клапаны турбины;
б) открыть ВЗ, проверить полное открытие клапанов Др-1, снять напряжение с приводов ВЗ, клапанов Др-1 и Др-3;
в) перевести систему впрысков на полное давление, для чего отключить воздействие регулятора на клапан Др-5, закрыть клапан Др-5, задвижку СЗ-8, открыть задвижку СЗ-7 и снять напряжение с их приводов;
г) отключить систему обогрева фланцевого соединения корпуса ЦВД турбины.
2.2.29. Продолжить нагружение блока. При достижении номинальной или заданной нагрузки продолжить повышение температуры свежего и вторично перегретого пара в соответствии с графиком-заданием.
2.2.31. Систему обогрева фланцевого соединения корпуса ЦСД отключить после окончания нагружения и достижения температуры вторично перегретого пара перед турбиной 520 °С.
1. Пусковой впрыск свежего пара поддерживать в диапазоне регулирования с помощью впрыска II, а последний - впрыском I.
2. Пусковой впрыск вторично перегретого пара поддерживать в диапазоне регулирования аварийным впрыском, а после его отключения - основными средствами регулирования.
3 При достижении номинальных значений температуры свежего и вторично перегретого пара за поверхностями нагрева, контролируемыми основными средствами регулирования, перевести их на автоматическое управление.
4. При достижении номинальных значений температуры свежего и вторично перегретого пара перед турбиной отключить пусковые впрыски.
3.1. Убедиться в нормальной работе оборудования блока, которое не отключалось после останова.
3.2. Выполнить необходимые подготовительные операции к пуску блока в соответствии с пунктами 2.1.1 - 2.1.8 и 2.1.10 - 2.1.29 со следующими изменениями и дополнениями:
3.2.1. Открыть дренажи из трубопроводов за ВЗ, до клапанов Др-3 и за ними, если температура металла любого из толстостенных элементов тракта сверхкритического давления (выходных камер котла, тройников, стопорных клапанов высокого давления турбины) равна или выше 80 °С.
3.2.2. Дренажи вторых перепускных труб, цилиндров и отборов турбинной установки не открывать.
3.3. Выполнить операции по пуску блока в соответствии с пунктами 2.2.1 - 2.2.33 со следующими изменениями и дополнениями:
3.3.1. При пусках блока, когда не предусматривается специальное время для проведения водной отмывки тракта до ВЗ:
- при температуре толстостенных элементов тракта сверхкритического давления менее 80 °С операцию по п. 2.2.5 проводить примерно через 15 мин после выполнения операций по п. 2.2.2;
- при температуре толстостенных элементов 80 °С или более расход топлива 14 - 15 % номинального установить при розжиге форсунок (горелок).
Рис. 3. График-задание пуска блока из неостывшего состояния (температура паровпуска ЦВД 280 - 180 °С, температура паровпуска ЦСД 220 - 160 °С, продолжительность простоя 60 - 90 ч)
Обозначения см. в приложении 8
Примечание. Если проводится водная промывка котла, то операции I и II выполняются в начале ее.
а) перевод питания деаэратора на пар из Р-20 производить в соответствии с п. 2.2.8, но при температуре среды перед ВЗ 200 - 210 °С;
б) подключение пароперегревателя производить после повышения температуры среды перед ВЗ до 260 - 270 °С по следующей технологии:
- открыть клапаны Др-3 на 5 % по УП и сделать выдержку 5 мин;
- с интервалами 2 мин открывать клапаны Др-3 по 5 % до 30 %; по 10 % - до 50 % и далее в один прием до 100 % по УП;
- закрыть дренажи из трубопроводов за ВЗ, до клапанов Др-3 и за ними;
в) в начале подключения пароперегревателя включить впрыск в пароприемное устройство конденсатора.
3.3.4. Толчок ротора турбины проводить при повышении температуры металла паропроводов перед ГПЗ до температуры верха паровпуска ЦВД, уменьшении разности температуры металла стопорных клапанов и верха паровпуска ЦВД до 50 °С при соблюдении условия п. 3.3.3.
3.3.5. Перед толчком ротора:
- открыть дренажи вторых перепускных труб, цилиндров и отборов турбины;
- открыть задвижку СЗ-4, прикрыть клапаны Др-3 до 25 - 30 % по УП, проверить открытие клапана РКС-2 под воздействием регулятора.
Примечание. При повышении давления в деаэраторе до 6 кгс/см2 включить регулятор давления.
3.3.7. Прогрев системы промперегрева при частоте вращения ротора турбины 800 об/мин проводить, исходя из повышения температуры металла участков паропроводов перед ЦСД не менее чем до 100 °С и уменьшения разницы температуры металла основной трассы паропроводов и верха паровпуска ЦСД до 100 °С.
3.3.8. После окончания прогрева паропроводов промперегрева открыть клапаны Др-3 и закрыть задвижку СЗ-4.
3.3.9. Увеличение расхода топлива свыше 21 - 22 % номинального для вывода котла на прямоточный режим начать после включения генератора в сеть.
3.3.10. Темп нагружения блока и температуру пара выдерживать в соответствии с графиками-заданиями.
4.1. Убедиться в нормальной работе оборудования блока, которое не отключалось после останова.
4.2. При сохранившемся избыточном давлении в тракте котла до ВЗ выполнить подготовительные операции к пуску блока в соответствии с пп. 2.1.1 - 2.1.5, 2.1.8, 2.1.10 - 2.1.20, 2.1.26 - 2.1.29 со следующими изменениями и дополнениями:
4.2.1. Не подготовлять схему для прогрева системы обогрева фланцевого соединения корпуса ЦВД.
4.2.2. Не открывать дренажи вторых перепускных труб, цилиндров и отборов турбины.
4.2.3. Не воздействовать на механизмы расхаживания стопорных клапанов среднего давления и сбросных клапанов (БВК).
Примечание. При присоединении сбросных трубопроводов промперегрева к трубопроводам за ПСБУ закрыть задвижку СЗ-9.
4.2.4. Подготовить схему для прогрева турбопривода питательного насоса, для чего открыть задвижки на подводе и отводе пара, дренажи паропроводов и цилиндра.
4.2.5. Открыть дренажи трубопроводов за ВЗ и за клапанами Др-3.
4.2.6. Подать пар на уплотнения турбопривода при наборе вакуума в конденсаторе.



4.2.7. Не открывать клапаны Др-2, задвижки СЗ-1, СЗ-2, воздушники питательного тракта и поверхностей нагрева котла до ВЗ.
4.2.8. Не проводить проверки состояния изоляции обмотки статора генератора.
а) включить ПЭН на рециркуляцию при закрытых задвижках на линии напора и байпасе напорной задвижки. С помощью гидромуфты установить давление за ПЭН 270 - 280 кгс/см2;
б) сдренировать и прогреть сбросные трубопроводы из ВС и Р-20, для чего приоткрыть клапаны Др-2 и открыть задвижку СЗ-1.
При повышении давления пара в Р-20 до 2 - 3 кгс/см2 открыть задвижку СЗ-4 и включить регулятор РКС-2 с уставкой 16 - 18 кгс/см2.
Примечание. Следить за вакуумом в конденсаторе, и при его ухудшении закрыть задвижку СЗ-4, повторно открыв ее после включения форсунок (горелок);
в) подать воду в котел, открыв задвижку питательного байпаса с шайбовым набором Ш-1. При появлении уровня в Р-20 включить регулятор РКС-1;
г) с началом роста давления в ВС поддерживать его на уровне, близком к начальному, открытием клапанов Др-2;
д) плавно повысить давление среды перед ВЗ примерно до 250 кгс/см2, воздействуя на клапаны Др-1. Включить регуляторы давления перед ВЗ и начать снижение давления во ВС со скоростью 10 кгс/см2 в минуту, открывая клапаны Др-2; открыть дренажи перед клапанами Др-3;
е) ступенями открыть задвижку на линии напора ПЭН и одновременно, воздействуя на РПК, установить расход воды по 135 т/ч на поток котла. Включить растопочные (либо основные) регуляторы питания. Закрыть задвижку на питательном байпасе;
ж) включение тягодутьевого оборудования проводить за 10 - 15 мин до установления растопочного расхода воды.
4.3. При отсутствии давления в тракте котла до ВЗ выполнить подготовительные операции к пуску блока в соответствии с пунктами 2.1.1 - 2.1.8, 2.1.10 - 2.1.29 с изменениями и дополнениями в соответствии с пунктами 4.2.2 - 4.2.6.
Если температура металла верха паровпуска ЦВД выше 300 °С, схему для прогрева системы обогрева фланцевого соединения корпуса ЦВД не подготовлять.
4.4. После установления растопочного расхода воды, окончания вентиляции и при давлении среды перед ВЗ около 250 кгс/см2 включить форсунки (горелки).
Установить расход топлива 17 - 18 % номинального при пусках после простоя от 18 до 55 ч или 21 - 22 % - после простоя менее 18 ч.
4.5. При растопке котла со сборкой схемы в соответствии с п. 4.3 при повышении давления в Р-20 до 2 - 3 кгс/см2 выполнить операции, указанные в п. 2.2.3.
4.6. По указанию начальника смены химического цеха перевести сброс воды из Р-20 в конденсатор в соответствии с п. 2.2.4.
4.7. При температуре среды перед ВЗ 200 - 210 °С перевести деаэратор на пар из Р-20 в соответствии с п. 2.2.8.
4.8. Подключить пароперегреватель в соответствии с п. 3.3.2, б. При растопке кома после простоя менее 18 ч дополнительным условием для начала операций является повышение температуры газов в поворотной камере котла не менее чем до 400 °С.
В начале подключения пароперегревателя включить впрыск в пароприемное устройство конденсатора.
4.9. При повышении температуры пара в сбросном трубопроводе ПСБУ до 180 - 200 °С включить впрыск.
4.10. После открытия клапанов Др-3 увеличить расход топлива:
4.10.1. При пусках после простоев от 18 до 55 ч - до 21 - 22 % номинального.
4.10.2. При пусках после простоев менее 18 ч - до 30 % номинального с коррекцией на условия получения температуры свежего пара до пускового впрыска около 530 °С.
4.11. Прикрытие клапанов Др-2 вести в соответствии с п. 2.2.9.
4.12. Включение пусковых впрысков, толчок ротора турбины и повышение частоты его вращения до 800 об/мин проводить в соответствии с пунктами 3.3.3 - 3.3.6.
4.13. Открыть задвижку СЗ-9, начать повышение вакуума в конденсаторе турбины до номинального значения.
4.14. При вакууме в конденсаторе не менее 0,8 кгс/см2 (около 600 мм рт. ст.):
4.14.1. Открыть клапаны Др-3, после чего закрыть задвижку СЗ-4.
4.14.2. Подать пар для обогрева фланцев и шпилек ЦВД, если температура металла верха паровпуска ЦВД равна или менее 300 °С.
4.14.3. Открытием регулирующих клапанов повысить частоту вращения ротора до 3000 об/мин при полностью открытом клапане ПСБУ.
Примечание. При частоте вращения ротора 3000 об/мин вакуум в конденсаторе должен быть не менее 0,88 кгс/см2 (около 650 мм рт. ст.).
4.15. Синхронизировать и включить генератор в сеть, полностью открыть регулирующие клапаны турбины. Закрыть ПСБУ и его впрыск, дренажи паропроводов и турбоустановки. Отключить впрыск в пароприемное устройство конденсатора.
4.16. После включения генератора в сеть начать увеличение расхода топлива для перевода котла на прямоточный режим и нагружения блока в соответствии с графиком-заданием.
Подать пар для обогрева фланцев и шпилек ЦСД.
4.17. При повышении температуры пара в стопорных клапанах среднего давления до уровня, требуемого графиком-заданием, включить в работу паровые байпасы промежуточного пароперегревателя, если нагрузка блока менее 40 МВт, или пусковой впрыск, если нагрузка блока равна или больше 40 МВт.
4.18. При нагрузке 30 - 40 МВт:
4.18.2. Перевести электрические собственные нужды блока на рабочее питание и включить АВР питания секций 6 кВ.
4.19. Провести нагружение блока в соответствии с указаниями пунктов 2.2.20 - 2.2.23, 2.2.25 - 2.2.33 и требованиями графиков-заданий.
5.1. Убедиться в нормальной работе оборудования блока, которое не отключалось после останова.
5.2. Выполнить подготовительные операции к пуску блока в соответствии с п. 4.2 со следующими изменениями:
5.2.1. Не проводить операций по пунктам 2.1.8 и 2.1.12.
5.2.2. Не открывать задвижку СЗ-6 и клапан РКС-1.
5.2.3. После повышения давления в Р-20 до 2 - 3 кгс/см2 дополнительно к указаниям п. 4.2.9, б открыть задвижку СЗ-3 и включить регулятор уровня в Р-20, воздействующий на РКС-1.
5.2.4. При подаче воды в котел дополнительно к указаниям п. 4.2.9, в с помощью РПК установить расход воды по 60 - 70 т/ч на поток.
5.3. Через 2 - 3 мин после установления растопочного расхода воды и при давлении среды перед ВЗ около 250 кгс/см2 включить форсунки (горелки). Установить расход топлива на уровне 21 - 22 % номинального, скорректировав его из условия достижения температуры газов в поворотной камере 480 - 500 °С, но не более 530 °С.
5.4. Перевести питание деаэратора на пар из Р-20, для чего открыть задвижку СЗ-5, закрыть ПЗ-2, отключить воздействие регулятора и открыть клапан греющего пара деаэратора. После повышения давления в деаэраторе до 6 кгс/см2 включить регулятор с уставкой по этому давлению.
5.5. При повышении температуры дымовых газов в поворотной камере котла примерно до 500 °С и полностью открытых клапанах Др-2 подключить пароперегреватель.
5.5.1. Открыть клапаны Др-3 на 5 % по УП и сделать выдержку 2 - 3 мин.
5.5.2. С интервалом около 1 мин открывать клапаны Др-3 по 5 % до 30 %, по 10 % - до 50 % и далее в один прием до 100 % по УП.
5.5.3. Закрыть дренажи из трубопроводов за ВЗ, до клапана Др-3 и за ним.
5.5.4. В начале подключения пароперегревателя включить впрыск в пароприемное устройство конденсатора.
5.6. При повышении температуры пара в сбросном трубопроводе за ПСБУ до 180 - 200 °С ввести в работу впрыск.
5.7. После открытия клапанов Др-3:
5.7.1. Увеличить расход топлива примерно до 30 % номинального, скорректировав его, исходя из повышения температуры пара перед пусковым впрыском примерно до 530 °С.
5.7.2. Плавно прикрыть клапаны Др-2 до положения, соответствующего температуре среды перед ВЗ, и включить регулятор.
Примечание. При отсутствии регулятора дальнейшее прикрытие клапанов Др-2 вести по мере роста температуры среды перед ВЗ в соответствии с указаниями местной инструкции.
Рис. 7. График-задание пуска блока из горячего состояния (температура паровпуска ЦВД ³ 400 °С, температура паровпуска ЦСД ³ 420 °С, продолжительность простоя 2 - 8 ч)
τпр - продолжительность простоя блока, ч.
Остальные обозначения см. в приложении 8.
5.7.3. Закрыть задвижку СЗ-4, проверить закрытие регулятором клапана РКС-2.
5.7.4. Начать набор вакуума в конденсаторе турбины до номинального значения.
5.8. При повышении температуры свежего пара за пусковым впрыском на 80 - 100 °С выше температуры металла верха паровпуска ЦВД, до 500 °С, включить в работу пусковой впрыск для поддержания температуры пара за ним на указанном уровне. Включить в работу регуляторы пускового впрыска и давления воды в системе впрысков.
5.9. При повышении температуры металла паропроводов перед ГПЗ до температуры верха паровпуска ЦВД, уменьшении разности температур металла стопорного клапана и верха паровпуска ЦВД до 50 °С, вакууме в конденсаторе не ниже 0,88 кгс/см2 (около 650 мм рт. ст.) провести следующие операции:
5.9.1. Открыть дренажи вторых перепускных труб, цилиндров и отборов турбины.
5.9.2. Открытием регулирующих клапанов произвести толчок ротора и повысить частоту его вращения до 3000 об/мин, открыть задвижку СЗ-9.
5.9.3. Синхронизировать и включить генератор в сеть.
5.9.4. Открыть полностью регулирующие клапаны турбины, закрыть ПСБУ и его впрыск, отключить впрыск в пароприемное устройство конденсатора.
5.9.5. Закрыть все дренажи паропроводов и турбины.
5.9.6. Подать пар для обогрева фланцев и шпилек ЦСД, если температура металла верха паровпуска ЦСД равна или ниже 420 °С.
5.10. После включения генератора в сеть начать увеличение расхода топлива для перевода котла на прямоточный режим и приступить к прогреву турбопривода питательного насоса в соответствии с указаниями п. 4.18.1.
Перевести электрические собственные нужды блока на рабочее питание и включить АВР питания секций 6 кВ.
5.11. Дальнейшее нагружение блока выполнять в соответствии с графиком-заданием и указаниями пунктов 2.2.20 - 2.2.23, 2.2.25 - 2.2.30, 2.2.32, 2.2.33.
6.1. После проверки выполнения операций по аварийному останову подготовить блок к пуску.
6.1.1. Открыть газовые шиберы перед и после РВВ, перед дымососами, включить дымососы, дутьевые вентиляторы, установить разрежение в топке 3 - 5 кгс/м2 (при закрытых направляющих аппаратах дымососов).
6.1.2. При растопке на газе немедленно после начала вентиляции газового тракта котла начать заполнение и продувку газопроводов к горелкам. Минимальная продолжительность этой операции должна быть уточнена местными инструкциями, исходя из содержания кислорода в газе не более 1 %; при растопке на мазуте и на мазуте с пылью установить растопочное давление мазута перед форсунками.
6.1.3. Включить ПЭН на рециркуляцию и с помощью гидромуфты установить давление питательной воды 270 - 280 кгс/см2.
6.1.4. Проверить включение (включить) регулятора давления ПСБУ.
6.1.5. Подать напряжение на приводы ВЗ, клапанов Др-1, задвижек СЗ-7, СЗ-8 и клапана Др-5; закрыть соленоидные клапаны КОС на отборах турбины.
Рис. 8. График-задание пуска блока из состояния горячего резерва
Обозначения см. в приложении 8
6.2.1. Открыть запорную задвижку на линии напора ПЭН и с помощью РПК установить расход воды по 135 т/ч на поток (по растопочным водомерам).
6.2.2. Включить растопочные (либо основные) регуляторы питания и регулятор разрежения в топке.
6.2.3. Проверить положение впускного клапана ПВД и, если он закрылся, открыть арматуру на его байпасе. После открытия клапана арматуру на байпасе закрыть.
6.2.4. При снижении давления пара в деаэраторе до 2,0 кгс/см2 подать пар в деаэратор из коллектора собственных нужд; включить регулятор давления с уставкой 2,0 кгс/см2.
6.3. Через 1 - 1,5 мин после подачи воды в котел приступить к включению форсунок (горелок) и в течение 2 - 3 мин установить расход топлива на уровне 38 - 40 % номинального. При растопке на газе закрыть продувочные свечи.
Растопочный уровень тепловыделения контролировать по температуре газов в поворотной камере (620 - 640 °С) и по температуре пара перед ВЗ. Корректировку уровня тепловыделения при растопке на смеси мазут-пыль проводить путем изменения частоты вращения пылепитателей.
Начать повышение вакуума в конденсаторе до номинального.
6.4. После повышения температуры пара за котлом до 545 °С провести следующие операции:
6.4.1. Закрыть ВЗ, включить регуляторы давления среды перед ВЗ, отключить воздействие регулятора давления на клапан ПСБУ и за 5 - 6 мин открытием ПСБУ снизить давление свежего пара до 160 - 180 кгс/см2.
6.4.2. Закрыть задвижку СЗ-7, открыть задвижку СЗ-8 и включить регулятор давления воды в системе впрысков. Открыть запорные задвижки основных впрысков котла и включить их регуляторы. Открыть ГПЗ.
6.5. При устойчивом поддержании параметров свежего пара и вакууме в конденсаторе не менее 0,88 кгс/см2 (около 650 мм рт. ст.):
6.5.1. Подать пар в турбину открытием регулирующих клапанов и за 3 - 5 мин повысить частоту вращения ротора до 3000 об/мин.
6.5.2. Синхронизировать и включить генератор в сеть.
6.5.3. Открытием регулирующих клапанов турбины взять нагрузку около 90 МВт (до полного закрытия ПСБУ).
6.6. Открытием дроссельного клапана произвести толчок и начать повышение частоты вращения ротора турбопривода питательного насоса.
Перевести электрические собственные нужды блока на рабочее питание и ввести АВР питания секций 6 кВ.
Проверить включение в работу (по блокировке) сливных насосов ПНД.
6.7. Продолжить нагружение блока в соответствии с графиком-заданием.
6.7.1. При нагрузке около 120 МВт перевести сброс конденсата греющего пара ПВД в деаэратор.
6.7.2. При нагрузке 140 - 150 МВт дополнительно включить в работу по одному КЭН-I и КЭН-II; перевести деаэратор на пар от IV отбора турбины, отключить воздействие регулятора и открыть клапан греющего пара деаэратора.
6.7.3. При нагрузке 170 - 180 МВт включить второй БН и перейти с ПЭН на ПТН. Переключатель блокировки ПЭН установить в положение АВР.
6.7.4. При нагрузке 180 МВт:
- прикрытием регулирующих клапанов в течение около 5 мин повысить давление пара перед турбиной до номинального и включить регулятор давления «До себя»;
- отключить воздействие регуляторов на клапаны Др-1 и открыть ВЗ; проверить полное открытие клапанов Др-1; снять напряжение с приводов ВЗ и клапанов Др-1;
- перевести систему впрысков на полное давление в соответствии с п. 2.2.28, в.
6.7.5. При нагрузке блока около 250 МВт после повышения давления в деаэраторе до 6 кгс/см2 включить регулятор давления.
7.1. Перед разгружением блока выполнить следующие операции:
7.1.1. Очистить поверхности нагрева котла.
7.1.2. Перевести уплотнения турбины на питание паром от коллектора собственных нужд блока.
7.1.3. Отключить бойлерную установку, РУ 40/13 и другие посторонние потребители пара.
7.1.5. Подать напряжение на приводы ВЗ и клапанов Др-3.
7.2.2. На блоках, эксплуатирующихся при скользящем давлении, - до минимальной разрешенной нагрузки при открытых четырех регулирующих клапанах турбины с учетом условий п. 7.2.1 со скоростью 10 МВт/мин (газомазутные блоки) или 5 МВт/мин (пылеугольные блоки) при номинальной температуре пара. При этом предварительно отключить воздействие регулятора давления «До себя» на регулирующие клапаны турбины.
Примечание. При останове блока на ночь разгружение проводить в соответствии с п. 7.2.1, если блок работал в зоне номинального давления, и в соответствии с п. 7.2.2 при исходном режиме в зоне скользящего давления.
7.3. При разгружении блока проверить действие следующих блокировок:
7.3.1. При нагрузке около 230 МВт - перевод деаэратора на питание паром от III отбора и калориферов котла от V отбора турбины.
7.3.2. При нагрузке около 200 МВт - переключение конденсата греющего пара ПВД № 6 в ПНД № 4 (или в конденсатор), а ПВД № 7 в деаэратор.
Примечание. Если блокировки, перечисленные в пунктах 7.3.1 и 7.3.3 не задействованы, соответствующие переключения не проводить.
7.4. По окончании разгружения блока выполнить следующие операции:
7.4.1. Отключить калориферы котла по пару и конденсату греющего пара.
7.4.2. Ключами ПЗ-1, ПЗ-2 отключить соответствующие группы защит.
7.4.3. Перевести собственные нужды блока на резервный трансформатор.
7.4.4. Установить ключ плавного останова котла в положение «Останов». Проверить выполнение всех воздействий на механизмы и арматуру и в случае отказов выполнить необходимые операции вручную.
Примечание. Останов котлов, оборудованных молотковыми мельницами, производить после отключения питателей сырого угля при начавшемся снижении температуры газов в поворотной камере и паропроизводительности котла.
7.4.5. Убедиться в разгружении турбогенератора под воздействием регулятора давления свежего пара «До себя».
7.4.6. После снижения нагрузки до 90 - 100 МВт проверить автоматическое срабатывание защиты на останов турбины и в случае отказа ее в работе выполнить необходимые операции вручную.
Примечания: 1. Если электрическими схемами защит предусматривается одновременный останов котла и турбины при воздействии на ключ останова котла, операции по останову котла выполнить вручную, а при снижении нагрузки до 90 - 100 МВт ключом останова турбины отключить ее и проверить правильность срабатывания защит и блокировок.
2. При разгружении на скользящем давлении снижение нагрузки турбогенератора до 90 - 100 МВт выполнить вручную.
7.4.7. Убедиться в том, что стопорные клапаны турбины закрыты, а ГПЗ закрываются.
Снизить вакуум в конденсаторе до 0,88 кгс/см2 (около 650 мм рт. ст.). Проверить автоматическое отключение генератора от сети.
7.5. После останова блока выполнить следующие операции:
7.5.2. Продуть линии впрысков котла обратным ходом.
7.7. После выпуска пара из пароперегревателя и закрытия ПСБУ остановить подъемные насосы эжекторов и при снижении вакуума в конденсаторе до нуля прекратить подачу пара на уплотнения турбины и на деаэратор.
Остановить конденсатные и бустерные насосы.
7.8. Остановить циркуляционные насосы после снижения температуры выхлопного патрубка турбины до 55 °С.
8.1. Перед разгружением блока:
8.1.1. Выполнить операции в соответствии с пунктами 7.1.1 - 7.1.4.
8.1.2. Подать напряжение на приводы ВЗ, клапанов Др-1, задвижек СЗ-7, СЗ-8 и клапана Др-5.
8.1.3. Подать пар на обогрев фланцевого соединения корпуса ЦСД турбины.
8.2. Разгрузить блок с 300 до 240 МВт за 5 - 7 мин и далее со скоростью 2 МВт/мин до 180 МВт.
Рис. 9. Графин-задание останова блока с расхолаживанием турбины
Обозначения см. в приложении 8
При нагрузке 180 МВт выполнить следующие операции:
8.2.1. Закрыть ВЗ, включить регулятор давления среды перед ВЗ, отключить воздействие регулятора давления «До себя» на регулирующие клапаны турбины.
8.2.2. Закрыть задвижку СЗ-7, открыть задвижку СЗ-8 и включить регулятор давления воды в системе впрысков.
8.2.3. Деблокировать защиту, действующую при снижении температуры свежего пара.
8.2.4. Отключить воздействие регуляторов на регулирующие клапаны основных впрысков.
Правильность соотношения давление - температура контролировать по температуре пара в камере регулирующей ступени турбины, которая должна поддерживаться постоянной (около 435 °С).
8.3. Разгрузить блок со 180 до 90 МВт со скоростью 5 - 6 МВт/мин при открытых регулирующих клапанах турбины и постоянной температуре свежего пара.
8.4. В процессе разгружения блока с 300 до 90 МВт выполнить следующие операции:
8.4.1. При достижении на пылеугольных котлах предела устойчивой нагрузки топки включить подсветку мазутом (газом).
8.4.2. Проверить действие блокировок в соответствии с пунктами 7.3.1 - 7.3.3.
Примечание. Если блокировки в соответствии с пунктами 7.3.1 и 7.3.3 не задействованы, при нагрузке около 160 МВт перевести питание деаэратора с IV отбора турбины на коллектор собственных нужд блока.
8.4.3. При нагрузке около 150 МВт перейти с ПТН на ПЭН. Отключить один БН и по одному КЭН-I и КЭН-II.
8.4.4. Проверить автоматический перевод конденсата греющего пара ПВД № 8 и ПВД № 7 на ПНД № 4 (в конденсатор) и конденсата греющего пара ПНД № 2 в конденсатор.
8.5. В соответствии с графиком-заданием при нагрузке 90 МВт снизить температуру свежего пара с 470 до 325 °С. Температуру свежего пара регулировать в соответствии с п. 8.2.5.
8.6. Поддерживая температуру свежего пара постоянной (около 325 °С) продолжить снижение нагрузки турбины примерно до 15 МВт, постепенно прикрывая регулирующие клапаны турбины. Открытием клапана ПСБУ поддерживать давление свежего пара постоянным на уровне около 70 кгс/см2. Включить в работу впрыски ПСБУ и в пароприемное устройство конденсатора.
При нагрузке 30 - 40 МВт перевести собственные нужды блока на резервный трансформатор.
8.7. Выдержать турбину при нагрузке 15 МВт не менее 1 ч для стабилизации теплового состояния ее корпуса. По окончании выдержки отключить систему обогрева фланцев и шпилек ЦСД.
8.8. При разгружении блока со 180 до 15 МВт в соответствии с графиком-заданием снизить температуру вторично перегретого пара с 540 до 310 °С с помощью пусковых впрысков (с периодическим изменением задания регуляторам), поддерживая их в диапазоне регулирования аварийными впрысками. При нагрузке менее 90 МВт аварийный впрыск должен быть отключен.
8.9. Остановить блок воздействием на ключи останова. Убедиться в том, что стопорные клапаны турбины закрыты, а ГПЗ закрываются.
Снизить вакуум в конденсаторе до 0,88 кгс/см2 (около 650 мм рт. ст.).
Проверить автоматическое отключение генератора от сети.
8.10. После останова блока выполнить операции в соответствии с пунктами 7.5.1, 7.5.2, отключить воздействие регуляторов на клапаны Др-1, плавно открыть клапаны Др-1 и ПСБУ.
8.11. Заключительные операции по останову блока выполнить в соответствии с пунктами 7.5.4, 7.6 - 7.9.
9.1. Выполнить подготовительные операции, разгружение и останов блока в соответствии с пунктами 7.1 - 7.6 со следующими изменениями и дополнениями:
9.1.1. Не подавать напряжение на приводы клапанов Др-3.
9.1.2. Разгружение блока проводить при постоянном давлении пара - номинальном или, если блок работал в зоне скользящего давления, исходном перед разгрузкой со скоростью, указанной в пунктах 7.2 и 7.2.1.
9.1.3. Не проводить операцию по п. 7.5.3.
9.1.4. Отключить воздействие регулятора и закрыть клапан греющего пара деаэратора.
9.2. Закрыть ВЗ, проверить открытие клапанов Др-1 и Др-3 и приступить к расхолаживанию котла и паропроводов выпуском пара через дренажи перед ГПЗ. Регулирующий клапан на дренажах перед ГПЗ (РКД) открывать ступенчато в соответствии с графиком-заданием.
9.3. После снижения температуры свежего пара примерно до 420 °С:
9.3.1. Включить ПЭН на рециркуляцию, с помощью гидромуфты установить давление за ПЭН 270 - 280 кгс/см2.
Рис. 10. График-задание расхолаживания котла и паропроводов
Обозначения см. в приложении 8
9.3.2. Открыть РПК на 10 - 15 % по УП и задвижку питательного байпаса с шайбовым набором Ш-1, с помощью РПК установить расход воды в котел по 30 - 40 т/ч на поток (по растопочным водомерам).
9.3.3. За счет частичного прикрытия РКД повысить давление пара за котлом примерно до 140 кгс/см2.
9.3.4. При снижении давления в деаэраторе до 0,5 кгс/см2 подать пар в деаэратор из коллектора собственных нужд блока и установить давление 0,2 - 0,5 кгс/см2; включить регулятор давления.
9.4. При температуре среды за котлом 300 - 320 °С полностью открыть РКД, увеличить расход воды до 60 - 80 т/ч на поток, открыть газовые шиберы перед и за РВВ и перед дымососами, включить тягодутьевые машины и продолжать расхолаживание котла и паропроводов до температуры питательной воды.
9.5. Посла окончания расхолаживания котла и паропроводов произвести следующие операции:
9.5.1. Прекратить подачу воды в котел, остановив ПЭН. Закрыть РПК и задвижку на питательном байпасе с шайбовым набором Ш-1.
9.5.2. Остановить бустерный насос и прекратить подачу пара в деаэратор.
9.5.4. Остановить циркуляционные насосы, если температура выхлопного патрубка турбины менее 55 °С.
9.5.5. Сдренировать котел.
9.5.6. Вентиляцию котла продолжить до начала ремонтных работ.
10.1. Выполнить подготовительные операции, разгружение и останов блока в соответствии с пунктами 7.1 - 7.6 со следующими дополнениями:
10.1.1. Подать напряжение на приводы задвижки СЗ-1, клапанов Др-1, Др-2.
10.1.2. Отключить воздействие регулятора и закрыть клапан грающего пара деаэратора.
10.2. Включить ПЭН на рециркуляцию, с помощью гидромуфты установить давление за ПЭН 270 - 280 кгс/см2.
10.3. Сдренировать и прогреть сбросные трубопроводы из ВС и Р-20 в соответствии с п. 4.2.9, б; открыть задвижку СЗ-3, включить регулятор уровня в Р-20, воздействующий на клапан РКС-1.
10.4. Подать воду в котел через питательный байпас с шайбовым набором Ш-1 при открытых РПК.
10.5. При снижении давления в деаэраторе до 0,5 кгс/см2 подать пар в деаэратор из коллектора собственных нужд блока и установить давление 0,2 - 0,5 кгс/см2; включить регулятор давления.
10.6. С началом роста давления во ВС поддерживать его на исходном уровне, воздействуя на клапаны Др-2.
10.7. Плавно повысить давление среды перед ВЗ примерно до 250 кгс/см2, воздействуя на клапаны Др-1. Включить регуляторы давления перед ВЗ и начать снижение давления во ВС со скоростью 10 кгс/см2 в минуту за счет открытия клапанов Др-2.
10.8. Ступенями открыть задвижку на линии напора ПЭН и, одновременно воздействуя на РПК, установить расход воды в котел по 60 - 70 т/ч на поток. Закрыть задвижку на питательном байпасе с шайбовым набором Ш-1. Включить тягодутьевое оборудование котла. После снижения температуры среды перед ВЗ до 380 - 390 °С увеличить расход воды в котел до 135 т/ч на поток.
Примечание. Если температура среды перед ВЗ снизилась до 380 - 390 °С в период подпитки котла через питательный байпас с шайбовым набором Ш-1, расход воды по 135 т/ч на поток установить сразу после перехода на основную схему питания.
10.9. Расхолаживание тракта котла вести до снижения температуры воды перед ВЗ до 150 - 180 °С.
После окончания расхолаживания прекратить подачу воды в котел, остановив ПЭН. Закрыть РПК и задвижку на линии напора ПЭН, остановить БН и прекратить подачу пара в деаэратор.
10.10. Выполнить заключительные операции по останову блока в соответствии с пунктами 9.5.3 - 9.5.7.
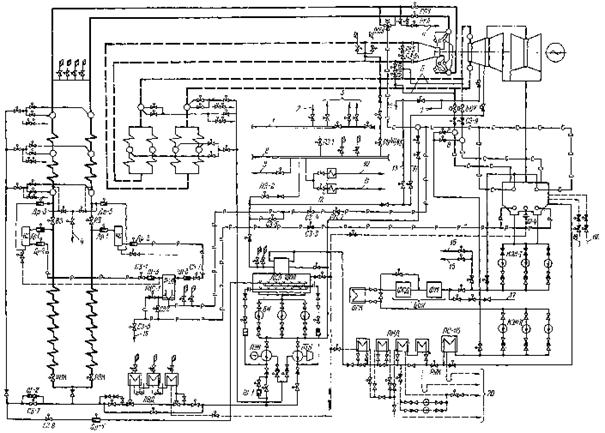
Рис. 1. Типовая пусковая схема моноблока 300 МВт с турбиной К-300-240 ЛМЗ:
1 - общестанционная магистраль; 2
- от пусковой котельной; 3 - к блокам; 4 - в конденсатор; 5 - шунты; 6 - к ПВД;
7 - к ПТН; 8 - коллектор собственных нужд блока; 9 - на мазутные форсунки; 10 -
на уплотнения ЦВД; 11 - на уплотнения ЦСД; 12 - электронагреватели; 13 - пар из
отбора III; 14 - пар из отбора IV; 15 - в циркуляционный водовод;
16 - в БГК; 17 - от насосов БЗК; 18 и 19 - нормальная и аварийная подпитка
водоподготовительной установки; 20 - в конденсатор;
- запорная арматура;
-
вакуумная запорная арматура;
- регулирующий клапан (В
- вакуумный);
- дроссельный клапан;
-
обратный клапан;
- дроссельная шайба;
-
набор дроссельных шайб;
- арматура с электроприводом;
-
впрыскивающий пароохладитель;
- паропроводы свежего пара;
-
паропроводы промперегрева;
- сбросной трубопровод;
-
растопочный трубопровод;
- слив дренажа;
-
фланцевый разъем;
- насос;
-
предохранительный клапан
11.1. При аварийном отключении блока системой защит или с помощью ключей останова проверить выполнение всех воздействий на механизмы и арматуру, предусмотренных системами защит и блокировок. Обратить особое внимание на закрытие стопорных и регулирующих клапанов турбины, а также обратных клапанов на ее отборах. Проверить отключение генератора. Сквитировать ключи отключенного оборудования; ключами ПЗ-1, ПЗ-2 отключить соответствующие группы защит.
11.2. Не ожидая выяснения причины аварийного отключения, принять меры по обеспечению возможности последующего пуска блока из состояния горячего резерва, для чего:
11.2.1. Отключить дутьевые вентиляторы на газомазутных котлах (на пылеугольных их отключает защита) и через 2 - 3 мин дымососы.
11.2.2. Закрыть направляющие аппараты тягодутьевых машин, газовые шиберы перед и за РВВ и перед дымососами.
11.2.3. При работе на газе открыть газовые свечи.
11.2.4. Оставить в работе по одному БН, КЭН-I и КЭН-II.
11.2.5. Отключить воздействие регуляторов и закрыть регулирующие клапаны впрысков и клапан греющего пара деаэратора.
11.2.6. Проверить наличие запального газа для розжига мазутных форсунок и работу ЗЗУ.
11.3. После обеспаривания системы промперегрева в случае присоединения сбросных трубопроводов к трубопроводам за ПСБУ закрыть задвижку СЗ-9.
11.4. Не допускать повышения давления свежего пара свыше 270 кгс/см2, выпуская избыток пара через ПСБУ.
11.5. Оставить в работе конденсационную установку, поддерживая вакуум не менее 0,80 кгс/см2 (около 600 мм рт. ст.), перевести уплотнения турбины на питание паром из коллектора собственных нужд блока. После останова ротора турбины включить валоповоротное устройство.
11.6. Если за время до 10 мин установлено, что причина аварийного отключения не препятствует пуску, немедленно приступить к подготовке пуска в соответствии с указаниями пунктов 6.1 и 6.2, а затем к пуску из состояния горячего резерва.
11.7. Если причина аварийного отключения блока за время до 10 мин не установлена, либо ожидаемая продолжительность простоя превышает 20 мин, либо потеряно состояние горячего резерва, выполнять операции согласно п. 7.4 и в дальнейшем вести пуск в соответствии с тепловым состоянием блока.
11.8. В случае невозможности пуска блока (необходим ремонт оборудования) дальнейшие операции по останову проводятся в зависимости от характера предстоящих ремонтных работ.
|
Защита |
Результаты действия защиты |
Включение защиты при пуске блока |
|
Защиты, включаемые автоматически |
||
|
При осевом смещении ротора турбины |
Останов турбины и блока |
При подаче напряжения в цепи технологических защит |
|
При внутренних повреждениях генератора |
Останов блока |
То же |
|
При повышении уровня в любом подогревателе высокого давления до II предела |
-«- |
-«- |
|
При повышении давления перед задвижкой, встроенной в тракт котла |
Останов котла и блока |
-«- |
|
При разрыве труб водяного экономайзера котла |
-«- |
-«- |
|
При понижении уровня масла в демпферном бачке системы водородного охлаждения генератора |
-«- |
-«- |
|
При отключении всех масляных насосов системы водородного охлаждения генератора |
Останов котла и блока |
При подаче напряжения в цепи технологических защит |
|
При понижении температуры свежего пара перед турбиной |
Останов турбины и блока |
После достижения температуры свежего пара, равной уставке срабатывания предупредительной сигнализации понижения температуры |
|
При прекращении протока охлаждающей воды через статор генератора |
-«- |
После включения генератора в сеть |
|
При понижении давления масла в системе смазки турбины до III предела |
а) Останов турбины |
При подаче напряжения в цепи технологических защит |
|
б) Останов блока |
При включении валоповоротного устройства или при открытии стопорных клапанов турбины |
|
|
При понижении вакуума в конденсаторе турбины |
Останов турбины и блока |
При достижении заданного значения вакуума |
|
При отключении генератора от сети из-за внешних повреждений |
Останов блока |
При включении генератора в сеть и открытии стопорных клапанов турбины |
|
При понижении давления масла в системе смазки питательного турбонасоса |
Останов питательного турбонасоса |
При подаче напряжения в цепи технологических защит |
|
При осевом смещении ротора приводной турбины насоса |
То же |
То же |
|
При понижении давления воды на стороне всасывания турбонасоса |
-«- |
-«- |
|
При осевом смещении ротора турбонасоса |
-«- |
-«- |
|
При повышении давления воды на стороне нагнетания (до обратного клапана) питательного турбонасоса |
-«- |
-«- |
|
При увеличении частоты вращения ротора турбонасоса сверх допустимого значения |
-«- |
-«- |
|
При понижении давления воды на стороне нагнетания (до обратного клапана) питательного турбонасоса |
-«- |
После открытия обратного клапана на линии рециркуляции |
|
При понижении давления в системе смазки питательного электронасоса (ПЭН) |
Останов питательного электронасоса |
При подаче напряжения в цепи технологических защит |
|
При осевом смещении ротора ПЭН |
То же |
То же |
|
При понижении давления воды на стороне всасывания ПЭН |
-«- |
-«- |
|
При прекращении протока охлаждающей воды черев ротор или статор электродвигателя ПЭН |
-«- |
-«- |
|
При понижении давления воды на стороне нагнетания (до обратного клапана) ПЭН |
-«- |
После подачи команды на включение ПЭН с задержкой на время его разворота |
|
Защиты, включаемые оперативным персоналом с помощью ключа ПЗ-1 |
||
|
При прекращении поступления питательной воды в котел |
Останов котла и блока |
После розжига форсунок (горелок) |
|
При понижении давления среды перед задвижкой, встроенной в тракт котла |
-«- |
То же |
|
При понижении давления газа перед горелками котла (при растопке на газе) |
Останов котла и блока |
После розжига форсунок (горелок) |
|
При понижении давления воздуха, поступающего к горелкам котла (при растопке на газе) |
-«- |
То же |
|
При понижении давления мазута перед горелками котла (при растопке на мазуте) |
-«- |
-«- |
|
При отключении всех дымососов |
-«- |
-«- |
|
При отключении всех дутьевых вентиляторов |
-«- |
-«- |
|
При отключении всех регенеративных воздухоподогревателей |
-«- |
-«- |
|
Защиты, включаемые оперативным персоналом с помощью ключа ПЗ-2 |
||
|
При прекращении расхода через промежуточный пароперегреватель котла (при измерении перепада давлений) |
Останов котла и блока |
При нагрузка 30 % номинальной |
|
При погасании мазутного (пылеугольного) факела в топке котла |
-«- |
-«- |
|
При отключении вентиляторов первичного воздуха |
-«- |
-«- |
|
Защиты, переводящие котел на растопочную нагрузку: при отключении АГП, при отключении генератора от сети из-за внешних повреждений, при отключении турбины |
Перевод котла на растопочную нагрузку |
-«- |
|
Регулятор |
Функции при пуске |
Момент включения при пуске |
|
Регуляторы уровня в ПНД |
Поддержание постоянного уровня |
При сборке схемы ПНД |
|
Регуляторы уровня в ПВД |
То же |
При сборке схемы ПВД |
|
Регулятор давления масла в системе уплотнения генератора. |
Поддержание постоянного давления масла |
При включении масляных насосов системы смазки турбины и уплотнений генератора |
|
Регулятор перепада давлений масло-водород |
Поддержание постоянного перепада |
То же |
|
Регулятор уровня в конденсаторе турбины |
Поддержание постоянного уровня |
При включении конденсатных насосов |
|
Регулятор давления конденсата на уплотнение питательных насосов |
Поддержание постоянного давления |
При заполнении питательных насосов водой |
|
Регулятор давления в деаэраторе |
Поддержание давления, заданного оператором |
При подаче пара в деаэратор |
|
Регулятор давления пара на уплотнения |
Поддержание постоянного давления пара |
При подаче пара к уплотнениям турбины |
|
Регулятор уровня в деаэраторе |
Поддержание постоянного уровня |
При заполнении деаэратора после достижения нормального уровня |
|
Регулятор давления перед встроенной задвижкой |
Поддержание, давления 250 кгс/см2 |
После установления давления до ВЗ оператором |
|
Растопочный (или основной) регулятор питания |
Поддержание расхода питательной воды по нитке в соответствии с заданием оператора |
По окончании прокачки и установления растопочного расхода питательной воды |
|
Регулятор разрежения в топке |
Поддержание постоянного разрежения |
При включении тягодутьевой установки |
|
Регулятор давления мазута перед растопочными форсунками (на пылеугольных котлах) |
Поддержание постоянного давления мазута перед форсунками |
Перед включением форсунок |
|
Стабилизатор расхода мазута или газа (на газомазутных котлах) |
Поддержание расхода топлива в соответствии с заданием оператора |
В соответствии с указаниями местных инструкций |
|
Регулятор уровня воды в растопочном расширителе |
Поддержание постоянного уровня |
При установлении нормального уровня в расширителе |
|
Регуляторы сброса среды из встроенных сепараторов |
Поддержание заданного проскока пара |
После открытия клапанов Др-3 и при температуре перед ВЗ около 270 °С |
|
Регулятор давления воды в системе впрысков |
Поддержание заданного перепада давлений на линиях впрысков |
Перед включением регуляторов пусковых впрысков |
|
Регуляторы пускового впрыска свежего пара |
Поддержание температуры свежего пара за пусковым впрыском по заданию оператора |
При достижении заданной для данного вида пуска температуры пара |
|
Регулятор пускового впрыска вторично перегретого пара |
Поддержание температуры вторичного перегретого пара перед турбиной по заданию оператора |
При нагрузке около 40 МВт |
|
Регулятор производительности |
Поддержание давления питательной воды в соответствии с нагрузкой турбины |
При нагрузке более 30 % номинальной |
|
Основной регулятор питания |
а) Поддержание температуры пара в промежуточной точке тракта |
При достижении расчетной температуры в промежуточной точке тракта |
|
б) Поддержание расхода воды по заданию оператора |
С нагрузки 50 - 60 % либо 30 % номинальной (по местным условиям) |
|
|
Основной регулятор топлива |
а) Поддержание расхода топлива по заданию оператора |
При нагрузке 40 % номинальной |
|
б) Поддержание температуры пара в промежуточной точке тракта |
При достижении расчетного значения температуры в промежуточной точке тракта и нагрузке 60 % номинальной |
|
|
Регуляторы 1-го и 2-го впрысков |
Поддержание температуры свежего пара |
При достижении расчетных значений регулируемой температуры пара |
|
Регуляторы температуры вторично перегретого пара |
Поддержание температуры вторично перегретого пара |
При достижении расчетной температуры пара |
|
Регуляторы аварийного впрыска |
То же |
То же |
|
Регулятор производительности ПТН |
В соответствии с выполненной схемой |
После перехода на ПТН |
|
Регулятор давления «До себя» на турбине |
Поддержание давления 240 кгс/см2 |
При достижении давления пара 240 кгс/см2 перед открытием ВЗ котла |
|
Регулятор общего воздуха |
В соответствии с проектной схемой |
По окончании пуска |
|
Регулятор давления в растопочном расширителе |
Поддержание заданного давления в растопочном расширителе |
После повышения давления в растопочном расширителе до 2 - 3 кгс/см2 |
|
Регулятор давления ПСБУ |
Поддержание заданного давления перед турбиной |
После включения генератора в сеть и закрытия ПСБУ |
1. В зависимости от теплового состояния оборудования, определяющего особенности технологии, режимы пуска условно подразделяются на следующие основные группы:
а) из холодного состояния - при полностью остывших котле и паропроводах и температуре металла паровпускных частей ЦВД или ЦСД турбины, равной или ниже соответственно 150 и 100 °С;
б) из неостывшего состояния - при температуре металла паровпускных частей ЦВД и ЦСД турбины до 400 °С;
в) из горячего состояния - при температуре металла паровпускных частей ЦВД и ЦСД турбины выше 400 °С и сохранившемся избыточном давлении в тракте котла до ВЗ.
2. Пуск блока из любого теплового состояния проводится на сепараторном режиме по унифицированной технологии. После короткого простоя, если соблюдены условия п. 1.13 Настоящей Типовой инструкции, пуск блока может проводиться также на прямоточном режиме из состояния горячего резерва.
3. Унифицированная технология пуска блока на сепараторном режиме ориентирована на останов котла с выпуском пара из пароперегревателя. Принятая технология останова исключает тепловые удары в камерах котла и главных паропроводах из-за попадания в них влаги, образующейся в необеспаренном пароперегревателе в процессе простоя вследствие конденсации пара.
4. Основными особенностями унифицированной технологии пуска блока на сепараторном режиме являются:
а) заполнение водой тракта котла только до ВЗ и проведение начального этапа растопки при «отсечке» пароперегревателя со стороны входа среды;
б) прогрев главных паропроводов сразу до регулирующих клапанов турбины (при открытых ГПЗ и стопорных клапанах);
в) низкие стартовые параметры свежего пара, обеспечивающие возможность полного открытия регулирующих клапанов турбины сразу после включения генератора в сеть;
г) низкие толчковые параметры свежего пара перед турбиной и пониженный вакуум в конденсаторе 0,65 кгс/см2 (около 500 мм рт. ст.), обеспечивающие открытие всех регулирующих клапанов и равномерный прогрев вторых перепускных труб при повышении частоты вращения роторов турбины до 800 об/мин в период пуска блока из холодного и неостывшего состояния.
Снижение давления свежего пара перед турбиной при пусках блока из неостывшего состояния обеспечивается при этом за счет частичного прикрытия клапанов Др-3;
д) совмещенный с разворотом роторов турбины прогрев системы промперегрева (если он требуется), который производится свежим паром через ЦВД турбины при частоте вращения роторов около 800 об/мин, закрытых защитных клапанах ЦСД и открытых сбросах из паропроводов горячего промперегрева;
е) пониженный уровень вакуума 0,65 кгс/см2 (около 500 мм рт. ст.) в конденсаторе турбины на этапах:
- от растопки котла до окончания прогрева системы промперегрева (либо ротора среднего давления турбины) при пуске из холодного состояния;
- от растопки котла до повышения частоты вращения ротора турбины до 800 об/мин (либо до окончания прогрева системы промперегрева) при пусках из неостывшего состояния;
- от растопки котла до окончания прогрева паропроводов свежего пара при пусках из горячего состояния;
ж) использование специальных средств (пусковых впрысков, паровых байпасов) для регулирования температуры свежего и вторично перегретого пара;
з) использование растопочного расширителя как источника пара для деаэрации питательной воды и для вывода загрязнений из цикла при пусках блока.
5. Пониженный уровень вакуума в конденсаторе турбины на начальных этапах пуска поддерживается в целях обеспечения:
а) При пусках из холодного состояния:
- прогрева ротора среднего давления конденсацией пара, подаваемого на уплотнения;
- открытия всех регулирующих клапанов турбины при частоте вращения ротора около 800 об/мин для равномерного прогрева вторых перепускных труб и регулирующих клапанов;
- интенсификации предварительного прогрева паропроводов горячего промперегрева;
- прогрева ротора среднего давления при выдержке на 800 об/мин, если такой прогрев необходим по условиям хладоломкости;
б) При пусках из неостывшего состояния:
- уменьшения охлаждения паровпускных частей ЦВД и ЦСД уплотняющим паром;
- открытия всех регулирующих клапанов турбины при частоте вращения ротора около 800 об/мин;
- интенсификации предварительного прогрева паропроводов горячего промперегрева, если такой прогрев требуется;
в) При пусках из горячего состояния:
- уменьшения охлаждения паровпускных частей ЦВД и ЦСД уплотняющим паром.
6. При разработке режимов и графиков-заданий пуска блока в качестве лимитирующих факторов приняты условия прогрева фланцевого соединения корпуса ЦСД и термонапряженное состояние роторов турбины.
При модернизированной системе обогрева фланцевого соединения корпуса ЦСД турбины, обеспечивающей равномерный прогрев всей зоны паровпуска с высокой скоростью, лимитирующим фактором является только термонапряженное состояние роторов.
При немодернизированной системе обогрева фланцевого соединения корпуса ЦСД турбины в области режимов с исходной температурой металла ЦСД в зоне паровпуска до 420 °С лимитирующим фактором является разность температуры по ширине фланца ЦСД.
7. При определении допустимых скоростей прогрева и охлаждения роторов высокого и среднего давления приняты следующие исходные положения:
а) при прогреве допускается такая пластическая деформация сжатия в зоне концентраторов на поверхности роторов, при которой остаточные напряжения на стационарном режиме не превышают предела длительной прочности для соответствующей температуры;
б) при охлаждении не допускается пластическая деформация растяжения в зоне концентраторов на поверхности роторов;
в) размах деформаций не должен превышать величины, вызывающей при заданном числе режимов накопление циклической составляющей повреждаемости, равной допустимой;
г) все оценки допустимых разностей температур и скоростей прогрева производились с учетом сложной формы деталей, концентрации напряжений в тепловых канавках, зависимости теплофизических свойств и прочностных характеристик материала от температуры, а также с учетом отклонений температуры пара от заданной на ±20 °С.
8. Выбор начального уровня и последующего графика изменения расхода топлива на сепараторной фазе пуска блока определяется комплексом режимных условий, в число которых входит:
- обеспечение предварительного прогрева главных паропроводов за приемлемое время до требуемого уровня и надежности температурного режима толстостенных элементов тракта СКД при прогреве;
- обеспечение заданных параметров свежего и вторично перегретого пара;
- выход на холостой ход турбогенератора при полностью открытом ПСБУ и взятие начальной нагрузки не менее 20 МВт после синхронизации за счет закрытия ПСБУ;
- минимальный при соблюдении указанных ранее условий расход топлива на этой фазе пуска блока.
Моменты подфорсировок по расходу топлива выбраны с учетом разгонных характеристик котла по паропроизводительности.
Начальный расход топлива принимается на уровне:
- 14 - 15 % номинального при пусках из холодного состояния и после простоя 60 - 90 ч по условиям получения расхода пара, необходимого для прогрева главных паропроводов;
- 17 - 18 % номинального при пусках после простоя около 55 ч для получения необходимой для прогрева главных паропроводов температуры свежего пара и при меньшей длительности простоя вплоть до 18 ч по условиям плавного прогрева толстостенных выходных камер котла (либо тройников) при подключении пароперегревателя;
- 21 - 22 % номинального при пусках после простоя менее 18 ч по температурным условиям работы неохлаждаемого пароперегревателя (температура газов в поворотной камере не должна превышать 530 °С).
Первая подфорсировка котла по расходу топлива до 21 - 22 % номинального проводится при пусках из холодного состояния и из неостывшего состояния после простоя более 18 ч для повышения частоты вращения ротора турбины до 3000 об/мин без прикрытия ПСБУ и для взятия сразу после синхронизации генератора нагрузки не менее 20 МВт. Этот уровень расхода топлива необходим также при пусках после простоев менее 55 ч по условиям прогрева главных паропроводов и получения заданной температуры вторично перегретого пара после включения генератора в сеть.
Первая подфорсировка котла по расходу топлива проводится при пусках из холодного состояния1 и после простоя 60 - 90 ч во время выдержки на 800 об/мин, а при пусках после простоя меньшей длительности по окончании открытия клапанов Др-3.
1 При длительной выдержке турбины на 800 об/мин для прогрева ротора среднего давления подфорсировка должна проводиться за 25 - 30 мин до начала повышения частоты вращения ротора до 3000 об/мин.
Первая подфорсировка котла по расходу топлива до 30 % номинального проводится при пусках из горячего состояния и после простоя до 18 ч по условиям обеспечения заданной температуры вторично перегретого пара после включения генератора в сеть.
Вторая подфорсировка котла по расходу топлива проводится:
- при пуске из холодного состояния после окончания выдержки на начальной нагрузке;
- при меньшей длительности простоя сразу после синхронизации генератора.
Последующее увеличение расхода топлива проводится в соответствии с требованиями графика нагружения блока.
9. Принятая в инструкции методика подключения пароперегревателя имеет применительно к различному начальному тепловому состоянию оборудования следующие особенности:
а) подключение пароперегревателя при пусках из холодного и близкого к нему состояний при начальной температуре металла толстостенных элементов тракта СКД (выходных камер котла, тройников, стопорных клапанов турбины) менее 80 °С производится полным в один прием открытием клапанов на выпаре из встроенных сепараторов сразу после включения одной - двух форсунок (горелок). Это позволяет исключить тепловые удары в толстостенных элементах вследствие конденсации пара на их холодных поверхностях, наблюдающиеся при скачкообразном повышении давления пара в паропроводах до 3 - 4 кгс/см2, которое трудно избежать при более позднем подключении пароперегревателя;
б) при простоях меньшей длительности, когда температура металла толстостенных элементов тракта сверхкритического давления более 80 °С (τпр £ 55 ч), подключение пароперегревателя начинается при температуре среды перед ВЗ 260 - 270 °С, что обеспечивает достаточно эффективную работу встроенных сепараторов. Плавное открытие клапанов на выпаре и дренирование паропроводов от сепараторов и за ВЗ гарантируют надежный температурный режим пароперегревателя и камер котла;
в) при пусках из горячего и близкого к нему состояний (при сохранившемся избыточном давлении в тракте котла до ВЗ) для исключения захолаживания выходных камер котла и паропроводов в качестве второго критерия, определяющего начало подключения пароперегревателя, принимается температура газов в поворотной камере котла, которая должна быть на уровне около 500 °С при пусках после простоя до 8 ч и около 400 °С при пусках после простоя большей длительности.
10. Работа встроенных сепараторов организуется с проскоком пара, гарантирующим исключение забросов влаги в пароперегреватель.
Управление сбросом среды из встроенных сепараторов, дистанционное и автоматическое, ведется по температуре среды перед ВЗ по единой для пусков из всех тепловых состояний программе, которая должна быть указана в местной рабочей инструкции.
11. Характерный для моноблоков 300 МВт близкий темп естественного остывания элементов главного паропровода и стопорных клапанов ЦВД турбины позволяет при пусках из всех тепловых состояний проводить предварительный прогрев главных паропроводов сразу до регулирующих клапанов ЦВД турбины, совмещая его с прогревом ГПЗ и стопорных клапанов, которые открываются при сборке схемы.
При пусках блока из холодного состояния предварительный прогрев главных паропроводов до подачи пара в турбину завершается после повышения температуры пара в стопорных клапанах турбины до 220 - 230 °С, при которой обеспечивается превышение над температурой насыщения 50 - 60 °С и исключается попадание в турбину влажного пара.
При пусках из неостывшего и горячего состояний критериями завершения предварительного прогрева всей трассы главных паропроводов до регулирующих клапанов турбины являются:
- прогрев стопорных клапанов до температуры, отличающейся от температуры металла верха ЦВД в зоне паровпуска не более чем на 50 °С;
- догрев главного паропровода перед ГПЗ до температуры металла верха ЦВД в зоне паровпуска.
Указанная в графиках-заданиях пуска блока из неостывшего состояния продолжительность этой операции определена по максимальной начальной температуре металла верха ЦВД турбины в зоне паровпуска.
12. Выбор начальной температуры свежего пара (за пусковым впрыском) перед толчком ротора определяется тепловым состоянием ЦВД турбины с учетом ограничения охлаждения деталей паровпуска на этапе разворота и темпа прогрева на холостом ходу и после включения в сеть.
По этим условиям температура свежего пара (за пусковым впрыском) перед толчком ротора устанавливается на 80 - 100 °С выше температуры металла верха ЦВД в зоне паровпуска, но не выше 500 °С при пусках блока на сепараторном режиме и не выше номинальной при пусках на прямоточном режиме. При пусках блока из холодного состояния температура свежего жара перед толчком ротора турбины устанавливается на минимальном по условиям регулирования уровне (около 280 °С).
Пуск блока без предварительного прогрева системы промперегрева может проводиться при следующем начальном тепловом состоянии оборудования:
- температура металла концевых участков паропроводов перед ЦСД турбины не менее 100 °С;
- разница температур металла ЦСД турбины в зоне паровпуска и основной трассы паропроводов не более 100 °С.
Соблюдение этих граничных условий, которые обычно обеспечиваются при длительности простоя примерно до 55 ч, гарантирует надежный температурный режим паровпуска ЦСД. Для расширения зоны режимов пуска блока без предварительного прогрева системы промперегрева следует особое внимание обращать на тщательность изоляции паропровода, особенно концевых участков, перед ЦСД турбины.
При несоблюдении начальных критериев, позволяющих проводить пуск без предварительного прогрева, пуск блока проводится с ограниченным предварительным прогревом системы промперегрева.
Указанная в графиках-заданиях пуска выдержка на 800 об/мин при ухудшенном вакууме (около 15 мин) ориентирована на выполнение основного критерия - догрева концевого участка паропровода до температуры не менее 100 °С. При плохой изоляции основной трассы паропроводов горячего промперегрева выдержка на 800 об/мин должна увеличиваться на величину, обеспечивающую догрев основной трассы.
Последующая после завершения прогрева системы промперегрева выдержка на 800 об/мин (около 10 мин) задана для выполнения операций, которые должны предшествовать повышению частоты вращения ротора турбины до 3000 об/мин:
- по повышению вакуума в конденсаторе турбины до величины не менее 0,8 кгс/см2 (600 мм рт. ст.);
- по открытию защитных клапанов ЦСД турбины и закрытию сбросов из паропроводов горячего промперегрева;
- по открытию клапанов Др-3 на выпаре из встроенных сепараторов.
14. Для обеспечения допустимых темпа прогрева и уровня напряжений в регулирующих клапанах и вторых перепускных трубах ЦВД турбины, кроме пониженного вакуума в конденсаторе турбины при пусках блока из холодного и неостывшего состояний и частичного, примерно до 30 % по УП, прикрытия клапанов Др-3 при пусках из неостывшего состояния, предусматривается плавное, за 10 мин, повышение частоты вращения ротора турбины до 800 об/мин с последующей выдержкой не менее 10 мин.
При пусках блока из неостывшего состояния без предварительного прогрева системы промперегрева полное открытие клапанов на выпаре из встроенных сепараторов производится через 8 - 10 мин после повышения частоты вращения ротора турбины до 800 об/мин.
15. При пуске блока из холодного состояния и начальной температуре ЦСД турбины менее 100 °С продолжительность выдержки на 800 об/мин после открытия защитных клапанов определяется прогревом ротора среднего давления по условиям его хладоломкости.
16. При пусках без предварительного прогрева системы промперегрева во избежание попадания холодного пара из трубопроводов за ПСБУ в паропроводы горячего промперегрева через возможные неплотности обратного клапана задвижки на линиях сброса из паропроводов горячего промперегрева при сборке схемы закрываются. Задвижки открываются после толчка ротора, когда обеспечивается закрытие клапанов обеспаривания системой регулирования турбины.
17. Для ограничения охлаждения деталей паровпуска ЦСД турбины на этапе разворота и темпа их прогрева на холостом ходу и после включения генератора в сеть, кроме условий, сформулированных в п. 13, температура вторично перегретого пара перед ЦСД турбины после взятия начальной нагрузки должна превышать начальную температуру металла верха ЦСД в зоне паровпуска на 80 - 100 °С (но не более номинального значения). При пусках из холодного состояния температура вторично перегретого пара перед ЦСД турбины к выходу на холостой ход поддерживается на минимальном по условиям регулирования уровне (около 270 °С).
18. Включение модернизированной системы обогрева фланцевого соединения корпуса ЦСД турбины рекомендуется при начальной температуре фланцев не более 420 °С и производится после синхронизации генератора. Применение системы обогрева фланцевого соединения корпуса ЦВД турбины рекомендуется при начальной температуре фланцев не более 300 °С; включение системы обогрева следует производить перед повышением частоты вращения ротора до 3000 об/мин.
Ограничение зоны режимов использования системы обогрева фланцевого соединения корпуса ЦВД определяется необходимостью уменьшить захолаживание фланцев в начальный период после включения системы обогрева (при ее прогреве), имеющей значительную металлоемкость.
19. Отключение системы обогрева фланцевого соединения корпуса ЦВД проводится после повышения давления свежего пара перед турбиной до номинального при нагрузке около 180 МВт.
Отключение системы обогрева фланцевого соединения корпуса ЦСД следует проводить посла выхода на номинальную нагрузку или после достижения температуры вторично перегретого пара, близкой к номинальной.
20. При пусках блока из горячего состояния термонапряженное состояние деталей не лимитирует продолжительность нагружения, и она определяется технологическими условиями и возможностями оперативного персонала.
21. При пусках блока из холодного и неостывшего состояний темп нагружения турбины определяется по термонапряженному состоянию роторов либо по условиям прогрева фланцевого соединения корпуса ЦСД.
Для турбин с модернизированной системой обогрева фланцевого соединения корпуса ЦСД продолжительность нагружения выбирают, исходя из обеспечения таких условий прогрева роторов, при которых на протяжении всего пуска напряжения (или соответствующие им характерные перепады температуры в металле) поддерживаются на уровне предельно допустимых с учетом необходимого запаса на эксплуатационные отклонения температуры пара от заданной графиком-заданием.
Момент завершения прогрева определяется нагревом поверхностей расточек обоих роторов до температуры 430 °С, при которой допустим выход на номинальную нагрузку при температуре пара 520 °С. Продолжительность нагружения блока определяется по тому из роторов, который требует наибольшего времени на прогрев; режим прогрева другого ротора влияет на графики-задания изменения температуры пара перед соответствующим цилиндром турбины в рамках определенной выше продолжительности.
Для турбин с немодернизированной системой обогрева фланцевого соединения корпуса ЦСД продолжительность нагружения при начальной температуре металла ЦСД в зоне паровпуска до 420 °С выбирается до условиям прогрева фланцевого соединения с учетом следующих факторов:
- в зоне режимов пуска с использованием системы обогрева (до начальной температуры металла ЦСД в зоне паровпуска 300 °С) предельно допустимая разность температуры по ширине фланца возникает при скорости прогрева его наружной поверхности около 60 °С/ч;
- в зоне режимов пуска при начальной температуре металла ЦСД в зоне паровпуска от 300 до 420 °С предельно допустимая разность температуры по ширине фланца возникает при скорости прогрева его наружной поверхности около 40 °С/ч;
- к моменту достижения номинальной нагрузки допустимы пониженная температура вторично перегретого пара (около 520 °С) и температура наружной поверхности фланца ЦСД 420 °С.
При начальной температуре металла ЦСД в зоне паровпуска более 420 °С продолжительность нагружения определяется теми же условиями, что и для турбин с модернизированной системой обогрева.
22. Перевод блока на номинальное давление свежего пара перед турбиной предусматривается при нагрузке 180 МВт, что с достаточным эксплуатационным запасом обеспечивается по суммарному гидравлическому сопротивлению узла встроенных сепараторов, байпасирующего встроенную задвижку котла, первичного пароперегревателя и главных паропроводов, определяющему предельный уровень давления перед ВЗ.
По условиям термонапряженного состояния стопорных клапанов и для исключения заметного захолаживания ЦВД переход на номинальное давление пара осуществляется за 15 - 20 мин при одновременном повышении температуры свежего пара примерно на 40 °С. Расчет температурного поля РВД показал, что при такой технологии знак напряжений в роторе не изменяется, а лишь несколько замедляется темп прогрева.
Переход на номинальное давление пара рекомендуется начинать с повышения температуры пара, за которым должно следовать прикрытие регулирующих клапанов турбины с контролем соответствия температуры и давления пара по температуре пара в камере регулирующей ступени.
23. Прогрев ПТН производится паром от III отбора турбины при частоте вращения ротора ПТН около 1000 об/мин. При пусках блока после простоя более 55 ч прогрев начинается при нагрузке 100 - 110 МВт. При пусках после простоев меньшей длительности прогрев турбопривода для снятия ограничений по темпу нагружения блока следует начинать на более раннем этапе при нагрузке блока 30 - 40 МВт. Схема для прогрева турбопривода должна собираться одновременно со схемой паропроводов блока.
Перевод питания с ПЭН на ПТН должен проводиться при нагрузке блока около 180 МВт, до перехода на номинальное давление свежего пара, что повышает надежность выполнения этой операции.
24. Температура свежего пара при пусках блока регулируется пусковым впрыском и штатными средствами.
Пусковой впрыск, имеющий широкодиапазонный задатчик на БЩУ, включается при достижении «толчковой» температуры свежего пара и используется на всех этапах пуска блока до повышения температуры пара до номинальной.
Диапазон регулирования пускового впрыска обеспечивается вводом 2-го впрыска, а последнего - вводом 1-го впрыска. При достижении расчетной температуры пара за котлом (до пускового впрыска) и за поверхностью нагрева, контролируемой 1-м впрыском, соответствующие впрыски переводятся на автоматическое управление.
Регуляторы, контролирующие температуру пара в промежуточном сечении тракта котла до 1-го впрыска (топлива или питания), должны включаться в работу в зависимости от местных условий и режима пуска при нагрузке блока 40 - 60 % номинальной.
25. Температура вторично перегретого пара при пусках блока регулируется паровыми байпасами, пусковым впрыском и штатными средствами. Указания по использованию пусковых средств регулирования ориентированы на предусмотренное типовой пусковой схемой (см. рис. 1) выполнение паровых байпасов промежуточного пароперегревателя перед турбиной и пусковых впрысков за котлом. При другой компоновке паровых байпасов и пусковых впрысков эти указания в рабочих инструкциях должны быть скорректированы по местным условиям.
Паровые байпасы включаются при повышении температуры пара перед ЦСД турбины до требуемой по графику-заданию.
Для соблюдения этого требования при пусках из холодного состояния и после простоя 60 - 90 ч паровые байпасы следует включать на холостом ходу турбогенератора; при пусках после простоя около 55 ч - после взятия начальной нагрузки и лишь при значительных задержках - на холостом ходу.
Отключение паровых байпасов и переход на пусковые впрыски следует производить в диапазоне нагрузок блока 50 - 90 МВт.
При пусках блока после простоев менее 55 ч необходимость ограничения роста температуры пара перед ЦСД турбины возникает при нагрузке более 40 - 50 МВт. Это позволяет использовать для регулирования только пусковой впрыск, так как при этой нагрузке обеспечиваются надежные условия испарения впрыскиваемой воды в потоке пара без выпадения влаги на стенки паропроводов.
Пусковой впрыск используется на всех последующих этапах нагружения блока до достижения номинального значения температуры пара перед ЦСД турбины. Диапазон регулирования пускового впрыска обеспечивается вводом аварийного впрыска.
Упрощение условий регулирования температуры вторично перегретого пара при пусках блока с отказом от использования паровых байпасов возможно лишь после завершения конструктивной доводки пусковых впрысков, с обеспечением надежных условий испарения впрыскиваемой воды в потоке пара на всех этапах пуска блока, в том числе на холостом ходу и после взятия начальной нагрузки.
26. При отсутствии на блоке пусковых впрысков в паропроводы горячего промперегрева рекомендуется:
- при пусках блока из горячего состояния использовать только штатные средства регулирования;
- при пусках блока из холодного и неостывшего состояний отключение паровых байпасов с переходом на аварийный впрыск производить при нагрузке блока 90 МВт, предусмотрев в рабочих графиках-заданиях выдержку на этой нагрузке.
27. Применение технологии пуска блока из горячего резерва на прямоточном режиме позволяет наиболее быстро восстановить исходную нагрузку блока; номинальная нагрузка может быть достигнута через 65 - 70 мин после включения форсунок (горелок) котла.
Основными особенностями технологии пуска блока из горячего резерва, обеспечивающими уменьшение расхолаживания котла, главных паропроводов и турбины, являются:
- минимальная с учетом требований ПТЭ длительность вентиляции газовоздушного тракта котла перед пуском;
- установление растопочного расхода воды в котел за 1,0 - 1,5 мин непосредственно перед розжигом форсунок с последующим быстрым, за 2 - 3 мин, увеличением расхода топлива до растопочного;
- снижение давления свежего пара перед турбиной перед толчком ротора до 160 - 180 кгс/см2.
28. В зависимости от применяемой технологии остановы блока подразделяются на следующие группы:
- без расхолаживания оборудования;
- с расхолаживанием турбины;
- с расхолаживанием котла и паропроводов;
- с расхолаживанием тракта котла до ВЗ;
- аварийный.
29. Останов без расхолаживания оборудования проводится при выводе блока в резерв, а также для ремонтных работ, не связанных с тепловым состоянием котла, паропроводов и турбины. Технология останова предусматривает разгрузку блока примерно до 150 МВт с последующим погашением котла, быстрой разгрузкой турбины до 90 - 100 МВт и ее отключением. После отключения котла сохраняется давление до ВЗ и выпускается пар из пароперегревателя.
30. Останов с расхолаживанием турбины проводится при выводе блока в капитальный ремонт, а также в случаях, когда предполагаются ремонтные работы, требующие остывания турбины. Расхолаживание турбины проводится с глубокой разгрузкой блока и плавным снижением температуры свежего пара до 310 - 320 °С и вторично перегретого пара примерно до 300 °С. Более глубокое расхолаживание ЦВД турбины (до температуры пара в камере регулирующей ступени около 180 °С) обеспечивается на завершающей стадии путем прикрытия регулирующих клапанов ЦВД (при переводе котла на ПСБУ) с поддержанием постоянного давления перед ними.
Для упрощения операций технология останова ориентирована на изменение на каждом этапе расхолаживания лишь одного из регулируемых параметров (нагрузки, давления, температуры свежего пара, положения регулирующих клапанов ЦВД).
31. Останов с расхолаживанием котла и паропроводов применяется при необходимости ремонтных работ на котле и главных паропроводах, если он не вызван разрывом труб поверхностей нагрева. Расхолаживание проводится после отключения турбины медленным выпуском пара из котла, а затем прокачкой через котел воды со сбросом среды через дренаж перед ГПЗ, который должен иметь дистанционное управление с БЩУ.
32. Останов с расхолаживанием тракта котла до ВЗ проводится при необходимости производства ремонтных работ в топке и на пароводяном тракте до ВЗ. Расхолаживание ведется после отключения турбины выпуском пара и последующей прокачкой воды со сбросом среды из встроенных сепараторов в растопочный расширитель.
33. При аварийном отключении блока защитами или персоналом до установления причины останова производится консервация котла с сохранением давления во всем водопаровом тракте и уплотнение газовоздушного тракта.
После установления причины останова, но не позднее чем через 10 мин после отключения, блок должен готовиться к пуску на прямоточном или сепараторном режиме либо должны быть продолжены операции по выводу оборудования в ремонт.
Основными особенностями системы обогрева являются (рис. 11):
1. Осуществление центрального подвода пара в обнизку и двух сбросов его из обнизки в зоне шпилек № 2 и 8.
2. Отсутствие коробов обогрева фланцев. Отказ от коробов обогрева позволяет практически снять ограничения по давлению пара в системе обогрева и дополнительно увеличить расход греющего пара через обнизку.
3. Выполнение подводящих и сбросных трубопроводов системы обогрева предельно короткими (без коллекторов) и одинаковыми для левой и правой сторон ЦСД. Подвод пара из ППГ выполнен непосредственно перед отсечными клапанами (длина подводящей линии 2,5 м), отвод - в реверсивные трубы (длина линии 3,5 м).
4. Выполнение перемычки, отделяющей тупиковую часть обнизки (зона шпилек № 9 - 15) от той ее части, по которой протекает греющий пар (с целью предотвращения протечек пара, возникающих из-за неплотности внутреннего пояска фланца).
Эта система обогрева ЦСД, весьма простая для эксплуатации и ремонта, позволяет существенно повысить скорость прогрева фланцевого соединения при соблюдении всех критериев надежности, а также расширить диапазон применения системы обогрева и устранить наблюдавшееся ранее явление начального захолаживания наружной поверхности фланцев и обнизки при пусках из неостывших состояний.
Для модернизации системы обогрева необходимо:
1. Просверлить в левом и правом фланце ЦСД центральные сверления диаметром 50 мм между шпильками № 4 и 5. (Эти сверления целесообразно выполнять с помощью вертикально-сверлильного станка, устанавливаемого на разъеме цилиндра).
2. Установить перемычки шириной 40 - 50 мм в обнизке между шпильками № 9 и 10. Перемычки можно выполнять путем наплавки электродами ЦТ-28 (ЭА-395/9) нахолодно по технологии ЛМЗ, а также путем крепления пластин (винтами впотай или на сварке). Второй вариант целесообразен для крышки корпуса ЦСД. После установки перемычки должны быть пришабрены.
3. Изготовить подводящий трубопровод из двух отводов 57´3,5 мм (76´11 мм) и вентиля Dy 65 мм (Dy 70 мм) между ними.
4. Не демонтировать существующие короба обогрева и связанные с ними трубопроводы систем обогрева ЦСД, а отглушить металлическими заглушками в зоне фланцевых соединений.
При использовании этой системы обогрева фланцевого соединения корпуса ЦСД устанавливаются следующие предельно допустимые значения разностей температур:
По ширине фланца............... 80 °С
фланца и шпильки............... 60 °С.
Разности температур определяются по существующим штатным измерениям. Разность температур по ширине фланца - по температуре металла фланца (между шпильками № 5 и 6 посередине высоты фланца) вблизи внутренней и наружной поверхности фланца, а разность температур фланца и шпильки - по температуре фланца вблизи внутренней поверхности и температуре шпильки № 6 посередине высоты верхнего фланца.
Рис. 11. Схема системы обогрева и конструкция фланцевого соединения ЦСД:
1 - подводящий трубопровод (диаметр 57´3,5 мм: сталь 12Х1МФ, МРТУ 14-4-21-67); 2 - запорный вентиль (Dy 65 мм, Ру 64 кгс/см2, В-403, ВАЗ 845-65-0); 3 - отводящий трубопровод (диаметр 57´3,5 мм, сталь 12Х1МФ, МРТУ 14-4-21-67); 4 - трубопровод отвода пара в рессиверную трубу (диаметр 76´5,0 мм, сталь 12Х1МФ, МРТУ 14-4-21-67); 5 - стопорный клапан среднего давления; 6 - штуцер (сталь 12Х1МФ); 7 - паропровод горячего промперегрева (ППГ)
Примечания: 1. Обогрев левой и правой сторон ЦСД выполняется одинаковым. 2. Для отвода пара из обнизки используются сверления от штатной системы обогрева фланцев и шпилек ЦСД. 3. Штуцера обварить на плотность электродами ЦТ28 (ЭА 395/9) нахолодно.
Указания по включению, работе и отключению системы обогрева при пусках блока из различных тепловых состояний даны в соответствующих разделах настоящей Типовой инструкции.
|
Исходная температура верха корпуса турбины в зоне паровпуска |
Ориентировочная продолжительность простоя блока, ч |
Продолжительность пуска от розжига горелок до толчка ротора турбины, ч-мин |
Параметры пара перед толчком ротора турбины |
Продолжительность повышения частоты вращения ротора турбины, ч-мин |
Продолжительность нагружения до 180 МВт, ч-мин |
Параметры пара при N = 180 МВт |
Продолжительность перехода на номинальное давление, ч-мин |
Продолжительность нагружения до 300 МВт, ч-мин |
Параметры пара к моменту окончания нагружения (до 300 МВт) |
Общая продолжительность нагружения, ч-мин |
Общая продолжительность пуска блока, ч/мин |
|
||||||
|
Р0*, кгс/см2 |
t0, °С |
tпп**, °С |
Р0, кгс/см2 |
t0, °С |
tпп, °С |
|||||||||||||
|
ЦВД |
ЦСД |
t0, °С |
tпп, °С |
|
||||||||||||||
|
£ 150 |
100 |
- |
0-30*** |
- |
280 |
270 |
1-10 (2-40)**** |
2-50 |
130 |
460 |
450 |
0-20 |
0-50 |
520 |
520 |
4-00 |
5-40 |
|
|
280 - 180 |
220 - 160 |
60 - 90 |
1-30 |
20 |
380 - 280 |
280 |
0-45 |
2-20 |
130 |
500 - 460 |
440 |
0-20 |
0-50 |
540 - 520 |
520 |
3-30 |
5-45 |
|
|
340 - 280 |
300 - 220 |
32 - 55 |
1-55 |
20 |
440 - 380 |
400 - 320 |
0-30 |
1-20 |
130 |
480 - 450 |
460 - 420 |
0-20 |
0-50 |
540 - 520 |
520 |
2-30 |
4-55 |
|
|
360 - 320 |
350 - 300 |
18 - 30 |
1-55 |
25 |
460 - 420 |
450 - 400 |
0-30 |
1-10 |
130 |
500 - 470 |
490 - 465 |
0-20 |
0-30 |
540 - 520 |
520 |
2-00 |
4-25 |
|
|
400 - 360 |
400 - 360 |
10 - 16 |
1-35 |
50 |
500 - 460 |
500 - 460 |
0-25 |
1-10 |
130 |
500 - 490 |
515 - 485 |
0-20 |
0-30 |
540 |
540 - 520 |
2-00 |
4-00 |
|
|
³ 400 |
³ 400 |
2 - 8 |
0-50 |
50 |
500 |
520 - 500 |
0-15 |
0-45 |
130 |
500 |
520 - 500 |
0-15 |
0-30 |
540 |
540 |
1-30 |
2-35 |
|
|
- |
- |
£ 1,0 |
0-25 |
160 - 180 |
540 |
520 |
0-05 |
0-15 |
160 - 180 |
540 |
520 |
0-05 |
0-15 |
540 |
540 |
0-35 |
1-05 |
|
* Давление свежего пара за котлом перед началом операции прикрытия клапана Др-3.
** Температура пара в стопорных клапанах ЦСД турбины примерно через 10 мин после включения генератора в сеть.
*** Время розжига взято от подфорсировки после окончания горячей отмывки.
**** При исходной температуре ЦСД < 100 °С.
1. При пусках блока руководствоваться графиками-заданиями, приведенными на рис. 12 - 20 и на рис. 7 - 8, и указаниями настоящей Типовой инструкции со следующими изменениями и дополнениями:
а) одновременно со сборкой схемы для прогрева системы обогрева фланцевого соединения корпуса ЦВД турбины в соответствии с п. 2.1.17 (подпункт 9) собрать схему для прогрева системы обогрева фланцевого соединения корпуса ЦСД;
Рис. 12. График-задание пуска блока из холодного состояния (температура паровпуска ЦВД £ 150 °С, температура паровпуска ЦСД 100 °С)
Обозначения см. в приложении 8
Примечания: 1. При температуре металла ЦСД в зоне паровпуска менее 100 °С продолжительность выдержки пси частоте вращения 800 об/мин увеличивается (после открытия стопорного клапана ЦСД) на 90 мин. 2. Операции I и II не показаны, так как проводятся в начале водной промывки котла.
б) систему обогрева фланцевого соединения корпуса ЦСД турбины использовать при пусках с начальной температурой металла фланца до 300 °С;
в) включение системы обогрева фланцевого соединения корпуса ЦСД проводить перед повышением частоты вращения ротора турбины с 800 до 3000 об/мин.
2. При остановах блока с расхолаживанием турбины систему обогрева фланцевого соединения ЦСД не включать. Расхолаживание проводить по графику-заданию, приведенному на рис. 9.

Рис. 13. График-задание пуска блока из неостывшего состояния (температура паровпуска ЦВД 280 - 200 °С, температура паровпуска ЦСД 200 - 160 °С, продолжительность простоя 60 - 90 ч)
Обозначения см. в приложении 8
Примечание. Если проводится водная промывка котла, то операции I и II выполняются в начале ее.

Рис. 14. График-задание пуска блока из неостывшего состояния (температура паровпуска ЦВД 320 - 280 °С, температура паровпуска ЦСД 240 - 220 °С, продолжительность простоя 46 - 55 ч)
Обозначения см. в приложении 8

Рис. 15. График-задание пуска блока из неостывшего состояния (температура паровпуска ЦВД 340 - 280 °С, температура паровпуска ЦСД 280 - 260 °С, продолжительность простоя 36 - 45 ч)

Рис. 16. График-задание пуска блока из неостывшего состояния (температура паровпуска ЦВД 360 - 300 °С, температура паровпуска ЦСД 300 °С, продолжительность простоя 28 - 36 ч)

Рис. 17. График-задание пуска блока из неостывшего состояния (температура паровпуска ЦВД 360 - 300 °С, температура паровпуска ЦСД 310 °С, продолжительность простоя 26 - 34 ч)
Обозначения см. в приложении 8

Рис. 18. График-задание пуска блока из неостывшего состояния (температура паровпуска ЦВД 360 - 320 °С, температура паровпуска ЦСД 330 °С, продолжительность простоя 22 - 30 ч).
Обозначения см. в приложении 8

Рис. 19. График-задание пуска блока из неостывшего состояния (температура паровпуска ЦВД 380 - 360 °С, температура паровпуска ЦСД 350 °С, продолжительность простоя 18 - 26 ч)
Обозначения см. в приложении 8
Рис. 20. График-задание пуска блока из неостывшего состояния (температура паровпуска ЦВД 400 - 360 °С, температура паровпуска ЦСД 400 - 360 °С, продолжительность простоя 10 - 16 ч)
|
Исходная температура верха корпуса турбины в зоне паровпуска |
Ориентировочная продолжительность простоя блока, ч |
Продолжительность пуска от розжига горелок до толчка турбины, ч-мин |
Параметры пэра перед толчком ротора турбины |
Продолжительность повышения частоты вращения ротора турбины, ч-мин |
Продолжительность нагружения до 180 МВт, ч-мин |
Параметры пари при N = 180 МВт |
Продолжительность перехода на номинальное давление, ч-мин |
Продолжительность нагружения до 300 МВт, ч-мин |
Параметры пара к моменту окончания нагружения (до 300 МВт) |
Общая продолжительность нагружения, ч-мин |
Общая продолжительность пуска блока, ч-мин |
|
||||||
|
Р0*, кгс/см2 |
t0, °С |
tпп**, °С |
Р0, кгс/см2 |
t0, °С |
tпп, °С |
|||||||||||||
|
ЦВД |
ЦСД |
t0, °С |
tпп, °С |
|
||||||||||||||
|
£ 150 |
100 |
- |
0-30*** |
- |
280 |
270 |
1 - 10 (2 - 40****) |
3 - 35 |
130 |
450 |
460 |
0-20 |
0-50 |
520 |
520 |
4-45 |
6-25 |
|
|
280 - 200 |
200 - 160 |
60 - 90 |
1-30 |
20 |
380 - 300 |
300 - 280 |
0 - 45 |
2 - 50 |
130 |
500 - 460 |
460 |
0-20 |
0-50 |
540 - 520 |
520 |
4-00 |
6-15 |
|
|
320 - 280 |
240 - 220 |
46 - 55 |
1-55 |
20 |
420 - 380 |
340 - 320 |
0 - 30 |
2 - 10 |
130 |
500 - 480 |
460 |
0-20 |
0-50 |
540 - 520 |
520 |
3-20 |
5-45 |
|
|
340 - 280 |
280 - 260 |
36 - 46 |
1-55 |
20 |
440 - 380 |
380 - 360 |
0 - 30 |
1 - 30 |
130 |
500 - 480 |
460 |
0-20 |
0-50 |
540 - 520 |
520 |
2-40 |
5-05 |
|
|
360 - 300 |
300 |
28 - 36 |
1-55 |
20 |
460 - 400 |
400 |
0 - 30 |
1 - 10 |
130 |
500 - 470 |
465 |
0-20 |
0-40 |
540 - 520 |
520 |
2-10 |
4-35 |
|
|
360 - 300 |
310 |
26 - 34 |
1-55 |
25 |
460 - 400 |
410 |
0 - 30 |
1 - 50 |
130 |
500 |
485 |
0-20 |
0-50 |
540 |
520 |
3-00 |
5-25 |
|
|
360 - 320 |
330 |
22 - 30 |
1-55 |
25 |
460 - 420 |
430 |
0 - 30 |
1 - 20 |
130 |
500 - 470 |
490 |
0-20 |
0-50 |
540 - 530 |
520 |
2-30 |
4-55 |
|
|
380 - 360 |
350 |
18 - 26 |
1-35 |
50 |
480 - 460 |
450 |
0 - 30 |
1 - 10 |
130 |
520 |
500 |
0-20 |
0-30 |
540 |
520 |
2-00 |
4-05 |
|
|
400 - 360 |
400 - 360 |
10 - 16 |
1-35 |
50 |
500 - 460 |
500 - 460 |
0 - 25 |
1 - 10 |
130 |
500 - 490 |
515 - 485 |
0-20 |
0-30 |
540 |
540 - 520 |
2-00 |
4-00 |
|
|
³ 400 |
³ 400 |
2 - 8 |
0-50 |
50 |
500 |
520 - 500 |
0 - 15 |
0 - 45 |
130 |
500 |
520 - 500 |
0-15 |
0-30 |
540 |
540 |
1-30 |
2-35 |
|
|
- |
- |
£ 1,0 |
0-25 |
160 - 180 |
540 |
520 |
0 - 05 |
0 - 15 |
160 - 180 |
540 |
520 |
0-05 |
0-15 |
540 |
540 |
0-35 |
1-05 |
|
|
* Давление свежего пара за котлом перед началом операции прикрытия клапана Др-3. ** Температура пара в стопорных клапанах ЦСД турбины примерно через 10 мин после включения генератора и сеть. *** Время розжига взято от подфорсировки после окончания горячей отмывки. **** При исходной температуре ЦСД < 100 °С. |
|
|||||||||||||||||
I - розжиг горелок (форсунок);
II - III - открытие клапанов Др-3;
III - ввод пусковых впрысков в главные паропроводы;
IV - прикрытие клапанов др-3;
V - VI - прогрев паропроводов промперегрева и вторых перепускных труб ЦВД турбины;
VI - повторное открытие клапанов Др-3;
VII - открытие стопорных клапанов ЦСД и закрытие сбросных клапанов;
VIII - включение системы обогрева фланцевого соединения корпуса ЦВД;
IX - включение байпасов промежуточного пароперегревателя;
X - включение генератора в сеть, закрытие ПСБУ, полное открытие регулирующих клапанов турбины;
XI - включение системы обогрева фланцевого соединения корпуса ЦСД;
ХII - включение пусковых впрысков в паропроводы горячего промперегрева, начало отключения байпасов промежуточного пароперегревателя;
ХIII - перевод котла на прямоточный режим, отключение байпасов промежуточного пароперегревателя;
XIV - начало прогрева ПТН;
XV - переход с ПЭН на ПТН;
XVI - отключение системы обогрева фланцевого соединения корпуса ЦВД;
ХVII - отключение системы обогрева фланцевого соединения корпуса ЦСД;
ХVIII - отключение пусковых впрысков в главные паропроводы и паропроводы промежуточного пароперегревателя;
N - электрическая нагрузка;
n - частота вращения ротора турбогенератора;
V - вакуум в конденсаторе;
Po - давление свежего дара перед турбиной;
Wк - расход воды на котел;
В - расход топлива;
tвз - температура среды перед встроенной задвижкой;
to - температура свежего пара после пускового впрыска;
tоск - температура пара в стопорном клапане;
tкрс - температура пара в камере регулирующей ступени;
tцвд - температура металла верха ЦВД в зоне паровпуска;
tпп - температура вторично перегретого пара перед ЦСД;
tцсд - температура металла верха ЦСД в зоне паровпуска;
УПркд - положение регулирующего клапана дренажей паропроводов свежего пара перед ГПЗ.
СОДЕРЖАНИЕ