|
Российское Акционерное Общество «ЕЭС РОССИИ» Открытое Акционерное Общество «Фирма ОРГРЭС» |
||
|
|
«Утверждаю» Первый заместитель начальника _________________ Берсенев А.П. «26» _________04________ 2000 г. |
|
МЕТОДИКА ИНФРАКРАСНОЙ ДИАГНОСТИКИ
ТЕПЛОМЕХАНИЧЕСКОГО ОБОРУДОВАНИЯ
ОРГРЭС
Москва 2000 год
|
Методика инфракрасной диагностики |
РД 153-34.0-20.364-00 Введен впервые |
Срок действия установлен:
с 01.05.2000 г.
до.................
СОДЕРЖАНИЕ
Общая часть.
Экономическая ситуация, сложившаяся в последние годы в энергетике заставляет принимать меры, связанные с увеличением срока эксплуатации различного оборудования.
Решение задач по оценке технического состояния последнего, в значительной степени, связано с внедрением эффективных методов инструментального контроля, и в частности, теплового метода неразрушающего контроля.
Данный метод получил широкое распространение в электроэнергетике, в связи с чем, многие энергетические предприятия организовали у себя диагностические лаборатории, оснастив их современными тепловизионными системами. Учитывая их значительную стоимость, необходимо как можно шире использовать возможности этих систем, расширяя диапазон контролируемого оборудования, безотказная и эффективная работа которого связана с поддержанием определенного температурного режима.
Ниже, рассмотрены условия и порядок тепловизионного обследования зданий и сооружений, котлов, паропроводов, дымовых труб и тепловых сетей.
Одним из основных путей экономии топлива является уменьшение тепловых потерь и теплопоступлений через ограждающие конструкции строительных сооружений, достигающие по зарубежным источникам до 30 % общих потерь.
Тепловизионный контроль качества теплозащиты зданий и сооружений успел зарекомендовать себя, как один из основных способов контроля состояния ограждающих конструкций по окончании строительства и в период эксплуатации, ввиду оперативности, наглядности метода и достоверности полученных результатов. Метод позволяет выявить нарушения теплозащиты ограждающих конструкций, возникшие в результате следующих причин:
· нарушения технологии изготовления строительных материалов, правил складирования, перевозки и т.п.;
· ошибок и нарушений при строительстве зданий;
· неправильного режима эксплуатации.
Перечисленные факторы приводят к преждевременному снижению теплозащитных свойств в отдельных местах ограждающих конструкций в результате воздействия погодных (ветер, атмосферные осадки) и естественно-климатических (циклы тепло-холод-тепло, влажность) условий. Это, в свою очередь, приводит к ухудшению микроклимата внутри зданий и перерасходу топлива, вследствие повышения теплопотерь.
Современные тепловизионные системы позволяют быстро и точно выявить участки с повышенными теплопотерями и определить их границы. Количественная оценка обнаруженного дефекта производится в лабораторных условиях с использованием современной программной продукции и традиционного (Л1, Л2, Л3) математического аппарата.
Необходимо заметить, что физическая сторона явлений, происходящих при излучении и распространении тепла поверхностями ограждающих строительных конструкций, достаточно хорошо изучена и описана в перечисленной ниже литературе. Относительно требований к термографии зданий и сооружений, а также порядку её проведения существует соответствующий ГОСТ.
Практическое применение различных тепловизионных систем для обследования зданий и сооружений позволяет сделать следующие выводы, тепловизоры для термографии зданий и сооружений должны отвечать следующим требованиям:
· диапазон измеряемых температур: -20 °С - +30 °С
· предел температурной чувствительности: 0,5 °С
· диапазон рабочих температур: -15 °С - +40 °С
· возможность применения сменных объективов, угол обзора: 7 град. - 20 град.
· число элементов в строке · число элементов в кадре, не менее: 100 · 100
· возможность получения значения температуры в °С на экране дисплея тепловизора или переносного компьютера непосредственно на месте съёмки;
· возможность записи термоизображения на видеомагнитофон или иной магнитный носитель информации;
· регулирование значения излучательной способности (ε);
Современная тепловизионная техника использует инфракрасные детекторы, работающие в двух диапазонах: коротковолновом (3 - 5 дм) и длинноволновом (8 - 14 дм). Использование этих ИК-диапазонов связано с особенностями пропускания теплового излучения атмосферой. Если руководствоваться графиком (Рис. 1.1), который приводится по Л3, то здесь так же видно, почему необходимо использовать именно эти инфракрасные диапазоны: спектральный коэффициент отражения минимален, а, следовательно, минимально влияние отражённого излучения. В этом отношении позиции длинноволнового и коротковолнового инфракрасных диапазонов примерно одинаковы для случая термографии зданий. В то же время установлено, что 40 % всей энергии собственного ИК-излучения объекта приходится на длинноволновую часть, а на коротковолновую - всего 1 %. Следует признать нежелательным применение для термографии зданий и сооружений тепловизоров индикаторного типа, принцип действия которых основан на преобразовании инфракрасных лучей с помощью пировидиконовой трубки. Применение ИК-пирометров возможно только в качестве вспомогательных средств. Кроме того, большинство из них неработоспособны при отрицательных температурах. (Термография зданий проводится, как правило, зимой в отопительный период).
График зависимости спектрального коэффициента отражения некоторых строительных материалов в ИК-диапазоне
Кроме тепловизора для обследования зданий и сооружений необходимо следующее оборудование:
· прибор для контактного измерения температуры с погрешностью не более 0,5 °С;
· чашечный анемометр (прибор для определения скорости ветра);
· штатив;
· измерительная рулетка (более 10 метров);
· ртутный термометр для измерения температуры окружающего воздуха;
· преобразователь теплового потока;
· желательно иметь ИК-пирометр;
С целью получения достоверных результатов при термографическом обследовании зданий и сооружений необходимо выполнить ряд условий, значительная часть которых изложена в Л1. Однако, применение современной тепловизионной техники, понуждает внести некоторые изменения и дополнения.
Измерения следует производить при перепаде температур между внутренним и наружным воздухом, превосходящим минимально допустимый, который определяется по формуле:
(1)
где: θ - предел температурной чувствительности тепловизора, °С;
R0n - проектное сопротивление теплопередаче, м · °С/Вт;
α - коэффициент теплоотдачи, принимаемый равным: для внутренней поверхности стен по нормативно-технической документации; для наружной поверхности стен при скоростях ветра 1, 3, 6 м/с - соответственно 11, 20, 30; Вт/(м · °С);
r - относительное сопротивление теплопередаче подлежащего выявлению дефектного участка ограждающей конструкции, не более 0,85;
Термографию зданий и сооружений следует проводить в отопительный сезон, так как при этом перепад температур будет максимально возможным и всегда удовлетворяет условию формулы (1). Так же необходимо отсутствие осадков, поверхность обследуемых зданий должна быть свободна от инея. Условия тепловой инерции материалов конструкций при термографии наружной части здания требуют, чтобы обследуемый объект не находился на солнце в течение 12 часов, предшествовавших съёмке. Лучше проводить измерения утром, в пасмурную погоду. При инфракрасной съёмке внутри помещений следует особое внимание обратить на экранирование источников света и тепла (ламп накаливания, отопительных радиаторов) расположенных вблизи объекта термографии.
Если имеет место ветер, то необходимо измерить его скорость для дальнейшей корректировки измеренных значений температур, о чём будет сказано в разделе, посвященном обработке результатов измерений. По возможности следует выбирать безветренные дни. Сила и направление ветра оказывают существенное влияние на теплопотери воздухопроницанием и теплопотери конвекцией с наружной поверхности.
Ввиду значительных размеров зданий тепловизионную съёмку производят по кадрам. По завершении съёмки очередного кадра оператор перемещает тепловизор таким образом, чтобы объект измерения находился под углом наблюдения не менее 60°. В этом случае излучательная способность от угла наблюдения практически не зависит. В диапазоне от 60° до 90° излучательная способность при приближении к 90° будет стремительно падать, а коэффициент отражения соответственно возрастать. Поэтому надо стремиться, чтобы тепловизор был направлен по нормали к снимаемому объекту. Если высота такого объекта превышает 10 метров, то для работы рекомендуется использовать монтажную вышку. Удалённость тепловизионной камеры от объекта при наружной съёмке надо выбирать в следующем диапазоне:
где:
L - удаление тепловизора от объекта съёмки;
f - угол обзора объектива;
Lпред. - расстояние, на котором тепловизор теряет требуемую точность в соответствии с техническими характеристиками и поглощением ИК-излучения атмосферным воздухом.
Приближение к объекту на расстояние L < 1/tgf неоправданно увеличит время съёмки. При термографии внутренней поверхности объекта следует исходить из размеров участка с повышенными теплопотерями. Рекомендуется использовать объективы с углом обзора не менее 12°.
На обследуемой поверхности выбирают геометрический репер, в качестве которого можно использовать типовые строительные элементы с известными линейными размерами. Это необходимо для определения масштаба при обработке результатов измерений.
Тепловизор устанавливают, подключают видеомагнитофон и выставляют необходимый температурный диапазон, который в современной тепловизионной технике определяет не только верхнюю и нижнюю границу измеряемых температур, но и чувствительность. Регулируя фокус, температурный уровень, яркость и контраст добиваются устойчивого и чёткого термоизображения на экране видеоконтрольного устройства. Термоизображение наружной поверхности снимают по кадрам и записывают на видеомагнитофон или дискету. Видеомагнитофон позволяет записывать звуковую информацию о параметрах съёмки, поэтому его использование предпочтительно. Современные тепловизоры последних модификаций, как правило, имеют встроенные микрофоны, встроенные меню на русском языке, производят запись изображений на PS-карты разной ёмкости, а так же записывают всю информацию о тепловом состоянии объекта, что позволяет получить удовлетворительную термограмму при обработке в случае неверного выбора оператором параметров съёмки. Все значения температур, которые будут использоваться ниже, должны быть предварительно скорректированы с учётом излучательной способности объекта. Если эта величина известна, то фактическую температуру можно определить по формуле:
где:
Трад - измеренная тепловизором температура;
Тфакт - фактическая температура объекта;
ε - коэффициент излучения материала.
Большинство современных тепловизоров делают эту коррекцию автоматически, достаточно ввести значение излучательной способности. Значения коэффициента «ε» для основных строительных материалов приведены в Таблице 1.1 Приложения 1. Они предназначены для использования только в качестве ориентира, так как зависят не только от температуры материала, но и от спектральной чувствительности используемого прибора. В связи с этим рекомендуется излучательную способность исследуемой поверхности определять непосредственно на месте съёмки.
Для этого контактным термометром определяют истинную температуру объекта, а затем вводят в процессор тепловизора всё новые значения ε, добиваясь равенства Тизм. и Трад.. Установленное при достижении указанного равенства значение ε и будет являться истинной излучательной способностью объекта. Необходимо иметь в виду, что ошибка в измерении температуры от неверного определения излучательной способности зависит от используемого ИК-диапазона и температуры объекта съёмки. При температуре около 0 °С эта погрешность незначительна (около нуля), но она возрастает с понижением температуры объекта и достигает нескольких градусов на ошибку по ε в 0,1 при температуре объекта -20 °С. Просмотрев поверхность исследуемого здания, и записав её термоизображение на видеомагнитофон (или иной носитель) выбирают базовый участок, размером больше двух толщин ограждающей конструкции и имеющий равномерное температурное поле. Этот участок должен быть выполнен из тех же стройматериалов, и иметь ту же конструкцию, что и исследуемая поверхность с температурными аномалиями. Его температурное поле должно соответствовать минимальному выходному сигналу тепловизора для исследуемого объекта. Сравнивая термоизображение ограждающей конструкции и базового участка, выявляют места с повышенными теплопотерями. Температура наружной поверхности таких участков превышает температуру базового участка, как минимум, на величину цены деления шкалы тепловизора.
Базовый участок и места с температурными аномалиями подвергаются детальной термографии уже с минимально возможного расстояния снаружи и внутри зданий, там же измеряется температура окружающего воздуха. Необходимо, так же, визуально осмотреть этот участок, чтобы определить, не является ли его тепловая картина следствием, например, локального загрязнения и соответственно изменения излучательной способности. По окончании съёмки должны быть измерены и записаны для каждого аномального и базового участков следующие величины:
· температура наружного воздуха;
· скорость ветра;
· наружная температура на поверхности исследуемого участка.
· температура внутренней поверхности исследуемого участка;
· температура окружающего воздуха внутри здания;
· температурный диапазон и уровень в момент съёмки;
· угол зрения используемого объектива;
· расстояние до исследуемой поверхности;
· излучательная способность поверхности объекта;
· тепловой поток через исследуемый участок, если такие измерения проводились;
· распределение температур по элементам системы отопления в обследуемом секторе здания.
Получив эти данные можно приступить к количественной оценке результатов измерений и компьютерной обработке. В Приложении 1 (Рис. 1.4 - 1.11) приведены термограммы участков ограждающих конструкций с повышенными теплопотерями и примеры выбора базовых участков.
Современные программные средства позволяют оперативно и точно проанализировать результаты тепловизионной съёмки и представить результаты обследования в виде цветных или чёрно-белых термограмм. Для каждого исследуемого фрагмента ограждающей конструкции необходимо иметь следующие исходные данные:
· излучательная способность (ε);
· температура воздуха вблизи объекта (Т);
· температура атмосферного воздуха (Та) (при съёмке внутри помещения - температура в его средней части, в 1,5 метрах от пола;
· дистанция до объекта (м);
· температурный уровень;
· температурный диапазон;
· виды используемых фильтров и диафрагм;
· угол обзора используемого объектива.
После того, как температура в каждой точке становится известной необходимо учесть скорость ветра (программы обработки термоизображения этого, как правило, не делают) в соответствии с формулой:
(4)
где:
V1 - скорость ветра при температуре Т1;
V2 - скорость ветра при температуре Т2;
Так как при переменном ветре использование данной корректировки может привести к дополнительной погрешности, рекомендуется для проведения тепловизионной съёмки выбрать безветренную погоду.
Можно выделить 3 основные задачи при обработке термоизображений зданий и сооружений:
1. Определение участков ограждающих конструкций с повышенными теплопотерями согласно указаниям соответствующих СНиП и ГОСТ. Здесь рассчитываются сопротивления теплопередаче R (м2 · °С/Вт) для базового и других характерных участков и сравниваются с требуемым значением. Уже на этом этапе необходимо разделить ограждающую конструкцию на стену, окна и цоколь и в дальнейшем для каждой из этих поверхностей производить отдельные вычисления сопротивления теплопередаче, выявление базового участка, расчёт Q и экономический ущерб.
2. Определяются удельные теплопотери q (Вт/м2) для всех характерных участков.
3. Определение экономического ущерба от выявленных тепловых аномалий.
· определение площади участков с повышенными теплопотерями;
· определение избыточных теплопотерь через эти участки;
· определение количества и стоимости перерасходованных энергоносителей.
Используемые обозначения:
R - сопротивление теплопередаче (м2 · °С/Вт);
R0тр - требуемое сопротивление теплопередаче (м2 · °С/Вт);
n - коэффициент, принимаемый в зависимости от положения наружной поверхности ограждающей конструкции к наружному воздуху (Л2 Табл. 3);
q - удельные теплопотери (Вт/м2);
Q - полные теплопотери (Вт);
tн, tв - измеренные температуры наружного и внутреннего воздуха;
τв, τн - измеренные значения температуры наружной и внутренней поверхности ограждающей конструкции;
δ - толщина конструкции (м);
λ - теплопроводность конструкции(Вт/(м2 · °С));
αв, αн - коэффициент теплоотдачи соответственно у внутренней и наружной поверхности ограждающей конструкции (Вт/(м2 · °К));
αк, αл - соответственно конвективная и лучистая составляющие коэффициента теплоотдачи (Вт/(м2 · °К));
F - площадь поверхности ограждающей конструкции (м2);
1. Участки ограждающих конструкций с повышенными теплопотерями выявляют путём сравнения сопротивления ограждающих конструкций полученного в результате натурных измерений с требуемым значением определяемым в соответствии с (Л2) по формуле:
(5)
где: tв, tн, ∆tн, n и αв - расчётные и табличные значения, принимаемые по Л2.
Термическое сопротивление слоя многослойной конструкции определяется по формуле:
(6)
Здесь необходимо пользоваться указаниями п. 2 из Л2.
Сопротивление теплопередаче многослойной конструкции определяется по формуле:
(7)
Все вышеприведенные формулы применяются для вычисления требуемых и расчётных значений при проектировании, ибо здесь используется расчётный коэффициент теплопроводности материала слоя (λ), но на практике его значение будет отлично от проектного.
Если необходимо определить расчётное значение, то αв и αн принимаются по Л2 (таблицы 1.2 и 1.3 этого издания), а если обрабатываются результаты натурных измерений, то эти значения рассчитываются по экспериментальным данным.
Для вычисления R по результатам натурных измерений можно использовать следующие выражения:
(8)
Эта формула применяется для обработки экспериментальных данных. Здесь все значения берутся по результатам измерений, а αв - вычисляется. Если есть возможность измерить удельный тепловой поток q (с помощью датчиков, тепломеров), то можно воспользоваться формулой, которая получается из формулы 7, если заменить члены правой части выражения. Тогда получится формула из ГОСТ 26254-84:
(9)
где:
Rв,н,к - термическое сопротивление внутренней, наружной поверхности и однородной зоны ограждающей конструкции (м2 · °С/Вт);
qф - средняя за расчётный период измерения фактическая плотность теплового потока; для сплошных ограждающих конструкций:
(10)
где:
q - средняя за расчётный период измеренная плотность теплового потока (Вт/м2);
Rm - термическое сопротивление преобразователя теплового потока, определяемое по его паспортным данным;
Rc - термическое сопротивление слоя, прикрепляющего ПТП, определяемое расчётом;
Термическое сопротивление слоя ограждающей конструкции можно определить как разность температур на границе слоя делённое на плотность теплового потока через него:
(11)
Для слоя ограждающей конструкции с воздушным промежутком термическое сопротивление определяется специальным способом по ГОСТ 26254-84.
Если возникла необходимость по результатам измерений определить температуру внутренней поверхности ограждающей конструкции для других расчётных условий расчётным путём, то это делают по приложению 7 из ГОСТ 26254-84.
2. Если измерения q не проводились, а необходимо вычислить тепловой поток по результатам тепловизионной съёмки, то используются следующие соотношения:
где:
q (Вт/м2);
ω - скорость потока (м/сек);
ρ - плотность массы (кг/м3);
ср - теплоёмкость при постоянном давлении (кДж/кг×°К);
где: С - коэффициент лучеиспускания абсолютно чёрного тела (5,7×10-8 Вт/м2),
ε - излучательная способность поверхности объекта (это значение зависит от используемого инфракрасного диапазона и температуры объекта, а также от материала и геометрии ограждающей конструкции). Приближённое значение ε можно взять из таблиц. Более точное значение можно получить при сравнении температуры объекта, измеренной контактным способом, и температуры того же объекта, измеренной с помощью тепловизора. Абсолютно чёрным телом можно назвать материал, который при данной температуре излучает наибольшее количество тепловой энергии. Основные строительные материалы относятся к так называемым «серым телам».
Плотность теплового потока лучше всего не вычислять, а измерять непосредственно при обследовании зданий. Делать это необходимо в соответствии с требованиями ГОСТ 25380-82 преобразователем теплового потока ИТП-11 или аналогичным (приборы по ГОСТ 7076-78). Длительность измерений с наружной стороны ограждающих конструкций определяется тепловой инерцией последних (до 15 суток). Согласно приложению 3 из ГОСТ 26254-84 определяется диапазон температур наружного воздуха, при котором погрешность таких измерений будет минимальна. Так, при использовании прибора ИТП-11 необходимо обеспечивать условия при которых измеряемая плотность теплового потока находилась бы в диапазоне 33 - 50 Вт/м2. Это обеспечивается при температурах наружного воздуха от -15 до -32. При более высоких температурах погрешность измерений возрастает.
Чтобы избежать трудностей с тепловой инерцией измерения теплового потока проводят, как правило, с внутренней стороны ограждающих конструкций. С наружной стороны такие измерения производят в случаях сохранения устойчивой температуры на поверхности и невозможности проведения измерений внутри.
Воздушные зазоры между датчиками и поверхностью не допускаются. Шероховатости устраняются, датчики укрепляют на технический вазелин.
По известным удельным тепловым потокам через аномальные участки вычисляют полный тепловой поток, путём умножения на площадь этого участка. Полученное значение позволяет определить избыточные теплопотери за счёт наличия участков с повышенными теплопотерями, перерасход топлива, и в итоге, - экономический ущерб.
Приведённый выше расчёт не учитывает теплопотерь воздухопроницанием. Если возникает необходимость определить места с повышенным сопротивлением воздухопроницанию ограждающей конструкции, то необходимо определить разность давления внутреннего и наружного воздуха и воспользоваться формулами п. 5.1 из Л2 для сравнения с нормативными значениями.
Определить теплопотери воздухопроницанием через ограждающие конструкции довольно трудно. Здесь это явление связано с переносом вещества. Таким образом, в настоящее время мы определяем только теплопотери через ограждающие конструкции за счёт теплового потока. Эти теплопотери будут несколько меньше действительных из-за не учёта теплопотерь воздухопроницанием.
При практической термографии следует иметь ввиду, что участки с повышенным воздухопроницанием - это предельный случай участка с повышенными теплопотерями, когда термическое сопротивление равно нулю. Процесс воздухопроницания слишком «нестационарен» и зависит от разности давлений, температур, ориентации здания относительно сторон света, направления и силы ветра. Здесь важно выявить такие места, что легко достигается при тепловизионной съёмке и ликвидировать их (заклейка окон, герметизация швов).
Современная тепловизионная техника позволяет сэкономить время, необходимое на выявление мест расположения, участков ограждающих конструкций с повышенными теплопотерями и существенно упростить решение следующих задач:
· оценить качество монтажа и проектирования новых зданий;
· определить целесообразность, объёмы и сроки профилактического или капитального ремонтов зданий путём оценки степени дефектности и состояния отдельных его элементов;
· осуществлять контроль, за уровнем тепловых потерь через отдельные элементы ограждающих конструкций зданий и сооружений.
Практическое применение инфракрасной техники для термографии ограждающих конструкций зданий и сооружений показало, что для стен с оконными проёмами основные потери тепла (до 70 %) обусловлены теплопроводностью и воздухопроницанием оконных заполнений. Теплопотери через глухие стены в основном обусловлены теплопроводностью материалов стен, при условии качественной заделки межпанельных швов.
Тепловизионный контроль качества теплозащиты зданий и сооружений целесообразно проводить по окончании строительства и в период эксплуатации. При этом нарушения теплозащитных свойств ограждающих конструкций подлежат выявлению лишь в отопительный сезон. Для выполнения такого рода работ необходимо использование тепловизоров с чувствительностью не хуже 0,1 °С, с программным обеспечением для анализа термоизображений. Быстро выявить и точно определить границы участков ограждающих конструкций с повышенными теплопотерями другими методами не представляется возможным.
Значение коэффициента ε для основных строительных материалов
|
ТЕМПЕРАТУРА, (°С) |
ИЗЛУЧАТЕЛЬНАЯ СПОСОБНОСТЬ, (ε) |
|
|
Листовое железо: |
|
|
|
отполированное |
38 - 200 |
0,28 |
|
сильный, неровный слой окиси |
24 |
0,8 |
|
плотный, блестящий слой окиси |
24 |
0,82 |
|
отлитая пластина, гладкая |
28 |
0,8 |
|
сварочное железо, слабо окисленное |
20 - 200 |
0,84 |
|
Асбест |
- |
0,95 |
|
Картон |
23 |
0,96 |
|
Бумага |
38 |
0,93 - 0,95 |
|
Гипс |
21 |
0,903 |
|
Глина |
- |
0,95 |
|
Гравий |
- |
0,95 |
|
Дерево |
- |
0,9 - 0,95 |
|
Керамика |
- |
0,95 |
|
Кирпич красный (рядовой) |
21 |
0,93 |
|
Рубероид |
20,5 |
0,91 |
|
Масляные краски |
100 |
0,92 - 0,96 |
|
Отражающая краска (белая, кремовая, бесцветная) |
100 |
0,79 - 0,84 |
|
Мрамор полированный |
22 |
0,93 |
|
Стекло гладкое |
22 |
0,85 - 0,94 |
|
Штукатурка |
|
|
|
Грубая известь |
10 - 88 |
0,91 |
|
фарфор глазурованный |
20 |
0,75 - 0,93 |
|
фарфор неглазурованный |
20 |
0,9 |
|
цемент |
- |
0,54 |
|
кирпич силикатный |
20 |
0,66 |
|
бетон (плиты гладкие) |
- |
0,63 |
|
бетон (стены литые, необработанные) |
- |
0,55 |
|
битум |
- |
0,96 |
|
асфальт (дорожное покрытие) |
- |
0,9 |
Таблица значений коэффициента αв для внутренних поверхностей ограждающих конструкций.
|
Коэффициент теплоотдачи αв, Вт/(м · С) ккал/(м · ч · С) |
|
|
1. Стен, полов, гладких потолков, потолков с выступающими рёбрами при отношении высоты Н рёбер к расстоянию А между гранями соседних рёбер Н/А < 0,3 |
8,7 7,5 |
|
2. Потолков с выступающими рёбрами при отношении Н/А > 0,3 |
7,6 6,5 |
Таблица значений коэффициентов теплоотдачи αн для наружной поверхности ограждающих конструкций.
|
Коэффициент теплоотдачи для зимних условий, αн |
|
|
1. Наружных стен, покрытий, перекрытий над проездами и над холодными без ограждающих стенок подпольями в Северной строительно-климатической зоне. |
23 20 |
|
2. Перекрытий над холодными подвалами, сообщающимися с наружным воздухом; перекрытий над холодными с ограждающими стенками подпольями и холодными этажами в Северной строительно-климатической зоне. |
17 15 |
|
3. Перекрытий чердачных и над неотапливаемыми подвалами со световыми проёмами в стенах. |
12 10 |
|
4. Перекрытий над неотапливаемыми подвалами без световых проёмов в стенах, расположенных выше уровня земли, и над неотапливаемыми техническими подпольями, расположенными ниже уровня земли. |
6 5 |
Рис. 1.2
Рис. 1.3, 1.4
Рис. 1.5 Термограмма стены панельного здания без оконных проёмов. В левой части видно место воздухопроницания через межпанельный шов. (Соответствует температуре +5,2 °С).
Рис. 1.6 Термограмма стены панельного здания без оконных проёмов. Участок с температурой -3 °С может быть принят как базовый.
Рис. 1.7 Участок стены сооружения с повышенными теплопотерями. (Его границей следует считать изотерму -11 °С).
Рис. 1.8 Термограмма малоэтажного кирпичного здания. В верхней части участок с повышенными теплопотерями. Фрагмент стены с температурой -14,8 °С здесь принят, как базовый.
Рис. 1.9 Торцевая часть 9-ти этажного здания. Поверхность с t = -0,4 °С, можно принять за базовый участок. Красная полоса в центре здания вызвана тепловым отражением.
Рис. 1.10
Рис. 1.11
Основные качественные показатели ТЕПЛОВОЙ ИЗОЛЯЦИИ, (в дальнейшем ТИ), максимально допустимые тепловые потери через ТИ и температура наружной поверхности регламентируются утвержденными нормами тепловых потерь. (Л.4)
Качественное выполнение ТИ обусловлено не только предельными нормами тепловых потерь, но и расходом теплоизоляционных материалов.
Фактические тепловые потери отличаются от запроектированных из-за низкого качества исполнения теплоизоляционных работ, сложностью учета фактических условий внешней теплоотдачи. Кроме этого, в процессе эксплуатации ТИ изменяет свои свойства, что может вызвать с течением времени увеличение тепловых потерь и повышение температуры на поверхности изолированных объектов.
Данное положение в первую очередь относится к ТИ оборудования и паропроводов высоких и сверхвысоких параметров, а также к котельным обмуровкам, где большинство широко распространенных теплоизоляционных материалов работает при температурах, являющихся для них предельными.
Учитывая, что каждый процент превышения норм тепловых потерь эквивалентен перерасходу примерно 300 кг условного топлива в год на 1 МВт установленной мощности, затраты на содержание ТИ в надлежащем состоянии, а значит и систематический контроль, безусловно окупаются. Применение для контроля теплоизоляции термощупов и измерителей тепловых потоков, (тепломер Шмидта, тепломер ОРГРЭС типа ИТП-2), основано на прямом контактном измерении, что не всегда представляется возможным в реальных условиях производства, из-за невозможности доступа к месту измерения (нагромождение труб, балок и т.д.). Применение тепловизионной (бесконтактной) измерительной системы позволяет снизить трудоемкость работ по контролю за состоянием ТИ, с увеличением площади измерения, недоступной для контактных приборов. Испытания ТИ имеют следующие основные цели:
- определение объемов и локализация мест разрушения ТИ перед ремонтом;
- оценка качества ТИ при приемке после монтажа, ремонта или реконструкции;
- обследование состояния ТИ и ее паспортизация;
- обследование суммарных потерь тепла через ТИ для подсчета КПД основного оборудования.
Во всех случаях производится проверка соответствия ТИ установленным нормам потерь тепла через ТИ и температура на ее поверхности. Полученные результаты испытаний ТИ позволяют путем сравнения их с нормативными или проектными показателями дать оценку качества выполнения или состояния ТИ, выявить дефектные участки ТИ. Наметить пути устранения дефектов.
Испытаниям подлежит ТИ основного и вспомогательного оборудования и трубопроводов с температурой теплоносителя выше 100 °С. Нормы тепловых потерь, принятые при проектировании ТИ, а также принятую температуру поверхности изоляции. (Согласно Нормам и ПТЭ Р.4 п.п. 4.3.30; 4.9.11) при температуре воздуха в помещении 25 °С, температура на поверхности ТИ не должна превышать 45 °С при температуре теплоносителя равной или меньше 500 °С, при температуре теплоносителя 501 - 600 °С температура на поверхности ТИ не должна превышать 48 °С. Для объектов, расположенных на открытом воздухе, температура на поверхности ТИ не должна превышать 55 °С при металлическом покровном слое и 60 °С - при других видах покровного слоя.
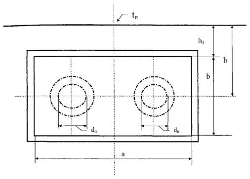
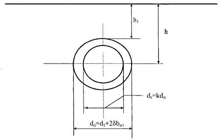
Из-за сложности и разнообразия оборудования электростанций, до начала испытаний, все паропроводы и оборудование необходимо разбить на отдельные группы.
Котельный цех. Испытаниям подвергается ТИ трубопроводов питательной воды, водоперепускные трубы в пределах котла, пароотводящие трубы, барабан, пароперепускные трубы, коллекторы пароперегревателя, трубопроводы перегретого пара (основного и вторично перегретого), холодные линии вторично перегретого пара, установка для подачи собственного конденсата на впрыски, обмуровка котла, воздушный и газовый тракт котла, системы пылеприготовления;
Турбинный цех. Испытаниям подвергается ТИ турбины, паропроводов свежего и вторично перегретого пара, парапускных паропроводов от стопорных и регулирующих клапанов до ЦВД турбины, трубопроводы питательной воды и конденсата, подогреватели, деаэраторы и др.
Поскольку удельные теплопотери и температура на поверхности ТИ нормируются в зависимости от температуры окружающего воздуха, во время испытаний должны производится измерения температуры окружающего воздуха вблизи мест измерений (0,8 - 1,5 метра от точки измерения удельных потерь тепла).
Для измерения температуры поверхностей ТИ применяется тепловизор с параметрами не хуже:
Диапазон измеряемых температур.......................................................... -20 - 1500 °С
Чувствительность (не хуже)..................................................................... 0,1 °С
Разрешающая способность....................................................................... 0,1 °С
Применение тепловизоров возможно и для оценки тепловых потерь ТИ (при компьютерном анализе с использованием соответствующего программного обеспечения), однако сначала необходимо провести дополнительную работу по сравнению результатов измерений тепловых потоков, получаемых тепломерами и радиационных температур, измеренных тепловизионными системами.
Для измерения линейных размеров ТИ применяются линейки металлические и рулетка общего назначения (ГОСТ 8.020-75). Толщина ТИ измеряется металлической линейкой при наличии свободных торцов или путем прокалывания ТИ толщиномером - заостренным стальным стержнем с нанесенными на нем мерными делениями через 5 мм.
Тепловые испытания ТИ на вновь вводимом оборудовании проводятся через 750 - 1000 часов работы оборудования с нанесенной ТИ. Испытания (кроме снятия кривых охлаждения) проводятся при стационарной нагрузке котла, по возможности, близкой к номинальной, но не менее 60 - 70 % от номинальной. В случае останова котла в период испытаний до возобновления испытаний после пуска должно пройти не менее 3 суток, для достижения установившегося режима по температуре.
Снятие характеристик остывания производится после непрерывной работы энергоблока в течение не менее трех суток с нагрузкой не менее 80 % от номинальной. В течение 5 - 6 часов перед остановом, температура свежего пара и пара промперегрева должна быть номинальной.
В период испытаний ежедневно до и после выполнения измерений следует производить запись производительности и основных параметров работы оборудования, а также вспомогательного оборудования, находящегося в работе (система пылеприготовления, подогреватели сетевой воды и т.п.).
Перед началом испытаний необходимо ознакомиться с проектом тепловой изоляции паропроводов и оборудования.
Необходимо уточнить и определить:
1. Схемы изоляции паропроводов и оборудования;
2. Конструкции ТИ для каждого изолированного объекта или участка;
3. Материалы, примененные для устройства ТИ;
4. Расчетные общие и удельные потери тепла через ТИ и температура на ее поверхности.
При отсутствии схем необходимо составить эскизы оборудования и трубопроводов. По месту с учетом подходов, наличия лестниц и площадок следует выбрать точки для проведения измерений при испытаниях. При внешнем осмотре ТИ отметить на схеме места с нарушенным покровным слоем, наличие разрушений ТИ (провисание, сползание) и другие видимые дефекты.
На участках с недостаточной толщиной изоляции произвести измерения температуры на поверхности ТИ и окружающего воздуха.
Для сравнения с нормативными значениями результаты испытаний должны быть пересчитаны по следующим формулам:
- приведенные потери тепла к 1 м длины изолированного трубопровода q Вт/м:
где:
q1 - измеренные потери тепла с 1 м2 ТИ, Вт/м2;
Р - длина окружности ТИ, м;
- удельные потери тепла при температуре окружающего воздуха 25 °С - q25, Вт/м2;
(2)
где:
tТ - температура теплоносителя в изолированных объектах;
tв - температура окружающего воздуха, °С;
- температура поверхности ТИ при температуре окружающего воздуха 25°С - t25ТИ, °С
(3)
где:
tТИ - измеренная температура поверхности ТИ, °С.
Данные температуры поверхности изоляции и окружающего воздуха пересчитываются на тепловой поток по формуле:
(4)
где
ТТИ, ТВ - температура соответственно поверхности ТИ и окружающего воздуха, К;
с' - коэффициент излучения, Вт/(м · К);
с' = 4,88 Вт/(м · К) - для отштукатуренных, окрашенных и запыленных поверхностей ТИ;
с' = 2,67 Вт/(м · К) - для алюминиевого покровного слоя ТИ.
Номограммы зависимости теплового потока от температуры поверхности обшивки при различной температуре окружающего воздуха.
Номограммы построены по формуле (4)
Номограмма для коэффициента излучения поверхности С = 2,67 Вт/(м · К)
Номограмма для коэффициента излучения поверхности С = 4,88 Вт/(м · К)
*Примечание:
Значения потерь тепла изолированными поверхностями, определяемое по данным измерений температуры поверхности изоляции и окружающего воздуха, является приближенным, что объясняется трудностью установления истинного коэффициента теплоотдачи (α).
Рис. 2.1 Разрушение футеровки котла (трещина) (калибровка шкалы в инструментальных единицах).
Рис. 2.2 То же в черно-белом изображении (калибровка шкалы в инструментальных единицах).
Рис. 2.3 Участок паропровода с повышенными теплопотерями.
|
Нормы потерь тепла изолированными поверхностями внутри помещений с расчетной температурой воздуха tв = 25 °С |
|||||||||||||||||||||||
|
Наружный диаметр, мм |
Потери тепла (Вт/м) при температуре теплоносителя, °С |
||||||||||||||||||||||
|
50 |
75 |
100 |
125 |
150 |
160 |
200 |
225 |
250 |
300 |
350 |
360 |
400 |
410 |
450 |
500 |
510 |
540 |
550 |
570 |
600 |
610 |
650 |
|
|
10 |
7 |
12 |
16 |
22 |
27 |
29 |
37 |
42 |
48 |
59 |
72 |
74 |
84 |
86 |
98 |
111 |
114 |
123 |
125 |
131 |
140 |
144 |
155 |
|
20 |
8 |
15 |
21 |
27 |
33 |
35 |
45 |
52 |
58 |
72 |
87 |
90 |
102 |
105 |
118 |
133 |
137 |
148 |
150 |
158 |
168 |
173 |
186 |
|
32 |
11 |
18 |
26 |
33 |
40 |
42 |
53 |
60 |
68 |
84 |
101 |
104 |
118 |
122 |
135 |
154 |
158 |
170 |
173 |
181 |
193 |
198 |
213 |
|
48 |
13 |
22 |
30 |
38 |
46 |
49 |
62 |
70 |
79 |
97 |
117 |
120 |
135 |
140 |
155 |
178 |
180 |
193 |
198 |
206 |
220 |
226 |
242 |
|
57 |
14 |
23 |
33 |
41 |
49 |
52 |
66 |
76 |
84 |
102 |
124 |
128 |
144 |
149 |
165 |
187 |
192 |
206 |
209 |
219 |
233 |
240 |
257 |
|
76 |
16 |
27 |
37 |
47 |
56 |
59 |
75 |
85 |
94 |
115 |
138 |
143 |
162 |
166 |
184 |
204 |
211 |
229 |
234 |
245 |
260 |
263 |
283 |
|
89 |
17 |
29 |
40 |
50 |
60 |
64 |
80 |
91 |
101 |
123 |
149 |
153 |
172 |
178 |
197 |
221 |
227 |
243 |
247 |
259 |
274 |
282 |
302 |
|
108 |
21 |
33 |
44 |
56 |
66 |
71 |
88 |
100 |
111 |
134 |
162 |
166 |
187 |
193 |
213 |
240 |
247 |
263 |
268 |
279 |
297 |
304 |
325 |
|
133 |
24 |
37 |
50 |
63 |
74 |
79 |
99 |
111 |
122 |
150 |
179 |
184 |
206 |
212 |
234 |
263 |
270 |
287 |
293 |
306 |
332 |
332 |
355 |
|
159 |
27 |
42 |
56 |
69 |
83 |
87 |
108 |
121 |
135 |
165 |
195 |
200 |
225 |
231 |
254 |
287 |
295 |
312 |
318 |
332 |
355 |
362 |
390 |
|
194 |
32 |
49 |
64 |
78 |
93 |
98 |
121 |
136 |
150 |
185 |
216 |
222 |
249 |
255 |
284 |
315 |
322 |
343 |
349 |
364 |
385 |
394 |
420 |
|
219 |
36 |
53 |
70 |
85 |
100 |
106 |
130 |
145 |
161 |
197 |
231 |
237 |
264 |
272 |
299 |
334 |
342 |
364 |
371 |
386 |
407 |
418 |
445 |
|
273 |
42 |
59 |
79 |
97 |
113 |
119 |
145 |
163 |
179 |
216 |
252 |
259 |
289 |
297 |
326 |
363 |
372 |
395 |
401 |
419 |
440 |
448 |
477 |
|
325 |
50 |
72 |
91 |
108 |
128 |
135 |
163 |
183 |
199 |
235 |
273 |
280 |
316 |
325 |
359 |
400 |
409 |
435 |
441 |
459 |
484 |
496 |
528 |
|
377 |
57 |
77 |
100 |
122 |
141 |
151 |
181 |
201 |
220 |
259 |
298 |
305 |
342 |
353 |
393 |
436 |
445 |
472 |
480 |
499 |
525 |
540 |
573 |
|
426 |
65 |
85 |
104 |
125 |
148 |
157 |
192 |
215 |
238 |
285 |
328 |
337 |
378 |
389 |
425 |
469 |
481 |
508 |
517 |
536 |
566 |
577 |
614 |
|
478 |
70 |
97 |
121 |
150 |
170 |
181 |
218 |
241 |
265 |
312 |
361 |
369 |
408 |
420 |
456 |
505 |
517 |
545 |
553 |
576 |
607 |
614 |
660 |
|
530 |
82 |
107 |
133 |
160 |
184 |
195 |
234 |
261 |
283 |
336 |
387 |
396 |
441 |
448 |
489 |
542 |
551 |
583 |
592 |
615 |
646 |
663 |
701 |
|
630 |
94 |
120 |
148 |
177 |
204 |
215 |
260 |
290 |
318 |
374 |
430 |
440 |
501 |
513 |
558 |
615 |
627 |
660 |
671 |
694 |
727 |
740 |
782 |
|
720 |
97 |
132 |
166 |
197 |
228 |
240 |
292 |
325 |
356 |
424 |
490 |
502 |
548 |
564 |
614 |
675 |
689 |
725 |
736 |
761 |
795 |
810 |
856 |
|
820 |
100 |
137 |
175 |
213 |
250 |
267 |
326 |
365 |
402 |
475 |
550 |
562 |
618 |
631 |
687 |
754 |
769 |
807 |
820 |
845 |
885 |
897 |
950 |
|
920 |
104 |
145 |
190 |
234 |
276 |
293 |
360 |
404 |
445 |
528 |
610 |
625 |
690 |
705 |
772 |
852 |
869 |
920 |
932 |
965 |
1010 |
1030 |
1090 |
|
1020 |
140 |
183 |
225 |
270 |
314 |
332 |
404 |
445 |
488 |
573 |
659 |
677 |
745 |
763 |
830 |
914 |
932 |
982 |
1000 |
1030 |
1080 |
1100 |
1160 |
|
1220 |
194 |
240 |
285 |
330 |
375 |
394 |
467 |
515 |
559 |
650 |
743 |
760 |
840 |
860 |
935 |
1030 |
1050 |
1110 |
1130 |
1160 |
1220 |
1240 |
1310 |
|
1420 |
240 |
297 |
347 |
397 |
446 |
465 |
548 |
600 |
650 |
754 |
858 |
883 |
970 |
990 |
1080 |
1190 |
1220 |
1280 |
1310 |
1350 |
1420 |
1440 |
1530 |
|
1620 |
270 |
325 |
380 |
440 |
495 |
520 |
612 |
673 |
730 |
850 |
965 |
990 |
1080 |
1110 |
1200 |
1320 |
1340 |
1410 |
1440 |
1490 |
1560 |
1580 |
1680 |
|
1820 |
300 |
360 |
425 |
487 |
550 |
577 |
675 |
737 |
800 |
930 |
1050 |
1080 |
1180 |
1200 |
1310 |
1430 |
1450 |
1530 |
1550 |
1600 |
1680 |
1710 |
1800 |
|
2020 |
330 |
400 |
470 |
539 |
605 |
633 |
738 |
806 |
880 |
1020 |
1150 |
1180 |
1280 |
1310 |
1420 |
1550 |
1580 |
1660 |
1690 |
1740 |
1820 |
1850 |
1960 |
|
Плоская стенка* |
32 |
42 |
52 |
63 |
76 |
85 |
98 |
109 |
120 |
138 |
156 |
160 |
175 |
178 |
194 |
210 |
214 |
223 |
227 |
235 |
245 |
248 |
262 |
|
* Потери тепла для плоской стенки приведены в Вт/м2 |
|||||||||||||||||||||||
|
Нормы потерь тепла изолированными поверхностями на открытом воздухе с расчетной температурой воздуха tв = 5 °С |
|||||||||||||||||||||||
|
Наружный диаметр, мм |
Потери тепла (Вт/м) при температуре теплоносителя, °С |
||||||||||||||||||||||
|
50 |
75 |
100 |
125 |
150 |
160 |
200 |
225 |
250 |
300 |
350 |
360 |
400 |
410 |
450 |
500 |
510 |
540 |
550 |
570 |
600 |
610 |
650 |
|
|
10 |
11 |
16 |
23 |
28 |
33 |
35 |
45 |
50 |
55 |
66 |
76 |
79 |
89 |
91 |
100 |
110 |
111 |
118 |
120 |
124 |
130 |
132 |
140 |
|
20 |
13 |
21 |
27 |
34 |
40 |
43 |
53 |
60 |
67 |
81 |
93 |
96 |
107 |
110 |
120 |
133 |
136 |
144 |
146 |
151 |
159 |
161 |
172 |
|
32 |
16 |
23 |
31 |
38 |
46 |
50 |
62 |
70 |
78 |
92 |
109 |
112 |
125 |
128 |
140 |
155 |
158 |
167 |
170 |
176 |
185 |
190 |
200 |
|
48 |
20 |
30 |
38 |
46 |
55 |
59 |
73 |
82 |
91 |
109 |
126 |
130 |
144 |
148 |
162 |
179 |
183 |
193 |
197 |
204 |
215 |
218 |
231 |
|
57 |
21 |
32 |
42 |
51 |
60 |
64 |
78 |
88 |
97 |
116 |
135 |
138 |
154 |
156 |
172 |
191 |
195 |
206 |
210 |
217 |
228 |
232 |
246 |
|
76 |
24 |
34 |
45 |
56 |
67 |
70 |
87 |
98 |
109 |
129 |
151 |
155 |
172 |
176 |
193 |
215 |
219 |
231 |
235 |
244 |
257 |
260 |
277 |
|
89 |
27 |
40 |
51 |
62 |
73 |
77 |
94 |
106 |
117 |
139 |
161 |
166 |
183 |
187 |
206 |
229 |
233 |
247 |
251 |
260 |
273 |
278 |
296 |
|
108 |
30 |
43 |
54 |
68 |
80 |
84 |
103 |
115 |
127 |
151 |
175 |
180 |
200 |
204 |
223 |
247 |
252 |
266 |
272 |
280 |
295 |
300 |
318 |
|
133 |
36 |
50 |
64 |
77 |
90 |
95 |
115 |
124 |
141 |
168 |
194 |
199 |
220 |
225 |
246 |
273 |
277 |
294 |
299 |
309 |
325 |
330 |
350 |
|
159 |
40 |
52 |
65 |
83 |
98 |
103 |
125 |
140 |
154 |
182 |
212 |
218 |
240 |
245 |
269 |
300 |
304 |
320 |
326 |
338 |
355 |
361 |
385 |
|
194 |
46 |
63 |
78 |
94 |
110 |
115 |
141 |
157 |
172 |
203 |
234 |
241 |
265 |
270 |
297 |
328 |
335 |
355 |
360 |
374 |
392 |
400 |
424 |
|
219 |
52 |
69 |
85 |
102 |
119 |
125 |
150 |
167 |
183 |
216 |
250 |
257 |
283 |
289 |
316 |
350 |
356 |
377 |
383 |
363 |
417 |
424 |
450 |
|
273 |
57 |
76 |
93 |
111 |
130 |
136 |
165 |
183 |
202 |
238 |
274 |
281 |
310 |
313 |
347 |
383 |
390 |
413 |
420 |
435 |
457 |
465 |
494 |
|
325 |
65 |
85 |
105 |
125 |
146 |
154 |
185 |
205 |
226 |
266 |
305 |
313 |
345 |
353 |
385 |
425 |
434 |
458 |
466 |
482 |
507 |
514 |
547 |
|
377 |
70 |
94 |
115 |
137 |
159 |
166 |
200 |
223 |
245 |
289 |
333 |
341 |
378 |
385 |
422 |
467 |
475 |
503 |
511 |
530 |
557 |
565 |
600 |
|
426 |
77 |
102 |
125 |
149 |
172 |
181 |
219 |
243 |
267 |
314 |
362 |
372 |
409 |
420 |
460 |
508 |
518 |
541 |
556 |
575 |
604 |
615 |
653 |
|
478 |
90 |
115 |
140 |
165 |
190 |
200 |
241 |
266 |
291 |
341 |
391 |
400 |
440 |
450 |
491 |
543 |
552 |
583 |
592 |
613 |
643 |
653 |
693 |
|
530 |
95 |
122 |
150 |
178 |
205 |
216 |
260 |
287 |
315 |
370 |
424 |
435 |
478 |
489 |
531 |
585 |
596 |
627 |
638 |
660 |
691 |
702 |
744 |
|
630 |
108 |
140 |
170 |
203 |
233 |
246 |
296 |
332 |
357 |
419 |
481 |
494 |
543 |
555 |
605 |
666 |
678 |
714 |
726 |
750 |
787 |
799 |
848 |
|
720 |
121 |
155 |
188 |
222 |
257 |
270 |
323 |
357 |
390 |
457 |
523 |
536 |
589 |
602 |
655 |
720 |
733 |
772 |
785 |
811 |
850 |
863 |
913 |
|
820 |
143 |
182 |
220 |
257 |
296 |
310 |
372 |
417 |
447 |
522 |
597 |
611 |
670 |
682 |
744 |
817 |
832 |
875 |
890 |
918 |
962 |
976 |
1030 |
|
920 |
165 |
205 |
246 |
290 |
332 |
348 |
415 |
466 |
500 |
585 |
671 |
688 |
756 |
775 |
842 |
926 |
943 |
995 |
1010 |
1040 |
1090 |
1110 |
1170 |
|
1020 |
190 |
238 |
282 |
330 |
375 |
393 |
467 |
524 |
561 |
655 |
750 |
767 |
841 |
860 |
936 |
1030 |
1050 |
1110 |
1110 |
1160 |
1220 |
1240 |
1310 |
|
1220 |
216 |
272 |
325 |
382 |
434 |
455 |
542 |
595 |
652 |
761 |
871 |
894 |
983 |
1000 |
1080 |
1190 |
1210 |
1270 |
1290 |
1330 |
1390 |
1410 |
1490 |
|
1420 |
234 |
292 |
351 |
410 |
467 |
490 |
584 |
643 |
701 |
816 |
931 |
954 |
1050 |
1070 |
1150 |
1270 |
1290 |
1360 |
1380 |
1420 |
1490 |
1510 |
1600 |
|
1620 |
273 |
335 |
395 |
455 |
517 |
540 |
638 |
695 |
757 |
877 |
995 |
1020 |
1110 |
1130 |
1230 |
1340 |
1360 |
1440 |
1460 |
1500 |
1570 |
1590 |
1680 |
|
1820 |
313 |
377 |
444 |
508 |
574 |
598 |
702 |
766 |
831 |
958 |
1080 |
1110 |
1200 |
1230 |
1330 |
1450 |
1417 |
1540 |
1570 |
1610 |
1680 |
1710 |
1810 |
|
2020 |
331 |
400 |
474 |
543 |
613 |
640 |
751 |
824 |
891 |
1030 |
1170 |
1200 |
1300 |
1330 |
1440 |
1570 |
1600 |
1680 |
1710 |
1760 |
1850 |
1880 |
1980 |
|
Плоская стенка* |
38 |
49 |
58 |
69 |
80 |
83 |
100 |
110 |
120 |
138 |
157 |
160 |
175 |
178 |
192 |
209 |
213 |
223 |
227 |
233 |
243 |
247 |
260 |
|
* Потери тепла для плоской стенки приведены в Вт/м2 |
|||||||||||||||||||||||
1.1 Поверхностью нагрева стационарного котла в соответствии с ГОСТ 23172-78 называется элемент котла, необходимый для передачи теплоты рабочей среде или воздуху.
1.2 Материалы, из которых изготовлены поверхности нагрева, выбраны с учетом параметров внутренней и внешней сред, в зависимости от условий их работы.
1.3 Трубы поверхностей нагрева, трубопроводов и коллекторов работают в тяжёлых условиях. К их качеству предъявляются высокие требования, так как от этого в значительной степени зависит надёжность работы котла.
1.4 Обследование поверхностей нагрева выполняется организацией, имеющей лицензированных специалистов в области тепловидения. Основанием для привлечения специализированной организации являются ПТЭ электрических станций и сетей Российской федерации, РФ 34.20.501-95, изд. 1996 года (П4.3.23) и местная инструкция, регламентирующая график периодичности очистки поверхностей нагрева.
1.5 Основное внимание при обследовании уделяется, как визуальному осмотру поверхностей нагрева на предмет выявления видимых нарушений, так и тепловизионной съёмке, осуществляемой в зонах прямой видимости труб поверхностей нагрева котла.
2.1 Определяются порядок и начальная точка осмотра и съемки труб поверхностей нагрева.
2.2 Выбирается способ маркировки забракованных участков труб (мел, уголёк и т.п.).
2.3 Изучаются (если проводились) предыдущие обследования поверхностей нагрева и периодичность их очистки.
2.4 Выбор тепловизора определяется компактностью и сравнительно невысокими требованиями по его разрешающей способности. Например можно порекомендовать тепловизор на пировидиконе с чувствительностью 1 °С, что существенно скажется на снижении стоимости данной работы ввиду использования недорогой модели тепловизионной камеры.
2.5 Использование пирометра, крайне затруднит выполнение работы из-за неоправданного увеличения времени осмотра. Чтобы уменьшить потери по времени рекомендуется, в крайнем случае, использовать пирометр с лазерным целеуказателем.
3.1 Визуальный осмотр совмещается с тепловизионной съёмкой труб поверхностей нагрева котла на участках их прямой видимости, (желательна, но необязательна запись термографической картинки на видеомагнитофон или дискету для последующего создания архивной базы), на выведенном из работы котле.
3.2 Тепловизионный контроль забитости труб паровых и водогрейных котлов проводится как на стадии завершения капитального или среднего ремонта, так и до него.
3.3 Для проведения тепловизионного обследования обеспечивается подача тёплой воды (40 - 60 °С) через поверхности нагрева котла.
3.4 В процессе термографии маркируются (отмечаются) участки забитых труб и помечаются дефекты, выявленные при визуальном осмотре (рекомендуется запись на видеокамеру с привязкой к месту дефекта).
3.5 Осмотр производится с участием ответственного представителя электростанции для пояснений и фиксации выявленных дефектов.
3.6 Результаты осмотра оформляются совместным актом, в котором перечисляются обнаруженные дефекты и при срочной необходимости, определяются мероприятия по их устранению.
3.7 При проведении тепловизионного и визуального обследования труб поверхностей нагрева котла необходимо строго выполнять правила техники безопасности.
4.1 После проведения осмотра и сбора различной информации производится анализ всех полученных материалов, выявление возможных причин повреждений и оценка их влияния на состояние труб поверхностей нагрева.
4.2 При визуальном осмотре выявляются следующие группы дефектов:
- дефекты производства труб металлургического происхождения (плёны, закаты, трещины и т.п.);
- дефекты термической обработки (коррозия, окалинообразования и т.д.);
- технологические дефекты, возникающие при изготовлении, монтаже и ремонте котла (гофры на гнутых участках труб, утонение стенок, вмятины, задиры и т.д.);
- наружные загрязнения поверхностей нагрева (сажа, шлакозоловые отложения и т.п.).
4.3 Забитость или частичная проходимость труб поверхностей нагрева определяется при помощи тепловизора, который даёт термограмму рис. № 3-1, где тёмный и серый цвет (холодный) соответствует непроходимости трубок, соответственно белый (горячий) указывает на нормальное состояние данного участка поверхности нагрева. Забитость трубок определяется следующими внутренними «загрязнениями»:
- послемонтажная загрязнённость поверхности котла из-за отложения на ней оксидов железа;
Рис. 3.1 Термограмма труб поверхностей нагрева котла.
- загрязнённость сварочным гратом, песком, землёй и другими посторонними предметами;
- эксплуатационная загрязнённость внутренней поверхности котла из-за отложений в виде кальциевых соединений и оксидов железа.
4.4 Тепловизионный контроль труб поверхностей нагрева котла не даёт однозначного толкования характера внутренних отложений (необходимы последующие лабораторные исследования), но позволяет получить общую картину состояния поверхностей нагрева котла в зонах возможного визуального осмотра.
4.5 Для устранения обнаруженных дефектов и дальнейшего исключения (замедления) их развития рекомендуется поддержка оптимальных режимов работы котла и применение механизированных систем комплексной очистки (паровые, воздушные или водяные аппараты, устройства импульсной очистки, виброочистки, дробеочистки и др.). Предназначенные для этого устройства, а также средства дистанционного и автоматического управления ими должны быть в постоянной готовности к действию.
4.6 Тепловизионный контроль труб поверхностей нагрева котла рекомендуется проводить всякий раз, когда котёл выводиться из работы, ввиду небольших экономических затрат и важности данного метода, что позволяет получить достоверную информацию на текущий момент времени с накоплением и использованием её в последующих ремонтных работах и эксплуатационных режимах.
1.1 Обследование дымовой трубы производится с целью изучения ее состояния в процессе эксплуатации. Определяется необходимость проведения ремонта и его объем, необходимость осуществления реконструкции, с целью устранения или предотвращения процессов, оказывающих вредное влияние на несущую способность и долговечность трубы.
1.2 Обследование дымовой трубы выполняется организацией, имеющей лицензированных специалистов в области тепловидения. Основанием для привлечения специализированной организации, являются ПТЭ электрических станций и сетей Российской Федерации, РФ 34.20.501-95, изд. 1996 года, (п. 2.2.6. «Дымовые трубы электростанций и газоходы должны подвергаться наружному осмотру один раз в год - весной. Внутреннее обследование дымовых труб должно производиться через 5 лет после их ввода в эксплуатацию, а в дальнейшем по мере необходимости, но не реже 1 раза в 15 лет. Внутреннее обследование труб с кирпичной и монолитной футеровкой, может быть заменено тепловизионным, с частотой обследования не реже 1 раза в 5 лет, («Инструкция по эксплуатации железобетонных дымовых труб и газоходов на тепловых электростанциях» и «Инструкция по эксплуатации металлических дымовых труб на тепловых электростанциях» - обе СЦНТИ ОРГРЭС, 1970).
1.3 Основное внимание при обследовании уделяется, как визуальному осмотру состояния трубы с земли с помощью бинокля, так и тепловизионной съемке, осуществляемой как минимум с трех точек (Рис. 4.1) по всей высоте трубы и по всему периметру с последующей записью на видеомагнитофон (либо другой носитель информации) с последующей обработкой результатов термографирования на компьютере.
2.1 Определение наиболее удобных точек съемки и осмотра дымовой трубы.
2.2 Перед выполнением работы необходимо провести ознакомление с технической документацией (паспортом) дымовой трубы.
2.5 Изучаются предыдущие обследования дымовой трубы и сведения о проведенных ремонтах.
2.3 Съемка и осмотр дымовой трубы должны проводиться в пасмурный день (либо в ночное время), максимально исключая, влияние солнечной радиации.
3.1 Обследование дымовой трубы производится для выявления дефектов, появившихся при возведении трубы и ее эксплуатации. При этом определяются характер и размеры дефектов, анализируются причины их возникновения, а также устанавливаются (ориентировочно) время их появления и возможность дальнейшего развития. При обследовании дымовой трубы одновременно производится осмотр подсоединенных к ней газоходов.
3.2 Перед обследованием дымовой трубы необходимо ознакомиться с имеющейся на нее документацией:
3.2.1 с проектом трубы для ознакомления с ее общей конструкцией и отдельными элементами, примененными материалами;
3.2.2 с документацией по строительству трубы - для ознакомления с изменениями, внесенными в проект во время строительства, условиями строительства, периодом возведения «зима, лето» и другими особенностями;
3.2.3 с условиями эксплуатации трубы для оценки влияния эксплуатационных факторов на развитие дефектов.
3.3. При обследовании дымовой трубы производится запись термографической картинки на видеомагнитофон или дискеты для последующего анализа изображения.
3.4. Основное внимание при обследовании трубы уделяется ее несущим конструкциям: фундаменту или опорной части, стволу, футеровке, растяжкам и анкерным устройствам и т.д., а также повреждениям, обнаруженным при ранее проведенных осмотрах.
3.5. Осмотр наружной поверхности вначале производится с помощью бинокля для установления крупных дефектов.
3.6. При осмотре наружной поверхности железобетонной трубы выявляются: места открытой арматуры и места с прогибами вертикальной арматуры, вертикальные и горизонтальные трещины, выпученные места в защитном слое бетона, отслоения и сколы бетона, отслоения крупного заполнителя или арматуры от цементного камня, наличие крупнопористого бетона, места течей и другие дефекты. При этом внимательно осматриваются швы бетонирования и сохранность маркировочной окраски поверхности.
3.7. При осмотре поверхности металлической дымовой трубы устанавливаются места повреждений вследствие дефектов конструкции, некачественного монтажа, обширной коррозии с наружной стороны.
3.8. При осмотре наружной поверхности кирпичной дымовой трубы выявляются трещины, места разрушения кладки от попеременного замораживания и оттаивания или выкрашивания кирпича и прочие дефекты.
3.9. Осмотры дымовой трубы производятся с участием ответственного представителя электростанции для пояснений и фиксации выявленных дефектов.
3.10. Тепловизионная съёмка дымовой трубы проводится с расстояния 80 - 100 метров с применением объектива 7 градусов по кадрам, с последующим их монтажом при компьютерной обработке. Увеличение расстояния при съёмке трубы, а так же неблагоприятные погодные условия приводят к искажению температурного поля и как следствие к невозможности качественного определения температурных аномалий на поверхности трубы. На Рис. 4.1 приведена схема расположения оператора при съемке.
3.11. Результаты осмотра трубы оформляются совместным актом, в котором перечисляются обнаруженные дефекты и, при срочной необходимости, определяются мероприятия по их устранению с указанием сроков.
3.12. При проведении обследования необходимо строго выполнять правила техники безопасности.
4.1. Тепловизионная съемка дымовой трубы тепловизором (предпочтительно 8 - 12 μм) с разрешающей способностью не менее 0,1 °С.
4.2. Обработка результатов термографирования осуществляется на компьютере, по специальной программе с определением реального температурного поля по всей поверхности трубы и выявления аномальных температурных зон.
4.3. Распечатка термограмм выполняется на цветном принтере в цвете, либо в серых полутонах, где каждому цвету или оттенку соответствует своя температура.
Отдельные термограммы монтируются между собой так, чтобы получить общую термограмму по высоте трубы, (Рис. 4.2).
Для оценки состояния дымовой трубы проводятся теплотехнические расчеты, позволяющие оценить аномалии, выявленные при инфракрасном контроле. При этом конечная цель расчетов сводится к определению температур на наружной поверхности ствола трубы, исходя из предположения соответствия конструкции дымовой трубы проектной, сравнение их с температурой аномальных участков (обнаруженных с помощью тепловизора) и определение возможных причин этого несоответствия. Применительно к дымовым трубам, искомая температура наружной поверхности определяется по формуле:
![]()
где
tп - температура i-го слоя стенки, °С;
tг - температура уходящих дымовых газов, °С;
t0 - температура наружного воздуха, °С;
Rн - термическое сопротивление теплоотдаче со стороны окружающего воздуха, м2 · °С/Вт;
R0 - суммарное термическое сопротивление, м2 · °С/Вт;
![]()
где
αн - коэффициент теплоотдачи от наружной поверхности к окружающему воздуху, Вт/(м2 · °С);
αн = 6,3(кV0)0,66,
где
кV0 - скорость ветра на уровне соответствующей отметки с учетом высоты, м/с;
R0 = Rг + ΣR + Rн,
Rг - сопротивление теплоотдаче от дымовых газов к футеровке, м2 · °С/Вт;
![]()
где
αг - коэффициент теплоотдачи от дымовых газов к футеровке, зависящей от скорости дымовых газов, их состава и других факторов, Вт/(м2 · °С);
ΣR - общее термическое сопротивление всех конструктивных слоев дымовой трубы, м2 · °С/Вт;
![]()
где
λ - коэффициент теплопроводности конструктивного слоя, Вт/(м2 · °С);
δ - толщина конструктивного слоя, м.
5.1. После проведения осмотров, сбора различных сведений, выполнения необходимых измерений и расчетов производится анализ всех полученных материалов, выявление причин повреждений, оценка их влияния на состояние трубы, ее несущую способность и долговечность.
5.2. В отчете излагаются результаты обследования, даются выводы о состоянии трубы, причинах появления дефектов и повреждений, даются рекомендации по улучшению состояния трубы и обеспечению ее долговечности, приводятся мероприятия по наблюдению за ее состоянием и улучшению эксплуатации.
5.3. При анализе характера температурной аномалии на поверхности трубы, полученной при инфракрасной съемке и по материалам визуального осмотра, используется информация, приведенная в Таблицах 4.1 и 4.2.
5.4. Не рекомендуется проводить тепловизионный контроль дымовых труб с вентзазором ввиду сглаженного температурного распределения по поверхности трубы.
5.5. Тепловизионный контроль дымовых труб не дает однозначного толкования скрытых дефектов как внутренний осмотр трубы, но благодаря своей простоте и оперативности экономически целесообразен.
5.6. Тепловизионный контроль дымовых труб позволяет при наличии дефекта прогнозировать его развитие и своевременно определить сроки внутреннего осмотра трубы.
5.7. В целях накопления определенного статистического материала, инфракрасный контроль состояния дымовых труб рекомендуется проводить ежегодно со снятием термограмм.
Характеристика дефектов ствола железобетонной трубы.
|
Характеристика |
Вид теплового поля на экране тепловизора, (труба под разряжением) |
Вид теплового поля на экране тепловизора, (труба под избыточным давлением) |
Визуальная картина |
|
|
1 |
2 |
3 |
4 |
5 |
|
Подтеки конденсата |
следы фильтрации влаги |
темный участок |
темный участок |
следы конденсата |
|
Дефектный шов |
шов бетонирования с наличием крупнопорист, бетона и раковин |
горизонтальная темная линия |
горизонтальная светлая линия |
следы разрушения бетона |
|
Разрушающийся шов |
шов бетонирования с признаками разрушения бетона, образованием каверн |
горизонтальная темная линия |
горизонтальная светлая линия |
следы разрушения бетона |
|
Обнаженная не прогнутая арматура |
выход арматуры на поверхность |
неоднородное температурное поле |
неоднородное температурное поле |
вид арматуры оценка количества вертикальных и горизонтальная стержней |
|
Обнаженная прогнутая арматура |
выход арматуры на поверхность при деформации ствола |
неоднородное темное температурное поле |
неоднородное светлое температурное поле |
вид арматуры оценка количества вертикальных и горизонтальных стержней и их изогнутости |
|
Шелушение |
незначительное поверхностное разрушение бетона |
небольшое изменение температурного поля в темную область |
небольшое изменение температурного поля в светлую область |
наличие отслаивания, каверн |
|
Разрушение защитного слоя бетона |
поверхностное разрушение бетона без обнажения арматуры |
изменение температурного поля в темную область |
изменение температурного поля в светлую область |
нарушение защитного слоя |
|
Отслаивание защитного слоя бетона |
поверхностное разрушение или скол бетона с обнажением арматуры |
темный участок |
светлый участок |
оценка количества вертикальных и горизонтальных стержней |
|
Сквозное разрушение |
разрушение стенки ствола трубы на всю толщину |
темная линия |
светлая линия |
оценка величины разрушения |
|
Трещина |
трещина на поверхности стенки |
темная линия |
светлая линия |
оценка ширины раскрытия трещины |
|
Волосяные трещины |
трещины волосяные с небольшим раскрытием |
небольшие изменения температурного поля в темную область |
небольшие изменения температурного поля в светлую область |
оценка величины области покрытой волосяными трещинами |
|
Глубокое разрушение несущего ствола |
разрушение стенки ствола, проникшее за расположение арматуры |
в зависимости от глубины разрушения: темный, либо светлый участок |
в зависимости от глубины разрушения - темный, либо светлый участок |
оценка величины разрушения и количества деформированных вертикальных, и горизонтальных стержней |
|
Пониженное сопротивление газопроницанию футеровки |
дефект строительства |
темный участок |
темный участок |
не наблюдается |
|
Отсутствие теплоизоляции в прослойке между стволом и футеровкой |
дефект строительства |
светлый участок |
светлый участок |
не наблюдается |
|
Зольные отложения |
- |
темный участок |
- |
- |
Характеристики дефектов ствола металлической дымовой трубы.
|
Характеристика |
Вид теплового поля на экране тепловизора, труба под разряжением |
Вид теплового поля на экране тепловизора, труба под избыточным давлением |
Визуальная картина |
|
|
1 |
2 |
3 |
4 |
5 |
|
Сквозные разрушения |
разрушение стенки ствола от коррозии на всю толщину |
темная линия |
светлая линия |
оценка величины разрушения |
|
Разрушающийся шов |
сварной шов, разрушающийся от коррозии |
изменение температурного поля в темную область |
изменение температурного поля в светлую область |
оценка величины и площади коррозии |
|
Точечная коррозия |
область точечной коррозии на поверхности ствола |
пятнистое изменение температурного поля |
пятнистое изменение температурного поля |
оценка области коррозии |
|
Коррозия сплошная |
область сплошной коррозии |
изменение температурного поля в данной области |
изменение температурного поля в данной области |
оценка величины области коррозии |
Рис. 4.1 Схема тепловизионной съемки дымовой трубы.
Рис. 4.2 Фрагмент верхней части железобетонной дымовой трубы. Н = 180 м.
I. Метод контроля состояния подземных тепловых сетей основан на дистанционном измерении полей температур на поверхности грунта над теплотрассой, и сравнении, измеренных температур, с расчетными, полученными методом математического моделирования, нарушений теплового режима сетей и дефектов.
II. Для измерения поверхностных температур грунта используются тепловизионные системы, регистрирующие тепловое излучение в длинноволновом диапазоне (8 - 12 μм). Результаты контроля предоставляются в виде цветных термограмм (Приложение 5 Рис. 5.8 - 5.11), и графиков распределения температур над поверхностью теплотрассы, полученные методом математического моделирования.
1. Подготовка к измерениям должна начинаться с изучения участка тепловой сети: типа прокладки, конструкции изоляции, ее состояния и т.д. При этом используются паспортные данные, исполнительные чертежи, отчетность теплосети, осмотр участка с вскрытием тепловых камер и т.п. Результаты могут быть представлены в форме Таблицы 5.5.
2. Измерения поверхностных температур грунта производят при перепаде температур между наружным воздухом и водой в тепловой сети, превышающим минимально допустимый перепад, определяемый по формуле:
(1)
где:
θ - температурная чувствительность тепловизора, °С;
R - проектное сопротивление теплопередачи, м2 · °C/Вт;
α - коэффициент теплоотдачи на поверхности грунта, м2 · °C/Вт, принимается по формуле:
![]()
где
v - скорость ветра, м/с;
β - коэффициент, принимаемый для грунта равным 1,2 для асфальта 1,4;
- относительное сопротивление теплопередаче подлежащего выявлению
дефектного участка, принимаемое равным отношению значения, требуемого
нормативно-технической документацией, к проектному значению сопротивления
теплопередаче, но не более 0,85.
3. Измерения поверхностных температур грунта производят при режиме теплопередачи близком к стационарному. Отклонение фактического режима от стационарного оценивается согласно расчетам, приведенным в Приложении 5.
4. Измерения производятся при отсутствии атмосферных осадков, тумана, задымленности. Обследуемая поверхность не должна находиться в зоне прямого или отраженного солнечного облучения. Учитывая изменения радиационного баланса Земли, измерение поверхностных температур грунта лучше всего производить за 2 - 3 часа до восхода Солнца.
5. Обследуемая поверхность грунта не должна иметь резких локальных изменений, следов травяного покрова, воды.
6. При проведении измерений приборы устанавливают так, чтобы поверхность грунта находилась в прямой видимости под углом зрения не менее 60°.
7. При проведении измерений поверхностных температур грунта над теплотрассой необходимо учитывать влияние на температурное поле прокладки соседних инженерных сетей, отапливаемых подвалов зданий, тепловых камер и др.
1. Тепловизионные измерения поверхностных температур грунта над теплотрассой производятся в соответствии с инструкциями по эксплуатации этих приборов.
2. При проведении тепловизионных и пирометрических измерений поверхностных температур грунта производятся также измерения температур воды в тепловой сети и параметров окружающей среды.
3. Результаты измерений заносятся в журнал записи измерений по форме, приведенной в Таблице 5.6.
4. Сопротивление теплопередаче базового участка тепловой сети определяется по данным натурных измерений или согласно нормативно-технической документации по проекту участка сети.
1. Обработка результатов заключается в сравнении измеренной максимальной температуры поверхности грунта над теплотрассой с расчетной максимальной температурой поверхности грунта для данного участка.
2. Максимальная расчетная температура поверхности грунта над теплотрассой для данного участка сети определяется по данным натурных измерений или согласно нормативно-технической документации по проекту участка сети.
3. Расчет максимальной температуры поверхности грунта может производиться нормативным методом с использованием персональных компьютеров или упрощенным методом.
4. Данные обработки результатов могут быть представлены в форме, см. Таблицу 5.7.
Обозначения.
|
Физическая величина |
Обозначения в расчете |
Единица измерения |
|
|
1 |
Коэффициент теплоотдачи от поверхности грунта к воздуху |
α |
Вт/(м2 · К) |
|
2 |
Коэффициент теплоотдачи от наружной поверхности тепловой изоляции к воздуху в канале поверхности грунта к воздуху |
αн |
Вт/(м2 · К) |
|
3 |
Коэффициент теплоотдачи от воздуха к внутренней поверхности канала |
αк |
Вт/(м2 · К) |
|
4 |
Коэффициент
теплопроводности тепловой изоляции, где |
λиз
= а + b |
Вт/(м · К) |
|
5 |
Коэффициент |
«а» |
- |
|
6 |
Коэффициент |
«b» |
- |
|
7 |
Коэффициент теплопроводности грунта |
λгр |
Вт/(м · К) |
|
8 |
Коэффициент теплопроводности стен канала |
- |
|
|
9 |
Коэффициент теплопроводности покровного слоя теплоизоляционной конструкции |
- |
|
|
10 |
Толщина теплоизоляционного слоя подающего теплопровода |
δиз |
м |
|
11 |
Толщина теплоизоляционного слоя обратного теплопровода |
- |
м |
|
12 |
Толщина покровного слоя теплоизоляционной конструкции |
- |
м |
|
13 |
Толщина стен канала |
- |
м |
|
14 |
Глубина заложения оси теплопровода |
- |
м |
|
15 |
Ширина канала канального теплопровода |
- |
м |
|
16 |
Высота канала, расстояние между осями труб |
b, b' |
м |
|
17 |
Наружный диаметр труб |
dн |
м |
|
18 |
Температура теплоносителя в подающем теплопроводе |
τ1 |
°С |
|
19 |
То же, в обратном теплопроводе |
τ2 |
°С |
|
20 |
Температура наружного воздуха |
t0 |
°С |
|
21 |
Температура воздуха в канале |
tk |
°С |
|
22 |
Температура поверхности грунта над теплопроводом |
tn |
°С |
|
23 |
Суммарные тепловые потери |
- |
Вт/м |
|
24 |
Теплопотери подающего теплопровода |
- |
Вт/м |
|
25 |
Теплопотери обратного теплопровода |
- |
Вт/м |
|
26 |
Коэффициент формы |
к |
- |
|
27 |
Эквивалентный диаметр канала канального теплопровода |
dэ |
- |
|
28 |
Зона действия теплопровода |
- |
- |
|
29 |
Форма вывода результатов расчета |
- |
- |
|
30 |
Точность расчетов |
- |
- |
|
31 |
Число отрезков зоны действия теплопровода |
- |
- |
|
32 |
Локальные тепловые потери |
- |
Вт/м |
|
34 |
Текущая координата х |
- |
- |
|
35 |
Разность температур поверхности грунта и наружного воздуха |
- |
- |
Основные расчетные зависимости.
Термическое сопротивление основного слоя теплоизоляционной конструкции подающего теплопровода:
Rи1 = (1/2pλи1)Ln(dи1/dн1).
Термическое сопротивление защитного покрытия теплоизоляционной конструкции подающего теплопровода:
Rn1 = (1/2pλn)Ln(dn1/dи1).
Термическое сопротивление поверхности теплоизоляционной конструкции подающего теплопровода:
Rн1 = 1/(pdn1α).
Термическое сопротивление основного слоя теплоизоляционной конструкции обратного теплопровода:
Rи2 = (1/2pλи2)Ln(αи2/αн2).
Термическое сопротивление защитного покрытия теплоизоляционной конструкции обратного теплопровода:
Rп2 = (1/2pλп)Ln(αп2/αи2).
Термическое сопротивление поверхности теплоизоляционной конструкции обратного теплопровода:
Rн2 = 1/(pdn2α).
Термическое сопротивление внутренней поверхности канала:
Rпк = 1/(pdэвα).
Термическое сопротивление стен канала:
Rк = (1/2pλк)Ln(dэн/dэв).
Термическое сопротивление грунта:
![]()
Суммарное термическое сопротивление теплоизоляционных конструкций подающего и обратного теплопроводов:
R1 = Rи1 + Rп1 + Rн1; R2 = Rи2 + Rп2 + Rн2.
Температура воздуха в канале:

где Rк0 = Rпк + Rк + Rг
Тепловые потери подающего и обратного теплопроводов:
q1 = (τ1 - tк)/R1; q2 = (τ2 - tк)/R2.
Температура в любой точке с координатами «x», «y» рассчитывается по формуле:

Основные расчетные зависимости.
Термическое сопротивление основного слоя теплоизоляционной конструкции подающего теплопровода:
Rи1 = (1/2pλи1)ln(dи1/dн1).
Термическое сопротивление защитного покрытия теплоизоляционной конструкции подающего теплопровода:
Rn1 = (1/2pλn)ln(dn1/dи1).
Термическое сопротивление основного слоя теплоизоляционной конструкции обратного теплопровода:
Rи2 = (1/2pλи2)ln(dи2/dп2).
Термическое сопротивление защитного покрытия теплоизоляционной конструкции обратного теплопровода:
Rn2 = (1/2pλn)ln(dn2/dи2).
Термическое сопротивление грунта:
![]()
Фактор термического сопротивления взаимного влияния теплопроводов:

Суммарное термическое сопротивление подающего и обратного теплопроводов:
R1 = Rи1 + Rп1 + Rг; R2 = Rи2 + Rп2 + Rг.
Тепловые потери подающего и обратного теплопроводов.
![]()
![]()
Температура в любой точке температурного поля с коэффициентами х, у определяется:

Максимальная температура поверхности грунта над канальным теплопроводом, tn, °С, определяется по формуле:
![]()
где:
tк - температура воздуха в канале, °С, определяется по графикам, Рис. 5.2, 5.3 с учетом поправочных коэффициентов. Таблицы 5.3;
Bi - критерий Био, определяется по формуле Bi = αh1/λгр,
где α - коэффициент теплоотдачи на поверхности грунта, Вт/(м2 · °С), определяется по формуле:
в которой v - скорость
ветра над поверхностью грунта м/с;
β - коэффициент, принимаемый для грунта 1,2, для асфальта 1,4;
h1 - расстояние от поверхности грунта до внутренней поверхности перекрытия канала;
λгр - коэффициент теплопроводности грунта, Вт/(м · °С), принимаемый по Таблице 5.8 в зависимости от характеристики грунта;
t0 - температура наружного воздуха, °С
Расчетная схема канального теплопровода
Упрощенный метод расчета
Геометрические характеристики двухтрубного канального теплопровода
|
Наружный диаметр, dн, м |
Внутренние размеры канала |
Эквивалентный диаметр канала, м
|
а/b |
Величина отношения глубины заложения оси теплопровода к высоте канала, h/b, при h равной, м |
||||
|
ширина, а, м |
высота, b, м |
1,5 |
1,8 |
2,0 |
2,5 |
|||
|
0,159 |
0,90 |
0,45 |
0,96 |
2,0 |
3,30 |
4,00 |
4,45 |
5,60 |
|
0,219 |
1,20 |
0,60 |
1,15 |
2,0 |
2,50 |
3,00 |
3,30 |
4,20 |
|
0,273 |
1,20 |
0,60 |
1,15 |
2,0 |
2,50 |
3,00 |
3,30 |
4,20 |
|
0,325 |
1,50 |
0,90 |
1,53 |
1,7 |
1,70 |
2,00 |
2,20 |
2,80 |
|
0,426 |
1,50 |
0,90 |
1,53 |
1,7 |
1,70 |
2,00 |
2,20 |
2,80 |
|
0,530 |
2,10 |
0,90 |
1,91 |
2,3 |
1,70 |
2,00 |
2,20 |
2,80 |
|
0,720 |
2,10 |
1,20 |
2,10 |
1,7 |
1,25 |
1,50 |
1,80 |
2,10 |
|
0,820 |
3,00 |
1,20 |
2,67 |
2,5 |
1,25 |
1,50 |
1,70 |
2,10 |
|
1,020 |
3,60 |
1,80 |
3,42 |
2,0 |
0,80 |
1,00 |
1,15 |
1,40 |
Поправочные коэффициенты к значениям tк в зависимости от средних температур окружающей среды
|
Наружный диаметр, dн, м |
Коэффициенты к значениям tк в зависимости от средних температур окружающей среды, t0 |
||
|
t0 = 0 °С |
t0 = 5 °С |
t0 = 10 °С |
|
|
0,032 - 0,089 |
0,83 |
1,0 |
1,20 |
|
1,108 - 0,159 |
0,87 |
1,0 |
1,15 |
|
0,219 - 0,325 |
0,91 |
1,0 |
1,10 |
|
0,426 - 0,530 |
0,95 |
1,0 |
1,05 |
|
0,720 - 1,020 |
0,97 |
1,0 |
1,03 |
Расчетные значения температур воздуха в канале tк, °С для двухтрубного теплопровода в зависимости от диаметра dн, м и температур теплоносителя τ1 и τ2 при температуре окружающей среды t0 = 5 °С, глубине заложения оси теплопровода h = 1,8 м, теплоизоляционной конструкции из минераловатных изделий толщиной δиз = 0,06 м и λгр = 1,5 Вт/(м · К)
1 - τ1 = 100 °С, τ2 = 50 °С
2 - τ1 = 80 °С, τ2 = 40 °С
3 - τ1 = 50 °С, τ2 = 30 °С
Расчетные значения температур воздуха в канале tк, °С для двухтрубного теплопровода в зависимости от диаметра dн, м и температур теплоносителя τ1 и τ2 при температуре окружающей среды t0 = 5 °С, глубине заложения оси теплопровода h = 1,8 м, коэффициенте теплопроводности грунта λгр = 1,5 Вт/(м · К) и отсутствии (разрушении) теплоизоляции на обоих теплопроводах
1 - τ1 = 100 °С, τ2 = 50 °С
2 - τ1 = 80 °С, τ2 = 40 °С
3 - τ1 = 50 °С, τ2 = 30 °С
Рис. 5.3
Максимальная температура поверхности грунта над бесканальным теплопроводом, tn, °С, определяется по формуле:
![]()
где:
tиз - температура наружной поверхности, °С, тепловой изоляции диаметром dn = dm + 2δиз, м, принимается, с учетом данных Таблицы 5.4, по графикам Рис. 5.5, 5.6, 5.7 в зависимости от материала теплоизоляционной конструкции;
Bi - критерий Био, определяется по формуле Bi = αh1/λгр,
где α - коэффициент теплоотдачи на поверхности грунта, Вт/(м2 · °С), определяется по формуле:
, в которой v
- скорость ветра над поверхностью грунта м/с;
β - коэффициент, принимаемый для грунта 1,2, для асфальта 1,4;
h1 - расстояние от поверхности грунта до наружной поверхности тепловой изоляции диаметром dn = dт + 2δиз, м;
λгр - коэффициент теплопроводности грунта, Вт/(м · °С), принимаемый по Таблице 5.8 в зависимости от характеристики грунта;
t0 - температура наружного воздуха, °С.
Расчетная схема бесканального теплопровода
Упрощенный метод расчета
Геометрические характеристики двухтрубного бесканального теплопровода
|
Наружный диаметр, dн, м |
Коэффициент формы, K |
Эквивалентный диаметр dт, dт = Kdн |
Диаметр наружной поверхности тепловой изоляции, dн = dт + 2δиз, м при толщине тепловой изоляции, δиз, м |
|||
|
0,04 |
0,06 |
0,08 |
0,10 |
|||
|
0,108 |
1,8 |
0,194 |
0,274 |
0,314 |
0,354 |
0,394 |
|
0,219 |
1,6 |
0,350 |
0,430 |
0,470 |
0,510 |
0,550 |
|
0,325 |
1,6 |
0,520 |
0,600 |
0,640 |
0,680 |
0,720 |
|
0,426 |
1,35 |
0,575 |
0,655 |
0,695 |
0,735 |
0,775 |
|
0,530 |
1,35 |
0,715 |
0,795 |
0,835 |
0,875 |
0,915 |
Расчетные значения температур наружной поверхности тепловой изоляции tиз диаметром dп = dт + 2δиз, м в зависимости от диаметра dн, м двухтрубного бесканального теплопровода и температуры теплоносителя в подающем трубопроводе τ1 при температуре окружающей среды t0 = 5 °С, глубине заложения оси теплопровода h = 1,5 м, теплоизоляционной конструкции из минераловатных изделий δиз = 0,06 м и λгр = 1,5 Вт/(м · К)
1 - τ1 = 100 °С
2 - τ1 = 80 °С
3 - τ1 = 50 °С
Рис. 5.5
Расчетные значения температур наружной поверхности тепловой изоляции tиз, °С, диаметром dп = dт + 2δиз, м в зависимости от диаметра dн, м двухтрубного бесканального теплопровода и температуры теплоносителя в подающем трубопроводе при температуре окружающей среды t0 = 5 °С, глубине заложения оси теплопровода h = 1,5 м теплоизоляционной конструкции из армопенобетона и λгр = 1,75 Вт/(м · К)
1 - τ1 = 100 °С
2 - τ1 = 80 °С
3 - τ1 = 50 °С
Рис. 5.6
Расчетные значения температур наружной поверхности тепловой изоляции tиз, °С, диаметром dп = dт + 2δиз, м в зависимости от диаметра dн, м двухтрубного бесканального теплопровода и температуры теплоносителя в подающем трубопроводе τ1 при температуре окружающей среды t0 = 5 °С, глубине заложения оси теплопровода h = 1,5 м, теплоизоляционной конструкции из фенольного поропласта δиз = 0,08 м и λгр = 1,75 Вт/(м · К)
1 - τ1 = 100 °С
2 - τ1 = 80 °С
3 - τ1 = 50 °С
Рис. 5.7
Оценка отклонения режима теплопередачи от стационарного.
1. Оценку отклонения режима теплопередачи от стационарного производят по критерию допускаемой погрешности определения относительного сопротивления теплопередаче, которая не должна превышать 15 %.
2. Оценка производится, используя данные об изменении температур воды в тепловой сети, данные о теплофизических характеристиках конструкции теплопровода и данные о теплофизических характеристиках возможных нарушений прокладки.
3. Минимальную длительность z0 в сутках периода наблюдений за температурой воды в тепловой сети определяют по формуле:
(1)
где D - тепловая инерция строительной и теплоизоляционной конструкций теплопровода при периоде колебаний температуры воды, принимаемом равным 1 сут., округляя полученное при расчете значение в большую сторону до целого числа.
4. Оценку максимального значения относительной систематической погрешности определения относительного сопротивления теплопередаче δRc, обусловленную нестационарностью процесса распространения тепла производят по формуле:
(2)
где τср, t0 - средние значения температур соответственно сетевой воды и наружного воздуха за период наблюдений, °С;
z0, z1 - то же, что в формуле (1) настоящего приложения;
∆τ - вариация среднесуточных температур сетевой воды, определяемая как разность между максимальными значениями среднесуточных температур сетевой воды за период предварительных наблюдений, °С;
А - амплитуда суточных колебаний температуры сетевой воды накануне тепловизионного контроля, определяемая как разность между максимальным и среднесуточным значениями температур сетевой воды, °С;
Rδ, Rд - сопротивление теплопередаче соответственно базового участка теплосети и участка с нарушениями теплоизоляции, вычисляемое по нормативно-технической документации, м2 · оС/Вт;
θδ, θд - затухание амплитуды колебаний температуры сетевой воды относительно амплитуды колебаний температуры поверхности грунта над теплотрассой соответственно базового участка и участка с нарушениями теплоизоляции, вычисляемое по нормативно-технической документации;
α - коэффициент теплоотдачи поверхности грунта, принимаемый по нормативно-технической документации, Вт/(м2 · °С).
Характеристика участка тепловой сети
|
Место расположения участка |
Дата, время |
Наружный диаметр труб, м |
Характеристика прокладки |
Характеристика теплоизоляционной конструкции |
Глубина заложения оси труб, м |
Характеристика грунта |
Примечание |
|||||||||
|
Основной слой |
Покровный слой |
|||||||||||||||
|
Ширина, м |
Высота, м |
Расстояние между осями труб, м |
Материал |
Толщина, м |
Коэффициент теплопроводности, Вт/(м · °С) |
Материал |
Толщина, м |
Коэффициент теплопроводности, (Вт/м · °С) |
Состав |
Коэффициент теплопроводности, Вт/(м · °С) |
||||||
|
|
|
|
|
|
|
|
|
|
|
|
|
|
|
|
|
|
Журнал записи измерений
|
Номер участка |
Место расположения участка |
Дата, время |
Температура воды в подающей линии тепловой сети, °С |
Температура воды в обратной линии тепловой сети, °С |
Температура наружного воздуха, °С |
Скорость ветра, м/с |
Максимальная температура поверхности грунта над теплотрассой, °С |
Примечание |
|
|
|
|
|
|
|
|
|
|
Результаты контроля
|
Место расположения участка |
Максимальная измеренная температура поверхности грунта над теплотрассой, °С |
Расчетные максимальные температуры поверхности грунта над теплотрассой, °С |
Заключение о состоянии обследуемого участка |
||||
|
Нормальный режим эксплуатации |
Отсутствие (разрушение) |
Затопление прокладки сетевой водой из подающего теплопровода |
Затопление прокладки сетевой водой из подающего теплопровода и увлажнение грунта |
||||
|
1 |
2 |
3 |
4 |
5 |
6 |
7 |
8 |
|
|
|
|
|
|
|
|
|
|
Средняя плотность грунта, кг/м3 |
Степень влажности |
Коэффициент теплопроводности, Вт/(м · °С) |
|
|
1 |
2 |
3 |
4 |
|
Песчаные |
1480 |
Влажный |
0,86 |
|
|
1600 |
Влажный |
1,11 |
|
|
1600 |
Влажный |
1,92 |
|
|
1600 |
Насыщенный водой |
1,92 |
|
Суглинистые |
1100 |
Мало влажный |
0,71 |
|
|
1100 |
Влажный |
0,9 |
|
|
1200 |
Маловлажный |
0,83 |
|
|
1200 |
Влажный |
1,04 |
|
|
1300 |
Маловлажный |
0,98 |
|
|
1300 |
Влажный |
1,2 |
|
|
1400 |
Маловлажный |
1,12 |
|
|
1400 |
Влажный |
1,36 |
|
|
1400 |
Влажный |
1,63 |
|
|
1500 |
Маловлажный |
1,27 |
|
|
1500 |
Влажный |
1,56 |
|
|
1500 |
Влажный |
1,86 |
|
|
1600 |
Маловлажный |
1,45 |
|
|
1600 |
Влажный |
1,78 |
|
|
2000 |
Маловлажный |
1,75 |
|
|
2000 |
Влажный |
2,56 |
|
|
2000 |
Влажный |
2,68 |
|
Глинистые |
1000 |
Маловлажный |
0,4 |
|
|
1100 |
Маловлажный |
0,69 |
|
|
1100 |
Влажный |
0,94 |
|
|
1100 |
Насыщенный водой |
1,0 |
|
|
1200 |
Маловлажный |
0,58 |
|
|
1200 |
Маловлажный |
0,85 |
|
|
1200 |
Влажный |
1,18 |
|
|
1200 |
Насыщенный водой |
1,5 |
|
|
1300 |
Маловлажный |
0,72 |
|
|
1300 |
Влажный |
1,08 |
|
|
1300 |
Насыщенный водой |
1,66 |
|
|
1500 |
Маловлажный |
1,0 |
|
|
1500 |
Влажный |
1,46 |
|
|
1500 |
Насыщенный водой |
2,0 |
|
|
1600 |
Маловлажный |
1,13 |
|
|
1600 |
Влажный |
1,93 |
Рис. 5.8 Участок подземной теплотрассы с нарушенной изоляцией.
Рис. 5.9 Участок теплотрассы без дефектов.
Рис. 5.10 Затопленный участок подземной теплотрассы (съемка с вертолета).
Рис. 5.11 Участок теплотрассы надземной прокладки с нарушением изоляции (Съемка с вертолета).
Термография прудов-охладителей позволяет получить картину распределения температур по акватории. Это даёт возможность определения тепловых течений в водохранилищах, оценить эффективность охлаждения воды; выявления несанкционированных сбросов в водоём, влияющих на тепловой режим энергетического оборудования ТЭЦ. Так, повышение температуры воды, поступающей на конденсаторы турбин, на 1 °С по сравнению с расчётной для ТЭС мощностью 4 миллиона кВт вызывает перерасход топлива примерно на 25000 тонн в год.
Съёмка выполняется с борта вертолёта в два этапа:
· Объективом 20° производится покадровая съёмка по периметру пруда с «привязкой» к береговым объектам, с высоты 200 - 300 м для установления распределения температур в местах сброса и забора циркуляционной воды, а также выявлению мест несанкционированных сбросов в водоём.
· Широкоугольным объективом 40° и более с высоты не менее 1000 метров с целью получения общей картины температурного распределения по поверхности пруда.
Если не удаётся разместить весь пруд в одном кадре, то производится съёмка по кадрам, для дальнейшего монтажа полной тепловизионной картины с помощью компьютерной программы обработки термоизображений. Желательно производить параллельную съёмку обычной видеокамерой с речевым комментарием для последующей «привязки» к наземным объектам. Следует иметь ввиду, что излучательная способность (ε) воды 0,96 - 0,98 при наблюдении по нормали к объекту. Поэтому желательно использование тепловизионных камер, позволяющих вести съёмку вертикально вниз, в интервале углов от 0 до 60 градусов. За пределами этих значений ε быстро уменьшается до нуля (при наблюдении по касательной вода для ИК-лучей становится зеркалом).
При съёмке следует придерживаться следующих погодных условий:
· пасмурный день;
· отсутствие осадков и тумана;
· отсутствие ветра;
· чистая поверхность водоёма.
Тепловизионная аппаратура для термографии прудов-охладителей должна удовлетворять следующим условиям:
· диапазон измеряемых температур от 0 до 50 °С;
· предел температурной чувствительности не менее 0,5 °С.
· диапазон рабочих температур от -10 до +50 °С;
· использование объективов с углом зрения в диапазоне от 20 до 60 градусов1;
· спектральный диапазон 8 - 12 мкм (применение камер со спектральным диапазоном 3 - 5 мкм может привести к искажению результата в следствие более сильного поглощения ИК-лучей атмосферой в этой области ИК-спектра);
· возможность записи термоизображения на видеомагнитофон, дискету, PCMCIA-карту.
1 Применение объектива с углом зрения менее 20 градусов неоправданно увеличит время съёмки, а с углом более 60 градусов - приведёт к искажению тепловой картины поверхности пруда.
Полученная информация обрабатывается на компьютере с целью получения температурной картины поверхности пруда-охладителя. На термограмме идентифицируются места сброса и забора циркуляционной воды, а также места несанкционированных сбросов, если таковые имеются.
После анализа полученной информации можно сделать вывод об эффективности охлаждения воды и степени влияния различных факторов, мешающих этому охлаждению. Изменение теплового режима пруда-охладителя, по результатам тепловизионной съёмки позволяет при снижении температуры циркуляционной воды повысить глубину вакуума в конденсаторе турбины, что даёт возможность увеличить мощность и соответственно КПД турбоустановки.
На рисунках 6.1, 6.2 (см. Приложение 6) показано место сброса циркуляционной воды, распределение температуры на поверхности пруда охладителя.
Рис. 6.1 Распределение температур на поверхности пруда охладителя ТЭЦ.
Рис. 6.2 Распределение температур на поверхности пруда охладителя ТЭЦ.
1. ГОСТ 26629-85. Метод тепловизионного контроля качества теплоизоляции ограждающих конструкций.
2. СНиП II-3-79. Строительные нормы и правила. Нормы проектирования. Строительная теплотехника.
3. Ф.Х. Ялышев. Оптические методы контроля зданий и сооружений. Контроль качества теплозащиты. Ленинград, 1988 г.
4. Методические указания по испытанию тепловой изоляции оборудования и трубопроводов ТЭС. МУ 34-70-184-87 М, Союзтехэнерго, 1988.
5. Эксплуатационный циркуляр Ц-01-94 (Т) 06.05.94 г. «Организация контроля за состоянием и ремонт обмуровки и тепловой изоляции оборудования тепловых электростанций в целях снижений потерь тепла и температур поверхности до нормальных значений».
6. ОСТ 34 26.446-88. «Обмуровка паровых и водогрейных станционных котлов. Общие технические требования».
7. Методика обследования дымовых труб тепловых электростанций визуальным способом и при помощи тепловизора. (Отчёт по договору 96-137-901-025 1 кв. 1996 г.) Москва, ОРГРЭС, ПЛИТ.
8. «Экспериментальные работы на действующей дымовой трубе по определению тепловых потерь при эксплуатационных режимах». (Отчет по договору 96-162-900-025, 2 кв. 1996 г.) Москва. ОРГРЭС, ПЛИТ.
9. «Методические указания по определению состояния тепловых сетей подземной прокладки по известной температуре поверхности грунта над теплотрассой». Разработано Фирмой ОРГРЭС (Александров А.Н.) и Донской акционерной компанией (Иванов В.В., Бабенков В.И., Дунин И.Л.), Москва, ОРГРЭС, 1991 г.
10. «РД 34.20.501-95 15-е издание Правила технической эксплуатации электрических станций и сетей Российской федерации. Москва, ОРГРЭС, 1996 г.
11. П.А. Баранов Предупреждение аварий паровых котлов. Москва, Энергоатомиздат, 1991 г.