НОРМАТИВНЫЕ ДОКУМЕНТЫ ДЛЯ ТЕПЛОВЫХ ЭЛЕКТРОСТАНЦИЙ И КОТЕЛЬНЫХ

МЕТОДИЧЕСКИЕ УКАЗАНИЯ ПО
КОНСЕРВАЦИИ ТЕПЛОМЕХАНИЧЕСКОГО
ОБОРУДОВАНИЯ С ПРИМЕНЕНИЕМ
ПЛЕНКООБРАЗУЮЩИХ АМИНОВ

РД 34.20.596-97

М 1997

Разработано:

Московским энергетическим институтом (Техническим Университетом) (МЭИ), Всероссийским научно-исследовательским и проектно-конструкторским институтом атомного энергетического машиностроения (ВНИИАМ), Департаментом Науки и техники РАО "ЕЭС России"

Исполнители:

Мартынова О.И. (научный руководитель), Рыженков В.А., Куршаков А.В., Петрова Т.И., Поваров О.А., Дубровский-Винокуров И.Я. (МЭИ), Филиппов Г.А. (научный руководитель), Кукушкин А.Н., Салтанов Г.А., Михайлов В.А., Балаян Р.С., Величко Е.В. (ВНИИАМ)

Утверждено:

Начальник Департамента науки и техники РАО "ЕЭС России"

 

А.П. Берсенев

ОТРАСЛЕВОЙ РУКОВОДЯЩИЙ ДОКУМЕНТ

МЕТОДИЧЕСКИЕ УКАЗАНИЯ ПО КОНСЕРВАЦИИ ТЕПЛОМЕХАНИЧЕСКОГО ОБОРУДОВАНИЯ С ПРИМЕНЕНИЕМ ПЛЕНКООБРАЗУЮЩИХ АМИНОВ

РД 34.20.596-97

Вводятся впервые

Настоящий отраслевой Руководящий Документ:

• разработан в соответствии с требованиями Правил технической эксплуатации электрических станций и сетей Российской Федерации (РД 34.20.501-95);

• распространяется на основное тепломеханическое оборудование тепловых электростанций и устанавливает способ консервации и последовательность операций ее проведения при различных видах остановов (плановые и аварийные остановы, остановы для проведения текущего, среднего и капитального ремонтов, остановы в резерв на определенный и неопределенный срок);

• предназначен для эксплуатационного персонала ТЭС, водогрейных котельных, персонала наладочных предприятий, заводов-изготовителей энергетического оборудования, проектных и научно-исследовательских организаций.

СОДЕРЖАНИЕ

1. Общие положения. 2

2. Сведения о консерванте. 3

3. Консервация теплоэнергетических блоков. 4

3.1. Подготовка к консервации. 4

3.2. Перечень контролируемых и регистрируемых параметров. 4

3.3. Указания по проведению работ при консервации. 5

4. Консервация паровых и водогрейных котлов. 5

4.1. Барабанные котлы.. 5

4.1.1. Подготовка к консервации. 5

4.1.2. Перечень контролируемых и регистрируемых параметров. 5

4.1.3. Консервация из "холодного" состояния.  Указания по проведению работ при консервации. 6

4.1.4. Консервация при останове.  Указания по проведению работ при консервации. 6

4.2. Прямоточные котлы.. 7

4.2.1. Подготовка к консервации. 7

4.2.2. Перечень контролируемых и регистрируемых параметров. 8

4.2.3. Указания по проведению работ при консервации. 8

4.3. Водогрейные котлы.. 9

4.3.1. Подготовка к консервации. 9

4.3.2. Перечень контролируемых и регистрируемых параметров. 9

4.3.3. Указания по проведению работ при консервации. 9

5. Консервация паровых турбин. 10

5.1. Вариант 1. 10

5.2. Вариант 2. 10

5.3. Вариант 3. 10

6. Системы дозирования. 11

6.1. Принципиальная схема приготовления и дозирования консерванта при помощи шестеренчатого насоса. 11

6.2. Принципиальная схема дозирования консерванта по методу выдавливания. 11

6.3. Система приготовления и дозирования эмульсии консерванта. 12

7. Техника безопасности. экология. 14

 

1. ОБЩИЕ ПОЛОЖЕНИЯ

1.1. Консервацию теплоэнергетического оборудования (котлы, турбины, подогреватели) с применением аминосодержащих соединений проводят для защиты от атмосферной коррозии пароводяных трактов в случаях:

- кратковременных плановых или аварийных остановов;

- остановов для текущего, среднего или капитального ремонта:

- вывода оборудования в резерв;

- при выводе оборудования из эксплуатации на длительный срок.

1.2. Защитный эффект обеспечивается за счет создания на внутренних поверхностях оборудования молекулярной адсорбционной пленки консерванта, предохраняющей металл от воздействия кислорода, углекислоты, других коррозионно-агрессивных примесей и существенно снижающей скорость коррозионных процессов.

1.3. Выбор параметров процесса консервации (временные характеристики, концентрации консерванта и т.д.) осуществляется на основе предварительного анализа состояния оборудования энергоблока (удельная загрязненность поверхностей, состав отложений, проводимого водного химического режима и т.д.).

1.4. При консервации осуществляется сопутствующая частичная отмывка пароводяных трактов оборудования от железо- и медьсодержащих отложений и коррозионно-активных примесей.

1.5. Качество консервации оценивается по величине удельной сорбции консерванта на поверхности оборудования, которая не должна быть ниже 0,3 мкг/см2. При возможности проводятся гравиметрические исследования образцов-свидетелей и выполняются электрохимические испытания вырезанных образцов.

1.6. Преимущества данной технологии консервации заключаются в следующем:

- обеспечивается надежная защита оборудования и трубопроводов, в том числе в труднодоступных местах и застойных зонах, от протекания стояночной коррозии в течение длительного промежутка времени (на срок не менее 1 года);

- существенно сокращается время пуска оборудования в. эксплуатацию;

- обеспечивается возможность осуществления защиты от коррозии не только конкретного оборудования по отдельности, но и всей совокупности этого оборудования, т.е. энергетического блока в целом;

- коррозионно-защитный эффект сохраняется после дренирования и вскрытия оборудования, а также и под слоем воды;

- не требуется проведения специальных мероприятий по расконсервации, обеспечивается быстрое повторное введение в эксплуатацию как отдельных элементов, так и всего законсервированного оборудования в целом;

- позволяет проводить ремонтные и регламентные работы со вскрытием оборудования;

- консервация осуществляется без значительных временных трудозатрат, расходов тепла и воды;

- обеспечивается экологическая безопасность;

- исключается применение токсичных консервантов.

1.7. На основе данных методических указаний на каждой электростанции должна быть составлена и утверждена рабочая инструкция по проведению консервации оборудования с подробным указанием мероприятий, обеспечивающих строгое выполнение технологии консервации и безопасность проводимых работ.

2. СВЕДЕНИЯ О КОНСЕРВАНТЕ

2.1. Для проведения консервации используется выпускаемый отечественной промышленностью консервант флотамин (октадециламин стеариновый технический), являющийся одним из высших пленкообразующих алифатических аминов. Это воскообразное вещество белого цвета, основные свойства которого приведены в ТУ-6-36-1044808-361-89 от 20.04.90 (взамен ГОСТ 23717-79). Наряду с отечественным консервантом может быть использован зарубежный аналог OДACON (ОДА конденсационный) повышенной степени очистки, соответствующий европейскому стандарту DIN EN ISO 9001:1994 со следующими основными параметрами:

Массовая доля первичных аминов
16 + С18 - 95,3 %)

не менее 99,7 %

Массовая доля вторичных аминов.

не более 0,3 %

Йодное число (г йода/100 г продуктов характеризует количество непредельных углеводородов)

не более 2,0

Массовая доля амидов

отсутствуют

Массовая доля нитрилов

отсутствуют

Точка затвердевания

39,2 °С

2.2. Отбор проб консерванта и правила приемки необходимо осуществлять в соответствии с ГОСТ 6732 (красители органические, продукты промежуточные для красителей, вещества текстильно-вспомогательные). Показатели технических требований, предусмотренные ТУ, соответствуют мировому уровню и требованиям потребителей.

2.3. Предельно-допустимая концентрация флотамина в воздухе рабочей зоны не должна превышать 1 мг/м3 (ГОСТ 12.1.005-88).

2.4. В соответствии с ГОСТ 12.1.005-88 предельно-допустимая концентрация ОДА (ОДАСОN) в воде для санитарно-гигиенического использования не должна превышать 0,03 мг/л (СанПиН № 4630-88 от 4 07.88), в воде рыбохозяйственных водоемов не должна превышать - 0,03 мг/л.

2.5. Молекулы консерванта адсорбируются на поверхности всех металлов, используемых в теплоэнергетике. Количество адсорбированного на поверхности металла консерванта зависит от его исходной концентрации, продолжительности процесса консервации, типа металла, температуры среды, ее скорости движения, от того, в какой среде происходит процесс адсорбции (вода, влажный или перегретый пар), а также от степени загрязненности консервируемых поверхностей металла.

Исходная концентрация консерванта в рабочей среде варьируется в диапазонах от 1,5 - 2,0 мг/кг до 80 - 100 мг/кг при продолжительности консервации от 150 часов до 10 - 12 часов соответственно.

3. КОНСЕРВАЦИЯ ТЕПЛОЭНЕРГЕТИЧЕСКИХ БЛОКОВ

3.1. Подготовка к консервации

3.1.1. Блок разгружается до минимально возможной мощности согласно штатной инструкции по эксплуатации. Температура конденсата в конденсатосборниках поддерживается не ниже 45 °С. БОУ выводится из работы (байпасируется).

3.1.2. При консервации блоков с барабанными котлами включается постоянная продувка, режим включения периодической продувки может корректироваться в зависимости от результатов анализов при консервации.

3.1.3. Непосредственно перед началом дозирования консерванта (за 20 - 30 мин.) прекращается дозировка гидразина и аммиака.

3.1.4. Перед началом консервации проводится опрессовка системы дозирования. Система дозирования подключается на всас питательных насосов.

3.1.5. Для проведения химических анализов необходимо подготовить хим.реактивы, посуду и приборы в соответствии с методиками анализов, осуществить ревизию всех штатных пробоотборных точек.

3.2. Перечень контролируемых и регистрируемых параметров

3.2.1. В процессе консервации необходимо контролировать и регистрировать следующие параметры работы блока:

- электрическую мощность блока

- 1 раз в 1 час

- температуру питательной воды

- 1 раз в 1 час

- расход питательной воды

- 1 раз в 1 час

- температуру пара

- 1 раз в 1 час

- температуру конденсата

- 1 раз в 1 час

3.2.2. Регистрация показателей температуры по всем отборам турбины должна производиться 1 раз в 1 час.

3.2.3. Периодичность и объем дополнительного химического контроля в процессе консервации приведены в таблице.

п/п

Точка отбора

Концентрация

Значение рH

консерванта

Fe

Сu

Cl*

1.

Конденсат после KH

8 раз/смену

8 раз/смену

8 раз/смену

8 раз/смену

8 раз/смену

2.

Пит. вода после ПВД

8 раз/смену

8 раз/смену

8 раз/смену

8 раз/смену

8 раз/смену

3.

Насыщенный пар

8 раз/смену

8 раз/смену

8 раз/смену

8 раз/смену

8 раз/смену

4.

Перегретый пар

8 раз/смену

8 раз/смену

8 раз/смену

8 раз/смену

8 раз/смену

5*.

Котловая вода, чистый отсек

8 раз/смену

8 раз/смену

8 раз/смену

8 раз/смену

8 раз/смену

6*.

Котловая вода, соленый отсек

8 раз/смену

8 раз/смену

8 раз/смену

8 раз/смену

8 раз/смену

*) относится к барабанным котлам

3.2.4. Штатный химконтроль выполняется в обычном объеме.

3.3. Указания по проведению работ при консервации

3.3.1. Начать дозировку консерванта на всас бустерных насосов. Требуемые концентрации консерванта и время консервации блока определяется в зависимости от его параметров, типов котла, турбины и удельной загрязненности внутренних поверхностей.

3.3.2. По результатам химконтроля может производиться корректировка основных технологических параметров (концентрация консерванта и продолжительность дозирования).

3.3.3. При существенном повышении концентраций примесей в рабочем теле обеспечивается их удаление из трактов (продувка, размыкание контура).

3.3.4. При нарушениях в режиме работы блока проведение операций по консервации прекратить и продолжить после восстановления параметров работы блока.

3.3.5. По окончании консервации оборудование выводится в ремонт (резерв) в соответствии со штатной инструкцией. При достижении температуры воды в полостях оборудования не ниже 60 °С сдренировать рабочее тело со сбросом на шламоотвал или осуществить сброс в канализацию с соблюдением норм ПДК.

4. КОНСЕРВАЦИЯ ПАРОВЫХ И ВОДОГРЕЙНЫХ КОТЛОВ

4.1. БАРАБАННЫЕ КОТЛЫ

4.1.1. Подготовка к консервации

4.1.1.1. Котел остановлен и сдренирован.

4.1.1.2. Выбор параметров процесса консервации (временные характеристики, концентрации консерванта на различных этапах) осуществляется исходя из предварительного анализа состояния котла, включая определение величины удельной загрязненности и химического состава отложений внутренних поверхностей нагрева котла.

4.1.1.3. Перед началом работ провести анализ схемы консервации (ревизия оборудования, трубопроводов и арматуры, используемых в процессе консервации, системы контрольно-измерительных приборов).

4.1.1.4. Собрать схему для проведения консервации, включающую котел, систему дозирования реагента, вспомогательное оборудование, соединительные трубопроводы.

4.1.1.5. Опрессовать систему консервации.

4.1.1.6. Подготовить требуемые для проведения химических анализов химреактивы, посуду и приборы в соответствии с методиками проведения анализов.

4.1.2. Перечень контролируемых и регистрируемых параметров

4.1.2.1. В процессе консервации необходимо контролировать следующие параметры:

- температуру питательной воды;

- температуру котловой воды;

- при включении горелок - температуру и давление в котле.

4.1.2.2. Показатели по п. 4.1.2.1. регистрировать каждый час.

4.1.2.3. Зарегистрировать время начала и окончания ввода и расход консерванта.

4.1.2.4. Периодичность и объем дополнительного химического контроля в процессе консервации приведены в таблице.

№ п/п

Точки отбора пробы

Концентрация

Значение рН

консерванта

Fe

Сu

1.

Чистый отсек барабана

8 раз/смену

8 раз/смену

4 раз/смену

4 раз/смену

2.

Солевой отсек барабана, правый

8 раз/смену

8 раз/смену

4 раз/смену

4 раз/смену

3.

Солевой отсек барабана, левый

8 раз/смену

8 раз/смену

4 раз/смену

4 раз/смену

4.

Пар после барабана

8 раз/смену

8 раз/смену

4 раз/смену

4 раз/смену

5.

Пар после пароперегревателя

8 раз/смену

8 раз/смену

4 раз/смену

4 раз/смену

4.1.2.5. Штатный химконтроль выполняется в обычном объеме.

4.1.3. Консервация из "холодного" состояния.
Указания по проведению работ при консервации

4.1.3.1. Заполнить котел питательной водой с температурой не ниже 80 °С через коллектор нижних точек с одновременным дозированием консерванта до растопочного уровня. Растопить котел для создания необходимой температуры не ниже 100 °С и не выше 150 °С.

4.1.3.2. Установить в контуре расчетную концентрацию консерванта. В зависимости от результатов анализов проводить периодическое дозирование консерванта либо в нижние точки экранов, либо в нижний пакет водяного экономайзера.

4.1.3.3. Периодически производить продувку котла через дренажи нижних точек для удаления шлама, образовавшегося в процессе консервации оборудования вследствие частичной отмывки. Во время проведения продувки дозирование консерванта прекратить. После продувки производить подпитку котла.

4.1.3.4. Периодической растопкой котла или регулировкой количества включенных горелок необходимо поддерживать в рабочем контуре требуемые для консервации параметры (температура, давление). При растопке котла открыть воздушник насыщенного пара с пароперегревателя для сдувки пара.

4.1.3.5. После окончания консервации погасить горелки, кратковременно провентилировать газо-воздушный тракт, отключить дымососы и закрыть шибера, отключить систему дозирования консерванта и перевести котел в режим естественного расхолаживания. При средней температуре воды в котле 60 °С сдренировать котел в систему ГЗУ или при соблюдении норм ПДК осуществить сброс воды в канализацию.

При нарушении технологических параметров процесса консервации прекратить работы и начать консервацию после восстановления необходимых параметров работы котла.

4.1.4. Консервация при останове.
Указания по проведению работ при консервации

4.1.4.1. За 10 - 12 часов до начала проведения консервации прекращают дозировку фосфатов.

4.1.4.2. Непосредственно перед отключением котла от паросборного коллектора желательно произвести удаление шлама через нижние коллекторы 7 (рис. 4.1.1) экранных поверхностей нагрева.

4.1.4.3. За 15 - 20 минут до отключения котла от общего паросборного коллектора прекращают непосредственную продувку.

4.1.4.4. После окончания продувки котла от паросборного коллектора включают линию рециркуляции котловой воды из барабана котла на вход экономайзера и подают консервант в питательную воду перед экономайзером по линии 9 и по линии 10 в линию фосфатирования и барабан котла.

4.1.4.5. Перед окончанием консервации согласно режимной карте останова открывают продувку котла. Продувку ведут с минимальными расходами, что обеспечивает сохранение высокой температуры, необходимой для обеспечения максимальной эффективности консервации.

Рис. 4.1. Схема консервации барабанного котла в режиме его останова

1, 2 - система дозирования консерванта; 3 - экономайзер; 4 - выносной циклон (соленый отдел);
5 - барабан котла (чистый отсек); 6 - экран (соленый отсек); 7 - линия периодической продувки;
8 - опускные трубы; 9 - трубопровод подачи водной эмульсии консерванта на вход экономайзера котла;
10 - трубопровод подачи водной эмульсии консерванта в барабан котла; 11 - пароперегреватель;
12 - воздушник пароперегревателя; 13 - линия фосфатирования.

4.1.4.6. Процессу пассивации сопутствует частичная отмывка поверхностей нагрева котла от рыхлых отложений, переходящих в шлам, который необходимо удалять с продувкой. В период консервации постоянная продувк; закрыта. Первую продувку проводят через нижние коллекторы через 3 - 4 часа начиная с панелей солевых отсеков.

4.1.4.7. При давлении в барабане котла на уровне 1,0 - 1,2 МПе осуществляют продувку котла через воздушник 12. При этом пар с высокие содержанием консерванта проходит через пароперегреватель, что обеспечивает его более эффективную консервацию.

4.1.4.8. Консервация заканчивается при охлаждении поверхностей нагрева до 60 °С. По окончании расхолаживания сдренировать котел в систему ГЗУ или при соблюдении норм ПДК осуществить сброс воды в канализацию.

4.1.4.9. При нарушении технологических процессов консервации прекратить работы и начать консервацию после восстановления необходимых параметров работы котла.

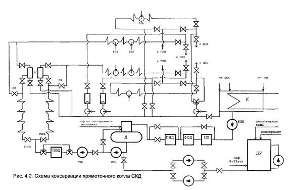
4.2. ПРЯМОТОЧНЫЕ КОТЛЫ

4.2.1. Подготовка к консервации

4.2.1.1. Котел остановить и сдренировать.

4.2.1.2. Схема консервации котла представлена на рис. 4.2.1. (на примере котла ТГМП-114). Для проведения консервации организуется контур циркуляции: деаэратор, питательный и бустерные насосы, собственно котел, БРОУ, конденсатор, конденсатный насос, БОУ, ПНД и ПВД байпасируются. В период прокачки консерванта через ППП обоих корпусов котла сброс происходит через СПП-1,2.

4.2.1.3. Дозировочная установка подключается на всас БЭН.

4.2.1.4. Производится заполнение контура циркуляции.

4.2.1.5. Включается в работу БЭН.

4.2.1.6. Производится разогрев рабочей среды до температуры 150 - 200 °С путем периодического включения горелок.

Рис. 4.2. Схема консервации прямоточного котла СКД

4.2.2. Перечень контролируемых и регистрируемых параметров

4.2.2.1. В процессе консервации необходимо контролировать следующие параметры:

- температуру питательной воды;

- температуру и давление в котле.

4.2.2.2. Показатели по п. 4.2.2.1. регистрировать каждый час.

4.2.2.3. Зафиксировать время начала и окончания дозирования консерванта и его расход.

4.2.2.4. Периодичность и объем химического контроля в процессе консервации приведены в таблице.

Точки отбора проб

Концентрация

Значение рН

консерванта

Fe

Сu

Cl

Все штатные пробоотборные точки котла

8 раз/смену

8 раз/смену

8 раз/смену

8 раз/смену

8 раз/смену

4.2.3. Указания по проведению работ при консервации

4.2.3.1. Приступить к дозированию консерванта на всас БЭН.

4.2.3.2. В процессе консервации производить 2 раза в смену интенсивную продувку котла в течение 30 - 40 секунд.

4.2.3.3. Поддержание необходимого диапазона температур циркулирующей среды обеспечивается путем периодического включения горелок.

4.2.3.4. После завершения процесса консервации подача пара в деаэратор прекращается, контур циркуляции находится в работе до достижения средней температуры среды 60 °С. После этого выполняются все мероприятия, предусмотренные инструкцией по эксплуатации при останове котла (дренирование водопарового тракта, вакуумная сушка консервируемых элементов и т.д.).

4.3. ВОДОГРЕЙНЫЕ КОТЛЫ

4.3.1. Подготовка к консервации

4.3.1.1. Котел остановлен и сдренирован.

4.3.1.2. Выбор параметров процесса консервации (временные характеристики, концентрации консерванта на различных этапах) осуществляется исходя из предварительного анализа состояния котла, включая определение величины удельной загрязненности и химического состава отложений внутренних поверхностей нагрева котла.

4.3.1.3. Перед началом работ провести анализ схемы консервации (ревизия оборудования, трубопроводов и арматуры, используемых в процессе консервации, системы контрольно-измерительных приборов).

4.3.1.4. Собрать схему для проведения консервации, включающую котел, систему дозирования консерванта, вспомогательное оборудование, соединительные трубопроводы, насосы. Схема должна представлять собой замкнутый контур циркуляции. При этом необходимо отсечь контур циркуляции котла от сетевых трубопроводов и заполнить котел водой. Для подачи эмульсии консерванта в контур консервации может быть использована линия кислотной промывки котла.

4.3.1.5. Опрессовать систему консервации.

4.3.1.6. Подготовить требуемые для проведения химических анализов химреактивы, посуду и приборы в соответствии с методиками анализов.

4.3.2. Перечень контролируемых и регистрируемых параметров

4.3.2.1. В процессе консервации необходимо контролировать следующие параметры:

- температуру котловой воды;

- при включении горелок - температуру и давление в котле .

4.3.2.2. Показатели по п. 4.3.2.1. регистрировать каждые час.

4.3.2.3. Зафиксировать время начала и окончания ввода и расход консерванта.

4.3.2.4. Периодичность и объем дополнительного химического контроля в процессе консервации приведены в таблице.

4.3.3. Указания по проведению работ при консервации

4.3.3.1. Посредством насоса кислотной промывки (НКП) организуется циркуляция в контуре котел-НКП-котел. Далее разогреть котел до температуры 110 - 150 °С. Начать дозирование консерванта.

4.3.3.2. Установить в контуре расчетную концентрацию консерванта. В зависимости от результатов анализов проводить периодическое дозирование консерванта. Периодически (через 2 - 3 часа) производить продувку котла через дренажи нижних точек для удаления шлама, образовавшегося в процессе консервации оборудования. Во время проведения продувки дозирование прекращать.

4.3.3.3. Периодической растопкой котла необходимо поддерживать в рабочем контуре требуемые для консервации параметры (температура, давление).

4.3.3.4. После окончания консервации отключить систему дозирования, насос рециркуляции остается в работе в течение 3 - 4 часов.

4.3.3.5. Насос рециркуляции отключить, перевести котел в режим естественного расхолаживания.

4.3.3.6. При нарушении технологических параметров консервации прекратить процесс и начать консервацию после восстановления параметров работы котла.

5. КОНСЕРВАЦИЯ ПАРОВЫХ ТУРБИН

5.1. Вариант 1

5.1.1. Наиболее благоприятными условиями проведения консервации турбины является совмещение штатного режима влажнопаровой промывки проточной части турбины (где это предусмотрено) с одновременным дозированием в пар консерванта или путем дозирования водной эмульсии консерванта в слабоперегеретый пар перед турбиной со сбросом конденсата (по разомкнутой схеме).

5.1.2. Объемные пропуски пара выбираются из условий поддержания пониженных оборотов ротора турбины (с учетом критических частот).

5.1.3. Температура пара в выхлопном патрубке турбины должна поддерживаться не ниже 60 - 70 °С.

5.2. Вариант 2

5.2.1. Консервация турбины может выполняться отдельно от котла с использованием пара собственных нужд СН (Р = 10 - 13 кг/см2, t = 220 - 250 °С) с раскруткой ротора турбины с частотой в диапазоне 800 - 1200 об/мин (в зависимости от критических частот).

5.2.2. В линию обеспаривания перед стопорным клапаном подается пар, насыщенный консервантом. Пар проходит проточную часть турбины, конденсируется в конденсаторе, а конденсат сбрасывается через линию аварийного слива за ПНД. При этом консервант адсорбируется на поверхностях проточной части турбины, трубопроводов, арматуры и вспомогательного оборудования.

5.2.3. На протяжении всего времени консервации турбины поддерживается следующий температурный режим:

- в зоне паровпуска в начале консервации температура составляет 165 - 170 °С, к моменту окончания консервации температура понижается до 150°С;

- температура в конденсаторе поддерживается на уровне максимально возможной в пределах, определяемых инструкцией завода-изготовителя.

5.3. Вариант 3

5.3.1. Консервация турбины осуществляется после останова при остывании корпуса за счет заполнения парового пространства конденсатора и турбины консервирующей смесью (конденсат + консервант).

5.3.2. Заполнение парового пространства конденсатора и турбины водой с консервантом производится при достижении в процессе расхолаживания температуры металла корпуса ЦВД примерно 150 °С и ЦНД 70 - 80 °С.

5.3.3. Одновременно с выполнением процедур по п. 5.3.2. включается валоповорот турбины.

5.3.4. Паровое пространство ЦНД и конденсатора заполняется через конденсатор, а паровое пространство ЦВД и ЦСД - через дренажные линии.

5.3.5. В зависимости от конструкции турбины и специфических условий конкретной станции заполнение производится до уровня, расположенного ниже горизонтального разъема турбины примерно на 200 - 300 мм.

5.3.6. Поддержание в период консервации постоянной температуры консерванта и металла турбоустановки осуществляется за счет барботажа через консервант пара низкого давления, поступающего от постороннего источника (например, от соседней работающей турбины или общестанционного паропровода и т.п.); пар подводится в конденсатор и расширители дренажей ЦВД и ЦСД.

5.3.7. Во время консервации для выравнивания температуры и концентрации консерванта производится его циркуляция в конденсаторе. Это осуществляется с помощью конденсатного насоса по линии рециркуляции на весь период консервации.

6. СИСТЕМЫ ДОЗИРОВАНИЯ

6.1. Принципиальная схема приготовления и дозирования консерванта при помощи шестеренчатого насоса.

Для приготовления и дозирования консерванта используется компактная система дозирования, схема которой представлена на рис. 6.1.1.

Рис. 6.1. Схема дозировочной установки

1 - бак; 2 - насос; 3 - линия циркуляции; 4 - подогреватель;
5 - электропривод с редуктором; 6 - патрубки;
7 - пробоотборник; 8 - кран сливной

В бак 1, где установлен теплообменник 4, загружается консервант. Путем обогрева бака питательной водой (t = 100 °C) получают расплав консерванта, который насосом 2 подается в линию 9 на всас питательного насоса ПЭН.

В качестве дозирующего насоса можно использовать насосы типа HШ-6, НШ-3 или HШ-1.

Линия 6 соединяется с напорным трубопроводом насоса ПЭН.

Давление в линии циркуляции контролируется манометром.

Температура в баке 1 не должна снижаться ниже 70 °С.

Установка проста в эксплуатации и надежна. Компактная система дозирования занимает мало места, до 1,5 м2 и легко перемонтируется с одного объекта на другой.

6.2. Принципиальная схема дозирования консерванта по методу выдавливания

На рис. 6.2.1. приведена принципиальная схема установки дозирования, основанной на принципе выдавливания.

Рис. 6.2. Принципиальная схема дозирования консерванта по методу выдавливания

Указанная установка может быть использована при консервации и отмывке водогрейных котлов по замкнутому контуру циркуляции.

Установка подключается байпасом к насосу рециркуляции.

Расчетное количество консерванта загружается в емкость 8 с уровнемером и теплом рабочего тела (котловая вода, питательная вода) консервант расплавляется до жидкого состояния.

Расход рабочего тела через теплообменник 9 регулируется задвижками 3 и 4.

Необходимое количество расплава консерванта через задвижку 5 перепускается в дозировочную емкость 10 и далее задвижками 1 и 2 регулируется необходимый расход и скорость движения рабочего тела через дозировочную емкость.

Поток рабочего тела, проходя через расплав консерванта, захватывает последний в контур циркуляции котла.

Давление на входе контролируется манометром 11.

Для выпуска воздуха из дозировочной емкости при заполнении и дренирования служат задвижки 6 и 7. Для лучшего перемешивания расплава в дозировочную емкость монтируется специальный диффузор.

6.3. Система приготовления и дозирования эмульсии консерванта

Система дозирования консерванта (рис. 6.3.1.) предназначена для создания и поддержания в период дозирования требуемой концентрации консерванта в консервируемом контуре путем впрыска водной эмульсии консерванта повышенной концентрации на всас питательных насосов.

Рис. 6.3. Принципиальная схема системы дозирования реагента

Система дозирования включает в себя:

- систему приготовления эмульсии консерванта;

- систему обогрева тракта впрыска;

- систему впрыска эмульсии консерванта.

Водная эмульсия консерванта приготавливается в теплоизолированном цилиндрическом баке объемом 3 - 4 м3. Бак заполняется водой из системы ХВО. При помощи основного нагревателя, расположенного в нижней части бака, вода нагревается до температуры 90 °С. Нагреватель изготавливается в виде змеевика и рассчитан на подогрев воды в объеме бака с 15 °С до указанной температуры в течение 1 - 1,5 часов. Греющей средой является пар с параметрами: Р = 1,2 МПа, t = 190 °С. В период дозирования этот же нагреватель служит для поддержания температуры эмульсии на уровне 80 - 90 °С (при минимальном расходе пара). Температура воды или эмульсии консерванта в баке как в период подготовки, так и в период дозирования контролируется ртутном термометром, помещенным в специальную капсулу, а также термопарным зондом с выводом сигнала на вторичный прибор. Уровень эмульсии консерванта в баке контролируется по поплавковому уровнемеру.

Бокс расплава консерванта представляет собой каркасную конструкцию, обтянутую металлической сеткой, расположенным внутри нее паровым нагревателем.

В боксе расплава консервант расплавляется и смешивается с подогретой водой. По оценке время расплава составляет 20 - 30 мин. Эмульсия консерванта приготавливается путем перемешивания содержимого бака с помощью механических лопастных мешалок с электроприводами. Для повышения интенсивности перемешивания и улучшения качества эмульсии консерванта предусмотрен контур рециркуляции с центробежным насосом.

Контроль за концентрацией консерванта и качеством эмульсии осуществляется по результатам анализа проб, взятых из специального пробоотборника.

Процесс приготовления эмульсии консерванта занимает 3 - 4 часа. В течение этого времени рекомендуется провести не менее 2-х анализов эмульсии из бака.

В связи с тем, что температура плавления консерванта сравнительно невысока, существует опасность при пониженных температурах образования пробок и сгустков в линиях впрыска и в элементах оборудования. Чтобы избежать этого, все основные линии прокладываются в сопровождении трубки, обогреваемой паром. С помощью трубы-спутника обогревается также арматура, расположенная на магистральных линиях впрыска и качающие узлы насосов.

Система впрыска включает в себя два параллельно включенных насоса. В зависимости от режимных параметров консервируемого оборудования могут использоваться центробежные насосы или насосы-дозаторы типа.

7. ТЕХНИКА БЕЗОПАСНОСТИ. ЭКОЛОГИЯ

При проведении консервации обеспечивается выполнение условий техники безопасности в соответствии с требованиями "ПТБ при эксплуатации тепломеханического оборудования электрических станций и тепловых сетей" М, 1991 г.

Пленкообразующий амин (октадециламин) относится к реагентам, применение которых одобрено и разрешено к использованию FDA/USDA и международной организацией World Assosiation of Nuclear Operation (WANO).

В специально проведенных исследованиях [1] показано, что водная эмульсия октадециламина нетоксична даже при концентрации 200 мг/кг, что значительно превышает концентрации октадециламина в водных эмульсиях, которые используются для защиты металла энергетического оборудования от стояночной коррозии. Хирургические перевязочные средства, стерилизованные в паре, содержащем октадециламин с концентрацией от 0,5 до 1,0 г/кг не вызывали вредных эффектов на коже. Показано также [2, 3], что хроническая токсичность октадециламина не наблюдалась при дозах этого продукта до 3 мг/кг, скармливаемых собакам ежегодно в течение года; при дозах 5,5 мг/кг, скармливаемых крысам в течение 2-х лет, также токсичность отсутствовала.

Предельно допустимые концентрации (ПДК) алифатических аминов с числом атомов углерода в молекуле 16 - 20 (октадециламин имеет 18 атомов углерода в молекуле) в воде водоемов санитарно-бытового использования составляет 0,03 мг/л (Санитарные правила и нормы № 4630-88 от 4.07.88) в воздухе рабочей зоны - 1 мг/м3 (ГОСТ 12.1.005-88), в атмосферном воздухе - 0,003 мг/м3 (список № 3086-84 от 27.08.84). Октадециламин для человека практически безвреден, однако необходимо избегать прямого контакта с ним, так в зависимости от индивидуальной восприимчивости иногда отмечается покраснение кожи, зуд, которые обычно через несколько дней после прекращения контакта с реагентом исчезают.

Имеющим контакт с пленкообразующими аминами, особенно с горячими их парами, нельзя одновременно работать со спиртами, т.к. спирт является растворителем аминов и токсичность их спиртовых растворов будет гораздо более высокой, чем токсичность водных суспензий аминов, которые плохо растворяются в воде.

При работе с пленкообразующими аминами необходимо строгое соблюдение правил личной гигиены, использование резиновых перчаток, фартука, защитных очков, при длительном контакте респиратора типа "лепесток".

При попадании эмульсии октадециламина на кожу необходимо промыть ее чистой водой и 5 %-ным раствором уксусной кислоты.

При использовании октадециламина для консервации оборудования ТЭС отработанный консервант, загрязненный продуктами коррозии конструкционных материалов и другими перешедшими из отложений примесями рекомендуется сбрасывать в отстойник (шламоотвал, пруд-охладитель и т.п.). Благодаря способности октадециламина к биологическому расщеплению с течением времени, нагрузка на отстойник по октадециламину при периодических консервациях энергетического оборудования на ТЭС незначительна.

После завершения консервации консервант из защищаемого оборудования в зависимости от имеющихся на ТЭС возможностей может быть сброшен: на шламоотвал; в систему золошлакоудаления; в систему промливнестоков с разбавлением до ПДК.

Возможно также на линии сброса эмульсии октадециламина установить фильтр, загруженный антрацитом, что позволит удалить октадециламин, а воду после фильтра возвратить в тракт ТЭС для повторного использования.

ЛИТЕРАТУРА

1. Акользин П.А., Королев Н.И. Применение пленкообразующих аминов для защиты от коррозии теплосилового оборудования. Москва, 1961.

2. Лойт А.О., Филов В.А. О токсичности алифатических аминов и изменении ее в гомологических рядах. Гигиена и санитария, № 2, 1962, 23 - 28.

3. Демишкевич Н.Г. К токсикологии аминов высшего алифатического ряда (16 - 20 углеродных атомов). Гигиена и санитария, № 6, 1968, 60 - 63.