РОССИЙСКОЕ АКЦИОНЕРНОЕ
ОБЩЕСТВО
ЭНЕРГЕТИКИ И ЭЛЕКТРИФИКАЦИИ «ЕЭС РОССИИ»
ДЕПАРТАМЕНТ НАУКИ И ТЕХНИКИ
МЕТОДИЧЕСКИЕ УКАЗАНИЯ
ПО ОПРЕДЕЛЕНИЮ ТЕПЛОВЫХ ПОТЕРЬ
В ВОДЯНЫХ ТЕПЛОВЫХ СЕТЯХ
РД 34.09.255-97
Срок действия
установлен
с 01.01.98 г.
Разработано Открытым акционерным обществом «Фирма по наладке, совершенствованию технологии и эксплуатации электростанций и сетей ОРГРЭС»
Исполнители Л.Д. САТАНОВ, А.Р. БАЙБУРИН, Ю.Н. ВИКТОРОВ, А.Г. ПРИТЫКИН
Согласовано с Департаментом науки и техники РАО «ЕЭС РОССИИ»
Утверждено Департаментом науки и техники РАО «ЕЭС РОССИИ» 25.04.97 г.
Начальник А.Н. БЕРСЕНЕВ
Методические указания устанавливают содержание и порядок проведения работ по определению эксплуатационных тепловых потерь через тепловую изоляцию в водяных тепловых сетях.
Методические указания предназначены для работников предприятий тепловых сетей и электростанций, в ведении которых находятся тепловые сети, а также энергообъединений и наладочных организаций.
С выходом настоящих Методических указаний утрачивают силу «Методические указания по определению тепловых потерь в водяных и паровых тепловых сетях: МУ 34-70-080-84» (М.: СПО Союзтехэнерго, 1985) в части, относящейся к определению тепловых потерь в водяных тепловых сетях.
1.1. Настоящие Методические указания предназначены для определения фактических эксплуатационных тепловых потерь через тепловую изоляцию тепловых сетей и разработки на их основе нормируемых эксплуатационных тепловых потерь.
1.2. Фактические эксплуатационные тепловые потери устанавливаются экспериментально путем проведения тепловых испытаний сети. Целью испытаний является определение тепловых потерь различными типами прокладки и конструкциями изоляции трубопроводов, характерными для данной тепловой сети. По результатам испытаний оценивается состояние изоляции испытываемых трубопроводов в конкретных эксплуатационных условиях работы прокладок.
Испытаниям следует подвергать те участки сети, у которых тип прокладки и конструкция изоляции являются характерными для данной сети, что дает возможность распространить результаты испытаний на тепловую сеть в целом.
1.3. Определение фактических тепловых потерь через тепловую изоляцию должно производиться в соответствии с требованиями ПТЭ периодически один раз в 5 лет. При этом выявляются изменения теплотехнических свойств изоляционных конструкций вследствие старения в процессе эксплуатации, ввода новых и реконструкции действующих тепловых сетей.
1.4. Полученные результаты испытаний по определению фактических тепловых потерь через тепловую изоляцию являются основой для разработки энергетической характеристики тепловой сети по показателю тепловых потерь и их нормирования.
2.1.1. Непосредственной задачей испытаний водяных тепловых сетей является определение фактических тепловых потерь через тепловую изоляцию принятых для испытаний участков тепловых сетей при выбранном режиме и сопоставление их с нормативными значениями тепловых потерь для тех же участков тепловой сети.
2.1.2. Перед проведением испытаний тепловых сетей должны быть выполнены работы по восстановлению нарушенной тепловой изоляции на испытываемых участках, осушению камер тепловой сети, приведению в порядок дренажей, организации стока поверхностных вод и др.
2.1.3. Проведение испытаний водяной сети предусматривает:
анализ материалов по тепловой сети;
выбор участков сети, подлежащих испытаниям;
расчет параметров испытаний;
подготовку сети и оборудования к испытаниям;
подготовку измерительной аппаратуры;
проведение тепловых испытаний;
обработку данных, полученных при испытаниях;
сопоставление полученных при испытаниях тепловых потерь с нормативными значениями.
2.2.1. При подготовке к испытаниям должен быть проведен анализ схемы тепловой сети, температурных режимов ее работы, типов прокладки и конструкций тепловой изоляции, сроков службы трубопроводов, характерных случаев и причин повреждаемости, схемы, режимов работы и состава оборудования водоподогревательной установки, а также данных о техническом состоянии тепловой изоляции и конструкций прокладок в целом.
По результатам сбора и анализа материалов составляется таблица (табл. 1 приложения 1), в которую включается характеристика тепловой сети по отдельным участкам с указанием наружного диаметра и длины труб, конструкций тепловой изоляции, типов прокладки (подземная бесканальная и в каналах, надземная), а также сроков службы (года ввода в эксплуатацию). В таблицу включаются все участки тепловых сетей, находящихся на балансе энергопредприятия.
2.2.2. Для пересчета полученных при испытаниях результатов на различные эксплуатационные режимы работы сети и для определения температурных параметров испытаний должны быть собраны следующие климатологические данные для того населенного пункта, в котором расположена испытываемая сеть:
среднегодовые
и среднемесячные
температуры грунта на
средней глубине заложения оси трубопроводов (для подземной прокладки);
среднегодовые
и среднемесячные
температуры наружного
воздуха (для надземной прокладки).
Эти данные следует принимать как многолетние по материалам ближайшей к данному населенному пункту метеостанции или из справочников по климатологии.
2.3.1. Испытаниям должны подвергаться участки тепловой сети, тип прокладки и конструкции тепловой изоляции которых являются характерными для данной сети.
Характерными считаются участки тепловых сетей, доля
которых
,
определяемая по (1),
в материальной характеристике всей сети составляет не менее 20 %:
где
- материальная характеристика для
подающего или обратного трубопровода сети, просуммированная по всем участкам с
данным типом прокладки и конструкцией изоляции, м2;
-
материальная характеристика для подающего или обратного трубопровода,
просуммированная по всей сети в целом, м2;
-
наружный диаметр труб в пределах одного участка сети (по подающей или обратной
линии при равных диаметрах труб), м;
L - протяженность участка сети, м.
2.3.3. Объем испытываемых характерных участков тепловой сети, оцениваемый по материальной характеристике, определяется как реальной технической возможностью проведения испытаний, так и необходимостью получения представительных результатов, которые могут быть распространены на неиспытанные участки тепловой сети. Исходя из этого, минимальный объем испытываемых участков готовой сети по материальной характеристике должен быть не менее 20 % материальной характеристики всей сети.
Проведение испытаний характерных участков в меньшем объеме допускается в исключительных случаях, когда значительная часть таких участков рассредоточена по тепловой сети и не может быть объединена в циркуляционное кольцо.
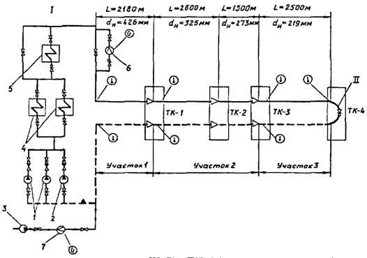
Начальный участок циркуляционного кольца образуется оборудованием и трубопроводами теплоподготовительной установки (рисунок).
Циркуляционное кольцо состоит из ряда последовательно соединенных участков, различающихся, как правило, типом прокладки и конструкцией изоляции, а также диаметром трубопроводов. Рекомендуется проводить испытания на циркуляционном кольце, которое включает в себя основную магистраль тепловой сети, состоящую из труб наибольшего диаметра и максимальной протяженности от источника тепла. В конечный участок циркуляционного кольца могут быть включены участки распределительной (квартальной) сети. Все ответвления и отдельные абоненты, присоединенные к циркуляционному кольцу, на время испытаний отсоединяются от него.
2.3.5. Расход воды на всех участках циркуляционного кольца во время испытаний должен быть одинаковым и может отличаться только на величину утечки, которая должна быть минимальной и не превышать указанную в п. 2.4.4.

Схема испытываемого циркуляционного кольца
I - теплоподготовительная установка; II - циркуляционная перемычка;
1 - сетевые насосы; 2 - легкий насос малой подачи; 3 - подпиточный насос; 4 - основные подогреватели сетевой воды; 5 - пиковый подогреватель сетевой воды или водогрейный котел; 6 - измерительная диафрагма на подающем трубопроводе; 7 - измерительная диафрагма на подпиточной линии; ТК - тепловая камера;
- подающий трубопровод;
- обратный трубопровод;
- подпиточная
линия;
-
точка измерения температуры;
- измерительный прибор.
Понижение температуры воды при этом по мере ее прохождения по циркуляционному кольцу обусловлено тепловыми потерями трубопроводов и арматуры в окружающую среду, которые могут быть определены исходя из измеренных во время испытаний расхода воды и снижения температуры.
2.4.1. Основными параметрами испытаний, определяемыми расчетным путем, являются поддерживаемые в процессе испытаний значения температуры воды в подающей линии сети на выходе из теплоподготовительной установки и расхода воды на начальном участке испытываемого циркуляционного кольца. Кроме того, определяются ожидаемые в процессе испытаний значения температуры воды в обратной линии на входе в теплоподготовительную установку и расхода подпиточной воды, а также ориентировочная продолжительность испытаний.
2.4.2. Температурный режим циркуляционного кольца во время испытаний задается исходя из следующих условий:
разность между средней температурой воды по всем участкам кольца и температурой окружающей среды во время испытаний принимается равной среднегодовому значению разности средней по подающему и обратному трубопроводу температуры воды и температуры окружающей среды по данной сети;
понижение температуры воды
в циркуляционном
кольце за счет его тепловых потерь при испытаниях должно составлять не менее 8
и не более 20 °С.
При наличии на испытываемом кольце участков с различными типами прокладки и конструкциями изоляции понижение температуры воды в кольце выбирается в соответствии с формулой:
, (2)
где
- минимально допустимое понижение
температуры воды в подающей или обратной линии на участке с наименьшей
материальной характеристикой
, принимаемое равным 2 °С из условий обеспечения требуемой точности измерений температуры;
-
отношение наименьшей материальной характеристики для подающего или обратного
трубопровода участка испытываемого кольца
к суммарной материальной
характеристике подающего
и обратного
трубопроводов для всего кольца в целом.
При значении отношения
< 0,1 тепловые потери на
соответствующих участках испытываемого кольца, как правило, отдельно не
измеряются.
Температуры воды в подающем и обратном трубопроводах испытываемого кольца на выходе из теплоподготовительной установки и на входе в нее определяются по формулам, °С:
. (4)
где
и
- среднегодовые температуры воды в
подающем и обратном трубопроводах испытываемой сети, °С; подсчитываются как
среднеарифметические из среднемесячных температур сетевой воды, определенных по
утвержденному эксплуатационному температурному графику при среднемесячных
температурах наружного воздуха;
- ожидаемая усредненная по всем участкам
кольца температура окружающей среды во время испытаний, °С;
- усредненная по тем же участкам
среднегодовая температура окружающей среды, °С.
При наличии в пределах испытываемого кольца участков как с подземной, так и с надземной прокладкой тепловой сети усредненные температуры окружающей среды подсчитываются соответственно по формулам, °С:
; (5)
; (6)
где
и
- соответственно средние за месяц
проведения испытаний температуры грунта на среднем уровне оси теплопроводов и
наружного воздуха, °С;
и
-
соответственно среднегодовые температуры грунта и наружного воздуха, °С;
и
-
материальные характеристики для подающей или обратной линии по всем участкам
соответственно подземной и надземной прокладки, расположенным в пределах
испытываемого циркуляционного кольца, м2;
-
суммарная материальная характеристика для подающей или обратной линии по всем
участкам испытываемого кольца, м2.
, (7)
где b - коэффициент местных потерь, учитывающий тепловые потери арматуры, опор и компенсаторов; принимается согласно СНиП 2.04.14-88 «Тепловая изоляция оборудования и трубопроводов» для бесканальной прокладки равным 1,15, для канальной и надземной в зависимости от диаметра условного прохода трубопроводов: до 150 мм - 1,2, 150 мм и более - 1,15;
-
значения удельных тепловых потерь данной тепловой сети суммарное для подающего
и обратного трубопроводов каждого диаметра подземной (канальной и бесканальной)
прокладки при температурном режиме испытаний, Вт/м или ккал/(м×ч);
и
- значения
удельных тепловых потерь данной тепловой сети соответственно по подающей и
обратной линиям для каждого диаметра труб надземной прокладки при температурном
режиме испытаний, Вт/м или ккал/(м×ч).
Значения удельных тепловых потерь для подземной и надземной прокладок определяются, исходя из норм тепловых потерь при температурном режиме и циркуляционном кольце во время испытаний по формулам, Вт/м или ккал/(м×ч):
; (8)
; (9)
; (10)
где значения
,
, и
принимаются по «Нормам
проектирования тепловой изоляции для трубопроводов и оборудования электрических
станций и тепловых сетей» (М.: Госэнергоиздат, 1959) при испытаниях участков
тепловых сетей, тепловая изоляция которых выполнена в соответствии с данными
Нормами, или по нормам плотности теплового потока для тепловых сетей с тепловой
изоляцией, выполненной по нормам СНиП 2.04.14-88
(приложение 2),
при среднегодовых температурах сетевой воды и окружающей среды.
Значения удельных тепловых потерь при температурах, отличающихся от нормативных, определяются путем линейной интерполяции (или экстраполяции).
Средние температуры воды при режиме испытании соответственно в подающем и обратном трубопроводах испытываемого кольца определяются по формулам, °С:
; (11)
(12)
2.1.4. Расчетный расход воды в циркуляционном кольце во время испытаний определяется по формуле, кг/с или т/ч:
, (13)
где с - удельная теплоемкость сетевой воды, принимается равной 4,19×103 Дж/(кг×°С) или 1 ккал/(кг×°С).
Предполагаемое значение часовой подпитки сети при испытаниях принимается равным 0,5 % суммарного объема трубопроводов в пределах испытываемого циркуляционного кольца.
2.4.5. Ожидаемая продолжительность пробега частиц воды по испытываемому циркуляционному кольцу определяется по формулам, ч:
при
в кг/с
; (14)
при
в т/ч
где V - суммарный объем труб испытываемого циркуляционного кольца в пределах от выхода до входа их в теплоподготовительную установку, м3;
r - плотность воды в испытываемом кольце при средней температуре воды
, кг/м3.
2.5.1. Циркуляция воды в испытываемом кольце создается насосом небольшой подачи, в качестве которого может быть использован летний сетевой насос или другое оборудование источника тепла.
2.5.2. В качестве водоподогревательного оборудования при испытаниях должны использоваться теплообменники, обеспечивающие тепловую мощность, соответствующую расчетным потерям тепловой энергии в циркуляционном кольце, а также возможность поддержания заданной расчетной температуры на выходе из источника при относительно небольшом расходе воды при испытаниях.
2.5.3. На конечном участке испытываемого кольца для перепуска воды из подающей линии в обратную устанавливается циркуляционная перемычка, рассчитанная на потери напора в ней 1 - 2 м.
Для перепуска воды из подающей линии в обратную могут быть использованы также элеваторные перемычки вводов, расположенных за конечным участком испытываемого кольца. Сопла элеваторов при этом должны быть удалены.
2.5.4. Непосредственно перед началом испытаний все ответвления, не подвергающиеся испытаниям, перемычки между подающим и обратным трубопроводами, а также при необходимости тепловые вводы потребителей сети, кроме используемых в качестве перемычек за конечным участком, должны быть отключены от испытываемого кольца. Плотность отключения должна быть тщательно проверена.
2.6.l. При тепловых испытаниях сети подлежат измерению: расход воды, циркулирующей по испытываемому кольцу, расход подпиточной воды и температура воды в точках наблюдения.
Кроме того, должно контролироваться давление в обратной линии испытываемого кольца на входе ее в теплоподготовительную установку.
2.6.2. Расходы сетевой и подпиточной воды, как правило, измеряются посредством сужающих устройств (измерительных диафрагм), установленных на подающей или обратной линии, а также на подпиточной линии. К измерительным диафрагмам должны быть присоединены расходомеры переменного перепада давлений.
Измерительные диафрагмы должны быть рассчитаны на расходы сетевой и подпиточной воды, которые были выявлены при определении параметров испытаний.
Расчет и установка новых диафрагм должны производиться согласно «Правилам измерения расхода жидкостей, газов и паров стандартными диафрагмами и соплами» (РД 50-213-80).
Допускается использовать иные средства измерения расхода, имеющие действующий сертификат о калибровке.
2.6.3. Температура воды в испытываемом циркуляционном кольце должна измеряться отдельно по подающей и обратной линиям и точках, расположенных на границах участков, определенных в соответствии с п. 2.3.4 настоящих Методических указаний. В конечной точке испытываемого кольца в месте установки циркуляционной перемычки устанавливается один термометр.
Термометр на обратном трубопроводе в теплоподготовительной установке размещается до точки врезки подпиточного трубопровода по ходу воды.
Температура воды, а также температура наружного воздуха во время испытаний измеряется лабораторными термометрами с ценой деления 0,1 °С.
2.6.4. Все применяемые при испытаниях средства измерения должны быть проверены в соответствии с действующими положениями.
Перед проведением испытаний составляются техническая и рабочая программы испытаний.
2.7.1. Техническая программа испытаний должна содержать:
наименование объекта, цель испытаний и их объем;
перечень подготовительных работ и сроки их проведения;
условия проведения испытаний;
этапы проведения испытаний, их последовательность и ожидаемая продолжительность каждого этапа и испытаний в целом;
режим работы оборудования источника тепла, испытываемых участков и связанных с ними тепловых сетей на каждом этапе, расчетные параметры, их допустимые отклонения и предельные значения параметров;
режим работы оборудования источника тепла и тепловой сети после окончания испытаний;
требования техники безопасности при проведении испытаний;
перечень лиц, ответственных за подготовку и проведение испытаний;
перечень лиц, согласовывающих техническую программу,
2.7.2. Рабочая программа испытаний должна содержать:
перечень работ, выполняемых непосредственно перед испытаниями (подготовка оборудования, сборка схемы на источнике тепла и по сети, установка средств измерений, подготовка системы связи и сигнализации и др.), данные по исходному состоянию оборудования;
перечень мероприятий по подготовке наблюдателей, включая проведение инструктажа по ведению измерений и действиям при отклонениях от режима и неисправностях средств измерений; проведение инструктажа по технике безопасности при испытаниях;
перечень организаций и должностных лиц, ответственных за техническую и оперативную части испытаний;
перечень организаций и лиц, согласовывающих рабочую программу испытаний;
перечень и последовательность технологических операций по подготовке и проведению режимов испытаний;
график проведения испытаний (время начала и окончания каждого этапа и испытаний в целом);
указания о возможной корректировке графика испытаний (перерывов, повторение режимов, прекращение испытаний и др.) по промежуточным результатам испытаний;
указания о режиме работы оборудования после завершения испытаний;
требования техники безопасности при проведении испытаний;
перечень лиц, ответственных за обеспечение и проведение испытаний;
необходимые схемы, чертежи, графики.
2.8.1. Осуществление разработанных гидравлических и температурных режимов испытаний производится в следующем порядке:
включаются расходомеры на линиях сетевой и подпиточной воды и устанавливаются термометры на циркуляционной перемычке конечного участка кольца, на выходе трубопроводов из теплоподготовительной установки и на входе в нее;
устанавливается определенный расчетом расход воды по циркуляционному кольцу, который поддерживается постоянным в течение всего периода испытаний;
устанавливается давление в обратной линии испытываемого кольца на входе ее в теплоподготовительную установку;
устанавливается температура
воды в подающей линии
испытываемого кольца на выходе из теплоподготовительной установки, определенная
по (3).
2.8.2. Отклонение расхода сетевой воды в циркуляционном кольце не должно превышать ±2 °С расчетного значения.
Температура воды в подающей линии должна поддерживаться постоянной с точностью ±0,5 °С.
2.8.3. Определение тепловых потерь при подземной прокладке сетей производится при установившемся тепловом состоянии, что достигается путем стабилизации температурного поля в окружающем теплопроводы грунте, при заданном режиме испытаний.
Продолжительность достижения установившегося теплового
состояния испытываемого кольца зависит от исходного состояния и температурного
режима работы сети до испытаний и обычно находится в пределах (2 ¸ 8)
, где
определяется по (15).
Показателем достижения установившегося теплового состояния грунта на испытываемом кольце является постоянство температуры воды в обратной линии кольца на входе в теплоподготовительную установку в течение 4 ч.
Во время прогрева грунта измеряются расходы циркулирующей и подпиточной воды, температура сетевой воды на входе в теплоподготовительную установку и выходе из нее и на перемычке конечного участка испытываемого кольца. Результаты измерений фиксируются одновременно через каждые 30 мин.
Продолжительность периода достижения установившегося
теплового состояния кольца существенно сокращается, если перед испытанием
горячее водоснабжение присоединенных к испытываемой магистрали потребителей
осуществлялось при температуре воды в подающей линии, близкой к температуре
испытаний
.
2.8.4. Начиная с момента достижения установившегося теплового
состояния во всех намеченных точках наблюдения устанавливаются термометры и
измеряется температура воды. Запись показаний термометров и расходомеров
ведется одновременно с интервалом 10 мин. Продолжительность основного режима
испытаний должна составлять не менее
+ (8 ¸ 10) ч.
2.8.5. На заключительном этапе испытаний методом
«температурной волны» уточняется
воды по циркуляционному кольцу,
предварительно определенная по (15). На этом этапе температура воды в подающей
линии за 20 - 40 мин повышается на 10 - 20 °С по сравнению со
значением
и
поддерживается постоянной на этом уровне в течение 1 ч. Затем с той же
скоростью температура воды понижается до значения
, которое и поддерживается до
конца испытаний.
Расход воды при режиме «температурной волны» остается неизменным. Прохождение «температурной волны» по испытываемому кольцу фиксируется с интервалом 10 мин во всех точках наблюдения, что дает возможность определить фактическую продолжительность пробега частиц воды но каждому участку испытываемого кольца.
Испытания считаются законченными после того, как «температурная волна» будет отмечена в обратной линии кольца на входе в теплоподготовительную установку.
2.8.6. Суммарная продолжительность основного режима
испытаний и периода пробега «температурной волны» составляет 2
+ (10 ¸ 12) ч.
2.9.1. В результате испытаний определяются тепловые потери для каждого из участков испытываемого кольца отдельно по подающей и обратной линиям.
2.9.2. Для выявления периода, в течение которого температурный режим испытании был наиболее близок к установившемуся, необходимо построить по всем точкам измерений график изменения температуры.
По каждому наблюдательному пункту должны быть усреднены значения температуры воды, полученные при 20 - 30 последовательных измерениях в тот период, когда режим испытаний был наиболее близок к установившемуся. За этот же период усредняются значения расходов сетевой и подпиточной воды.
Усредняемые значения температуры должны быть смещены по времени на фактическую продолжительность пробега воды между точками измерения, определенную методом «температурной волны».
2.9.3. Тепловые потери по подающему
и обратному
трубопроводам
для каждого из участков испытываемого кольца определяются по формулам, Вт или
ккал/ч:
где
- усредненный расход сетевой воды в
подающей линии на выходе из теплоподготовительной установки, кг/с (т/ч);
-
усредненный расход подпиточной воды, кг/с (т/ч);
и
- усредненные
температуры воды в начале и конце подающего трубопровода на участке, °С;
и
-
усреднение температуры воды в начале и конце обратного трубопровода на участке,
°С.
2.9.4. При наличии на испытанном участке циркуляционного кольца отрезков трубопровода с другими типами прокладок или конструкциями изоляции незначительной протяженности, на которых температурный перепад не измеряется, обработка результатов испытаний такого участка производится следующим образом:
по (16) и (17) определяются фактические тепловые потери по подающей и обратной линиям на испытанном участке, включающем нехарактерные отрезки трубопровода;
для каждого нехарактерного отрезка рассчитываются средние температуры воды по подающему и обратному трубопроводам, °С:
; (18)
, (19)
где
и
- материальные характеристики
соответственно подающего и обратного трубопроводов на всем испытанном участке
циркуляционного кольца, м2;
и
-
материальные характеристики соответственно подающего и обратного трубопроводов
части участка циркуляционного кольца от начала участка до места расположения
нехарактерного отрезка, м2;
и
-
материальные характеристики соответственно подающего и обратного трубопроводов
нехарактерного отрезка, м2.
По методу, указанному в п. 2.4.3 настоящих Методических
указаний, определяются приближенные тепловые потери нехарактерного отрезка
трубопровода при температурном режиме испытаний; при этом L
- длина нехарактерного отрезка (м), а значения
,
и
находятся по температурам
,
и средним за
время испытаний температурам грунта и окружающего воздуха.
Фактические тепловые потери по основной части испытанного участка циркуляционного кольца, используемые для дальнейших расчетов, определяются как разность тепловых потерь по каждому из трубопроводов по (16), (17) и на нехарактерных отрезках трубопроводов.
3.1. Полученные по результатам испытаний фактические тепловые потери, пересчитанные на среднегодовые температурные условия работы тепловой сети, используются как основа для последующего нормирования тепловых потерь тепловыми сетями электроснабжающей организации на пятилетний период, а также для оценки изменения теплотехнических свойств теплоизоляционных конструкций и технического состояния тепловых сетей в целом.
3.2. Оценка фактических тепловых потерь для среднегодовых условий производится путем их сопоставления с соответствующими значениями тепловых потерь, определенных по Нормам, приведенных в приложении 2.
3.2.1. Пересчет фактических тепловых потерь для всех испытанных участков тепловой сети на среднегодовые условия ее работы производится по формулам, Вт или ккал/ч:
для участков подземной прокладки, суммарно по подающему и обратному трубопроводам
; (20)
для участков надземной прокладки раздельно по подающему и обратному трубопроводам
; (21)
, (22)
где
и
- температура грунта и окружающего
воздуха, средняя за время испытания, °С.
3.2.2. Значения среднегодовых тепловых потерь по нормам для испытанных участков данной тепловой сети определяются по формулам, Вт или ккал/ч:
для участков подземной прокладки
; (23)
для участков надземной прокладки
; (24)
, (25)
где значения
,
,
и b определяются
согласно п. 2.4.3
настоящих Методических указаний.
3.2.3. Соотношения фактических и определенных по нормам тепловых потерь определяются по формулам:
для участков подземной прокладки
; (26)
для участков надземной прокладки
; (27)
. (28)
3.3. При анализе результатов испытаний необходимо иметь в виду следующее:
соотношения K показывают, на какое значение фактические тепловые потери отличаются от соответствующих потерь, определенных по нормам проектирования тепловой изоляции для различных видов прокладки. Так как нормативными документами не предусматривается определение тепловых потерь и их соответствие нормам при вводе тепловых сетей в эксплуатацию, то изменение технического состояния теплоизоляционной конструкции в процессе эксплуатации определяется динамикой изменения фактических тепловых потерь при регулярном проведении испытаний с установленной ПТЭ периодичностью;
одинаковые значения соотношений K по видам прокладки (подземной и надземной) отражают различное техническое состояние теплоизоляционных конструкций. Для подземных прокладок меньше диапазон изменения коэффициентов K при ухудшении теплотехнических свойств изоляции, а также, как правило, ниже абсолютные значения K, чем для надземной прокладки;
значения соотношений K для тепловых сетей, изоляция которых выполнена по ранее действовавшим нормам тепловых потерь и по которым спроектировано большинство действующих сетей, ниже из-за более высоких абсолютных значений удельных тепловых потерь, чем для тепловых сетей с изоляцией по нормам СНиП 2.04.14-88.
3.4. Определение эксплуатационных нормируемых тепловых потерь всей сетью на основании анализа результатов испытаний на предстоящий период, а также сопоставление фактических и нормативных эксплуатационных тепловых потерь за прошедший период должно осуществляться в соответствии с методическими указаниями по составлению энергетической характеристики тепловых сетей по показателю тепловых потерь.
Таблица 1
Материальная характеристика водяных тепловых сетей на балансе энергопредприятия
|
Участок сети |
Тип прокладки, конструкция тепловой изоляции |
Год ввода в эксплуатацию |
Наружный диаметр |
Длина участка L, м |
Материальная характеристика М, м2 |
Доля материальной характеристики по типу прокладки или конструкции и изоляции |
Таблица 2
Материальная характеристика испытываемых участков тепловой сети
|
Участок сети |
Тип прокладки, конструкция тепловой изоляции |
Наружный диаметр |
Длина участка L, м |
Объем трубопровода V, м3 |
Материальная характеристика М, м2 |
Таблица 3
Среднемесячные и среднегодовые температуры окружающей среды и сетевой воды
|
Месяц, год |
Температура, °С |
Температура сетевой воды в трубопроводах, °С |
||
|
грунта на средней глубине
залегания |
наружного воздуха |
подающем |
обратном |
|
Таблица 4
Расчет потерь тепла на испытанных участках тепловой сети
|
Участок сети |
Тип прокладки, конструкция тепловой изоляции |
Расход сетевой и подпиточной воды, кг/с (т/ч) |
Температура воды в начале и конце участка, °С |
Температура окружающей среды при испытаниях, °С |
Фактические тепловые
потери |
||
|
|
|
|
|
||||
Таблица 5
Результаты сопоставления тепловых потерь
|
Участок сети |
Тип прокладки, конструкция тепловой изоляции |
Фактические тепловые
потери, приведенные, к среднегодовым условиям |
Определенные по нормам
тепловые потери, приведенные к среднегодовым условиям |
Соотношение фактических и определенных по нормам тепловых потерь K |
1. Нормы потерь тепла изолированными водяными теплопроводами, расположенными в непроходных каналах и при бесканальной прокладке (с расчетной среднегодовой температурой грунта +5 °С на глубине заложения теплопроводов)
|
Наружный диаметр труб |
Нормы потерь тепла, Вт/м [ккал/(м2×ч)] |
|||
|
обратного теплопровода
при средней температуре воды ( |
двухтрубной прокладки при
разности среднегодовых температур воды и грунта 52,5 °С ( |
двухтрубной прокладки при
разности среднегодовых температур воды и грунта 65 °С ( |
двухтрубной прокладки при
разности среднегодовых температур воды и грунта 75 °С ( |
|
|
32 |
23 (20) |
52 (45) |
60 (52) |
67 (58) |
|
57 |
29 (25) |
65 (56) |
75 (65) |
84 (72) |
|
76 |
34 (29) |
75 (64) |
86 (74) |
95 (82) |
|
89 |
36 (31) |
80 (69) |
93 (80) |
102 (88) |
|
108 |
40 (34) |
88 (76) |
102 (88) |
111 (96) |
|
159 |
49 (42) |
109 (94) |
124 (107) |
136 (117) |
|
219 |
59 (51) |
131 (113) |
151 (130) |
165 (142) |
|
273 |
70 (60) |
154 (132) |
174 (150) |
190 (163) |
|
325 |
79 (68) |
173 (149) |
195 (168) |
212 (183) |
|
377 |
88 (76) |
191 (164)* |
212 (183) |
234 (202) |
|
426 |
95 (82) |
209 (180)* |
235 (203) |
254 (219) |
|
478 |
106 (91) |
230 (198)* |
259 (223) |
280 (241) |
|
529 |
117 (101) |
251 (216)* |
282 (243) |
303 (261) |
|
630 |
133 (114) |
286 (246)* |
321 (277) |
345 (298) |
|
720 |
145 (125) |
316 (272)* |
355 (306) |
379 (327) |
|
820 |
164 (141) |
354 (304)* |
396 (341) |
423 (364) |
|
920 |
180 (155) |
387 (333)* |
433 (373) |
463 (399) |
|
1020 |
198 (170) |
426 (366)* |
475 (410) |
506 (436) |
|
1220 |
233 (200) |
499 (429) |
561 (482) |
591 (508) |
|
1420 |
265 (228) |
568 (488) |
644 (554) |
675 (580) |
|
Примечания: 1. Отмеченные знаком «*» значения удельных тепловых потерь приведены как оценочные из-за отсутствия в Нормах соответствующих значений удельных тепловых потерь для подающего трубопровода. 2. Удельные тепловые потери для диаметров 1220 и 1420 мм из-за их отсутствия в Нормах определены методом экстраполяции и приведены как рекомендуемые значения. |
||||
2. Нормы потерь тепла одним изолированным водяным теплопроводом при надземной прокладке с расчетной среднегодовой температурой наружного воздуха +5 °С
|
Наружный диаметр труб |
Нормы потерь тепла, Вт/м [ккал / (м2 × ч)] |
|||
|
Разность среднегодовой температуры сетевой воды в подающем или обратном трубопроводах и наружного воздуха, °С |
||||
|
45 |
70 |
95 |
120 |
|
|
32 |
17 (15) |
27 (23) |
36 (31) |
44 (38) |
|
49 |
21 (18) |
31 (27) |
42 (36) |
52 (45) |
|
57 |
24 (21) |
35 (30) |
46 (40) |
57 (49) |
|
76 |
29 (25) |
41 (35) |
52 (45) |
64 (55) |
|
82 |
32 (28) |
44 (38) |
58 (50) |
70 (60) |
|
108 |
36 (31) |
50 (43) |
64 (55) |
78 (67) |
|
133 |
41 (35) |
56 (48) |
70 (60) |
86 (74) |
|
159 |
44 (38) |
58 (50) |
75 (65) |
93 (80) |
|
194 |
49 (42) |
67 (58) |
85 (73) |
102 (88) |
|
219 |
53 (46) |
70 (60) |
90 (78) |
110 (95) |
|
273 |
61 (53) |
81 (70) |
101 (87) |
124 (107) |
|
325 |
70 (60) |
93 (80) |
116 (100) |
139 (120) |
|
377 |
82 (71) |
108 (93) |
132 (114) |
157 (135) |
|
426 |
95 (82) |
122 (105) |
148 (128) |
174 (150) |
|
478 |
103 (89) |
131 (113) |
158 (136) |
186 (160) |
|
529 |
110 (95) |
139 (120) |
168 (145) |
197 (170) |
|
630 |
121 (104) |
154 (133) |
186 (160) |
220 (190) |
|
720 |
133 (115) |
168 (145) |
204 (176) |
239 (206) |
|
820 |
157 (135) |
195 (168) |
232 (200) |
270 (233) |
|
920 |
180 (155) |
220 (190) |
261 (225) |
302 (260) |
|
1020 |
209 (180) |
255 (220) |
296 (255) |
339 (292) |
|
1420 |
267 (230) |
325 (280) |
377 (325) |
441 (380) |
3. Нормы плотности теплового потока через изолированную поверхность трубопроводов двухтрубных водяных тепловых сетей при прокладке в непроходных каналах, Вт/м [ккал / (м2×ч)]
|
Условный проход трубопровода, мм |
При числе часов работы в год 5000 и менее |
При числе часов работы в год более 5000 |
||||||||||
|
Трубопровод |
||||||||||||
|
подающий |
обратный |
подающий |
обратный |
подающий |
обратный |
подающий |
обратный |
подающий |
обратный |
подающий |
обратный |
|
|
Среднегодовая температура теплоносителя, °С |
||||||||||||
|
65 |
50 |
90 |
50 |
110 |
50 |
65 |
50 |
90 |
50 |
110 |
50 |
|
|
25 |
18 (15) |
12 (10) |
26 (22) |
11 (9) |
31 (27) |
10 (9) |
16 (14) |
11 (9) |
23 (20) |
10 (9) |
28 (24) |
9 (8) |
|
30 |
19 (16) |
13 (11) |
27 (23) |
12 (10) |
33 (28) |
11 (9) |
17 (15) |
12 (10) |
24 (21) |
11 (9) |
30 (26) |
10 (9) |
|
40 |
21 (18) |
14 (12) |
29 (25) |
13 (11) |
36 (31) |
12 (10) |
18 (15) |
13 (11) |
26 (22) |
12 (10) |
32 (28) |
11 (9) |
|
50 |
22 (19) |
15 (13) |
33 (28) |
14 (12) |
40 (34) |
13 (11) |
20 (17) |
14 (12) |
28 (24) |
13 (11) |
35 (30) |
12 (10) |
|
65 |
27 (23) |
19 (16) |
38 (33) |
16 (14) |
47 (40) |
14 (12) |
23 (20) |
16 (14) |
34 (29) |
15 (13) |
40 (34) |
13 (11) |
|
80 |
29 (25) |
20 (17) |
41 (35) |
17 (15) |
51 (44) |
15 (13) |
25 (22) |
17 (15) |
36 (31) |
16 (14) |
44 (38) |
14 (12) |
|
100 |
33 (28) |
22 (19) |
46 (40) |
19 (16) |
57 (49) |
17 (15) |
28 (24) |
19 (16) |
41 (35) |
17 (15) |
48 (41) |
15 (13) |
|
125 |
34 (29) |
23 (20) |
49 (42) |
20 (17) |
61 (53) |
18 (15) |
31 (27) |
21 (18) |
42 (36) |
18 (15) |
50 (43) |
16 (14) |
|
150 |
38 (33) |
26 (22) |
54 (46) |
22 (19) |
65 (56) |
19 (16) |
32 (28) |
22 (19) |
44 (38) |
19 (16) |
55 (47) |
17 (15) |
|
200 |
48 (41) |
31 (27) |
66 (57) |
26 (22) |
83 (71) |
23 (20) |
39 (34) |
27 (23) |
54 (46) |
22 (19) |
68 (59) |
21 (18) |
|
250 |
54 (46) |
35 (30) |
76 (65) |
29 (25) |
93 (80) |
25 (22) |
45 (39) |
30 (26) |
64 (55) |
25 (22) |
77 (66) |
23 (20) |
|
300 |
62 (53) |
40 (34) |
87 (75) |
32 (28) |
103 (89) |
28 (24) |
50 (43) |
33 (28) |
70 (60) |
28 (24) |
84 (72) |
25 (22) |
|
350 |
68 (59) |
44 (38) |
93 (80) |
34 (29) |
117 (101) |
29 (25) |
55 (47) |
37 (32) |
75 (65) |
30 (26) |
94 (81) |
26 (22) |
|
400 |
76 (65) |
47 (40) |
109 (94) |
37 (32) |
123 (106) |
30 (26) |
58 (50) |
38 (33) |
82 (71) |
33 (28) |
101 (87) |
28 (24) |
|
450 |
77 (66) |
49 (42) |
112 (96) |
39 (34) |
135 (116) |
32 (28) |
67 (58) |
43 (37) |
93 (80) |
36 (31) |
107 (92) . |
29 (25) |
|
500 |
88 (76) |
54 (46) |
125 (108) |
43 (37) |
167 (144) |
33 (28) |
68 (59) |
44 (38) |
98 (84) |
38 (33) |
117 (101) |
32 (28) |
|
600 |
98 (84) |
58 (50) |
140 (121) |
45 (39) |
171 (147) |
35 (30) |
79 (68) |
50 (43) |
109 (94) |
41 (35) |
132 (114) |
34 (29) |
|
700 |
107 (92) |
63 (54) |
163 (140) |
47 (40) |
185 (159) |
38 (33) |
89 (77) |
55 (47) |
126 (108) |
43 (37) |
151 (130) |
37 (32) |
|
800 |
130 (112) |
72 (62) |
181 (156) |
48 (41) |
213 (183) |
42 (36) |
100 (86) |
60 (52) |
140 (121) |
45 (39) |
163 (140) |
40 (34) |
|
910 |
138 (119) |
75 (65) |
190 (164) |
57 (49) |
234 (201) |
44 (38) |
106 (91) |
66 (57) |
151 (130) |
54 (46) |
186 (160) |
43 (37) |
|
1000 |
152 (131) |
78 (67) |
199 (171) |
59 (51) |
249 (214) |
49 (42) |
117 (101) |
71 (61) |
158 (136) |
57 (49) |
192 (165) |
47 (40) |
|
1200 |
185 (159) |
86 (74) |
257 (221) |
66 (57) |
300 (258) |
54 (46) |
144 (124) |
79 (68) |
185 (159) |
64 (55) |
229 (197) |
52 (45) |
|
1400 |
204 (176) |
90 (77) |
284 (245) |
69 (59) |
322 (277) |
58 (50) |
152 (131) |
82 (71) |
210 (181) |
68 (59) |
252 (217) |
56 (48) |
4. Нормы плотности потока через изолированную поверхность трубопроводов при двухтрубной подземной бесканальной прокладке водяных тепловых сетей, Вт/м [ккал/ (м2 × ч)]
|
Условный проход трубопровода, мм |
При числе часов работы в год 5000 и менее |
При числе часов работы в год более 5000 |
||||||
|
Трубопровод |
||||||||
|
подающий |
обратный |
подающий |
обратный |
подающий |
обратный |
подающий |
обратный |
|
|
Среднегодовая температура теплоносителя, °С |
||||||||
|
65 |
50 |
90 |
50 |
65 |
50 |
90 |
50 |
|
|
25 |
36 (31) |
27 (23) |
48 (41) |
26 (22) |
33 (28) |
25 (22) |
44 (38) |
24 (21) |
|
50 |
44 (38) |
34 (29) |
60 (52) |
32 (28) |
40 (34) |
31 (27) |
54 (46) |
29 (25) |
|
65 |
50 (43) |
38 (33) |
67 (58) |
36 (31) |
45 (39) |
34 (29) |
60 (52) |
33 (28) |
|
80 |
51 (44) |
39 (34) |
69 (59) |
37 (32) |
46 (40) |
35 (30) |
61 (53) |
34 (29) |
|
100 |
55 (47) |
42 (36) |
74 (64) |
40 (34) |
49 (42) |
38 (33) |
65 (56) |
35 (30) |
|
125 |
61 (53) |
46 (40) |
81 (70) |
44 (38) |
53 (46) |
41 (35) |
72 (62) |
39 (34) |
|
150 |
69 (59) |
52 (45) |
91 (78) |
49 (42) |
60 (52) |
46 (40) |
80 (69) |
43 (37) |
|
200 |
77 (66) |
59 (51) |
101 (87) |
54 (46) |
66 (57) |
50 (43) |
89 (77) |
48 (41) |
|
250 |
83 (71) |
63 (54) |
111 (96) |
59 (51) |
72 (62) |
55 (47) |
96 (83) |
51 (44) |
|
300 |
91 (78) |
69 (59) |
122 (105) |
64 (55) |
79 (68) |
59 (51) |
105 (90). |
56 (48) |
|
350 |
101 (87) |
75 (65). |
133 (115) |
69 (59) |
86 (74) |
65 (56) |
113 (97) |
60 (52) |
|
400 |
108 (93) |
80 (69) |
140 (121) |
73 (63) |
91 (78) |
68 (59) |
121 (104) |
63 (54) |
|
450 |
116 (100) |
86 (74) |
151 (130) |
78 (67) |
97 (84) |
72 (62) |
129 (111) |
67 (58) |
|
500 |
123 (106) |
91 (78) |
163 (140) |
83 (71) |
105 (90) |
78 (67) |
138 (119) |
72 (62) |
|
600 |
140 (121) |
103 (89) |
186 (160) |
94 (81) |
117 (101) |
87 (75) |
156 (134) |
80 (69) |
|
700 |
156 (134) |
112 (96) |
203 (175) |
100 (86) |
126 (108) |
93 (80) |
170 (146) |
86 (74) |
|
800 |
169 (146) |
122 (105) |
226 (195) |
109 (94) |
140 (121) |
102 (88) |
186 (160) |
93 (80) |
5. Нормы плотности теплового потока через изолированную поверхность трубопроводов при расположении на открытом воздухе, Вт/м [ккал / (м2×ч)]
|
Условный проход трубопровода, мм |
При числе часов работы в год более 5000 |
При числе часов работы в год 5000 и массе |
||||||
|
Средняя температура теплоносителя, °С |
||||||||
|
50 |
100 |
150 |
50 |
100 |
150 |
|||
|
Нормы линейной плотности теплового потока, Вт/м [ккал / (м2×ч)] |
||||||||
|
15 |
10 (9) |
20 (17) |
30 (26) |
11 (10) |
22 (19) |
34 (29) |
||
|
20 |
11 (10) |
22 (19) |
34 (29) |
13 (11) |
25 (22) |
38 (33) |
||
|
25 |
13 (11) |
25 (22) |
37 (32) |
15 (13) |
28 (24) |
42 (36) |
||
|
40 |
15 (13) |
29 (25) |
44 (38) |
18 (15) |
33 (28) |
49 (42) |
||
|
50 |
17 (15) |
31 (27) |
47 (40) |
19 (16) |
36 (31) |
53 (46) |
||
|
65 |
19 (16) |
36 (31) |
54 (46) |
23 (20) |
41 (35) |
61 (53) |
||
|
80 |
21 (18) |
39 (34) |
58 (50) |
25 (22) |
45 (39) |
66 (57) |
||
|
100 |
24 (21) |
43 (37) |
64 (55) |
28 (24) |
50 (43) |
73 (63) |
||
|
125 |
27 (23) |
49 (42) |
70 (60) |
32 (28) |
55 (48) |
81 (70) |
||
|
150 |
30 (26) |
54 (46) |
77 (66) |
35 (30) |
63 (54) |
89 (77) |
||
|
200 |
37 (32) |
65 (56) |
93 (80) |
44 (38) |
77 (66) |
109 (94) |
||
|
250 |
43 (37) |
75 (65) |
106 (91) |
51 (44) |
88 (76) |
125 (108) |
||
|
300 |
49 (42) |
84 (72) |
118 (102) |
59 (51) |
101 (87) |
140 (121) |
||
|
350 |
55 (47) |
93 (80) |
131 (113) |
66 (57) |
112 (96) |
155 (133) |
||
|
400 |
61 (53) |
102 (88) |
142 (122) |
73 (63) |
122 (105) |
170 (146) |
||
|
450 |
65 (56) |
109 (94) |
152 (131) |
80 (69) |
132 (114) |
182 (157) |
||
|
500 |
71 (61) |
119 (102) |
166 (143) |
88 (76) |
143 (123) |
197 (170) |
||
|
600 |
82 (71) |
130 (117) |
188 (162) |
100 (86) |
165 (142) |
225 (194) |
||
|
700 |
92 (79) |
151 (130) |
209 (180) |
114 (98) |
184 (158) |
250 (215) |
||
|
800 |
103 (89) |
167 (144) |
213 (183) |
128 (110) |
205 (177) |
278 (239) |
||
|
900 |
113 (97) |
184 (158) |
253 (218) |
141 (121) |
226 (195) |
306 (263) |
||
|
1000 |
124 (107) |
201 (173) |
275 (237) |
155 (133) |
247 (213) |
333 (287) |
||
|
Криволинейные поверхности диаметром более 1020 мм и плоские |
Нормы поверхностной плотности теплового потока, Вт/м2 [ккал / (м2×ч)] |
|||||||
|
35 (30) |
54 (46) |
70 (60) |
44 (38) |
71 (61) |
88 (76) |
|||
СОДЕРЖАНИЕ