Bus serial interface of electronic modules system. Test-plan for interface equipment complex. General requirements for test methods

ГОСТ Р 52071-2003

ГОСУДАРСТВЕННЫЙ СТАНДАРТ РОССИЙСКОЙ ФЕДЕРАЦИИ

 

Интерфейс магистральный последовательный
системы электронных модулей

ТЕСТИРОВАНИЕ КОМПЛЕКСА
АППАРАТНОГО ОБОРУДОВАНИЯ

Общие требования к методам контроля

 

 

 

ГОССТАНДАРТ РОССИИ

Москва

 

Предисловие

1 РАЗРАБОТАН Государственным научно-исследовательским институтом авиационных систем с участием Научно-исследовательского института стандартизации и унификации

ВНЕСЕН Главным управлением технической политики в области стандартизации Госстандарта России

2 УТВЕРЖДЕН И ВВЕДЕН В ДЕЙСТВИЕ Постановлением Госстандарта России от 5 июня 2003 г. № 182-ст

3 ВВЕДЕН ВПЕРВЫЕ

 

СОДЕРЖАНИЕ

1 Область применения. 1

2 Нормативные ссылки. 1

3 Термины, определения и сокращения. 1

4 Общие требования к аттестационному тестированию.. 2

5 Тесты электрических параметров информационной магистрали. 3

6 Тесты информационной системы.. 13

 

ГОСТ Р 52071-2003

ГОСУДАРСТВЕННЫЙ СТАНДАРТ РОССИЙСКОЙ ФЕДЕРАЦИИ

Интерфейс магистральный последовательный
системы электронных модулей

ТЕСТИРОВАНИЕ КОМПЛЕКСА АППАРАТНОГО ОБОРУДОВАНИЯ

Общие требования к методам контроля

Bus serial interface of electronic modules system. Test-plan for interface equipment complex.
General requirements for test methods

Дата введения 2004-01-01

1 Область применения

Настоящий стандарт распространяется на комплексы аппаратного оборудования магистрального последовательного интерфейса системы электронных модулей по ГОСТ Р 52070.

Стандарт устанавливает требования к тестам:

- электрических параметров информационной магистрали;

- информационной системы.

2 Нормативные ссылки

В настоящем стандарте использованы ссылки на следующий стандарт:

ГОСТ Р 52070-2003 Интерфейс магистральный последовательный системы электронных модулей. Общие требования

3 Термины, определения и сокращения

3.1 В настоящем стандарте применены термины по ГОСТ Р 52070, а также следующие термины с соответствующими определениями:

информационная система (система): Магистральный последовательный интерфейс по ГОСТ Р 52070 в конкретной реализации технических средств интерфейса.

штатное функционирование информационной системы: Функционирование тестируемой конкретной системы, предусматривающее передачу суммарного трафика по магистрали (магистралям), кроме сообщений по исправлению ошибок в случаях сбоя, не содержащее последовательности включения/выключения электропитания системы (устройств интерфейса) и других нерегулярных последовательностей.

штатная последовательность включения/выключения электропитания устройств интерфейса: Регламентированная последовательность действий по включению/выключению электропитания устройств интерфейса конкретной системы при подготовке ее к штатному функционированию.

регламентированный ответ: Состояние тестируемого модуля, при котором он выдает ответ на недопустимую команду, по формату и содержанию не отличающийся от ответа на допустимую команду.

недопустимый трафик: Трафик, состоящий из недопустимых командных слов и связанных с ними ответных слов и слов данных.

сигнальная линия высокого (низкого) уровня: Электрический проводник кабеля информационной магистрали, служащий для передачи кодированных сигналов высокого (низкого) уровня по ГОСТ Р 52070.

терминальная позиция (устройства интерфейса): Место подключения устройства интерфейса (терминала) к информационной магистрали.

мониторирование (магистрали, системы, трафика): Отслеживание (с регистрацией) передачи информации посредством монитора шины.

3.2 В настоящем стандарте применены следующие сокращения:

- КШ - контроллер шины;

- ОУ - оконечное устройство;

- МШ - монитор шины;

- КС - командное слово;

- СД - слово данных;

- ОС - ответное слово;

- НС - нормальное состояние;

- ТМ - тестируемый модуль;

- ТД - технические документы.

4 Общие требования к аттестационному тестированию

4.1 Настоящий стандарт устанавливает единые требования к проведению аттестационных тестов (далее - тесты, системные тесты) для любой информационной магистральной системы передачи информации комплексов аппаратного оборудования (далее - система), удовлетворяющей требованиям ГОСТ Р 52070.

Тесты могут быть проведены в любой последовательности, если не указано особо, и в комбинации между собой, а также с тестами функциональных подсистем, которые объединены информационной (информационными) магистралью (магистралями).

Для аттестации конкретной системы, содержащей индивидуальные специальные требования к ее характеристикам, которые не противоречат требованиям ГОСТ Р 52070, допускается изменение требований к тестированию, определенных в настоящем стандарте, для создания новых процедур в рамках комплекта системных тестов.

Требования настоящего стандарта применяют в соответствии с указаниями, определенными в ТД, или положениями о функционировании на конкретную систему.

Состав тестов и методики тестирования конкретной системы зависят от ее функциональных возможностей, особенностей конструкции, наличия физического доступа к контрольным точкам, а также от наличия необходимых аттестованных средств тестирования. Отдельные тесты только определены в настоящем стандарте, а требования к их проведению могут быть представлены лишь в ТД на конкретную систему.

4.2 При проведении тестов средствами тестирования должна постоянно контролироваться корректность (достоверность) передачи информации на соответствие требованиям ГОСТ Р 52070 по следующим параметрам:

- время ответа в режиме ОУ;

- непрерывность передачи данных;

- соответствие характеристик информационных сигналов требованиям ГОСТ Р 52070;

- соответствие числа информационных разрядов в слове;

- контроль по нечетности;

- соответствие числа СД значению, указанному в поле «Число СД» КС;

- соответствие кода собственного адреса ТМ в ОС;

- установка в 0 резервных разрядов признаков и аппаратного разряда в ОС;

- соответствие характеристик и формы синхросигнала;

- соответствие интервалов между сообщениями;

- соответствие синхросигналов;

- допустимость трафика в информационной магистрали.

Тестирующее сообщение считают некорректным и информационную систему не соответствующей требованиям тестирования, если в любой момент времени при проведении теста хотя бы один из перечисленных выше параметров не будет удовлетворять требованиям ГОСТ Р 52070.

4.3 При проведении тестов электрических параметров все нетестируемые (свободные) терминальные позиции информационной магистрали (далее - магистраль), если не указано иначе, нагружают сопротивлением (регламентированной нагрузкой), Ом:

1000 - для ответвителя с трансформаторной связью;

2000 - для ответвителя с непосредственной связью.

В случае, если размах выходного сигнала ОУ определен, то его значение тестируют при изменении электрического режима функционирования магистрали - при закорачивании ответвителя или его размыкании (на разъеме подключения устройства интерфейса к ответвителю). В режиме «короткое замыкание» ответвитель нагружают сопротивлением, Ом:

0 - для ответвителя с трансформаторной связью;

110 - для ответвителя с непосредственной связью.

Ссылки в требованиях настоящего стандарта на КШ или ОУ следует относить к использованию тестового оборудования, моделирующего функции этих устройств.

5 Тесты электрических параметров информационной магистрали

5.1 Электрическая целостность информационной магистрали

Тесты должны подтверждать соответствие характеристик электропроводности и сопротивления магистрали по постоянному току требованиям ГОСТ Р 52070 и настоящего стандарта. Тесты могут быть проведены после обнаружения несоответствия критерию тестирования целостности информационного маршрута по 5.8 для изоляции участка магистрали, на котором выявлено несоответствие этому критерию. Тесты могут быть проведены также для проверки целостности магистрали перед проведением других тестов, если точки измерения доступны. Тесты проводят с разомкнутой цепью всех ответвителей со стороны подключения устройств интерфейса (на терминальной позиции).

5.1.1 Электропроводность экрана информационной магистрали

Электропроводность экрана магистрали измеряют в каждой точке соединения магистрали. Точкой измерения может быть экранирующая оплетка кабеля или внешний металлический корпус компонентов магистрали. Измерения проводят между каждой точкой соединения магистральной шины (далее - шина) и соответствующей точкой подключения каждого устройства интерфейса, а также по отдельным участкам между соседними точками подключения вдоль шины.

Сопротивление экрана должно быть менее 0,0393 Ом/м. Для измерения истинного (действительного) значения сопротивления экрана, но не заземленной системы, магистраль должна быть изолирована от заземления. Если изолировать магистраль от заземления невозможно, то необходимо испытать составляющие компоненты магистрали до их установки в ответвителях и на участках шины, проводя измерения «точка-точка».

5.1.2 Электропроводность сигнальных линий (проводников) информационной магистрали

Тест допускается не проводить, если отсутствует доступ к сигнальным линиям высокого и низкого уровней, а согласующие резисторы шины являются частью ее конструкции и удалить их невозможно.

Для проведения теста согласующие резисторы шины удаляют и непосредственно соединяют («закорачивают») сигнальную линию высокого уровня с экраном шины на одном ее конце.

Измеряют сопротивление между сигнальной линией высокого уровня и экраном на противоположном конце шины. При наличии в магистрали ответвителей с непосредственной связью «закорачивают» шину с одной стороны и измеряют сопротивление между сигнальной линией высокого уровня и экраном каждого ответвителя с непосредственной связью со стороны разъемов подключения устройств интерфейса.

Сопротивление при проведении теста зависит от расстояния между точками измерения и «закороченными» точками. Значение его должно быть менее 0,17 Ом/м. Тест повторяют для сигнальной линии низкого уровня и экрана. Сопротивление, измеренное между сигнальной линией высокого уровня и экраном, должно отличаться от соответствующего сопротивления, измеренного между сигнальной линией низкого уровня и экраном, не более чем на 10 %.

Тест проводят без разветвителей с трансформаторными связями. Если трансформаторные разветвители удалить невозможно, то измерения проводят при «закорачивании» сигнальных линий с экраном шины рядом с расположением наибольшего числа трансформаторных соединений.

5.1.3 Сопротивление изоляции информационной магистрали

Тест допускается не проводить, если согласующие резисторы или разветвители с трансформаторными связями являются частью конструкции магистрали и удалить их невозможно.

При проведении теста согласующие резисторы шины и разветвители с трансформаторными связями удаляют из магистрали. Сопротивление изоляции магистрали измеряют между:

- сигнальными линиями высокого и низкого уровней;

- экраном и сигнальной линией высокого уровня;

- экраном и сигнальной линией низкого уровня.

Сопротивление изоляции должно быть более 1 МОм.

5.1.4 Сопротивление ответвителей с трансформаторными связями

Активное сопротивление между сигнальными линиями высокого и низкого уровней ответвителя с трансформаторной связью измеряют в точке А (рисунок 1), где (и везде далее) Rc - активное сопротивление согласующего резистора, равное волновому сопротивлению магистральной шины Z0.

Рисунок 1 - Измерение активного сопротивления ответвителя с трансформаторной связью

Сопротивление указанных ответвителей должно быть менее 5 Ом.

5.1.5 Сопротивление защитных резисторов разветвителя с трансформаторной связью

Тест допускается не проводить, если разветвители с трансформаторной связью являются частью конструкции магистрали и отключить их невозможно.

При проведении теста определяют максимальное значение сопротивления защитных резисторов в каждом разветвителе с трансформаторной связью. Измеряемый разветвитель отключают от магистральной шины. Сопротивление измеряют между сигнальными линиями высокого и низкого уровней на входе/выходе разветвителя.

Сопротивление защитных резисторов для каждого разветвителя с одним шлейфом должно быть от 102 до 132 Ом, для многошлейфовых разветвителей - от 102/n до 132/n Ом, где п - число шлейфов разветвителя.

5.1.6 Сопротивление изоляции разветвителя с трансформаторной связью

Тест допускается не проводить, если нет доступа к сигнальным линиям разветвителя.

Измеряемый разветвитель отключают от шины, а шлейф, подключенный к нему, - от устройства интерфейса. Сопротивление измеряют между одной из сигнальных линий входа/выхода магистральной шины разветвителя и одной из сигнальных линий шлейфа со стороны подключения к нему устройства интерфейса. Тест повторяют для каждого разветвителя.

Сопротивление изоляции должно быть более 10 МОм.

5.2 Импеданс информационной магистрали

Тесты должны подтверждать значение импеданса магистральной шины в конкретной топологии.

Последовательность тестирования:

- шаг 1 - ответвители, неиспользуемые при тестировании, нагружают сопротивлениями, как указано в 4.3;

- шаг 2 - начиная с состояния, определенного на шаге 1, поочередно вводят состояние размыкания («обрыва») во все ответвители. После размыкания очередной ответвитель должен оставаться разомкнутым, пока шаг 2 тестирования не завершится. Импеданс измеряют и регистрируют после каждого размыкания;

- шаг 3 - начиная с состояния, определенного на шаге 1, поочередно вводят состояние «короткого замыкания» во все ответвители. Измеряют и регистрируют импеданс при «закороченном» ответвителе. Закорачивая ответвители, изменяют нагрузку после каждого измерения так, чтобы только один ответвитель был закорочен при каждом последующем измерении.

5.2.1 Импеданс магистральной шины

При проведении теста используют схему измерения импеданса магистральной шины (с разомкнутыми ответвителями), представленную на рисунке 2. Импеданс шины Zш измеряют при синусоидальном сигнале с амплитудой 1 - 2 В (среднеквадратичное значение) на частотах 75,0 кГц и 1,0 МГц. Zш регистрируют на каждой частоте. Последовательность тестирования 5.2 повторяют для всех ответвителей.

Рисунок 2 - Измерение импеданса магистральной шины

5.2.2 Импеданс ответвителя с трансформаторной связью

При проведении теста измеряют импеданс ответвителя с трансформаторной связью, как показано на рисунке 3.

Рисунок 3 - Измерение импеданса ответвителя с трансформаторной связью

Импеданс ответвителя Zотв измеряют при синусоидальном сигнале с амплитудой 1 - 2 В (среднеквадратичное значение) на частотах 75,0 кГц и 1 МГц. Zотв регистрируют на каждой частоте. Последовательность тестирования 5.2 повторяют для всех ответвителей.

5.3 Динамические отказы в информационной магистрали

Тест должен подтверждать надежность функционирования информационной магистрали при чередующихся состояниях «короткого замыкания» в цепи любого из ответвителей. При проведении теста используют высокоскоростной электронный переключатель с сопротивлением при включении менее 5 Ом и скоростью переключения менее 1 мкс.

Подключают устройства интерфейса в режимах КШ и ОУ к ответвителям, находящимся на противоположных концах магистральной шины.

При проведении теста переключатель подсоединяют к любой позиции устройства интерфейса в конкретной топологии магистрали. Для ответвителей с трансформаторной связью переключатель подсоединяют параллельно стандартной нагрузке шлейфа (как указано в 4.3). Для ответвителей с непосредственной связью переключатель подключают последовательно в соединении с защитными резисторами (110 Ом) и параллельно стандартной нагрузке (как указано в 4.3). Переключатель должен функционировать на частоте (30 ± 3) кГц с равными временем включения и временем выключения, что обеспечивает, по крайней мере, одно замыкание или одно размыкание переключателя в течение времени передачи отдельного слова. Переключатель должен работать непрерывно в течение всего времени проведения теста.

Последовательность тестирования:

- шаг 1 - КШ передает в ОУ КС с командой на передачу информации, требующей ответной передачи 32 СД с одинаковым поразрядным кодированием.

Тест повторяют шесть раз с использованием шести вариантов кодирования СД:

8000 (HEX), 7FFF (HEX), 0000 (HEX),

FFFF (HEX), 5555 (HEX) и АААА (HEX);

- шаг 2 - повторяют шаг 1 с передачей из КШ в ОУ КС с командой на прием информации, за которой следуют 32 СД;

- шаг 3 - повторяют шаги 1 и 2 при размещении электронного переключателя в каждой из неиспользованных терминальных позиций.

Критерий тестирования - НС в передаваемом ОС для каждого КС.

5.4 Затухание сигнала

Тесты должны подтверждать значения затухания сигнала в информационной магистрали конкретной топологии.

5.4.1 Затухание сигнала в магистральной шине

Измерение затухания сигнала в магистральной шине проводят в соответствии со схемой, показанной на рисунке 4.

Рисунок 4 - Измерение затухания в магистральной шине

На вход магистральной шины подают синусоидальный сигнал Uвх с размахом 6 В и частотами 250 кГц и 1,0 МГц. На выходе магистральной шины измеряют Uвых на каждой частоте.

5.4.2 Затухание сигнала в магистральной шине/ответвителе

Измерение затухания сигнала в магистральной шине/ответвителе проводят в соответствии со схемой, показанной на рисунке 5.

Рисунок 5 - Измерение затухания в магистральной шине/ответвителе

При тестировании неиспользуемые ответвители нагружают сопротивлениями, как указано в 4.3.

На вход магистральной шины подают синусоидальный сигнал Uвх с частотой 1,0 МГц и размахом сигнала, В:

6 - для ответвителя с непосредственной связью;

18 - для ответвителя с трансформаторной связью.

Последовательность тестирования:

- шаг 1 - измеряют и фиксируют размах выходного сигнала Uвых для каждого ответвителя. Размах выходного сигнала Uвых, В, должен быть не менее:

1,4 - для ответвителей с непосредственной связью;

1,0 - для ответвителей с трансформаторной связью;

- шаг 2 - поочередно в ответвителях вводят состояние «короткого замыкания», как указано в 4.3, и измеряют Uвых после каждого «закорачивания», пока Uвых в каком-либо незакороченном ответвителе не станет минимальным, но не менее 1,4 В для ответвителя с непосредственной связью и не менее 1,0 В для ответвителя с трансформаторной связью. Фиксируют число закороченных шлейфов. Число закороченных шлейфов должно быть не менее двух;

- шаг 3 - повторяют шаги 1 и 2, используя каждый следующий ответвитель для подачи входного сигнала.

5.5 Взаимное влияние информационных магистралей

Тесты проводят, если физическая среда передачи информации содержит несколько информационных магистралей.

Тесты должны подтверждать значение ослабления сигнала при влиянии отдельных магистралей друг на друга по ГОСТ Р 52070.

5.5.1 Взаимное влияние информационных магистралей при двойном резервировании

При проведении теста все ответвители нагружают, как указано в 4.3. Измерение взаимного влияния магистралей проводят в соответствии со схемой, показанной на рисунке 6.

Подают напряжение Ua с размахом синусоидального сигнала 9,0 В с частотой 1 МГц на согласующий резистор одной из магистральных шин, выбранной в качестве активной. Напряжение Uб измеряют на обоих согласующих резисторах резервной шины (неактивной). Тест повторяют, используя в качестве активной другую магистраль.

Рисунок 6 - Измерение взаимного влияния магистральных шин

Параметр взаимного влияния (ослабление сигнала) К, дБ, для каждой комбинации магистралей определяют по формуле

K = 20lg(Ua/Uб),                                                              (1)

где Ua - размах сигнала на активной магистрали, В;

Uб - размах сигнала на неактивной магистрали, В.

Критерий тестирования: ослабление сигнала должно быть не менее 65 дБ (рисунок 6).

5.5.2 Взаимное влияние множества магистральных шин (при тройном резервировании информационных магистралей и более)

Тест 5.5.1 повторяют для каждой пары магистральных шин.

Критерий тестирования: ослабление сигнала должно быть не менее 65 дБ.

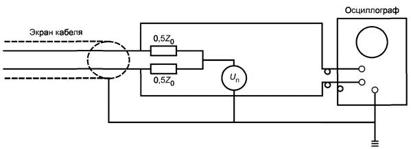
5.6 Подавление синфазных помех

Тест проводят в соответствии со схемой тестирования передачи информации при воздействии синфазных помех, показанной на рисунке 7.

Рисунок 7 - Схема тестирования передачи при воздействии синфазных помех

Подключают ОУ к одному из ответвителей информационной магистрали. Подключают КШ к другому ответвителю и передают адресуемому ОУ допустимое достоверное КС с командой на прием информации, за которой следует максимальное для адресуемого ОУ число СД. Сообщения передают с частотой повторения, обеспечивающей 50 % ± 10 % загрузки шины передаваемыми сигналами в течение рабочего цикла. Сообщения в ОУ передают с введением напряжения помехи Uп, как показано на рисунке 7.

Поочередно задают следующие параметры синфазной помехи: постоянный ток напряжением плюс 10 В относительно земли; постоянный ток напряжением минус 10 В относительно земли; синусоидальный сигнал с амплитудой ±10 В в диапазоне частот 1,0 Гц - 2,0 МГц. Каждый тестовый режим проводят в течение периода времени не менее 90 с. Тест повторяют при расположении КШ в каждой из терминальных позиций на магистрали и при расположении ОУ в терминальной позиции, использованной первоначально для КШ.

Критерий тестирования - НС в передаваемом ОС для всех сообщений при заданных параметрах помех.

При ошибках передачи параметры сигнала/помехи регистрируют.

5.7 Искажение сигналов

Тесты должны подтверждать способность информационной магистрали передавать сигналы без внесения в них недопустимых искажений. Параметры выходных сигналов устройств интерфейса, передаваемых в магистраль, - в соответствии с требованиями ГОСТ Р 52070.

Тесты предусматривают измерения симметрии сигналов - остаточного напряжения в магистрали после передачи последнего разряда слова в сообщении перед паузой. Тестер в режиме ОУ при превышении допустимого значения уровня остаточного напряжения сигнала (с учетом времени успокоения линии) должен фиксировать ошибку в сообщении как ошибку в старшем разряде слова. Если такие ошибки присутствуют при проведении тестов магистрали, то необходимо провести контроль характеристик симметрии сигналов, передаваемых в магистраль, на соответствие требованиям ГОСТ Р 52070.

5.7.1 Искажение сигналов при переходе через нулевой уровень

Тест должен подтверждать, что значение временной погрешности перехода сигнала через нулевой уровень (временной погрешности нуль-перехода) не превышает 150 нс.

Для передающего устройства интерфейса временная погрешность нуль-перехода не должна превышать ±25 нс. Передающее тестовое устройство должно иметь собственную временную погрешность нуль-перехода не более ±10 нс (за нулевую точку отсчета временной погрешности принимают нуль-переход идеального сигнала).

Последовательность тестирования:

- шаг 1 - передают в магистраль повторяющееся сообщение из любой терминальной позиции информационной магистрали. Размах передаваемых сигналов на входном разъеме ответвителя должен быть, В:

9,0 - для ответвителя с непосредственной связью;

27,0 - для ответвителя с трансформаторной связью.

Длительность фронта и спада сигнала должна быть (300 ± 30) нс. Кодовая последовательность сообщения должна иметь нуль-переходы сигналов через интервалы времени 2,0; 1,5; 1,0 и 0,5 мкс;

- шаг 2 - измеряют временную погрешность нуль-перехода сигнала в каждой терминальной позиции информационной магистрали для каждого из значений интервалов времени, определенных на шаге 1;

- шаг 3 - повторяют шаг 1 при передаче повторяющихся сообщений из каждой терминальной позиции магистрали.

Измеряют временные погрешности нуль-переходов в позициях, которые первоначально были использованы для передачи сообщений на шаге 1.

Критерий тестирования: временная погрешность нуль-перехода идеального сигнала должна быть не более ±125 нс.

5.7.2 Искажение формы сигнала

Тест должен подтверждать, что форма сигнала, принимаемого устройством интерфейса, обеспечивает уровень напряжения выше допустимого порога приема сигнала в течение времени каждого полуразряда информационного сигнала в сообщении (с учетом максимально допустимых искажений на выходе передающего устройства интерфейса).

Тестер должен иметь возможность передачи в магистраль сообщения с искажениями формы сигнала (с колебаниями и выбросами на вершине сигнала), мВ, менее:

90 - для ответвителя с трансформаторной связью;

30 - для ответвителя с непосредственной связью.

Критерий тестирования определяют как сумму максимально допустимого искажения сигнала в передающем устройстве тестера (на его выходе) и максимально допустимого амплитудного искажения сигнала в принимающем устройстве интерфейса (на его входе). Это гарантирует, что полученный от передающего устройства интерфейса сигнал с максимально допустимым искажением будет иметь уровень напряжения выше допустимого порога приема при любом местоположении устройства интерфейса, подключенного к магистральной шине.

Последовательность тестирования:

- шаг 1 - тестер передает из любой терминальной позиции в информационную магистраль повторяющееся сообщение, состоящее из одного КС и одного СД. КС должно содержать разряд контроля по нечетности, соответствующий логической 1, а СД - старший разряд, соответствующий логической 1. Тогда при передаче синхросигнала СД реализуются два последовательных нуль-перехода с интервалом времени, равным 2 мкс. Размах передаваемого сигнала на выходном разъеме передающего устройства тестера должен быть, В:

6,0 - для ответвителя с непосредственной связью;

18,0 - для ответвителя с трансформаторной связью.

Длительность фронта и спада сигнала должна быть (100 ± 20) нс.

Измеряют уровни искажения в течение времени передачи синхросигнала СД;

- шаг 2 - отслеживают принимаемый сигнал в любой терминальной позиции информационной магистрали и измеряют значение напряжения Umin принимаемого сигнала, как показано на рисунке 8. Поочередно «закорачивают» каждый из ответвителей с трансформаторной связью и измеряют Umin принимаемого сигнала (закорачивают по одному ответвителю при проведении одного измерения).

Рисунок 8 - Искажение формы сигнала

Поочередно нагружают каждый из ответвителей с непосредственной связью сопротивлением 110 Ом и измеряют Umin принимаемого сигнала (нагружают по одному ответвителю при проведении одного измерения);

- шаг 3 - повторяют шаги 1 и 2, используя для источника сообщений каждую из терминальных позиций магистральной шины, в то время как мониторирование принимаемого сигнала проводят в терминальной позиции, первоначально используемой для передающего устройства тестера на шаге 1.

Критерии тестирования:

Umin ³ 0,9 В - для принимающих устройств интерфейса с непосредственной связью ответвителя;

Umin ³ 0,66 В - для принимающих устройство интерфейса с трансформаторной связью ответвителя.

5.7.3 Симметрия сигнала

Тест должен подтверждать, что значение остаточного напряжения сигнала в информационной магистрали меньше допустимого порогового минимума сигнала на принимающем устройстве интерфейса (допустимое максимальное значение остаточного напряжения на выходе передающего устройства интерфейса составляет ±90 мВ в соответствии с требованиями ГОСТ Р 52070. При задаваемых в этом тесте уровнях выходных сигналов и структурах сообщений передающее тестовое устройство должно иметь выходную симметрию, которой соответствует остаточное напряжение с амплитудой не более 25 мВ - для ответвителя с трансформаторной связью и не более 10 мВ - для ответвителя с непосредственной связью, когда сопротивление нагрузки равно соответственно Z0 и 0,5Z0 на выходном соединителе передающего устройства интерфейса.

Последовательность тестирования:

- шаг 1 - передают повторяющееся сообщение, состоящее из одного КС на прием информации и 32 СД из любой терминальной позиции информационной магистрали. Передаваемый сигнал должен иметь размах амплитуды 9 В на входном разъеме терминальной позиции для ответвителей с непосредственной связью или размах амплитуды 27 В для ответвителей с трансформаторной связью. Минимальная временная пауза между передаваемыми сообщениями должна быть 1 мс. Каждое из передаваемых СД в сообщении должно иметь одинаковое кодовое содержание. Тестирование повторяют шесть раз с использованием следующих шести кодов СД:

8000 (HEX), 7FFF (HEX), 0000 (HEX), FFFF (HEX), 5555 (HEX) и АААА (HEX);

- шаг 2 - измеряют остаточное напряжение сигнала Uост в конце передачи каждого сообщения на выходе каждой терминальной позиции информационной магистрали. Значение максимального остаточного напряжения Uост измеряют, как показано на рисунке 9;

- шаг 3 - повторяют шаг 1 при расположении передающего устройства интерфейса в каждой из других терминальных позиций, подключенных к информационной магистрали. Измеряют остаточное напряжение на входе терминальных позиций, которые первоначально были использованы для передачи сообщений в информационную магистраль.

Рисунок 9 - Симметрия сигнала

Критерием тестирования должно быть напряжение Uост, мВ, не более:

37,5 - для принимающих устройств интерфейса с трансформаторной связью ответвителя;

50,0 - для принимающих устройств интерфейса с непосредственной связью ответвителя.

Измерения Uост проводят через интервал времени, равный 2,5 мкс, после пересечения нулевого уровня сигналом последнего разряда СД контроля по нечетности.

5.8 Целостность информационного маршрута

Тест должен подтверждать целостность отдельного информационного маршрута (направления) в конкретной топологии информационной магистрали.

Размах передаваемых сигналов устанавливают 6,0 В - для ответвителей с непосредственными связями и 18,0 В - для ответвителей с трансформаторными связями. Для принимаемых сигналов должен быть установлен порог приема сигнала с размахом 1,2 В - для ответвителей с непосредственными связями и 0,86 В - для ответвителей с трансформаторными связями. По каждому маршруту передают 10000 сообщений, содержащих по 32 СД. Коды, содержащиеся в каждом из СД, должны быть случайными в каждом сообщении. Тестирование выполняют с использованием метода циклического возврата данных. При тестировании допустимы любой другой метод и любая последовательность проверки информационного содержания каждого сообщения.

Последовательность тестирования:

- шаг 1 - подключают КШ к одному из ответвителей информационной магистрали, а ОУ - к любому другому ответвителю информационной магистрали. Для ОУ используют режим функционирования с передачей и приемом сообщений с циклическим возвратом данных. В ОУ передают КС с подадресом циклического возврата данных на прием информации, за которым следуют 32 СД;

- шаг 2 - в ОУ передают КС с подадресом циклического возврата данных на передачу информации;

- шаг 3 - повторяют шаги 1 - 2 10000 раз;

- шаг 4 - повторяют шаги 1 - 3 с ОУ, размещенным в любой другой позиции информационной магистрали;

- шаг 5 - повторяют шаги 1 - 4, кроме подключения ответвителя КШ вблизи середины магистральной шины.

Критерии тестирования: шаг 1 - НС; шаг 2 - НС для каждого сообщения на передачу, в котором коды, содержащиеся в СД, соответствуют кодам СД, переданным на шаге 1.

6 Тесты информационной системы

6.1 Включение электропитания

Тесты должны подтверждать, что при выполнении последовательности включения электропитания устройств интерфейса система входит в состояние готовности к штатному функционированию.

6.1.1 Включение электропитания в режиме ОУ

Тестер подключают к системной магистрали и устанавливают в режим МШ. Оконечные устройства должны быть переведены в режим штатного функционирования. При мониторировании системной магистрали систему приводят в состояние готовности к работе, используя штатную последовательность включения электропитания ОУ. В течение времени включения электропитания никакой информационный трафик не должен быть обнаружен в магистрали, а помехи включения/выключения электропитания не должны превышать пределов, заданных в ТД на конкретную систему.

После включения электропитания и достижения системой устойчивого состояния, используя тестер в режиме КШ, проверяют правильность функционирования системы с использованием средств встроенного контроля устройств интерфейса, последовательно опрашивая все ОУ на всех информационных магистралях. Тест повторяют не менее 10 раз.

6.1.2 Включение электропитания в режиме КШ

Система должна быть приведена в состояние штатного функционирования. Тестер подключают к системной магистрали и устанавливают в режим МШ. Системой управляет действующий КШ.

Система должна отрабатывать штатную последовательность включения электропитания с выполнением следующих условий:

- помеха при включении/выключении электропитания в информационной магистрали не должна превышать пределов, заданных в ТД на конкретную систему;

- элементы (слова) обнаруженного информационного трафика должны соответствовать требованиям их достоверности ГОСТ Р 52070;

- обнаруженный информационный трафик должен соответствовать выполнению конкретных процедур запуска системы;

- результаты выполнения каких-либо процедур контроля должны соответствовать определенным операциям, выполняемым встроенными средствами контроля.

По окончании выполнения последовательных действий по включению электропитания система должна быть приведена в нормальное рабочее состояние.

Любое отклонение от процедуры включения электропитания должно быть зарегистрировано. Тест повторяют не менее 10 раз.

6.2 Штатное функционирование системы

6.2.1 Мониторирование штатной последовательности информационных сообщений

Мониторирование должно подтверждать, что:

- информационные сообщения для конкретной системы поступают в магистраль в штатной последовательности и их передача соответствует временной диаграмме информационного обмена (основной временной фрейм, малый временной фрейм и т.д.);

- КШ осуществляет доступ ко всем ОУ в соответствии с расписанием информационного обмена;

- при функционировании системы отсутствуют интервалы времени, при которых загрузка (суммарное время передачи информации) конкретной магистрали превышает установленные для нее пределы.

6.2.2 Режимы штатного функционирования системы

Штатное функционирование системы зависит от различных режимов выполняемой функциональной задачи. Тесты проводят для всех режимов функционирования. При проведении тестов мониторируют передаваемый по магистрали трафик заданного объема и контролируют характеристики электрических сигналов (затухания, форму, амплитуду и т.д.).

При проведении тестов системы, в процессе ее создания или при стендовых испытаниях возможно относительно простое для функционирования системы переключение с одного режима функциональной задачи на другой. Для серийной (разработка завершена) системы переключение функциональных режимов без модификаций программного обеспечения или других внешних воздействий может вызвать определенные трудности. Воздействия выбирают таким образом, чтобы не изменять информационную загрузку информационной магистрали и не переводить функционирование системы в режим, значительно отличающийся от исходного.

6.2.3 Тесты состояний резервированной системы

Тесты проводят для каждой из информационных магистралей в случае, если система содержит резервные магистрали.

6.2.3.1 Передача управления интерфейсом

Тест должен подтверждать:

- выполнение команды управления «Принять управление интерфейсом» и возможность всех устройств интерфейса, предусматривающих выполнение команды, в соответствии с указаниями, приведенными в ТД на конкретную систему, функционировать в качестве КШ;

- возможность отказа от выполнения данной команды управления адресуемым устройством интерфейса, находящимся в режиме ОУ.

Прием команды «Принять управление интерфейсом»:

Интерпретируют условия, вызывающие наступление события передачи управления интерфейсом и разрешающие адресуемому ОУ принять на себя выполнение функций КШ с установкой признака «Принято управление интерфейсом» в 18-м разряде ОС логической единицы.

При мониторировании магистрали регистрируют, что адресуемое ОУ является КШ; предыдущий КШ, выдавший команду «Принять управление интерфейсом», не управляет обменом информацией, а перешел в режим функционирования ОУ.

Неприем команды «Принять управление интерфейсом»:

Интерпретируют условие, вызывающее наступление события передачи управления интерфейсом и разрешающее адресуемому ОУ отклонить поступивший запрос на передачу ему функций КШ и установку признака «Принять управление интерфейсом» в 18-м разряде ОС в логический нуль.

При мониторировании магистрали регистрируют, что адресуемое ОУ не является КШ, а предыдущий КШ, выдавший команду «Принять управление интерфейсом», продолжает управлять обменом информацией и не перешел в режим функционирования ОУ.

6.2.3.2 Резервирование контроллера шины

Если передача управления резервному КШ происходит во время штатного функционирования, то тестируют каждое из устройств интерфейса, функционирующих в режиме ОУ, имеющих функциональную возможность перейти в режим основного КШ и осуществлять управление обменом информацией.

Проведение теста функции передачи управления резервному КШ, которая должна быть выполнена в результате обработки в случае сбоя, рассмотрено в 6.2.5.4. При мониторировании магистрали регистрируют, что резервный КШ является основным КШ, а исходный КШ не управляет обменом информацией.

6.2.3.3 Запрос на обслуживание

Если отдельные ОУ поддерживают выполнение команды «Запрос на обслуживание», то для каждого из них интерпретируют условия установки разряда «Запрос на обслуживание» в ОС (11-й разряд в ОС должен быть установлен в логическую единицу). Установка разряда «Запрос на обслуживание» в ОС должна быть проведена один раз для каждого ОУ в течение выполнения основного временного фрейма. Передача ОС от каждого ОУ с установленным в логическую единицу разрядом признака «Запрос на обслуживание» должна быть осуществлена в течение этого же временного фрейма. При мониторировании функционирования КШ должно быть подтверждено, что КШ функционирует в соответствии с указаниями в ТД на конкретную систему для каждого из событий.

6.2.3.4 Абонент занят

Если определенное число ОУ поддерживает выполнение функции «Абонент занят», то для них должны быть интерпретированы условия установки разряда «Абонент занят» в ОС (16-й разряд в ОС должен быть установлен в логическую 1) для каждого из ОУ. Установка разряда «Абонент занят» в ОС должна быть осуществлена один раз для каждого из ОУ в течение основного временного фрейма. Передача ОС от каждого из ОУ с установленным в логическую единицу разрядом «Абонент занят» должна быть осуществлена от каждого из ОУ в течение этого же временного фрейма. При мониторировании функционирования КШ должно быть подтверждено, что КШ функционирует в соответствии с указаниями в ТД на конкретную систему для каждого из событий.

6.2.3.5 Команды управления

Должны быть проведены все необходимые обмены информацией с применением всех команд управления, используемых в системе. Различные ОУ могут реализовать различные перечни команд управления (с учетом обязательных команд). КШ должен передавать только те команды управления, которые реализуются в ОУ.

6.2.3.6 Функционирование при аварии электропитания

Тест проводят для всех возможных режимов функционирования при авариях электропитания, которые определены в ТД на конкретную систему.

6.2.4 Ошибки, обнаруживаемые при мониторировании системы

Тесты должны подтверждать способность системы обнаруживать ошибки передачи информации, возникающие во время ее штатного функционирования. Система должна функционировать не менее 4 ч; при этом все обнаруженные ошибки функционирования должны быть зарегистрированы. Число зарегистрированных ошибок не должно превышать числа, указанного в ТД на конкретную систему. Обнаруженные ошибки должны исключать выявленные отказы и сбои в функциональных подсистемах при обмене информацией, которые сообщаются подсистемой с помощью признака «Неисправность абонента» в ОС, передающего ОУ. Повторение передачи сообщения рассматривают как результат обнаружения ошибки, следовательно, об ошибке должно быть сообщено, если имела место повторная передача сообщения.

6.2.5 Внесение и обработка ошибок

Тесты должны подтверждать соответствующие ответы устройств интерфейса на ошибки в системе передачи данных. Для наибольшей эффективности выполнения нижеследующих тестов функциональная подсистема должна выполнять функциональные программы, а основной и резервный КШ должны содержать функциональные программы информационного обмена.

Тесты проводят с помощью каждого из нижеприведенных методов введения и обнаружения ошибок, однако могут быть применены и другие методы тестирования (с учетом специфики организации конкретной системы), которые в настоящем стандарте не определены. Те тесты, которые относятся к необязательным операциям (действиям), допускается не выполнять.

6.2.5.1 Передача сообщений в формате ОУ-ОУ

При передаче сообщений в формате ОУ-ОУ ошибка должна быть введена в СД, передаваемое между устройствами интерфейса, которые функционируют в режиме ОУ. При этом каждое из ОУ должно передавать ОС с НС. КШ должен обнаружить ошибку и отреагировать на нее соответствующим образом, даже если бы ОУ не обнаружило данную ошибку. Тест может быть проведен при переменном составе тестового оборудования, интерпретирующего функционирование устройств интерфейса в режиме ОУ, а также при введении в СД ошибок по нечетности или ошибок кодирования информационных сигналов.

6.2.5.2 Блокировка ответа в режиме ОУ

При проведении теста ответ от адресуемого ОУ должен быть заблокирован (подавлен), при этом проводят мониторирование функционирования КШ. Тест должен быть проведен с использованием достоверных допустимых КС, включающих в себя, по меньшей мере, одну команду на передачу данных, одну команду на прием данных и одну команду управления. Затем необходимо отменить условие блокировки ответа ОУ и мониторировать реакцию системы.

Причинами, используемыми для блокировки ответа ОУ, могут быть, например, изменение собственного адреса ОУ на неиспользуемый адрес, «короткое замыкание» шлейфа ответвителя (только для ответвителя с трансформаторной связью) или размыкание шлейфа и другие. Тест проводят при подаче электропитания в функциональную подсистему, связанную с ОУ, в котором блокируется ответ.

6.2.5.3 Циклический тест электропитания

Тест должен подтверждать реакцию КШ, указанную в ТД на конкретную систему, при отключении электропитания в ОУ. Тест функционирования КШ проводят для случаев:

- первоначального включения электропитания;

- нормального функционирования ОУ при включенном электропитании и постепенном снижении напряжения электропитания;

- выключения и включения электропитания ОУ.

Мониторирование информационного трафика во время тестирования должно подтверждать нормальное функционирование системы в процессе выключения/включения электропитания.

В начальном состоянии системы электропитание во всех функциональных подсистемах должно быть отключено. Сначала электропитание включают в КШ и затем поочередно в каждом из ОУ, пока не установятся все информационные соединения. Время между включениями указанных устройств интерфейса должно быть таким, чтобы в каждом из них был завершен самоконтроль.

Выполняя поочередное включение электропитания устройств интерфейса, наблюдают за работой КШ, который обеспечивает соответствующее функционирование системы.

Примечание - Если функционирование системы не позволяет применить указанную выше последовательность включения устройств интерфейса, то их включают, как указано в ТД на конкретную систему.

После того как все ОУ начнут функционировать, выключают/включают электропитание в одном из ОУ, наблюдая за функционированием КШ. Затем на это же ОУ опять подают электропитание, наблюдая за работой КШ до тех пор, пока не установится режим штатного функционирования. Эта последовательность выключения/включения электропитания должна быть выполнена для каждого из ОУ.

6.2.5.4 Передача управления резервному КШ

Вначале выполняют тест 6.2.5.3, кроме того, что первым включают резервный КШ, а основной КШ исключают из участия в данном тесте. Включают электропитание в основном КШ и вводят систему в режим штатного функционирования при управлении основным КШ. Затем передают управление от основного КШ к резервному, что может быть достигнуто отключением электропитания в основном КШ или введением «короткого замыкания» шлейфа основного КШ (только для шлейфа с трансформаторной связью). При наличии резервных магистралей их шлейфы подключения данного КШ также «закорачивают». Осуществляют мониторирование функционирования системы, подтверждающее передачу функций от основного КШ к резервному. Затем состояние неисправности устраняют и осуществляют мониторирование системы для подтверждения соответствующей реакции системы на данное состояние.

6.2.5.5 Повторная передача информации в магистрали

При выполнении теста вводят неисправность в информационную магистраль или же вводят ошибку в передаваемое сообщение. При этом осуществляют мониторирование функционирования КШ. Для неизбыточных магистральных систем введение ошибок в сообщение или создание неисправности в информационной магистрали обусловливают повторные передачи сообщений, которые следует осуществлять по той же информационной магистрали.

При наличии в системе резервных магистралей при повторных передачах проводят мониторирование всех магистралей.

6.2.5.6 Исходное состояние подсистемы

При штатном функционировании ОУ каждую из включенных функциональных подсистем переводят в исходное состояние. При этом проводят мониторирование функционирования КШ.

6.2.5.7 Переключение магистрали

Тест должен подтверждать способность КШ осуществлять переключение магистралей при обнаружении отказа функционирования одной из них (в случаях сбоя передачи). При этом КШ должен определять неисправность и выполнять переключение на резервную магистраль. Если выбор информационной магистрали системы предусмотрен при использовании передачи сообщений в формате ОУ-ОУ, то должна быть осуществлена блокировка ответов по одной магистрали одного или нескольких ОУ. При этом должно быть проведено мониторирование функционирования КШ, который обеспечивает выбор соответствующей магистрали.

Примечание - Тест проводят для систем с резервированными магистралями.

6.2.5.8 Недопустимые команды

Недопустимая команда должна быть передана в каждое из устройств интерфейса, функционирующих в режиме ОУ. При этом должно быть проведено мониторирование функционирования системы. Реакция устройств системы на передачу недопустимых команд должна соответствовать требованиям, установленным в ТД на конкретную систему.

6.2.6 Системы с многомагистральной структурой

6.2.6.1 Общие положения

Требования, представленные ниже, определяют общую идеологию тестирования интегрированных многомагистральных систем, которые содержат более чем одну дублированную магистраль. При этом предполагают, что в многомагистральных структурах имеет место передача информации между отдельными магистралями. Общий перечень конкретных тестов для систем такого типа в настоящем стандарте не определен, так как он может быть сформирован только для конкретных систем.

Системы с многомагистральной структурой, в которых магистрали не имеют информационного взаимодействия друг с другом, рассматривают как системы с независимыми информационными магистралями, и каждую магистраль тестируют в отдельности. В случае, если существует определенная организация многомагистральных информационных связей, то для тестирования передачи информации между отдельными магистралями разрабатывают отдельный перечень специальных тестов.

6.2.6.2 Достоверность информации

При тестировании информационного взаимодействия между магистралями должна быть инициализирована передача информации между ними. При этом должно быть проведено мониторирование процесса передачи информации, чтобы подтвердить достоверность передаваемых данных и соответствие используемых форматов сообщений ГОСТ Р 52070. Затем должна быть введена ошибка в информацию, поступающую из магистрали-источника. Должно быть проведено мониторирование функционирования системы, чтобы подтвердить, что данная информация не поступила в магистраль-приемник.

6.2.6.3 Время задержки передачи информации

В многомагистральных иерархических системах передача информации по отдельным магистралям осуществляется параллельно и сообщения, передаваемые из одной магистрали в другую (с одного уровня системы на другой), рассматривают как асинхронные.

Тестирование проводят для случая наибольшего времени задержки передачи информации при использовании различных информационных магистралей. Время задержки передачи равняется сумме времен повторения сообщения по различным магистралям и максимальному времени передачи из магистрали-источника в магистраль-приемник с использованием конкретного механизма транзакций, если не учитывать перезапуск магистрали и ацикличность передачи данных.

6.2.6.4 Взаимная блокировка передачи информации (зависание системы)

Тест должен подтверждать отсутствие возможных прямых или косвенных зависаний системы, когда любое устройство интерфейса ожидает передачи сообщения от другого устройства, а получить его не может.

Прямое зависание происходит, если одно из устройств интерфейса ожидает, чтобы второе устройство генерировало ожидаемое событие, а второе устройство, в свою очередь, ожидает от первого устройства генерацию другого вероятного события. Косвенное зависание происходит, когда в данную коллизию вовлечены более чем два устройства интерфейса: ОУ1 ждет передачи от ОУ2, ОУ2 ждет передачи сообщения от ОУЗ, а ОУЗ ждет действий от ОУ1.

 

Ключевые слова: магистральный последовательный интерфейс, контроллер шины, тестируемый модуль, тестер, информационная система, магистраль