Hydraulic fluid power. Four- and five-port servovalves. Mounting dimensions of subplates joint surfaces

ГОСТ 30481-97
(ИСО 10372-92)

МЕЖГОСУДАРСТВЕННЫЙ СТАНДАРТ

Гидроприводы объемные

ГИДРОРАСПРЕДЕЛИТЕЛИ
ДРОССЕЛИРУЮЩИЕ
С СЕРВОРЕГУЛИРОВАНИЕМ
ЧЕТЫРЕХ- И ПЯТИЛИНЕЙНЫЕ

Присоединительные размеры стыковых плоскостей
монтажных плит

МЕЖГОСУДАРСТВЕННЫЙ СОВЕТ
ПО СТАНДАРТИЗАЦИИ, МЕТРОЛОГИИ И СЕРТИФИКАЦИИ
Минск

Предисловие

1 РАЗРАБОТАН Межгосударственным Техническим комитетом по стандартизации МТК 76 «Гидроприводы объемные, пневмоприводы и смазочные системы»; Научно-исследовательским и проектно-конструкторским институтом промышленных гидроприводов гидроавтоматики (НИИГидропривод)

ВНЕСЕН Государственным комитетом Украины по стандартизации, метрологии и сертификации

2 ПРИНЯТ Межгосударственным Советом по стандартизации, метрологии и сертификации (протокол № 11 от 23 апреля 1997 г.)

За принятие проголосовали:

Наименование государства

Наименование национального органа по стандартизации

Азербайджанская Республика

Азгосстандарт

Республика Армения

Армгосстандарт

Республика Беларусь

Госстандарт Республики Беларусь

Грузия

Грузстандарт

Республика Казахстан

Госстандарт Республики Казахстан

Кыргызская Республика

Кыргызстандарт

Республика Молдова

Молдовастандарт

Российская Федерация

Госстандарт России

Республика Таджикистан

Таджикгосстандарт

Туркменистан

Главгосинспекция «Туркменстандартлары»

Республика Узбекистан

Узгосстандарт

Украина

Госстандарт Украины

(Исправленная редакция, Поправка № 1).

3 Настоящий стандарт представляет собой полный аутентичный текст международного стандарта ИСО 10372-92 «Гидроприводы объемные. Четырех- и пятилинейные дросселирующие гидрораспределители с серворегулированием. Стыковые плоскости» и содержит дополнительные требования, отражающие потребности экономики страны

4 Постановлением Государственного комитета Российской Федерации по стандартизации и метрологии от 22 февраля 2001 г. № 91-ст межгосударственный стандарт ГОСТ 30481-97 (ИСО 10372-92) введен в действие непосредственно в качестве государственного стандарта Российской Федерации с 1 января 2002 г.

5 ВВЕДЕН ВПЕРВЫЕ

ГОСТ 30481-97

(ИСО 10372-92)

МЕЖГОСУДАРСТВЕННЫЙ СТАНДАРТ

Гидроприводы объемные

ГИДРОРАСПРЕДЕЛИТЕЛИ ДРОССЕЛИРУЮЩИЕ С СЕРВОРЕГУЛИРОВАНИЕМ
ЧЕТЫРЕХ- И ПЯТИЛИНЕЙНЫЕ

Присоединительные размеры стыковых плоскостей монтажных плит

Hydraulic fluid power. Four- and five-port servovalves. Mounting dimensions of subplates joint surfaces

Дата введения 2002-01-01

1 Область применения

Настоящий стандарт устанавливает присоединительные размеры стыковых плоскостей, на которые монтируют дросселирующие гидрораспределители с серворегулированием с целью обеспечения взаимозаменяемости.

Стандарт распространяется на дросселирующие гидрораспределители с электрогидравлическим серворегулированием по расходу, которые применяют в современной промышленности: на четырехлинейные дросселирующие гидрораспределители с серворегулированием, а также пятилинейные, у которых управление осуществляется от отдельного потока. Стандарт может быть использован для дросселирующих гидрораспределителей с серворегулированием по давлению. Если аппарат применяют в качестве трехлинейного, одно из отверстий «к потребителю» (А или В) может быть заглушено.

Так как нет четкого разделения в части рабочих характеристик и/или применения между дросселирующими гидрораспределителями с серворегулированием и дросселирующими гидрораспределителями с пропорциональным управлением или регулированием, установленные в настоящем стандарте стыковые плоскости не исключают применения для дросселирующих гидрораспределителей плоскостей по ГОСТ 26890 (в части гидрораспределителей).

Требования настоящего стандарта являются обязательными.

Дополнительные требования, отражающие потребности экономики страны, приведены в приложении А.

2 Нормативные ссылки

В настоящем стандарте использованы ссылки на следующие стандарты:

ГОСТ 2.308-79 Единая система конструкторской документации. Указание на чертежах допусков формы и расположения поверхностей

ГОСТ 2.309-73 Единая система конструкторской документации. Обозначения шероховатости поверхностей

ГОСТ 2789-73 Шероховатость поверхности. Параметры и характеристики

ГОСТ 17752-81 Гидропривод объемный и пневмопривод. Термины и определения

ГОСТ 24242-97 (ИСО 9461-92) Гидроприводы объемные. Обозначения буквенные отверстий гидроустройств, монтажных плит, устройств управления и электромагнитов

ГОСТ 26890-86 Гидроаппаратура. Присоединительные размеры стыковых плоскостей монтажных плит

3 Определения

В настоящем стандарте применяются термины с соответствующими определениями по ГОСТ 17752.

Примечание - Дополнительные термины и определения приведены в приложении Б.

4 Условные обозначения

В настоящем стандарте применяются следующие буквенные обозначения:

- A, B, P, T и X обозначают отверстия в соответствии с ГОСТ 24242;

- F1, F2, F3 и F4 обозначают резьбовые отверстия под крепежные винты;

- G обозначает отверстие под установочный штифт;

- rmax обозначает максимальный радиус скругления углов монтажной плиты.

5 Допуски

5.1 Стыковые плоскости должны соответствовать следующим нормам:

- шероховатость поверхности Ra ≤ 0,8 мкм по ГОСТ 2789 и ГОСТ 2.309;

- допуск плоскостности - не более 0,025 мм по ГОСТ 2.308.

5.2 Предельные отклонения осей координат:

- отверстий под штифт, отверстий для основного потока и отверстий под крепежные винты относительно точки пересечения осей x и y - 0,2 мм.

Допуски на другие размеры приведены на рисунках.

6 Размеры

Размеры стыковых плоскостей для четырех- и пятилинейных дросселирующих гидрораспределителей с серворегулированием выбирают из рисунков и таблиц, указанных в 6.1 - 6.5.

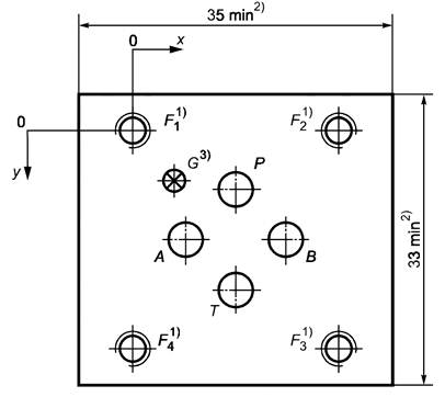
6.1 Размеры стыковых плоскостей для четырехлинейных дросселирующих гидрораспределителей с серворегулированием с максимальным диаметром отверстия 3,8 мм (10372-01-01-0-92) приведены на рисунке 1 и в таблице 2.

6.2 Размеры стыковых плоскостей для четырехлинейных дросселирующих гидрораспределителей с серворегулированием с максимальным диаметром отверстия 5 мм (10372-02-02-0-92) приведены на рисунке 2 и в таблице 3.

6.3 Размеры стыковых плоскостей для четырехлинейных дросселирующих гидрораспределителей с серворегулированием с максимальным диаметром отверстия 6,6 мм (10372-03-03-0-92) приведены на рисунке 3 и в таблице 4.

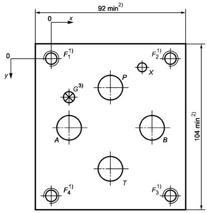
6.4 Размеры стыковых плоскостей для четырехлинейных дросселирующих гидрораспределителей с серворегулированием с максимальным диаметром отверстия 8,2 мм (10372-04-04-0-92) приведены на рисунке 4 и в таблице 5.

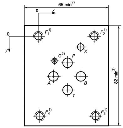
6.5 Размеры стыковых плоскостей для четырехлинейных дросселирующих гидрораспределителей с серворегулированием с максимальным диаметром отверстия 16 мм (10372-06-05-0-92) приведены на рисунке 5 и в таблице 6.

Примечание - Размеры для отверстия управления X применяют только в том случае, если управление осуществляется от отдельного потока.

7 Допускаемые давления

Допускаемые рабочие давления для монтажных плит и блоков со стыковыми плоскостями, приведенными в настоящем стандарте, должен определять изготовитель.

8 Установочный штифт

Рекомендуемые диаметры установочных штифтов в зависимости от диаметров отверстий под них приведены в таблице 1.

Таблица 1 - Рекомендуемые диаметры установочных штифтов

Размеры в миллиметрах

Диаметр

отверстия под установочный штифт G

установочного штифта

2,5

1,5

3,5

2,5

8,0

6,0

9 Форма записи при ссылке на настоящий стандарт

В отчетах об испытаниях, каталогах и торговых проспектах при ссылке на настоящий стандарт используют следующую форму записи:

«Присоединительные размеры стыковых плоскостей соответствуют ГОСТ 30481-97 (ИСО 10372-92) «Гидроприводы объемные. Гидрораспределители дросселирующие с серворегулированием четырех- и пятилинейные. Присоединительные размеры стыковых плоскостей монтажных плит».

1) Рекомендуемая минимальная длина свинчивания резьбы стального крепежного винта - 1,5D, где D - диаметр винта. Рекомендуемая глубина резьбы - 2D + 6 мм для обеспечения взаимозаменяемости гидрораспределителей и уменьшения количества длин крепежных винтов.

2) Размеры, ограничивающие площадь, являются минимальными размерами стыковой плоскости. Углы прямоугольника могут быть скруглены с максимальным радиусом (rmax), равным диаметру резьбы крепежных винтов. Оси крепежных отверстий находятся на равных расстояниях от края стыковой плоскости.

3) Минимальная глубина отверстия G = 2 мм.

Рисунок 1 - Стыковые плоскости для четырехлинейных дросселирующих гидрораспределителей с серворегулированием с максимальным диаметром отверстия 3,8 мм

Таблица 2 - Присоединительные размеры стыковых плоскостей

Размеры в миллиметрах

Оси

P

А

T

B

G

F1

F2

F3

F4

Ø 3,8 max

Ø 3,8 max

Ø 3,8 max

Ø 3,8 max

Ø 2,5

M4

M4

M4

M4

x

11,9

5,8

11,9

18,0

4,8

0

23,8

23,8

0

y

7,0

13,1

19,2

13,1

6,0

0

0

26,2

26,2

1) Рекомендуемая минимальная длина свинчивания резьбы стального крепежного винта - 1,5D, где D - диаметр винта. Рекомендуемая глубина резьбы - 2D + 6 мм для обеспечения взаимозаменяемости гидрораспределителей и уменьшения количества длин крепежных винтов.

2) Размеры, ограничивающие площадь, являются минимальными размерами стыковой плоскости. Углы прямоугольника могут быть скруглены с максимальным радиусом (rmax), равным диаметру резьбы крепежных винтов. Оси крепежных отверстий находятся на равных расстояниях от края стыковой плоскости.

3) Минимальная глубина отверстия G = 4 мм.

Рисунок 2 - Стыковые плоскости для четырехлинейных дросселирующих гидрораспределителей с серворегулированием с максимальным диаметром отверстия 5 мм

Таблица 3- Присоединительные размеры стыковых плоскостей

Размеры в миллиметрах

Оси

P

А

T

B

G

F1

F2

F3

F4

Ø 5 max

Ø 5 max

Ø 5 max

Ø 5 max

Ø 3,5

M5

M5

M5

M5

x

21,4

13,5

21,4

29,3

11,5

0

42,8

42,8

0

y

9,2

17,1

25,0

17,1

4,4

0

0

34,2

34,2

1) Рекомендуемая минимальная длина свинчивания резьбы стального крепежного винта - 1,5D, где D - диаметр винта. Рекомендуемая глубина резьбы - 2D + 6 мм для обеспечения взаимозаменяемости гидрораспределителей и уменьшения количества длин крепежных винтов.

2) Размеры, ограничивающие площадь, являются минимальными размерами стыковой плоскости. Углы прямоугольника могут быть скруглены с максимальным радиусом (rmax), равным диаметру резьбы крепежных винтов. Оси крепежных отверстий находятся на равных расстояниях от края стыковой плоскости.

3) Минимальная глубина отверстия G = 4 мм.

Рисунок 3 - Стыковые плоскости для четырехлинейных дросселирующих гидрораспределителей с серворегулированием с максимальным диаметром отверстия 6,6 мм

Таблица 4 - Присоединительные размеры стыковых плоскостей

Размеры в миллиметрах

Оси

P

А

T

B

G

F1

F2

F3

F4

Ø 6,6 max

Ø 6,6 max

Ø 6,6 max

Ø 6,6 max

Ø 3,5

M6

M6

M6

M6

x

21,4

11,5

21,4

31,3

11,5

0

42,8

42,8

0

у

7,2

17,1

27,0

17,1

4,4

0

0

34,2

34,2

1) Рекомендуемая минимальная длина свинчивания резьбы стального крепежного винта - 1,5D, где D - диаметр винта. Рекомендуемая глубина резьбы - 2D + 6 мм для обеспечения взаимозаменяемости гидрораспределителей и уменьшения количества длин крепежных винтов.

2) Размеры, ограничивающие площадь, являются минимальными размерами стыковой плоскости. Углы прямоугольника могут быть скруглены с максимальным радиусом (rmax), равным диаметру резьбы крепежных винтов. Оси крепежных отверстий находятся на равных расстояниях от края стыковой плоскости.

3) Минимальная глубина отверстия G = 4 мм.

Рисунок 4 - Стыковые плоскости для четырехлинейных дросселирующих гидрораспределителей с серворегулированием с максимальным диаметром отверстия 8,2 мм

Таблица 5 - Присоединительные размеры стыковых плоскостей

Размеры в миллиметрах

Оси

P

А

T

B

G

X

F1

F2

F3

F4

Ø 8,2 max

Ø 8,2 max

Ø 8,2 max

Ø 8,2 max

Ø 3,5

Ø 5

M8

M8

M8

M8

x

22,2

11,1

22,2

33,3

12,3

33,3

0

44,4

44,4

0

y

21,4

32,5

43,6

32,5

19,8

8,7

0

0

65

65

1) Рекомендуемая минимальная длина свинчивания резьбы стального крепежного винта - 1,5D, где D - диаметр винта. Рекомендуемая глубина резьбы - 2D + 6 мм для обеспечения взаимозаменяемости гидрораспределителей и уменьшения количества длин крепежных винтов.

2) Размеры, ограничивающие площадь, являются минимальными размерами стыковой плоскости. Углы прямоугольника могут быть скруглены с максимальным радиусом (rmax), равным диаметру резьбы крепежных винтов. Оси крепежных отверстий находятся на равных расстояниях от края стыковой плоскости.

3) Минимальная глубина отверстия G = 6 мм.

Рисунок 5 - Стыковые плоскости для четырехлинейных дросселирующих гидрораспределителей с серворегулированием с максимальным диаметром отверстия 16 мм

Таблица 6 - Присоединительные размеры стыковых плоскостей

Размеры в миллиметрах

Оси

P

А

T

B

G

X

F1

F2

F3

F4

Ø 16 max

Ø 16 max

Ø 16 max

Ø 16 max

Ø 8

Ø 5

M10

M10

M10

M10

x

36,5

11,1

36,5

61,9

11,1

55,6

0

73

73

0

у

17,4

42,8

68,2

42,8

23,7

4,6

0

0

85,6

85,6

ПРИЛОЖЕНИЕ А

(рекомендуемое)

Дополнительные требования, отражающие потребности экономики страны

Допускается применение стыковых плоскостей с уменьшенными размерами для четырехлинейных дросселирующих гидрораспределителей с серворегулированием с максимальными диаметрами отверстий основного потока 5 и 16 мм в соответствии с рисунками А.1 и А.3, а также стыковых плоскостей четырехлинейных дросселирующих гидрораспределителей с серворегулированием с максимальным диаметром отверстия 12 мм в соответствии с рисунком А.2.

Рисунок А.1 - Присоединительные размеры стыковых плоскостей для четырехлинейных дросселирующих гидрораспределителей с серворегулированием с максимальным диаметром отверстия 5 мм

Рисунок А.2 - Присоединительные размеры стыковых плоскостей для четырехлинейных дросселирующих гидрораспределителей с серворегулированием с максимальным диаметром отверстия 12 мм

Рисунок А.3 - Присоединительные размеры стыковых плоскостей для четырехлинейных дросселирующих гидрораспределителей с серворегулированием с максимальным диаметром отверстия 16 мм

ПРИЛОЖЕНИЕ Б

(справочное)

Дополнительные термины и определения

Гидрораспределитель с пропорциональным управлением - дросселирующий гидрораспределитель, в котором положение управляемого элемента непрерывно зависит от значения сигнала управления, который не корректируется.

Гидрораспределитель с пропорциональным регулированием - дросселирующий гидрораспределитель, в котором сигнал управления, отражающий требуемое состояние управляемого элемента, с помощью обратной связи сравнивается с сигналом, отражающим действительное состояние управляемого элемента, после чего управляемый элемент занимает положение, соответствующее откорректированному сигналу управления.

Примечание - Гидрораспределитель с серворегулированием отличается от гидрораспределителя с пропорциональным регулированием повышенными быстродействием и точностью процесса регулирования.

 

Ключевые слова: объемные гидроприводы, гидрораспределители с серворегулированием, гидрораспределители с пропорциональным управлением, гидроаппараты, стыковые плоскости, размеры, допуски на размеры, взаимозаменяемость