
МИНИСТЕРСТВО
РОССИЙСКОЙ ФЕДЕРАЦИИ
ПО СВЯЗИ И ИНФОРМАТИЗАЦИИ
СТАНДАРТ ОТРАСЛИ
АППАРАТЫ ТЕЛЕФОННЫЕ ЦИФРОВЫЕ
Параметры передачи. Методика измерений
ОСТ 45.155-2001
ЦНТИ «ИНФОРМСВЯЗЬ»
Москва - 2001
Предисловие
1 РАЗРАБОТАН Ленинградским отраслевым научно-исследовательским институтом связи (ЛОНИИС)
ВНЕСЕН научно-техническим управлением Министерства Российской Федерации по связи и информатизации
2 ПРИНЯТ Министерством Российской Федерации по связи и информатизации
3 ВВЕДЕН В ДЕЙСТВИЕ информационным письмом № 4002 от 04.06.2001 г.
4 При разработке учтены рекомендации МСЭ-Т G.711, G.726, Р.310 и стандарт ЕТSI ТВR8
5 ВВЕДЕН ВПЕРВЫЕ
СОДЕРЖАНИЕ
ОСТ 45.155-2001
СТАНДАРТ ОТРАСЛИ
АППАРАТЫ ТЕЛЕФОННЫЕ ЦИФРОВЫЕ
Параметры передачи. Методика измерений
Дата введения 2001-09-01
Настоящий стандарт распространяется на цифровые телефонные аппараты (ЦТА) с микротелефонной трубкой с аналого-цифровым преобразованием ИКМ-64 и АДИКМ-32 в рабочей полосе частот 0,3 - 3,4 кГц, предназначенные для использования на общегосударственной телефонной сети России.
Стандарт устанавливает требования к параметрам передачи ЦТА и методику измерения этих параметров.
Настоящий стандарт отрасли подлежит применению при разработке, производстве, модернизации и сертификации ЦТА.
ГОСТ 17187-81 Шумомеры. Общие технические требования и методы испытаний
ОСТ 45.84-99 Устройства телефонные оконечные. Методика определения показателей громкости
3.1 ЦТА - цифровой телефонный аппарат.
3.2 Показатель громкости (ПГ) - объективная, относительная мера громкости, определяемая взвешенным электроакустическим затуханием.
3.3 Показатель громкости передачи (ПГпер) - относительная мера громкости, определяемая чувствительностью передачи ЦТА по методике ОСТ 45.84.
3.4 Показатель громкости приема (ПГпр) - относительная мера громкости, определяемая чувствительностью приема ЦТА по методике ОСТ 45.84.
3.5 Цепь местного эффекта - электроакустический тракт ЦТА, через который речь говорящего и (или) окружающий шум помещения прослушиваются в собственном телефоне.
3.6 Показатель громкости местного эффекта говорящего (ПГмэг) - относительная мера громкости собственной речи, прослушиваемой через цепь местного эффекта, определяемая по методике ОСТ 45.84.
3.7 Показатель громкости местного эффекта слушающего (ПГмэс) относительная мера громкости окружающего акустического шума, прослушиваемого через цепь местного эффекта, определяемая по методике ОСТ 45.84.
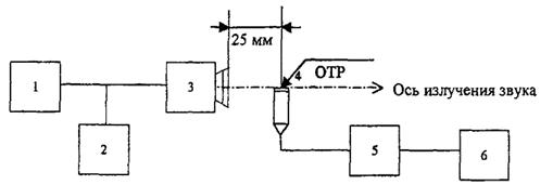
3.8 Опорная точка рта (ОТР) - точка, расположенная на расстоянии 25 мм от ограничительного кольца ИР по оси излучения звука.
3.9 Акустический опорный уровень (АОУ) - уровень звукового давления в опорной точке рта, при котором уровень мощности сигнала на выходе эталонного кодека, подключенного к цифровому интерфейсу ЦТА, равен минус 10 дБм0.
3.10 Взвешенное затухание электроакустического тракта - суммарное затухание электроакустического тракта от электрического входа приемной части до электрического выхода передающей части эталонного кодека, подключенного к цифровому интерфейсу ЦТА, определяемое по заданному алгоритму в измеренном диапазоне частот.
3.11 Чувствительность передачи (Sпер) - отношение напряжения, развиваемого на выходе эталонного кодека, подключенного к цифровому интерфейсу ЦТА, к звуковому давлению, действующему на микрофон.
3.12 Чувствительность приема (Sпр) - отношение звукового давления, развиваемого телефоном в камере искусственного уха, к напряжению, приложенному ко входу эталонного кодека, подключенного к цифровому интерфейсу ЦТА.
3.13 Чувствительность цепи местного эффекта (Sмэ) - отношение звукового давления, развиваемого телефоном ЦТА в камере искусственного уха, к звуковому давлению, действующему на микрофон того же ЦТА.
3.14 Искусственный рот (ИР) - акустическая система, создающая звуковое поле, аналогичное звуковому полю перед ртом человека [1].
3.15 Искусственное ухо (ИУ) - устройство для измерения звукового давления, имеющее основные акустические характеристики в заданном диапазоне частот, аналогичные человеческому уху [3].
3.16 Искусственная голова (ИГ) - устройство, конструктивно объединяющее ИР и ИУ с механическими элементами, обеспечивающими установку и закрепление микротелефонной трубки при испытаниях в соответствии с приложением Б ОСТ 45.84.
3.17 Опорная точка уха (ОТУ) - точка, расположенная на входе слухового канала человека, которая определяется как центр плоскости слуховой раковины телефона, прижатой к уху.
3.18 Акустическая утечка - проникновение звуковой энергии от телефона, прижимаемого к уху, во внешнюю среду.
3.19 Свободное звуковое поле - область звукового поля, в которой влияние отражающих поверхностей пренебрежимо мало.
3.20 Устойчивость (отсутствие самовозбуждения) - параметр, определяемый значением затухания электроакустического тракта от электрического входа приемной части до электрического выхода передающей части эталонного кодека, подключенного к цифровому интерфейсу ЦТА.
3.21 дБА [dВА] - уровень звукового давления относительно абсолютного нулевого уровня звукового давления 2 · 10-5 Паскаля.
3.22 дБПа [dВРа] - уровень звукового давления относительно 1 Паскаля.
3.23 дБПа(А) [dВРа(А)] - уровень звукового давления относительно 1 Паскаля, измеренный шумомером с частотной характеристикой А.
3.24 дБВ [dВV] - уровень сигнала по напряжению относительно 1 Вольта.
3.25 дБВ/Па [dBV/Ра] - чувствительность передающей части ЦТА, В/Па, приведенная к 1 В/1 Па и выраженная в дБ.
3.26 дБПа/В [dBРа/V] - чувствительность приемной части ЦТА, Па/В, приведенная к 1 Па/1 В и выраженная в дБ.
3.27 дБм0 - уровень мощности в точке нулевого относительного уровня.
3.28 дБм0п - уровень псофометрической мощности шума в точке нулевого относительного уровня.
4.1 Показатель громкости передачи (ПГпер)
ПГпер ЦТА должен находиться в пределах от 3,5 до 10,5 дБ при номинальном значении 7,0 дБ.
4.2 Показатель громкости приема (ПГпр)
ПГпр ЦТА (без возможности регулировки абонентом уровня принимаемого сигнала) должен находиться в пределах от минус 0,5 дБ до плюс 6,5 дБ при номинальном значении 3,0 дБ.
В ЦТА (с возможностью регулировки абонентом уровня принимаемого сигнала) при положении регулятора громкости «Максимальная громкость» ПГпр должен находиться в пределах от плюс 6,5 дБ до минус 8,0 дБ, а в положении регулятора громкости «Минимальная громкость» ПГпр должен находиться в пределах диапазона от плюс 18,0 дБ до минус 0,5 дБ.
4.3 Показатель громкости местного эффекта говорящего (ПГмэг)
ПГмэг ЦТА (без возможности регулировки абонентом уровня принимаемого сигнала), приведенный к номинальным значениям ПГпер (7,0 дБ) и ПГпр (3,0 дБ), должен находиться в пределах от 13 до 18 дБ.
ПГмэг ЦТА (с возможностью регулировки абонентом уровня принимаемого сигнала), измеренный в положении регулятора, соответствующем ПГпр от минус 0,5 до плюс 6,5 дБ, приведенный к номинальным значениям ПГпер (7,0 дБ) и ПГпр (3,0 дБ), должен находиться в пределах от 10 до 15 дБ.
Приведенное значение ПГмэг, дБ, вычисляют по формуле (1):
ПГмэг = ПГмэг.изм - [(ПГпер.изм - 7) + (ПГпр.изм - 3)] (1)
где ПГмэг.изм., ПГпер.изм., ПГпр.изм. - измеренные значения, дБ;
7 и 3 - номинальные значения ПГпер и ПГпр соответственно, дБ.
4.4 Показатель громкости местного эффекта слушающего (ПГмэс)
ПГмэс ЦТА (без возможности регулировки абонентом уровня принимаемого сигнала), приведенный к номинальным значениям ПГпер (7,0 дБ) и ПГпр (3,0 дБ), должен быть не менее 13 дБ.
ПГмэс ЦТА (с возможностью регулировки абонентом уровня принимаемого сигнала), измеренный в положении регулятора, соответствующем значению ПГпр от минус 0,5 до плюс 6,5 дБ, приведенный к номинальным значениям ПГпер (7,0 дБ) и ПГпр (3,0 дБ), должен быть не менее 13 дБ.
Приведенное значение ПГмэс, дБ, вычисляют по формуле (2):
ПГмэс = ПГмэс.изм. - [(ПГпер.изм - 7) + (ПГпр.изм. - 3)] (2)
где ПГмэс.изм., ПГпер.изм., ПГпр.изм. - измеренные значения, дБ;
7 и 3 номинальные значения ПГпер и ПГпр, соответственно, дБ.
4.5 Частотная характеристика чувствительности передающей части ЦТА
Частотная характеристика чувствительности (Sпер) должна укладываться в допусковую область, представленную на рисунке 1 и в таблице 1.
Рисунок 1
Таблица 1
|
Верхний предел, дБ |
Нижний предел, дБ |
|
|
100 |
-12 |
|
|
200 |
0 |
|
|
300 |
0 |
-14 |
|
1000 |
0 |
-8 |
|
2000 |
4 |
-8 |
|
3000 |
4 |
-8 |
|
3400 |
4 |
-11 |
|
4000 |
0 |
|
|
Примечание - Значения верхнего и нижнего пределов Sпер, дБ, являются относительными. |
||
4.6 Частотная характеристика чувствительности приемной части ЦТА
Частотная характеристика чувствительности (Sпр) должна укладываться в допусковую область, представленную на рисунке 2 и в таблице 2.
Рисунок 2
Таблица 2
|
Верхний предел, дБ |
Нижний предел, дБ |
|
|
100 |
-6 |
|
|
200 |
0 |
|
|
300 |
2 |
-8 |
|
500 |
1 |
-7 |
|
1000 |
0 |
-7 |
|
3000 |
2 |
-7 |
|
3400 |
2 |
-12 |
|
4000 |
2 |
|
|
Примечание - Значения верхнего и нижнего пределов Sпр, дБ, являются относительными |
||
4.7 Взвешенное затухание электроакустического тракта
Взвешенное затухание электроакустического тракта между входом приемной части и выходом передающей части эталонного кодека, подключенного к цифровому интерфейсу ЦТА, измеренное в свободном звуковом поле, должно быть:
- не менее 40 дБ для ЦТА без возможности ручной регулировки абонентом уровня принимаемого сигнала;
- не менее 35 дБ в положении регулятора, соответствующем максимальной громкости, для ЦТА с возможностью ручной регулировки абонентом уровня принимаемого сигнала
4.8 Устойчивость ЦТА
Устойчивость (затухание электроакустического тракта) между входом приемной части и выходом передающей части эталонного кодека, подключенного к цифровому интерфейсу ЦТА, измеренная при условии, что микротелефонная трубка уложена на твердую, гладкую деревянную или пластиковую поверхность амбушюром вниз, должно быть не менее 6 дБ в диапазоне частот от 200 до 4000 Гц.
Примечание - Для ЦТА с возможностью ручной регулировки абонентом уровня принимаемого сигнала устойчивость должна обеспечиваться в любом положении регулятора.
4.9 Уровень шума ЦТА
Уровень псофометрической мощности шума, создаваемого передающей частью ЦТА, измеренный на выходе эталонного кодека, должен быть не более минус 64 дБм0п.
Уровень акустического шума, создаваемого приемной частью ЦТА без ручной регулировки уровня принимаемого сигнала, измеренный на ИУ, должен быть не более минус 57 дБПа(А).
Уровень акустического шума, создаваемого приемной частью ЦТА с ручной регулировкой уровня принимаемого сигнала, при установке регулятора в положение, соответствующее максимальной громкости, должен быть не более минус 54 дБПа(А).
4.10 Суммарные искажения передаваемого и принимаемого сигналов ЦТА
4.10.1 Отношение мощности передаваемого сигнала к мощности суммарных искажений (включая искажения квантования), измеренное шумовым методом, должно быть больше значений, приведенных в таблице 3, если звуковое давление в ОТР не превышает 5 дБПа.
Таблица 3
|
Уровень акустического измерительного сигнала в опорной точке рта относительно АОУ = -10 дБм0, дБ |
Отношение мощности сигнала к мощности суммарных искажений, дБ |
|
|
ИКМ (64 кбит/с) |
АДИКМ (32 кбит/с) |
|
|
-45 |
5,0 |
5,0 |
|
-30 |
20,0 |
20,0 |
|
-24 |
25,5 |
25,3 |
|
-17 |
30,2 |
29,7 |
|
-10 |
32,4 |
31,6 |
|
0 |
33,0 |
32,1 |
|
+4 |
33,0 |
32,1 |
|
+7 |
23,5 |
22,9 |
4.10.2 Отношение мощности принимаемого сигнала к мощности суммарных искажений (включая искажения квантования), измеренное шумовым методом должно быть больше значений, приведенных в таблице 4, если уровень звукового давления в камере ИУ не более 5 дБПа и не менее минус 50 дБПа.
Таблица 4
|
Уровень аналогового измерительного сигнала, преобразованного в цифровую форму на входе ЦТА, дБм0 |
Отношение мощности сигнала к мощности суммарных искажений, дБ |
|
|
ИКМ (64 кбит/с) |
АДИКМ (32 кбит/с) |
|
|
-55 |
5,0 |
5,0 |
|
-40 |
20,0 |
20,0 |
|
-34 |
25,5 |
24,8 |
|
-27 |
30,6 |
30,1 |
|
-20 |
33,0 |
32,3 |
|
-10 |
33,7 |
32,9 |
|
-6 |
33,8 |
32,9 |
|
-3 |
24,0 |
23,4 |
4.10.3 Отношение мощности передаваемого сигнала к мощности суммарных искажений (включая искажения квантования), измеренное синусоидальным методом, должно быть больше значений, приведенных в таблице 5, если звуковое давление в ОТР не превышает 10 дБПа.
Таблица 5
|
Уровень акустического измерительного сигнала в опорной точке рта относительно АОУ = -10 дБм0, дБ |
Отношение мощности сигнала к мощности суммарных искажений, дБ |
|
|
ИКМ (64 кбит/с) |
АДИКМ (32 кбит/с) |
|
|
-35 |
17,5 |
17,3 |
|
-30 |
22,5 |
22,3 |
|
-20 |
30,7 |
29,3 |
|
-10 |
33,3 |
31,1 |
|
0 |
33,7 |
31,3 |
|
+7 |
31,7 |
30,0 |
|
+10 |
25,5 |
25,0 |
4.10.4 Отношение мощности принимаемого сигнала к мощности суммарных искажений (включая искажения квантования), измеренное синусоидальным методом, должно быть больше значений, приведенных в таблице 6, если уровень звукового давления в камере ИУ не более 10 дБПа и не менее минус 50 дБПа.
Таблица 6
|
Уровень аналогового измерительного сигнала, преобразованного в цифровую форму на входе ЦТ А, дБм0 |
Отношение мощности сигнала к мощности суммарных искажений, дБ |
|
|
ИКМ (64 кбит/с) |
АДИКМ (32 кбит/с) |
|
|
-45 |
17,5 |
17,3 |
|
-40 |
22,5 |
22,3 |
|
-30 |
30,5 |
29,2 |
|
-20 |
33,0 |
30,9 |
|
-10 |
33,5 |
31,2 |
|
-3 |
31,2 |
29,7 |
|
0 |
25,5 |
25,0 |
4.11 Внеполосные сигналы
4.11.1 Передающей части ЦТА
Отношение уровня сигнала частотой 1000 Гц к уровню помехи, создаваемой сигналом любой частоты в полосе от 4,6 до 8,0 кГц, должно быть не менее граничных значений, приведенных на рисунке 3.
Рисунок 3
4.11.2 Приемной части ЦТА
Уровень любого внеполосного паразитного акустического сигнала на выходе ИУ в полосе 4,6 - 8,0 кГц должен быть не более уровня акустического сигнала частотой 1000 Гц, поданного на вход эталонного кодека, подключенного к цифровому интерфейсу ЦТА, с уровнями, определяемыми граничными значениями рисунка 14 для каждой измеряемой частоты паразитного сигнала, и измеренного также на выходе ИУ.
4.12 Изменение усиления в зависимости от входного уровня
4.12.1 Передающей части ЦТА
Изменение усиления передающей части ЦТА при подаче акустического измерительного сигнала в опорной точке рта с уровнями от плюс 13 до менее минус 40 дБм0 относительно усиления при уровне минус 10 дБм0, должно укладываться в пределы, представленные в таблице 7.
Таблица 7
|
Уровень акустического измерительного сигнала в опорной точке рта относительно АОУ = -10 дБм0, дБ |
Верхний предел, дБ |
Нижний предел, дБ |
|
13 |
0,5 |
-0,5 |
|
0 |
0,5 |
-0,5 |
|
-30 |
0,5 |
-0,5 |
|
-30 |
1,0 |
-∞ |
|
-40 |
1,0 |
-∞ |
|
< -40 |
2,0 |
-∞ |
4.12.2 Приемной части ЦТА
Изменение усиления приемной части ЦТА при подаче на вход аналогового измерительного сигнала, преобразованного в цифровую форму на входе ЦТА с уровнями от плюс 3 до менее минус 50 дБм0 относительно усиления при уровне минус 10 дБм0, должна укладываться в пределы, представленные в таблице 8.
Таблица 8
|
Уровень аналогового измерительного сигнала, преобразованного в цифровую форму на входе ЦТА, дБм0 |
Верхний предел, дБ |
Нижний предел, дБ |
|
+3 |
0,5 |
-0,5 |
|
-10 |
0,5 |
-0,5 |
|
-40 |
0,5 |
-0,5 |
|
-40 |
1,0 |
-1,0 |
|
-50 |
1,0 |
-1,0 |
|
< -50 |
2,0 |
-2,0 |
4.13 Групповое время прохождения
Суммарное групповое время прохождения сигналов в диапазоне частот от 500 до 2500 Гц от ОТР до выхода ЦТА и от входа ЦТА до ОТУ должна быть не более 2 мс для ЦТА с аналого-цифровым преобразованием ИКМ-64 и не более 2,75 мс для ЦТА с аналого-цифровым преобразованием АДИКМ-32.
5.1 Измерения параметров передачи ЦТА могут проводиться с использованием специализированного цифрового измерительного оборудования или аналоговых измерительных средств в сочетании с эталонным кодеком и блоком сопряжения в соответствии с общими принципами, приведенными в приложении А.
Примечание - Методы измерений, описанные в данном отраслевом стандарте, базируются на возможности применения существующих аналоговых средств измерений.
5.2 Измерения должны проводиться в нормальных климатических условиях:
- температура окружающего воздуха - (25 ± 10) °С;
- относительная влажность воздуха - от 45 до 80 %;
- атмосферное давление - от 96 до 104 кПа.
Примечание - При температуре воздуха выше 30 °С относительная влажность должна быть не более 70 %.
5.3 При измерении параметров передачи, требующих возбуждения микрофона акустическим измерительным сигналом, микротелефонная трубка ЦТА должна быть расположена в пространстве относительно ОТУ в соответствии с ОСТ 45.84.
На расстоянии до 0,5 м от ограничительного кольца ИР кроме микротелефонной трубки испытуемого ЦТА не должно быть посторонних предметов, которые могли бы исказить акустическое поле, создаваемое ИР.
5.4 Уровень окружающего акустического шума при испытаниях должен быть не более 35 дБА.
5.5 Питание ЦТА в режимах испытаний должно осуществляться в соответствии с ТУ на конкретный тип ЦТА
5.6 При измерении чувствительности Sпер, Sпр используются синусоидальные сигналы с частотами 1/12 октавного ряда: 100, 106, 112, 118, 125, 132, 140, 150, 160, 170, 180, 190, 200, 212, 224, 236, 250, 265, 280, 300, 315, 335, 355, 375, 400, 425, 450, 475, 500, 530, 560, 600, 630, 670, 710, 750, 800, 850, 900, 950, 1000, 1060, 1120, 1180, 1250, 1320, 1400, 1500, 1600, 1700, 1800, 2000, 2120, 2240, 2360, 2500, 2650, 2800, 3000, 3150, 3350, 3550, 3750, 4000, 4250, 4500, 4750, 5000 Гц.
5.7 Искусственный рот должен быть откалиброван на каждой частоте по 5.6 так, чтобы уровень звукового давления в ОТР на каждой частоте синусоидального измерительного сигнала при отсутствии микротелефонной трубки перед ИР поддерживался равным значениям, установленным в соответствующих разделах стандарта.

1 - генератор сигналов низкочастотный; 2 - частотомер; 3 - искусственный рот;
4 - измерительный микрофон по давлению (конденсаторный ½”);
5 - усилительно-питающее устройство;
6 - электронный вольтметр переменного напряжения.
Рисунок 4
5.8 ЭДС для возбуждения входа ЦТА, развиваемая измерительным генератором с симметричным внутренним сопротивлением 600 Ом, должна быть равна 250 мВ (минус 12 дБВ) на каждой частоте синусоидального измерительного сигнала в соответствии с 5.6.
5.9 При проведении измерений используются средства измерений и устройства, приведенные в таблице 9.
Таблица 9
|
Основные требования и метрологические характеристики |
|
|
1 Генератор сигналов низкочастотный |
Диапазон частот от 20 Гц до 10 кГц. Основная погрешность установки частоты не более ± (2 + 50 / f) % до 200 Гц и не более ± (1 + 50 / f) % свыше 200 Гц. Выходное напряжение не менее 50 В. Внутреннее сопротивление 600 Ом, выход симметричный. |
|
2 Электронный вольтметр |
Класс точности 1,5. Диапазон частот от 20 до 10000 Гц. Диапазон измерений от 1 мВ до 10 В. Входное сопротивление не менее 1 МОм. |
|
3 Измерительный микрофон по давлению 1,2” |
Основная погрешность ±0,5 дБ. Неравномерность частотной характеристики не более 2 дБ. |
|
4 Шумомер |
По ГОСТ 17187-81. Класс точности 3. |
|
5 Псофометр |
Основная погрешность ± 5 % от конечного значения диапазона показаний. Входное сопротивление 600 Ом. Диапазон измерений от 0,1 до 150 мВп. |
|
6 Селективный вольтметр |
Основная погрешность ± 0,5 дБ. Диапазон измерений от 10 мВ до 1 В. Входное сопротивление не менее 1 МОм. Диапазон частот от 100 Гц до 10 кГц. Ширина полосы пропускания от 100 Гц до 1 октавы. |
|
7 Фазометр |
Основная погрешность ± 1°. Диапазон непосредственного отсчета от 0 до 360°. Диапазон частот от 100 Гц до 10 кГц. |
|
8 Искусственный рот (ИР) |
Основная погрешность создаваемого звукового давления не более ± 0,5 дБ. Неравномерность частотной характеристики звукового давления в диапазоне частот 100 - 10000 Гц не более ± 3 дБ. Коэффициент гармоник при звуковом давлении 3 Па не более 3 % в диапазоне частот 100 - 300 Гц и не более 2 % на частотах выше 300 Гц. |
|
9 Искусственное ухо (ИУ) |
Основная погрешность измерения звукового давления не более ± 0,5 дБ. Неравномерность частотной характеристики чувствительности в диапазоне частот 100 - 8000 Гц не более ± 2 дБ. Коэффициент гармоник при звуковом давлении 10 Па не более 1 % |
|
10 Прибор для измерения искажений квантования с использованием псевдослучайного шумового сигнала (по Рекомендации МСЭ-Т О.131) |
Основная погрешность для опорных уровней от -6 до -55 дБм0: - не более ± 0,5 дБ для пределов измерений от 10 до 40 дБ; - не более ± 1 дБ для пределов измерений от 0 до 10 дБ. Основная погрешность для опорных уровней от 0 до -6 дБм0: - не более ± 1,5 дБ для пределов измерений от 20 до 40 дБ; - не более ± 2 дБ для пределов измерений от 0 до 20 дБ |
|
11 Прибор для измерения искажений квантования с использованием синусоидального испытательного сигнала (по Рекомендации МСЭ-Т О.132) |
Основная погрешность измерения не более ± 1 дБ для пределов измерений от 10 до 40 дБ. Погрешность установки уровней передачи не более ± 0,2 дБ в диапазоне относительных уровней от -45 до ±5 дБмО. |
|
12 Генератор цифровых сигналов (по Рекомендации МСЭ-Т О. 133) |
Основная погрешность передаваемой частоты ± 2 Гц ± 0,1 % Диапазон частот от 200 до 3600 Гц. Основная погрешность передаваемого уровня ± 0,2 дБ. Диапазон уровней сигнала от минус 55 до плюс 3 дБм0. |
|
13 Эталонный кодек |
Основные требования приведены в П.А.3.1 настоящего отраслевого стандарта |
|
14 Блок сопряжения |
Основные требования приведены в П.А.3.2 настоящего отраслевого стандарта |
|
15 Частотомер электронно-счетный |
Диапазон частот от 20 Гц до 10 кГц. Входное сопротивление не менее 1 МОм. Основная погрешность не более 0,2 %: |
|
16 Усилитель |
Диапазон частот от 100 Гц до 10 кГц. Входное сопротивление (600 ± 6) Ом. Выходное сопротивление не более 8 Ом. Максимальная выходная мощность на нагрузке 8 Ом не менее 5 Вт. Неравномерность частотной характеристики не более ± 0,2 дБ. Нелинейные искажения при максимальной выходной мощности не более 0,5 %. |
6.1 Определение ПГпер, ПГпр, ПГмэг и ПГмэс проводят по методике, изложенной в разделе 5 ОСТ 45.84.
6.2 Определение частотной характеристики чувствительности передающей части ЦТА (Sпер) проводят в соответствии со структурной схемой, изображенной на рисунке 5.
6.2.1 Микротелефонную трубку устанавливают и закрепляют в соответствии с Приложением Б ОСТ 45.84. Слуховую раковину прижимают к камере ИУ.
1 - генератор сигналов низкочастотный; 2 - искусственный рот; 3 - искусственное ухо; 4 - испытуемый ЦТА; 5 - блок сопряжения; 6 - эталонный кодек; 7 - электронный вольтметр; R - резистор с сопротивлением (600 ± 30) Ом.
Рисунок 5
6.2.2 На микрофон испытуемого ЦТА воздействуют акустическим сигналом на каждой измерительной частоте в соответствии с 5.6 со звуковым давлением, равным минус 4,7 дБПа (0,582 Па) в ОТР, и измеряют электронным вольтметром напряжение на выходе эталонного кодека, нагруженного на сопротивление 600 Ом.
6.2.3 Значение Sперi, дБВ/Па, вычисляют относительно 1 В / 1 Па для каждой измерительной частоты по формуле (3):
Sперi = 20 lg (Ui / P) (3)
где Ui - напряжение, В;
Р = 0,582 Па - звуковое давление в ОТР.
6.2.4 Сумма основных погрешностей используемых средств измерений должна быть не более ± 1 дБ.
6.3 Определение частотной характеристики чувствительности приемной части ЦТА (Sпр) проводят в соответствии со структурной схемой, изображенной на рисунке 6.
1, 8 - электронный вольтметр; 2 - усилительно-питающее устройство, 3 - искусственное ухо; 4 - испытуемый ЦГА; 5 - блок сопряжения; 6 - эталонный кодек; 7 - генератор сигналов низкочастотный.
Рисунок 6
6.3.1 Микротелефонную трубку устанавливают и закрепляют в соответствии с приложением Б ОСТ 45.84. Слуховую раковину прижимают к камере ИУ.
6.3.2 На каждой измерительной частоте в соответствии с 5.6 поддерживают уровень напряжения минус 18 дБВ (0,125 В) на входе эталонного кодека и измеряют напряжение Ui на выходе усилительно-питающего устройства ИУ.
6.3.3 Значения Sпрi, дБПа/В, относительно 1 Па / 1 В на каждой измерительной частоте определяют по формуле (4):
Sпрi = 20 lg (PTi / U) (4)
где PTi = Ui / ai - звуковое давление, развиваемое телефоном испытуемого ЦТА в камере ИУ на каждой измерительной частоте, вычисляемое как отношение напряжения Ui на выходе ИУ, В, к чувствительности ai ИУ, В/Па, определяемой при поверке ИУ;
U = 0,125 В - напряжение на входе эталонного кодека на всех измерительных частотах.
6.3.4 Сумма основных погрешностей используемых средств измерений должна быть не более ± 1 дБ.
6.4 Определение взвешенного затухания электроакустического тракта ЦТА проводят в соответствии со структурной схемой, изображенной на рисунке 7.
1 - испытуемый ЦТА; 2 - блок сопряжения; 3 - эталонный кодек; 4 - электронный вольтметр; 5 - генератор сигналов низкочастотный.
Рисунок 7
6.4.1 Измерения проводят в свободном звуковом поле. Уровень окружающего шума помещения при измерении должен быть не более 30 дБА.
Микротелефонную трубку подвешивают на петле, охватывающей слуховую раковину таким образом, чтобы на расстоянии 0,5 м и менее не было отражающих поверхностей и, чтобы микротелефонный шнур не был натянутым.
6.4.2 На вход эталонного кодека, подключаемого к цифровому интерфейсу ЦТА, подают синусоидальные сигналы (Uo) с уровнем 0 дБм0 с частотами в соответствии с 5.6 в диапазоне 300 - 3350 Гц и измеряют напряжение сигнала (Ui) на выходе эталонного кодека, подключаемого к цифровому интерфейсу ЦТА, на соответствующих частотах.
Затухание аi, дБ, между входом и выходом ЦТА вычисляют по формуле (5).
аi = 20 lg (Ui / Uo) (5)
6.4.3 Взвешенное затухание электроакустического тракта L, дБ, вычисляют по формуле (6):
где 3,24 - эмпирический коэффициент;
Ai =
; Ai-1 =
- отношение
мощности сигнала на выходе к мощности на входе ЦТА на частотах fi и fi-1 соответственно;
аi, аi-1 - затухание, вычисленное по формуле (5) на частотах fi и fi-1 соответственно;
fi и fi-1 - любые две соседние частоты из ряда измерительных частот;
N - число измерительных частот.
Примечание - Пример вычисления приведен в приложении Б.
6.4.4 Сумма основных погрешностей используемых средств измерения должна быть не более ± 0,5 дБ.
6.5 Измерение устойчивости проводят в соответствии со структурной схемой, изображенной на рисунке 7.
6.5.1 Микротелефонную трубку укладывают на горизонтальную плоскость сектора в виде угла, образованного тремя взаимноперпендикулярными квадратными плоскостями с гладкими твердыми поверхностями в соответствии с обязательным приложением В.
6.5.2 Затухание аi, дБ, между входом и выходом ЦТА, характеризующее устойчивость, определяют по 6.4.2 на частотах в соответствии с 5.6 в диапазоне частот 200 - 4000 Гц.
6.5.3 Сумма основных погрешностей используемых средств измерений должна быть не более ± 0,5 дБ.
6.6 Уровень псофометрической мощности шума передающей части ЦТА измеряют в помещении с уровнем окружающего шума не более 30 дБА, в соответствии со структурной схемой, изображенной на рисунке 8.
1 - искусственное ухо; 2 - испытуемый ЦТА; 3 - блок сопряжения; 4 - эталонный кодек; 5 - псофометр.
Рисунок 8
6.6.1 Микротелефонную трубку устанавливают и закрепляют в соответствии с приложением Б ОСТ 45.84. Слуховую раковину прижимают к камере ИУ.
6.6.2 Измерения проводят псофометром (5) с входным сопротивлением 600 Ом по шкале, отградуированной в дБ.
6.6.3 Сумма основных погрешностей используемых средств измерений должна быть не более ± 1 дБ.
6.7 Уровень акустического шума, создаваемого приемной частью ЦТА в камере искусственного уха, измеряют в соответствии со структурной схемой, изображенной на рисунке 9.
1 - шумомер; 2 - усилительно-питающее устройство; 3 - искусственное ухо; 4 - испытуемый ЦТА; 5 - блок сопряжения; 6 - генератор цифровых сигналов.
Рисунок 9
6.7.1 Микротелефонную трубку устанавливают и закрепляют в соответствии с приложением Б ОСТ 45.84. Слуховую раковину прижимают к камере ИУ.
6.7.2 На вход ЦТА подают сигнал «код молчания» от генератора цифровых сигналов, соответствующий цифровой скорости и закону кодирования ЦТА, и измеряют шумомером с характеристикой А уровень шума дБПа(А), создаваемый телефоном ЦТА в камере ИУ.
6.7.3 Сумма основных погрешностей используемых средств измерений должна быть не более ± 1 дБ.
6.8 Отношение мощности передаваемого сигнала к мощности суммарных искажений измеряют шумовым и синусоидальным методом в соответствии со структурной схемой, изображенной на рисунке 10.
6.8.1 Микротелефонную трубку устанавливают и закрепляют в соответствии с приложением Б ОСТ 45.84. Слуховую раковину прижимают к камере ИУ.
6.8.2 На микрофон испытуемого ЦТА воздействуют шумовым сигналом с уровнями в соответствии с таблицей 3 (при измерении шумовым методом) и синусоидальным сигналом с уровнями в соответствии с таблицей 5 (при измерении синусоидальным методом).
1 - усилитель; 2 - искусственный рот; 3 - искусственное ухо; 4 - испытуемый ЦТА; 5 - блок сопряжения; 6 - эталонный кодек; 7 - прибор для измерения искажений квантования.
Рисунок 10
6.8.3 Измерения проводят посредством измерителей искажений квантования или специализированных приборов (например, РСМ-4 фирмы Вандель энд Гольтерманн; НР3776А фирмы Хюлет-Пакард и др.), соответствующих требованиям рекомендаций МСЭ-Т О.131 [1] и О.132 [2].
6.8.4 Сумма основных погрешностей используемых средств измерений должна быть не более ± 1 дБ.
6.9 Отношение мощности сигнала приемной части ЦТА к мощности суммарных искажений измеряют шумовым и синусоидальным методами в соответствии со структурной схемой, представленной на рисунке 11.
1 - усилительно-питающее устройство; 2 - искусственное ухо; 3 - испытуемый ЦТА; 4 - блок сопряжения; 5 - эталонный кодек; 6 - прибор для измерения искажений квантования.
Рисунок 11
6.9.1 Микротелефонную трубку устанавливают и закрепляют в соответствии с приложением Б ОСТ 45.84. Слуховую раковину прижимают к камере ИУ.
6.9.2 Уровень измерительного сигнала на входе ЦТА устанавливают в соответствии с таблицей 4 (при измерении шумовым методом) и в соответствии с таблицей 6 (при измерении синусоидальным методом).
6.9.3 Измерения проводят посредством измерителя искажений квантования или специализированных приборов, указанных в 6.8.3.
6.9.4 Сумма основных погрешностей используемых средств измерений должна быть не более ± 1 дБ.
6.10 Уровень внеполосных сигналов передающей части ЦТА измеряют в соответствии со структурной схемой, изображенной на рисунке 12.
1 - генератор сигналов низкочастотный; 2 - искусственный рот; 3 - искусственное ухо; 4 - испытуемый ЦТА; 5 - блок сопряжения; 6 - эталонный кодек, 7 - селективный вольтметр; R - резистор с сопротивлением (600 ± 30) Ом.
Рисунок 12
6.10.1 Микротелефонную трубку устанавливают и закрепляют в соответствии с приложением Б ОСТ 45.84. Слуховую раковину прижимают к камере ИУ.
6.10.2 На микрофон ЦТА воздействуют синусоидальным звуковым сигналом с частотой 1020 Гц и с уровнем минус 4,7 дБПа в ОТР и измеряют уровень сигнала Ро, дБВ, на выходе эталонного кодека посредством селективного вольтметра.
6.10.3 На микрофон ЦТА воздействуют поочередно синусоидальными сигналами с частотами Fi 4650; 5000; 6000; 7000; 7500 Гц и уровнем минус 4,7 дБПа в ОТР. Измеряют уровень сигнала РFк, дБ, на выходе эталонного кодека посредством селективного вольтметра для комбинационных частот Fк, представляющих собой разность между частотой дискретизации 8000 Гц и указанными выше частотами входных сигналов соответственно: 3350; 3000; 2000; 1000; 500 Гц.
6.10.4 Разность между Ро и уровнями сигналов РFк для частот Fк сопоставляют с граничными значениями на рисунке 3.
6.10.5 Сумма основных погрешностей используемых средств измерений должна быть не более ± 0,5 дБ.
6.11 Уровень любого внеполосного паразитного сигнала в приемной части ЦТА измеряют в соответствии со структурной схемой, изображенной на рисунке 13.
1 - селективный вольтметр; 2 - усилительно-питающее устройство; 3 - искусственное ухо, 4 - испытуемый ЦТА; 5 - блок сопряжения; 6 - эталонный кодек; 7 - электронный вольтметр; 8 - генератор сигналов низкочастотный.
Рисунок 13
6.11.1 Микротелефонную трубку устанавливают и закрепляют в соответствии с приложением Б ОСТ 45.84. Слуховую раковину прижимают к камере ИУ.
6.11.2 На вход эталонного кодека подают поочередно синусоидальные сигналы с частотами Fi 500, 1020, 2000, 3150 Гц и уровнем 0 дБм0. При каждом указанном сигнале измеряют на выходе ИУ посредством селективного вольтметра напряжения UFк паразитных комбинационных частот Fк, представляющих собой разность между частотой квантования 8000 Гц и указанными выше частотами входных сигналов, соответственно: 7500, 6980,6000, 4850 Гц.
6.11.3 Уровни звукового давления РFк, дБПа, вычисляют по формуле (7).
РFк = 20 lg (UFк / aFк) (7)
где aFк - чувствительность ИУ (В/Па) на соответствующих частотах Fк паразитных сигналов, определяемая при поверке ИУ.
6.11.4 На вход эталонного кодека подают синусоидальный сигнал с частотой 1020 Гц с уровнями, определенными по граничным значениям на рисунке 14 для каждой частоты Fк, соответственно -47,5; -46; -44; -37 дБм0, и измеряют на выходе ИУ напряжения U0i при каждом из указанных уровней измерительного сигнала.
Рисунок 14
6.11.5 Уровень звукового давления Р0i, дБПа, вычисляют по формуле (8).
Р0i = 20 lg (U0i / a0) (8)
где a0 - чувствительность ИУ (В/Па) на частоте 1020 Гц.
6.11.6 Положительное значение каждой разности (Р0i - РFк) характеризует соответствие ЦТА требованиям.
6.11.7 Сумма основных погрешностей используемых средств измерений должна быть не более ± 1 дБ.
6.12 Изменение усиления передающей части ЦТА определяют в соответствии со структурной схемой, изображенной на рисунке 15.
1 - генератор сигналов низкочастотный; 2 - искусственный рот; 3 - искусственное ухо; 4 - испытуемый ЦТА; 5 - блок сопряжения; 6 - эталонный кодек; 7 - измерительный микрофон по давлению (конденсаторный ½”); 8 - усилительно-питающее устройство; 9 - электронный вольтметр; 10 - селективный вольтметр; R - резистор с сопротивлением (600 ± 30) Ом.
Рисунок 15
6.12.1 Микротелефонную трубку устанавливают и закрепляют в соответствии с приложением Б ОСТ 45.84. Слуховую раковину прижимают к камере ИУ.
6.12.2 В ОТР устанавливают посредством измерительного микрофона звуковое давление, соответствующее АОУ на частоте 1020 Гц.
6.12.3 Измерения проводят на частоте 1020 Гц при воздействии на микрофон ЦТА звуковыми сигналами с уровнями: -40, -30,0, +13 дБ относительно АОУ (минус 10 дБм0).
6.12.4 При каждом из указанных уровней селективным вольтметром измеряют уровни напряжения на выходе ЦТА и вычисляют Sперi по формуле (3).
6.12.5 При АОУ тем же селективным вольтметром измеряют уровень напряжения на выходе ЦТА и вычисляют Sпер по формуле (3).
6.12.6 Изменение усиления определяют как разность между Sперi и Sпер.
6.12.7 Сумма основных погрешностей используемых средств измерений должна быть не более ± 0,2 дБ.
6.13 Изменение усиления приемной части ЦТА определяют в соответствии со структурной схемой, представленной на рисунке 16.
1 - селективный вольтметр; 2 - усилительно-питающее устройство; 3 - искусственное ухо; 4 - испытуемый ЦТ А; 5 - блок сопряжения; 6 - эталонный кодек; 7 - электронный вольтметр; 8 - генератор сигналов низкочастотный.
Рисунок 16
6.13.1 Микротелефонную трубку устанавливают и закрепляют в соответствии с приложением Б ОСТ 45.84. Слуховую раковину прижимают к камере ИУ.
6.13.2 На вход эталонного кодека подают измерительные сигналы частотой 1020 Гц с уровнями мощности: -50, -40, -10, +3 дБм0.
6.13.3 При каждом уровне измерительного сигнала селективным вольтметром измеряют напряжение на выходе ИУ и вычисляют Sпрi по формуле (4).
6.13.4 При уровне измерительного сигнала минус 10 дБм0, тем же селективным вольтметром, измеряют напряжение на выходе ИУ и вычисляют Sпр по формуле (4).
6.13.5 Изменение усиления определяют как разность между Sпрi и Sпр.
6.13.6 Сумма основных погрешностей используемых средств измерений должна быть не более ±0,2 дБ.
6.14 Суммарное групповое время прохождения (ГВП) трактов передачи и приема ЦТА (от микрофона до телефона по петле цифрового входа-выхода ЦТА) определяют как сумму результатов раздельных измерений в направлении передачи и в направлении приема.
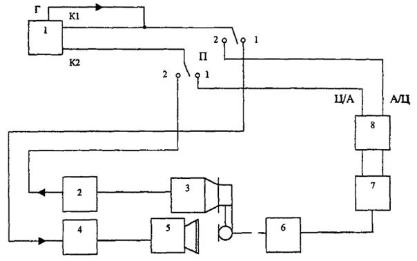
Измерения проводят в соответствии со структурной схемой, изображенной на рисунке 17.
1 - фазометр; 2 - усилительно-питающее устройство; 3 - искусственное ухо; 4 - усилитель; 5 - искусственный рот; 6 - испытуемый ЦТА; 7 - блок сопряжения; 8 - эталонный кодек; П - переключатель; К1, К2 - входы каналов фазометра; Г - выход генератора фазометра.
Рисунок 17
6.14.1 Микротелефонную трубку устанавливают и закрепляют в соответствии с приложением Б ОСТ 45.84. Слуховую раковину прижимают к камере ИУ.
6.14.2 При измерении ГВП тракта передачи ЦТА (в положении переключателя П1-1) уровень звукового давления должен соответствовать АОУ.
6.14.3 При измерении ГВП тракта приема (в положении переключателя П2-2) уровень сигнала на входе ЦТА должен равняться минус 10 дБм0.
6.14.4 Измерения проводят на частотах, приведенных в таблице 10, причем для каждой частоты Fо измеряют разность фаз: Р1 - на частоте F1 и Р2 - на частоте F2.
Таблица 10
|
F0, Гц |
F1, Гц |
F2, Гц |
|
500 |
475 |
525 |
|
630 |
605 |
655 |
|
800 |
775 |
825 |
|
1000 |
975 |
1025 |
|
1250 |
1225 |
1275 |
|
1600 |
1575 |
1625 |
|
2000 |
1975 |
2025 |
|
2500 |
2475 |
2525 |
6.14.5 Измерения для каждой частоты Fо проводят в следующем порядке: подают сигнал с частотой F1 от генератора фазометра и измеряют разности фаз сигнала между каналами фазометра К1 и К2, в градусах (Р1); подают сигнал с частотой F2 от генератора фазометра и измеряют разности фаз сигнала между каналами фазометра К1 и К2, в градусах (Р2).
6.14.6 Значения ГВП (D), мс, на передачу и на прием вычисляют для каждой частоты Fо по формуле (9).
Примечание - При вычислении нужно учитывать, что (Р2 - Р1) может иметь отрицательное значение, которое должно быть скорректировано прибавлением 360°.
6.14.7 Суммарное значение ГВП (DΣ) вычисляют по формуле (10).
DΣ = Dпер + Dпр - Dио, (10)
где Dпер - значение ГВП на передачу;
Dпр - значение ГВП на прием;
Dио - ГВП вносимое испытательным оборудованием и определяемое в соответствии со структурной схемой, представленной на рисунке 18.
1 - фазометр; 2 - усилитель; 3 - искусственный рот; 4 - микрофон ИУ; 5 - усилительно-питающее устройство ИУ; К1, К2 - входы каналов фазометра; Г - выход генератора фазометра.
Рисунок 18
6.14.8 Из ИУ извлекают микрофон и размещают его перед ИР в ОТР. Уровень звукового давления в ОТР устанавливают равным минус 4,7 дБПа.
6.14.9 Измерения проводят на частотах в соответствии с таблицей 10 по описанной выше методике. Значение Dио вычисляют также по формуле (9).
6.14.10 Сумма основных погрешностей используемых средств измерений должна быть не более ±5 %.
(обязательное)
А.1 Введение
Параметры передачи ЦТА могут быть определены описанными в настоящем стандарте методами посредством следующих двух альтернативных способов доступа к контрольно-измерительному оборудованию:
- непосредственный доступ;
- доступ посредством эталонного кодека.
А.2 Непосредственный доступ
Принцип непосредственного доступа, изображенный на рисунке А.1, предполагает наличие комплекса цифрового контрольно-измерительного оборудования, позволяющего измерять параметры передачи ЦТА без дополнительного промежуточного аналого-цифрового и цифро-аналогового преобразования цифровых сигналов ЦТА.
Рисунок А.1
А.3 Доступ посредством эталонного кодека
Принцип использования эталонного кодека, изображенного на рисунке А.2, состоит в преобразовании входного и выходного компандированного цифрового потока ЦТА, в эквивалентные цифровые и аналоговые сигналы с целью использования существующего аналогового контрольно-измерительного оборудования.
Рисунок А.2
А.3.1 Основные требования к эталонному кодеку
А.3.1.1 Должно использоваться, по крайней мере, 14-разрядное линейное аналого-цифровое и цифро-аналоговое преобразование высокого качества.
А.3.1.2 Должна быть предусмотрена возможность перекодирования выходного сигнала по закону «А». [4]
А.3.1.3 Амплитудно-частотная характеристика фильтров на входе и выходе кодека должна укладываться в допусковую область, представленную на рисунке А.3.
А.3.1.4 Номинальное входное и выходное сопротивление должно быть симметрично относительно земли и должны быть равны 600 Ом.
А.3.1.5 Затухание несогласованности входных и выходных сопротивлений относительно 600 Ом в диапазоне частот от 100 до 4000 Гц должно быть не менее 36 дБ.
А.3.1.6 Затухание асимметрии входных и выходных сопротивлений относительно земли в диапазоне частот от 100 до 4000 Гц, должны быть не менее 46 дБ.
Рисунок А.3
А.3.2 Основные требования к блоку сопряжения
А.3.2.1 Блок сопряжения должен обеспечивать питание, сигнализацию и управляющие последовательности, необходимые для работы ЦТА во всех режимах испытаний.
А.3.2.2 Блок сопряжения должен преобразовывать цифровой поток от ЦТА и к ЦТА в формат, совместимый с эталонным кодеком, поскольку ЦТА могут иметь различные цифровые форматы в зависимости от принятых способов цифрового кодирования.
(справочное)
Б.1 Вычисление взвешенного затухания электроакустического тракта (L) по 6.4.3 удобно проводить с помощью сводной таблицы, соответствующей алгоритму расчета по формуле 6
Б.2 Пример вычисления с сокращенным числом измерительных частот fi
|
fi, Гц (1) |
lg fi (2) |
lg fi - lg fi-1 (3) |
аi, дБ (4) |
Аi (5) |
Аi + Аi-1 (6) |
(3) × (6) (7) |
|
300 |
2,477 |
|
∞ |
0 |
|
|
|
|
|
0,222 |
|
|
0,124 |
0,0275 |
|
500 |
2,699 |
|
9,05 |
0,124 |
|
|
|
|
|
0,204 |
|
|
0,402 |
0,0820 |
|
800 |
2,903 |
|
5,56 |
0,278 |
|
|
|
|
|
0,097 |
|
|
0,636 |
0,0617 |
|
1000 |
3,000 |
|
4,46 |
0,358 |
|
|
|
|
|
0,176 |
|
|
0,838 |
0,1475 |
|
1500 |
3,176 |
|
3,19 |
0,48 |
|
|
|
|
|
0,125 |
|
|
0,970 |
0,1213 |
|
2000 |
3,301 |
|
3,09 |
0,49 |
|
|
|
|
|
0,097 |
|
|
0,881 |
0,0855 |
|
2500 |
3,398 |
|
4,08 |
0,391 |
|
|
|
|
|
0,079 |
|
|
0,571 |
0,0451 |
|
3000 |
3,477 |
|
7,45 |
0,180 |
|
|
|
|
|
0,048 |
|
|
0,180 |
0,086 |
|
3350 |
3,525 |
|
∞ |
0 |
|
|
|
Сумма |
0,5791 |
|||||
L = 3,24 - 10 lg 0,5791 = 5,61 дБ
(обязательное)

Рисунок В.1
В.1 Микротелефонная трубка должна быть уложена так, чтобы:
- амбушюр и слуховая раковина были обращены к горизонтальной плоскости;
- ее продольная ось совпадала с диагональю горизонтальной плоскости и слуховая раковина была направлена к вершине угла (0);
- край слуховой раковины совпадал своей нормалью с опорной точкой плоскости.
[1] Рекомендация МСЭ-Т О.131 Прибор для измерения искажений квантования с использованием псевдослучайного шумового сигнала
[2] Рекомендация МСЭ-Т О.132 Прибор для измерения искажений квантования с использованием синусоидального испытательного сигнала
[3] Рекомендация МСЭ-Т Р.57 Искусственные уши
[4] Рекомендация МСЭ-Т G.712 Импульсно-кодовая модуляция (ИКМ) сигналов тональной частоты
Ключевые слова: цифровые телефонные аппараты, параметры передачи, методы измерений.