Machinery for forestry. Hitches. Types and main dimensions

ФЕДЕРАЛЬНОЕ АГЕНТСТВО
ПО
ТЕХНИЧЕСКОМУ РЕГУЛИРОВАНИЮ И МЕТРОЛОГИИ

НАЦИОНАЛЬНЫЙ СТАНДАРТ
российской
ФЕДЕРАЦИИ

ГОСТ Р ИСО
6815-2004

Машины для леса.
Сцепные устройства

ТИПЫ И ОСНОВНЫЕ РАЗМЕРЫ

 

ИСО 6815:1983

Machinery for forestry - Hitches - Dimensions

(IDT)

 

 

 

Москва

ИПК Издательство стандартов

2005

 

Предисловие

Задачи, основные принципы и правила проведения работ по государственной стандартизации в Российской Федерации установлены ГОСТ Р 1.0-92 «Государственная система стандартизации Российской Федерации. Основные положения» и ГОСТ 1.2-92 «Государственная система стандартизации Российской Федерации. Порядок разработки государственных стандартов»

Сведения о стандарте

1 ПОДГОТОВЛЕН Открытым акционерным обществом «Центральный научно-исследовательский и проектно-конструкторский институт механизации и энергетики лесной промышленности» (ОАО «ЦНИИМЭ») на основе русской версии стандарта, указанного в пункте 4

2 ВНЕСЕН Техническим комитетом по стандартизации ТК 361 «Лесные машины»

3 УТВЕРЖДЕН И ВВЕДЕН В ДЕЙСТВИЕ Приказом Федерального агентства по техническому регулированию и метрологии от 15 декабря 2004 г. № 122-ст

4 Настоящий стандарт идентичен международному стандарту ИСО 6815:1983 «Машины лесные. Сцепные устройства. Размеры» (ISO 6815:1983 «Machinery for forestry - Hitches - Dimensions»)

Наименование настоящего стандарта изменено относительно наименования указанного международного (регионального) стандарта для приведения в соответствие с ГОСТ 1.5 (подраздел 3.6)

5 ВВЕДЕН ВПЕРВЫЕ

СОДЕРЖАНИЕ

1 Область применения. 1

2 Термины и определения. 2

3 Размеры.. 2

ГОСТ Р ИСО 6815-2004

НАЦИОНАЛЬНЫЙ СТАНДАРТ РОССИЙСКОЙ ФЕДЕРАЦИИ

МАШИНЫ ДЛЯ ЛЕСА. СЦЕПНЫЕ УСТРОЙСТВА

Типы и основные размеры

Machinery for forestry. Hitches. Types and main dimensions

Дата введения - 2006-01-01

1 Область применения

Настоящий стандарт устанавливает основные размеры двух типов сцепных устройств, устанавливаемых на самоходных машинах для леса и служащих для сцепления буксируемого оборудования, конец дышла которого имеет форму кольца.

2 Термины и определения

В настоящем стандарте приведены следующие термины с соответствующими определениями.

2.1 фиксированное сцепное устройство (fixed hitch): Сцепное устройство, неподвижное относительно продольной оси машины.

2.2 поворотное сцепное устройство (revolving hitch): Сцепное устройство, подвижное относительно продольной оси машины.

3 Размеры

Конструкцией сцепных устройств должна быть исключена возможность самопроизвольного отсоединения конца дышла буксируемого оборудования.

3.1. Фиксированное сцепное устройство

3.1.1 Основные размеры фиксированного сцепного устройства должны соответствовать указанным на рисунке 1 и в таблице 1.

а - сцепное устройство с шкворнем

б - сцепное устройство с крюком

Примечание - Рисунок не определяет конструкции.

Рисунок 1 - Фиксированные сцепные устройства

Таблица 1 - Размеры фиксированного сцепного устройства

Наименование размера

Значение, мм

Серьга

Крюк

Высота проема а

Не менее 80

Не менее 100

Глубина серьги до оси шкворня b

Не менее 60

Не менее 100

Диаметр шкворня с

Не менее 35 ± 1

55 ± 1

Расстояние от оси шкворня d, равное 1,5 с

Не более 52,5

Не более 82,5

3.1.2 Конструкцией сцепного устройства должны быть обеспечены минимальные углы поворота сцепного дышла в горизонтальной и вертикальной плоскостях (рисунок 2).

а - угол поворота в вертикальной (поперечной) плоскости

б - угол поворота в вертикальной (продольной) плоскости

в - угол отклонения (рыскания) в горизонтальной плоскости

Рисунок 2 - Минимальные углы поворота сцепного дышла для фиксированного сцепного устройства

3.2 Поворотное сцепное устройство

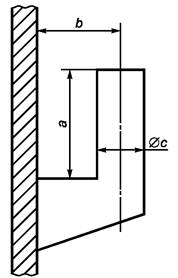
3.2.1 Основные размеры поворотного сцепного устройства должны соответствовать указанным на рисунке 3 и в таблице 2.

Таблица 2 - Размеры поворотного сцепного устройства

Рисунок 3 - Поворотное сцепное устройство

Наименование размера

Размеры, мм

Высота проема а

55 ± 1

Глубина серьги до оси шкворня b

100 ± 1

Диаметр шкворня с

70 ± 1

3.2.2 Конструкцией сцепного поворотного устройства должен быть обеспечен поворот серьги на углы, указанные на рисунке 4:

- угол поворота (вращения) серьги в вертикальной плоскости - 360°;

- угол поворота в горизонтальной плоскости от продольной оси влево и вправо - 45°.

Рисунок 4 - Углы поворота серьги для поворотного сцепного устройства

3.2.3 Конструкцией сцепного поворотного устройства должны быть обеспечены минимальные углы поворота сцепного дышла вокруг вертикальной оси шкворня влево и вправо 90° (рисунок 5).

Рисунок 5 - Минимальные углы поворота сцепного устройства

 

Ключевые слова: машины для леса, детали машин, буксирные приспособления, сцепные дышла, размеры