ОРДЕНА ЛЕНИНА ГЛАВМОССТРОЙ ПРИ МОСГОРИСПОЛКОМЕ
МОСОРГСТРОЙ
ТЕХНОЛОГИЧЕСКАЯ
КАРТА
НА СТРОИТЕЛЬСТВО ПОДЗЕМНЫХ СЕТЕЙ
ЗАКРЫТЫМ СПОСОБОМ
Арх. № 8886
МОСКВА - 1983
Технологическая карта разработана проектно-технологическим отделом треста Мосоргстрой (А.Н. Абрамович, А.П. Смирнов), согласована с Управлением подготовки производства Главмосстроя, НИИМосстроем.
Технологическая карта рекомендована к внедрению в строительном производстве.
1.1. Технологическая карта составлена на производство работ по устройству подземных сетей закрытым способом на строительных объектах Главмосстроя.
1.2. Технологическая карта предназначена для составления проектов производства работ (ППР) и с целью ознакомления (обучения) рабочих и инженерно-технических работников с правилами производства работ.
1.3. При привязке технологической карты к конкретному объекту и условиям строительной площадки уточняются схемы производства работ, объемы работ, калькуляция затрат труда, средства механизации.
2.1. При строительстве подземных сетей закрытым способом необходимо строго руководствоваться СНиП III-8-76 «Земляные сооружения», «Указаниями на строительство подземных сетей закрытым способом» ВСН-88-74, «Указаниями по производству геодезическо-маркшейдерских работ при строительстве подземных коммуникаций закрытыми способами» - ВСН 123-75, «Правилами производства работ по прокладке и переустройству подземных сооружений в г. Москве» от 8.08.75 № 2031 и другими специальными документами.
2.2. Работы закрытым способом по прокладке подземных коммуникаций выполняются в тех случаях, когда трассы прокладываемых трубопроводов (электрокабели, кабели связи и др.):
пересекают железные и автомобильные дороги, трамвайные пути, здания и сооружения;
проходят по проездам с усовершенствованным дорожным покрытием;
при устройстве вводов в здания и др.
2.3. Прокладка подземных коммуникаций закрытым способом осуществляется специализированной организацией методом продавливания и прокола труб в грунте.
2.4. Работы по продавливанию и проколу должны выполняться в строгом соответствии с ППР.
2.5. В зоне, до начала работ по продавливанию и проколу труб в грунте, должны быть выполнены все коммуникации открытым способом.
2.6. По каждому виду работ, при бестраншейной проходке, должен вестись журнал работ (приложение 1).
2.7. В отдельных случаях для предотвращения значительного возрастания усилий при проколе или продавливании труб рекомендуется работы вести в 3 смены.
2.8. Установка труб и установок для продавливания и прокола должна выполняться точно по проектным данным как в плане, так и в профиле с постоянным контролем за их положением, что позволяет обеспечивать перемещение трубы с минимальным отклонением.
Отклонение стальных футляров для самотечных трубопроводов не должно превышать от длины проходки:
в профиле - 0,6 %;
в плане - 1,0 %.
Отклонение стальных футляров для напорных трубопроводов и прочих коммуникаций не должно превышать от длины проходки:
в профиле - 1,0 %;
в плане - 1,5 %.
2.9. Геодезический контроль производится при каждой установке трубы. Положение первой трубы должно проверяться геодезистом через каждые 1,5 м. Определение положения футляра, в промежутках между геодезическими замерами, производится мастером (бригадиром) через каждые 2 м проходки.
2.10. Для обеспечения контроля продавливаемых труб рекомендуется использовать уклономеры с копироустройством УКУ-1 (треста ГПР Главмосинжстроя) и уклономеры с циферблатным устройством УЦ-1 (ВНИМИ г. Ленинград).
2.11. В проложенных футлярах из стальных труб прокладываются одиночные и совмещенные инженерные сети в соответствии с проектом.
2.12. Порядок размещения коммуникаций в проложенных футлярах труб должен строго соответствовать рабочим чертежам.
2.13. Для выполнения монтажа и демонтажа проходческих машин (установок), опускания труб и транспортировки грунта из котлована на поверхность рекомендуется использовать автомобильные и пневмоколесные краны соответствующей грузоподъемности, а также краны СПК-1000, СПК-2000-2 (технические характеристики приведены в приложении 2) и др. При выполнении работ машины и установки должны строго соответствовать ППР.
2.14. Проколы и продавливание труб в грунте производятся в следующей технологической последовательности:
выполняются геодезические разбивочные работы;
отрываются «рабочий» и приемный котлованы;
монтируются установки и оборудование для прокола или продавливания, включая устройство креплений стен котлованов и упорной стенки;
осуществляется прокол или продавливание труб в грунте;
демонтируются установки и оборудование после выполнения работ по проколу (продавливанию) труб в грунте;
прокладываются коммуникации;
по окончании всех работ и получения разрешения на обратную засыпку производят засыпку «рабочего» и приемного котлованов.
Примечание. Рекомендуемые формулы для расчета усилий, необходимых для прокола (продавливания) грунта трубами, приведены в приложении 4.
2.15. Образование в грунте скважин
2.15.1. Для образования в грунте скважин (горизонтальных или наклонных) используются пневмопробойники ИП-4601, ИП-4603, ИП-4605А и гидравлический пресс БГ-3, технические характеристики которых приведены в приложении 3.
2.15.2. С помощью пневмопробойников скважины диаметром до 250 мм могут быть образованы в песчаных, супесчаных, суглинистых и глинистых грунтах естественной влажности или слабовлажных, не содержащих включений в виде валунов, камней и др.
2.15.3. Длину проходки пневмопробойником с одной стоянки рекомендуется применять не более 25 метров.
2.15.4. Не рекомендуется пробивать скважины на глубине менее 0,8 м, так как возможен выход пневмопробойника на поверхность.
2.15.5. Котлованы для запуска пневмопробойника и его приема должны иметь размеры по низу: длину - 2,5 м, ширину - 1,5 м.
Примечания: 1. Пневмопробойник может быть запущен и из траншеи.
2. Схемы котлованов при работе с пневмопробойниками приведены на листах 1, 2.
2.15.6. Котлованы с вертикальными стенками должны закрепляться инвентарным креплением.
2.15.7. Запуск пневмопробойника по заданному направлению рекомендуется производить со стартовой площадки (конструкции НИИМосстроя).
Площадка может быть установлена на дне котлована (траншеи) или в проеме стены подвала для запуска из подвального помещения.
Закрепляется стартовая площадка на грунте стальными стержнями. При расположении ее в проеме подвального помещения - винтовым упором,
2.15.8. Для контроля положения пневмопробойника в плане и профиле во время его движения к подающему воздух шлангу в непосредственной близости от пневмопробойника прикрепляется источник света (электролампочка 6 - 12 В). Наблюдают за источником света с помощью зеркала.
2.15.9. При образовании скважины вблизи действующих подземных коммуникаций расстояние между ними принимается равным 3 - 4 радиусам деформации грунта.
2.15.10. Параллельная проходка скважин должна выполняться после того, как будет заполнена предыдущая скважина.
2.15.11. Заполнение скважин трубами или электрокабелями производится лебедками, а при небольшом их весе (пластмассовые трубы) - вручную. Учитывая искривления скважины, в головной части трубы для снижения сил трения следует устанавливать наконечник обтекаемой формы.
2.15.12. Гидравлический пресс БГ-3 применяется для образования скважин во влажных грунтах, он также может быть применен и в грунтах естественной влажности при отсутствии пневмопробойника.
2.15.13. Образование скважин с помощью гидравлического пресса БГ-3 диаметром более 90 мм за один проход затруднительно. После прокола скважины диаметром 90 мм следует поставить расширитель необходимого размера, который перемещается «на себя», т.е. из приемного котлована в «рабочий» котлован.
2.15.14. Гидравлический пресс БГ-3 устанавливается в котлован размерами: на основании - 2,2 м по продольной оси и 1,6 м по поперечной оси; глубиной 0,5 м глубже оси прокладки. Положение пресса проверяется уровнем и отвесом.
2.15.15. Контроль за перемещением головной части штанги пресса и протаскивание коммуникаций в скважины ведутся аналогично работам, приведенных в п. 2.15.8 - 2.15.11.
Схемы котлованов при работе с гидравлическим прессом БГ-3 приведены на листе 3.
2.16. Прокол грунта стальными трубами
2.16.1. Прокол грунта стальными трубами осуществляется гидродомкратами и высоконапорными насосами. Техническая характеристика продольной установки приведена в приложении 3.
2.16.2. Прокольные установки выполняют прокол грунта I - IV категории независимо от его влажности. Установкой Главмосстроя производится прокол грунта трубами диаметром 200 - 400 мм на длину до 45 м, как футляров, так и «рабочих» труб.
«Рабочие» трубы должны иметь устойчивую специальную изоляцию (полиэтиленовую, цементно-песчаную, эпоксипековую и др.).
2.16.3. Труба, прокалывающая грунт, оснащается наконечником специальной конструкции. Применение наконечника обеспечивает снижение сил трения до 40 % и сохранение трубой проектного положения.
2.16.4. Не рекомендуется прокалывать грунт трубами на глубине менее 1,2 - 1,5 м при пересечении проездов с усовершенствованным дорожным покрытием, т.к. возможно нарушение дорожных одежд. При пересечении трамвайных и железнодорожных путей необходимо обеспечить надзор службы пути.
2.16.5. Котлован для продольной установки Главмосстроя должен иметь размеры по низу: длину - 7,0 м, ширину - 1,8 м при длине прокалывающей грунт трубы - 3 м и длину - 8,5 м при длине трубы - 8 м. Дно котлована должно быть спланировано и располагаться ниже оси трубы на 0,35 м. Схема котлована при проколе приведена на листе 4, 5.
2.16.6. Грунтовая стенка котлована в месте прокалывания трубы при однородных грунтах должна быть строго вертикальна. В случае неоднородных грунтов необходимо разработать буром отверстие для захода в него лидирующего устройства.
2.16.7. Положение установки при ее монтаже, а также первой трубы, прокалывающей грунт, проверяется геодезистом, а в дальнейшем мастером или бригадиром.
2.16.8. При проколе грунта трубами должно соблюдаться расстояние, обеспечивающее сохранность близлежащих подземных коммуникаций.
2.16.9. При стыковании прокалываемых стальных труб необходимо обеспечить проверку их соосности и высококачественную сварку.
2.16.10. Приемный котлован для выхода прокалывающей грунт трубы должен иметь размеры: длину - 2,5 м, ширину - 1,0 м. При этом необходимо учитывать размеры колодца (камеры), который должен монтироваться в этом котловане.
2.17. Прокладка стальных труб способом продавливания
2.17.1. Прокладка стальных труб способом продавливания производится специальной установкой Главмосстроя и др.
2.17.2. Универсальная механизированная установка Главмосстроя предназначена для прокладки стальных труб диаметром 900 мм способом продавливания как футляров, так и «рабочих» труб с соответствующей антикоррозийной изоляцией.
Техническая характеристика установки приведена в приложении 4.
2.17.3. Установкой обеспечивается прокладка труб в гидрогеологических условиях г. Москвы и области. При водонасыщенных грунтах искусственное водопонижение необходимо рассмотреть отдельно.
2.17.4. Минимальная глубина проходки принимается - 2,0 м до лотка трубы, максимальная - ограничивается устойчивостью креплений из стальных труб, балок и др.
2.17.5. Дно котлована, предназначенного для монтажа установки, должно быть спланировано в соответствии с уклоном, придаваемым трубе. Глубина котлована должна быть ниже проектной отметки оси трубы на 630 мм плюс толщина деревянного основания (шпал или брусов).
2.17.6. Для проверки положения продавливания трубы и состояния забоя бригадиром звена периодически производиться его смотр. При этом первоначально проверяется степень загазованности трубы.
2.17.7. Для транспортировки грунта на поверхность рекомендуется применять кран СПК-2000-2 (см. приложение 2).
2.17.8. Для прокладки труб Ø 1200 - 1400 мм способом продавливания в грунтах 1 - 3 кат. рекомендуется использовать установку ЦНИИПодземмаша ПУ-2.
2.17.9. В отдельных случаях для прокладки труб способом продавливания могут быть применены установки, оборудованные гидравлическими домкратами и насосами высокого давления с ручной разработкой грунта.
2.17.10. Передача усилий от домкратов к трубе осуществляется с помощью нажимных патрубков, соединенных в раму, длина которых кратна длине хода штока домкрата (при длине трубы 6,0 м и длине хода штока домкрата 1,10 м длина нажимных патрубков составляет 1,0 и 2,0 м).
2.17.11. Для снижения сопротивления грунта резанью и силам трения, возникающим на контакте трубы и грунта, на головной конец навариваются стальные кольца общей толщиной до 30 мм и шириной 150 - 400 мм.
2.17.12. Для обеспечения параллельного положения осей домкратов следует применять специальные рамы (см. лист 6).
2.17.13. При продавливании или проколе с помощью гидродомкратов для обеспечения передвижения трубы по заданному направлению в рабочем котловане, устанавливается направляющее устройство в виде швеллеров или уголков, укладываемых по шпалам строго по отметкам и с учетом продольной оси прокладки.
2.17.14. Разработка и транспортировка грунта из труб осуществляется с помощью тележек, самопогружающихся патрубка или совка и опорного кольца.
2.17.15. Наращивание труб при проколе и продавливании выполняется на сварке. Спускание труб в котлован производится краном (см. лист 6, 7).
2.17.16. Работы выполняются в следующей последовательности:
продавливается (прокалывается) в грунт 1-е звено трубы;
разрабатывается и транспортируется грунт из трубы;
наращивается звено трубы для последующего продавливания (прокола);
продавливается (прокалывается) в грунт 2-е звено трубы.
Далее работы выполняются в той же последовательности.
2.17.17. После устройства футляра из труб в грунте в нем прокладываются коммуникации в соответствии с проектом. Работы по прокладке выполняются в следующей технологической последовательности:
отрываются траншеи к «рабочему» и приемному котлованам;
устанавливается лебедка для протаскивания труб в футляре;
опускаются трубы в траншею;
сваривается плеть труб на длину футляра (или отдельными звеньями);
привариваются скользящие опоры;
устраивается и восстанавливается изоляция труб в местах сварки;
протаскивается труба в футляре с помощью лебедки;
заделываются концы футляра;
после сдачи работ по прокладке и опрессовке труб производится обратная засыпка траншей.
Схема организации работ приведена на листе 8.
2.18. Работы по проколам и продавливанию рекомендуется выполнять составами звена указанных в технических характеристиках установок для прокола и продавливания (приложение 3, 4) и в графике производства работ (приложение 5).
2.19. Калькуляция трудовых затрат приведена в приложении 6.
2.20. Операционный контроль качества работ по строительству подземных сетей закрытым способом выполняется в соответствии с требованиями СНиП III-1-76 «Организация строительного производства»; инструкция СН 47-74; указаниями ВСН 88-74, ВСН 123-75. Схема операционного контроля приведена в приложении 7.
2.21. При производстве работ следует строго соблюдать требования СНиП III-4-80 «Техника безопасности в строительстве», «Инструкции по технике безопасности для рабочих, выполняющих работы «нулевого» цикла», «Правилами производства работ по прокладке и переустройству подземных сооружений в г. Москве» от 8.03.1975 г. за № 2031 и системы стандартов безопасности труда.
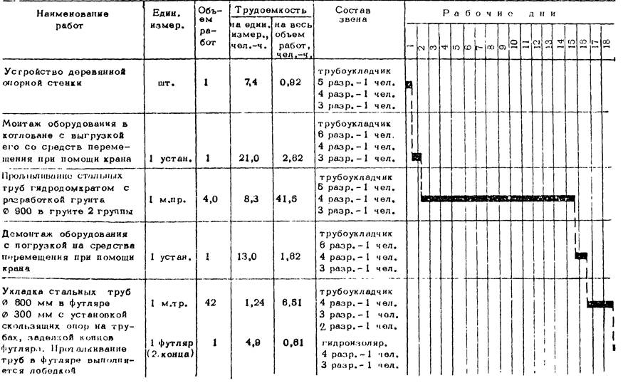
Затраты труда - 53,78 чел.-дн.
Стоимость затрат труда - 269,13 руб.
Затраты труда на 1 м трубы - 1,344 чел.-дн.
Стоимость затрат труда на 1 м трубы - 6,73 руб.
Потребность в основных материалах и изделиях (на 1 футляр длиной 40 пог. м)
|
Марка |
Единица измерения |
Количество |
|
|
Трубы (футляр) для продавливания в грунте |
Ø 900 металлические |
пог. м |
42,5 |
|
Трубы для прокладки коммуникаций в футляре |
металлические изолированные |
пог. м |
48,0 |
|
Скользящие опоры |
металлические |
шт. |
16,0 |
|
Упорная стенка 4´3 м |
инвентарная металлическая |
шт. |
1 |
Примечание. Объемы труб приняты с учетом их выхода в «рабочий» и «приемный» котлованы.
Потребность в основных машинах, оборудовании, приспособлениях (приборах)
|
Марка |
Тип |
Количество |
|
|
Монтажный кран |
К-162 СПК-2000-2 |
автомобильный стационарный |
1 |
|
Комплект установки для продавливания труб |
Установка Главмосстроя для продавливания труб Ø 900 мм |
стационарная |
1 |
|
Электростанция |
ПЭС-100 |
-«- |
1 |
|
Ручная лебедка |
Т-69 |
переносная |
1 |
|
Сварочный аппарат |
ТД-500 |
переносной |
1 |
Примечание. Приборы для маркшейдерских (геодезических) работ приведены в Указаниях ВСН-123-75.
|
Ордена Ленина Главмосстрой при Мосгорисполкоме Управление .......................................................................................................................... Трест ..................................................................................................................................... ЖУРНАЛ
|
Таблица
|
Смена |
Фамилия, имя, отчество бригадира |
Состав бригады, чел. |
Диаметр проклад. трубы, мм |
Характеристика грунта |
Усилие проталкивания в атм. по манометру |
Пикет проталкивания, м/см |
Фактическое положение трубы-ножа против проектного |
Режим проталкивания |
Выдано грунта, м3 |
Уровень воды в забое, см |
Отметки об испытании гидросистемы |
Подпись бригадира, мастера |
Указания администрации и маркшейдера |
||
|
в плане ± см |
в профиле ± см |
толщина пробки, см |
|||||||||||||
|
1 |
2 |
3 |
4 |
5 |
6 |
7 |
8 |
9 |
10 |
11 |
12 |
13 |
14 |
15 |
16 |
Порядок заполнения таблицы журнала работ по бестраншейной проходке
1. Журнал является отчетной исполнительной документацией и заполняется ежесменно по окончании продавливания и выдачи грунта (бригадиром или звеньевым).
2. Запись в журнале заверяется мастером. Не реже одного раза в три дня проверяется начальником участка, о чем последний расписывается.
3. В графе 5 записывается диаметр фактически продавливаемой трубы; в случае изменения проектного диаметра в графе 16 делается запись о причинах изменения и с кем согласовано.
4. Проталкивание трубы без манометра запрещается. Давление, показываемое манометром, записывается при каждом передвижении трубы (графа 7).
5. В графе 8 пикет проталкивания исчисляется от передней стенки котлована проталкивания вдоль по трассе.
6. Для заполнения граф 9 - 10 отсчеты делаются от проектных положений вертикальной и горизонтальной осей, заданных маркшейдером.
7. В графе 11 записывается толщина предохранительной грунтовой «пробки» в ножевой части проталкиваемой трубы.
8. Отметки об испытании гидросистемы делаются в графе 14.
|
Краткая характеристика котлована (его размеры, принятое крепление):
Краткая характеристика упорной стенки и эскиз
Характеристика установки: количество домкратов и их марка
|
Кран СПК-1000
1. Грузоподъемность, кг - 1000
2. Вылет стрелы, м - 3,5
3. Высота подъема крана от уровня колес, м - 4,3
4. Максимальный ход крюка, м - 25
5. Скорость подъема и опускание груза, м/мин - 12,5
6. Угол поворота стрелы, град. - 360
7. Общая масса крана с противовесом, кг - 3300
Кран СПК-2000-2
1. Грузоподъемность, кг - 2000
2. Вылет стрелы, м - 7,8
3. Высота подъема крюка от подошвы крана, м - 4,0
4. Скорость подъема и опускания груза, м/мин - 20
5. Скорость поворота, об/мин - 0,7
6. Масса крана без противовеса транспортного устройства, кг - 4800
Пневмопробойник ИП-4601
1. Диаметр пробиваемых скважин, мм:
а) без расширителя - 135
б) с расширителями - 200; 250
2. Длина пневмопробойника, мм - 1587
3. Масса (без шланга), кг - 80
4. Вид подаваемой энергии - сжатый воздух
5. Номинальное давление сжатого воздуха, атм - 6
6. Расход воздуха, м3/мин - 3
7. Скорость пробивания скважин, м/час:
а) в грунтах 1 категории - 30 - 60
б) в грунтах 2 категории - 15 - 30
в) в грунтах 3 категории - 8 - 15
8. Длина пробиваемой скважины, м - до 50
Пневмопробойник ИП-4603 (реверсивный)
1. Диаметр пробиваемых скважин, мм
а) без расширителя - 130
б) с расширителями - 200; 300
2. Длина пневмопробойника, мм - 1550
3. Масса (без шлангов), кг - 80
4. Вид подаваемой энергии - сжатый воздух
5. Номинальное давление сжатого воздуха, атм - 8
6. Расход воздуха, м3/мин - 3,5
7. Скорость пробивания скважин, м/час:
а) в грунтах 1 категории - 40 - 60
б) в грунтах 2 категории - 20 - 40
в) в грунтах 3 категории - 10 - 20
8. Длина пробиваемой скважины, мм - до 50
Пневмопробойник ИП-4605 (реверсивный)
1. Диаметр пробиваемых скважин, мм:
а) без расширителя - 95
б) с расширителем - 180
2. Скорость пробивания скважин в зависимости от свойств грунта, м/час - 1 - 50
3. Давление сжатого воздуха, атм - 0,8
4. Расход сжатого воздуха, м3/мин - 4,0
5. Габаритные размеры (без расширителя и шлангов), мм:
длина - 1500
диаметр - 95
6. Масса (без расширителя и шлангов), кг - 55
Пресс гидравлический БГ-3
1. Рабочая площадь поперечного сечения 2 цилиндров, см2 - 100
2. Рабочий ход цилиндра, мм - 500
3. Скорость перемещения цилиндров, м/мин - 1,2
4. Время, в течение которого совершается один рабочий
ход цилиндров, мин - 0,42
5. Усилие, развиваемое прессом, т - 3,0
8. Длина проходки, м - до 30
7. Скорость проходки, м/смену - 15 - 30
Техническая характеристика установки Главмосстроя для прокола
1. Диаметр прокладываемых труб (Дусл.), мм - 200 - 400
2. Длина прокола грунта, м - 20 - 45
3. Средняя скорость прокола грунта, м/смену - 25
4. Упорная стенка - инвентарная металлическая - в комплекте
5. Наибольшая масса элемента установки (рама), т - 2,0
6. Габариты установки, мм:
длина - 8800
ширина - 1600
высота - 2200
7. Суммарная масса установки, т - 4,8
8. Обслуживающее звено, чел. -2
|
Един. измер. |
Данные по испытаниям |
|
|
Диаметр прокладываемых труб |
мм |
900 |
|
Максимальная длина проходки |
м |
60 |
|
Скорость проходки |
м/смену |
6 - 8 |
|
Гидравлические домкраты марки ГД 170/1120 |
||
|
а) количество |
шт. |
2 |
|
б) развиваемое усилие |
т |
170´2 |
|
в) рабочее давление |
кг/см2 |
до 300 |
|
Насосная установка - насос марки Н-403 |
||
|
а) приводная мощность |
квт |
23,5 |
|
б) производительность |
л/м |
35 |
|
в) развиваемое давление |
кг/см2 |
до 300 |
|
Нажимное устройство |
полуавтоматизированная траверса и нажимные трубы |
|
|
Привод тележки |
лебедка трехбарабанная с автономным включением барабанов |
|
|
а) развиваемое усилие |
кг |
2000 |
|
б) приводная мощность |
квт |
5,3 |
|
в) канатоемкость барабанов |
м |
2´75; 1´150 |
|
Устройство для разработки и транспортировки грунта |
тележка, самонагружающиеся патрубок или совок и опорное кольцо |
|
|
Электрооборудование |
силовая распределительная сборка с пускателями, предохранителями и комплектом кабеля |
|
|
Упорная стенка |
инвентарная металлическая |
|
|
Масса установки |
т |
10,0 |
|
Состав проходческого звена: |
||
|
1. Проходчики 6 и 5 раз. |
чел. |
2 |
|
2. Сварщик, он же крановщик |
чел. |
1 |
|
Наименование работ |
Един. измер. |
Объем работ |
Трудоемкость |
Расценка на един. измер., руб.-коп. |
Стоимость затрат труда на полный объем работ, руб.-коп. |
||
|
на един. измер., чел.-ч. |
на полный объем, чел.-дн. |
||||||
|
§ 10-7.А, т. 1, п. а |
Устройство упорной стенки |
шт. |
1 |
7,4 |
0,92 |
4-64 |
4-64 |
|
§ 10-7.Б, т. 12, п. 2а |
Монтаж оборудования в котловане с выгрузкой его со средств перемещения при помощи крана |
1 устан. |
1 |
21,0 |
2,62 |
13-79 |
13-79 |
|
§ 10-7.В, т. 3, п. 8а |
Продавливание стальных труб гидродомкратом с разработкой грунта Ø 900 мм в грунте 2 группы |
1 м.п.р. |
40 |
8,3 |
41,5 |
5-21 |
208-40 |
|
§ 10-7.Б, т. 2, п. 4а |
Демонтаж оборудования с погрузкой на средства перемещения при помощи крана |
1 устан. |
1 |
13,0 |
1,62 |
8-54 |
8-64 |
|
§ 10-8А.Б.В т. 1, п. а т. 2, п. 5 т. 3, п. 5 |
Укладка стальных труб Ø 600 мм в футляр Ø 900 мм с установкой скользящих опор на трубах, заделкой концов футляра |
1 м.п.р. |
42 |
1,24 |
6,51 |
0-735 |
30-87 |
|
Протаскивание труб в футляре с помощью лебедки |
1 футляр |
1 |
4,9 |
0,61 |
2-89 |
2-80 |
|
|
Итого: |
53,78 15,21 |
269-13 |
|||||
|
Контроль качества выполнения операции |
||||
|
производителем работ (мастером) |
состав |
способы |
время |
привлекаемые службы |
|
Устройство опорной стенки |
Качество материала, надежность крепления, геометрические размеры |
Визуально, нивелиром, стальным метром |
В процессе и по окончании работ |
|
|
Монтаж оборудования в котловане с выгрузкой его со средств перемещения при помощи крана |
Соответствие оборудования техническим характеристикам, паспортам и ППР, надежность установки, точное соблюдение геометрических размеров установки; соосность оборудования продавливаемой трубе |
Нивелиром, теодолитом, стальным метром, спец. уровнями, визуально |
В процессе работ |
о.г.м. Геодезическая |
|
Продавливание стальных труб гидродомкратами с разработкой грунта |
Качество труб, надежность соединения при наращивании труб, точное соблюдение горизонтальной и вертикальной оси продавливаемой трубы в грунте, скорость погружения в грунт |
Геодез. спец. приборы, стальным метром, визуально |
-«- |
О.Г.М. Геодезическая Строительная лаборатория |
|
Демонтаж оборудования с погрузкой на средства перемещения при помощи крана |
Подготовка к подъему оборудования, надежность строповки, сохранность оборудования при подъеме и погрузке |
Визуально |
-«- |
О.Г.М. |
|
Укладка стальных труб в футляре с установкой скользящих опор на трубах, заделкой концов футляров с использованием лебедки для протаскивания труб |
Сохранность гидроизоляции труб, надежность установки скользящих опор, правильность строповки и транспортировки трубы в футляре, качество заделки концов футляра |
Визуально |
В процессе и по окончании работ |
о.г.м. Строительная лаборатория |
Условные обозначения:
1 - котлован для приемки пневмопробойников;
2 - пробиваемая скважина;
3 - полотно железной дороги;
4 - котлован для запуска пневмопробойников;
5 - пневмопробойник со стартовой площадкой;
6 - компрессорная установка;
7 - а/дорога;
8 - крепление откосов
Примечания:
1. Глубина котлована определяется проектом.
2. Расстояние от откоса до котлованов определяется проектом.
3. Рытье котлованов с вертикальными стенками без креплений допускается в соответствии с п. 9.9. «Земляные работы» СНиП III-4-80. В остальных случаях необходимо применять инвентарные крепления. Для листов 1, 2, 3, 5, 6, 8, 9.
4. Временные ограждения места работ выполнять согласно ППР.
Читать совместно с листом 1
Условные обозначения:
1 - приемный котлован; 2 - автомобильная дорога; 3 - котлован для установки пресса; 4 - передвижная эл. станция; 5 - упорная плита с распорками; 6 - гидравлический пресс БГ-3; 7 - пробиваемая скважина
Примечания.
1. Глубина котлована определяется проектом.
2. Расстояние от дороги до котлованов определяется проектом.
Условные обозначения:
1 - приемный котлован; 2 - автомобильная дорога; 3 - зеленые насаждения; 4 - трамвайные пути; 5 - тротуар; 6 - котлован для прокольной установки; 7 - передвижная эл. станция; 8 - инвентарная упорная плита; 9 - прокольная установка Главмосстроя; 10 - прокольная труба; 11 - крепление откоса; 12 -трасса для прокола
Примечание: длина котлована lк равна 9,5 м при длине трубы lтр равной 6 м;
« lк равна 7,0 м при длине трубы lтр равной 3 м.

Примечания.
1. Глубина котлована определяется проектом.
2. Расстояние от дорог до котлованов определяется проектом.
Читать совместно с листом 4
Общий вид установки ГМС для продавливания труб в грунте

Схема работ при продавливании грунта

Гидродомкраты на раме (трест ГПР)

Нажимной патрубок (трест ГПР)

Схема установки ГМС для продавливания труб в грунте и расположение ее в котловане
Примечание: длина котлована lк равна 10,5 м при длине трубы lтр равной 9 м;
длина котлована lк равна 7,5 м при длине трубы lтр равной 6 м.
1 - стенка упорная; 2 - лебедка; 3 - крепление откосов; 4 - ножевая секция; 5 - трос втаскивания; 6 - трос вытаскивания; 7 - трос отрезки; 8 - основание; 9 - упорные кулачки; 10 - полуавтомат защелки; 11 - стакан; 12 - стопоры тележки; 13 - тележка; 14 - труба длиной 6,0 м; 15 - трубы упорные; 16 - траверса; 17 - домкрат; 18 - насосная станция; 19 - башмак
Условные обозначения:
1 - приемный котлован при выходе труб из грунта;
2 - полотно железной дороги;
3 - складирование звеньев труб для наращивания трубы;
4 - монтажный кран;
5 - складирование грунта, извлеченного из труб;
6 - передвижная эл. станция;
7 - рабочий котлован;
8 - установка для прокола (продавливания);
9 - насосная станция;
10 - лестница для спуска рабочих в котлован;
11 - тележка для транспортировки грунта;
12 - звено трубы в грунте;
13 - план трассы прокола (продавливания);
14 - временное ограждение
Условные обозначения:
1 - ручная лебедка;
2 - траншея;
3 - приемный котлован;
4 - временное ограждение (Н = 110 см)
5 - ж/дорожное полотно;
6 - «Рабочий котлован»;
7 - передвижная э/станция;
8 - сварочный аппарат;
9 - прокладываемые трубы;
10 - складирование труб;
11 - монтажный кран;
12 - трос;
13 - лестница для спуска рабочих в котлован;
14 - складирование материалов для заделки концов футляра;
15 - труба (футляр) в грунте
Примечания.
1. Технологическая последовательность работ приведена в п. 2.17.16.
2. При работе в ночное время стройплощадка должна быть освещена, включая сигнальное освещение.