
МИНИСТЕРСТВО РОССИЙСКОЙ
ФЕДЕРАЦИИ ПО СВЯЗИ И ИНФОРМАТИЗАЦИИ
СТАНДАРТ ОТРАСЛИ
СИСТЕМЫ ПЕРЕДАЧИ
ВОЛОКОННО-ОПТИЧЕСКИЕ
СТЫКИ ОПТИЧЕСКИЕ
Термины и определения
ОСТ 45.190-2001
ЦНТИ
«ИНФОРМСВЯЗЬ»
Москва - 2002
Предисловие
1 РАЗРАБОТАН Центральным научно-исследовательским институтом связи (ЦНИИС)
2 УТВЕРЖДЕН Минсвязи России
3 ВВЕДЕН В ДЕЙСТВИЕ информационным письмом № 4503 от 5.07.2002 г.
4 ВВЕДЕН ВПЕРВЫЕ
СОДЕРЖАНИЕ
|
Алфавитный указатель терминов на русском языке. 8 Алфавитный указатель эквивалентов терминов на английском языке. 9 Приложение А. Пояснения к терминам, приведенным в стандарте. 10 |
Введение
Установленные в стандарте термины расположены в систематизированном порядке, отражающем систему понятий в области оптических стыков цифровых волоконно-оптических систем передачи.
Приведенные определения можно, при необходимости, изменить, вводя в них производные признаки, раскрывая значения используемых в них терминов, указывая объекты, входящие в объем определяемого понятия. Изменения не должны нарушать объем и содержание понятий, определенных в данном стандарте.
В стандарте приведены иноязычные эквиваленты стандартизированных терминов на английском языке.
Пояснения к терминам, приведенным в стандарте, приведены в приложении А.
Часть термина, приведенная в круглых скобках, означает уточнение значения термина и может не применяться.
В квадратных скобках указано расширение области применения термина.
Стандартизированные термины набраны полужирным шрифтом, их краткие формы и формы, представленные аббревиатурой, - светлым, синонимы - курсивом.
ОСТ 45.190-2000
СТАНДАРТ ОТРАСЛИ
СИСТЕМЫ ПЕРЕДАЧИ ВОЛОКОННО-ОПТИЧЕСКИЕ
СТЫКИ ОПТИЧЕСКИЕ
Термины и определения
Дата введения 2002-08-01
Настоящий стандарт отрасли устанавливает термины и определения основных понятий для оптических стыков цифровых волоконно-оптических систем передачи Взаимоувязанной сети связи (ВСС) Российской Федерации.
Настоящий стандарт предназначен для организаций и предприятий отрасли, разрабатывающих нормативную документацию в области электросвязи, независимо от их форм собственности и ведомственной принадлежности.
В настоящем стандарте отрасли использованы ссылки на следующие нормативные документы:
ГОСТ 26599-85 Системы передачи волоконно-оптические. Термины и определения
ОСТ 45.104-97 Стыки оптические систем передачи синхронной цифровой иерархии. Классификация и основные параметры
ОСТ 45.121-97 Линии передачи кабельные магистральные и внутризоновые. Сооружения линейные. Термины и определения
ОСТ 45.178-2001 Системы передачи с оптическими усилителями и спектральным уплотнением. Стыки оптические. Классификация и основные параметры
|
Общие понятия |
|
|
1 волоконно-оптическая система передачи: ВОСП: Система передачи, в которой все виды сигналов передаются по волокнам оптического кабеля (ГОСТ 26599) |
optical fibre transmission system |
|
2 волоконно-оптическая система передачи со спектральным разделением: ВОСП-СР: ВОСП, в которой при передаче в одном или двух противоположных направлениях нескольких сигналов по одному волокну оптического кабеля используются источники излучения с различными длинами волн для передачи каждого сигнала (ГОСТ 26599) |
optical fibre transmission system with wave division multiplexer WDM |
|
optical channel |
|
|
4 компонент ВОСП: Изделие оптики, оптоэлектроники или оптико-механическое изделие, являющееся частью ВОСП, которое может быть выделено как самостоятельное изделие с точки зрения требований к испытаниям, приемке, поставке и эксплуатации, и предназначенное для выполнения одной или нескольких функций по формированию, передаче, распределению, преобразованию и обработке оптического сигнала (ГОСТ 26599) |
optical fibre transmission system component |
|
optical interface |
|
|
application code |
|
|
7 единое (техническое) проектирование: ЕП: Условие применения оборудования ВОСП одного производителя, допускающее отклонение параметров оптического стыка данного кода применения в соответствии с требованиями проектируемого оптического тракта |
joint engineering: JE |
|
8 оптическая цепь: Совокупность компонентов ВОСП, соединенных таким образом, чтобы обеспечить передачу оптического сигнала между ними (ГОСТ 26599) |
optical circuit |
|
9 оптический полюс: Место ввода или вывода оптического излучения в компонент ВОСП (ГОСТ 26599) |
optical pole |
|
optical path |
|
|
11 главный оптический тракт: Оптический тракт, содержащий один или более ОУ Примечание - Главный оптический тракт может содержать один или несколько элементарных кабельных участков |
main optical path |
|
12 вспомогательный оптический тракт: Часть оптической цепи между выходным оптическим полюсом передатчика ВОСП без ОУ и входным оптическим полюсом ОУ или между выходным оптическим полюсом ОУ и входным оптическим полюсом приемника ВОСП без ОУ. Примечание - Вспомогательный оптический тракт не входит в состав главного оптического тракта |
auxiliary optical path |
|
Примечание - Здесь под физической средой передачи подразумевается либо совокупность оптического волокна линейного кабеля и его сростков в точках соединения строительных длин, станционных кабелей и их сростков с линейными оптическими волокнами, а также кроссовых оптических шнуров (ОСТ 45.121) |
elementary cable section |
|
14 окончание участка (элементарного кабельного): Граница, выбранная условно в качестве стыка оптического волокна с регенератором [усилителем] (ОСТ 45.121) |
section termination |
|
Примечание - Нормирование параметров оптического стыка осуществляется на: - передаче оптического тракта - точка Пд (point S); - приеме оптического тракта - точка Пр (point R); - передаче главного оптического тракта - точка ГПд (point MPI-S); - приеме главного оптического тракта - точка ГПр (point MPI-R); - выходе промежуточного оптического усилителя - точка Пд' (point S'); - входе промежуточного оптического усилителя - точка Пр' (point R') |
reference point |
|
Компоненты оптического стыка |
|
|
16 передатчик ВОСП: Совокупность передающего оптоэлектронного модуля с дополнительными устройствами преобразования электрического сигнала (ГОСТ 26599) |
optical transmitter |
|
17 приемник ВОСП: Совокупность приемного оптоэлектронного модуля с дополнительными устройствами преобразования электрического сигнала (ГОСТ 26599) |
optical receiver |
|
18 регенерационный ретранслятор ВОСП: регенератор: Компонент ВОСП, предназначенный для преобразования цифрового оптического сигнала в электрический, его регенерации и последующего преобразования в оптический сигнал (ГОСТ 26599) |
regenerator |
|
optical regenerator |
|
|
20 оптический усилитель: ОУ: Компонент ВОСП, предназначенный для усиления оптического сигнала без преобразования его в электрический (ГОСТ 26599) |
optical amplifier |
|
line optical amplifier |
|
|
22 передатчик с оптическим усилением: Передатчик ВОСП, содержащий ОУ |
optically amplified transmitter |
|
23 приемник с оптическим усилением: Приемник ВОСП, содержащий ОУ |
optically amplified receiver |
|
transponder |
|
|
optical multiplexer |
|
|
optical demultiplexer |
|
|
27 оптический кабель: ОК: Кабельное изделие, содержащее одно или несколько оптических волокон, объединенных в единую конструкцию, обеспечивающую их работоспособность в заданных условиях эксплуатации (ГОСТ 26599) |
optical cable |
|
station optical cable |
|
|
line optical cable |
|
|
Параметры оптического стыка |
|
|
Примечание - Оптические потери обусловлены потерями на затухание в оптическом тракте и дополнительными потерями мощности |
attenuation |
|
optical path power penalty |
|
|
attenuation range |
|
|
mean launched power |
|
|
34 уровень мощности оптического излучения: Средняя мощность оптического излучения, выраженная в дБм |
launched power level |
|
total launched power level |
|
|
optical return loss |
|
|
discrete reflectance |
|
|
obstacle |
|
|
reflectance of receiver |
|
|
extincion ratio |
|
|
receiver sensitivity |
|
|
receiver overload |
|
|
optical signal-to-noise ratio |
|
|
spectral width |
|
|
side mode suppression ratio |
|
|
operating wavelength range |
|
|
central frequency |
|
|
channel spacing |
|
|
central frequency deviation |
|
|
spectral width lazer |
|
|
source frequency chirp |
|
|
optical signal crosstalk |
|
|
chromatic dispersion |
|
|
polarisation mode dispersion |
|
|
maximum channel power difference |
|
|
self phase modulation |
|
|
cross-phase modulation |
восп 1
ВОСП-СР 2
демультиплексор оптический 26
диапазон длин волн рабочий 46
диапазон перекрываемого затухания 32
дисперсия поляризационная модовая 54
дисперсия хроматическая 53
ЕП 7
затухание отражения 36
затухание перекрываемое 30
кабель линейный оптический 29
кабель оптический 27
кабель станционный оптический 28
канал оптический 3
канал передачи оптический 3
код применения 6
компонент ВОСП 4
коэффициент гашения 40
коэффициент дискретного отражения 37
коэффициент отражения приемника 39
коэффициент подавления боковой моды 45
максимум различия мощности оптических каналов 55
модуляция перекрестная фазовая 57
мощность оптического излучения средняя 33
мультиплексор оптический 25
неоднородность главного оптического тракта 38
неоднородность оптического тракта 38
ОК 27
окончание участка 14
окончание участка элементарного кабельного 14
отклонение центральной частоты оптического канала 49
отношение оптического сигнала к оптическому шуму 43
ОУ 20
передатчик ВОСП 16
передатчик с оптическим усилением 22
полюс оптический 9
помеха оптическая переходная 52
потери мощности дополнительные 31
приемник ВОСП 17
приемник с оптическим усилением 23
проектирование единое 7
проектирование единое техническое 7
промежуток канальный 48
расстояние между оптическими каналами 48
регенератор 18
регенератор оптический 19
ретранслятор ВОСП регенерационный 18
самомодуляция фазы 56
система передачи волоконно-оптическая 1
система передачи со спектральным разделением волоконно-оптическая 2
смещение частоты источника излучения импульсное 51
стык оптический 5
точка нормирования 15
тракт вспомогательный оптический 12
тракт главный оптический 11
тракт оптический 10
транспондер 24
уровень мощности оптического излучения 34
уровень перегрузки приемника 42
уровень суммарной мощности оптического излучения 35
уровень чувствительности приемника 41
усилитель оптический 20
усилитель промежуточный линейный оптический 21
усилитель промежуточный оптический 21
участок элементарный кабельный 13
цепь оптическая 8
частота центральная 47
частота центральная оптического канала 47
чирп-эффект 51
ширина линии излучения лазера 50
ширина спектра 44
ширина спектра сигнала оптического канала 44
ЭКУ 13
application code 6
attenuation 30
attenuation range 32
auxiliary optical path 12
central frequency 47
central frequency deviation 49
channel spacing 48
chromatic dispersion 53
cross-phase modulation 57
discrete reflectance 37
elementary cable section 13
extincion ratio 40
JE 7
joint engineering 7
launched power level 34
line optical amplifier 21
line optical cable 29
main optical path 11
maximum channel power difference 55
mean launched power 33
Obstacle 38
operating wavelength range 46
optical amplifier 20
optically amplified receiver 23
optically amplified transmitter 22
optical cable 27
optical channel 3
optical circuit 8
optical demultiplexer 26
optical fibre transmission system 1
optical fibre transmission system component 4
optical fibre transmission system with wave division multiplexer 2
optical interface 5
optical multiplexer 25
optical path 10
optical path power penalty 31
optical pole 9
optical receiver 17
optical regenerator 19
optical return loss 36
optical signal crosstalk 52
optical signal-to-noise ratio 43
optical transmitter 16
polarisation mode dispersion 54
receiver overload 42
receiver sensitivity 41
reference point 15
reflectance of receiver 39
regenerator 18
section termination 14
self phase modulation 56
side mode suppression ratio 45
source frequency chirp 51
spectral width 44
spectral width lazer 50
station optical cable 28
total launched power level 35
transponder 24
WDM 2
(справочное)
А1 Термин «Код применения»
Код применения, как термин, принят в соответствии с ОСТ 45.104 для классификации оптических стыков ВОСП синхронной цифровой иерархии (СЦИ), которым присущи свои особенности при проектировании, связанные с требованием к приемо-передающей аппаратуре по обеспечению поперечной или сквозной (transverse) совместимости, т.е. возможности использования оборудования различных производителей в пределах одного оптического тракта (участка регенерации), что привело к необходимости спецификации параметров оптического стыка [1]. Классификация параметров оптического стыка и требования к ним для ВОСП СЦИ определены в ОСТ 45.104 и ОСТ 45.178 по следующим признакам:
- типу применения, т.е. принадлежности к одному из видов связи;
- номинальной скорости передачи;
- номинальной длины волны источника излучения;
- типа кабеля.
Приняты следующие обозначения кодов применения по ОСТ 45.104 и ОСТ 45.178.
|
В-1 (I-1) |
Для внутриобъектовой связи, номинальной скорости передачи цифрового сигнала 155520 кбит/с, номинальной длины волны источника излучения 1310 нм и типа кабеля по [2] |
|
В-4 (I-4) |
Для внутриобъектовой связи, номинальной скорости передачи цифрового сигнала 622080 кбит/с, номинальной длины волны источника излучения 1310 нм и типа кабеля по [2] |
|
В-16 (I-16) |
Для внутриобъектовой связи, номинальной скорости передачи цифрового сигнала 2488320 кбит/с, номинальной длины волны источника излучения 1310 нм и типа кабеля по [2] |
|
К-1.1 (S-1.1) |
Для короткой межстанционной связи, номинальной скорости передачи цифрового сигнала 155520 кбит/с, номинальной длины волны источника излучения 1310 нм и типа кабеля по [2] |
|
К-4.1 (S-4.1) |
Для короткой межстанционной связи, номинальной скорости передачи цифрового сигнала 622080 кбит/с, номинальной длины волны источника излучения 1310 нм и типа кабеля по [2] |
|
К-16.1 (S-16.1) |
Для короткой межстанционной связи, номинальной скорости передачи цифрового сигнала 2488320 кбит/с, номинальной длины волны источника излучения 1310 нм и типа кабеля по [2] |
|
К-64.1 (S-64.1) |
Для короткой межстанционной связи, номинальной скорости передачи цифрового сигнала 9953280 кбит/с, номинальной длины волны источника излучения 1310 нм и типа кабеля по [2] |
|
К-1.2 (S-1.2) |
Для короткой межстанционной связи, номинальной скорости передачи цифрового сигнала 155520 кбит/с, номинальной длины волны источника излучения 1550 нм и типа кабеля по [2] |
|
К-4.2 (S-4.2) |
Для короткой межстанционной связи, номинальной скорости передачи цифрового сигнала 622080 кбит/с, номинальной длины волны источника излучения 1550 нм и типа кабеля по [2] |
|
К-16.2 (S-16.2) |
Для короткой межстанционной связи, номинальной скорости передачи цифрового сигнала 2488320 кбит/с, номинальной длины волны источника излучения 1550 нм и типа кабеля по [2] |
|
К-64.2 (S-64.2) |
Для короткой межстанционной связи, номинальной скорости передачи цифрового сигнала 9953280 кбит/с, номинальной длины волны источника излучения 1550 нм и типа кабеля по [2] |
|
Д-1.1 (L-1.1) |
Для длинной межстанционной связи, номинальной скорости передачи цифрового сигнала 155520 кбит/с, номинальной длины волны источника излучения 1310 нм и типа кабеля по [2] |
|
Д-4.1 (L-4.1) |
Для длинной межстанционной связи, номинальной скорости передачи цифрового сигнала 622080 кбит/с, номинальной длины волны источника излучения 1310 нм и типа кабеля по [2] |
|
Д-16.1 (L-16.1) |
Для длинной межстанционной связи, номинальной скорости передачи цифрового сигнала 2488320 кбит/с, номинальной длины волны источника излучения 1310 нм и типа кабеля по [2] |
|
Д-64.1 (L-64.1) |
Для длинной межстанционной связи, номинальной скорости передачи цифрового сигнала 9953280 кбит/с, номинальной длины волны источника излучения 1310 нм и типа кабеля по [2] |
|
Д-1.2 (L-1.2) |
Для длинной межстанционной связи номинальной скорости передачи цифрового сигнала 155520 кбит/с, номинальной длины волны источника излучения 1550 нм и типа кабеля по [2, 3] |
|
Д-4.2 (L-4.2) |
Для длинной межстанционной связи, номинальной скорости передачи цифрового сигнала 622080 кбит/с, номинальной длины волны источника излучения 1550 нм и типа кабеля по [2, 3] |
|
Д-16.2 (L-16.2) |
Для длинной межстанционной связи, номинальной скорости передачи цифрового сигнала 2488320 кбит/с, номинальной длины волны источника излучения 1550 нм и типа кабеля по [2, 3] |
|
Д-64.2 (L-64.2) |
Для длинной межстанционной связи, номинальной скорости передачи цифрового сигнала 9953280 кбит/с, номинальной длины волны источника излучения 1550 нм и типа кабеля по [2] |
|
Д-1.3 (L-1.3) |
Для длинной межстанционной связи, номинальной скорости передачи цифрового сигнала 155520 кбит/с, номинальной длины волны источника излучения 1550 нм и типа кабеля по [4] |
|
Д-4.3 (L-4.3) |
Для длинной межстанционной связи, номинальной скорости передачи цифрового сигнала 622080 кбит/с, номинальной длины волны источника излучения 1550 нм и типа кабеля по [4] |
|
Д-16.3 (L-16.3) |
Для длинной межстанционной связи, номинальной скорости передачи цифрового сигнала 2488320 кбит/с, номинальной длины волны источника излучения 1550 нм и типа кабеля по [4] |
|
Д-64.3 (L-64.3) |
Для длинной межстанционной связи, номинальной скорости передачи цифрового сигнала 9953280 кбит/с, номинальной длины волны источника излучения 1550 нм и типа кабеля по [4] |
|
О-4.1 (V-4.1) |
Для очень длинной межстанционной связи, номинальной скорости передачи цифрового сигнала 622080 кбит/с, номинальной длины волны источника излучения 1310 нм и типа кабеля по [2] |
|
О-16.1 (V-16.1) |
Для очень длинной межстанционной связи, номинальной скорости передачи цифрового сигнала 2488320 кбит/с, номинальной длины волны источника излучения 1310 нм и типа кабеля по [2] |
|
О-64.1 (V-64.1) |
Для очень длинной межстанционной связи, номинальной скорости передачи цифрового сигнала 9953280 кбит/с, номинальной длины волны источника излучения 1310 нм и типа кабеля по [2] |
|
О-4.2 (V-4.2) |
Для очень длинной межстанционной связи, номинальной скорости передачи цифрового сигнала 622080 кбит/с, номинальной длины волны источника излучения 1550 нм и типа кабеля по [2] |
|
О-16.2 (V-16.2) |
Для очень длинной межстанционной связи, номинальной скорости передачи цифрового сигнала 2488320 кбит/с, номинальной длины волны источника излучения 1550 нм и типа кабеля по [2] |
|
О-64.2 (V-64.2) |
Для очень длинной межстанционной связи, номинальной скорости передачи цифрового сигнала 9953280 кбит/с, номинальной длины волны источника излучения 1550 нм и типа кабеля по [2] |
|
О-4.3 (V-4.3) |
Для очень длинной межстанционной связи, номинальной скорости передачи цифрового сигнала 622080 кбит/с, номинальной длины волны источника излучения 1550 нм и типа кабеля по [4] |
|
О-16.3 (V-16.3) |
Для очень длинной межстанционной связи, номинальной скорости передачи цифрового сигнала 2488320 кбит/с, номинальной длины волны источника излучения 1550 нм и типа кабеля по [4] |
|
О-64.3 (V-64.3) |
Для очень длинной межстанционной связи, номинальной скорости передачи цифрового сигнала 9953280 кбит/с, номинальной длины волны источника излучения 1550 нм и типа кабеля по [4] |
|
С-4.2 (U-4.2) |
Для сверх длинной межстанционной связи, номинальной скорости передачи цифрового сигнала 622080 кбит/с, номинальной длины волны источника излучения 1550 нм и типа кабеля по [2] |
|
С-16.2 (U-16.2) |
Для сверх длинной межстанционной связи, номинальной скорости передачи цифрового сигнала 2488320 кбит/с, номинальной длины волны источника излучения 1550 нм и типа кабеля по [2] |
|
С-4.3 (U-4.3) |
Для сверх длинной межстанционной связи, номинальной скорости передачи цифрового сигнала 622080 кбит/с, номинальной длины волны источника излучения 1550 нм и типа кабеля по [4] |
|
С-16.3 (U-16.3) |
Для сверх длинной межстанционной связи, номинальной скорости передачи цифрового сигнала 2488320 кбит/с, номинальной длины волны источника излучения 1550 нм и типа кабеля по [4] |
|
nДх-4.2 (nLx-4.2) |
Для длинной межстанционной связи при n оптических каналах в окне прозрачности 1,55 мкм, скорости передачи цифрового сигнала в каждом оптическом канале 622080 кбит/с, х пролетах между промежуточными усилителями и типа кабеля по [2] |
|
nДх-16.2 (nLx-16.2) |
Для длинной межстанционной связи при n оптических каналах в окне прозрачности 1,55 мкм, скорости передачи цифрового сигнала в каждом оптическом канале, 2488320 кбит/с, х пролетах между промежуточными усилителями и типа кабеля по [2] |
|
nДх-64.2 (nLx-64.2) |
Для длинной межстанционной связи при n оптических каналах в окне прозрачности 1,55 мкм, скорости передачи цифрового сигнала в каждом оптическом канале, 9953280 кбит/с, х пролетах между промежуточными усилителями и типа кабеля по [2] |
|
nДх-4.3 (nLx-4.3) |
Для длинной межстанционной связи при n оптических каналах в окне прозрачности 1,55 мкм, скорости передачи цифрового сигнала в каждом оптическом канале, 622080 кбит/с, х пролетах между промежуточными усилителями и типа кабеля по [4] |
|
nДх-16.3 (nLx-16.3) |
Для длинной межстанционной связи при n оптических каналах в окне прозрачности 1,55 мкм, скорости передачи цифрового сигнала в каждом оптическом канале, 2488320 кбит/с, х пролетах между промежуточными усилителями и типа кабеля по [4] |
|
nДх-64.3 (nLx-64.3) |
Для длинной межстанционной связи при n оптических каналах в окне прозрачности 1,55 мкм, скорости передачи цифрового сигнала в каждом оптическом канале, 9953280 кбит/с, х пролетах между промежуточными усилителями и типа кабеля по [4] |
|
nДх-4.5 (nLx-4.5) |
Для длинной межстанционной связи при n оптических каналах в окне прозрачности 1,55 мкм, скорости передачи цифрового сигнала в каждом оптическом канапе, 622080 кбит/с, х пролетах между промежуточными усилителями и типа кабеля по [5] |
|
nДх-16.5 (nLx-16.5) |
Для длинной межстанционной связи при n оптических каналах в окне прозрачности 1,55 мкм, скорости передачи цифрового сигнала в каждом оптическом канале, 2488320 кбит/с, х пролетах между промежуточными усилителями и типа кабеля по [5] |
|
nДх-64.5 (nLx-64.5) |
Для длинной межстанционной связи при n оптических каналах в окне прозрачности 1,55 мкм, скорости передачи цифрового сигнала в каждом оптическом канале, 9953280 кбит/с, х пролетах между промежуточными усилителями и типа кабеля по [5] |
|
nОх-4.2 (nVx-4.2) |
Для очень длинной межстанционной связи при n оптических каналах в окне прозрачности 1,55 мкм, скорости передачи цифрового сигнала в каждом оптическом канале, 622080 кбит/с, х пролетах между промежуточными усилителями и типа кабеля по [2] |
|
nОх-16.2 (nVx-16.2) |
Для очень длинной межстанционной связи при n оптических каналах в окне прозрачности 1,55 мкм, скорости передачи цифрового сигнала в каждом оптическом канале, 2488320 кбит/с, х пролетах между промежуточными усилителями и типа кабеля по [2] |
|
nОх-64.2 (nVx-64.2) |
Для очень длинной межстанционной связи при n оптических каналах в окне прозрачности 1,55 мкм, скорости передачи цифрового сигнала в каждом оптическом канале, 9953280 кбит/с, х пролетах между промежуточными усилителями и типа кабеля по [2] |
|
nОх-4.3 (nVx-4.3) |
Для очень длинной межстанционной связи при n оптических каналах в окне прозрачности 1,55 мкм, скорости передачи цифрового сигнала в каждом оптическом канале, 622080 кбит/с, х пролетах между промежуточными усилителями и типа кабеля по [4] |
|
nОх-16.3 (nVx-16.3) |
Для очень длинной межстанционной связи при n оптических каналах в окне прозрачности 1,55 мкм, скорости передачи цифрового сигнала в каждом оптическом канале, 2488320 кбит/с, х пролетах между промежуточными усилителями и типа кабеля по [4] |
|
nОх-64.3 (nVx-64.3) |
Для очень длинной межстанционной связи при n оптических каналах в окне прозрачности 1,55 мкм, скорости передачи цифрового сигнала в каждом оптическом канале, 9953280 кбит/с, х пролетах между промежуточными усилителями и типа кабеля по [4] |
|
nОх-4.5 (nVx-4.5) |
Для очень длинной межстанционной связи при n оптических каналах в окне прозрачности 1,55 мкм, скорости передачи цифрового сигнала в каждом оптическом канале, 622080 кбит/с, х пролетах между промежуточными усилителями и типа кабеля по [5] |
|
nОх-16.5 (nVx-16.5) |
Для очень длинной межстанционной связи при n оптических каналах в окне прозрачности 1,55 мкм, скорости передачи цифрового сигнала в каждом оптическом канале, 2488320 кбит/с, х пролетах между промежуточными усилителями и типа кабеля по [5] |
|
nОх-64.5 (nVx-64.5) |
Для очень длинной межстанционной связи при n оптических каналах в окне прозрачности 1,55 мкм, скорости передачи цифрового сигнала в каждом оптическом канале, 9953280 кбит/с, х пролетах между промежуточными усилителями и типа кабеля по [5] |
|
nСх-4.2 (nUx-4.2) |
Для сверх длинной межстанционной связи при n оптических каналах в окне прозрачности 1,55 мкм, скорости передачи цифрового сигнала в каждом оптическом канале, 622080 кбит/с, х пролетах между промежуточными усилителями и типа кабеля по [2] |
|
nСх-16.2 (nUx-16.2) |
Для сверх длинной межстанционной связи при n оптических каналах в окне прозрачности 1,55 мкм, скорости передачи цифрового сигнала в каждом оптическом канале, 2488320 кбит/с, х пролетах между промежуточными усилителями и типа кабеля по [2] |
|
nСх-64.2 (nUx-64.2) |
Для сверх длинной межстанционной связи при n оптических каналах в окне прозрачности 1,55 мкм, скорости передачи цифрового сигнала в каждом оптическом канале, 9953280 кбит/с, х пролетах между промежуточными усилителями и типа кабеля по [2] |
|
nСх-4.3 (nUx-4.3) |
Для сверх длинной межстанционной связи при n оптических каналах в окне прозрачности 1,55 мкм, скорости передачи цифрового сигнала в каждом оптическом канале, 622080 кбит/с, х пролетах между промежуточными усилителями и типа кабеля по [4] |
|
nСх-16.3 (nUx-16.3) |
Для сверх длинной межстанционной связи при n оптических каналах в окне прозрачности 1,55 мкм, скорости передачи цифрового сигнала в каждом оптическом канале, 2488320 кбит/с, х пролетах между промежуточными усилителями и типа кабеля по [4] |
|
nСх-64.3 (nUx-64.3) |
Для сверх длинной межстанционной связи при n оптических каналах в окне прозрачности 1,55 мкм, скорости передачи цифрового сигнала в каждом оптическом канале, 9953280 кбит/с, х пролетах между промежуточными усилителями и типа кабеля по [4] |
|
nСх-4.5 (nUx-4.5) |
Для сверх длинной межстанционной связи при n оптических каналах в окне прозрачности 1,55 мкм, скорости передачи цифрового сигнала в каждом оптическом канале, 622080 кбит/с, х пролетах между промежуточными усилителями и типа кабеля по [5] |
|
nСх-16.5 (nUx-16.5) |
Для сверх длинной межстанционной связи при n оптических каналах в окне прозрачности 1,55 мкм, скорости передачи цифрового сигнала в каждом оптическом канале. 2488320 кбит/с, х пролетах между промежуточными усилителями и типа кабеля по [5] |
|
nСх-64.5 (nUx-64.5) |
Для сверх длинной межстанционной связи при n оптических каналах в окне прозрачности 1,55 мкм, скорости передачи цифрового сигнала в каждом оптическом канале, 9953280 кбит/с, х пролетах между промежуточными усилителями и типа кабеля по [5] |
А2 Термин «Единое техническое проектирование»
Требование обеспечения поперечной совместимости для ВОСП СЦИ предопределяет определенный допуск на разброс величин отдельных параметров оптического стыка. Поэтому при проектировании может возникнуть неоправданно большой системный запас, т.е. проектная протяженность оптического тракта окажется существенно ниже, чем могут позволить возможности применяемого оборудования. В других случаях может оказаться, что оптические потери проектируемого оптического тракта (участка регенерации) превысят значение перекрываемого затухания для данного кода применения, тогда как фактически в соответствии с возможностями оборудования они могут быть перекрыты.
С учетом этого, при заключении контрактов на поставку оборудования производитель, в соответствии с 4.2.5 ОСТ 45.178, может предлагать оборудование с отклонением параметров оптического стыка данного кода применения для увеличения диапазона перекрываемого затухания при условии применения оборудования одного производителя в пределах проектируемого оптического тракта ВОСП СЦИ. В этом случае в обозначение кода применения производителем добавляется знак ЕП, обозначающий условие «единого технического проектирования» (JЕ - Joint Engineering). Например, вместо Д-16.2 (L-16.2) код применения принимает вид Д-16.2 ЕП (L-16.2 JЕ).
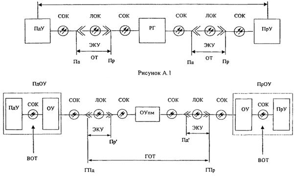
A3 Термины по оптическим трактам и точкам нормирования
На рисунке А.1 представлен вариант оптической цепи ВОСП без ОУ, включающей передатчик ВОСП (ПдУ), регенератор (РГ), приемник ВОСП (ПрУ), станционные (СОК) и линейные (ЛОК) оптические кабели. В состав РГ входят ПдУ и ПрУ, поэтому оптическая цепь на рисунке А.1 включает два оптических тракта (ОТ), которые одновременно являются и элементарными кабельными участками (ЭКУ). Точки нормирования ОТ на передаче (Пд) и приеме (Пр) определяются в месте соединения СОК и ЛОК.
На рисунке А.2 представлен вариант оптической цепи с ОУ, которая состоит из двух вспомогательных оптических трактов (ВОТ) и одного главного оптического тракта (ГОТ). В состав ГОТ входят два ЭКУ и один промежуточный ОУ (ОУпм). Как видно из рисунка, число ОУпм всегда на единицу меньше числа ЭКУ в ГОТ. Точки нормирования ГПд, Пд, Пр, и ГПр определяются в месте соединения СОК и ЛОК.
На рисунке А.3 представлен вариант оптической цепи ВОСП-СР, состоящий из n ОТ и 2n ВОТ оптических каналов, а также одного ГОТ, содержащего два ЭКУ и один ОУпм. Точки Пдi, Прi являются точками нормирования оптического тракта i-гo оптического канала ВОСП-СР, а ПдУi и ПрУi могут входить в состав транспондеров в каждом из i-оптических каналов (i = 1, ..., n).
ГОТ может не содержать ОУпм, но при этом в состав ОТ должен входить по крайней мере один ОУ на передаче или приеме, либо как отдельный компонент ВОСП, либо, как показано на рис. А.2 и А.3, в составе передатчика ВОСП с ОУ (ПдОУ) или приемника ВОСП с ОУ (ПрОУ). ГОТ может не содержать ОУ и на передаче и на приеме ОТ, но при этом он должен содержать по крайней мере один ОУпм.
Оптическая цепь ВОСП
Рисунок А.2
Рисунок А.3
А4 Термин «Передатчик ВОСП»
В зависимости от назначения в передатчике ВОСП в качестве источников оптического излучения могут применяться:
- светоизлучающий диод (Light-Emitting Diode);
- лазерный диод со многими продольными модами (Multi-Longitudinal Mode);
- лазерный диод с одной продольной модой (Single-Longitudinal Mode),
- лазерный диод с прямой (внутренней) модуляцией по току накачки (Direct Modulation Laser);
- лазерный диод с внешней модуляцией (External Modulation Laser).
А5 Термин «Оптический усилитель»
В зависимости от технологии изготовления оптические усилители могут быть:
- полупроводниковые ОУ (optical semiconductor amplifier);
- волоконно-оптические ОУ на основе активного оптического волокна (optical fibre amplifier).
А6 Термин «Диапазон перекрываемого затухания»
В соответствии с ОСТ 45.104 диапазон перекрываемого затухания, определяется как разность между максимальными и минимальными допустимыми значениями перекрываемого затухания для наихудшего сочетания значений параметров компонентов ВОСП в рабочем диапазоне температуры и влажности к концу срока службы.
Эти значения определяются значениями уровней чувствительности и перегрузки приемника, допустимыми максимальным и минимальным значениями средней мощности оптического излучения на передаче и допустимыми дополнительными оптическими потерями в оптической цепи в пределах участка регенерации.
А7 Термины «Ширина спектра оптического сигнала» и «Ширина линии излучения лазера»
В соответствии с ОСТ 45.104 ширина спектра оптического сигнала определяется как среднеквадратичная (Root-Mean-Square) ширина спектра оптического излучения для источников излучения со многими продольными модами или как ширина спектра центральной моды для источников излучения с одной продольной модой на уровне минус 20 дБ от уровня мощности оптического излучения на центральной частоте спектра оптического сигнала передатчика ВОСП.
Ширина линии излучения лазера определяется как ширина спектра центральной моды на уровнях минус 3 дБ и минус 20 дБ от уровня мощности оптического излучения на центральной частоте спектра оптического сигнала передатчика ВОСП.
А8 Термин «Коэффициент гашения»
В соответствии с ОСТ 45.104 коэффициент гашения (Кгш) определяется по формуле:
Kгш = 10lg(A/B), (A.1)
где А - среднее значение мощности оптического излучения при передаче логической «единицы»,
В - среднее значение мощности оптического излучения при передаче логического «нуля».
А9 Термин «Импульсное смещение частоты источника излучения»
Различают положительное изменение частоты источника излучения во время нарастания импульса (голубое смещение) и отрицательное изменение частоты источника излучения при спаде импульса (красное смещение). Импульсное смещение частоты источника излучения определяется как a - параметр [6]:
(А.2)
где: j - фаза оптического сигнала,
Р - мощность оптического сигнала
(справочное)
[1] Рекомендация МСЭ-Т G.957 Оптические стыки для аппаратуры и систем передачи, относящихся к синхронной цифровой иерархии
[2] Рекомендация МСЭ-Т G.652 Характеристики одномодовых волоконно-оптических кабелей
[3] Рекомендация МСЭ-Т G.654 Характеристики одномодовых волоконно-оптических кабелей с затуханием, минимизированным на волне 1550 нм
[4] Рекомендация МСЭ-Т G.653 Характеристики одномодового волоконно-оптического кабеля со смещенной дисперсией
[5] Рекомендация МСЭ-Т G.655 Характеристики одномодового волоконно-оптического кабеля с ненулевой смещенной дисперсией
[6] Рекомендация МСЭ-Т G.691 Оптические стыки для одноканальных систем с оптическими усилителями.
Ключевые слова: код применения, модуляция фазы, оптическое волокно, оптический стык, оптический тракт, оптический усилитель, синхронная цифровая иерархия, система передачи, спектральное уплотнение, элементарный кабельный участок