Система нормативных документов в строительстве
СВОД ПРАВИЛ ПО ПРОЕКТИРОВАНИЮ И СТРОИТЕЛЬСТВУ
ФИЗКУЛЬТУРНО-СПОРТИВНЫЕ ЗАЛЫ
СП 31-112-2004
Часть 1
Москва 2005
Предисловие
1 РАЗРАБОТАН Санкт-Петербургской государственной академией физической культуры им. П.Ф. Лесгафта (СПбГАФК) Росспорта и ФГУП «Научно-проектный институт учебно-воспитательных, торгово-бытовых и досуговых зданий» (Институт общественных зданий) в рамках выполнения п. 17 мероприятий подпрограммы «Физическое воспитание и оздоровление детей, подростков и молодежи в Российской Федерации (2002 - 2005 годы)» федеральной целевой программы «Молодежь России (2001 - 2005 годы)»
2 ВНЕСЕН Санкт-Петербургской государственной академией физической культуры им. П.Ф. Лесгафта
3 ПРЕДСТАВЛЕН Управлением архитектуры и Управлением стандартизации, технического нормирования и сертификации Госстроя России
4 УТВЕРЖДЕН приказами ректора Санкт-Петербургской государственной академии физической культуры им. П.Ф. Лесгафта от 9 февраля 2005 г. № 25 и директора ФГУП «Институт общественных зданий» от 23 апреля 2004 г. № 11
5 ОДОБРЕН И РЕКОМЕНДОВАН к применению в качестве нормативного документа в строительстве письмом Госстроя России 30 апреля 2004 г. ЛБ-322/9 и Федеральным агентством по физической культуре, спорту и туризму приказом № 24 от 26 февраля 2005 г.
6 ВВЕДЕН ВПЕРВЫЕ
СОДЕРЖАНИЕ
Свод правил подготовлен в двух частях:
часть первая включает физкультурно-спортивные залы размером до 36×18 м, а также залы 42×24 м - для спортивной гимнастики;
часть вторая включает физкультурно-спортивные залы и манежи размером 42×24 м и более, а также залы 36×18 м и более для универсального использования.
В последние годы в нашей стране развиваются новые виды и формы спортивных, физкультурно-оздоровительных и досуговых занятий, поэтому физкультурно-спортивные сооружения (рисунок 1*) стали использоваться всеми возрастными и социальными группами населения - от абсолютно здоровых людей до инвалидов, от профессиональных спортсменов до лиц, использующих эти сооружения для досуга. Появилось множество новых форм и видов физкультурно-спортивных занятий, пользующихся спросом у определенной группы населения (аэробика, боулинг, сквош, скалолазание и др.). В соответствии с современными требованиями следует учитывать новые особенности физкультурно-спортивных сооружений:
- изменение спортивно-технологических параметров мест проведения занятий;
- увеличение доли универсальных, многофункциональных помещений и сооружений, обеспечивающих возможность трансформации помещений;
- обеспечение доступности для инвалидов массовых физкультурно-спортивных сооружений, включая специальную разметку залов и оборудование санитарно-бытовых помещений;
- расширение состава сооружений за счет помещений для физкультурно-оздоровительных и развлекательных видов деятельности.
* Рисунки 1 - 6.4 приведены в приложении К.
Свод правил разработан в соответствии с Государственным контрактом с Росспортом № 209 от 10 декабря 2002 г. в рамках подпрограммы «Физическое воспитание и оздоровление детей, подростков и молодежи в Российской Федерации (2002 - 2005 годы)», п. 17 «Разработка архитектурно-планировочных стандартов для их применения при строительстве физкультурно-оздоровительных и спортивных сооружений с учетом обеспечения возможности их пользования детьми-инвалидами».
Цель разработки - внедрение в проектирование и строительство прогрессивных функциональных и технических решений, а также совершенствование процесса проектирования в связи с отсутствием типового проектирования.
Настоящий Свод правил выполнен в развитие СНиП 2.08.02-89* «Общественные здания и сооружения» и является документом федерального уровня. Положения Свода правил направлены на создание полноценной архитектурной среды, обеспечивающей реализацию целей и задач, возникающих в процессе организации массовой спортивной подготовки населения, физкультурно-оздоровительных и реабилитационных занятий для людей различных возрастов, инвалидов и в том числе детей-инвалидов.
В настоящем документе рассматриваются только вопросы, относящиеся к основным функциональным характеристикам и свойствам мест для физкультурно-оздоровительных и спортивных занятий и первостепенно необходимых вспомогательных помещений при них:
- габариты и разметка мест для занятий, включая размеры зон безопасности;
- удельные площади, показатели единовременной вместимости игровых площадок и мест занятий, минимально необходимые расстояния между ними и внутренними поверхностями ограждающих конструкций;
- физико-механические свойства и фактура внутренних отделочных материалов и также устройств, защищающих от ударных воздействий поверхности стен, потолков, световые проемы и осветительные приборы;
- основные требования к физическим параметрам внутренней среды.
В требованиях и рекомендациях по объемно-планировочным и инженерно-конструктивным решениям содержатся также основные необходимые сведения по размерным параметрам, инженерному и санитарно-техническому оборудованию, фактуре, цвету и акустическим свойствам внутренних поверхностей помещений, учитывающие возможности использования мест для занятий и вспомогательных помещений инвалидами (включая детей и подростков) различных категорий (имеющих поражения органов зрения, слуха, опорно-двигательного аппарата).
В нормативном документе рассматриваются залы для массовых видов спорта, не требующих планировочных изменений для занятий инвалидов или требующих лишь дополнения специальным оборудованием.
Графическая часть документа разработана на основе опыта проектирования, практики эксплуатации физкультурно-спортивных сооружений, а также международного опыта.
В тексте и графической части Свода правил частично использованы следующие материалы:
· ВСН 46-86/Госгражданстрой. Спортивные и физкультурно-оздоровительные сооружения. Нормы проектирования. - М.: Стройиздат, 1987.
· Проектирование спортивных залов, помещений для физкультурно-оздоровительных занятий и крытых катков с искусственным льдом (Справочное пособие к СНиП 2.08.02-89*). - М.: Стройиздат, 1991.
· Нормали планировочных элементов жилых и общественных зданий: Спортивные залы.
Выпуск HP 5.3.3-71. Залы для гимнастики.
Выпуск НП 5.3.4-72. Залы для спортивных игр. - М.: Стройиздат, 1975.
Спортивные залы.
Выпуск HP 5.3.5-76. Залы для учебно-тренировочных занятий по боксу, борьбе и тяжелой атлетике. - М.: Стройиздат, 1982.
Выпуск НП 5.3.2-76. Вспомогательные помещения спортивных сооружений. - М.: Стройиздат, 1976.
Рекомендации по проектированию окружающей среды, зданий и сооружений с учетом потребностей инвалидов и других маломобильных групп населения:
Выпуск 12. Общественные здания и сооружения. Спортивные сооружения. - М.: ГУП ЦПП, 1999.
Выпуск 13. Общественные здания и сооружения. Физкультурно-оздоровительные сооружения. - М.: ГУП ЦПП, 1997.;
Пособия к МГСН 4.08-97 Массовые типы физкультурно-оздоровительных сооружений. Выпуски 2 и 3. - М.: ГУП «НИАЦ», 2003.
Физкультурно-спортивные сооружения/Под ред. Л.В. Аристовой. - М.: Спорт Академ Пресс, 1999.
Аристова Л.В. Физкультурно-спортивные сооружения для инвалидов: Учебное пособие. - М.: Советский спорт, 2002.
Правила спортивных игр и состязаний/Пер. с англ. - М.: ООО «Попурри», 2000.
Правила соревнований по видам спорта (например: Технические правила проведения международных соревнований по легкой атлетике на 2004 - 2005 годы. - М.: Тера-Спорт, 2004 и др.).
Часть 1 Свода правил разработана научно-творческим коллективом под руководством Л.В. Аристовой, профессора СПбГАФК им. П.Ф. Лесгафта.
Авторы СП 31-112-2004 (1): ответственные исполнители - Л.В. Аристова (СПбГАФК им. П.Ф. Лесгафта), A.M. Гарнец, Б.П. Анисимов (Институт общественных зданий), Ю.Г. Жура, Б.А. Арутюнов (Российская ассоциация спортивных сооружений), Л.Б. Гутман (СПбГАФК им. П.Ф. Лесгафта).
Научный редактор - канд. архитектуры A.M. Гарнец.
Компьютерная графика - К.В. Карпач (ЦНИИЭП жилища), В.Ф. Кротюк (Институт общественных зданий).
СП 31-112-2004(1)
СВОД ПРАВИЛ ПО ПРОЕКТИРОВАНИЮ И СТРОИТЕЛЬСТВУ
ФИЗКУЛЬТУРНО-СПОРТИВНЫЕ ЗАЛЫ
PHYSICAL TRAINING AND SPORT HALLS
1.1 Настоящий Свод правил предназначен для проектирования массовых типов физкультурно-спортивных залов, которые без конструктивно-планировочных изменений могут быть доступны также для инвалидов, в том числе для детей-инвалидов, при зафиксированных в задании на проектирование условиях.
1.2 Положения Свода правил распространяются на проектирование новых и реконструируемых физкультурно-спортивных залов для:
- гимнастики спортивной и художественной, акробатики;
- наиболее распространенных спортивных игр (бадминтон, баскетбол, волейбол, теннис, теннис настольный);
- единоборств (бокса, борьбы, тяжелой атлетики);
- общефизической подготовки;
- тренажерной подготовки;
- физкультурно-спортивных развлечений.
1.3 Габариты и разметка игровых площадок и мест проведения соревнований (занятий), параметры зон безопасности (в том числе над игровым полем) установлены правилами проведения соответствующих видов соревнований и являются обязательными как технологические требования.
Параметры физкультурно-спортивных залов с сопутствующими группами необходимых помещений, приведенные в настоящем Своде правил, являются функционально-технологической основой составления программы проектирования спортивных зданий и комплексов, которые следует проектировать по соответствующим строительным нормативным документам (см. рисунок 2).
1.4 Положения документа следует использовать для определения единовременной наполняемости залов по пропускной способности мест проведения занятий, а также для расчета оборудования вспомогательных помещений: гардеробных, умывальных, душевых, уборных для занимающихся, инвентарных при физкультурно-спортивных залах и т.п., дающих возможность полноценного функционирования физкультурно-спортивных залов.
1.5 Настоящий Свод правил не включает специальные залы для занятий инвалидов, физкультурные залы образовательных учреждений (детских дошкольных и общеобразовательных), специализированные залы для занятий детских спортивных секций, а также зоны залов с местами для зрителей.
1.6 Положения Свода правил распространяются на проектирование физкультурно-спортивных залов, которые могут размещаться как в отдельно стоящих зданиях и в спортивных комплексах, так и при встраивании в другие сооружения.
1.7 Свод правил содержит рекомендательные положения, нормы и правила. При включении их в задание на проектирование положения данного документа становятся обязательными для проектировщиков и экспертирующих организаций.
В настоящем Своде правил даны ссылки на следующие нормативные документы:
СНиП 21-01-97* Пожарная безопасность зданий и сооружений
СНиП 23-05-95* Естественное и искусственное освещение
СНиП 31-05-2003 Общественные здания административного назначения
СНиП 35-01-2001 Доступность зданий и сооружений для маломобильных групп населения
СНиП 41-01-2003 Отопление, вентиляция и кондиционирование
СНиП 2.04.01-85* Внутренний водопровод и канализация зданий
СНиП 2.08.02-89* Общественные здания и сооружения (с изменением № 5)
СНиП 2.09.04-87* Административные и бытовые здания
СНиП 3.05.06-85 Электротехнические устройства
ГОСТ 21786-76 Система «человек - машина». Сигнализаторы звуковые неречевых сообщений
ГОСТ 24214-80 Связь громкоговорящая. Термины и определения. Общие эргономические требования
ГОСТ 12.1.004-91 ССБТ. Пожарная безопасность. Общие требования
СП 31-110-2003 Проектирование и монтаж электроустановок жилых и общественных зданий
СП 31-113-2004 Бассейны для плавания
СП 35-101-2001 Проектирование зданий и сооружений с учетом доступности для маломобильных групп населения. Общие положения
СП 4723-88 Санитарные правила устройства и эксплуатации систем централизованного горячего водоснабжения
СанПин 2.1.4.1074-01 Питьевая вода. Гигиенические требования к качеству воды централизованных систем питьевого водоснабжения. Контроль качества
НПБ 88-2001* Установки пожаротушения и сигнализации. Нормы и правила проектирования
НПБ 104-03 Системы оповещения и управления эвакуацией людей при пожарах в зданиях и сооружениях
НПБ 110-03 Перечень зданий, сооружений, помещений и оборудования, подлежащих защите автоматическими установками пожаротушения и автоматической пожарной сигнализации
ПУЭ Правила устройства электроустановок.
3.1 Строительные размеры, площади и пропускная способность спортивных залов и помещений физкультурно-оздоровительного назначения должны приниматься в соответствии с правилами проведения соревнований и положениями по организации учебно-тренировочных занятий. Составы и площади вспомогательных помещений при залах принимаются в соответствии с положениями настоящего Свода правил, СНиП 2.08.02, а также справочных пособий к нему.
Проектирование залов и вспомогательных помещений, используемых инвалидами, должно производиться с учетом требований СНиП 35-01 и СП 35-101, а также рекомендаций настоящих норм.
3.2 Строительные размеры в плане и высота помещений устанавливается в зависимости от вида спортивных занятий (игр) и уровня соревнований в соответствии с таблицей 3.1. Высота залов указана от пола до потолка или низа выступающих конструкций.
В залах для спортивных игр высота, указанная в таблице 3.1, должна быть выдержана в пределах игрового поля. За его пределами допускается плавное уменьшение высоты, но не менее чем до трех метров в пределах общих размеров площадки.
Высоту залов аэробики, хореографии, художественной гимнастики следует принимать не менее 3,9 м.
3.3 Размеры универсальных спортивных залов (предназначенных для попеременных занятий по различным видам спорта) и пропускная способность принимаются по наибольшему из показателей для этих видов, приведенных в таблице 3.1.
Таблица 3.1
|
Строительные размеры зала для учебно-тренировочных занятий, м |
Пропускная способность игровой площадки |
Размеры арены для соревнований в спортивно-демонстрационном или спортивно-зрелищном зале, м |
||||||
|
Длина |
Ширина |
Минимальная высота до низа выступающих конструкций |
При учебно-тренировочных занятиях в зале, чел/смену |
При соревнованиях на аренах спортивно-демонстрационных или спортивно-зрелищных залов, чел/смену |
Длина |
Ширина |
Минимальная высота (в пределах площади арены) |
|
|
1. Акробатика |
36 |
18 |
6 |
32 |
75 |
44 |
21 |
7 |
|
2. Бадминтон. На одну площадку |
15 |
9 |
7 |
8 |
8 |
18 |
10 |
9 |
|
3. Баскетбол. На одну площадку |
30 |
18 |
7 |
24 |
48 (4 команды по 12) |
34 |
19 |
7 |
|
4. Бокс. На один ринг |
18 |
12 |
4 |
17 |
20 |
14 |
14 |
5 |
|
5. Борьба:* |
||||||||
|
греко-римская, вольная, самбо. На один ковер диаметром 9 м или два ковра диаметром 7 м |
24 |
15 |
4 |
30 |
20 (на каждый ковер) |
18 |
18 |
5 |
|
(на один ковер диаметр 9 м) |
||||||||
|
дзюдо, тейквандо и т.п. На один ковер «татами» |
24 |
15 |
4 |
30 |
20 |
18 |
18 |
5 |
|
6. Волейбол. На одну площадку |
24 |
15 |
8 |
24 |
48 (4 команды по 12) |
36 |
21 |
12,5 |
|
7. Гимнастика спортивная |
30 |
18 |
6 |
50 |
75 |
48 |
24 |
7 |
|
8. Гимнастика художественная. На одну площадку |
21 |
15 |
8 |
10 |
50 |
31 |
18 |
9 |
|
9. Теннис. На одну площадку** |
36 |
18 |
8 |
12 |
8 (4 пары) |
42 |
22 |
9 |
|
10. Теннис настольный. На три стола |
15 |
9 |
4 |
4 (на каждый стол) |
8 (на каждый стол) |
12-14 |
6-7 |
4 |
|
(на каждый стол) |
||||||||
|
11. Тяжелая атлетика. На четыре помоста |
18 |
9 |
4 |
16 |
40 (на один помост) |
13 |
13 |
5 |
|
(на один помост) |
||||||||
|
* Длина арены при двух коврах диаметром 9 м принимается 32 м, при трех - 46 м, при четырех - 60 м, при двух «татами» принимается 36 м, при трех - 52 м, при четырех - 68 м, а пропускная способность соответственно 40, 60 и 80 чел. ** Высота помещения для досуговых занятий и школ - 7 м, для международных соревнований - 12 м. На расстоянии 6,4 м за задней линией площадки допускается снижение высоты до 3 м. Примечания: 1. По видам спорта, по которым в спортивно-демонстрационных или спортивно-зрелищных залах предусматривается также и проведение учебно-тренировочных занятий, пропускная способность принимается по наибольшему из показателей, приведенных в гр. 5 и 6. 2. При предназначении зала для соревнований не выше регионального масштаба размер площади арены и высота, как правило, принимаются равными размеру площади и высоте спортивного зала (см. гр. 2, 3 и 4), а пропускная способность согласно гр. 5. 3. Поскольку в зданиях спортивных корпусов предусматривается помещение для индивидуальной силовой подготовки в залах для бокса и борьбы размещение тренажеров и другого вспомогательного оборудования для физической подготовки не рекомендуется. В этих случаях размер зала бокса уменьшается до 15×12 м, а пропускная способность - до 14 чел/смену. 4. В зале для борьбы, приведенном в таблице, могут разместиться два спаренных ковра диаметром 7 м для учебно-тренировочных занятий начинающих и борцов младших разрядов или один ковер оптимального диаметра 9 м. При выносе из зала вспомогательного оборудования размер зала с ковром диаметром 9 м уменьшается до 18×15 м с пропускной способностью 12 чел., а со спаренными коврами диаметром 7 м - до 24×12 м с пропускной способностью 13 чел/смену. В последнем случае стены зала у ковров до высоты 1,8 м должны иметь мягкую обивку. 5. В зале для спортивной гимнастики при проведении одновременных занятий мужчин и женщин место для вольных упражнений предусматривается общим. 6. В залах для настольного тенниса при большем числе столов размер зала принимается исходя из размеров площадки 7,75x4,5 м на каждый стол. 7. Строительные размеры и пропускная способность приняты исходя из одного комплекта табельного оборудования. |
||||||||
3.4 При размещении физкультурно-оздоровительных залов во встроенных в жилые здания помещениях при соответствующем спортивно-технологическом обосновании и соблюдении требований к кратности обмена и подвижности воздуха в зонах нахождения занимающихся допускается:
уменьшение нормативной высоты залов общефизической подготовки, включающей элементы игр и гимнастики, от 4,8 до 4,2 м;
уменьшение нормативной высоты залов для занятий ритмической и женской оздоровительной гимнастикой, хореографией, атлетической гимнастикой, индивидуальной аэробикой с использованием тренажерной техники, шейпинга, элементов борьбы и восточных единоборств, помещений тренажерной техники, помещений индивидуальной силовой подготовки может быть с 3,9 м до высоты жилого этажа;
устройство залов в помещениях нестандартных габаритов;
размещение помещений тренажерной техники, помещений для игры в настольный теннис, залов атлетической гимнастики с устройством промежуточных опор.
3.5 Высота вспомогательных помещений (от пола до потолка) принимается, как правило, 3,0 м. В зависимости от архитектурно-планировочного и конструктивного решения и технологических требований, а также при размещении вспомогательных помещений в подтрибунном пространстве высоту помещений возможно снижать, но не более (в чистоте, до низа выступающих конструкций):
в гардеробных верхней и домашней одежды (за барьером) - 2,1 м;
в помещениях для судей и прессы - 2,4 м;
в остальных помещениях (кроме вестибюля) - 2,7 м.
3.6 Высота технических помещений принимается в зависимости от применяемого оборудования, а складских помещений и кладовых - от размеров и способов хранения складируемых предметов. Высоту складских помещений для хранения трансформируемых мест партера рекомендуется принимать не менее 3 м.
3.7 Залы для тяжелой атлетики, а также помещения для индивидуальной силовой подготовки рекомендуется размещать на первом этаже.
Залы для гимнастики размещаются, как правило, на первом этаже здания с устройством пола по грунту. При необходимости размещения на втором (и выше) этаже или над подвалом следует предусматривать такую конструкцию перекрытия, которая позволяла бы устраивать в зале ямы под снарядами. В исключительных случаях (например, при реконструкции зданий) ямы можно не устраивать.
Залы для спортивных игр, бокса, борьбы, общей физической подготовки (ОФП), аэробики и помещения для тренажеров допускается размещать на любом этаже здания.
3.8 Инвентарные при спортивных залах должны располагаться смежно с этими залами и сообщаться с ними через проемы. Пол инвентарной устраивается на одной отметке с полом зала без порога.
3.9 Раздевальные для занимающихся должны, как правило, непосредственно примыкать к спортивному залу. Допускается сообщение между ними через коридор или по лестнице, которые предназначаются только для перемещения спортсменов.
3.10 Помещения, используемые инвалидами, рекомендуется размещать на одной отметке на уровне первого этажа. Другие варианты размещения допускаются при наличии специально оборудованных лифтов, лестничных подъемников, пандусов. Тип и габариты лифтов следует определять в соответствии со СНиП 35-01.
3.11 Проектирование универсальных залов для учебно-тренировочных занятий по спортивной гимнастике попеременно со спортивными играми не рекомендуется. При необходимости такого сочетания для вольных гимнастических упражнений вместо настила предусматривается ковер, гимнастические стенки устанавливаются в основном на продольных стенах зала, число канатов для лазания, предусматриваемых как для гимнастов, так и для игровиков, не суммируется и они устанавливаются в одном и том же месте, батут (переносной, складной) предусматривается напольным (а не в яме), а зеркала либо не предусматриваются вообще, либо надежно защищаются от удара мяча.
3.12 В спортивных залах и помещениях для учебно-тренировочных занятий, встроенных в здания другого назначения или в подтрибунное пространство или собираемых из легких металлических конструкций, допускается наличие колонн, если в соответствии с расстановкой технологического оборудования и разметкой они оказываются в нерабочих зонах, и при соблюдении зон безопасности.
3.13 В состав физкультурно-оздоровительных сооружений могут быть также включены залы, используемые в том числе для игр инвалидов (подраздел 4.5).
Здания физкультурно-оздоровительного назначения, включающие залы, рассчитанные на занятия инвалидов, следует проектировать с учетом использования инвалидами следующих групп помещений: входная группа, помещения санитарно-гигиенического назначения, в том числе раздевальные, душевые, сауна, массажная, места отдыха, стойки буфетов, помещения медицинского назначения, административные помещения, помещения методического назначения.
3.14 В спортивном корпусе с залом для тенниса при числе площадок в нем две и более следует предусматривать помещение размером 18×12 м, высотой 6 м с тренировочной стенкой высотой не менее 3 м. Пропускная способность помещения - 4 чел. в смену.
3.15 Площадь инструкторских определяется численностью тренерского состава на основании штатного расписания или заданием на проектирование и в соответствии с разделом 5.
3.16 Состав служебных помещений административного и инженерно-технического персонала и бытовых помещений рабочих рекомендуется определять заданием на проектирование или проектом в соответствии с численностью и составом служащих и рабочих.
3.17 Состав технических помещений определяется заданием на проектирование или проектом с учетом инженерного оснащения сооружений и действующих норм расчета их площади.
3.18 Ширина лестничных маршей и пандусов, параметры лестничных площадок, требования к ограждениям и поручням принимаются с учетом требований СНиП 2.08.02 и СНиП 35-01.
3.19 Стены и потолки спортивных залов окрашивают в светлые тона. Стены и двери должны быть гладкими и предусматривать возможность влажной уборки.
В залах для спортивных игр поверхность и окраска стен и потолков должны быть устойчивыми к ударам мяча. Допускается отделка стен облицовочным кирпичом с расшивкой швов вовнутрь.
4.1.1 Для занятий спортивной и художественной гимнастикой и акробатикой наиболее рациональны размеры залов 24×12, 30×18, 36×18 м, а для крупных соревнований возможны залы 42×24 м. Эти залы предназначаются для использования мужскими, женскими или смешанными по полу группами спортсменов.
В зале 24×12 м возможны только попеременные занятия мужских или женских групп, использовать его для спортсменов I разряда и более высокой квалификации не рекомендуется, так как размер ковра для вольных упражнений уменьшен до 10×10 м, сокращены длина разбега при опорных прыжках (до 16 м), а также зоны безопасности вокруг отдельных снарядов и между ними; кроме того, оборудование, необходимое для занятий групп одного пола, в зале не размещается и его можно устанавливать только попеременно.
Планы размещения спортивного оборудования приводятся в различных вариантах их использования (для занятий мужских, женских и смешанных групп) на рисунках 4.1 - 4.13.
Все указанные на рисунках залы обеспечивают использование их также для учебно-тренировочных занятий и соревнований по художественной гимнастике и акробатике (попеременно).
4.1.2 Следует стремиться к такому размещению гимнастических снарядов, чтобы свести к минимуму трансформацию при перемене состава занимающихся. Возможность проведения в каждом из залов всех вариантов занятий (мужских, женских или смешанных по полу групп) рекомендуется обеспечивать установкой всех закладных деталей, предусмотренных для зала данного размера. Габаритные схемы и спецификация оборудования и инвентаря, а также его установки даются на рисунках 4.10 - 4.13. Табель-экспликацию оборудования и инвентаря см. в приложениях А и Б.
4.1.3 Характерной особенностью залов для гимнастики и акробатики (для учебно-тренировочных занятий) является наличие заполненных обрезками поролона ям, размещаемых в местах возможного падения спортсмена при выполнении упражнений (рисунок 4.14).
Ямы могут устраиваться также для размещения в них батутов с расположением их рабочей поверхности заподлицо с полом зала, что предпочтительнее для страхующего и тренера.
4.1.4 В связи с наличием ям для приземления при соскоке залы для спортивной гимнастики и акробатики не должны располагаться на перекрытии над другими помещениями. Ямы под батутами и для приземления устраивают глубиной 1,1 - 1,5 м. При этом ямы для приземления оборудуют съемными мягкими бортами, съемными крышками и заполняют упругим материалом (обычно кусками поролона), укладываемым с отрывом от пола ямы (для естественного проветривания) по сетке или решетке.
4.1.5 Для страховки спортсменов, выполняющих (разучивающих) травмоопасные упражнения, устраиваются лонжи с потолочной подвеской. Устройство конструкций подвески, как правило, осуществляется по индивидуальным проектам в зависимости от размеров и конструктивных особенностей здания.
Рекомендуется высота зала 6 м до низа выступающих конструкций. Меньшая высота не позволяет крепить подвесное оборудование (кольца, канаты) на требуемой высоте, а большая осложнит крепление этих снарядов на нужной высоте.
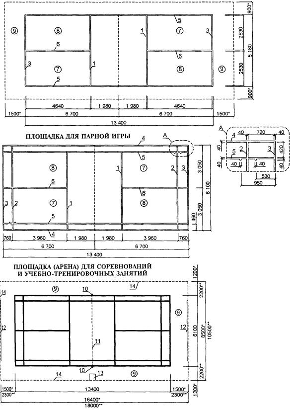
4.2.1 Размеры игровых площадок и их разметку следует принимать в соответствии с правилами соревнований. Планировки даны на рисунках 4.15 - 4.21.
4.2.2 Специализированные залы для ручных спортивных игр (бадминтон, баскетбол, волейбол, гандбол, теннис, настольный теннис) могут предназначаться как для одного вида спорта, так и для нескольких из этих видов при условии, что внутренние габариты залов соответствуют размерам площадок, требуемым правилами по игровым видам спорта. При этом в залах, где проводятся учебно-тренировочные занятия, должен также размещаться определенный комплект стационарного и трансформируемого вспомогательного оборудования для таких занятий.
4.2.3 Наиболее распространены залы: 30×18 м для волейбола, баскетбола и бадминтона (рисунки 4.22 - 4.24); 36×18 м (рисунки 4.25 - 4.27), в котором можно заниматься также и теннисом (рисунок 4.28,Б).
Варианты использования для различных видов спортивных игр залов, имеющих наиболее распространенные строительные размеры, а также их расчетная пропускная способность приведены в таблице 4.1.
Таблица 4.1
|
Варианты использования зала |
Расчетная пропускная способность, чел/смену |
|||
|
Длина |
Ширина |
Наименьшая высота до низа выступающих конструкций |
||
|
(в осях ограждающих конструкций) |
||||
|
30 |
18 |
7 |
Для бадминтона |
32 |
|
Для баскетбола |
24 |
|||
|
8 |
Для волейбола |
32 |
||
|
36 |
18 |
7 |
Для бадминтона |
40 |
|
Для баскетбола |
30 |
|||
|
8 |
Для волейбола |
40 |
||
|
Для тенниса |
16 |
|||
|
Примечание - При проектировании зала для попеременных занятий по различным видам игр следует принимать наибольшие для данного зала высоту и расчетную пропускную способность. |
||||
Габаритные схемы и спецификацию оборудования и инвентаря, а также его установки даются на рисунках 4.29 - 4.30. Табель-экспликацию оборудования и инвентаря см. в приложениях В и Г.
4.2.4 При одновременном размещении в зале нескольких площадок для одного вида спортивной игры количество инвентаря не увеличивается пропорционально числу площадок, а принимается применительно к табелю на одну площадку исходя из общей площади зала и его пропускной способности (по указанному принципу принят табель для залов 30×18 и 36×18 м). Так же в каждом отдельном случае определяется количество оборудования и инвентаря для залов, площадь которых превышает размеры площадки.
4.2.5 В зале 30×18 м (рисунок 4.28,А), если он предназначен и для баскетбола, и для бадминтона, устанавливаются основные баскетбольные щиты с соответствующим креплением, а тренировочные щиты не предусматриваются.
В зале 36×18 м для учебно-тренировочных занятий (рисунок 4.25) в связи с небольшим расстоянием от боковых линий учебных площадок для волейбола до торцевой стены зала стойки устанавливают не на растяжках, а прикрепляют непосредственно к стене и при трансформации не убирают.
В залах 36×18 м (рисунок 4.28), специализированных только для тенниса, тренировочную стенку рекомендуется размещать по обеим торцевым стенам зала, кроме того, в зале для тенниса все пролеты гимнастической стенки следует располагать вместе - на середине продольной стены зала.
4.2.6 Гимнастические стенки, тренировочные щиты для ручного мяча, стенки для тенниса и ромбические щиты при размещении их по продольным стенам зала необходимо располагать на стенах, не имеющих оконных проемов, или с проемами, низ которых расположен на высоте не менее 4,5 м от пола.
4.2.7 При размещении в зале нескольких площадок между ними следует, как правило, предусматривать съемные (раздвижные) разделительные устройства произвольной конструкции для задержки мяча. Разделительные устройства, а также переносные барьеры для площадок настольного тенниса не включены в табель-экспликацию оборудования и инвентаря.
4.2.8 Для бадминтона и тенниса в торцах полей для игры должны предусматриваться фоны из материи темного цвета. Кроме того, для тенниса предусматривается тренировочная (отбойная) стенка высотой 3 м, а для гандбола - тренировочный настенный щит высотой 2,5 м и шириной 3,5 м.
4.2.9 Места для зрителей, стационарные или временные, нужно располагать так, чтобы расстояние от боковых и лицевых (задних) линий разметки поля для игры до первого ряда зрителей было бы не менее 3 м для волейбола и не менее 2 м для бадминтона, баскетбола и ручного мяча. На площадках для тенниса расстояние до зрителей от задних линий разметки поля для игры должно быть не менее 6 м, а от боковых - не менее 3,5 м, а при соревнованиях высокого масштаба - соответственно не менее 8 и 4,5 м.
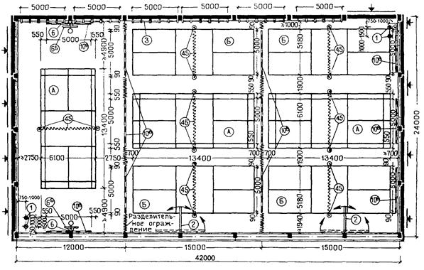
В целях более рационального размещения таких мест по периметру площадки рекомендуется в зале 36×18 м дополнительно предусматривать разметку одной площадки для соревнований по волейболу и одной - по бадминтону (в центре зала по его продольной оси).
4.2.10 При проектировании залов с балконами для зрителей низ конструкции балконов должен быть на отметке не менее 3,7 м от поверхности пола зала; в этом случае крепить баскетбольные щиты нужно к конструкции балкона.
В залах 30×18 и 36×18 м балкон рекомендуется предусматривать только у одной из продольных стен зала; при этом площадку для волейбола следует сдвигать к противоположной стене, но так, чтобы боковая линия разметки поля для игры была бы в 2 - 3 м от нее.
4.2.11 В залах рекомендуется принимать следующие цвета разметки площадок:
при одной или нескольких не перекрывающих друг друга разметках площадок - белый цвет;
при двух перекрывающих друг друга разметках площадок - белый и оранжевый цвета;
при трех перекрывающих друг друга разметках площадок - белый, оранжевый и черный цвета.
При большом количестве перекрывающих друг друга разметок они должны контрастировать между собой, четко выделяться на фоне пола, в зависимости от цвета которого возможны отклонения от указанных выше рекомендаций. На площадках для баскетбола площадь трехсекундной зоны, а также площадь центрального круга окрашиваются в цвет, контрастирующий с цветом пола и разметочных линий.
В залах 30×18 и 36×18 м предусматривается дополнительная разметка пунктирными линиями учебных площадок уменьшенных размеров для отработки отдельных элементов игры в волейбол.
4.2.12 Габаритные схемы оборудования даны на рисунках 4.29 - 4.30, спецификация оборудования и инвентаря - в приложениях В - Г.
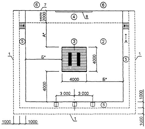
4.3.1 Залы для учебно-тренировочных занятий по боксу, борьбе и тяжелой атлетике целесообразно проектировать в составе многозальных спортивных корпусов или других общественных зданий (клубов, домов культуры и т.п.). Размеры и пропускную способность залов см. в таблице 3.1.
Допускается уменьшение ширины зала с коврами диаметром 7 м до 12 м (при некоторой перестановке оборудования и обивке стен зала у ковров мягкими материалами), а при выносе в отдельное помещение помоста и другого оборудования для индивидуальной силовой подготовки - уменьшение длины зала до 18 м. В этих случаях пропускная способность зала будет соответственно 28 и 21 чел. в смену.
4.3.2 Габаритные схемы площадок и арен для соревнований по боксу, борьбе и тяжелой атлетике приведены на рисунках 4.31 - 4.39. В том числе схемы по греко-римской борьбе и самбо даны на рисунке 4.32, карате и дзюдо на рисунке 4.33, русского кулачного боя и восточных единоборств - 4.34.
Габаритные схемы и спецификация оборудования даются на рисунках 4.40 - 4.46. Табель-экспликацию оборудования и инвентаря см. в приложении Д.
4.3.3 При зале для борьбы 18×15 м с диаметром ковра 9 м следует предусматривать дополнительное помещение для расстановки вспомогательного оборудования.
4.3.4 Занятия со штангой должны проводиться, как правило, на помосте размером 2,5 - 3×2,5 - 3 м, который в табеле не указан (рисунок 4.31). Помост желательно размещать за пределами зала в отдельном помещении на первом этаже с установкой на фундамент, опирающимся на грунт, без связи с основными конструкциями здания. При размещении зала на первом этаже (без подвала) помост можно размещать в зале, врезая в пол заподлицо с его поверхностью.
4.3.5 Однокомплектные и двухкомплектные залы для бокса приведены на рисунках 4.35 и 4.36.
4.4.1 Помещения и залы для физкультурно-оздоровительных занятий (со вспомогательными помещениями для их обслуживания) могут размещаться в отдельно стоящих зданиях физкультурно-оздоровительного назначения, входить в составы зданий спортивного назначения, центров досуга, а также быть пристроенными или встроенными в здания другого назначения (в том числе и жилые).
4.4.2 Наряду с физкультурно-оздоровительными занятиями и тренировками универсальные залы могут использоваться для проведения локальных соревнований по спортивным играм, для массовых мероприятий, танцев. Зрительские места в зале рекомендуется проектировать нестационарными, на балконах и зрительских галереях. Перечень досуговых мероприятий, осуществляемых в универсальных залах спортивных игр, следует определять в задании на проектирование.
4.4.3 Физкультурно-оздоровительные залы могут быть разных типов: залы ОФП с элементами игр, залы ОФП без элементов игр (для основной гимнастики), залы для подвижных и спортивных игр, залы ритмической, женской гимнастики и хореографии, залы настольного тенниса, залы для занятий на общеразвивающих тренажерах и силовой подготовки, залы для начальных занятий по борьбе.
Размеры залов ОФП могут быть меньше, чем спортивных. Примерные размеры и пропускные способности помещений и залов для различных видов физкультурно-оздоровительных занятий приведены в таблице 4.2.
Таблица 4.2
|
Размеры помещения, м |
Высота от пола до низа выступающих конструкций (потолка) не менее, м |
Пропускная способность, чел. |
||
|
Длина |
Ширина |
|||
|
Групповые занятия по общей физической подготовке (включая игры с мячом) |
24 18* 18* |
12 12* 9* |
6 4,8 4,8 |
25 20 15 |
|
Ритмическая гимнастика, хореография, женская оздоровительная гимнастика |
12 9 |
12 9 |
3,9 3,9 |
25 15 |
|
Настольный теннис (на 1 стол) |
6 |
4 |
2,7 |
4 |
|
Элементы борьбы |
15 12 |
9 9 |
3,9 3,9 |
15 12 |
|
Занятия с использованием тренажеров и снарядов для развития силы и выносливости |
Из расчета 4,5 м2 на каждый вид оборудования или снаряд, но не менее 25 м2* |
3,9 |
1 на каждую единицу оборудования или снаряда |
|
|
* Во встроенных помещениях и при реконструкции существующих помещений допускается: изменение размеров, приведенных в настоящей таблице, но с тем, чтобы площадь зала была бы не менее 140 м2, при этом пропускная способность принимается из расчета 11 м2 на 1 занимающегося, уменьшение высоты до 4,2 м. Примечания 1. Во встроенных помещениях и при реконструкции существующих помещений высота при соответствующем спортивно-технологическом обосновании может уменьшаться до высоты этажа здания. 2. В случаях, когда проведение физкультурно-оздоровительных занятий, указанных в настоящей таблице, предусмотрено в проекте в спортивных залах или в помещениях, размеры которых превышают приведенные в таблице, пропускная способность для этих занятий принимается 25 чел. (1 группа). 3. Площадь помещения с тренажерами принимается не менее 25 м2 из расчета 4,5 м2 на каждый вид оборудования или снаряд. 4. При отсутствии в здании зала для общей физической подготовки или иного помещения, позволяющих проведение в них разминки перед занятиями на тренажерах, площадь помещений с тренажерами принимается из расчета 6м2 на каждый тренажер (снаряд), но не менее 70 м2 (на помещения, встраиваемые в жилые здания, приведенное условие не распространяется). |
||||
4.4.4 Примеры схем планов и расстановки оборудования в помещениях и залах для физкультурно-оздоровительных занятий приведены на рисунках 4.47, 4.48.
4.4.5 Использование зала находится в зависимости от расстановки оборудования и степени его трансформации:
- зал для ОФП с элементами игр предназначен для комплексных занятий, сочетающих в разных для каждой возрастной группы пропорциях общеразвивающие упражнения, элементы игровых видов, упражнения на гимнастических снарядах и тренажерах. Универсальность зала достигается применением съемного трансформируемого оборудования;
- зал для ОФП без элементов игр, предназначенный для основной гимнастики, оснащается гимнастическими снарядами и тренажерами. Применяя трансформируемое оборудование, можно использовать свободную зону зала для общеразвивающих упражнений;
- залы для подвижных и спортивных игр могут быть меньше, чем для спортивных занятий игровыми видами, где действуют жесткие правила соревнований. В игровых залах чаще всего используются оборудование и разметка площадок для спортивных игр - волейбола, бадминтона, баскетбола, гандбола, тенниса.
4.4.6 Крупные универсальные залы, предназначенные для физкультурно-оздоровительных занятий и тренировок, могут быть использованы:
- зал 36×18 м, включенный в состав физкультурно-оздоровительных центров для районов с численностью населения 30,0 - 50,0 тыс. чел., - для бадминтона, волейбола, баскетбола, тенниса;
- зал 45×24 м, включенный в состав физкультурно-оздоровительных центров для районов с численностью населения более 50,0 тыс. чел., - для бадминтона, волейбола, баскетбола, тенниса, ручного мяча.
Рекомендуется также использование универсальных залов для новых, развивающихся видов игр - флорбола, футзала.
4.4.7 Площадь на одного занимающегося: в зале ОФП с элементами игр и в игровом зале - 11,5 м2, в зале без элементов игр - 8,5 м2.
При залах ОФП для увеличения возможности использования зала необходима инвентарная комната (ориентировочно 3×6 м), где хранятся съемные гимнастические снаряды, тренажеры, мелкий инвентарь.
4.4.8 Залы для ритмической, женской гимнастики и хореографии имеют размеры 9×9 м, 12×12 м, 15×12 м, 18×12 м при оптимальной высоте 4 - 5 м. Площадь на одного занимающегося 5,5 м2. В комплект оборудования входят хореографический станок с зеркалами, гимнастические стенки, подиум для преподавателя (стационарный, откидной или переносный), вдоль стенки возможно размещение общеразвивающих тренажеров.
Габариты многофункциональных залов фитнес-центров, используемых в попеременном режиме для групповых занятий аэробикой и спортивных игр (или их элементов), могут уточняться в задании на проектирование с учетом занятий, предусмотренных для проведения в зале.
4.4.9 Если нет специализированного зала настольного тенниса, то занятия можно проводить в вестибюле, фойе, холле. Минимальная площадь зоны на один стол - 6×4 м при высоте помещения не менее 3 м в чистоте.
4.4.10 Для общефизической подготовки спортсменов и при физкультурно-оздоровительных занятиях применяются тренажеры, различные конструктивные устройства и механические подвижные приспособления, предназначаемые для развития и укрепления групп мышц, развития ловкости, координации движений и т.д.
Аналогичные по функциональному назначению типы тренажеров имеют разнообразные конструктивно-механические решения, различны в них и способы создания дополнительной нагрузки на мышцы (использование гравитации, пневматики). В целях ориентации проектировщиков при определении площадей для размещения тренажеров в таблице 4.3 приводятся основные данные по тренажерному оборудованию.
4.4.11 Габариты залов общеразвивающих тренажеров и силовой подготовки определяются из расчета 6 м2 на единицу оборудования со свободной зоной для общеразвивающих упражнений и разминки, 4,5 м2 - для залов без такой зоны (если в комплексе есть зал для спортивных игр или ОФП). Высота зала - 4 м. Трансформируемое оборудование, крепящееся к стенам, аналогично оборудованию, применяемому в многофункциональных залах. В приспособленных для занятий помещениях высота может быть снижена до 3 м (рисунок 4.49).
4.4.12 Для начальных занятий по борьбе размеры залов могут быть 12×9 м, 18×12 м и 12×12 м при высоте не менее 4 м. Ширина зала определяется размерами борцовского ковра D = 7 или 9 м. Стены для безопасности по периметру ковра обкладываются матами на высоту 1 м.
Для борьбы ушу в зале желательно иметь на полу татами, а для занятий айкидо - борцовский ковер. Стены обшиваются матами для предотвращения травм.
Таблица 4.3 - Основные данные по тренажерному оборудованию, размещаемому в залах (помещениях)
|
Ориентировочные размеры габаритной зоны размещения тренажеров (включая зоны безопасности), м* |
Функциональная характеристика тренажеров |
||||
|
Глубина (по продольной оси тренажера) |
Ширина (суммарно в стороны от продольной оси) |
Исходное положение корпуса занимающегося |
Характер движений занимающегося |
Использование отягощающих снарядов |
|
|
Станок для развития кистей рук |
1,0** |
1,0** |
Стоя (инвалиды с ПОДА - в коляске) |
Вращение кистями рук горизонтальных рукояток |
В отдельных моделях используется подвешенный груз (гиря) |
|
Эспандер грузовой пристенный |
3,0** |
2,0** |
То же |
Руки - вниз, в стороны |
- |
|
Эспандер грузовой напольный |
1,0* |
3,0* |
» |
Сведение, разведение рук |
- |
|
Стенка гимнастическая |
1,0 |
1,0 - на каждый пролет; дополнительно - по 0,5 на крайние пролеты |
Вис на перекладине |
Подтягивание на руках, поднимание, опускание, сгибание, разгибание |
- |
|
«Вращения» |
2,0 |
2,0 |
Стоя (инвалиды-колясочники - сидя) |
Вращательные движения корпусом вокруг вертикальной оси |
- |
|
«Беговая дорожка» |
2,5 |
2,0 |
Стоя |
Бег по движущейся «транспортной ленте» |
- |
|
«Велотренажер» |
2,0 |
1,6 |
Сидя |
Вращение ногами педалей (имитация езды на велосипеде) |
- |
|
«Гребля» |
2,2 |
1,8 |
» |
Имитация движений спортсмена на гребных судах |
- |
|
Тренажеры для развития мышц груди, спины, плечевого пояса |
1,5 |
2,0 |
» |
Тяга в вертикальном направлении, сведение и разведение рук |
- |
|
«Вращения» |
1,5 |
1,8 |
» |
Повороты корпуса относительно вертикальной оси |
- |
|
Тренажеры для развития силы ног |
2,0 |
2,7 |
Полулежа |
Сгибание и разгибание ног |
Штанга |
|
2,0 |
2,0 |
- |
|||
|
Тренажеры для развития мышц спины и живота |
2,0 |
2,0 |
Лежа |
Наклоны вперед, назад |
- |
|
2,0 |
2,7 |
Штанга |
|||
|
Скамья тяжелоатлетическая (или универсальная) |
2,0 |
2,4 |
Лежа, полулежа |
Руки - вверх, в стороны, вниз |
Гантели |
|
Тренажеры для занятий со штангой (в составе скамьи и страхующей подставки) |
2,0 |
2,7 |
Полулежа, лежа |
Жим |
Штанга |
|
Скамья наклонная в комбинации с гимнастической стенкой (или тренажер «Стенка») |
2,0 |
1,7 |
Лежа, полулежа |
Наклоны, подтягивание |
|
|
* При занятиях инвалидов с ПОДА к одной из сторон габаритной зоны добавляется зона для размещения кресла-коляски. ** В данных габаритах учтено размещение инвалида на кресле-коляске. Примечание - При занятиях инвалидов с ПОДА ширина прохода между рядами тренажеров или между их рядом и стеной принимается не менее 1,8 м из расчета обеспечения возможности разъезда двух инвалидных кресел-колясок. |
|||||
4.4.13. Залы для физкультурно-оздоровительных занятий могут быть как специализированными, так и универсальными. В специализированных залах оборудование стационарное, в универсальных - трансформируемое.
При помещениях для физкультурно-оздоровительных занятий для хранения переносного оборудования и инвентаря предусматриваются инвентарные. При помещениях для групповых занятий по общей физической подготовке (включая игры с мячом) размером 24×12 м и 18×12 м площадь инвентарной рекомендуется 18 м2 (6×3 м), а при размере помещения 18×9 м - 15 м2 (6×2,5 м).
В случаях применения в этих помещениях пристенного трансформируемого оборудования, а также при остальных помещениях, приведенных в таблице 4.3 (кроме помещения для настольного тенниса), площадь инвентарной рекомендуется 8 м2.
4.4.14 Независимо от специализации в группе физкультурно-оздоровительных занятий на 1 тренера приходится 20 - 25 человек. В случае занятий пожилых и ослабленных людей группа может быть сокращена до 12 - 15 человек.
4.4.15 Площади раздевальных для занимающихся с хранением домашней одежды в помещении раздевальной в закрытых шкафах определяются в соответствии с рекомендациями раздела 5.
Возможно предусматривать хранение домашней одежды для занимающихся открытым способом (на крючках); в этом случае над скамьями для переодевания (0,6 м на каждое место) устанавливаются по 2 крючка.
При расположении массажной при раздевальных для занимающихся отдельные раздевальные и душевые при массажной не предусматриваются.
4.4.16 Если помещения для физкультурно-оздоровительных занятий встроены в жилые дома, то душевые для занимающихся могут не предусматриваться, а санитарные узлы, как правило, предусматриваются общими для мужчин и женщин и оборудуются одним унитазом и одним умывальником.
4.4.17 Ограждающие и несущие конструкции, а также полы помещений и залов для физкультурно-оздоровительных занятий должны допускать возможность крепления к ним стационарного и переносного спортивного оборудования (рисунок 4.50).
4.5.1 При периодическом использовании физкультурно-спортивных залов и помещений для инвалидов в проектируемых зданиях кроме учета положений по доступности (СНиП 35-01 и своды правил к нему) следует учитывать размеры специализированных площадок для занятий инвалидов, размещаемых в залах стандартных размеров.
Виды спортивных и развлекательных игр для инвалидов приведены в приложении Е.
4.5.2 В дополнение к типовому набору оборудования и инвентаря в залах следует учитывать дополнительное оборудование для занятий инвалидов. При расстановке оборудования и тренажеров следует учитывать зоны безопасности и подъезды для инвалидов на колясках.
4.5.3 Размеры и пропускную способность спортивных площадок, специализированных по отдельным видам спорта для инвалидов, следует принимать согласно таблице 4.4.
|
Вид спорта |
Размер площадки для игры, м |
Размер зоны безопасности, м* |
Пропускная способность, чел/смену |
Категория инвалидов |
|
Бадминтон |
13,4×6,1 |
1 - 1 |
8 |
ДС |
|
Баскетбол |
26×14 |
2 - 2 |
24 |
То же |
|
Баскетбол на колясках |
26×16 |
2 - 3 |
10 |
ПОДА |
|
Борьба: |
||||
|
вольная |
Ковер D = 9 |
20 |
ДС |
|
|
греко-римская |
(2 по 7) 7×7 |
2 - 2 |
10 |
НЗ |
|
Волейбол |
18×9 |
2 - 3 |
24 |
ДС, ПОДА |
|
Волейбол сидя |
10×6 |
1,5 - 2,5 |
12 |
ПОДА |
|
Гандбол*** |
40×20 |
1 - 2 |
24 |
ДС |
|
Гимнастика спортивная: |
||||
|
а |
30×18 |
- |
50 |
То же |
|
б |
36×24 |
- |
20 |
НЗ |
|
Голбол |
18×9 |
2,4 - 2,4 |
6 |
ДС |
|
Дзюдо |
- |
2 - 2 |
15 |
То же |
|
Квад-регби |
26×14 |
2 - 3 |
8 |
ПОДА |
|
Роллингбол |
24×12 |
2 - 2,4 |
10 |
ДС |
|
Теннис |
24×11 |
4 - 6 |
8 |
ДС, ПОДА |
|
Теннис настольный (3 стола) |
1,5 - 3,1 |
12 (6)** |
То же |
|
|
Торбол |
16×7 |
2,4 - 2,4 |
6 |
НЗ |
|
Шоу-даун |
- |
- |
2 |
То же |
|
Элементы легкой атлетики в зале*** |
45×27 |
- |
15 |
ПОДА, НЗ |
|
* Первая цифра - ширина зоны безопасности вдоль длинной стороны площадки. ** Вторая цифра - то же, с торца площадки. *** См. часть вторую настоящего Свода правил. Примечания 1. Принятые сокращения в данной таблице и последующих: ПОДА - инвалиды с поражением опорно-двигательного аппарата, НЗ - инвалиды с недостатками зрения; ДС - инвалиды с дефектами слуха. 2. Строительные размеры и пропускная способность залов для тенниса и настольного тенниса указаны для инвалидов с ПОДА. 3. Строительные размеры и пропускная способность залов для гандбола указаны для инвалидов с ДС. |
||||
4.5.4 Размеры площадок и помещений для развлекательных игр и занятий на тренажерах не требуют особо жестких параметров, учитывая, что правила игр просты и легкозаменяемы. Размеры площадок и их пропускная способность приведены в таблице 4.5.
4.5.5 Размеры залов в зависимости от вида проводимых занятий, размеров площадок для игр и занятий, необходимых зон безопасности и площади для размещения вспомогательного оборудования для передвижения и ориентации следует принимать по таблицам 4.6 и 4.7.
Примеры планировочных решений залов даны на рисунках 4.53 - 4.57.
4.5.6 Элементы физкультурно-спортивных залов, в которых предусматриваются основные мероприятия по приспособлению их для занятий инвалидов, приведены в таблице 4.8.
Таблица 4.5
|
Размер площадки для игры, м |
Размер зоны безопасности, м* |
Пропускная способность, чел/смену |
Категория инвалидов |
|
|
Бадминтон-теннис «индиака» |
13×5 |
4,3 - 4,8 1,5 - 1,5 |
4 |
НЗ ПОДА |
|
Боссель в зале (3 дорожки) |
16×2 |
1,5 - 1,5 |
8 |
ПОДА |
|
Бочче (3 дорожки) |
30×5 |
То же |
8 |
То же |
|
Гандбол через сетку |
30×10 |
» |
20 |
» |
|
Занятия на тренажерах |
12×6 15×9 |
- |
10 15 |
ПОДА, НЗ, ДС То же |
|
Малые игры с мячом, скейтбол |
Ширина 15, длина от 27 до 12 |
- |
15 |
НЗ |
|
Малые игры, танцы, ритмика |
То же |
- |
15 - 6 |
ПОДА, НЗ |
|
Метание в кегли |
10×15 |
1,5 - 1,5 |
20 |
ПОДА |
|
Мяч сидя |
10×8 |
То же |
8 |
ПОДА; НЗ |
|
Мяч - через шнур |
16×8 |
» |
4 |
ПОДА |
|
Прельбол |
16×8 |
» |
8 |
То же |
|
Ринг-теннис |
12×4 |
1,5 - 1,5 4,3 - 4,8 |
4 |
ПОДА НЗ |
|
Футбол-теннис |
20×8 |
1,5 - 1,5 |
8 |
ПОДА |
|
* Первая цифра - ширина зоны безопасности вдоль длинной стороны площадки. |
||||
Таблица 4.6 - Залы, не требующие специальных планировочных мероприятий
|
Размеры зала, м |
Категории инвалидов |
|||
|
Длина |
Ширина |
Высота |
||
|
Зал для спортивных игр (бадминтон, баскетбол, волейбол) |
30 (36) |
18 |
7 |
ПОДА, ДС |
|
Зал для борьбы |
24 |
15 |
4 |
ДС |
|
Зал для гимнастики |
30 |
18 |
6 |
ДС |
Таблица 4.7 - Залы, требующие дополнительных приспособлений
|
Размеры зала, м |
Категории инвалидов |
|||
|
Длина |
Ширина |
Высота |
||
|
Залы для ОФП, восстановительной гимнастики и малых игр: |
ПОДА, НЗ, ДС |
|||
|
А |
15 (12) |
15 (12) |
6 |
ПОДА, НЗ, ДС |
|
Б |
24 |
12 |
6 |
ПОДА, ДС |
|
В |
30 |
15 |
6 |
ПОДА, НЗ, ДС |
|
Залы для специальной физической подготовки и занятий на тренажерах: |
||||
|
А |
12 |
6 |
4 |
Все категории |
|
Б |
15 |
9 |
4 |
То же |
|
Залы для развлекательных и спортивных игр: |
||||
|
А (волейбол сидя, мяч сидя, прельбол, ринг-теннис, бадминтон, кегли, боссель, малые игры) |
18 - 24 |
12 |
6 |
ПОДА, ДС |
|
Б (роллингбол, торбол, голбол, мяч сидя, ринг-теннис) |
30 |
18 |
6 |
НЗ |
|
В (баскетбол сидя, гандбол через сетку, квад-регби и др.) |
36 |
18 |
7 |
ПОДА, ДС |
|
Зал для спортивной гимнастики |
36 |
24 |
6 |
ПОДА, ДС |
|
Зал для занятий борьбой |
15 |
12 |
4 |
ДС |
|
Зал для настольного тенниса (3 стола) |
15 |
9 |
4 |
ДС |
|
Зал для игры в шоу-даун |
12 |
9 |
3 |
ПОДА, ДС |
Таблица 4.8
|
Размеры зала |
Специальные архитектурно-конструктивные мероприятия |
Необходимые технические мероприятия по информации и ориентации |
|||||
|
Стены |
Пол |
Двери |
Визуальная |
Тактильная |
Звуковая |
||
|
Залы для ОФП, восстановительной гимнастики и малых игр ФП |
|||||||
|
А |
15 (12)×15 (12) |
+ |
+ |
+ |
|||
|
Б |
24×12 |
+ |
+ |
||||
|
В |
30×15 |
+ |
+ |
+ |
+ |
+ |
+ |
|
Залы для специальной физической подготовки и занятий на тренажерах |
|||||||
|
А |
12×6 |
+ |
+ |
+ |
|||
|
Б |
15×9 |
+ |
+ |
+ |
|||
|
Залы для развлекательных и спортивных игр |
|||||||
|
А (волейбол сидя, мяч сидя, прельбол, ринг-теннис, бадминтон, кегли, боссель, малые игры) |
18 (24)×12 |
+ |
+ |
+ |
+ |
||
|
Б (роллингбол, торбол, голбол, мяч сидя, ринг-теннис |
30×18 |
+ |
+ |
+ |
+ |
||
|
В (баскетбол сидя, гандбол через сетку, квад-регби и др.) |
36×18 |
+ |
+ |
+ |
+ |
+ |
|
|
Зал для спортивной гимнастики |
36×24 |
+ |
+ |
||||
|
Залы борьбы: |
|||||||
|
А |
15×12 |
+ |
+ |
+ |
|||
|
Б |
24×15 |
+ |
+ |
||||
|
Зал для настольного тенниса |
15×9 |
+ |
+ |
||||
|
Зал для игры в шоу-даун |
12×9 |
+ |
+ |
||||
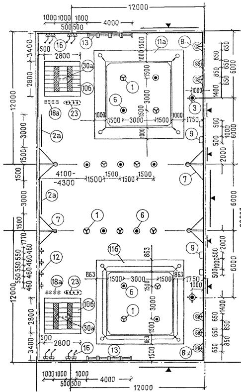
4.5.7. Зал размером 24×12 м для физкультурно-оздоровительных занятий инвалидов с поражением опорно-двигательного аппарата, залы тренажеров 9×18 м, а также предлагаемые залы 9×15 и 6×9 м для общеукрепляющих упражнений без использования спортивных снарядов и зон тренажеров целесообразно разделять на две зоны: для укрепляющих упражнений без использования спортивных снарядов и зону тренажеров (рисунки 4.51 и 4.52).
Расстановка оборудования должна обеспечивать возможность проезда инвалида на кресле-коляске во все зоны зала. Вдоль стен зала на свободных от оборудования участках предусматривается поручень для удобства передвижения инвалидов, использующих вспомогательные средства для ходьбы.
Оборудование залов включает: скамью со стойками для жима лежа, стойки для приседания со штангой, тренажер для вращения и развития ловкости, тренажер для бега, тренажер «стенка здоровья», тренажер для развития плечевого пояса и грудных мышц, тренажер для развития мышц спины и пресса, велотренажер, велоэргометр и тренажер «скамья универсальная», ковер для гимнастических упражнений на полу, гимнастические скамьи и стенку, параллельные брусья для обучения ходьбе.
Для самоконтроля инвалидов по двум сторонам зала предусматриваются зеркала с поручнем.
4.5.8 Оптимальный размер зала для спортивных игр инвалидов на креслах-колясках равен 36×18 м. В таком универсальном зале можно проводить учебно-планировочные занятия и соревнования по баскетболу на колясках, гандболу через сетку, квад-регби, фигурной езде на колясках, волейболу сидя, футболу и теннису. Для этого зал должен быть оснащен специальным стационарным и трансформируемым оборудованием. Для проведения развлекательных игр в зале возможно предусмотреть дополнительное переносное оборудование: наклонный батут, мишени для бросания колец, баскетбольное кольцо на подставке.
4.5.9 Зал для спортивных игр инвалидов с НЗ имеет размер 30×18 м с учетом зон безопасности и информационной тактильной дорожки вокруг площадки для игры наибольшего размера. В зале могут проводиться тренировки и соревнования по роллингболу, голболу, торболу. Оборудование включает стойки и сетки ворот с закрепленной верхней перекладиной, ориентировочные маты, озвученные мячи, стойки для натяжки шнуров с колокольчиками. Кроме того, в зале возможны занятия инвалидов-ампутантов (волейбол сидя). Поверхность пола должна быть ровной и гладкой (рисунок 4.53).
4.5.10 При проектировании залов и помещений для нетрадиционных видов спортивных игр инвалидов следует учитывать параметры и условия проведения занятий, приведенные в приложении Е и на рисунках 4.53 - 4.55.
4.5.11 Для инвалидов с недостатками зрения (НЗ) главной задачей является обучение координации движений и ориентации в пространстве. Ориентируются преимущественно с помощью акустических средств, тактильной и интенсивной цветовой маркировки. Поэтому спортивные площадки должны иметь выпуклую или вогнутую поверхность, ярко окрашенную разметку пола, соответствующие виды игры.
В спортивных залах, предназначенных для занятий слепых, поверхность пола должна быть идеально гладкой.
Примеры размещения полос ориентации в игровых и спортивных залах приведены на рисунках 4.54 и 4.56.
4.5.12 В залах для игры в настольный теннис следует предусматривать свободные зоны размером не менее 9×4,5 м на каждый стол и использовать столы стандартных размеров. При размещении в зале более 1 стола между ними должны устанавливаться легкие переносные барьеры, не позволяющие шарику выкатиться за пределы игровой зоны (рисунок 4.53).
4.5.13 Для игры в шоу-даун (одна из немногих спортивных игр, в которую слепые могут играть без посторонней помощи) используется специальный стол размером 4,16×1,27 м. Вокруг стола предусматриваются зоны игры (1 м шириной) и безопасности (2 м шириной). В зале, предназначенном для игры в шоу-даун, целесообразно устанавливать только один стол.
Важнейшее значение имеют акустические характеристики помещения: должна быть обеспечена максимальная звукоизоляция от внешнего шума и предусмотрена специальная звукопоглощающая обшивка стен и потолка помещения. Все это связано с тем, что во время игры игроки ориентируются по звуку движущегося игрока (рисунок 4.56).
4.5.14 В зале размером 9×15 м для специальной физической подготовки инвалидов проводится разработка отдельных суставов, «накачка» определенных групп мышц. Для этого в зале установлен ряд специальных тренажеров. Рабочие зоны тренажеров расширены по сравнению с сооружениями общего пользования. Кроме того, в зале предусмотрена специальная информационная дорожка для инвалидов с НЗ (рисунок 4.57).
4.5.15 Зал для спортивной гимнастики должен быть приспособлен для тех видов, которыми занимаются спортсмены с дефектами зрения. У мужчин это 6 видов: акробатика, конь - махи, кольца, опорный прыжок, брусья, перекладина. У женщин 4 вида: акробатика, опорный прыжок, брусья, бревно. Один вид программы требует повышенного зрительного контроля - опорный прыжок, поэтому высота снаряда уменьшена по сравнению с обычными правилами.
Состав учебной группы для слепых должен быть уменьшен вдвое по сравнению со здоровыми спортсменами, в учебно-тренировочном зале число снарядов уменьшено. Вокруг снарядов необходимо предусматривать тактильные полосы ориентации (зоны безопасности).
Занятия по спортивной гимнастике для инвалидов с НЗ целесообразно проводить в зале нестандартного размера 36×24 м. Пролет зала увеличен в связи с необходимостью устройства информационных тактильных дорожек. Набор спортивных снарядов минимальный (по одному для каждого вида) в соответствии с составом группы и видами многоборья (рисунок 4.57).
4.5.16 Для спортивных игр инвалидов с поражением опорно-двигательного аппарата (ПОДА) в зале размером 36×18 м, где возможно проводить учебно-тренировочные занятия, соревнования, а также развлекательные игры, используется следующее оборудование: подвесные баскетбольные щиты, настенные баскетбольные щиты переменной высоты (для отработки удара), стойки для крепления волейбольной сетки, наклонный батут для баскетбола и гандбола, мишень с очками, баскетбольное кольцо на подставке. Предусматривается дополнительное оборудование, а также устройство гимнастической стенки, заглубленной в ниши.
4.5.17 Для инвалидов с дефектами зрения оптимальные размеры спортивного зала - 30×18 м с учетом зон безопасности и информационной тактильной дорожки вокруг площадки для игры наибольшего размера. В зале могут проводиться тренировки и соревнования по роллингболу, голболу, торболу. Оборудование включает стойки и сетки ворот с закрепленной верхней перекладиной, ориентировочные маты, озвученные мячи, стойки для натяжки шнуров с колокольчиками (рисунок 4.58).
4.6.1 Залы для спортивно-развлекательных игр служат как для спортивных занятий и соревнований, так и для активного отдыха и развлечений: это кегельбаны, сквош-корты и бильярдные. Их размеры относительно невелики по сравнению с другими спортивными залами.
Кегельбан (боулинг)
4.6.2 Залы для игры в кегли - кегельбаны. Суть игры - шаром сбить поставленные на расстоянии и в определенном порядке кегли. Кегельбаны, как правило, размещаются в общественном центре города или района, включаются в торговые, спортивные, деловые, досуговые сооружения, иногда они проектируются отдельно стоящими.
Кегельбан должен находиться в пределах пешеходной доступности от остановок общественного транспорта и иметь автостоянки. Помимо основного зала для игры в состав кегельбанов включаются бары, кафе, помещения для отдыха и игр.
Кегельбан может обслуживать от 3 до 12 тыс. жителей на одну боулинговую дорожку. Наименьший кегельбан для общего пользования включает четыре дорожки для боулинга.
4.6.3 Кегельбан включает, как правило, кегельные и разгоночные дорожки, площадку для игроков, раздевальные, душевые, туалеты, вестибюль, места для зрителей, кафе, складские и хозяйственно-бытовые помещения, технические помещения, кассу и диспетчерский пункт, конторские помещения и комнаты для собраний, помещения для персонала (рисунок 4.59).
Помещения кегельбана начиная с вестибюля, следует разделять на зоны для зрителей и игроков, так как кегельные дорожки очень чувствительны к загрязнению.
Кегельбан проектируется с учетом использования его инвалидами с нарушением опорно-двигательного аппарата.
Примерно 25 % площади раздевальных следует отводить для женщин.
4.6.4 Размеры дорожки для боулинга (международные стандартные): длина 19156 мм плюс длина разгоночной дорожки 4570 - 4880 мм. На одной дорожке одновременно играют от 2 до 5 человек. Ширина кегельной площадки определяется в соответствии с количеством кегельных дорожек по таблице 4.9. Дополнительно следует предусматривать служебный проход вдоль дорожек к машинам, минимальная ширина которого 0,76 м.
Таблица 4.9 - Ширина кегельной площадки
|
Ширина, м |
Количество дорожек |
Ширина, м |
|
|
1 |
1,86 |
20 |
33,95 |
|
2 |
3,46 |
22 |
37,33 |
|
4 |
6,85 |
24 |
40,72 |
|
6 |
10,23 |
26 |
44,11 |
|
8 |
13,62 |
28 |
47,50 |
|
10 |
17,01 |
30 |
50,89 |
|
12 |
20,40 |
32 |
54,27 |
|
14 |
23,78 |
34 |
57,66 |
|
16 |
27,17 |
36 |
61,05 |
|
18 |
30,56 |
38 |
64,44 |
Количество дорожек должно быть четное, так как желоб для автоматического возврата шаров - один на две дорожки. Установки кеглей в конце дорожки и возврат шаров по скрытому желобу осуществляются автоматической машиной.
4.6.5 Места для зрителей следует размещать за кегельной площадкой. Между ними и сиденьями для кеглистов необходимо предусмотреть проход шириной около 1,5 м на уровне площадки для игроков. При определении количества зрителей исходят из 5 - 10 человек на одну дорожку.
В кегельбанах могут предусматриваться столики для зрителей, на которые подаются еда и напитки. В этом случае рекомендуется свободное пространство 4,5 м между столиками и входами в различные вспомогательные помещения (туалеты, холлы с питьевыми или другими автоматами и т.п.).
4.6.6 Все вспомогательные и технические помещения рассчитываются по строительным и спортивно-технологическим нормам и рекомендациям.
Основное требование к освещению - равномерность. Со стороны площадки окна не предусматриваются, поскольку попадающие через них солнечные лучи могут деформировать дорожки.
Залы для сквоша (сквош-корты)
4.6.7 Сквош - игра с мячом и ракеткой типа теннисной. Играют два человека, поочередно отбивая мяч с лета при отражении его от стен или пола.
Проводится как спортивная игра с чемпионатами и соревнованиями разных уровней и как спортивно-оздоровительная и развлекательная; играют взрослые всех возрастов и дети с 11 - 12 лет.
Рэкэтбол - разновидность сквоша. Правила схожи с правилами сквоша, но несколько упрощены. Отличается мяч, который больше в два раза, имеет больший отскок. Игра проводится в залах для сквоша с той же разметкой.
4.6.8 Размер площадки для игры - 9,75×6,4 м. Требуемые планировочные размеры сквош-корта и высота помещений до уровня поверхности осветительных приборов показаны на рис. 4.60.
4.6.9 Физкультурно-оздоровительный или спортивно-развлекательный зал - сквош-корт (один или несколько), имеющий небольшие размеры, целесообразно включать в досуговые центры или центры спорта и отдыха.
Отдельно стоящие центры или клубы сквоша строятся как спортивные с выполнением всех требований для соревнований и в то же время могут использоваться и как физкультурно-развлекательные. Для соревнований на высоком уровне число кортов для сквоша должно быть 4 - 8, а с точки зрения окупаемости - 4 - 6.
4.6.10 Там, где нет возможности устроить постоянные сквош-корты, могут быть применены сборные - для оздоровительных и спортивно-развлекательных игр в уже имеющихся спортивных или общественных залах соответствующих размеров.
4.6.11 Стены и пол зала - элементы игровой зоны, поэтому они должны быть светлыми (лучше белыми), чтобы игроки без труда могли фиксировать мяч. Покрытие (отделка) стен должна выдерживать удары мяча.
4.6.12 Корт для турнирных игр может иметь трибуны вместимостью до 200 зрителей, в этом случае в зале должна быть задняя прозрачная стенка со стационарными местами для зрителей за ней (от 50 до 100 мест). Могут применяться и трансформируемые места.
Для увеличения количества зрительских мест и точек обзора целесообразно делать прозрачной заднюю стенку, а в ряде случаев и боковые стенки.
4.6.13 Вспомогательные помещения - раздевальные, душевые и туалеты для мужчин и женщин. Количество шкафчиков в раздевальных, учитывая, что на корте одновременно играют 2 человека, должно быть 4 - 6 на один корт. Предусматриваются также комнаты дирекции, кафе или бар, клубные комнаты, комнаты отдыха, могут быть сауна и массажная. Если корты размещены в многофункциональном центре, вспомогательные помещения делаются общими.
Бильярдные
4.6.14 Бильярд - игра с шарами на специальном столе. Помещения для бильярда по сравнению с другими спортивными и спортивно-развлекательными сооружениями невелики, как правило, предусматриваются в спортивных, досуговых сооружениях и часто имеются в творческих домах и клубах.
4.6.15 Размещать помещение бильярдной целесообразно на уровне земли, имея в виду большой вес столов (до 1,5 т каждый). Для клубных игр и матчевых встреч требуются отдельные помещения, а для игры как досугово-развлекательной наряду с отдельными помещениями может использоваться часть многоцелевых помещений или залов с применением раздвижных перегородок.
Для спортивных соревнований и показательных выступлений игра должна идти только на одном столе, остальные столы должны быть изолированы от матчевого раздвижной перегородкой.
4.6.16 Размеры помещения для игры на одном столе 6,75 - 8×5 - 6 м. Целесообразно рассчитывать помещения на максимальные наружные размеры стола 4×2 м, чтобы помещение могло использоваться для любого вида игры. Стандартный размер игрового поля в пределах 3,5×1,75 м (без учета бортов стола, ширина которых не регламентируется). Высота столов до верха бортов 0,85 - 0,88 м. Рекомендуемое свободное пространство вокруг стола для игры - 2 м, минимальное - 1,62 м. (Меньшие размеры - для любительской игры).
4.6.17 На рисунке 4.61 даны размеры помещения на один стол со стандартным (по международному регламенту) игровым полем 3,5×1,75 м. За одним столом играют 2 - 4 человека.
4.6.18 При размещении в помещении двух и более бильярдных столов минимальное расстояние между продольными бортами столов рекомендуется равным 3,2 м, между торцами столов - 2,25 м.
При размещении в бильярдном зале или помещении нескольких столов их площадь и пропускную способность следует принимать по таблице 4.10.
4.6.19 В помещениях следует предусмотреть место для счетных досок, полок для шаров, стоек для киев, а также для треугольников.
Таблица 4.10
|
Единовременная пропускная способность |
Общая площадь |
|
|
Бильярдный зал на 4 стола |
16 |
120 |
|
Бильярдный зал на 6 столов |
24 |
180 |
|
Бильярдный зал на 8 столов |
32 |
240 |
4.6.20 Места для зрителей, если они предусматриваются заданием на проектирование, должны располагаться с трех сторон стола за пределами игровой зоны, т.е. на расстоянии 1,6 - 2 м от стола. Для лучшего наблюдения за игрой они должны быть приподняты. Места для зрителей могут быть постоянными или трансформируемыми.
4.6.21 Игра требует сосредоточенности и концентрации внимания игроков, поэтому бильярдная нуждается в изоляции от наружного шума.
4.6.22 При включении бильярдной в другие сооружения игроки пользуются общими вспомогательными помещениями. Для бильярдных клубов, особенно отдельно стоящих сооружений, требуются раздевальные, душевые, туалеты, мастерская, комната отдыха, кафе-бар, клубные помещения, помещения для администрации, для собраний членов клуба и прочее (рисунок 4.59).
Помещения аэробики и атлетической гимнастики
4.6.23 Планировочные параметры спортивных залов атлетической гимнастики, индивидуальных занятий аэробикой с использованием техники, шейпинга, кардиозалов, помещений индивидуальной силовой подготовки не нормируются. Допускается их размещение в помещениях произвольной формы, а также в помещениях с сеткой промежуточных опор не менее 6×6 м.
4.6.24 Площади залов атлетической гимнастики, индивидуальных занятий аэробикой с использованием тренажерной техники, шейпинга, кардиозалов, помещений индивидуальной силовой подготовки, приведенные в таблице 4.11, составленной по материалам пособия к МГСН 4.08, являются минимальными и могут быть увеличены заданием на проектирование с учетом принятой единовременной пропускной способности, уровня комфортности и принятого состава оборудования (из расчета 4,5 м2 на 1 тренажер).
Таблица 4.11 - Рекомендуемые габариты и площади помещений физкультурно-оздоровительного назначения
|
Состав физкультурно-оздоровительных помещений |
Рекомендуемые габариты, м |
Площадь помещений, м2 |
Единовременная пропускная способность, чел. |
|
|
Атлетическая гимнастика |
Зал атлетической гимнастики |
h = 3,9* |
≥ 180 |
40 |
|
Аэробика |
Зал для групповых занятий аэробикой |
15×15 м; h = 3,9 |
225 |
25 |
|
Тренажерный зал для индивидуальных занятий |
h = 3,9* |
≥ 112,5 |
25 |
|
|
Зал для групповых занятий аэробикой |
18×18 м; h = 3,9 |
324 |
40 |
|
|
Тренажерный зал для индивидуальных занятий |
h = 3,9* |
≥ 180 |
40 |
|
|
Шейпинг |
Зал шейпинга |
h = 3,9* |
180 |
40 |
|
Аэробика с отделением аквааэробики |
Зал для групповых занятий аэробикой |
15×15 м; h = 3,9 |
225 |
25 |
|
Тренажерный зал для индивидуальных занятий |
h = 3,9* |
≥ 112,5 |
25 |
|
|
Бассейн аквааэробики и оздоровительного плавания |
16,6×8 |
132,8 |
24 |
|
|
Зал для групповых занятий аэробикой |
18×18 м; h = 3,9 |
324 |
40 |
|
|
Тренажерный зал для индивидуальных занятий |
h = 3,9* |
≥ 180 |
40 |
|
|
Бассейн аквааэробики и спортивно-оздоровительного плавания с ванной |
25×11 м |
275 |
40 |
|
|
Аэробика с элементами борьбы, восточных единоборств |
Зал универсальный для борьбы и групповых занятий аэробикой |
18×15 м; h = 4,0 |
270 |
25 |
|
Зал аэробики (для групповых занятий) Кардиозал |
15×15 м; h = 3,9 h = 3,9* |
225 ≥ 90 |
25 20 |
|
|
Тренажерный зал для индивидуальных занятий |
h = 3,9* |
≥ 135 |
30 |
|
|
Аэробика с элементами спортивных игр |
Зал универсальный для спортивных игр и групповых занятий аэробикой |
24×15, h = 8 |
360 |
40 |
|
Зал аэробики (для групповых занятий) |
15×15 м; h = 3,9 |
225 |
25 |
|
|
Кардиозал |
h = 3,9* |
≥ 112,5 |
25 |
|
|
Тренажерный зал для индивидуальных занятий |
h = 3,9* |
≥ 180 |
40 |
|
|
* Длина и ширина не нормируются. Допускается размещение в помещении произвольной формы. |
||||
4.6.25 Залы аэробики предназначены для групповых занятий различными видами оздоровительной аэробики (фитнес-аэробика), в том числе классической танцевальной аэробикой, упражнениями с использованием различных устройств, предметов и приспособлений (слайд-аэробики, степ-аэробики, фитбол-аэробики, тераэробики, памп-аэробики), аэробики с элементами боевых искусств.
4.6.26 В залах групповых занятий аэробикой следует предусматривать хореографический станок, зеркала (по фронту групповых занятий), шведскую стенку, устройства для музыкального сопровождения, стеллажи для переносного оборудования. Размер свободной площадки для групповых занятий (в том числе занятий в партере) следует определять с учетом численности группы из расчета не менее 4,5 м2 на человека.
Схема размещения оборудования в зале аэробики размером 18×18 м приведена на рисунке 4.46.
4.6.27 Состав дополнительного оборудования зала аэробики следует определять в задании на проектирование с учетом перечня видов занятий, осуществляемых в зале.
В качестве дополнительного спортивного оборудования в залах аэробики рекомендуется предусматривать: при занятиях памп-аэробикой - оборудование, используемое для поднятия тяжестей, в том числе гантели, гири, штанги, помосты, скамьи со стойками для жима лежа, стойки для приседания со штангой.
Допускается также предусматривать отдельное помещение для силовой подготовки с помостом для поднятия тяжестей площадью от 72 м2:
- при занятиях аэробикой с использованием элементов боевых искусств - подушки на стенах (макивара), боксерские мешки, боксерские груши набивные и пневматические на платформе;
- при занятиях сайкл-аэробикой - комплект велотренажеров в количестве, равном численности группы.
4.6.28 В составе фитнес-центров предусматриваются кардиозалы, предназначенные для индивидуальных занятий аэробикой, с целью развития сердечно-сосудистой и дыхательной систем. Они оборудуются комплектом кардиотренажеров различных типов (в том числе «бегущие дорожки», «степ»-тренажеры, велотренажеры, гребные тренажеры). При оборудовании кардиозала тренажерами с системой компьютерного мониторинга тренировочного процесса следует предусматривать в зале место оператора системы компьютерного мониторинга площадью от 4,5 м2 или отдельное помещение площадью от 6,0 м2.
Схема комплектации оборудования кардиозала кардиотренажерами при организации автоматизированного централизованного мониторинга занятий представлена на рисунке 4.41.
4.6.29 Залы атлетической гимнастики (бодибилдинга) следует оборудовать тренажерами для развития различных групп мышц, оборудованием для поднятия тяжестей, в том числе гантелями, гирями, штангами, помостами для поднятия тяжестей, скамьями со стойками для жима лежа, стойками для приседания со штангой. Состав оборудования определяется заданием на проектирование с учетом программ занятий посетителей клуба.
4.6.30 При включении в программы занятий бодибилдингом упражнений с использованием гимнастического оборудования - брусьев, перекладин, канатов для лазания - рекомендуется дополнительно к залу атлетической гимнастики предусмотреть зал ОФП размером 18×9 м, высотой 6 м. Размещение гимнастического оборудования в зале атлетической гимнастики допускается при необходимости при соответствующем увеличении площади и высоты зала.
4.7.1 При спортивных залах следует предусматривать инвентарные для хранения переносного спортивного оборудования и инвентаря. Инвентарные должны располагаться смежно с залами. Пол инвентарной предусматривается на одном уровне с полом зала и порога.
4.7.2 Размеры инвентарных наиболее распространенных залов при размещении их в одном помещении следует принимать по таблице 4.12.
Таблица 4.12
|
Размер зала (в строительных осях), м |
Площадь инвентарной, м2 |
Рекомендуемые размеры инвентарной, м |
||
|
Длина |
Ширина (глубина) |
|||
|
Для бадминтона, баскетбола, гандбола, волейбола и тенниса |
42×24 |
36 |
6 |
6 |
|
Для спортивной гимнастики |
36×18 |
18 |
6 |
3 |
|
Для бадминтона, баскетбола и волейбола |
30×18 |
24 |
6 |
4 |
|
Для бокса |
30×15 18×12 |
7,5 6 |
2,5 2 |
3 3 |
|
Для борьбы |
30×18 24×15 |
9 6 |
3 2 |
3 3 |
|
Для тяжелой атлетики |
24×12 18×9 |
7 5 |
3,5 2,5 |
2 2 |
|
Для атлетической гимнастики, шейпинга |
18×10 |
6 |
3 |
2 |
|
Для занятий аэробикой |
12×12 24×12 |
8 |
||
|
Многофункциональные залы: |
||||
|
аэробика и борьба спортивные игры и аэробика |
15×10 24×15 |
12 18 |
4 6 |
3 3 |
|
Примечания 1. Инвентарная может предусматриваться в виде двух или трех помещений; приведенная в таблице площадь является суммарной. 2. Площадь уточняется заданием на проектирование. |
||||
Площадь инвентарной универсального зала принимается исходя из необходимости полного освобождения площади зала от гимнастического оборудования во время занятий по спортивным играм. В остальных спортивных залах размеры инвентарных следует определять исходя из состава и размеров переносного оборудования и инвентаря, а также способа их хранения.
4.7.3 Ширина двери из зала в помещение инвентарной - не менее 2 м (в залах для спортивных игр - не менее 1,5 м); рекомендуется устраивать открытые проемы в инвентарные. В залах для спортивных игр открытые проемы в инвентарные и двери из раздевальных, располагаемые в торцовых стенах, должны размещаться на расстоянии не менее 3 м от продольной оси зала.
В залах для учебно-тренировочных занятий по спортивным играм с мячом открытые проемы в инвентарные должны закрываться свободно висящими сетками, препятствующими попаданию мячей в инвентарную.
4.7.4 Размеры открытых проемов или дверей из залов для борьбы, бокса и тяжелой атлетики в инвентарные следует принимать по таблице 4.13.
Таблица 4.13 - Размеры открытых проемов или дверей в инвентарные
|
Размер залов, м |
Минимальная ширина проемов или дверей, м |
Минимальная высота проемов или дверей в инвентарную, м |
|
|
Бокс |
18×12 30×15 |
1,6 2 |
2,3 2,3 |
|
Борьба |
24×15 30×18 |
1,5 2,5 |
2 2 |
|
Тяжелая атлетика |
18×9 |
2 |
2 |
5.1.1 Развернутый состав помещений вспомогательного назначения в учебно-тренировочных сооружениях включает следующие группы: вестибюль с гардеробом, блоки раздевальных, душевых и санузлов для занимающихся, инвентарные, тренерские и административные помещения. Очень важны для функционирования такие помещения, как медицинские пункты, методические кабинеты, бытовые для персонала. Получили распространение реабилитационные помещения, комнаты отдыха, мастерские, пункты проката.
Примечание - Состав и уровень комфорта вспомогательных помещений физкультурно-оздоровительных занятий может быть выше по сравнению с чисто спортивными занятиями за счет дополнительных помещений для отдыха, консультаций и восстановительных процедур.
5.1.2 Состав и расчетная площадь вспомогательных помещений для занимающихся в спортивных залах указаны в таблице 5.1.
Таблица 5.1
|
Расчетная площадь, м2 |
Примечания |
|
|
Вестибюль: |
Допускается устройство общего вестибюля для занимающихся и зрителей. При этом расчетные площади вестибюлей не суммируются, а принимается одна - наибольшая из полученных по расчету |
|
|
для занимающихся |
0,5 на одного занимающегося, но не менее 20 |
|
|
для зрителей |
0,25 на одно зрительское место |
|
|
Гардеробная верхней одежды (площадь за барьером): |
0,1 на одно место, но не менее 10 (в сооружениях для физкультурно-оздоровительных занятий - не менее 6) |
|
|
Расчетное число мест: |
||
|
для занимающихся |
на 200 % занимающихся в смену |
В демонстрационных сооружениях устраивается, как правило, отдельно от гардеробной для зрителей |
|
и сотрудников |
на 100 % сотрудников |
|
|
для зрителей |
на 100 % зрительских мест |
|
|
Фойе для зрителей |
0,35 на одно зрительское место |
При устройстве входов на зрительские места с отметки вестибюля фойе совмещается с ним, а площадь помещения принимается по наибольшей расчетной величине |
|
Кассы: |
2,5 на одну кабину Расчетное число кабин - одна на 1500 зрительских мест |
|
|
кассовые кабины |
6,0 |
|
|
помещение заведующего билетным хозяйством (администратора) |
||
|
кассовый вестибюль |
15 на каждую кабину |
Предусматривается при двух и более кассовых кабинах |
|
Места для переодевания в раздевальных для занимающихся (скамьи, проходы, а также кабины для переодевания инвалидов с ПОДА): |
1,0 - на одно место при числе мест в одном помещении св. 50 1,2 - при числе мест от 30 до 50 1,3 - при числе мест менее 30 1,7 - на одно место для инвалидов, не использующих кресла-коляски 2,1 - на одно место для инвалидов, использующих кресла-коляски 1,5 - 2,0 - на одну кабину для переодевания инвалидов, не пользующихся креслами-колясками 4,0 - 5,0 - на одну кабину для переодевания инвалидов, использующих кресла-коляски 6,0 - 8,0 - на одну «семейную» раздевальную для инвалидов с сопровождением |
При местах для переодевания инвалидов следует предусматривать зоны размещения кресел-колясок из расчета 0,8 м2 на одно кресло |
|
в общих мужских и общих женских раздевальных |
Расчетное число мест. на 100 % занимающихся в смену |
Численность, временной режим занятий и соответственно количество и размеры мест (включая кабины) для переодевания инвалидов определяются при проектировании конкретного объекта по согласованию с заказчиком |
|
в командных (командно-групповых) раздевальных |
1,5 - на одно место для инвалидов. Расчетное число мест в каждой раздевальной для занимающихся спортивными играми (кроме хоккея) - 16 |
То же. При проектировании конкретного объекта по согласованию с заказчиком допускается увеличение площади командных раздевальных для размещения сопровождающих команду (группу): тренера (инструктора), врача (массажиста), администратора (руководителя) команды (группы) из расчета 1,3 м2 на одного сопровождающего |
|
Шкафы для хранения домашней (повседневной) одежды занимающихся: |
Ориентировочно до 0,2 на один шкаф: двухместный (двухъярусный или двухсекционный) или одноместный (одноярусный) Расчетное число мест для хранения одежды: |
Вблизи мест для хранения одежды должны предусматриваться для инвалидов с ПОДА индивидуальные шкафы для хранения костылей и протезов |
|
в помещениях общих раздевальных |
мест для переодевания - на 150 % занимающихся в смену |
Шкафы должны размещаться в блоке с местами (скамьями) для переодевания. При количестве шкафов, превышающем число мест для переодевания, площадь на каждый шкаф, устанавливаемый не в блоке со скамьями, принимается 0,5 м2 |
|
в помещениях командных (командно-групповых) раздевальных |
мест для переодевания - на 100 % занимающихся в смену |
То же. Допускается также предусматривать хранение одежды открытым способом (на крючках); в этом случае площадь для шкафов не выделяется |
|
в отдельном помещении гардеробной |
0,5 на один двухъярусный открытый шкаф (размером в плане 0,6×0,3 м) Расчетное число двухъярусных шкафов - на 100 % занимающихся в смену |
|
|
Помещения для отдыха занимающихся |
1,5 на одно место, но не менее 18 Расчетное число мест: для не инвалидов на 20 % численности одной смены для инвалидов, пользующихся креслами-колясками, из расчета не менее 0,4 м2 на каждого из единовременно занимающихся |
При проектировании принимается наибольшая из полученных по расчету площадей |
|
Помещения для медицинского обслуживания: |
||
|
кабинет врача |
14,0 (при обслуживании инвалидов на креслах-колясках - не менее 16,0) |
Расширенный состав помещений медико-восстановительного назначения при проектировании конкретного объекта принимается по согласованию с заказчиком |
|
ожидальная комната |
не менее 9,0 |
|
|
медицинской сестры (процедурная) |
12,0 (при обслуживании инвалидов на креслах-колясках - не менее 16,0) |
|
|
Блок массажной и бани сухого жара (сауны): |
Необходимость наличия блока определяется заказчиком проекта |
|
|
помещение массажной |
12 при одном столе; при двух и более столах - по 8,0 на каждый стол При обслуживании инвалидов на креслах-колясках - по 16,0 на каждый стол |
|
|
камера сухого жара |
2 на одно место (не считая шлюза при входе), но не более 10 мест При обслуживании инвалидов на креслах-колясках - не менее 12,0, а также тамбур-шлюз с душевой и местом для отдыха не менее 7,0 |
|
|
комната отдыха при бане |
2,0 на одно место в камере, но не менее 12,0 При обслуживании инвалидов на креслах-колясках - не менее 20,0 |
|
|
Примечания 1. Для хранения оборудования, необходимого при трансформации мест соревнований в крытых сооружениях (помосты под ринги, борцовские ковры, гимнастические снаряды, настилы для спортивных игр), а также переносных трибун или иных съемных мест для зрителей предусматриваются складские помещения, площадь которых определяется в зависимости от количества и габаритов оборудования и принятых способов хранения 2. Состав и габаритные характеристики не приведенных в таблице 5.1 помещений зданий со спортивными залами рекомендуется принимать по BCH 46-86/ Госгражданстрой; МГСН 4.08-97 и Пособию к данному документу. |
||
5.1.3 Вспомогательные помещения при спортзалах, где занимаются инвалиды, должны иметь дополнительные планировочные зоны, увеличенные габариты санитарно-гигиенических элементов (душевая, уборная и т.д.) специальную мебель и оборудование, дополни тельные информационные устройства (таблица 5.2).
Таблица 5.2 - Специальные планировочные требования к вспомогательным помещениям для разных категорий инвалидов
|
Категория инвалидности* |
Дополнительная площадь |
Архитектурные, конструктивные и технические мероприятия |
|||||
|
Увеличение габаритов |
Специальная мебель и оборудование |
Информация и ориентация |
|||||
|
Визуальная |
Тактильная |
Звуковая |
|||||
|
Раздевальные |
А |
+ |
+ |
+ |
+ |
||
|
Б |
+ |
+ |
+ |
||||
|
В |
+ |
+ |
|||||
|
Г |
+ |
||||||
|
Душевые и уборные |
А |
+ |
+ |
+ |
+ |
||
|
Б |
+ |
+ |
|||||
|
В |
+ |
+ |
|||||
|
Г |
+ |
||||||
|
Помещения для медицинского обслуживания и реабилитации |
А |
+ |
+ |
+ |
|||
|
Б |
+ |
||||||
|
В |
+ |
+ |
|||||
|
Г |
+ |
||||||
|
Общественные зоны |
А |
+ |
+ |
+ |
|||
|
Б |
+ |
||||||
|
В |
+ |
+ |
|||||
|
Г |
+ |
||||||
|
Зоны для зрителей |
А |
+ |
+ |
+ |
+ |
||
|
Б |
+ |
||||||
|
В |
+ |
+ |
|||||
|
Г |
+ |
||||||
|
* Категории инвалидности: А - инвалиды с поражением опорно-двигательного аппарата (использующие кресла-коляски); Б - инвалиды с поражением опорно-двигательного аппарата (без кресел-колясок); В - инвалиды с недостатками зрения; Г - инвалиды с дефектами слуха. |
|||||||
5.2.1 Для определения площади вестибюля в спортивном корпусе с одним залом расчетные площади вестибюля для занимающихся и зрителей не суммируются, а принимается одна, наибольшая из полученных по расчету.
В спортивном корпусе с двумя и более залами, из которых места для зрителей предусматриваются только в одном, площадь общего вестибюля определяется сложением площади, рассчитанной исходя из общего числа занимающихся в смену во всех залах с площадью вестибюля для зрителей; в спортивных корпусах с местами для зрителей в нескольких залах в расчет площади вестибюля для зрителей принимается зал с наибольшим числом зрительских мест.
Примечание - В тех случаях, когда в зале имеются стационарные места (трибуны) и временные (партер), то расчетное число зрителей в этом случае определяется в соответствии со схемами трансформации зала и зрительских мест.
5.2.2 Минимальная площадь вестибюля и гардеробной верхней одежды для занимающихся в физкультурно-оздоровительных залах определяется по таблице 5.1 при условии, что площадь вестибюля принимается не менее 12 м2, а площадь за барьером гардеробной не менее 6 м2.
5.2.3 Гардеробная обычно объединяется с вестибюлем. В тех случаях, когда она размещается в отдельном помещении, перед барьером гардеробной (вдоль него) предусматривается свободная полоса из расчета 0,03 м2 на одно место в гардеробной, но ширина полосы не должна быть меньше 1 м. Глубина гардеробной за барьером предусматривается не более 6 м.
Верхняя одежда сотрудников хранится, как правило, у рабочего места и в расчете гардеробной для занимающихся (или зрителей) не учитывается.
5.2.4 В круглогодично действующем сооружении, предназначенном для учебно-тренировочных занятий с детьми до 10-летнего возраста, предусматриваются площадь ожидания для родителей, сопровождающих детей, из расчета 0,5 м2 на 1 место, размещаемая, как правило, объединенной с площадью вестибюля для занимающихся, а также места в гардеробной верхней одежды. Число мест следует принимать на 50 % пропускной способности.
Площадь для ожидания родителей и места в гардеробной для их верхней одежды не предусматриваются при наличии мест для зрителей в зале, так как для ожидания и хранения одежды родителей используются вестибюль и гардеробная для зрителей.
5.2.5 Во всех сооружениях, где имеются места для зрителей, предусматривается фойе, площадь которого определяется из расчета 0,35 м2 на зрительское место; при этом принимаемое в расчет число зрительских мест должно учитывать схемы трансформации арены и зрительских мест.
В тех случаях, когда все входы на зрительские места находятся на той же отметке, что и вестибюль для зрителей, фойе совмещается с вестибюлем; при этом расчётные площади вестибюля и фойе не суммируются, а принимается одна, наибольшая из полученных по расчету.
5.2.6 В зданиях спортивных залов, а также в других сооружениях, где предусмотрено проведение платных мероприятий, для продажи билетов предусматриваются кассы.
Количество кассовых кабин определяется из расчета: 1 кабина при числе зрительских мест или посетителей платного мероприятия до 1500 человек, 2 кабины - от 1500 до 5000 человек, 3 кабины - от 5000 до 10000 человек.
При двух и более кабинах целесообразно устраивать кассовый вестибюль, площадь которого определяется из расчета 15 м2 на каждую кабину. Кассовый вестибюль должен иметь самостоятельный наружный вход и по возможности сообщаться с вестибюлем для зрителей.
Кассовый вестибюль должен сообщаться через окно с помещением заведующего билетными кассами (администратора), площадь которого 6 - 8 м2.
5.3.1 Раздевальные для занимающихся следует предусматривать отдельно для мужчин и женщин с хранением домашней одежды в шкафах, размещаемых непосредственно в помещении раздевальной или в отдельном помещении общей гардеробной, располагаемой смежно с мужской и женской раздевальными, и сообщаются с ними через проемы для приема и выдачи домашней одежды.
В сооружениях, предназначенных для соревнований по командным видам спортивных игр (в том числе в универсальных сооружениях), следует предусматривать не менее четырех командных раздевальных без деления на мужские и женские. При предназначении сооружения также для учебно-тренировочных занятий и (или) соревнований по другим видам спорта площади командных раздевальных должны входить в расчет общей площади раздевальных сооружений.
Примечания
1. При количестве раздевальных более двух и хранении домашней одежды в общей гардеробной допускается размещение последней не смежно с раздевальными, а на пути из раздевальной в зал (на площадку, поле).
2. На сооружениях с пропускной способностью до 80 чел. в смену и расположением раздевальных на одном этаже с гардеробной верхней одежды последнюю допускается располагать смежно с гардеробной домашней одежды и сообщающейся с нею через дверной проем.
5.3.2 Раздевальные для занимающихся могут предназначаться только для переодевания или для переодевания и хранения домашней одежды.
Места для переодевания оборудуются, как правило, скамьями из расчета не менее 0,6 м длины скамьи на одно место, а для хранения домашней одежды предусматриваются закрытые двухъярусные шкафы размером в плане 0,6×0,3 м, устанавливаемые, как правило, в блоке с местами (скамьями) для переодевания (т.е. с общим проходом к ним). В этом случае площадь на каждый шкаф принимается 0,18 м2. В тех случаях, когда число шкафов превышает число мест для переодевания, «избыточные» шкафы устанавливаются отдельно и площадь на каждый шкаф (с учетом проходов к нему) принимается 0,5 м2.
Соотношение числа мест для переодевания в мужских и женских раздевальных принимается, как правило, 1:1. При этом число шкафов для хранения домашней одежды в каждой из раздевальных принимается (в соответствии с опытом эксплуатации) на 150 % мест для переодевания.
5.3.3 При хранении домашней одежды в отдельном помещении гардеробной домашней одежды оно оборудуется открытыми двухъярусными шкафами такого же размера, что и крытые. Число шкафов принимается на 100 % занимающихся в смену, а площадь на каждый шкаф - 0,5 м2 (с учетом подходов к нему).
Хранение домашней одежды в отдельном помещении гардеробной дает экономию площади, но требует наличия гардеробщика. Помещение гардеробной рекомендуется размещать смежно с мужской и женской раздевальными, сообщающимися с ними через окно приема и выдачи одежды. При числе раздевальных более двух гардеробная может располагаться не смежно с раздевальными, а на пути движения занимающихся к залу (рисунок 5.1).
5.3.4 В раздевальных, где могут быть дети до 10 лет, рекомендуется хранение их домашней одежды только в помещении раздевальной в одноярусных закрытых шкафах размером 0,6×0,3 м в плане, число которых принимается на 300 % мест для переодевания.
5.3.5 В тех случаях, когда зал предназначается для вида (видов) спорта, которым занимаются как мужчины, так и женщины, раздевальных для занимающихся при этом зале должно быть не менее двух (мужская и женская). Если же зал предназначается для вида спорта, которым занимаются только женщины (например, художественная гимнастика) или только мужчины (например, бокс), то раздевальная предусматривается одна (мужская или женская), при этом число мест для переодевания и число двухъярусных закрытых шкафов в ней принимаются на 100 % занимающихся в смену.
5.3.6 Для удобства подсчета площади раздевальных во всех случаях рекомендуется пользоваться таблицей 5.3. В ней приведены удельные показатели площади, при этом учтены необходимое число шкафов (или их отсутствие), скамей для переодевания с необходимым числом мест, проходов надлежащей ширины, а также размещение в раздевальной мойки для ног и умывальника.
При одной и той же пропускной способности физкультурно-спортивного зала число занимающихся, одновременно пользующихся раздевальной, зависит от принятого в проекте числа помещений раздевальных. Следует иметь в виду, что уменьшение мест в каждой раздевальной повышает комфорт, но ведет к увеличению суммарной площади всех раздевальных.
5.3.7 Места для переодевания инвалидов с поражением опорно-двигательного аппарата могут быть запроектированы:
в общих раздевальных, обслуживающих как инвалидов, так и всех других занимающихся;
в общих раздевальных с устройством индивидуальных кабин для переодевания;
в «семейных» раздевальных для инвалидов с сопровождающим.
Соотношение числа мест для переодевания инвалидов-опорников в различных типах раздевальных определяется заданием на проектирование. Суммарная численность мест должна соответствовать единовременной пропускной способности сооружения (группы сооружений), используемого инвалидами.
Площади раздевальных для переодевания инвалидов рекомендуется принимать по расчету в соответствии с таблицей 5.4.
Таблица 5.3
|
Удельная площадь помещений, м2, при числе одновременно пользующихся данной раздевальной |
||||
|
20 и менее |
20 - 30 |
30 - 50 |
Свыше 50 |
|
|
Занимающиеся одного пола: |
||||
|
дети до 10 лет |
2,3 |
2,0 |
- |
- |
|
дети старше 10 лет и взрослые |
1,9 (1,7) |
1,6 (1,4) |
1,5 (1,3) |
1,3 (1,1) |
|
Занимающиеся обоих полов: |
|
|
|
|
|
дети до 10 лет |
2,8 |
2,6 |
- |
- |
|
дети старше 10 лет и взрослые |
2,1 (1,7) |
1,8 (1,4) |
1,7 (1,3) |
1,5 (1,1) |
|
Примечание - В скобках приведен показатель удельной площади раздевальной при хранении домашней одежды в отдельном помещении гардеробной. |
||||
Таблица 5.4
|
Удельная площадь для занимающихся, м2/чел. |
Примечания |
||
|
не использующих кресла-коляски |
использующих кресла-коляски |
||
|
Традиционный принцип хранения: |
В скобках указан показатель площади для раздевальных с хранением одежды на открытых крючках или в отдельном помещении гардеробной |
||
|
с числом мест до 40 |
2,1 (1,7) |
3,8 (2,1) |
|
|
то же, 40 мест и более |
1,7 (1,1) |
3,3 (1,6) |
|
|
для детей до 10 лет |
2,9 |
3,8 |
|
|
«Семейные» раздевальные в блоке с душевой и санузлом (для инвалидов с сопровождающими) |
- |
14 (площадь каждого блока) |
Количество блоков: 2 (при пропускной способности сооружения от 15 до 35 чел.); 4 (при пропускной способности сооружения св. 35 чел.) |
|
Индивидуальные кабинки для переодевания |
2 (каждая кабинка) |
4 (каждая кабинка) |
Количество кабинок до 30 % численности занимающихся |
|
Помещения охраняемых гардеробов для домашней одежды занимающихся |
0,5 |
0,5 |
На одного занимающегося |
5.3.8 При расстановке скамей для переодевания и шкафов для хранения домашней одежды в раздевальных, гардеробных и душевых принимаются следующие минимальные размеры ширины проходов по таблице 5.5 и рисункам 5.2 - 5.5.
Таблица 5.5
|
Размер, м |
|
|
В раздевальных: |
|
|
между рядами скамей при сидении лицом друг к другу |
Не менее 1,5 |
|
между рядом скамей и параллельной ему стеной или стоящим напротив рядом шкафов |
Не менее 1,1 |
|
между рядами шкафов или рядом шкафов и стеной |
Не менее 0,6 |
|
перед фронтом отдельно стоящих шкафов |
Не менее 0,5 |
|
перед фронтом оконных проемов в наружной стене гардеробной домашней одежды |
Не менее 0,7 |
|
боковые проходы |
Не менее 0,5 |
|
главные проходы |
Не менее 1 |
|
Свободная зона перед фронтом проемов в гардеробную домашней одежды |
Из расчета 0,07 м2 на 1 место для переодевания при ширине не менее 0,7 м (не считая ширины прохода) |
|
В гардеробной домашней одежды - между рядами шкафов и перед фронтом проемов в раздевальные |
Не менее 0,7 |
5.3.9 При использовании общих раздевальных инвалидами необходимо учитывать, что проходы между скамьями для переодевания и шкафчиками для хранения одежды должны быть рассчитаны на свободный проезд инвалидной коляски (см. рисунок 5.7).
Скамьи в общих раздевальных должны располагаться на расстоянии не менее 1,8 м друг от друга. В раздевальных необходимо устройство подиума или островной скамьи длиной 3 м, шириной 0,5 - 0,9 м и высотой 0,5 м для обеспечения возможности раздеваться лежа. В отдельных случаях допускается устройство расширенной скамьи шириной не менее 0,6 м вдоль одной из стен раздевальной.
5.3.10 Шкафчики для хранения одежды должны быть в пределах досягаемости инвалидами разного возраста - от 0,3 до 1,1 м от пола.
Хранение домашней одежды в помещении раздевальной следует предусматривать в закрытых одноярусных шкафах высотой до 1,3 м. В помещениях раздевальных, используемых одной командой, и для детей допускается хранение домашней одежды открытым способом, на крючках.
5.3.11 Индивидуальные кабины для переодевания следует предусматривать как стандартных размеров 1,2×1,2 м, оборудуя их горизонтальными поручнями и скамьей для переодевания, так и увеличенных размеров 2×2 м для инвалидов, использующих кресла-коляски.
В помещениях общих раздевальных могут выделяться зоны для переодевания инвалидов, визуально отделяемые от всего помещения мебелью и оборудованием.
5.3.12 Исходя из гигиенических соображений пути движения занимающихся из раздевальных в зал не должны пересекаться с путями движения зрителей.
Раздевальные должны непосредственно размещаться при спортивном зале или по коридору (по лестнице), предназначенному только для сообщения с залом.
5.4.1 Размещение и количество санитарных приборов во вспомогательных помещениях следует принимать для спортивных залов по таблице 5.6.
Таблица 5.6
|
Количество санитарных приборов |
Примечания, дополнительные данные |
|
|
Душевые (женские и мужские) при: |
См. общие примечания к данной таблице |
|
|
раздевальных для занимающихся |
Одна сетка на 5 мест для переодевания |
|
|
комнатах для инструкторского и тренерского состава и бытовых помещениях для рабочих |
Одна сетка на 15 единовременно работающих мужчин и на 12 единовременно работающих женщин, но не менее одной сетки при каждом помещении |
|
|
раздевальных массажных и бань сухого жара |
Одна сетка на 2 места в бане и 2 стола в массажной, но не менее двух сеток при бане и одной сетки при массажной |
При бане допускается устройство контрастной ванны площадью не менее 4 м2 |
|
Санитарные узлы (с умывальником в шлюзах): |
См. общие примечания к данной таблице |
|
|
при раздевальных для занимающихся |
Один унитаз на 30 мест для переодевания в женской раздевальной Один унитаз на 135 и один писсуар на 45 мест для переодевания в мужской раздевальной |
Независимо от вместимости раздевальной при ней предусматривается не менее одного унитаза |
|
для сотрудников и тренерского состава |
Один унитаз на 15 единовременно работающих женщин Один унитаз на 60 и один писсуар на 20 единовременно работающих мужчин |
При численности единовременно работающих мужчин и женщин менее 20 чел. предусматривается общий санитарный узел на один унитаз |
|
для зрителей |
Один унитаз на 40 женщин Один унитаз на 330 и один писсуар на 66 мужчин |
В каждом помещении санитарного узла должно быть, как правило, не более 40 приборов (унитазов, писсуаров); вход и выход должны быть рассредоточены и не допускать противопотока посетителей |
|
Умывальные при санитарных узлах для зрителей |
Один умывальник на 4 унитаза - для женщин Один умывальник на 8 приборов (унитазы, писсуары) - для мужчин |
|
|
Умывальники: |
||
|
в раздевальных для занимающихся |
Один умывальник на 30 мест для переодевания, но не менее одного в каждой раздевальной |
|
|
в комнатах инструкторского и тренерского состава, помещениях для рабочих, для медицинского обслуживания (кроме ожидальной), массажной |
По одному умывальнику на каждое помещение |
|
|
Сушилки для волос в раздевальных для занимающихся |
Один прибор на 10 мест для переодевания в женской раздевальной Один прибор на 20 мест для переодевания в мужской раздевальной |
В командных раздевальных не менее 2 приборов в каждой |
|
Ножные ванны (мойки для ног) в раздевальных для занимающихся |
Одна ванна на 20 мест для переодевания, но не менее одной ванны в каждой раздевальной |
Площадь на одну ванну 1,0×0,85 м |
|
Мойки в помещениях для уборочного инвентаря |
Одна на помещение |
|
|
Примечания 1. Для инвалидов на креслах-колясках следует предусматривать отдельные санитарно-гигиенические кабины площадью 4 - 5,5 м2, оборудованные унитазами, душевыми сетками и умывальниками (см. рисунок 5.6). 2. Численное соотношение работающих мужчин и женщин принимается, как правило, 1:1. Соотношение мужчин и женщин на зрительских местах принимается в пределах 7:3 - 6:4. 3. При душевых с числом сеток более четырех предусматриваются преддушевые (шлюзы для переодевания), которые оборудуются скамьями, вешалками с крючками для полотенец и полочками для туалетных принадлежностей. 4. При числе единовременно работающих менее 5 душевые при комнатах для инструкторского и тренерского состава и бытовых помещениях могут не предусматриваться. 5. Число умывальников в шлюзах определяется исходя из расчета один умывальник на каждые 5 приборов (унитазов и писсуаров), но не менее одного умывальника при каждом санитарном узле. 6. Умывальники в раздевальных для занимающихся допускается размещать в шлюзах при уборных. 7. Сушилки для волос допускается размещать в отдельном помещении, смежном с раздевальной. |
||
5.4.2 Размеры кабин уборных и душевых, размеры проходов в них и в умывальных, а также расстояние между приборами приведены в таблице 5.7 и на рисунке 5.6.
Таблица 5.7
|
Уборные |
Умывальные |
Душевые |
|
|
Размеры кабин в плане (не менее), м, при дверях: |
|||
|
открывающихся наружу |
0,85×1,2 |
- |
0,85×1,8** |
|
открывающихся внутрь |
0,85×1,5* |
- |
- |
|
открытых (без дверей) |
- |
- |
0,85×1 |
|
Высота разделительных экранов (от пола), м |
1,8 |
- |
1,8 |
|
Расстояние от пола до низа экрана, м |
0,2 |
- |
0,2 |
|
Расстояние между приборами (в осях), м: |
|||
|
умывальниками |
- |
0,65 |
- |
|
писсуарами |
0,7 |
- |
- |
|
Ширина проходов (не менее), м: |
|||
|
между рядами кабин: |
|||
|
не более 6 в ряду |
1,5 |
- |
1,5 |
|
св. 6 в ряду |
2 |
- |
1,5 |
|
между стеной (перегородкой) и рядом кабин |
1,3 |
1,1 |
1 - при числе в ряду до 6 1,5 - при 7 и более приборах |
|
между фронтами противоположных рядов |
|||
|
душевых кабин |
- |
- |
1,5 |
|
между рядами умывальников |
- |
1,6 |
- |
|
между рядами писсуаров: |
|||
|
не более 6 в ряду |
1,5 |
- |
- |
|
св. 6 в ряду |
2 |
- |
- |
|
между кабинами и рядом писсуаров |
2 |
- |
- |
|
* Принимается только для уборных, состоящих из одной кабины и шлюза. ** Включая преддушевую при закрытых кабинах. |
|||
5.4.3 Количество душевых кабин, оборудованных для инвалидов, пользующихся креслами-колясками, следует принимать из расчета не менее одной сетки на трех инвалидов; число санитарных приборов - в соответствии с расчетными показателями, приводимыми в справочных пособиях к СНиП 2.08.02.
Душевая кабина оборудуется горизонтальными (на высоте 0,6 и 0,9 м) и вертикальными опорными поручнями (низ на высоте 0,75 м), а также скамьей глубиной 0,5 м и шириной не менее 0,5 м, размещенной на высоте 0,5 м. Желательно устройство откидной скамьи. Краны в душевых должны располагаться на высоте не более 1,3 м.
Специально оборудованные для инвалидов душевые кабины размещаются в блоке с душевыми стандартных размеров для обычных спортсменов и должны выделяться специальной маркировкой.
5.4.5 При помещениях «семейных» раздевальных предусматриваются самостоятельные душевая и санузел.
Душевые в общих раздевальных должны быть рассчитаны на возможность использования инвалидами на колясках. Расстояние от стены до ряда кабин должно быть не менее 1,5 м. Отдельные душевые кабины для инвалидов в пределах общего помещения должны иметь размер 0,9×1,2 м.
5.4.6 В спортивных сооружениях в многоместной уборной должна быть предусмотрена кабина достаточного размера для пользователя инвалидным креслом или по крайне мере оснащенная опорным поручнем по всему периметру. Опорные поручни устанавливаются с учетом разновозрастных пользователей на высоте 500 - 650 - 900 мм от пола.
В туалетах, рассчитанных на детей-инвалидов, необходимо устанавливать унитазы разной высоты и размеров: от детских (высотой 250 - 340 мм) до взрослых (высотой 450 - 500 мм).
Раковины для мытья рук также полезно устанавливать на разной высоте для удобства пользователей разной степени инвалидности и возраста - от 650 до 900 мм.
5.5.1 Площадь инструкторских определяется заданием на проектирование по таблице 5.6 или проектом с учетом расчетных показателей, приводимых в справочном пособии к СНиП 2.08.02 «Проектирование спортивных залов, помещений для физкультурно-оздоровительных занятий и крытых катков».
При числе инструкторов (тренеров) менее трех отдельные комнаты для них не предусматриваются, а соответствующие площади выделяются в одном из служебных помещений. В этих же случаях душевые для инструкторов (тренеров) не предусматриваются.
Комнаты инструкторов (тренеров) рекомендуется предусматривать общими (для мужчин и женщин) с размещением в них кабины для переодевания площадью 1 м2. Площадь комнат определяется из расчета 2,5 м2 на одно место, но не менее 9 м2 каждая. Число одновременно работающих тренеров определяется из расчета 1 чел. на каждое помещение для занятий.
При числе единовременно работающих инструкторов (тренеров) и сотрудников не более 20 чел. рекомендуется предусматривать общий (для мужчин и женщин) санитарный узел на один унитаз и один умывальник.
5.5.2 При спортивных залах предусматриваются следующие помещения для медицинского обслуживания и оказания первой медицинской помощи занимающимся:
кабинет врача площадью 14 - 16 м2;
ожидальная площадью 9 м2.
Ожидальная может размещаться в расширенной части коридора. На спортивных комплексах, состоящих из нескольких спортивных корпусов, кабинет врача с ожидальной предусматриваются только в одном здании, а в остальных предусматриваются комнаты для оказания первой медицинской помощи площадью 9 м2 каждая.
5.5.3 В отдельных случаях при соответствующем обосновании заданием на проектирование в составе помещений для медицинского обслуживания могут предусматриваться медико-восстановительные центры. Рекомендуемые состав и площади помещений медико-восстановительного центра принимать по приложению Ж.
При проектировании указанных помещений следует руководствоваться требованиями, предъявляемыми к аналогичным помещениям лечебно-профилактических учреждений.
Наличие помещений медико-восстановительного центра позволяет использовать их населением на основе платных услуг, в связи с чем при объемно-планировочном решении сооружения целесообразно учитывать возможность автономного использования помещений центра населением при удобной связи с остальными основными и вспомогательными помещениями.
5.5.4 Помещения медико-восстановительного центра располагаются обособленной группой, удаленной от помещений вентиляционных камер, насосных и других возможных источников вибрации и шума. При расположении медико-восстановительного центра в отдельном здании в составе помещений центра, кроме приведенных в таблице приложения Ж, предусматриваются вестибюль площадью 15 - 20 м2 и гардеробная верхней одежды площадью 10 м2.
На спортивных комплексах, состоящих из нескольких спортивных корпусов, помещения медико-восстановительного центра предусматриваются в одном из спортивных корпусов (взамен кабинета врача и ожидальной).
В составе медико-восстановительного центра могут предусматриваться помещения массажной и бани сухого жара.
5.5.5 В состав помещений массажной следует включать:
массажную площадью 12 м2 при одном столе, при двух и более столах площадь принимается из расчета 8 м2 на каждый стол;
раздевальную из расчета 1,5 м2 на каждый стол, но не менее 5 м2;
душевую (см. таблицу 5.6).
При расположении массажной при раздевальных для занимающихся отдельные раздевальные и душевые при массажной не предусматриваются.
5.5.6 В состав помещений бани сухого жара входят:
камера сухого жара, площадь которой определяется из расчета 2 м2 на одно место (не считая шлюза при входе в камеру, препятствующего проникновению в нее влаги). Рекомендуется предусматривать вместимость камер в пределах 7 - 8 человек (но не более 10); при необходимости иметь большее число мест предусматривается соответственно 2 камеры или более;
раздевальная из расчета 1,5 м2 на одно место в камере, но не менее 12 м2;
душевая (см. таблицу 5.6).
При проектировании саун следует учитывать требования п. 1.81* СНиП 2.08.02, п. 6.3.9 СНиП 31-05 и СП 31-113.
5.5.7 Массажная и баня сухого жара могут предусматриваться в зданиях спортивных залов в случаях, когда на сооружении не предусматривается медико-восстановительный центр. Необходимость их устройства, а также число массажных столов и мест в камере сухого жара, зависящие в основном от спортивной квалификации занимающихся, определяются заданием на проектирование.
При размещении бани сухого жара вне состава медико-восстановительного центра в ней рекомендуется дополнительно предусматривать:
комнату отдыха из расчета 2 м2 на одно место в камере, но не менее 12 м2. Комнату рекомендуется оборудовать мягкими креслами или шезлонгами;
контрастную ванну с зеркалом, как правило, размером 2×2 м, размещаемую в отдельном помещении. Обходные дорожки вокруг ванны рекомендуется принимать шириной до 2 м. Необходимость устройства ванны определяется заданием на проектирование.
При размещении бани сухого жара в блоке с массажной раздевальные при них (с душевыми) устраиваются раздельными с самостоятельными входами в них, что создает возможность их автономного использования.
5.5.8 В саунах между входной дверью и полками в парильной необходимо свободное пространство для въезда и поворота коляски - круга диаметром не менее 1,4 м. Размер двери в парильную - не менее 0,8 м в ширину. Рекомендуется устройство на этой двери наклонной длинной ручки по диагонали.
Каменка должна быть защищена решеткой. Полки в парильной должны быть снабжены опорными поручнями.
Рядом с парильной желательно предусматривать скамью для отдыха в душевой.
5.5.9 При пропускной способности залов менее 48 человек занимающихся в смену (или при числе зрительских мест менее 500) буфеты не предусматриваются. При пропускной способности менее 48 занимающихся в смену в помещениях для отдыха или вестибюлях могут устанавливаться автоматы для продажи напитков.
Число мест в буфетах рекомендуется принимать: для занимающихся из расчета 1 посадочное место на 6 человек суммарной пропускной способности в смену; для зрителей из расчета 3 % числа зрительских мест.
5.5.10 Площади буфетов (с раздаточной) для занимающихся принимаются из расчета 3,4 м2 на каждое посадочное место при их числе до 8 и по 1,25 м2 на каждое посадочное место сверх 8 и до 30. При общем числе мест в зале свыше 30 - не менее чем по 1,8 м2 на каждое место. (Площади залов буфетов для зрителей принимаются не менее 1,4 м2 на каждое место без учета раздаточной).
Площади подсобных помещений буфетов определяются применительно к требованиям по проектированию учреждений общественного питания.
5.5.11 В зданиях спортивных корпусов предусматриваются бытовые помещения для рабочих и служебные помещения административного и инженерно-технического персонала.
5.5.12 Состав технических и хозяйственных помещений определяется в зависимости от инженерного оснащения сооружений, а их площади принимаются по расчету в соответствии с действующими нормами и штатным расписанием.
Состав помещений кладовых и складов для хранения спортивного оборудования и инвентаря и других складских помещений, мастерских (художников, столярной, слесарной, ремонта электро- и радиоаппаратуры, спортивного оборудования и инвентаря) и иных производственных и складских помещений принимается в зависимости от количества, габаритов и способов складирования.
Для персонала, работающего в этих помещениях, должны предусматриваться санитарно-бытовые помещения в соответствии со СНиП 2.09.04.
6.1.1 Несущие и ограждающие конструкции залов рассчитываются с учетом нагрузок от прикрепляемого к ним стационарного или съемного спортивного оборудования, исходя из его массы. При расчете нагрузки от прикрепляемых к потолку или стенам каната для лазания, колец и гимнастических стенок следует кроме массы самого оборудования учитывать также нагрузку от массы занимающегося, принимаемой равной 100 кг, и исходить из динамического характера этой нагрузки.
Предел огнестойкости применяемых строительных конструкций должен соответствовать установленной степени огнестойкости здания (таблица 4* СНиП 21-01), одновременно следует учитывать положения п. 1.40 - 1.45 СНиП 2.08.02.
6.1.2 Стены спортивных залов должны отвечать следующим функциональным требованиям:
- крепежные детали для оборудования, регуляторов и т.д. должны закладываться заподлицо с поверхностью стен или заглубляться;
- электрические выключатели, регуляторы осветительной арматуры должны располагаться на высоте 1,2 м, доступной для инвалидов;
- стены из лицевого кирпича должны выполняться с затиркой швов заподлицо.
6.1.3 Оборудование крепят:
к полу - с помощью закладных деталей, устанавливаемых в полу, заподлицо с его поверхностью; при применении синтетических покрытий, не позволяющих крепить к ним закладные детали, необходимо их установку и надежное крепление предусматривать в конструкции пола, заподлицо с поверхностью синтетического покрытия;
к потолку и стенам - с помощью закладных деталей или дополнительных конструктивных элементов.
Канаты для лазания должны подвешиваться на консоли, закрепляемой в стене, на монорельсе или иным способом, допускающим отведение каната к стене, когда он не используется. На планах расстановки оборудования показано только рабочее местоположение канатов в плане без указания типа крепления их к ограждающим конструкциям зала.
Одно- или двухпролетные гимнастические стенки крепят входящими в комплект снаряда металлическими угольниками: в нижней части стенки - к полу зала, в верхней - к доске (110×30 мм), которая прикрепляется по месту к стене зала.
6.1.4 Встраиваемое или прикрепляемое к ограждающим конструкциям спортивное оборудование крепится с помощью закладных деталей, входящих, как правило, в комплект оборудования. Если ограждающие конструкции не позволяют устанавливать в них закладные детали, необходимо в каждом отдельном случае разрабатывать в проекте дополнительные (переходные) конструктивные элементы.
Закладные детали для крепления оборудования, врезаемые в полы залов, следует устанавливать заподлицо с поверхностью пола.
6.1.5 По периметру спортивного зала на высоте от пола 0,9 м (для взрослых) и 0,7 м (для детей) в залах для занятий слепых и слабовидящих спортсменов устраивается поручень для ориентации при ходьбе и беге.
6.1.6 Поверхность пола в залах должна быть горизонтальной, гладкой и нескользкой, удовлетворяющей тепло- и звукоизоляционным требованиям.
Полезную нагрузку на полы спортивных залов (включая закрытые щитами ямы в залах для гимнастики) следует принимать равной 400 кг/м2.
6.2.1 Полы в спортивных залах в зависимости от назначения последних по виду спорта могут быть деревянными или иметь синтетическое покрытие.
Полы в помещениях и залах для физкультурно-оздоровительных занятий рекомендуются дощатые с толщиной доски от 37 до 39 мм (доску толщиной 29 мм рекомендуется применять в помещениях для занятий на тренажерах).
Если основание пола устраивается на грунте, то предусматриваются полное удаление растительного слоя и мероприятия для исключения деформаций в виде просадок и выпучиваний, а также капиллярного подсоса влаги под покрытия.
6.2.2 Деревянные полы рекомендуется предусматривать, как правило, во всех спортивных залах (кроме залов для легкой атлетики и футбола) и проектировать их из доски толщиной 32 - 37 мм (в острожке) или из бруса сечением 60×60 мм (рисунок 6.1), а также паркетно-щитовыми (рисунок 6.2).
Для снижения травматизма опорно-двигательного аппарата занимающихся в залах для спортивных игр следует применять полы по двойным лагам (рисунок 6.3, схема 2), обладающие определенной эластичностью, компенсирующей перегрузки голеностопных мышц и связок.
Пол в спортивных залах восточных единоборств должен быть из доски или бруска. Площадка учебно-тренировочных занятий и соревнований должна быть покрыта упругим покрытием - ковром, образуемым секционными матами, - татами.
6.2.3 Деревянные полы из бруса (рисунок 6.1, схемы 3 и 4) предусматриваются в залах для спортивной гимнастики в связи с тем, что:
типовые закладные детали для крепления гимнастических снарядов крепятся в полу с помощью шурупов длиной 50 мм, и надежность крепления обеспечивается, если шурупы полностью находятся в теле покрытия пола;
при занятиях на гимнастических снарядах пол зала (через закладные детали) испытывает большие усилия в местах крепления снарядов, поэтому между лагами предусматриваются связи, устанавливаемые в шахматном порядке с шагом 2,5 м.
Рекомендуемое покрытие пола спортивного зала для групповых занятий аэробикой - буковый паркет.
6.2.4 При устройстве деревянных полов следует учитывать следующие условия:
а) доски и бруски выбирают с возможно меньшим количеством сучков, удаление которых необходимо осуществлять высверливанием их и закладкой деревянных пробок;
б) доски и бруски укладывают вдоль зала, а их стыки устраивают вразбежку и опирают на лаги;
в) доски и бруски крепят к лагам гвоздями и обязательно косым забоем.
6.2.5 В тех случаях, когда зал располагается на втором этаже и под ним находятся вспомогательные помещения с постоянным пребыванием людей в них, рекомендуется предусматривать звукоизоляцию. В частности, устраивать под лагами пола звукоизоляционные ленточные прокладки (рисунок 6.3):
- минераловатные маты толщиной 40 - 50 мм, прошитые в бумаге;
- минераловатные маты толщиной 30 - 40 мм на синтетической связке;
- простеганные стекловолокнистые маты толщиной 30 - 40 мм;
- минеральные и стекловолокнистые плиты толщиной 40 - 50 мм на синтетической связке;
- древесно-волокнистые изоляционные плиты толщиной 16 - 20 мм.
6.2.6 К синтетическим покрытиям, применяемым для полов спортивных залов, относятся рекомендованные Госкомспортом России и допущенные органами Минздрава России:
резиноподобные материалы заводского изготовления типа «Рездор», «Арман», «Олимпия» и др., выпускаемые в виде плит или листов толщиной не менее 13 мм;
типа «Регупол», выпускаемые в виде рулонов шириной 1,25 м и длиной до 50 - 45 м;
наливные самоотверждающиеся типа «Тартан» на основе полиуретана и жидких каучуков холодного отверждения.
Конструкция пола с синтетическим покрытием приведена на рисунке 6.4.
Синтетические покрытия выполняются в один или два слоя по бетонному или асфальтобетонному основанию.
6.2.7 Покрытие пола следует выбирать, учитывая специальные требования занятий с инвалидами:
- пол в залах, где используются коляски, следует окрашивать в более темные тона, чтобы не оставалось следов от шин;
- для инвалидов с коляской и для инвалидов с ограниченной подвижностью необходим слегка шероховатый пол;
- более безопасна поверхность пола из полупружинящих или пружинящих синтетических материалов (типа «Регупол» с верхним слоем толщиной 6 мм);
- для занятий слепых поверхность пола должна быть идеально гладкой, чтобы исключить возможность заноз и травм.
В зале необходимо обеспечить легкую доступность инвентарной, возможность перевозки оборудования (брусья, маты и пр.).
6.2.8 Для ориентации слепых и слабовидящих спортсменов в зале следует предусматривать полосы ориентации, представляющие собой резиновую дорожку с рельефной поверхностью. В углах площадки направление рельефного рисунка следует изменять (рисунок 4.55).
6.2.9 В полу залов для учебно-тренировочных занятий по спортивной гимнастике у гимнастических снарядов следует устраивать ямы для приземления с мягким заполнителем. Размеры ям, их размещение следует принимать по заданию на разработку технологической части проекта. Конструкция ям должна позволять закрывать их щитами заподлицо с поверхностью зала. Размеры ям у гимнастических снарядов следующие: под перекладиной и под женскими брусьями - 11 - 12 м в длину и 2,5 - 3 м в ширину; для опорных прыжков - длиной 5 м и шириной 2,5 - 3 м. Глубина ям - 1,1 - 1,5 м.
6.2.10 В универсальных залах для спортивной гимнастики и спортивных игр, а также при вынужденном размещении зала для спортивной гимнастики не на первом этаже ямы у гимнастических снарядов могут не предусматриваться.
Возможно устройство ямы под батутом. В этом случае сетка батута располагается на отметке пола зала. Длина ямы под батутом 5,53 м, ширина 3,23 м, глубина принимается равной высоте конструкции батута. Ямы закрывают щитами заподлицо с полом зала, а в открытом виде их края обкладывают съемными мягкими бортами. В качестве мягкого заполнителя в ямах у гимнастических снарядов применяют, как правило, обрезки поролона.
6.2.11 Поверхность пола в залах для бокса, борьбы и тяжелой атлетики должна быть горизонтальной, ровной и нескользкой, конструкция пола - упругой, удовлетворяющей тепло- и звукоизоляционным требованиям. Полезная нагрузка на полы залов 4 кПа (400 кгс/м2). Помосты для занятий с тяжестями не должны быть связаны с полом зала, а при размещении их на первом этаже - и с фундаментами здания. При размещении помостов не на первом этаже или над подвалом в местах их расположения следует предусматривать специальные конструктивные мероприятия, обеспечивающие необходимую прочность перекрытия и звукоизоляцию.
При расчете фундаментов и междуэтажных перекрытий под помостами в залах для тяжелой атлетики следует учитывать ударную нагрузку от штанги массой 250 кг, падающей на помост с высоты 2,4 м, а в других залах, в местах, где предусмотрены помосты, - штанги массой 180 кг. Помосты рекомендуется устанавливать заподлицо с полом зала.
6.2.12 Для учебно-тренировочных занятий вместо установки помостов рекомендуется предусматривать специальную конструкцию пола. Эта конструкция предусматривает устройство двух бетонных колодцев, имеющих размеры (в чистоте) 2,0×0,6 м в плане и глубину 0,45 м. На дно этих колодцев укладывается два слоя деревянных брусков, а сверх них кладутся пять слоев листовой резины или резиноподобных материалов (толщиной каждого слоя 50 мм). Между внутренними стенками колодцев (расстояние составляет 0,9 м) устраивается дощатый или брусчатый пол (по лагам, устанавливаемым по бетонному подстилающему слою, укладываемому на подстилающий грунт). По обе стороны от деревянного пола, заподлицо с ним, укладывается листовая резина, которой покрываются колодцы и зона шириной по 0,75 - 1 м по обе стороны за их пределами.
6.2.13 Поверхность пола в бильярдной должна быть абсолютно горизонтальной, пол - твердый, выдерживающий давление ножек столов.
6.3.1 При проектировании зданий и сооружений, включающих помещения физкультурно-спортивных залов, следует обеспечивать безопасность занимающихся с учетом применяемых строительных конструкций и материалов, объемно-планировочных решений зданий, состава и назначения дополнительных групп помещений и т.д. Для этого следует учитывать требования СНиП 21-01, СНиП 2.08.02, ГОСТ 12.1.004.
Не допускается проектировать здания IV и V степеней огнестойкости для занятий инвалидов.
Параметры путей эвакуации зданий физкультурно-оздоровительных учреждений должны соответствовать требованиям, изложенным в СНиП 21-01, СНиП 35-01 и СНиП 2.08.02.
6.3.2 Площадь физкультурно-спортивных залов должна соответствовать параметрам, указанным в таблице 1 п. 1.14* СНиП 2.08.02. Если площадь зала превышает установленную в таблице 1, то между зальным и другими помещениями следует предусматривать противопожарные стены или перегородки 1-го типа и необходимо иметь не менее двух эвакуационных выходов.
При применении трансформируемых перегородок в зальных помещениях следует предусматривать эвакуационные выходы из каждой разделяемой части.
6.3.3 Степень огнестойкости зданий с физкультурно-спортивными помещениями не должна быть ниже степени огнестойкости здания, к которому они пристраиваются.
При размещении сооружений физкультурно-оздоровительных учреждений в блоках, пристраиваемых к общеобразовательным школам, необходимо отделить их функционально, а также противопожарными перегородками 1-го типа и перекрытиями 3-го типа. Заполнение проемов в противопожарных преградах выполняется в соответствии с требованиями СНиП 21-01 и СНиП 2.08.02.
6.3.4 Конструкции и материалы покрытия пола спортзала должны соответствовать по пожарно-техническим характеристикам п. 6.25* СНиП 21-01:
- для зала без зрителей - аналогично покрытию пола в общих коридорах и холлах - В2, РП2, ДЗ, Т2;
- для зала, где занимаются инвалиды или есть зрители, - аналогично покрытию пола в вестибюле - Г2, РП2, Д2, Т2.
6.3.5 Материалы для обшивки (в том числе акустической) стен и потолков в зальных помещениях физкультурно-спортивного назначения следует принимать со следующими пожарно-техническими характеристиками:
- каркас для подвесных потолков - НГ;
- обрешетка или каркас стен - Г2*;
- облицовка стен и потолков - Г3.
* В том числе деревянные рейки, древесно-стружечные и древесно-волокнистые плиты, обработанные со всех сторон огнезащитными красками или лаками или подвергнутые глубокой пропитке антипиренами.
6.3.6 В отделке стен и потолков помещений для физкультурно-оздоровительных занятий инвалидов, а также помещений, где могут находиться дети, следует применять материалы со следующими пожарно-техническими характеристиками: Г1, В1, Д2 и Т2.
6.3.7 Система средств оповещения об опасности должна быть комплексной и соответствовать СНиП 35-01, НПБ 104.
7.1.1 Спортивные залы должны иметь с учетом требований СНиП 2.08.02 прямое естественное освещение. Расчетная площадь световых проемов определяется в процентах площади пола помещения по таблице 7.1.
Таблица 7.1
|
Площадь световых проемов, %, площади пола при освещении: |
||||
|
боковом |
верхнем |
|||
|
одностороннем |
двух- и многостороннем |
зенитными фонарями |
другими видами фонарей |
|
|
Для спортивных игр |
20 |
17 |
12 |
14 |
|
Для других видов спорта |
17 |
14 |
10 |
12 |
|
Примечание - Рассчитанные по таблице площади световых проемов могут быть увеличены в пределах до 5 %. |
||||
Число, размеры и размещение проемов должны обеспечивать равномерность естественного освещения. Естественное освещение не обязательно в помещениях кегельбана и бильярдной.
Освещение предусматривается, как правило, боковое в одной из продольных стен зала с размещением низа световых проемов на высоте не менее 2 м от пола.
Для обеспечения требуемого уровня освещенности (в зависимости от ширины и высоты зала) допускается устраивать окна в других стенах зала (с размещением низа световых проемов на высоте не менее 4,5 м от пола), а также верхнее освещение или боковое в комбинации с верхним. Световые проемы верхнего освещения размещаются только над той частью пола зального помещения, освещение которой не обеспечивается боковыми световыми проемами.
В залах для спортивных игр размещать световые проемы в торцовых стенах не допускается.
7.1.2 При размещении низа световых проемов бокового освещения по высоте, составляющей не менее 1/4 ширины зального помещения, их площадь может быть уменьшена по сравнению с рассчитанной по таблице 7.1 на 10 %, так как размещение световых проемов на возможно большей высоте улучшает качество освещенности (кроме того, оно облегчает размещение прикрепляемого к стенам спортивного оборудования).
7.1.3 Ориентацию световых проемов по сторонам горизонта при одностороннем освещении следует принимать в центральных и северных районах страны (> 45°), как правило, на юго-восток, а в южных районах (< 45°) - на северо-восток. В залах со световыми проемами с двух и более сторон основные (расположенные на высоте 2 м от пола) световые проемы должны быть ориентированы в южных районах на север, а в центральных и северных - на юго-восток.
При вынужденной ориентации световых проемов на юго-запад или запад необходимо предусматривать применение светорассеивающих материалов для заполнения проемов или, как правило, наружных солнцезащитных устройств (экранов, козырьков, жалюзи, систем вертикального озеленения), обеспечивающих необходимую защиту от слепящего и теплового воздействия солнечных лучей. Предохранение от слепящего действия солнечных лучей следует предусматривать и в случаях расположения площадок поперек зала для спортивных игр, при котором оконные проемы оказываются в торцах поля для игры.
7.1.4 Необходимость естественного освещения в других помещениях вспомогательного характера принимается по приложению 4* (обязательному) СНиП 2.08.02.
7.2.1 В спортивных залах время реверберации на частотах 500 - 2000 Гц следует принимать в пределах зоны, показанной на рисунке 7.1 и в таблице 7.2. Рекомендуются, как правило - средние показатели зоны, но не выше верхней границы, являющейся предельно допустимой.
На частотах ниже 500 Гц время реверберации допускается увеличивать на 15 - 20 %.
Для зальных помещений с местами для зрителей график приведен при заполнении зрительских мест на 2/3.
7.2.2 Акустика зала важна как для инвалидов с дефектами слуха, так и для инвалидов по зрению. Инвалидам с дефектами слуха необходим акустический режим с короткими периодами реверберации (2,5 с выше уровня 500 Гц) и низким уровнем шумов в зале (звукоизоляция вентиляции и ударного шума).
Объемы залов должны быть минимально необходимыми по технологическим требованиям. Следует ввести, где возможно, перфорированный или слоистый акустический потолок.
7.2.3 В зальных помещениях с циркульными (купольными, сводчатыми, арочными) покрытиями радиус кривизны должен быть не менее чем в два раза больше высоты помещения для избегания концентрации звуковой энергии и фокусировки звука.
В зальных помещениях без мест для зрителей независимо от формы покрытия при отношении длины помещения к его высоте, составляющем величину 5 и менее, акустические устройства могут не предусматриваться.

Рисунок 7.1 - График времени реверберации
Таблица 7.2
|
Уровень звукового давления, дБ, при среднегеометрической частоте октавных полос, Гц |
Уровень звука, дБА |
||||||||
|
63 |
125 |
250 |
500 |
1000 |
2000 |
4000 |
8000 |
||
|
Спортивные залы для видов спорта, требующих музыкального сопровождения |
71 |
61 |
54 |
49 |
45 |
42 |
40 |
38 |
50 |
|
Остальные спортивные залы |
79 |
70 |
63 |
58 |
55 |
52 |
50 |
49 |
60 |
7.2.4 Для защиты мягкой фактуры звукопоглощающих материалов от механического повреждения применяются акустически прозрачные экраны (перфорированные плиты, отверстия в которых составляют не менее 20 % поверхности, металлические сетки с ячейками 5×5 см и др.).
7.2.5 Звукопоглощающие материалы, рекомендуемые для применения в качестве акустических облицовок, приведены в таблице 7.3. В спортивных залах, предназначенных для инвалидов с дефектами слуха, следует предусматривать звукопоглощающие акустические потолки, а на стенах залов - обшивку мягкими и упругими материалами на высоту не менее 2 м от пола.
Таблица 7.3
|
Плотность, кг/м3 |
|
|
Супертонкое щелочное стекловолокно |
15 - 20 |
|
Ультратонкое и супертонкое щелочное стекловолокно |
8 - 10 |
|
Супертонкое штапельное базальтовое волокно |
20 - 25 |
|
Холст СТВ |
8 - 10 |
|
Плиты минераловатные на синтетическом связующем марки ППМ |
Не более 150 |
|
Плиты минераловатные акустические ПА/С и ПА/О |
130 |
7.2.6 Для занятий слепых не рекомендуются трехсекционные залы (например, 45×27 м), так как в них не обеспечивается акустическая изоляция мест занятий. Для тренировочных занятий лучше использовать залы без трибун, которые могут привести к потере ориентации при отраженном звуке.
Для занятий людей с полной или частичной потерей зрения не рекомендуется использование отдельных площадок и зон, выгороженных в многосекционных залах перегородками, не обеспечивающими акустической изоляции.
7.2.7 Для слепых звук - источник ориентации. Необходима повышенная звукоизоляция зон активности (залов и других помещений). Рекомендуется использование акустических ориентиров - «звуковых маяков» (рисунок 4.56) для выполнения прыжков и метаний.
7.3.1 Цветовое решение залов имеет большое значение для занимающихся, например: различные виды инвалидности могут сопровождаться длительным общим или частичным лишением восприятия цвета. Кроме того, цвет играет важнейшую роль в системе ориентации и информации для инвалидов с частичной потерей зрения и для глухих.
В залах желательно применять чистые, независящие от качества освещения контрастные цвета: пол - голубой (желтый), стены - желтые (голубые). Для тренажерных залов и помещений возможен вариант окраски пола в зеленый (красно-коричневый) цвет, а стен - в красно-коричневый (зеленый).
Цвет должен соответствовать характеру деятельности и функциональному назначению помещения, а также назначению оборудования: мячи - желтые, красные, тренажеры - голубые, зеленые, залы для спортивной терапии: пол зеленый (красный), стены красные (зеленые).
7.3.2 Как правило, сочетание применяемых в зале цветов должно обеспечивать, с одной стороны, состояние успокоенности, с другой - активизацию деятельности. Поэтому эмоционально возбуждающие красный и оранжевый цвета следует применять лишь в зонах кратковременного (до 10 мин) пребывания занимающихся, например у отдельного тренажера для развития двигательной активности.
7.3.3 Для указателей, маркировок и других ориентиров в залах рекомендуются сочетания голубого, черного, зеленого, красного с белым или желтого с черным.
Предупредительные цветовые маркировки и ориентиры устанавливаются для игровых зон, ограничения площади мобильного оборудования, выделения кромки ванны бассейна (ширина полосы около 300 мм), а также для выявления функционально важных элементов помещений и узлов спортивного инвентаря (например, входы и выходы, центровка трамплина, дорожка для разбега и др.).
7.3.4 При выборе цветовых средств следует также руководствоваться такими общими критериями, как фоновый контраст (стены светлые - мяч темный) и коэффициент отражения. Его средняя величина с = 0,45. Цвета плоскостей (пол, стены, потолок) и стендов (например, табло), особенно в замкнутом пространстве, должны сочетаться с целью создания микроклимата в помещении и ориентации в данном пространстве.
7.3.5 Надо учитывать, что большие поверхности (пол, стены, потолок) реально создают фон для предметов, объектов и форм и гарантируют контрастность восприятия отдельных предметов на каком-либо фоне. При необходимости узким черным контуром (например, пол - стена, стена - дверь, окно, зеркало и т.д.) подчеркивается переход от одной большой поверхности к другой. Необходимо помнить, что белые линии (контур) осветляют фон, а черные - затемняют. Дополнительно используются предупреждающие (предостерегающие) цвета (например, границы игрового пространства, пространство для передвижения двигающихся предметов, зоны внимания - проходы), здесь используют более широкие полосы (поля около 30 см).
7.3.6 Предупреждающие цвета и цвета внимания используются для обозначения или маркировки деталей, например ручек упоров двигающихся предметов, центра батута, разметки пола и указателей к приспособлениям.
Визуально воспринимаемые обозначения и символы по международной практике, особенно для инвалидов по слуху, рекомендуется делать следующих цветов:
· красный - тревога, стоп;
· желтый - перерыв, пауза;
· белый - звонок, начало игры.
Белая линия на зеленом поле - обозначение эвакуационного пути.
Для занятий слепых и слабовидящих спортсменов в зале визуальная информация должна дублироваться звуковой.
7.3.7 Текстовые информационные сигналы (таблички) должны использоваться в интерьере исключительно для обозначений, связанных с безопасностью людей. В используемых сигналах безопасности в мировой практике применяют цвета фона, имеющие следующие значения:
красный - для сигналов остановки, запрета или обозначения мест хранения противопожарного оборудования;
желтый - для сигналов предупреждения;
зеленый - для сигналов обозначения безопасности или первой помощи;
синий - для сигналов направления движения и информации.
Ниже приведены некоторые примеры использования цвета фона в информационных знаках:
красный - стоп. Оборудование для экстренной остановки. Запрет;
желтый - опасность (радиация; химические вещества; опасный проход; препятствие);
зеленый - проход. Аварийный проход. Место оказания первой помощи;
синий - информационные знаки (обозначение местоположения телефона-автомата, санитарные узлы и т.п.).
Виды спорта, культивируемые среди инвалидов, приведены в приложении И.
8.1.1 Устройство систем отопления и вентиляции предусматривается с учетом требований СНиП 41-01.
8.1.2 За расчетные параметры воздуха в рабочей зоне спортивных залов без зрителей принимается температура 15 °С при относительной влажности 35 - 60 %, а скорость движения воздуха не более 0,3 м/с в залах для борьбы и не более 0,5 м/с в залах для бокса и тяжелой атлетики.
В помещениях для физкультурно-оздоровительных занятий расчетная температура воздуха в холодный период года принимается 18 °С при относительной влажности 30 - 60 % и расчетной температуре наружного воздуха по параметрам Б (нижний предел относительной влажности приведен для холодного периода года и приведенной выше температуры).
В игровом зале кегельбана должны быть постоянные параметры микроклимата в течение всего года. Температура воздуха по зданию 19 - 23 °С, непосредственно в зоне дорожек и площади для игроков - 20 - 21 °С.
Относительная влажность должна быть одинаковой, для чего пространство под дорожками должно быть проветриваемым.
Температура воздуха (в залах для сквоша) - 18 °С. Там, где корты изолированы и не составляют части многоцелевого здания и где нет мест для зрителей, температура воздуха может быть ниже. Рекомендуемый уровень освещения над площадкой корта - 500 - 650 лк.
Температура воздуха в бильярдных - 15 - 16 °С. В помещениях обязательна вентиляция, так как в бильярдных, как правило, разрешается курить.
Примечания
1. В помещениях, не указанных в данном пункте, температуру воздуха и кратность воздухообмена принимают по требованиям соответствующих норм.
2. Расчетная температура воздуха приведена для рабочего времени в холодный период года, в теплый период года температура в помещениях принимается в соответствии с требованиями СНиП 41-01.
8.1.3 Выбор системы отопления в этих помещениях (воздушное, водяное и др.) определяется технико-экономическим обоснованием.
Указанную подвижность воздуха в зонах нахождения занимающихся в зальных помещениях рекомендуется обеспечивать, применяя, как правило, сосредоточенную подачу приточного воздуха. Необходимое количество приточного воздуха определяют расчетом из условия ассимиляции избытков тепла, однако приток наружного воздуха не должен быть менее 80 м2/ч на 1 занимающегося в смену.
8.1.4 Рекомендуемые параметры воздуха можно обеспечить системой воздушного отопления, совмещенного с приточной вентиляцией. В этом случае в системе приточной вентиляции необходимо предусматривать рециркуляцию воздуха.
8.1.5 В спортивных залах, где предусматриваются естественная приточно-вытяжная вентиляция и снижение температуры в нерабочее время, систему отопления рекомендуется устраивать из двух раздельных групп нагревательных приборов: основной, рассчитанной на постоянное поддержание температуры внутреннего воздуха +5 °С, и дополнительной, обеспечивающей доведение внутренней температуры до расчетной.
8.1.6 Самостоятельные системы приточной и вытяжной вентиляции предусматриваются для: спортивных залов, душевых, раздевальных для занимающихся и массажных, служебных помещений для административного и инженерно-технического персонала, инструкторско-тренерского состава, бытовых помещений для рабочих, технических помещений.
Спортивные залы без мест для зрителей, имеющие объем, при котором на каждого единовременно занимающегося приходится не менее 80 м3 объема зала, допускается проектировать с естественной приточно-вытяжной вентиляцией с обеспечением однократного воздухообмена в 1 ч.
8.1.7 Систему вытяжной вентиляции из санитарных узлов и курительных допускается объединять с системой вытяжной вентиляции из душевых.
8.1.8 Неорганизованную подачу наружного воздуха в спортивные залы при проектировании естественной приточно-вытяжной вентиляции рекомендуется осуществлять, используя в качестве приточных устройств открывающиеся фрамуги в нижней и верхней частях витражей.
8.1.9 Подавать воздух в зал и удалять его следует из верхней зоны. Приточные устройства размещаются преимущественно со стороны, противоположной основным световым проемам, вытяжные устройства рекомендуется размещать там же. Приточно-вытяжные устройства можно располагать и с двух противоположных торцовых стен.
8.1.10 Систему приточно-вытяжной противодымной вентиляции физкультурно-спортивных залов и помещений следует предусматривать в соответствии с требованиями раздела 8 СНиП 41-01.
8.1.11 В зальных помещениях, выполненных в клеедеревянных конструкциях, при необходимости обеспечения требуемой относительной влажности в зоне этой конструкции (не менее 45 %) рекомендуется устройство увлажнения воздуха в системах приточной общеобменной вентиляции. В отдельных случаях при отсутствии приточной вентиляции допускается использование местных увлажнителей.
8.1.12 Помещения, предназначаемые для оборудования в них приточных систем и установок кондиционирования воздуха, рекомендуется размещать в подвальных или цокольных этажах (на грунте) так, чтобы протяженность трасс воздуховодов была минимальной. В помещениях, предназначаемых для оборудования приточных систем, допускается устройство вводов теплоносителя, бойлерных и водяных насосных.
8.1.13 Нагревательные приборы устанавливаются преимущественно у наружных ограждений залов в увязке с размещением спортивного оборудования. В помещениях с влажным и мокрым режимами ниши в наружных стенах для размещения нагревательных приборов не устраиваются.
Нагревательные приборы и трубопроводы в спортивных залах не должны, как правило, выступать из плоскости стен в пределах высоты до 2 м от пола. В случаях когда элементы вентиляционных систем (воздуховоды, решетки, а также нагревательные приборы и трубопроводы) выступают из плоскости стен или вынужденно устанавливаются на высоте до 2 м от пола, они закрываются щитами или иными средствами, исключающими ожоги и другие возможные травмы занимающихся.
8.2.1 Здания физкультурно-спортивного назначения оборудуются системами хозяйственно-питьевого и противопожарного водопровода и канализации, присоединяемыми, как правило, к наружным сетям. Возможно присоединение к собственному водозаборному узлу.
Устройство внутреннего хозяйственно-питьевого и противопожарного водопровода и нормы расхода воды в сутки, а также устройство канализации проектируются по СНиП 2.04.01.
Внутренний противопожарный водопровод следует предусматривать с учетом требований приложения 7* (обязательного) СНиП 2.08.02.
8.2.2 Вода для хозяйственно-питьевых и технологических нужд в зданиях спортивных залов должна удовлетворять требованиям СанПиН 2.1.4.1074.
8.2.3 Горячее водоснабжение предусматривается для обеспечения хозяйственно-бытовых и технологических нужд. Горячая вода должна соответствовать требованиям СП 4723.
Подводка горячей воды предусматривается к душевым, кабинету врача, комнатам медицинской сестры и для оказания первой медицинской помощи, бытовым помещениям для рабочих, раздевальным для занимающихся, комнатам инструкторского и тренерского состава, умывальным при санитарных узлах, помещениям для уборочного инвентаря, а также к другим помещениям в соответствии с технологическим заданием.
Желательно, чтобы все души регулировались термостатическими смесителями.
8.2.4 Максимальное секундное водопотребление принимается исходя из одновременной работы всех сеток в душевых при раздевальных.
Максимальный секундный сброс воды в канализацию принимается равным секундному водопотреблению при его величине более 8 л/с, а при меньшем водопотреблении к нему прибавляется максимальный расход одним прибором.
8.2.5 При устройстве автоматического водяного пожаротушения следует руководствоваться требованиями НПБ 88 и НПБ 110, относя помещения зданий спортивных корпусов к I группе по степени опасности развития пожара.
8.2.6 В санитарных узлах и душевых с количеством приборов свыше трех (унитазов, писсуаров или душевых сеток соответственно) предусматривается установка поливочных кранов диаметром 20 мм с подводкой холодной и горячей воды.
8.2.7 В душевых при раздевальных для занимающихся трапы для отвода стоков диаметром 100 мм устраиваются из расчета 1 трап не более чем на 3 сетки. В душевых при комнатах инструкторского и тренерского состава при бытовых помещениях для рабочих рекомендуется устанавливать душевые поддоны.
В санитарных узлах при числе приборов более трех устраиваются трапы для отвода стоков диаметром 100 мм.
8.2.8 В санитарных узлах для занимающихся и зрителей устанавливаются напольные керамические унитазы или напольные чаши со смывным краном.
8.3.1 При проектировании электрооборудования спортивных сооружений необходимо руководствоваться требованиями СНиП 23-05, СНиП 3.05.06, СП 31-110, другими нормативными документами.
Искусственное освещение предусматривается во всех помещениях. В зданиях спортивных сооружений в соответствии с требованиями СНиП 23-05 предусматривается также эвакуационное освещение.
8.3.2 Уровень освещенности спортивных залов в зависимости от назначения по виду (видам) спорта должен приниматься по нормам электрического освещения спортивных сооружений. Спектр дополнительного искусственного освещения рекомендуется приближать к дневному освещению. В таблице 8.1 приведены нормативные показатели освещенности для спортивных залов. Освещенность универсальных спортивных залов принимается по наибольшим из показателей, приведенных в таблице для видов спорта, для которых предназначается сооружение.
Таблица 8.1
|
Наименьшая освещенность, лк |
Плоскость или зона, в которой нормируется освещенность |
|
|
Бадминтон, баскетбол, волейбол, гандбол, теннис |
300 |
Горизонтальная, на поверхности пола |
|
100 |
Вертикальная, на высоту 2 м от пола* |
|
|
Теннис настольный |
200 400** 1000*** |
Горизонтальная, на поверхности стола и на расстоянии до 4 м за его пределами |
|
Акробатика, бокс, борьба, гимнастика спортивная и художественная |
200 |
Горизонтальная, на поверхности пола (бойцовского ковра, гимнастического помоста, боксерского ринга) |
|
Тяжелая атлетика, физкультурно-оздоровительные занятия, кегельбан |
150 |
Горизонтальная, на поверхности пола (тяжелоатлетического помоста) |
|
Инвентарные |
30 |
Горизонтальная, на поверхности пола |
|
* Вертикальная освещенность обеспечивается в плоскости, проходящей через продольную ось поля для игры, а для баскетбола обеспечивается освещенность поверхности щитов со стороны колец. ** Для соревнований и тренировок спортсменов. *** Для соревнований международного уровня. Примечания 1. При освещении лампами накаливания уровень освещенности может быть снижен на одну ступень. 2. Для соревнований по теннису высокого уровня освещенности корта наименьшая освещенность - до 800 лк. 3. В залах для учебно-тренировочных занятий по боксу для создания контраста в освещении ринга по сравнению с остальной поверхностью зала (при необходимости проведения учебных боев на ринге) допускается установка отдельных светильников концентрированного светораспределения с лампами накаливания непосредственно над рингом (при отключении основного освещения зала). |
||
Уровень средней горизонтальной освещенности трибун для зрителей принимать 50 лк.
Для работы многофункциональных залов желательно обеспечить переключение осветительной системы отдельных зон в пределах 200 - 600 лк (для физкультурно-оздоровительных занятий обычно достаточно 300 - 400 лк).
8.3.3 Особое внимание следует уделять освещению в бильярдной. Яркое специальное освещение необходимо для каждого стола. Освещение должно быть равномерным, без теней над всей поверхностью стола, не слепить игроков. Освещенность на плоскости стола - 375 лк.
Уровень освещения дорожек кегельбана - 150 лк, в месте установки кеглей - 500 лк. Основное требование к освещению в помещении боулинга - равномерность. Со стороны площадки окна не предусматриваются, поскольку попадающие через них солнечные лучи могут деформировать дорожки.
Рекомендуемый уровень освещения над площадкой корта для игры в сквош - 500 - 650 лк.
8.3.4 В случаях когда из спортивного зала предусматриваются передачи цветного телевидения, осветительными установками обеспечивается уровень освещенности согласно таблице 8.2.
Проектирование осветительных установок осуществляется по заданию на проектирование. Осветительные установки, необходимые для обеспечения освещенности, требуемой при передачах цветного телевидения, проектируются, как правило, стационарными. Допускаются полустационарные осветительные установки; в этих случаях предусматривается их электрическое подключение, а также специальные элементы для крепления установок на время ведения телевизионных передач.
Таблица 8.2
|
Наименьшая освещенность, лк |
Плоскость или зона, в которой нормируется освещенность |
|
|
Спортивная арена |
1000 |
Вертикальная, по продольной и поперечной оси арены на высоте 1 м |
|
Трибуна |
500 |
Горизонтальная, на уровне поверхности арены Вертикальная в направлении телевизионной камеры на высоте 1 м |
|
Примечания 1. Коэффициент запаса осветительных приборов принимается 1:2. Источники света принимаются со сплошным или близким к сплошному спектром излучения с цветовой температурой, как правило, 6400 К. 2. Отношение горизонтальной освещенности спортивной арены к вертикальной принимается не более 3:1. 3. Неравномерность освещенности трибуны (с плавным переходом от одного уровня к другому) допускается не св. 1:3 (в сторону снижения от приведенного в таблице). |
||
8.3.5 Электроприемники спортивных сооружений по надежности электроснабжения относятся к следующим категориям:
в спортивных залах без мест для зрителей или при их числе менее 300:
а) при числе занимающихся 120 чел. и менее в смену все электроприемники III категории;
б) при числе занимающихся более 120 чел. в смену светильники аварийного и эвакуационного освещения, электродвигатели пожарных насосов, автоматическая пожарная сигнализация и система дымоудаления - II категории;
в) остальные электроприемники - III категории;
в спортивных залах, предназначаемых только для занятий с детьми, светильники аварийного и эвакуационного освещения, электродвигатели пожарных насосов, автоматическая пожарная сигнализация и система дымоудаления - I категории.
Надежность электроснабжения электроприемников крытых спортивных сооружений с числом мест для зрителей 300 и более определяется согласно главе VII-2 ПУЭ.
8.3.6 В качестве источника света для искусственного освещения залов рекомендуется применять люминесцентные лампы. Предпочтительно применение светильников с диффузными рассеивателями. Светильники следует устанавливать на потолке в линии, как правило, параллельные продольным стенам зала. Управлять освещением следует непосредственно из зала, размещая аппараты управления у входных дверей. Управление освещением должно обеспечивать возможность отключения 2/3 светильников основного освещения при сохранении равномерности освещения. Для освещения инвентарных при залах рекомендуется использовать светильники с лампами накаливания. Включение освещения инвентарной должно осуществляться из зала у входа (проема) в инвентарную.
8.3.7 Для освещения залов, как правило, применяются газоразрядные лампы с коэффициентом пульсации, принимаемым согласно таблице 8.3.
Таблица 8.3
|
Максимально допустимый коэффициент пульсации освещенности, % |
|
|
Бадминтон, баскетбол, волейбол, гандбол, теннис, теннис настольный |
10 |
|
Акробатика, бокс, борьба, гимнастика (спортивная и художественная), тяжелая атлетика |
20 |
При необходимости плавного регулирования светового потока, а также в случаях невозможности или технико-экономической нецелесообразности применения газоразрядных источников света допускаются, а при уровнях освещенности менее 30 лк используются, как правило, лампы накаливания.
8.3.8 При применении газоразрядных источников света допускается управление освещением осуществлять тремя - четырьмя ступенями.
Управление освещением универсальных спортивных залов должно предусматривать включение осветительных установок в соответствии с трансформацией зала.
8.3.9 Для освещения спортивных залов при высоте зала 8 м и менее рекомендуется применять систему верхнебокового освещения с установкой светильников на боковых стенах и потолке за пределами поля для игры. Наиболее качественной системой освещения для всех видов спорта (за исключением тенниса) является система комбинированного освещения при соотношении отраженного и направленного света 3:2, но ее применение является неэкономичным. Поэтому в большинстве случаев рекомендуется установка светильников на потолке зала с обеспечением защитного угла не менее 40° в продольной и поперечной плоскостях.
При применении осветительных приборов широкого светораспределения возможно устройство верхнего освещения с установкой их непосредственно над полем для игры.
Размещение светильников (за исключением светильников отраженного света) на стенах в торцах залов, предназначаемых для спортивных игр, не предусматривается.
8.3.10 Безопасную эксплуатацию светильников и звукотехнического оборудования при расположении их на высоте от 5 до 8,5 м от пола рекомендуется обеспечивать применением телескопических вышек, а при их отсутствии устройством переходных мостиков; при высоте размещения оборудования более 8,5 м от пола, как правило, - только устройством переходных мостиков.
Переходные мостики должны иметь сплошной настил, ограждение высотой 1,2 м и отбойный брус высотой не менее 0,15 м. В залах для спортивных игр мостики, располагаемые под потолком, размещаются параллельно продольной оси поля для игры.
8.3.11 В залах, предназначаемых для спортивных игр с мячом, следует предусматривать защиту светильников от повреждения мячом.
8.3.12 Все крепежные детали оборудования, регуляторов, электрических выключателей должны закладываться заподлицо с поверхностью стен или заглубляться.
Электрические выключатели, регуляторы осветительной арматуры в залах, достижимых для инвалидов, должны располагаться на высоте от 0,8 до 1,3 м.
8.3.13 В зданиях спортивных залов предусматривают:
- радиофикацию от радиотрансляционной сети населенного пункта;
- телефонизацию от АТС населенного пункта;
- электрочасофикацию (при установке не менее 10 электровторичных часов).
Дополнительно по заданию на проектирование могут быть предусмотрены:
- оперативно-служебная телефонная связь между помещениями судейской коллегии и местами нахождения отдельных судейских бригад при соревнованиях по легкой атлетике, а также с помещением дежурного медицинского персонала;
- установка информационной и регистрирующей аппаратуры;
- местная АТС для связи между отдельными помещениями;
- радио- и телевизионные передачи со спортивного сооружения.
В залах для спортивной и художественной гимнастики, групповых занятий аэробикой и в хореографических классах следует предусматривать устройства для музыкального сопровождения для занимающихся.
В раздевальных для занимающихся устанавливаются звуковые колонки небольшой мощности (2Ва) оповещения о пожаре, о ходе соревнований и своевременного вызова с учетом ГОСТ 21786 и ГОСТ 24214.
(рекомендуемое)
|
Экспликационный номер |
Наименование спортивного оборудования и инвентаря |
Единица измерения |
Количество оборудования и инвентаря для спортивной гимнастики в зависимости от характера использования и размера зала |
|||||||||||
|
Зал 42×24 м |
Зал 36×18 м |
Зал 30×18 м |
Зал 24×12 м |
|||||||||||
|
Для занятий |
||||||||||||||
|
мужчин |
женщин |
мужчин и женщин |
мужчин |
женщин |
мужчин и женщин |
мужчин |
женщин |
мужчин и женщин |
мужчин |
женщин |
||||
|
Оборудование и инвентарь, постоянно находящиеся в зале и устанавливаемые в соответствии с приведенными планами залов |
||||||||||||||
|
1 |
Перекладина гимнастическая: |
|||||||||||||
|
высокая |
шт. |
2 |
- |
1 |
1 |
- |
1 |
1 |
- |
1 |
1 |
- |
||
|
переменной высоты |
шт. |
1 |
- |
1 |
1 |
- |
1* |
- |
- |
- |
- |
- |
||
|
пристенная складная |
шт. |
1 |
- |
1 |
- |
- |
- |
1 |
- |
1 |
- |
- |
||
|
2 |
Брусья гимнастические: |
|||||||||||||
|
женские (на растяжках) |
шт. |
- |
3 |
1 + 1* |
- |
2 |
1 |
- |
1 |
1 |
- |
1 |
||
|
мужские |
шт. |
3 |
- |
3 |
1 |
- |
1 |
1 |
- |
1 |
1 |
- |
||
|
универсальные (женские и мужские) |
шт. |
- |
2 |
2 |
1 |
1 |
1* |
1 |
1 |
1* |
- |
- |
||
|
3 |
Бревно гимнастическое: |
|||||||||||||
|
высокое |
шт. |
- |
7 |
5 |
- |
5 |
3 |
- |
3 |
2 |
- |
1 |
||
|
низкое |
шт. |
- |
4 |
2 |
- |
2 |
1 |
- |
1 |
1 |
- |
1 |
||
|
4 |
Конь гимнастический: |
|||||||||||||
|
для опорных прыжков женщин |
шт. |
- |
1 |
1 |
- |
1 |
1 |
- |
- |
- |
- |
- |
||
|
для опорных прыжков мужчин |
шт. |
1 |
- |
1 |
1 |
- |
1 |
- |
- |
- |
- |
- |
||
|
для опорных прыжков |
шт. |
1 |
1 |
2 |
1 |
1 |
2 |
1 |
1 |
1 |
1 |
1 |
||
|
универсальный с ручками |
3 |
- |
2 |
2 |
- |
1 |
1 |
- |
1 |
1 |
- |
|||
|
5 |
Кольца гимнастические: на стойках (портике) |
пары |
2 |
- |
1 |
- |
- |
1 (к листу 8) |
- |
- |
- |
- |
||
|
на блочной подвеске переменной высоты |
на консоли или потолочные |
пары |
3 |
- |
3 |
2 |
- |
2 |
2 |
- |
2 |
1 |
- |
|
|
постоянной высоты |
пары |
1 |
- |
1 |
1 |
- |
1 |
1 (к листу 8) |
- |
1 |
- |
- |
||
|
6 |
Канат для лазания |
шт. |
6 |
6 |
6 |
4 |
4 |
4 |
4 |
4 |
4 |
2 |
2 |
|
|
7 |
Ковер гимнастический (для вольных упражнений) |
шт. |
- |
- |
- |
- |
- |
- |
- |
- |
- |
- |
1 |
|
|
8 |
Настил для вольных упражнений |
шт. |
1 |
1 |
1 |
1 |
1 |
1 |
1 |
1 |
1 |
- |
- |
|
|
9 |
Батут |
шт. |
1 |
1 |
1 |
1 |
1 |
1 |
1 |
1 |
1* |
1 |
1 |
|
|
10 |
Дорожка акробатическая |
шт. |
1 |
1 |
1 |
1 |
1 |
1 |
1 |
1 |
1* |
1* |
1* |
|
|
11 |
Дорожка резиновая для разбега в прыжках (ширина 0,8 - 1,2 м) |
м |
2 по 20 |
2 по 20 |
≥ 20 |
≥ 20 |
≥ 20 |
≥ 20 |
≥ 20 |
≥ 20 |
≥ 20 |
15 - 17 |
16 - 17 |
|
|
12 |
Мостик гимнастический эластичный (типа «Рейтер») |
шт. |
12 |
12 |
15 |
8 |
8 |
10 |
6 |
6 |
6 |
3 |
3 |
|
|
13 |
Зеркало (высота ≥ 1,8 м; низ зеркала на 0,2 м от пола) |
м |
10 |
10 |
10 |
10 |
10 |
10 |
10 |
10 |
10 |
10 |
10 |
|
|
14 |
Станок хореографический |
м |
10 |
10 |
10 |
10 |
10 |
10 |
10 |
10 |
10 |
10 |
10 |
|
|
15 |
Стенка гимнастическая |
м |
10 |
10 |
10 |
10 |
10 |
10 |
10 |
10 |
10 |
10 |
10 |
|
|
16 |
Лонжа: |
|||||||||||||
|
универсальная (подвесная) |
шт. |
4 |
4 |
6 |
4 |
4 |
4 |
3 |
3 |
4 |
3 |
3 |
||
|
подвесная передвижная |
шт. |
1 |
1 |
1 |
1 |
1 |
1 |
1 |
1 |
1 |
- |
- |
||
|
17 |
Мат гимнастический: |
|||||||||||||
|
из очеса стандартный |
шт. |
80 |
95 |
110 |
55 |
60 |
65 |
40 |
40 |
50 |
25 |
25 |
||
|
из очеса по спецзаказу |
компл. |
3 |
3 |
4 |
2 |
2 |
2 |
1 |
1 |
1 |
- |
- |
||
|
из поролона* |
шт. |
30 |
30 |
30 |
20 |
20 |
20 |
15 |
15 |
15 |
7 |
7 |
||
|
Оборудование и инвентарь, размещающиеся в зале, но не показанные на планах залов |
||||||||||||||
|
18 |
Козел гимнастический: |
|||||||||||||
|
для прыжков |
шт. |
2 |
2 |
2 |
1 |
1 |
1 |
1 |
1 |
1 |
1 |
1 |
||
|
с ручками |
шт. |
2 |
- |
1 |
1 |
- |
1 |
1 |
- |
1 |
1 |
- |
||
|
19 |
Пианино или рояль |
шт. |
1 |
1 |
1 |
1 |
1 |
1 |
1 |
1 |
1 |
1 |
1 |
|
|
20 |
Скамейка гимнастическая |
шт. |
10 |
10 |
10 |
8 |
8 |
8 |
6 |
6 |
6 |
4 |
4 |
|
|
21 |
Стоялки гимнастические: |
|||||||||||||
|
большие |
шт. |
2 |
- |
1 |
1 |
- |
1 |
1 |
- |
1 |
1 |
- |
||
|
разной высоты |
шт. |
- |
2 |
1 |
- |
1 |
1 |
- |
1 |
1 |
- |
1 |
||
|
ручные |
пар |
20 |
20 |
20 |
12 |
12 |
12 |
10 |
10 |
10 |
8 |
8 |
||
|
22 |
Трамплин гимнастический или на амортизаторах для акробатики и гимнастики |
шт. |
2 |
2 |
2 |
1 |
1 |
1 |
1 |
1 |
1 |
1 |
1 |
|
|
23 |
Тумбочка для магнезии |
шт. |
12 |
8 |
10 |
8 |
5 |
6 |
6 |
4 |
6 |
6 |
4 |
|
|
24 |
Ящик для канифоли |
шт. |
5 |
5 |
5 |
3 |
3 |
3 |
3 |
3 |
3 |
2 |
2 |
|
|
25 |
Стремянка-подставка для чистки снарядов (опорная площадка 0,3×0,3 м, высота 0,6 - 0,7 м) |
шт. |
4 |
2 |
4 |
2 |
1 |
2 |
2 |
1 |
2 |
2 |
1 |
|
|
26 |
Тележка: |
|||||||||||||
|
для перевозки брусьев |
шт. |
2 |
2 |
2 |
1 |
1 |
1 |
1 |
1 |
1 |
1 |
1 |
||
|
для перевозки матов |
шт. |
2 |
2 |
2 |
1 |
1 |
1 |
1 |
1 |
1 |
1 |
1 |
||
|
Оборудование, применяемое только для соревнований |
||||||||||||||
|
27 |
Стол судейский (0,5×4 м; h = 0,7 - 0,75 м) |
шт. |
12 |
12 |
12 |
12 |
12 |
12 |
8 |
8 |
8 |
6 |
6 |
|
|
28 |
Указка судейская |
шт. |
15 |
15 |
15 |
10 |
10 |
10 |
10 |
10 |
10 |
10 |
10 |
|
|
29 |
Часы программные с убывающим временем световые** |
шт. |
2 |
2 |
2 |
1 |
1 |
1 |
1 |
1 |
1 |
|||
|
30 |
Весы медицинские |
шт. |
1 |
1 |
1 |
1 |
1 |
1 |
1 |
1 |
1 |
1 |
1 |
|
|
31 |
Доска грифельная (на подставке) |
шт. |
1 |
1 |
1 |
1 |
1 |
1 |
1 |
1 |
1 |
1 |
1 |
|
|
32 |
Тренажеры |
компл. |
1 |
1 |
1 |
1 |
1 |
1 |
1 |
1 |
1 |
1 |
1 |
|
|
33 |
Штанга тяжелоатлетическая (народная) |
шт. |
1 |
- |
1 |
1 |
- |
1 |
1 |
- |
1 |
1 |
- |
|
|
34 |
Эспандер универсальный грузовой |
шт. |
2 |
2 |
2 |
1 |
1 |
1 |
1 |
1 |
1 |
1 |
1 |
|
|
* Хранится в инвентарной и вносится в зал как оборудование (в том числе взамен другого). ** Световые программные часы с убывающим временем (№ 46) предусматриваются, как правило, в демонстрационных залах, имеющих стационарные трибуны на 600 мест и более, однако желательно по возможности предусматривать их в каждом специализированном зале. Примечания 1. Кроме перечисленного в табеле для каждого зала следует предусматривать: часы настенные (в зале 42×24 м рекомендуется иметь двое часов); пылесос (рекомендуется установка в здании пылесоса промышленного типа с разводкой трубопроводов от него в зал и другие помещения, требующие уборки). 2. Оборудование и инвентарь, предусматриваемые для замены выходящих из строя, в настоящий табель не включены. 3. Указанное в табеле оборудование для учебно-тренировочных занятий по спортивной гимнастике позволяет проводить занятия и по акробатике, и по художественной гимнастике; дополнительный инвентарь (только для художественной гимнастики) принят для одной группы занимающихся численностью 15 - 20 человек. 4. Различное количество видов спортивного оборудования, размещаемое в залах одного и того же размера, отражает практику проведения тренировочных занятий, связанную с традициями различных «школ» спортивной гимнастики (неравномерность соревновательных результатов в тех или иных видах упражнений), а также невозможность в залах стандартно-модульных размеров разместить комплекты оборудования в точном соответствии с действующим табелем оборудования для оснащения спортивных сооружений массового пользования. |
||||||||||||||
(рекомендуемое)
|
Размеры зала, м |
Вариант использования |
Количество основных снарядов, одновременно находящихся в зале |
|||
|
Длина |
Ширина |
Наименьшая высота до низа выступающих конструкций |
|||
|
(в осях ограждающих конструкций) |
при учебно-тренировочных занятиях |
при соревнованиях |
|||
|
42 |
24 |
6 |
Для мужчин |
Брусья 3 |
Два комплекта мужских снарядов при одном настиле для вольных упражнений |
|
Кольца 3 |
|||||
|
Конь с ручками 3 |
|||||
|
Конь для опорных прыжков 2 |
|||||
|
Настил для вольных упражнений 1 |
|||||
|
Перекладина 3 |
|||||
|
Для женщин |
Бревно 7 |
Два комплекта женских снарядов при одном настиле для вольных упражнений |
|||
|
Брусья 3 |
|||||
|
Конь для опорных прыжков 2 |
|||||
|
Настил для вольных упражнений 1 |
|||||
|
Для мужчин и женщин одновременно |
Бревно 6 |
Один мужской и один женский комплекты снарядов (одновременно) при одном настиле для вольных упражнений |
|||
|
Брусья мужские 2 |
|||||
|
Брусья женские 1 |
|||||
|
Кольца 2 |
|||||
|
Конь с ручками 2 |
|||||
|
Конь для опорных прыжков 2 |
|||||
|
Настил для вольных упражнений 1 |
|||||
|
Перекладина 2 |
|||||
|
36 |
18 |
6 |
Для мужчин |
Брусья 2 |
Один комплект мужских снарядов |
|
Кольца 2 |
|||||
|
Конь с ручками 2 |
|||||
|
Конь для опорных прыжков 2 |
|||||
|
Настил для вольных упражнений 1 |
|||||
|
Перекладина 2 |
|||||
|
Для женщин |
Бревно 5 |
Один комплект женских снарядов |
|||
|
Брусья 2 |
|||||
|
Настил для вольных упражнений 1 |
|||||
|
Конь для опорных прыжков 2 |
|||||
|
Для мужчин и женщин одновременно |
Бревно 3 |
Один комплект мужских или женских снарядов |
|||
|
Брусья мужские 1 |
|||||
|
Брусья женские 1 |
|||||
|
Кольца 1 |
|||||
|
Конь с ручками 1 |
|||||
|
Конь для опорных прыжков 2 |
|||||
|
Настил для вольных упражнений 1 |
|||||
|
Перекладина 1 |
|||||
|
30 |
18 |
6 |
Для мужчин |
Брусья 2 |
Один комплект мужских снарядов |
|
Кольца 1 |
|||||
|
Конь с ручками 1 |
|||||
|
Конь для опорных прыжков 1 |
|||||
|
Настил для вольных упражнений 1 |
|||||
|
Перекладина 1 |
|||||
|
Для женщин |
Бревно 3 |
Один комплект женских снарядов |
|||
|
Брусья 1 |
|||||
|
Конь для опорных прыжков 1 |
|||||
|
Настил для вольных упражнений 1 |
|||||
|
Для мужчин и женщин одновременно |
Бревно 2 |
Один комплект мужских или женских снарядов |
|||
|
Брусья мужские 1 |
|||||
|
Брусья женские 1 |
|||||
|
Кольца 1 |
|||||
|
Конь с ручками 1 |
|||||
|
Конь для опорных прыжков 1 |
|||||
|
Настил для вольных упражнений 1 |
|||||
|
Перекладина 1 |
|||||
|
24 |
12 |
6 |
Для мужчин |
Один комплект мужских или женских снарядов В обоих случаях с переменным использованием ковра для вольных упражнений или коня для опорных прыжков |
Возможно проведение только неклассификационных соревнований по упрощенной программе |
|
Для женщин |
|||||
|
Примечания 1. В один комплект снарядов входят: для мужчин - брусья, кольца, конь с ручками, конь для опорных прыжков, настил для вольных упражнений, перекладина, для женщин - бревно, брусья, настил для вольных упражнений, конь для опорных прыжков. 2. Кроме снарядов, указанных в таблице, в зале при учебно-тренировочных занятиях размещают дополнительно снаряды, оборудование и инвентарь в соответствии с табелем. 3. В зале 24×12 м вместо настила для вольных упражнений применяется ковер. |
|||||
(рекомендуемое)
|
Экспликационный номер |
Наименование спортивного оборудования и инвентаря |
Единица измерения |
Количество на одну площадку |
|||||
|
Для баскетбола |
Для волейбола |
Для бадминтона |
Для тенниса |
Для гандбола |
Для настольного тенниса |
|||
|
Оборудование с закладными деталями в ограждающих конструкциях |
||||||||
|
1 |
Канат для лазания |
шт. |
2 |
2 |
1 |
- |
2 |
- |
|
2 |
Рама наклонная с подвесными мячами |
шт. |
1 |
1 |
1 |
1 |
1 |
1 |
|
3 |
Стенка гимнастическая |
пролет (1 м) |
10 - 12 |
12 |
4 |
8 |
10 - 12 |
4 |
|
4 |
Стойка волейбольная с механизмом передвижения сетки |
шт. |
- |
4 |
- |
- |
- |
- |
|
5 |
Стойки теннисные с сеткой |
компл. |
- |
- |
- |
1 |
- |
- |
|
6 |
Щит баскетбольной с кольцом, сеткой и конструкцией крепления: |
|||||||
|
щит основной из оргстекла |
шт. |
2 |
1 |
- |
1 |
1 |
- |
|
|
щит тренировочный из оргстекла или дерева |
шт. |
6 |
1 |
2 |
1 |
1 |
- |
|
|
кольцо |
шт. |
8 |
1 |
2 |
1 |
1 |
- |
|
|
сетка |
шт. |
8 |
1 |
2 |
1 |
1 |
- |
|
|
Конструкция крепления щита: |
||||||||
|
пристенная основного или |
шт. |
2 |
- |
- |
- |
- |
- |
|
|
потолочная основного |
шт. |
2 |
- |
- |
- |
- |
- |
|
|
пристенная тренировочного |
шт. |
6 |
- |
2 |
- |
- |
- |
|
|
7 |
Щит баскетбольный тренировочный (ромбический 2,4×2,4 м) |
шт. |
1 |
1 |
- |
- |
- |
- |
|
8 |
Щит тренировочный (3,5×2,5 м) |
шт. |
- |
- |
- |
- |
2 |
- |
|
9 |
Стенка тренировочная |
м |
- |
- |
- |
16 - 20 |
- |
- |
|
10 |
Фонды из материи размером: |
|||||||
|
а 16×3 м |
шт. |
- |
- |
- |
2 |
- |
- |
|
|
б 8×3 м |
шт. |
- |
- |
- |
- |
2 |
- |
|
|
в 5×3 м |
шт. |
- |
- |
2 |
- |
- |
- |
|
|
11 |
Ворота для гандбола с сеткой и с сеткой-гасителем |
компл. |
- |
- |
- |
- |
2 |
- |
|
Переносные оборудование и инвентарь |
||||||||
|
12 |
Антенна для волейбола |
шт. |
- |
2 |
- |
- |
- |
- |
|
13 |
Батут |
шт. |
1 |
1 |
- |
1 |
1 |
- |
|
14 |
Ворота для гандбола переносные с сеткой |
компл. |
- |
- |
- |
- |
2 |
- |
|
15 |
Вышка судейская |
шт. |
- |
1 |
1 |
1 |
- |
- |
|
16 |
Доска демонстрационная (магнитная) |
шт. |
1 |
1 |
- |
1 |
1 |
- |
|
17 |
Дорожка акробатическая |
шт. |
- |
1 |
- |
1 |
1 |
- |
|
18 |
Конь гимнастический |
шт. |
1 |
1 |
- |
- |
- |
- |
|
19 |
Мат гимнастический |
шт. |
6 |
8 |
4 |
6 |
6 |
- |
|
20 |
Набор снарядов для развития прыгучести в составе: |
|||||||
|
рамы наклонной с подвесными мячами |
шт. |
См. № 2 |
||||||
|
тумбы наклонной (с ограничителем тумбы) |
шт. |
1 |
1 |
1 |
1 |
1 |
1 |
|
|
пирамиды прыжковой |
шт. |
1 |
1 |
1 |
1 |
1 |
1 |
|
|
перекладины с крюками |
шт. |
1 |
1 |
1 |
1 |
1 |
1 |
|
|
реек разновысоких сбивающихся |
компл. |
1 |
1 |
1 |
1 |
1 |
1 |
|
|
21 |
Сетка со стойками для игры в бадминтон |
компл. |
- |
- |
1 |
- |
- |
- |
|
22 |
Стойка баскетбольная передвижная |
компл. |
1 - 2 |
- |
- |
- |
- |
- |
|
23 |
Скамейка гимнастическая |
шт. |
4 |
4 |
- |
2 |
4 |
1 |
|
24 |
Трамплин гимнастический |
шт. |
1 |
1 |
- |
- |
1 |
- |
|
25 |
Штанга тяжелоатлетическая (народная) |
шт. |
2 |
1 |
- |
- |
2 |
- |
|
26 |
Щит для мини-баскетбола с кольцом и сеткой |
компл. |
4 |
- |
- |
- |
- |
- |
|
Примечания 1. Оборудование и инвентарь под № 1 - 3, 6 - 9, 10, 19, 22 и 23 постоянно находятся непосредственно в зале. Остальное оборудование и инвентарь размещаются в инвентарной при зале или, в зависимости от размеров зала и его использования, непосредственно в зале. Оборудование и инвентарь, предусматриваемые для замены выходящих из строя, в настоящий табель не включены. 2. Фоны для бадминтона (№ 10,в) можно не предусматривать при размещении в торцах площадки тренировочной стенки (№ 9) или при соответствующей окраске торцовых стен зала и отсутствии на них (до высоты 3 м) спортивных снарядов. 3. Потолочная конструкция крепления основного баскетбольного щита (№ 6) и переносная баскетбольная стойка (№ 22) применяются в залах, размер которых по длинной оси поля для игры превышает 30 м. В случаях когда устройство потолочной конструкции крепления щита (в зависимости от принятой конструкции потолка) технически сложно, взамен не применяется переносная баскетбольная стойка. 4. Стойки для игры в бадминтон (№ 21) применены переносные, с тяжелым основанием. |
||||||||
(рекомендуемое)
|
Экспликационный номер |
Наименование спортивного оборудования и инвентаря |
Единица измерения |
Количество оборудования и инвентаря в залах |
||||||
|
30×18 м |
36×18 м |
||||||||
|
Для бадминтона |
Для баскетбола |
Для волейбола |
Для бадминтона |
Для баскетбола |
Для волейбола |
Для тенниса |
|||
|
Оборудование с закладными деталями в ограждающих конструкциях |
|||||||||
|
1 |
Канат для лазания |
шт. |
2 |
2 |
2 |
2 |
2 |
2 |
- |
|
2 |
Рама наклонная с подвесными мячами (из набора снарядов для развития прыгучести) |
шт. |
1 |
1 |
1 |
2 |
1 |
2 |
1 |
|
3 |
Стенка гимнастическая |
пролет |
15 |
10 |
15 |
20 |
15 |
20 |
10 |
|
4 |
Стойка волейбольная с механизмом передвижения сетки |
шт. |
- |
- |
4 |
- |
- |
6 |
- |
|
5 |
Стойки теннисные с сеткой |
компл. |
- |
- |
- |
- |
- |
- |
1 |
|
6 |
Щит баскетбольный с кольцом, сеткой и конструкцией крепления: |
||||||||
|
щит основной из оргстекла |
шт. |
- |
2 |
1 |
- |
2 |
1 |
1 |
|
|
щит тренировочный из оргстекла или дерева |
шт. |
2 |
6 |
- |
2 |
6 |
- |
- |
|
|
кольцо |
шт. |
2 |
8 |
1 |
2 |
8 |
1 |
1 |
|
|
сетка |
шт. |
2 |
8 |
1 |
2 |
8 |
1 |
1 |
|
|
Конструкция крепления щита: |
|||||||||
|
пристенная основного |
шт. |
- |
2 |
1 |
- |
1 |
- |
- |
|
|
потолочная основного |
шт. |
- |
- |
1 |
- |
1 |
1 |
1 |
|
|
пристенная тренировочного |
шт. |
2 |
6 |
1 |
2 |
6 |
- |
- |
|
|
7 |
Щит баскетбольный тренировочный (ромбический 2,4×2,4 м) |
шт. |
- |
1 |
1 |
- |
1 |
1 |
- |
|
8 |
Щит тренировочный (3,5×2,5 м) |
шт. |
- |
- |
- |
- |
- |
- |
- |
|
9 |
Стенка тренировочная |
м |
- |
- |
- |
- |
- |
- |
16 |
|
10 |
Фоны из материи размером: |
||||||||
|
16×3 м |
шт. |
- |
- |
- |
- |
- |
- |
2 |
|
|
8×3 м |
шт. |
- |
- |
- |
- |
- |
- |
- |
|
|
5×3 м |
шт. |
2 - 6 |
- |
- |
2 - 6 |
- |
- |
- |
|
|
11 |
Ворота для гандбола с сеткой и с сеткой-гасителем |
компл. |
- |
- |
- |
- |
- |
- |
- |
|
Переносные оборудование и инвентарь |
|||||||||
|
12 |
Батут |
шт. |
- |
1 |
1 |
- |
1 |
1 |
1 |
|
13 |
Ворота для ручного мяча переносные с сеткой |
шт. |
- |
- |
- |
- |
- |
- |
- |
|
14 |
Вышка судейская |
шт. |
4 |
- |
1 |
4 |
- |
1 |
- |
|
15 |
Конь гимнастический |
шт. |
- |
1 |
1 |
- |
1 |
1 |
- |
|
Оборудование и инвентарь для соревнований |
|||||||||
|
Доска показателей счета |
компл. |
1 |
1 |
1 |
1 |
1 |
1 |
1 |
|
|
16 |
Приспособление для подъема флага |
шт. |
1 |
1 |
1 |
1 |
1 |
1 |
1 |
|
17 |
Пьедестал |
шт. |
1 |
1 |
1 |
1 |
1 |
1 |
1 |
|
18 |
Счетчик для игры в настольный теннис |
компл. |
1 |
- |
- |
1 |
- |
- |
- |
|
19 |
Свисток судейский |
шт. |
- |
2 |
4 |
- |
2 |
4 |
- |
|
20 |
Секундомер |
шт. |
- |
2 |
1 |
- |
2 |
1 |
- |
|
21 |
Указка персональных замечаний |
компл. |
- |
1 |
- |
- |
1 |
- |
- |
|
22 |
Флажок судейский |
шт. |
- |
- |
4 |
- |
- |
4 |
- |
|
23 |
Флажок судейский настольный |
шт. |
- |
1 |
- |
- |
1 |
- |
- |
|
24 |
Электронные часы |
шт. |
- |
2 |
- |
- |
2 |
- |
- |
|
Примечания 1. В универсальном зале (попеременно используемом для различных видов спортивных игр) при неодинаковом количестве оборудования и инвентаря одного и того же наименования для разных игр следует принимать его наибольшее значение, а при одинаковом количестве - принимать как для одной из игр. Остальные оборудование и инвентарь суммируются. 2. При попеременных занятиях в одном зале по бадминтону, теннису и гандболу фоны из материи (№ 10) предусматриваются только для одного вида игр; при этом принимается наибольший из требуемых размер фона. 3. Демонстрационные устройства (№ 24) следует, как правило, предусматривать в залах, имеющих стационарные трибуны не менее чем для 600 зрителей; в остальных залах они заменяются шахматными часами и доской показателей счета, которые при наличии демонстрационных устройств не предусматриваются. 5. Приспособление для подъема флага и пьедестал предусматриваются, как правило, в залах со стационарными трибунами на 600 и более мест. 6. См. также примечания 1 и 4 к приложению В. |
|||||||||
(рекомендуемое)
|
Экспликационный номер |
Наименование спортивного оборудования и инвентаря |
Единица измерения |
Количество оборудования и инвентаря в залах для |
|||||
|
бокса |
борьбы |
тяжелой атлетики |
||||||
|
18×12 м |
30×15 м |
24×15 м |
30×18 м |
18×9 м |
24×12 м |
|||
|
Оборудование с закладными деталями в ограждающих конструкциях |
||||||||
|
1 |
Груша насыпная (подвесная) |
шт. |
4 |
8 |
- |
- |
- |
- |
|
2 |
Зеркало высотой 2 м и шириной, м: |
|||||||
|
3 |
шт. |
2 |
2 |
1 |
2 |
- |
- |
|
|
1,5 |
шт. |
- |
- |
- |
- |
3 |
5 |
|
|
3 |
Канат для лазания |
шт. |
1 |
2 |
3 |
6 |
1 |
2 |
|
4 |
Кольца гимнастические |
компл. |
- |
- |
1 |
2 |
1 |
1 |
|
5 |
Ковер борцовский размером: |
|||||||
|
11×11 м с кругом диаметром 9 м |
компл. |
- |
- |
1 |
2 |
- |
- |
|
|
17×9 м с двумя кругами диаметром 7 м каждый |
компл. |
- |
- |
1 |
- |
- |
- |
|
|
6 |
Мешок боксерский цилиндрический (подвесной) |
шт. |
5 |
10 |
- |
- |
- |
- |
|
7 |
Мяч на растяжках |
шт. |
2 |
4 |
- |
- |
- |
- |
|
8 |
Платформа с боксерской пневматический грушей |
компл. |
3 |
6 |
- |
- |
- |
- |
|
9 |
Подушка настенная для тренировки боксеров |
шт. |
2 |
4 |
- |
- |
- |
- |
|
10 |
Помост тяжелоатлетический размером, м: |
|||||||
|
4×4 |
шт. |
- |
- |
- |
- |
1 |
1 |
|
|
2,8×2,8 |
шт. |
1 |
2 |
1 |
2 |
2 |
4 |
|
|
11 |
Ринг боксерский: |
|||||||
|
с помостом |
компл. |
- |
1 |
- |
- |
- |
- |
|
|
со стоиками, устанавливаемыми в стаканы, которые забетонированы в полу или |
компл. |
1 |
1 |
- |
- |
- |
- |
|
|
со стоиками, устанавливаемыми на полу и закрепленными оттяжками |
компл. |
- |
- |
- |
- |
- |
- |
|
|
12 |
Станок для развития кистей рук |
шт. |
2 |
4 |
2 |
4 |
1 |
2 |
|
13 |
Стенка гимнастическая |
пролет |
4 |
8 |
6 |
12 |
4 |
8 |
|
14 |
Стойка для отжима |
шт. |
- |
- |
- |
- |
1 |
2 |
|
15 |
Чучело тренировочное для борьбы |
шт. |
- |
- |
8 |
16 |
- |
- |
|
16 |
Тренажер «эспандер грузовой» |
шт. |
2 |
4 |
2 |
4 |
1 |
2 |
|
Переносные оборудование и инвентарь, постоянно находящиеся в зале |
||||||||
|
17 |
Вешалка для спортивных костюмов и полотенец |
шт. |
Число крючков по числу занимающихся |
|||||
|
18 |
Гири спортивные массой, кг: |
|||||||
|
16 и 24 |
штук каждой массы |
2 |
4 |
2 |
4 |
2 |
4 |
|
|
32 |
2 |
4 |
2 |
4 |
||||
|
19 |
Мат гимнастический |
шт. |
1 |
2 |
2 |
2 |
2 |
2 |
|
20 |
Скамейка со стойками для жима лежа |
шт. |
- |
- |
- |
- |
1 |
2 |
|
21 |
Скамейка тяжелоатлетическая |
шт. |
- |
- |
- |
- |
1 |
2 |
|
22 |
Станок изометрический |
шт. |
- |
- |
1 |
1 |
- |
- |
|
23 |
Стеллаж для дисков штанг |
шт. |
1 |
2 |
1 |
2 |
3 |
5 |
|
24 |
Стойки для приседания со штангой |
шт. |
- |
- |
- |
- |
1 |
2 |
|
25 |
Скамейка гимнастическая |
шт. |
4 |
4 |
2 |
4 |
3 |
6 |
|
26 |
Табурет |
шт. |
2 |
4 |
- |
- |
- |
- |
|
27 |
Тазик металлический |
шт. |
2 |
4 |
- |
- |
- |
- |
|
28 |
Тумбочка для магнезии |
шт. |
- |
- |
- |
- |
3 |
5 |
|
29 |
Урна-плевательница на высокой подставке |
2 |
4 |
2 |
4 |
- |
- |
|
|
30 |
Штанга тяжелоатлетическая: |
|||||||
|
народная |
компл. |
1 |
2 |
- |
- |
- |
- |
|
|
тренировочная |
компл. |
- |
- |
1 |
2 |
3 |
6 |
|
|
рекордная |
компл. |
- |
- |
- |
- |
3 |
5 |
|
|
31 |
Ящик для канифоли |
шт. |
2 |
4 |
- |
- |
3 |
5 |
|
Примечания 1. Кроме приведенного оборудования и инвентаря необходимо на каждый зал иметь медицинские весы, которые рекомендуется размещать в раздевальной. 2. В табель не включены: информационная и регистрирующая (судейская) аппаратура и другое оборудование и инвентарь для соревнований, так как их следует предусматривать в залах, предназначенных для соревнований со стационарными местами для зрителей. |
||||||||
(справочное)
Бадминтон - играют по обычным правилам на площадке 13×5 м, сетка на высоте 1,5 м, две команды по 1 - 2 человека.
Аналогичны правила игры в «теннис индиака», только здесь мяч из пластмассы с оперением перебрасывается через сетку теннисными ракетками (для настольного тенниса).
Баскетбол сидя - для инвалидов с ПОДА представляет два дополнительных требования к размеру и оборудованию:
- площадки обычного размера; должны быть зоны безопасности 2 м со всех сторон, а в торцах лучше 3 м. Соответственно минимальный размер площадки с зонами безопасности 32×16 м, а зала с учетом модульных размеров - 36×18 м;
- корзина может быть на консольной опоре, когда основание опоры остается вне 3 м зоны безопасности. Опоры должны иметь мягкую защитную обшивку.
Предпочтительнее крепление щитов к стене или потолку. Команда состоит из 5 человек. Размер площадки 25,6×15,24 м (рисунок 4.51, схема Б).
Бочче - игра в шары для инвалидов с ПОДА. Цель игры - бросить (катнуть) шар, чтобы он остановился как можно ближе к шару меньшего размера, постоянно установленному на середине площадки для игры (рисунок 4.53, схема Г).
Боссель - игра в зале, аналог керлинга. Пол в зале должен быть идеально гладким. Правила игры напоминают бочче. В игре - 2 комплекта по 3 специальных биты на щетках и кубик. Игра идет на поле 12×16 м (рисунок 4.53, схема Д).
Волейбол сидя - для инвалидов с ПОДА. В момент игры на площадке находятся 6 человек. Играют сидя на полу без протезов (рисунок 4.51, схема А).
Размеры площадки: длина 10 м, ширина 6 м, высота сетки от пола у мужчин - 120 см, у женщин - 110 см, атакующая линия - 1,5 м от центральной линии, разделяющей поле пополам. Разметка площадки на рисунке 3. Длина сетки 6,5 м, ширина 1 м.
Гандбол через сетку - играют инвалиды-ампутанты - 2 команды по 6-10 человек, поле 30×10 м, сетка (шнур) на высоте 1,8 - 2 м от пола. Перед сеткой - зона 2 м, в которую нельзя заступать. «Воротами» является вся зона в торцах площадки, а верхняя граница «ворот» - шнур на высоте 2,4 м от пола.
Голбол - имеет определенные отличия от роллингбола, он намного динамичнее, быстрее. В этой игре могут участвовать абсолютно слепые спортсмены.
Команда состоит из 3 игроков. Защитники и вратарь являются одновременно и нападающими. Цель игры - забросить мяч в ворота противника (мяч должен катиться по полу).
Площадка для игры имеет размер 18×9 м. Ворота расположены вдоль лицевой линии Опорные стойки круглой формы, подбитые войлоком, устанавливаются в крайних точках лицевой линии (h = 1,3 м). Перекладина закреплена. Мяч - медицинбол.
Площадка делится на 3 сектора по 6 м и центральной линией на 2 части по 9 м. Каждая половина площадки в свою очередь разбивается на три зоны: защиты, нападения, среднюю.
В зоне защиты игроки располагаются вдоль линии ворот на специальных ориентировочных матах (1,5×2×0,02 м). Зона нападения - 3 м.
Все обозначения, линии ограничения должны быть шириной 5 см и иметь контрастную поверхность с полом, особенно в секторе команды, чтобы игроки имели возможность легко, на ощупь ориентироваться на игровом поле. Размер зала с учетом зон ориентации и безопасности - 18×30 м (рисунок 4.52, схема Б).
Квад-регби - уникальная спортивная игра для квадроплегиков. Играется на баскетбольной площадке, две команды по 4 человека. Цель игры - перенести мяч через линию ворот противника.
В кегли могут играть люди всех возрастов, с нарушением зрения и прикованные к инвалидному креслу. В кегли играют как в помещении (на коротком мате - свертываемом ковре), так и на открытом воздухе.
Мяч сидя - вариант волейбола для слепых. Размер площадки 10×8 м, делится посередине сеткой (h = 2 м от пола). Мяч подается открытой рукой, возможно одно касание земли, до удара руками. Передвижение по площадке - скольжением, поэтому качество покрытия должно быть особенно высоким (рисунок 4.53, схема А).
Мяч с отскоком (прельбол) - близкая по смыслу игра. Играют 2 команды по 4 игрока, сетка высотой 0,4 м, площадка для игры 16×8 м. Играют стоя, удары по мячу кистью или локтевой частью руки. Отскок сначала от своей части площадки (рисунок 4.53, схема Б).
Мяч через шнур - развлекательная спортивная игра, близкая по смыслу к волейболу. Играют инвалиды-ампутанты: 2 команды по 4 игрока. Нельзя допускать падения мяча.
Ринг-теннис - теннис с кольцом. Играют, как правило, инвалиды-ампутанты и инвалиды с дефектами зрения. Игровая площадка 12×4 м, сетка посередине площадки на высоте 1,5 м. В игре 2 команды по 2 человека (рисунок 4.53, схема В).
Роллингбол - поле размером 24×12 м, делится средней линией на два квадрата 12×12 м. Ограничительные линии прокладываются по боковым и лицевым границам.
На каждой лицевой линии стоят ворота шириной 6 м и высотой 1,3 м. Перед линией ворот укладываются три ориентировочных мата одинакового размера (длина от 2 до 2,5 м, ширина 1 м) так, чтобы средний мат по своей длине лежал на 0,2 м от линии ворот посередине площадки, два внешних мата находятся на расстоянии 2,2 м от лицевой и не менее 2,5 м от боковых линий.
По обе стороны средней линии на расстоянии 3 м проводятся параллельные линии, ограничивающие площадь броска. В составе команды 5 игроков. Они разделяются на 3 линии - нападения, защиты и вратаря. Цель игры - забросить мяч в ворота противника (мяч должен катиться по полу).
По границе площадки должна идти полоса ориентации шириной 1,2 м и зона безопасности 1,2 м.
Торбол - команда для игры состоит из 3 игроков. Площадка для торбола имеет размер 16×7 м. Ворота длиной 7 м и высотой 1,3 м устанавливаются на лицевой линии.
На расстоянии 6 м от лицевой линии проводится параллельная ей линия, ограничивающая игровую зону. Размер игровой зоны 7×6 м. На 7-метровой линии на высоте 40 см от пола натягивают шнур с колокольчиками по бокам, такой же шнур натягивается над центральной линией.
На расстоянии 2,2 м от линии ворот проводят линию штрафного броска параллельно лицевой линии. Все ограничительные линии должны быть шириной 5 см и быть легко осязаемы. Мяч - медицинбол.
Для облегчения ориентации внутри каждой игровой зоны располагают по три мата (2×1×0,02 м). Центральный мат располагают параллельно лицевой линии площадки на расстоянии 0,2 м по его длине. Два других мата располагают параллельно лицевой линии на расстоянии от нее 1,2 м, а их внешние боковые стороны должны совпадать с боковыми линиями площадки, а передние - с линией штрафного броска (рисунок 4.52, схема А). Мяч - резиновый, озвученный (0,5 кг).
Футбол на колясках - проводится согласно правилам американской ассоциации инвалидов. Поле для футбола - 55 м длиной, зоны у ворот (штрафные зоны) 7 м, зона начала игры 14 м. В команде по 6 игроков, есть 2 нападающих, которые могут играть руками (броски мяча вниз об поле, симулирующие удары). Остальные игроки маневрируют на колясках без права касания мяча руками.
Футбол-теннис - развлекательная игра для инвалидов-ампутантов. Играют две команды по 4 игрока. Прямоугольное поле 20×8 м делится сеткой высотой 1 м от пола. Разрешен переброс мяча любой частью тела, кроме рук.
Шоу-даун - одна из немногих спортивных игр, в которую слепые могут играть без посторонней помощи. Благодаря ей слепые могут обрести так нужное им чувство независимости, уверенности в своих возможностях. Игра появилась и получила наибольшее развитие в Канаде. Играют 2 человека.
Оборудование напоминает стол для настольного тенниса, по которому перекатывается мячик. Игровая поверхность 3810×1270 мм, борта стола высотой 254 мм. Углы закруглены на 162 мм от угла. На обоих концах стола - «ворота» размером 150×220×300 мм, глубиной 100 мм. Окраска стола зеленая. Столы могут быть переносными или стационарными. Высота стола над полом 990 мм. В центре стола устанавливается экран высотой 356 мм с закругленными углами, выполняющий роль ширмы при игре частично зрячих. Экран устанавливается на поперечный брусок, закрепленный на бортах посередине стола (рисунок 4.54).
Размеры помещения для игры в шоу-даун не менее 6×9 м. Помещение должно быть рассчитано на 1 стол, необходима тщательная акустическая обработка помещения, при игре требуется соблюдать тишину.
(рекомендуемое)
|
№ п.п. |
Перечень помещений |
Площадь, м2 |
|
1 |
Кабинет врача (заведующего центром)* |
14 - 16 |
|
2 |
Ожидальная (комната для отдыха) |
9 - 12 |
|
3 |
Кабинет электро- и светолечения* |
7 - 8 на 1 кушетку |
|
Помещение для обработки прокладок |
8 |
|
|
4 |
Душевой зал: кафедра на 5 душевых установок* |
25 - 30 |
|
раздевальная при зале* |
12 - 14 |
|
|
насосная кафедры |
18 |
|
|
5 |
Подводный душ-массаж: комната с ванной* |
20 - 22 на 1 процедурное место |
|
кабина для переодевания* |
4,0 на 1 процедурное место |
|
|
6 |
Кабинет рефлексотерапии* |
7 - 8 на 1 процедурное место |
|
7 |
Кабинет механотерапии* |
56 |
|
8 |
Кабинет для проведения тестов с физической нагрузкой (велоэргометрия, спироэргометрия и др.) |
20 |
|
9 |
Процедурная* |
12 |
|
10 |
Кабинет психологической разгрузки* |
18 - 25 |
|
11 |
Санузлы: |
|
|
мужской (1 унитаз, 1 писсуар с умывальником в шлюзе) |
||
|
женский (2 унитаза с умывальником в шлюзе) |
6 |
|
|
совмещенный для инвалидов-опорников* 4 - 5 |
4 - 5 |
|
|
12 |
Комната обслуживающего персонала |
12 - 15 |
|
13 |
Комната грязного белья и уборочного инвентаря |
4 |
|
* Площадь помещений дается с учетом их использования инвалидами, передвигающимися на колясках. Примечания 1. Количество кушеток в кабинете электро- и светолечения, процедурных мест в кабинетах рефлексотерапии, подводного душа, массажа определяется заданием на проектирование. 2. В зависимости от местных условий заданием на проектирование могут предусматриваться изменения состава помещений. |
||
(справочное)
|
Вид спорта |
Спортсмены с поражением опорно-двигательного аппарата |
Спортсмены с дефектами слуха |
Спортсмены с недостатками зрения |
Спортсмены с нарушением интеллекта |
||||
|
входит в программу ПИ |
не входит в программу ПИ |
входит в программу ОИГ |
не входит в программу ОИГ |
входит в программу ПИ |
не входит в программу ПИ |
входит в программу ПИ |
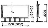
не входит в программу ПИ |
|
|
Армрестлинг |
+ |
+ |
+ |
|||||
|
Бадминтон |
+ |
+ |
+ |
|||||
|
Баскетбол |
+ |
+ |
||||||
|
Баскетбол на колясках |
+ |
|||||||
|
Борьба дзюдо |
+ |
|||||||
|
Борьба вольная |
+ |
|||||||
|
Борьба греко-римская |
+ |
|||||||
|
Боулинг |
+ |
+ |
+ |
|||||
|
Бочче |
+ |
+ |
||||||
|
Велоспорт - трек |
+ |
+ |
||||||
|
Велоспорт - шоссе |
+ |
+ |
+ |
+ |
||||
|
Водное поло |
+ |
|||||||
|
Волейбол |
+ |
+ |
+ |
|||||
|
Волейбол сидя |
+ |
|||||||
|
Пляжный волейбол |
+ |
|||||||
|
Гандбол |
+ |
+ |
||||||
|
Гимнастика спортивная |
+ |
+ |
+ |
+ |
||||
|
Голбол |
+ |
|||||||
|
Дартс |
+ |
|||||||
|
Конный спорт |
+ |
|||||||
|
Легкая атлетика |
+ |
+ |
+ |
+ |
||||
|
Парусный спорт |
+ |
+ |
||||||
|
Пауэрлифтинг (поднятие тяжестей), тяжелая атлетика |
+ |
+ |
+ |
+ |
||||
|
Плавание |
+ |
+ |
+ |
+ |
||||
|
Спортивное ориентирование |
+ |
+ |
||||||
|
Стрельба из лука |
+ |
|||||||
|
Стрельба пулевая |
+ |
+ |
||||||
|
Теннис |
+ |
+ |
+ |
|||||
|
Теннис настольный |
+ |
+ |
+ |
|||||
|
Торбол |
+ |
+ |
||||||
|
Фехтование |
+ |
|||||||
|
Футбол |
+ |
+ |
+ |
+ |
||||
|
Мини-футбол |
+ |
+ |
||||||
|
Футзал |
+ |
|||||||
|
Шахматы |
+ |
+ |
+ |
|||||
|
Шашки |
+ |
+ |
+ |
|||||
|
Лыжные гонки |
+ |
+ |
+ |
+ |
||||
|
Биатлон |
+ |
+ |
||||||
|
Горнолыжный спорт |
+ |
+ |
+ |
|||||
|
Конькобежный спорт |
+ |
+ |
||||||
|
Фигурное катание |
+ |
|||||||
|
Хоккей с шайбой |
+ |
+ |
||||||
|
Хоккей на полу |
+ |
|||||||
|
Шоу-даун |
+ |
|||||||
|
КЛАССИФИКАЦИЯ ФИЗКУЛЬТУРНО-СПОРТИВНЫХ СООРУЖЕНИЙ ПО ХАРАКТЕРУ ИСПОЛЬЗОВАНИЯ И ТИПУ ОСНОВНОГО СООРУЖЕНИЯ |

Условные обозначения:
- Составные
части любого физкультурно-спортивного сооружения
- Составные части
сооружений в основном спортивно-демонстрационного назначения
- Объемно-планировочный
тип основного сооружения
- Характер использования
(функциональный тип) основного сооружения
* Универсальные - сооружения, попеременно используемые для разных видов физкультурно-спортивных занятий и соревнований при значительной трансформации места их проведения.
** Специализированные - сооружения для одного или нескольких родственных видов физкультурно-спортивных занятий и соревнований при несложной и нетрудоемкой трансформации основного сооружения.
*** Многофункциональные сооружения, включающие помещения (залы) для различных видов физкультурно-спортивных и оздоровительно-досуговых занятий основного сооружения.
|
ФУНКЦИОНАЛЬНО-ПЛАНИРОВОЧНАЯ СХЕМА КОРПУСА СПОРТИВНЫХ ЗАЛОВ, В ТОМ ЧИСЛЕ ДОСТУПНЫХ ДЛЯ ИНВАЛИДОВ |

Условные обозначения:
- Основной вход (входы) в
здание
- Помещения основного
состава
- Помещения
дополнительного состава
- Смежное расположение
помещений
- Функциональное объединение (универсализация) помещений
- Функциональная связь,
связь элементов здания
- Движение занимающихся
- Места для зрителей
- Обеспечение доступности
инвалидам различных категорий
|
ФУНКЦИОНАЛЬНО-ПЛАНИРОВОЧНАЯ СХЕМА КОРПУСА СПОРТИВНЫХ ЗАЛОВ |
2 (прод.) |
ЭКСПЛИКАЦИЯ ПОМЕЩЕНИЙ
1. Вестибюль для занимающихся и сотрудников; 2. Вестибюль для зрителей; 3. Помещение охраны; 4. Касса; 5. Камера хранения; 6. Фойе для зрителей; 7. Гардеробная верхней (уличной) одежды; 8. Зал для спортивных игр; 9. Зал для спортивной гимнастики и акробатики; 10. Зал для художественной гимнастики; 11. Зал для шейпинга; 12. Зал для ОФП; 13. Зал для тяжелой атлетики; 14. Зал для бокса; 15. Зал для борьбы; 16. Зал для индивидуальной силовой (тренажерной) подготовки; 17. Зона индивидуальной силовой подготовки; 18. Радиоузел; 19. Командно-групповые раздевальные (не менее двух пар) с хранением домашней одежды в помещениях для переодевания на вешалках или в шкафах; 20. Общие (для мужчин и женщин) раздевальные с хранением домашней одежды в помещениях для переодевания в закрытых двухъярусных шкафах*; 21. Душевые; 22. Санузлы; 23. Инвентарные; 24. Тренерские; 25. Помещения для судей и прессы (СМИ); 26. Методический кабинет; 27. Учебная часть; 28. Пункт медицинского контроля (кабинет врача); 29. Медико-восстановительный центр; 30. Сауна (сауны); 31. Массажная (массажные); 32. Холлы для отдыха занимающихся; 33. Буфет (кафе); 34. Административно-служебные помещения; 35. Помещения технического персонала; 36. Бытовые помещения для рабочих; 37. Кладовые уборочного инвентаря; 38. Кладовые, склады; 39. Мастерские; 40. Технические помещения
* Для хранения домашней одежды допускается устройство гардеробной с обслуживанием, размещаемой смежно с мужскими и женскими раздевальными. Они оборудуются открытыми двухъярусными шкафами согласно функциональной схеме.

|
УСЛОВНЫЕ ОБОЗНАЧЕНИЯ |
|
|
Основной оконный проем................................................................................... |
|
|
Возможные места выхода из зала, размещения открытого проема или двери в инвентарную |
|
|
Экспликационные номера: |
|
|
оборудование и инвентарь.......................................................................... |
|
|
яма под снарядом.......................................................................................... |
|
|
Границы рабочей зоны (зоны безопасности) вокруг снаряда.......................... |
|
|
Граница ямы под гимнастическим снарядом..................................................... |
|
|
Нежелательное расположение слепящих источников света (в том числе оконных проемов без светозащитных устройств) |
|
|
Резиновая дорожка для разбега............................................................................ |
|
|
Лонжи и направляющие для их перемещения................................................... |
|
|
Стандартный гимнастический мат..................................................................... |
|
|
Канат для лазания.................................................................................................. |
|
|
Груши насыпные (подвесные)............................................................................. |
|
|
Кольца гимнастические........................................................................................ |
|
|
Мешки боксерские цилиндрические (подвесные)............................................ |
|
|
Места закладных деталей для крепления оборудования.................................. |
|
На схемах планировки помещений указаны унифицированные модульные параметры с учетом опыта проектирования, приводятся точные размеры всех элементов планировки и привязки конструктивных элементов к модульным разбивочным осям. Размеры на чертежах указаны в см, на чертежах оборудования - в мм или специально оговариваются.
На планах (габаритных схемах) ширина и длина помещений указаны минимальные со знаком «≥». На некоторых листах минимальные размеры оговорены специальными примечаниями.
На чертежах оборудования указаны основные габаритные размеры, а на общих планах и на схемах планировочных узлов - размеры элементов оборудования и отдельные твердо установленные параметры, а также минимальные со знаком «>» расстояния между предметами оборудования и ширина проходов.
На планах расстановки оборудования в залах для гимнастики и для спортивных игр отсчет размеров принят от внутренней поверхности стен с привязкой их к строительным осям, равной 40 см. При иной привязке размеры, показанные со знаком «≥», должны быть соответственно откорректированы. Стены на чертежах залов для гимнастики показаны из кирпича, а залов для спортивных игр - в каркасно-панельной конструкции.
Расстановка оборудования во всех залах, разметка полей для спортивных игр, а также состав и количество оборудования приведены для залов без балконов или трибун для зрителей (трибуны можно предусматривать только за пределами указанных габаритов залов).
В табелях оборудования и инвентаря порядковые номера являются одновременно и экспликационными, принятыми на соответствующих чертежах.
При проектировании зала с местами для зрителей расстановку оборудования, а также размещение площадок для спортивных игр необходимо корректировать; при этом количество оборудования, которое нужно крепить к ограждающим конструкциям зала, допускается уменьшать.
Размещение демонстрационных устройств не указано, так как должно определяться в каждом отдельном случае в зависимости от расположения трибун (мест) для зрителей.
На габаритных схемах оборудования показано лишь размещение геометрических центров закладных деталей на внутренней (лицевой) поверхности конструкций.
|
ЗАЛ ДЛЯ ГИМНАСТИКИ 24×12 м |
ВАРИАНТЫ ПЛАНОВ РАССТАНОВКИ ОБОРУДОВАНИЯ:
для занятий мужчин

для занятий женщин

Примечание - Спецификация снарядов и оборудования дана на листах 4.10 - 4.11 и в приложениях А и Б.
|
ЗАЛ ДЛЯ ГИМНАСТИКИ 30×18 м (МУЖЧИНЫ) |
ВАРИАНТЫ РАССТАНОВКИ ОБОРУДОВАНИЯ

Примечание - Спецификация снарядов и оборудования дана на листах 4.10 - 4.11 и в приложениях А и Б.
|
ЗАЛ ДЛЯ ГИМНАСТИКИ 30×18 м |
ВАРИАНТЫ ПЛАНОВ РАССТАНОВКИ ОБОРУДОВАНИЯ:
для занятий женщин

для занятий мужчин и женщин

Примечание - Спецификация снарядов и оборудования дана на листах 4.10 - 4.11 и в приложениях А и Б.
|
ЗАЛ ДЛЯ ГИМНАСТИКИ 36×18 м |
ВАРИАНТЫ ПЛАНОВ РАССТАНОВКИ ОБОРУДОВАНИЯ:
для занятий мужчин

для занятий женщин

Примечание - Спецификация снарядов и оборудования дана на листах 4.10 - 4.11 и в приложениях А и Б.
|
ЗАЛ ДЛЯ ГИМНАСТИКИ 36×18 м (МУЖЧИНЫ И ЖЕНЩИНЫ) |
ВАРИАНТЫ РАССТАНОВКИ ОБОРУДОВАНИЯ

Примечание - Спецификация снарядов и оборудования дана на листах 4.10 - 4.11 и в приложениях А и Б.
|
ЗАЛ ДЛЯ ГИМНАСТИКИ 42×24 м (МУЖЧИНЫ) |
ВАРИАНТЫ РАССТАНОВКИ ОБОРУДОВАНИЯ

Примечание - Спецификация снарядов и оборудования дана на листах 4.10 - 4.11 и в приложениях А и Б.
|
ЗАЛ ДЛЯ ГИМНАСТИКИ 42×24 м (ЖЕНЩИНЫ) |
ВАРИАНТЫ РАССТАНОВКИ ОБОРУДОВАНИЯ

Примечание - Спецификация снарядов и оборудования дана на листах 4.10 - 4.11 и в приложениях А и Б.
|
ЗАЛ ДЛЯ ГИМНАСТИКИ 42×24 м (МУЖЧИНЫ И ЖЕНЩИНЫ) |
ВАРИАНТЫ РАССТАНОВКИ ОБОРУДОВАНИЯ

Примечание - Спецификация снарядов и оборудования дана на листах 4.10 - 4.11 и в приложениях А и Б.
|
Экспл. № |
Наименование |
Схема размещения |
Примечания |
|
(5А) |
Кольца гимнастические на портале |
|
|
|
(5Б) |
Кольца гимнастические на пристенной консоле |
План Боковой вид
|
Крепление колец к стенам на пристенной консоли определяется по месту. |
|
(6) |
Канат для лазания на пристенной консоле |
План Боковой вид
|
|
ЯМЫ ПОД СНАРЯДАМИ В ЗАЛАХ ДЛЯ ГИМНАСТИКИ |
4.14 |
|
Экспл. № |
Наименование |
Схема и размеры |
|||||||||||||||||||||
|
(ЯА) |
Ямы под перекладиной и под женскими брусьями |
|
|||||||||||||||||||||
|
(ЯБ) |
Ямы для опорных прыжков |
|
|||||||||||||||||||||
|
(ЯВ) |
Ямы под батутом |
|
|||||||||||||||||||||
|
Конструкция ям под снарядами произвольная. Края ям в открытом виде обкладываются съемным мягким бортом. При заполнении ям кусками поролона рекомендуется укладывать их в сетку, чтобы легко было вынимать для очистки и проветривания. При смежном размещении двух снарядов, позволяющем устраивать одну общую яму, допускается принимать ее размеры меньше суммарного размера двух ям (учитывая разновременность приземления), но с соблюдением зон безопасности вокруг снарядов. При смежном расположении ямы под батутом с какой-либо другой ямой между ними необходимо устраивать перегородку (без уменьшения размеров каждой из ям). |
|||||||||||||||||||||||
|
ПЛОЩАДКА ДЛЯ БАДМИНТОНА |
4.15 |
ПЛОЩАДКА (АРЕНА) ДЛЯ ОДИНОЧНОЙ ИГРЫ
(для затесненных условий)

Все линии разметки - толщиной 40 мм. Линии входят в размеры площадки.
ЭКСПЛИКАЦИЯ
Линии разметки:
1 Ближняя линия подачи; 2 Дальняя линия подачи для парной игры; 3 Дальняя линия подачи для одиночной игры; 4 Боковая линия для парной игры; 5 Боковая линия для одиночной игры
Зоны площадки:
7 Правое поле подачи; 8 Левое поле подачи; 9 Зона безопасности
Оборудование:
10 Стойки переносные; 11 Сетка; 12 Фоны тканевые 3×5 м; 13 Судейская вышка; 14 Граница арены
* Размеры для учебно-тренировочных занятий и соревнований.
** Размеры для соревнований международного уровня.
|
ПЛОЩАДКА (АРЕНА) ДЛЯ СОРЕВНОВАНИЙ И УЧЕБНО-ТРЕНИРОВОЧНЫХ ЗАНЯТИЙ ПО БАСКЕТБОЛУ |

ЭКСПЛИКАЦИЯ
Линии разметки:
1 Лицевая линия; 2 Боковая линия; 3 Центральная линия; 4 Линия штрафного броска; 5 Линия трехочковых бросков; 6 Центральный круг
Зоны площадки:
7 Область штрафного броска; 8 Трехсекундная зона; 9 Зона безопасности; 10 Зона для официальных представителей; 11 Зона для скамьи команды
Оборудование:
12 Щит; 13 Корзина; 14 Секретарский столик; 15 Скамья команды; 16 Граница арены (ближайшее к игровому полю препятствие); 17 Рекламный щит
Все линии разметки толщиной 50 мм. Линии не входят в размеры площадок.
* Размеры для учебно-тренировочных занятий и соревнований.
** Размеры для соревнований международного уровня.
|
ПЛОЩАДКА ДЛЯ ВОЛЕЙБОЛА |
4.17 |

Все линии разметки - толщиной 50 мм. Линии входят в размеры площадки.
ЭКСПЛИКАЦИЯ
Линии разметки:
1 Лицевая линия; 2 Боковая линия; 3 Линия атаки; 4 Средняя линия
Оборудование:
5 Стойки; 6 Сетка; 7 Судейская вышка; 8 Стол секретаря; 9 Скамьи команд; 10 Граница арены
Зоны площадки:
11 Передняя зона; 12 Задняя зона; 13 Зона подачи; 14 Свободная зона; 15 Зона замены; 16 Зона разминки
* Минимально допустимый размер (в сооружениях для физкультурно-оздоровительных занятий).
** Максимальный размер (при проведении соревнований международного уровня).
|
ПЛОЩАДКА ДЛЯ ТЕННИСА |
4.18 |

Толщина линий разметки: задней - от 25 до 100 мм, остальных - от 25 до 50 мм. Линии входят в размеры площадки.

* Размеры для учебно-тренировочных занятий и соревнований.
** Размеры для международных соревнований.
ЭКСПЛИКАЦИЯ
Линии разметки:
1 Средняя линия; 2 Линия подачи; 3 Боковая линия для одиночной игры; 4 Боковая линия для парной игры; 5 Задняя линия; 6 Средняя метка; 7 Метка для подпорки
Оборудование:
8 Стойки; 9 Подпорки; 10 Сетка; 11 Судейская вышка; 12 Фоны тканевые 16×3 м
Зоны площадки:
13 Первое поле подачи; 14 Второе поле подачи; 15 Зона безопасности («забеги»); 16 Судейская зона; 17 Граница арены; 18 Граница площадки
|
ПЛОЩАДКА ДЛЯ НАСТОЛЬНОГО ТЕННИСА |
4.19 |
ПЛОЩАДКА (АРЕНА) ДЛЯ СОРЕВНОВАНИЙ И УЧЕБНО-ТРЕНИРОВОЧНЫХ ЗАНЯТИЙ

Размеры площадки (арены), мм, в зависимости от уровня соревнований (не менее)
|
Уровень соревнований |
Длина L |
Ширина В |
Минимальная высота зала до низа конструкций |
|
Муниципальный |
7700 |
4250 |
3000 |
|
Региональный |
10700 |
4700 |
3000 |
|
Федеральный |
12000 |
6000 |
4000 |
|
Международный |
14000 |
7000 |
4000 |
БЛОКИРОВКА ПЛОЩАДОК

СТОЛ С СЕТКОЙ

* Уменьшенная высота стола - для учебно-тренировочных занятий и соревнований детей до 12 лет включительно.
ЭКСПЛИКАЦИЯ
1. Границы площадки; 2. Стол; 3. Сетка; 4. Барьеры высотой 750 мм для перехвата мячей (переносные или стационарные, конструкция - произвольная, окраска - темная)
|
ПРИМЕРЫ РАЗМЕЩЕНИЯ ИГРОВЫХ ПЛОЩАДОК В ЗАЛЕ 42×24 м |
ЗАЛ ДЛЯ БАДМИНТОНА
А - площадка для парной или одиночной игры, Б - площадка только для одиночной игры

ЗАЛ ДЛЯ БАСКЕТБОЛА

|
ПРИМЕРЫ РАЗМЕЩЕНИЯ ИГРОВЫХ ПЛОЩАДОК В ЗАЛЕ 42×24 м |
ЗАЛ ДЛЯ ВОЛЕЙБОЛА

ЗАЛ ДЛЯ ГАНДБОЛА

|
ПРИМЕРЫ РАЗМЕЩЕНИЯ ИГРОВЫХ ПЛОЩАДОК ДЛЯ ВОЛЕЙБОЛА |
ЗАЛ РАЗМЕРОМ 30×18 м

ЗАЛ РАЗМЕРОМ 24×15 м

Примечание - Спецификацию оборудования смотреть на листах 4.29, 4.30 и в приложениях В и Г.
|
ПРИМЕР РАЗМЕЩЕНИЯ ПЛОЩАДОК ДЛЯ БАДМИНТОНА В ЗАЛЕ 30×18 м |

Примечание - Спецификацию оборудования смотреть на листах 4.29, 4.30 и в приложениях В и Г.
|
ПРИМЕР РАЗМЕЩЕНИЯ ПЛОЩАДКИ ДЛЯ БАСКЕТБОЛА В ЗАЛЕ 30×18 м |

Примечание - Спецификацию оборудования смотреть на листах 4.29, 4.30 и в приложениях В и Г.
|
ПРИМЕРЫ РАЗМЕЩЕНИЯ ПЛОЩАДОК ДЛЯ ВОЛЕЙБОЛА В ЗАЛЕ 36×18 м |
ДЛЯ ДВУСТОРОННЕЙ ИГРЫ (СОРЕВНОВАНИЙ)

ДЛЯ УЧЕБНО-ТРЕНИРОВОЧНЫХ ЗАНЯТИЙ

Примечание - Спецификацию оборудования смотреть на листах 4.29, 4.30 и в приложениях В и Г.
|
ПРИМЕР РАЗМЕЩЕНИЯ ПЛОЩАДОК ДЛЯ БАДМИНТОНА В ЗАЛЕ 36×18 м |

Примечание - Спецификацию оборудования смотреть на листах 4.29, 4.30 и в приложениях В и Г.
|
ПРИМЕР РАЗМЕЩЕНИЯ ПЛОЩАДКИ ДЛЯ БАСКЕТБОЛА В ЗАЛЕ 36×18 м |

Примечание - Спецификацию оборудования смотреть на листах 4.29, 4.30 и в приложениях В и Г.
|
ПРИМЕРЫ РАЗМЕЩЕНИЯ ИГРОВЫХ ПЛОЩАДОК В ЗАЛЕ 36×18 м |
ЗАЛ ДЛЯ ТЕННИСА

ЗАЛЫ ДЛЯ УЧЕБНО-ТРЕНИРОВОЧНЫХ ЗАНЯТИЙ ПО НЕСКОЛЬКИМ ВИДАМ СПОРТИВНЫХ ИГР

А. Зал 30×18 м для: бадминтона (А), баскетбола (Б), волейбола (В)

Б. Зал 36×18 м для: бадминтона (А), баскетбола (Б), волейбола (В), тенниса (Г)
Примечание - Спецификацию оборудования смотреть на листах 4.29, 4.30 и в приложениях В и Г.
|
СПЕЦИФИКАЦИЯ ОБОРУДОВАНИЯ ЗАЛОВ ДЛЯ СПОРТИВНЫХ ИГР |
|
№ |
Наименование |
Схема общего вида и размеры |
|
(1) |
Канат для лазания (вариант крепления на консоли) вес = 10,8 кг (без учета веса консоли) |
|
|
(2) |
Рама наклонная с подвесными мячами (из набора снарядов для развития прыгучести - см. № 31) вес = 22,5 кг |
|
|
(3) |
Стенка гимнастическая I - однопролетная, вес = 60 кг II - двухпролетная, вес = 115 кг |
|
|
(4) |
Стойки волейбольные с механизмом передвижения сетки I - пристенная II - на растяжках* III - план установки стоек на растяжках вес стойки = 31,5 кг |
|
|
(5) |
Стойки теннисные с сеткой вес 1 стойки = 21,5 кг |
|
|
(6) |
Щит баскетбольный с кольцом, сеткой и конструкцией крепления А - или Б - щит В - кольцо Г - сетка вес = 100 кг |
|
|
(6Д) |
Пристенная конструкция крепления** I - вид спереди II - вид сбоку III - вид сверху вес = 236,5 кг (со щитом, кольцом и сеткой) |
|
|
(6Е) |
Потолочная конструкция крепления** I - вид спереди II - вид сбоку III - вид сверху вес = 450 кг (со щитом, кольцом и сеткой) |
|
|
(7) |
Щит баскетбольный тренировочный (ромбический) |
|
|
(8) |
Щит тренировочный для гандбола |
Очертания ворот и прямоугольника с цифрами наносятся на щит краской |
|
(9) |
Стенка тренировочная |
|
* Возможно применение устанавливаемых в стаканы стоек без растяжек.
** Возможно использование любого функционального аналога.
|
СПЕЦИФИКАЦИЯ ОБОРУДОВАНИЯ ЗАЛОВ ДЛЯ СПОРТИВНЫХ ИГР |
|
№ |
Наименование |
Схема общего вида и размеры |
||
|
(11) |
Ворота для ручного мяча 7:7 |
|
||
|
(15) |
Вышка судейская |
|
||
|
(18) |
Конь гимнастический |
|
||
|
(20) |
Набор снарядов для развития прыгучести А. Тумба наклонная |
|
||
|
Б. Пирамида прыжковая |
|
|||
|
(21) |
Стойки с сеткой для бадминтона (переносные на тяжелом основании) |
|
||
|
(23) |
Гимнастическая скамейка |
|
||
|
(26) |
Щит для мини-баскетбола с кольцом и сеткой (схема установки) 1 - щит нормального размера 2 - щит для мини-баскетбола |
|
||
|
Крепление к полу (нормаль ВИСТИ Н-2211) |
|
|||
|
Втулка установочная (нормаль ВИСТИ Н-2212) |
|
|||
На листах 4.27 и 4.28 приведены схемы оборудования, прикрепляемого к ограждающим конструкциям зала, а также схемы крупногабаритного переносного оборудования.
Волейбольные и теннисные стойки (№ 4 и № 5) и ворота для ручного мяча (№ 11) крепят к полу с помощью закладных деталей, входящих в комплект оборудования. В случаях, когда расстояние от боковой линии поля для игры в волейбол до стены зала 1,5 м и менее, стойки следует прикреплять непосредственно к стене (см. схему на листе 4.29).
Пристенную (№ 6Д) и потолочную (№ 6Е) конструкции крепления основного баскетбольного щита следует принимать, руководствуясь ТУ 2206-58 и ТУ 2237-58 ВИСТИ с корректировкой размеров применительно к местоположению щитов в зале и высоте его.
На изготовление тренировочного щита 3,5×2,5 м (№ 8) и тренировочной стенки (№ 9) рекомендуется применять конструкцию, предусмотренную для гладких тренировочных баскетбольных щитов. Щиты и стенки должны жестко прикрепляться вплотную к стенке зала.
|
АРЕНЫ ДЛЯ СОРЕВНОВАНИЙ ПО БОКСУ И ТЯЖЕЛОЙ АТЛЕТИКЕ |
4.31 |
СХЕМА ПЛАНА АРЕНЫ ДЛЯ СОРЕВНОВАНИЙ ПО БОКСУ

ЭКСПЛИКАЦИЯ
1. Ринг на помосте, h = 1,0 м; 2. Канаты; 3. Места судей-счетчиков; 4. Место судьи-хронометриста; 5. Места секундантов; 6. Граница арены; 7. Зона размещения зрителей и репортеров
СХЕМА ПЛАНА АРЕНЫ ДЛЯ СОРЕВНОВАНИЙ ПО ТЯЖЕЛОЙ АТЛЕТИКЕ

ЭКСПЛИКАЦИЯ
1. Граница арены; 2. Платформа (помост) высотой около 1 м для участников соревнований; 3. Помост для штанги; 4. Зона размещения вспомогательного оборудования (стеллаж для дисков, весы, магнезница, ящик с канифолью); 5. Зона судей и обслуживающего персонала; 6. Зона разминки и отдыха; 7. Перегородка (ширма, занавес); 8. Информационное табло
* Размеры согласовываются с организаторами соревнований.
|
АРЕНЫ ДЛЯ СОРЕВНОВАНИЙ ПО БОРЬБЕ |
4.32 |
СХЕМА ПЛАНА АРЕНЫ ДЛЯ СОРЕВНОВАНИЙ ПО КЛАССИЧЕСКОЙ И ГРЕКО-РИМСКОЙ БОРЬБЕ

ЭКСПЛИКАЦИЯ
1. Рабочая зона; 2. Зона пассивности; 3. Центральный круг; 4. Зона безопасности; 5. Граница площадки (помоста h = 1100 мм); 6. Зона размещения судей и обслуживающего персонала; 7. Граница арены; 8. Зона размещения зрителей
Примечания
1. При смежном расположении нескольких ковров на одном помосте (во время соревнований) расстояние между наружными границами зон безопасности каждой пары ковров принимается не менее 2 м.
2. При учебно-тренировочных занятиях в помещениях ограниченной ширины в случае близкого расположения (менее 1,5 м) или примыкания наружной границы зоны безопасности к стенам последние должны быть облицованы упругими матами на высоту 1,8 м.
СХЕМА ПЛАНА АРЕНЫ ДЛЯ СОРЕВНОВАНИЙ ПО САМБО

ЭКСПЛИКАЦИЯ
1. Граница ковра (зона безопасности); 2. Граница укладки борцовских матов; 3. Граница площадки (помоста h = 1,1 м); 4. Рабочая зона; 5. Центральный круг; 6. Зона безопасности; 7. Зона размещения судей и обслуживающего персонала; 8. Граница арены; 9. Зона размещения зрителей
Примечание - При размещении ковра для учебно-тренировочных занятий по самбо в помещении (зале) шириной не более 13 м в местах примыкания зоны безопасности к стенам необходима облицовка стен упругими матами на высоту 1,8 м.
Условные обозначения:
- красный
цвет;
- синий цвет;
-
желтый цвет;
- зеленый
цвет
|
АРЕНЫ ДЛЯ СОРЕВНОВАНИЙ ПО КАРАТЭ И ДЗЮДО |
4.33 |
СХЕМА ПЛАНА АРЕНЫ ДЛЯ СОРЕВНОВАНИЙ ПО КАРАТЭ

ЭКСПЛИКАЦИЯ
1. Граница площадки; 2. Граница зоны безопасности; 3. Граница арены; 4. Зона поединка; 5. Черта исходной позиции спортсменов; 6. Черта исходной позиции рефери; 7. Места боковых судей; 8. Зона размещения участников соревнований; 9. Зона размещения арбитра и судей-хронометристов; 10. Зона размещения судейской бригады; 11. Зона безопасности; 12. Зона возможного размещения зрителей
СХЕМА ПЛАНА АРЕНЫ ДЛЯ СОРЕВНОВАНИЙ ПО ДЗЮДО

ЭКСПЛИКАЦИЯ
1. Граница арены; 2. Граница ковра (татами); 3. Граница рабочей зоны (10×10 м); 4. Зона борьбы; 5. Опасная зона; 6. Зона безопасности; 7. Места судей
Условные обозначения:
- зеленый цвет;
-
красный цвет;
- специальное
покрытие (любой цвет, кроме красного и белого)
ПЛОЩАДКА ДЛЯ СОРЕВНОВАНИЙ ПО РУКОПАШНОМУ БОЮ

1 - граница площадки; 2 - граница площади, покрытой татами; 3 - граница арены; 4 - граница ковра; 5 - зона проведения поединка; 6 - опасная зона; 7 - зона безопасности; 8 - черта исходной позиции бойца (длина - 500 мм, ширина - от 50 до 100 мм), красная; 9 - то же, синяя; 10 - черта исходной позиции рефери, красная; 11 - место бокового судьи; 12 - судейский стол; 13 - место табло; 14 - стол врача; 15 - зона возможного размещения зрителей
Примечания
1 Расстояние «а» принимается не менее 500 мм.
2 При проведении учебно-тренировочных занятий на площадке с размером менее 14×14 м (например, в зале шириной 12 м) в местах примыкания зоны безопасности к стенам необходима облицовка стен упругими матами на высоту 1,8 м.
СХЕМА РАЗМЕЩЕНИЯ ПЛОЩАДОК ДЛЯ УЧЕБНО-ТРЕНИРОВОЧНЫХ ЗАНЯТИЙ ВОСТОЧНЫМИ ЕДИНОБОРСТВАМИ В ЗАЛАХ 24×15 м

1 - зона поединка; 2 - зона безопасности; 3 - опасная зона; 4 - зона размещения вспомогательного оборудования
Условные обозначения:
- - красный цвет;
- желтый,
зеленый цвет (покрытие татами);
- синий
цвет
|
ЗАЛЫ ДЛЯ БОКСА РАЗМЕРОМ 18×12 м И 15×12 м (ОДНОКОМПЛЕКТНЫЕ) |
ПЛАН ЗАЛА 18×12 м ДЛЯ УЧЕБНО-ТРЕНИРОВОЧНЫХ ЗАНЯТИЙ

Примечание - На чертеже приведен вариант ринга (№ 11а), при котором стойки ринга устанавливают в стаканы, забетонированные в пол.
ПЛАН ЗАЛА 15×12 м ДЛЯ УЧЕБНО-ТРЕНИРОВОЧНЫХ ЗАНЯТИЙ

Примечание - Спецификация снарядов и оборудования дана на листах 4.40 - 4.46 и в приложении Д.
|
ЗАЛ ДЛЯ БОКСА РАЗМЕРОМ 30×15 м (ДВУХКОМПЛЕКТНЫЙ) |

Примечание - В связи с высокой единовременной пропускной способностью зала приведенного размера (51 чел. в смену) проектировать его следует, как правило, в случаях, когда общее число боксеров, занимающихся в этом зале, превышает 500 человек.
|
ЗАЛЫ МИНИМАЛЬНОГО РАЗМЕРА ДЛЯ ЗАНЯТИЙ ПО БОРЬБЕ (ОДНОКОМПЛЕКТНЫЕ) |
ПЛАН ЗАЛА РАЗМЕРОМ 18×15 м ДЛЯ УЧЕБНО-ТРЕНИРОВОЧНЫХ ЗАНЯТИЙ С КОВРОМ ДИАМЕТРОМ 9 м

ПЛАН ЗАЛА РАЗМЕРОМ 24×12 м ДЛЯ УЧЕБНО-ТРЕНИРОВОЧНЫХ ЗАНЯТИЙ С ДВУМЯ СПАРЕННЫМИ КОВРАМИ ДИАМЕТРОМ 7 м КАЖДЫЙ

Примечание - Спецификация снарядов и оборудования дана на листах 4.40 - 4.46 и в приложении Д.
|
ЗАЛ ДЛЯ БОРЬБЫ РАЗМЕРОМ 24×15 м (ОДНОКОМПЛЕКТНЫЙ) |
ПЛАН РАССТАНОВКИ СПОРТИВНОГО ОБОРУДОВАНИЯ
(вариант с ковром на один круг диаметром 9 м)

Примечание - Размер приведенного на чертеже ковра (диаметр 9 м) позволяет проведение занятий спортсменов любой квалификации.
|
ЗАЛ ДЛЯ БОРЬБЫ РАЗМЕРОМ 24×15 м (ОДНОКОМПЛЕКТНЫЙ) |
ПЛАН РАССТАНОВКИ СПОРТИВНОГО ОБОРУДОВАНИЯ
(вариант с ковром на два круга диаметром 7 м каждый)

Примечание - В связи с размещением в зале ковров минимально допустимого размера (диаметр 7 м) рекомендуется использовать его для начинающих спортсменов и борцов младших разрядов.
|
СПЕЦИФИКАЦИЯ ОБОРУДОВАНИЯ ЗАЛОВ ДЛЯ БОКСА, БОРЬБЫ И ТЯЖЕЛОЙ АТЛЕТИКИ |
|
№ |
Наименование |
Схема общего вида и размеры |
Схема и размеры рабочей зоны |
|
(1) |
Груша насыпная (подвесная) |
|
|
|
(3) |
Канат для лазания массой 10 кг (без учета массы крепления) а) крепление на пристенной консоли |
|
|
|
б) крепление к потолку, вблизи стены |
|
|
|
|
в) крепление на монорельсе |
|
|
|
СПЕЦИФИКАЦИЯ ОБОРУДОВАНИЯ ЗАЛОВ ДЛЯ БОКСА, БОРЬБЫ И ТЯЖЕЛОЙ АТЛЕТИКИ |
|
№ |
Наименование |
Схема общего вида и размеры |
Схема и размеры рабочей зоны |
|
(4) |
Кольца гимнастические переменной (на блочной подвеске) или постоянной высоты а) крепление на пристенной консоли с блочной подвеской (переменной высоты) б) крепление к потолку, вблизи стены (постоянной высоты) |
|
|
|
(5) |
Мат (ковер) для борьбы а) с одним кругом диаметром 9м б) с двумя кругами диаметром 7 м каждый |
|
|
|
(6) |
Мешок боксерский массой до 50 кг |
|
|
|
СПЕЦИФИКАЦИЯ ОБОРУДОВАНИЯ ЗАЛОВ ДЛЯ БОКСА, БОРЬБЫ И ТЯЖЕЛОЙ АТЛЕТИКИ |
|
№ |
Наименование |
Схема общего вида и размеры |
Схема и размеры рабочей зоны |
|
(7) |
Мяч на растяжках массой 1,8 кг (без учета массы крепления) |
|
|
|
(8) |
Платформа для боксерской груши массой 22 кг |
|
|
|
(9) |
Подушка настенная массой 28 кг для тренировки боксеров |
|
|
|
(10) |
Помост тяжелоатлетический а) размером 4×4 м, массой 1267 кг б) размером 2,8×2,8 м, массой 676 кг |
|
|
|
СПЕЦИФИКАЦИЯ ОБОРУДОВАНИЯ ЗАЛОВ ДЛЯ БОКСА, БОРЬБЫ И ТЯЖЕЛОЙ АТЛЕТИКИ |
|
№ |
Наименование |
Схема общего вида и размеры |
Схема и размеры рабочей зоны |
|
(12) |
Станок для развития кистей рук массой 10,5 кг |
|
|
|
(13) |
Стенка гимнастическая. Масса одного пролета 46 кг |
|
|
|
(14) |
Стойки для отжима массой 91,4 кг |
|
|
|
(16) |
Тренажер «эспандер грузовой пристенный» |
|
|
|
СПЕЦИФИКАЦИЯ ОБОРУДОВАНИЯ ЗАЛОВ ДЛЯ БОКСА, БОРЬБЫ И ТЯЖЕЛОЙ АТЛЕТИКИ |
|
№ |
Наименование |
Схема общего вида и размеры |
Схема и размеры рабочей зоны |
|
(20) |
Скамейка со стойками для жима лежа |
|
|
|
(21) |
Скамейка тяжелоатлетическая |
|
|
|
(24) |
Стойки для приседания со штангой |
|
|
|
(61) |
Стол для настольного тенниса (раскладной) |
|
|
|
СПЕЦИФИКАЦИЯ ОБОРУДОВАНИЯ ЗАЛОВ ДЛЯ БОКСА, БОРЬБЫ И ТЯЖЕЛОЙ АТЛЕТИКИ |
|
№ |
Наименование |
Схема общего вида и размеры |
|
(2) |
Зеркало шириной 1,5 м и 3 м |
|
|
(11) |
Ринг боксерский: а) с установкой на помосте |
|
|
б) со стойками, устанавливаемыми в стаканы, которые забетонированы в полу |
|
|
|
в) со стойками, устанавливаемыми на полу и закрепляемыми оттяжками |
|
|
|
(15) |
Чучела тренировочные для борьбы массой 20 - 50 кг |
|
|
(22) |
Станок изометрический |
|
|
(23) |
Стеллаж для дисков штанг |
|
|
(25) |
Скамейка гимнастическая |
|
|
(30) |
Штанга тяжелоатлетическая: а) народная массой 90 кг |
|
|
б) тренировочная массой 130 кг |
|
|
|
б) рекордная массой 130 кг |
|
|
СПЕЦИФИКАЦИЯ ОБОРУДОВАНИЯ ЗАЛОВ ДЛЯ БОКСА, БОРЬБЫ И ТЯЖЕЛОЙ АТЛЕТИКИ |
|
№ |
Наименование |
Схема общего вида и размеры |
|
(32) |
Батут для упражнений с набивными мячами |
|
|
(33) |
Батут (складной массовый): а) в рабочем положении |
|
|
б) в сложенном состоянии на подставке с колесами |
|
|
|
(42) |
Козел гимнастический |
|
|
(52) |
Плинт для штангистов |
|
|
(53) |
Пирамида для гантелей массой 16 кг и более |
|
|
(54) |
Полочка для гантелей: а) массой до 5 кг |
|
|
б) массой 6 - 12 кг |
|
|
ИСПОЛЬЗОВАНИЕ ЗАЛОВ ДЛЯ ЗАНЯТИЙ ОБЩЕФИЗИЧЕСКОЙ ПОДГОТОВКОЙ ВАРИАНТЫ ИСПОЛЬЗОВАНИЯ ЗАЛА 24×12 м |

А - ритмическая женская гимнастика и хореография; Б, В - подвижные игры, элементы спортивных игр; Г - ОФП; Д - элементы ОФП (опорные прыжки) или ритмическая женская гимнастика и хореография (занятия ритмической гимнастикой проводятся на свободной площади зала при неразвернутом трансформируемом оборудовании); Е - ОФП с тренажерами
ВАРИАНТЫ ОБОРУДОВАНИЯ ЗАЛА 18×12 м

ВАРИАНТЫ ОБОРУДОВАНИЯ ЗАЛА 9×6 м

1 - гимнастическая стенка; 2 - тренажер «Стенка»; 3 - тренажер «Гребля»; 4 - тренажер «Ритм»; 5 - дорожка для бега; 6 - велотренажер «Здоровье»; 7 - тренажер вращения; 8 - станок хореографический; 9 - зеркало; 10 - помост для тренера; 11 - баскетбольный щит; 12 - велотренажер; 13 - бревно-тренажер гимнастическое для групповых занятий; 14 - перекладина гимнастическая для групповых занятий; 15 - брусья гимнастические; 16 - мостик и конь для прыжков; 17 - снаряды подвесные гимнастические; 18 - рукоход подвесной
|
ИСПОЛЬЗОВАНИЕ ЗАЛОВ ДЛЯ ЗАНЯТИЙ ОБЩЕФИЗИЧЕСКОЙ ПОДГОТОВКОЙ |
А. ЗАЛ 15×15 м ДЛЯ ЗАНЯТИЙ ПО АЭРОБИКЕ

Б. ЗАЛ 15×9 м ДЛЯ ГРУППОВЫХ ЗАНЯТИЙ ЭЛЕМЕНТАМИ БОРЬБЫ

В. ЗАЛ 12×12 м ДЛЯ ЗАНЯТИЙ НА ТРЕНАЖЕРАХ

Г. ЗАЛ 9×9 м ДЛЯ ГРУППОВЫХ ЗАНЯТИЙ ПО РИТМИЧЕСКОЙ ГИМНАСТИКЕ, ХОРЕОГРАФИИ И ЖЕНСКОЙ ОЗДОРОВИТЕЛЬНОЙ ГИМНАСТИКЕ

1 - гимнастическая стенка; 2 - станок хореографический; 3 - зеркало; 4 - место инструктора; 5 - стеллажи для переносного оборудования; 6 - коврики для занятий в партере; 7 - тренажер вращения; 8 - тренажер «Стенка»; 9 - тренажер «Ритм»; 10 - тренажер для бега; 11 - тренажер гимнастический; 12 - устройство для развития тазобедренного сустава; 13 - велотренажер; 14 - тренажер для гребли; 15 - тренажер для развития мышц спины; 16 - маты
|
ПРИМЕРЫ РАССТАНОВКИ ТРЕНАЖЕРОВ В ЗАЛАХ |
А. ЗАЛ 9×9 м

Б. ЗАЛ 12×9 м

ЭКСПЛИКАЦИЯ ДЛЯ А И Б
1 - эспандер грузовой; 2 - тренажер для развития плечевого пояса и мышц груди; 3 - брусья консольные; 4 - тренажер для развития мышц бедра; 5 - тренажер для развития широчайших мышц спины; 6 - тренажер «Гребля»; 7 - тренажер для развития силы ног, тип 1; 8 - тренажер для развития силы ног, тип 2; 9 - штанга тяжелоатлетическая народная; 10 - скамья универсальная; 11 - стойка для жима лежа; 12 - маты; 13 - приспособление для развития мышц спины; 14 - тренажер для развития икроножных мышц; 15 - стеллаж для гантелей; 16 - зеркало; 17 - стеллаж для штанг; 18 - устройство для развития тазобедренных суставов; 19 - тренажер для бега Л.3-01; 20 - велотренажер; 21 - тренажер «Ритм-2»; 22 - тренажер «Стенка»; 23 - тренажер для вращения; 24 - тренажер для гребли; 25 - тренажер гимнастический; 26 - тренажер для развития мышц спины и пресса
В. ОБОРУДОВАНИЕ КАРДИОЗАЛА С СИСТЕМОЙ КОМПЬЮТЕРНОГО МОНИТОРИНГА

Условные обозначения:
I - кардиотренажеры «бегущая дорожка»; II - кардиотренажеры «ступеньки»;III - велокардиотренажеры; IV - гребные кардиотренажеры; V - принтер; VI - аппарат ЭКГ; VII - центральный компьютер
|
СПОРТИВНЫЙ ЗАЛ ДЛЯ ОЗДОРОВИТЕЛЬНЫХ ЗАНЯТИЙ |
ПЛАН ЗАЛА

I - зона для гимнастики; II - зона для занятий на батуте; III - зона для общеразвивающей терапии; IV - тренерская; V - инвентарная
1 - стенка для терапевтических занятий; 2 - тренажер «беговая дорожка»; 3 - турник и подвесное игровое оборудование; 4 - маты; 5 - брусья для ходьбы; 6 - балка-балансир
БАТУТ

1 - мягкая обивка; 2 - упругий пол; 3 - батут
ПРИСПОСОБЛЕНИЯ ДЛЯ ТЕРАПИИ ДВИЖЕНИЕМ

1 - лесенка; 2 - велотренажер; 3 - комбинированное кресло для упражнений лежа и в кресле-коляске; 4 - рама для крепления страховочных приспособлений; 5 - беговая дорожка
|
РАЗМЕЩЕНИЕ ПЛОЩАДОК ДЛЯ СПОРТИВНЫХ ИГР И ТРЕНИРОВОК ИНВАЛИДОВ С ПОРАЖЕНИЕМ ОПОРНО-ДВИГАТЕЛЬНОГО АППАРАТА |
СХЕМА РАЗМЕЩЕНИЯ ПЛОЩАДОК ДЛЯ СПОРТИВНЫХ ИГР В ЗАЛЕ 36×18 м

1 - разметка для баскетбола; 2 - разметка для волейбола; 3 - разметка для волейбола сидя; 4 - разметка для футбола - тенниса; 5 - разметка для гандбола через сетку; 6 - стенка гимнастическая; 7 - передвижной баскетбольный щит; 8 - тренировочный баскетбольный щит переменной высоты; 9 - стенка ребристая; 10 - снаряды подвесные; 11 - стойки волейбольные; 12 - сетки заградительные
СХЕМА РЕШЕНИЙ ЗАЛОВ ДЛЯ ОФП И ТРЕНИРОВОК

1 - гимнастическая стенка; 2 - велотренажер «Здоровье»; 3 - приспособление «Скамья универсальная»; 4 - тренажер для бега 5 - тренажер «Спортивные качели»; 6 - тренажер «Стенка»; 7 - скамейка гимнастическая; 8 - снаряды подвесные гимнастические; 9 - рукоход подвесной; 10 - станок для упражнений в ходьбе; 11 - станок пристенный; 12 - зеркало; 13 - место тренера; 14 - ковер; 15 - тренажер для развития ног; 16 - тренажер «Ритм»
Зал 9×6 м для занятий с использованием тренажерной техники

1 - станок пристенный для упражнений в ходьбе; 2 - зеркало; 3 - тренажер «Стенка»; 4 - станок напольный для упражнений в ходьбе; 5 - дорожка для бега; 6 - велотренажер «Здоровье»
Условные обозначения:
- проход для занимающихся;
- двери для провоза оборудования
|
ОБОРУДОВАНИЕ ЗАЛОВ ОБЩЕФИЗИЧЕСКОЙ ПОДГОТОВКИ С УЧЕТОМ ЗАНЯТИЙ ИНВАЛИДОВ С ПОРАЖЕНИЕМ ОПОРНО-ДВИГАТЕЛЬНОГО АППАРАТА |
ВАРИАНТЫ ОБОРУДОВАНИЯ ЗАЛА 24×12 м

ОБОРУДОВАНИЕ ЗАЛА 18×9 м

ЭКСПЛИКАЦИЯ
1 - гимнастическая стенка; 2 - тренажер «Стенка»; 3 - тренажер «Гребля»; 4 - тренажер «Ритм»; 5 - место инструктора; 6 - дорожка для бега; 7 - велотренажер; 8 - станок напольный для упражнений в ходьбе; 9 - ковер; 10 - снаряды гимнастические подвесные; 11 - рукоход; 12 - гимнастическая скамейка; 13 - зеркало; 14 - станок пристенный; 15 - скамья универсальная; 16 - тренажер «Спортивные качели»; 17 - место тренера
Условные обозначения:
- Проход для занимающихся;
- Двери для провоза
оборудования
|
ПЛОЩАДКА ДЛЯ СПОРТИВНЫХ ИГР ИНВАЛИДОВ С ПОРАЖЕНИЕМ ОПОРНО-ДВИГАТЕЛЬНОГО АППАРАТА |
А. ПЛОЩАДКА И ЗАЛ ДЛЯ ВОЛЕЙБОЛА СИДЯ (2 КОМАНДЫ ПО 6 ЧЕЛОВЕК)

1 - центральная линия; 2 - линия атаки; 3 - место подачи; 4 - зоны безопасности
Б. ПЛОЩАДКА И ЗАЛ ДЛЯ БАСКЕТБОЛА СИДЯ (2 КОМАНДЫ ПО 5 ЧЕЛОВЕК)

Высота зала - 7 м
1 - границы площадки; 2 - зоны безопасности; 3 - стены зала; 4 - баскетбольные щиты
РЕКОМЕНДУЕМЫЕ КОНСТРУКЦИИ БАСКЕТБОЛЬНЫХ ЩИТОВ

А - потолочный Б - пристенный В - передвижной
|
ПЛОЩАДКИ ДЛЯ ПОДВИЖНЫХ ИГР ИНВАЛИДОВ С ПОРАЖЕНИЕМ ОПОРНО-ДВИГАТЕЛЬНОГО АППАРАТА |
СПЕЦИАЛЬНЫЕ ПЛОЩАДКИ ДЛЯ ИГР ИНВАЛИДОВ

1 - центральная линия; 2 - линия штрафного броска; 3 - линия ворот; 4 - лицевая линия; 5 - игровая зона; 6 - колокольчик; 7 - маты размером 1,0×2,0 м
Б - голбол

1 - центральная (средняя) линия; 2 - боковая линия; 3 - линия нападения; 4 - линия защиты; 5 - линия ворот; 6 - лицевая линия; 7 - средняя зона; 8 - зона нападения; 9 - зона защиты; 10 - сектор команды; 11 - маты размером 1,0×2,0 м
|
ПЛОЩАДКИ ДЛЯ ПОДВИЖНЫХ ИГР ИНВАЛИДОВ С ПОРАЖЕНИЕМ ОПОРНО-ДВИГАТЕЛЬНОГО АППАРАТА |
СПЕЦИАЛЬНЫЕ ПЛОЩАДКИ ДЛЯ ИГР ИНВАЛИДОВ

1 - биты для игры боссель; 2 - кубик для игры боссель
1 - точка начала игры
ПЛОЩАДКИ ДЛЯ НАСТОЛЬНОГО ТЕННИСА
Е - настольный теннис План зала на 3 стола для настольного тенниса

1 - стол для игры; 2 - передвижные барьеры; 3 - граница зоны безопасности
|
РАСПОЛОЖЕНИЕ ПОЛОС ОРИЕНТАЦИИ В СПОРТИВНЫХ И ИГРОВЫХ ЗАЛАХ ДЛЯ ИНВАЛИДОВ С НЕДОСТАТКОМ ЗРЕНИЯ |
ЗАЛ ДЛЯ БОРЬБЫ

ЗАЛЫ ДЛЯ ОБЩЕРАЗВИВАЮЩЕЙ ГИМНАСТИКИ
Зал нормальных размеров

Зал с уменьшенной полосой ориентации

ЗАЛЫ ДЛЯ СПОРТИВНЫХ И РАЗВЛЕКАТЕЛЬНЫХ ИГР

Высота зала не менее 5500 мм
1 - ниши в стене для стационарных снарядов; 2 - маркировка входа; 3 - зона ориентации; 4 - зона безопасности; 5 - зона внимания (информационная дорожка); 6 - границы площадки для роллингбола; 7 - границы площадки для голбола; 8 - границы площадки для торбола; 9 - щит баскетбольный переставляемый; 10 - гимнастическая стенка; 11 - мягкая обивка стен
ЗАЛ ДЛЯ ИГРЫ В ШОУ-ДАУН


1 - акустическая обшивка стен и потолка; 2 - стол для игры; 3 - зоны безопасности и игры
|
РАСПОЛОЖЕНИЕ ПОЛОС ОРИЕНТАЦИИ И ОБОРУДОВАНИЯ В СПОРТИВНЫХ ЗАЛАХ ДЛЯ ИНВАЛИДОВ С НЕДОСТАТКОМ ЗРЕНИЯ |
ЗАЛ 24×36 м ДЛЯ СПОРТИВНОЙ ГИМНАСТИКИ

1 - ковер для вольных упражнений; 2 - кольца; 3 - перекладина; 4 - брусья мужские; 5 - брусья женские; 6 - бревно высокое и низкое; 7 - конь для прыжков; 8 - конь с ручками; 9 - стенка гимнастическая; 10 - информационная дорожка
ЗАЛЫ 9×15 м ДЛЯ СПЕЦИАЛЬНОЙ ФИЗИЧЕСКОЙ ПОДГОТОВКИ НА ТРЕНАЖЕРАХ

ЗАЛ 6×12 м ДЛЯ СПЕЦИАЛЬНОЙ ФИЗИЧЕСКОЙ ПОДГОТОВКИ НА ТРЕНАЖЕРАХ

1 - скамья со стойками для жима лежа; 2 - штанга на стойках; 3 - тренажер для вращения и развития ловкости; 4 - тренажер для бега; 5 - тренажер «стойка»; 6 - тренажер для развития плечевого пояса; 7 - тренажер для мышц спины и пресса; 8 - велотренажер; 9 - приспособление «скамья универсальная»; 10 - тренажер «горка»; 11, 12 - тренажеры для развития мышц; 13 - поручень; 14 - информационная дорожка
|
СПЕЦИАЛЬНОЕ ОБОРУДОВАНИЕ СПОРТИВНЫХ ЗАЛОВ ДЛЯ ЗАНЯТИЙ ИНВАЛИДОВ |
Схема входной двери в зал

1 - наличник двери (устанавливается в одной плоскости со стеной зала); 2 - смотровая панель; 3 - противоударная панель
Особенности решения стен спортивных залов

А - мягкая обивка стен (на высоту 3 м при батуте и 2 м для гимнастики и борьбы); Б - поручень (встроенный или пристроенный); В - откидная скамья для занятий и отдыха; Г - ниша для убирающегося гимнастического ковра
Информационные маяки в спортивных залах
Информационная полоса для ориентации в залах


А. 1 - стойка; 2 - выносной динамик; 3 - прыжковая яма; 4 - место отталкивания; 5 - дорожка для разбега
Б. 1 - рама звукового щита для метания; 2 - дюралевый экран; 3 - отверстия динамика; 4 - стол
Скамья для занятий тяжелой атлетикой

А - скамья для поднятия тяжестей Б - план покрытия скамьи
1 - мягкое покрытие скамьи; 2 - регулируемая втулка; 3 - натяжной стержень; 4 - регулируемые опоры для штанги; 5 - шкала; 6 - резина толщиной 12 мм на опоре штанги
|
ЗАЛЫ ДЛЯ СПОРТИВНЫХ РАЗВЛЕЧЕНИЙ |
4.59 |
Кегельбан

Планировочная схема кегельбана

А - продольный разрез; Б - планы залов с двумя и четырьмя дорожками для боулинга со схемой блока вспомогательных помещений (1 - вестибюль; 2 - административные помещения; 3 - раздевальные; 4 - душевые и туалеты; 5 - венткамера; 6 - кладовая; 7 - рабочие помещения; 8 - зона зрительских мест)
|
ЗАЛЫ ДЛЯ СПОРТИВНЫХ РАЗВЛЕЧЕНИЙ |
МЕЖДУНАРОДНЫЙ КОРТ ДЛЯ ОДИНОЧНЫХ ИГР В СКВОШ

ПЛОЩАДКА ДЛЯ ИГРЫ В ДАРТС
Мишень обычно вешают на стену, а в стороне от нее расположена доска для ведения счета. Черта, которую не должны пересекать пальцы ног бросающего (линия заступа), находится на расстоянии 2,37 м от мишени и отмечена линией на покрытии пола или на земле.

а - центральное «яблочко» диаметром 12,7 мм; б - кольцо вокруг центра (внешнее «яблочко» диаметром 31,8 мм); в - «удваивающее» (внешнее) кольцо на расстоянии 170 мм от «яблочка»; г - «утраивающее» (внутреннее) кольцо на расстоянии 107 мм от «яблочка»; д - внутренняя ширина этих колец 8,0 мм

|
ЗАЛЫ ДЛЯ СПОРТИВНЫХ РАЗВЛЕЧЕНИЙ |
4.61 |
БИЛЬЯРД

* Расстояние до соседнего стола при нескольких столах в зале.
Бильярдный стол с лузами
На рисунке приведены размеры стола стандартного типа. Иногда используются столы меньших размеров.

1. Бортик; 2. Боковая луза; 3. Центральная луза; 4. Отметка пирамиды; 5. Кий с длинным торцом, кий с половинным торцом и подставка; 6. Подставка для кия с торцом
Бильярдный стол без луз

1. Нижний бортик; 2. Верхний бортик; 3. Боковые планки; 4. Ромб
|
ФУНКЦИОНАЛЬНЫЕ СХЕМЫ РАЗДЕВАЛЬНЫХ ПРИ ЗАЛАХ |
ОБЩИЕ РЕЗДЕВАЛЬНЫЕ ДЛЯ ВСЕХ ВИДОВ СПОРТА (КРОМЕ КОМАНДНО-СПОРТИВНЫХ ИГР)
Схема 1
С хранением домашней одежды в гардеробной с обслуживанием.

Примечание - Раздевальные устраиваются, как правило, общие для мужчин и женщин, занимающихся на близлежащих основных сооружениях.
Схема 2
С хранением домашней одежды в помещении раздевальной в шкафах.

Примечание - На сооружениях, предназначенных для видов спорта, которыми занимаются только мужчины (например, борьба) или женщины (художественная гимнастика), может предусматриваться одна раздевальная с соотношением мест для переодевания и хранения домашней одежды в шкафах 1:2.
ОБЩИЕ РАЗДЕВАЛЬНЫЕ ДЛЯ КОМАНД ПО СПОРТИВНЫМ ИГРАМ
Схема 3
С хранением домашней одежды в помещении раздевальной открытым способом или в шкафах с численным соотношением мест для хранения одежды и для переодевания 1:1.

Примечания
1. На каждое основное сооружение для соревнований должны предусматриваться четыре помещения раздевальных.
2. Каждая раздевальная может использоваться поочередно для мужских и женских команд, занимающихся не в смежных сменах.
Схема 4
С хранением домашней одежды в помещении раздевальной в закрытых шкафах.

Примечания
1. Применяется при наличии только двух помещений раздевальных на каждое основное сооружение.
2. Может использоваться в смежных сменах только для занимающихся одного пола.
Схема 5
С хранением домашней одежды в гардеробной, смежной с помещениями для переодевания.

Примечания
1. Во время соревнований одновременно оба помещения для переодевания могут использоваться занимающимися только одного пола (мужчины или женщины).
2. Во время тренировочных занятий раздевальные используются как общие: одна как мужская, другая - для женщин.
Условные обозначения:
- Помещения
для переодевания, хранения домашней одежды и личной гигиены занимающихся;
-
Связь между помещениями;
- Вход (выход) в домашней одежде;
- Вход (выход) в спортивной одежде;
- Место проведения занятий или соревнований;
-
Соотношение числа мест для переодевания и мест хранения одежды
ЭКСПЛИКАЦИЯ
1. Раздевальная женская; 2. Раздевальная мужская; 3. Гардеробная с обслуживанием; 4. Туалет; 5. Душевая
|
ПАРАМЕТРЫ ФУНКЦИОНАЛЬНЫХ ЗОН В РАЗДЕВАЛЬНЫХ |
а) для спортсменов (кроме инвалидов)

б) для спортсменов-инвалидов

|
МЕБЕЛЬ И ОБОРУДОВАНИЕ. ГАБАРИТНЫЕ СХЕМЫ |

1 - скамьи для переодевания со спинкой и крючками (а - двухсторонняя, б - односторонняя); 2 - двухъярусные закрытые шкафы для домашней одежды (а - с дверцей по узкой стороне, б - с дверцей по широкой стороне); 3 - скамья для переодевания без спинки, приставная; 4 - двухъярусные открытые шкафы для хранения одежды в гардеробной с обслуживанием (а - открытый по узкой стороне, б - открытый по широкой стороне); 5 - одноярусные закрытые шкафы для домашней одежды (а - с дверцей по узкой стороне, б - с дверцей по широкой стороне); 6 - двухсекционный шкаф для домашней одежды; 7 - вешалка для хранения одежды в гардеробной с обслуживанием (а - перекладина, б - переносной каркас)
|
ВСПОМОГАТЕЛЬНЫЕ ПОМЕЩЕНИЯ. РАЗДЕВАЛЬНЫЕ |
КОМАНДНАЯ РАЗДЕВАЛЬНАЯ НА 16 МЕСТ ДЛЯ ПЕРЕОДЕВАНИЯ
Тип I -
с хранением домашней одежды в помещении раздевальной в закрытых одноярусных или двухъярусных шкафах*

ЭКСПЛИКАЦИЯ
I - раздевальная; II - душевая; III - преддушевая; IV - уборная; V - шлюз;
- Скамья;
- Шкаф для одежды;
-
Стол тренера (дежурного);
- Стул;
- Мойка
для ног;
Умывальник
КОМАНДНАЯ РАЗДЕВАЛЬНАЯ НА 16 МЕСТ* ДЛЯ ПЕРЕОДЕВАНИЯ
* При одноярусных шкафах суммарное количество мест для переодевания - на 200 % ЕПС (единовременной пропускной способности зала); при двухъярусных шкафах - на 100 % ЕПС.
Тип II -
с хранением домашней одежды в закрытых одноярусных шкафах с местами для инвалидов-колясочников**
** Суммарное количество мест - на 100 % ЕПС поля для соревнований.

ЭКСПЛИКАЦИЯ
I - раздевальная; II - душевая; III - преддушевая; IV - уборная; V - шлюз; VI - душевая и уборная для инвалидов-колясочников
- Скамья;
- Уширенная
скамья для инвалидов-колясочников;
- Шкаф
для одежды;
- Стол тренера;
- Стул;
-
Мойка для ног; (7) - Умывальник
|
РАССТАНОВКА МЕБЕЛИ И ОБОРУДОВАНИЯ РАЗДЕВАЛЬНЫХ |
ОБЩИЕ И КОМАНДНЫЕ РАЗДЕВАЛЬНЫЕ*
Схема 1. При хранении домашней одежды в гардеробной или в помещении раздевальной открытым способом

Схема 2. При хранении домашней одежды в помещении раздевальной в закрытых шкафах
А - одноярусных (для командных раздевальных) или двухъярусных (для общих раздевальных); при сидении спиной к шкафу

Б** - двухъярусных (для командных раздевальных); при сидении лицом к шкафам

В - одноярусных (для командных раздевальных) или двухъярусных (для общих раздевальных; при сидении лицом к шкафам

ГАРДЕРОБНЫЕ ДОМАШНЕЙ ОДЕЖДЫ С ОБСЛУЖИВАНИЕМ***
Схема 1. При хранении домашней одежды в открытых двухъярусных шкафах

Схема 2. При хранении домашней одежды на переносных каркасах, подвешенных к перекладине

ЭКСПЛИКАЦИЯ
м - мужская раздевальная ж - женская раздевальная о - окно приемки и выдачи одежды э - экран
Примечание - Поз. 1а, 1б, 2б, 3, 4б, 7а и 7б см в экспликации на рисунке 5.3.
* Кроме мест для переодевания и хранения одежды в помещениях раздевальных следует предусматривать ножные ванны (мойки для ног) и умывальники. В раздевальных у входов и выходов следует предусматривать непрозрачные экраны.
** Двухъярусные шкафы допускается располагать отдельным блоком с размещением мест для переодевания, как показано на схеме 1.
*** Сквозное просматривание через окна гардеробной в раздевальные следует исключать расстановкой шкафов (схема 1) или установкой экрана (схема 2).
|
ПЛАНИРОВКА ДУШЕВЫХ, САНУЗЛОВ И КАБИН ДЛЯ ПЕРЕОДЕВАНИЯ ДЛЯ ИНВАЛИДОВ С ПОРАЖЕНИЕМ ОПОРНО-ДВИГАТЕЛЬНОГО АППАРАТА |
А. ДУШЕВЫЕ И САНУЗЛЫ

Б. ИНДИВИДУАЛЬНЫЕ ДУШЕВЫЕ КАБИНЫ

В. БЛОК ПРОХОДНЫХ ДУШЕВЫХ

Г. ИНДИВИДУАЛЬНЫЕ КАБИНЫ ДЛЯ ПЕРЕОДЕВАНИЯ

ЭКСПЛИКАЦИЯ
а - место для хранения пересадочных колясок; б - санитарный узел; в - душевая; г - тамбур (преддушевая); д - раздевальная
1 - поручень; 2 - душевая сетка; 3 - откидное или стационарное сиденье; 4 - занавес или раздвижная дверь; 5 - крючки для одежды
|
ПРИМЕРЫ ПЛАНИРОВОЧНЫХ СХЕМ РАЗДЕВАЛЬНЫХ С МЕСТАМИ ДЛЯ ИНВАЛИДОВ НА КРЕСЛАХ-КОЛЯСКАХ |
А. БЛОК ИЗ ДВУХ ОБЩИХ РАЗДЕВАЛЬНЫХ НА 40 МЕСТ В КАЖДОЙ

Б. КОМАНДНАЯ РАЗДЕВАЛЬНАЯ НА 16 МЕСТ

ЭКСПЛИКАЦИЯ
Помещения
I - раздевальная; II - кабина для переодевания инвалидов; III - зона для переодевания и отдыха инвалидов; IV - гардеробная с обслуживанием (на 160 мест); V - душевая; VI - уборная; VII - санитарно-гигиеническая кабина для инвалидов; VIII - преддушевая
Мебель и оборудование
1 - скамья для переодевания; 2 - уширенная скамья для инвалидов; 3 - открытый двухъярусный шкаф; 4 - закрытый шкаф; 5 - стул; 6 - стол тренера (дежурного); 7 - умывальник;8 - напольный унитаз; 9 - мойка для ног
Примечание - При определении размеров следует учитывать параметры функциональных зон на рис. 5.1.
|
КОНСТРУКЦИИ ДЕРЕВЯННЫХ ПОЛОВ ПО ЛАГАМ |
Схема 1. Дощатый пол по лагам на грунте

Схема 2. Дощатый пол по лагам на перекрытии

Схема 3. Брусчатый пол по лагам на грунте

Схема 4. Брусчатый пол по лагам на перекрытии

ЭКСПЛИКАЦИЯ
- доски
шпунтованные, h = 37 мм;
- бруски, h = 60 мм;
-
лаги, h = 40 мм;
-
прокладка из доски, h = 25 мм, L = 200 - 250 мм;
- прокладка
гидроизоляционная;
- кирпичные столбики на
цементно-песчаном растворе, шаг - 0,8 - 0,9 м;
- подстилающий слой;
- грунт основания;
- выравнивающая
цементно-песчаная стяжка;
- плита перекрытия с
неровной поверхностью;
- деревянные связи
между лагами;
- плита перекрытия с
ровной поверхностью
Примечания
1. Брус укладывается вдоль зала со стыками на лагах (вразбежку).
2. Связи между лагами выполняются из бруска сечением 70×50 мм и устанавливаются в шахматном порядке с интервалом 2 м.
3. Подстилающий слой выполняется из бетона М150 (В12,5).
4. Гидроизоляционная прокладка выполняется из двойного слоя рулонного материала типа рубероида.
|
КОНСТРУКЦИИ ПАРКЕТНО-ЩИТОВЫХ ПОЛОВ ПО ЛАГАМ |
Схема 1. Пол на одинарных лагах

Схема 2. Пол на двойных лагах с регулировочными прокладками

Схема 3. Пол на амортизирующей подложке

ЭКСПЛИКАЦИЯ
-
паркетные доски (щиты), h = 22 мм;
- лаги 22×95 мм;
- регулировочные прокладки;
- нижние
лаги 22×95 мм;
- специальная
амортизирующая подложка из фанеры с прорезями, укладываемая под 45° к стенам
зала
Примечания
1. Стыки паркетных досок (щитов) должны приходиться непосредственно на лаги.
2. Температурный зазор min 30 мм предусматривается по всему периметру пола.
ПАРКЕТНЫЙ МОДУЛЬ

ЭКСПЛИКАЦИЯ
- слой лака;
- буковый/кленовый
слой, h = 4 мм;
- сосновый поперечный слой, h = 12 мм;
- фанерный
слой, h = 6 мм
|
КОНСТРУКЦИИ ДОЩАТЫХ ПОЛОВ ПО ЛАГАМ СО ЗВУКОИЗОЛЯЦИЕЙ |
Схема 1. Пол по одинарным лагам

Схема 2. Пол по двойным лагам
а) разрез вдоль зала

ЭКСПЛИКАЦИЯ
- доска
шпунтованная;
- лаги;
- нижние
лаги;
- пластины из литой резины;
- бетонная
плита на цементном растворе;
- выравнивающая цементно-песчаная стяжка;
- плита перекрытия или
бетонное основание по грунту
|
КОНСТРУКЦИИ ПОЛОВ С СИНТЕТИЧЕСКИМ ПОКРЫТИЕМ ПО СПЛОШНОЙ ПОДГОТОВКЕ |
Схема 1. Пол по грунту

- синтетическое
покрытие, h = 12 - 18 мм;
- мелкозернистый асфальтобетон;
- крупнозернистый
асфальтобетон;
- щебеночное
основание;
- грунт
уплотненный
Схема 2. Пол по перекрытию

-
синтетическое покрытие, h = 12 - 18 мм;
- стяжка из цементно-песчаного раствора;
- плита перекрытия с
ровной поверхностью
Схема 3. Пол с синтетическим покрытием заливного типа

- отделочный
(колеровочный) слой, h = 0,5 мм;
- основной рабочий слой, h = 2 мм;
-
шпаклевочный слой, h = 1 мм;
- армирующая сетка из стекловолокна;
- базовый мат, h = 6 - 10 мм
Схема 4. Пол с синтетическим покрытием рулонного типа

- верхний слой ПВХ, h = 2,1 мм, обработан PROTESCOL;
-
шпаклевочный слой, h = 1 мм;
-
армирующая сетка из стекловолокна;
- вспененный ПВХ, h = 4,4 - 6 мм
Ключевые слова: пропускная способность спортивных залов, залы, приспособленные для занятий инвалидов, универсальные залы и помещения, основное оборудование в залах для гимнастики и спортивных игр, виды спортивных и развлекательных игр для инвалидов