ОСТ 92-0735-72
ОТРАСЛЕВОЙ СТАНДАРТ
ВИНТЫ С ПОЛУПОТАЙНОЙ ГОЛОВКОЙ (УГОЛ 90°)
Конструкция и размеры
Дата введения 1973-01-01
Настоящий стандарт распространяется на винты с полупотайной головкой (угол 90°) (далее - винты) и устанавливает их конструкцию и размеры.
В настоящем стандарте использована ссылка на следующий стандарт:
ОСТ 92-0748-72 Детали крепёжные. Технические требования.
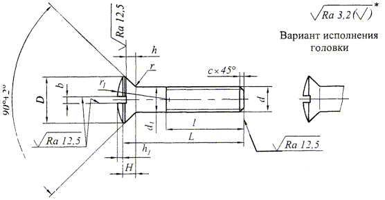
3.1 Конструкция и размеры винтов должны соответствовать указанным на рисунке 1 и в таблицах 1,2.

Рисунок 1
Таблица 1
Размеры в миллиметрах
|
Резьба |
d1 h13 |
D |
Н |
h |
h1 |
b |
r ±0,2 |
r1 ≈ |
с |
|
|
d |
шаг, Р |
|||||||||
|
крупный |
||||||||||
|
М2,5 |
0,45 |
2,5 |
5,0 |
1,4 |
1,3 |
0,7 |
0,6 |
0,2 |
4,8 |
0,3 |
|
М3 |
0,5 |
3,0 |
6,0 |
1,6 |
1,5 |
0,8 |
0,8 |
0,5 |
6,0 |
0,5 |
|
М4 |
0,7 |
4,0 |
7,5 |
2,2 |
0,9 |
1,0 |
8,0 |
|||
|
М5 |
0,8 |
5,0 |
9,0 |
2,5 |
1,8 |
1,1 |
1,2 |
10,0 |
1,0 |
|
|
М6 |
1 |
6,0 |
11,0 |
3,0 |
2,2 |
1,3 |
1,6 |
12,0 |
||
Таблица 2
Размеры в миллиметрах
|
d |
М2,5 |
М3 |
М4 |
М5 |
М6 |
d |
М2,5 |
М3 |
М4 |
М5 |
М6 |
||
|
L |
l +0,9 |
l +1,0 |
l +1,4 |
l +1,6 |
l +2,0 |
L |
l +0,9 |
l +1,0 |
l +1,4 |
l +1,6 |
l +2,0 |
||
|
Номин. |
Пред. откл. |
Номин. |
Пред. откл |
||||||||||
|
5 |
±0,25 |
- |
´ |
- |
- |
- |
32 |
±0,50 |
- |
- |
- |
16 |
18 |
|
6 |
- |
´ |
- |
- |
- |
34 |
- |
- |
- |
16 |
18 |
||
|
7 |
±0,30 |
- |
´ |
- |
- |
- |
36 |
- |
- |
- |
- |
18 |
|
|
8 |
´ |
´ |
´ |
- |
- |
38 |
- |
- |
- |
- |
18 |
||
|
10 |
´ |
´ |
´ |
´ |
- |
40 |
- |
- |
- |
- |
18 |
||
|
12 |
±0,35 |
- |
´ |
´ |
´ |
´ |
42 |
- |
- |
- |
- |
18 |
|
|
14 |
- |
´ |
´ |
´ |
´ |
44 |
- |
- |
- |
- |
18 |
||
|
16 |
- |
´ |
´ |
´ |
´ |
46 |
- |
- |
- |
- |
18 |
||
|
18 |
- |
12 |
´ |
´ |
´ |
48 |
- |
- |
- |
- |
18 |
||
|
20 |
±0,40 |
- |
12 |
´ |
´ |
´ |
50 |
- |
- |
- |
- |
18 |
|
|
22 |
- |
12 |
14 |
´ |
´ |
|
|
|
|
|
|
|
|
|
24 |
- |
12 |
14 |
16 |
´ |
|
|
|
|
|
|
|
|
|
26 |
- |
12 |
14 |
16 |
´ |
|
|
|
|
|
|
|
|
|
28 |
- |
12 |
14 |
16 |
18 |
|
|
|
|
|
|
|
|
|
30 |
- |
- |
14 |
16 |
18 |
|
|
|
|
|
|
|
|
|
Примечание - Знаком «´» отмечены винты с резьбой на всей длине стержня. |
|||||||||||||
Пример условного обозначения винта диаметром резьбы d = 5 мм, с крупным шагом резьбы и полем допуска 6е, длиной L = 20 мм, из материала с условной маркировкой 66, с покрытием 01 толщиной 9 мкм:
Винт М5-6е´20.66.019 ОСТ 92-0735-72
3.2 Винты должны быть изготовлены из материалов, указанных в таблице 3.
Таблица 3
|
Условная маркировка марки материала |
Марка материала |
|
66 |
Сталь 45 |
|
22 |
Сталь 20X13 |
3.3* Шероховатость поверхностей винтов из нержавеющей стали по ОСТ 92-0748.
3.4 Вариант исполнения головки устанавливает изготовитель.
3.5 Условная маркировка марки материала, покрытия и остальные технические требования по ОСТ 92-0748.
3.6 Теоретическая масса винтов приведена в приложении А.
(справочное)
А.1 Теоретическая масса винтов приведена в таблице А.1.
Таблица А.1
Размеры в миллиметрах
|
d |
М2,5 |
М3 |
М4 |
М5 |
М6 |
d |
М2,5 |
М3 |
М4 |
М5 |
М6 |
|
L |
Масса 100 шт. винтов, кг |
L |
Масса 100 шт. винтов, кг |
||||||||
|
5 |
- |
0,04 |
- |
- |
- |
28 |
- |
0,15 |
0,286 |
0,451 |
0,656 |
|
6 |
- |
0,05 |
- |
- |
- |
30 |
- |
- |
0,306 |
0,482 |
0,700 |
|
7 |
- |
0,05 |
- |
- |
- |
32 |
- |
- |
- |
0,513 |
0,744 |
|
8 |
0,04 |
0,06 |
0,097 |
- |
- |
34 |
- |
- |
- |
0,544 |
0,788 |
|
10 |
0,04 |
0,07 |
0,112 |
0,181 |
- |
36 |
- |
- |
- |
- |
0,833 |
|
12 |
- |
0,08 |
0,128 |
0,205 |
0,314 |
38 |
- |
- |
- |
- |
0,878 |
|
14 |
- |
0,08 |
0,147 |
0,236 |
0,349 |
40 |
- |
- |
- |
- |
0,922 |
|
16 |
- |
0,09 |
0,167 |
0,267 |
0,384 |
42 |
- |
- |
- |
- |
0,965 |
|
18 |
- |
0,10 |
0,187 |
0,298 |
0,420 |
44 |
- |
- |
- |
- |
1,008 |
|
20 |
- |
0,11 |
0,207 |
0,329 |
0,471 |
46 |
- |
- |
- |
- |
1,052 |
|
22 |
- |
0,11 |
0,227 |
0,360 |
0,523 |
48 |
- |
- |
- |
- |
1,096 |
|
24 |
- |
0,13 |
0,246 |
0,390 |
0,567 |
50 |
- |
- |
- |
- |
1,140 |
|
26 |
- |
0,14 |
0,266 |
0,420 |
0,611 |
|
|
|
|
|
|
Ключевые слова: винт, полупотайная головка
СОДЕРЖАНИЕ