ОСТ 92-0744-72
ОТРАСЛЕВОЙ СТАНДАРТ
ГАЙКИ ШЕСТИГРАННЫЕ ПРОРЕЗНЫЕ
Конструкция и размеры
Дата введения 1973-01-01
Настоящий стандарт распространяется на прорезные шестигранные гайки (далее - гайки) и устанавливает их конструкцию и размеры.
В настоящем стандарте использована ссылка на следующий стандарт:
ОСТ 92-0748-72 Детали крепежные. Конструкция и размеры.
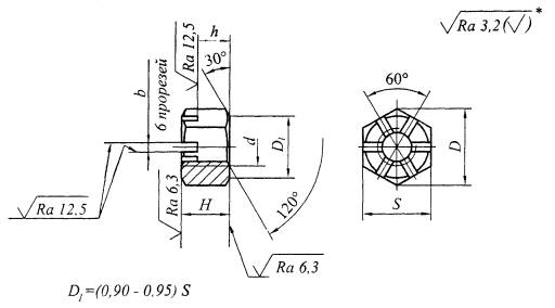
3.1 Конструкция и размеры гаек должны соответствовать указанным на рисунке 1 и в таблице 1, их теоретическая масса приведена в таблице 1.
Рисунок 1
Таблица 1
Размеры в миллиметрах
|
D не менее |
S h13 |
H |
h |
b |
Масса 100 шт. стальных гаек, кг |
||||
|
d |
шаг, Р |
|
|||||||
|
крупный |
мелкий |
|
|||||||
|
М8 |
1,25 |
- |
15,5 |
14 |
9 |
6 |
2,5 |
0,663 |
|
|
М10 |
1,5 |
18,9 |
17 |
12 |
8 |
3,0 |
1,401 |
|
|
|
М12 |
- |
1,25 |
24,5 |
22 |
15 |
10 |
3,170 |
|
|
|
1,5 |
|||||||||
|
М14 |
26,8 |
24 |
3,600 |
|
|||||
|
М16 |
30,2 |
27 |
18 |
12 |
3,5 |
5,460 |
|
||
|
М18 |
35,8 |
32 |
20 |
16 |
9,090 |
|
|||
|
М20 |
22 |
9,250 |
|
||||||
|
М22 |
40,3 |
36 |
25 |
18 |
13,210 |
|
|||
|
М24 |
27 |
20 |
13,480 |
|
|||||
Пример условного обозначения гайки диаметром резьбы d = 10 мм, с крупным шагом резьбы и полем допуска 6Н, из материала с условной маркировкой 66, с покрытием 01 толщиной 6 мкм:
Гайка М10-6Н.66.016 ОСТ 92-0744-72
3.2 Гайки должны быть изготовлены из материалов, указанных в таблице 2.
Таблица 2
|
Марка материала |
Условная маркировка марки материала |
Марка материала |
|
|
66 |
Сталь 45 |
22 |
Сталь 20X13 |
|
43 |
Сталь 30ХГСА |
24 |
Сталь 10X11Н23Т3МР |
|
44 |
26 |
Сталь 07X16Н6 |
|
|
88 |
Сталь 38ХА |
50 |
Сталь 15Х18Н12С4ТЮ |
|
21 |
Сталь 12Х18Н10Т |
35 |
Сплав ал. Д16ТПП |
3.3* Шероховатость поверхностей гаек из нержавеющих сталей по ОСТ 92-0748.
3.4 Условная маркировка марки материала, покрытия и остальные технические требования по ОСТ 92-0748.
Ключевые слова: прорезная гайка