Blind rivets. Terminology and definitions

ФЕДЕРАЛЬНОЕ АГЕНТСТВО
ПО ТЕХНИЧЕСКОМУ РЕГУЛИРОВАНИЮ И МЕТРОЛОГИИ

НАЦИОНАЛЬНЫЙ
СТАНДАРТ
РОССИЙСКОЙ
ФЕДЕРАЦИИ

ГОСТ Р ИСО 14588-2005

 

Заклепки «слепые»

ТЕРМИНЫ И ОПРЕДЕЛЕНИЯ

ISO 14588:2000
Blind rivets - Terminology and definitions
(IDT)

 

 

Москва

Стандартинформ

2006

 

Предисловие

Цели и принципы стандартизации в Российской Федерации установлены Федеральным законом от 27 декабря 2002 г. № 184-ФЗ «О техническом регулировании», а правила применения национальных стандартов Российской Федерации - ГОСТ Р 1.0-2004 «Стандартизация в Российской Федерации. Основные положения»

Сведения о стандарте

1. ПОДГОТОВЛЕН Всероссийским научно-исследовательским институтом стандартизации и сертификации в машиностроении (ВНИИНМАШ) на основе собственного аутентичного перевода стандарта, указанного в пункте 4

2. ВНЕСЕН Техническим комитетом по стандартизации ТК 229 «Крепежные изделия»

3. УТВЕРЖДЕН И ВВЕДЕН В ДЕЙСТВИЕ Приказом Федерального агентства по техническому регулированию и метрологии от 14 декабря 2005 г. № 312-ст

4. Настоящий стандарт идентичен международному стандарту ИСО 14588:2000 «Заклепки «слепые». Термины и определения» (ISO 14588:2000 «Blind rivets - Terminology and definitions»), IDT

5. ВВЕДЕН ВПЕРВЫЕ

Информация об изменениях к настоящему стандарту публикуется в ежегодно издаваемом информационном указателе «Национальные стандарты», а текст изменений и поправок - в ежемесячно издаваемых информационных указателях «Национальные стандарты». В случае пересмотра (замены) или отмены настоящего стандарта соответствующее уведомление будет опубликовано в ежемесячно издаваемом информационном указателе «Национальные стандарты». Соответствующая информация, уведомление и тексты размещаются также в информационной системе общего пользования - на официальном сайте национального органа Российской Федерации по стандартизации в сети Интернет

 

НАЦИОНАЛЬНЫЙ СТАНДАРТ РОССИЙСКОЙ ФЕДЕРАЦИИ

Заклепки «слепые»

ТЕРМИНЫ И ОПРЕДЕЛЕНИЯ

Blind rivets - Terminology and definitions

Дата введения - 2007-01-01

1. Область применения

Настоящий стандарт устанавливает термины и определения для типов, рабочих характеристик и геометрических размеров «слепых» заклепок, а также термины для установки заклепок и установочного инструмента, применяемого при заклепывании.

2. Термины и определения

2.1 «слепая» заклепка (blind rivet): Крепежное изделие для механического соединения двух или более деталей даже в том случае, когда доступ к месту соединения возможен только с одной стороны.

Примечания

1. «Слепая» заклепка состоит из корпуса, внутри которого находится сердечник, который во время установки заклепки деформирует конец заклепки в «слепую» головку и также может расширять тело заклепки.

2. Элементы «слепой» заклепки показаны на рисунке 1.

1 - корпус «слепой» заклепки; 2 - конец «слепой» заклепки; 3 - головка «слепой» заклепки; 4 - стержень «слепой» заклепки; 5 - сердцевина «слепой» заклепки; 6 - сердечник; 7 - головка сердечника; 8 - зона отрыва сердечника; 9 - хвостовик сердечника; 10 - конец сердечника

Рисунок 1. - Элементы заклепки

2.1.1 корпус «слепой» заклепки (blind rivet body): Элемент, состоящий из головки, стержня, конца и сердцевины.

2.1.1.1 головка «слепой» заклепки (blind rivet head): Часть корпуса заклепки, всегда расположенная на доступной или же на той стороне шва, с которой устанавливается заклепка.

2.1.1.1.1 выступающая головка «слепой» заклепки (protruding blind rivet head): Головка, выступающая после установки заклепки над поверхностью соединяемой детали (рисунок 2).

1 - головка «слепой» заклепки; 2 - «слепая» головка

Рисунок 2. - «Слепая» заклепка с выступающей головкой

2.1.1.1.2 потайная головка «слепой» заклепки (countersunk blind rivet head): После установки заклепки верхняя часть головки оказывается практически заподлицо с поверхностью соединяемой детали (рисунок 3).

1 - головка «слепой» заклепки; 2 - «слепая» головка

Рисунок 3. - «Слепая» заклепка с потайной головкой

2.1.1.2 стержень «слепой» заклепки (blind rivet shank): Часть корпуса заклепки от внутренней стороны головки до конца заклепки.

Примечание. - Стержень заклепки обычно круглого сечения.

2.1.1.3 конец «слепой» заклепки (blind rivet end): Часть стержня заклепки с противоположной стороны от головки.

Примечание. - Конец заклепки может быть открытым, закрытым или разделяющимся.

2.1.1.4 сердцевина «слепой» заклепки (blind rivet core): Отверстие вдоль оси корпуса заклепки.

Примечание. - Сердцевина может быть как по всей длине корпуса, так и в отдельной его части.

2.1.2 сердечник (mandrel): Зафиксированный в корпусе «слепой» заклепки элемент, обычно с обозначенной зоной разрыва.

Примечания

1. Стержень сердечника может быть ровным или с насечками.

2. Вытягивание или запрессовка сердечника фиксирует заклепку, деформируя конец заклепки в «слепую» (замыкающую) головку.

2.1.3 «слепая» головка (blind head): Часть стержня «слепой» заклепки, удаленная от головки, формируемая сердечником при установке «слепой» заклепки (рисунки 2 и 3).

2.2 Типы сердечников

2.2.1 вытяжной сердечник (pull mandrel): После вставления заклепки в отверстие сердечник тянется вдоль оси заклепки, при этом его головка деформирует конец заклепки в «слепую» головку.

Примечание. - Существует несколько типов вытяжных сердечников (2.2.1.1 - 2.2.1.6).

2.2.1.1 сердечник, протягиваемый насквозь (pull through mandrel): После вставления заклепки в отверстие сердечник полностью протягивается сквозь тело заклепки до получения сквозного отверстия (рисунок 4).

Рисунок 4. - Сердечник, протягиваемый насквозь

2.2.1.2 разрывающийся вытяжной сердечник (break pull mandrel): После установки заклепки сердечник разрывается около соединения его головки и хвостовика, при этом головка и небольшая часть хвостовика сердечника могут оставаться в корпусе заклепки (рисунок 5).

Рисунок 5. - Разрывающийся вытяжной сердечник

2.2.1.3 сердечник с отрывающейся головкой (break head mandrel): После установки заклепки сердечник разрывается в месте соединения его головки и хвостовика, при этом и хвостовик, и головка сердечника выпадают из корпуса заклепки (рисунок 6).

Рисунок 6. - Сердечник с отрывающейся головкой

2.2.1.4 неразрывающийся вытяжной сердечник (non-break pull mandrel): После установки заклепки сердечник не разрушается (рисунок 7).

Примечание. - Хвостовик сердечника может быть впоследствии обработан заподлицо с головкой заклепки.

Рисунок 7. - Неразрывающийся вытяжной сердечник

2.2.1.5 вытяжной сердечник с заданной точкой разрыва (structural flush self-plugging break pull mandrel): Сердечник, который после установки заклепки отрывается у головки заклепки (рисунок 8).

Примечание. - Длина части сердечника, оставшейся в корпусе заклепки, влияет на предельную срезающую нагрузку.

Рисунок 8. - Вытяжной сердечник с заданной точкой разрыва

2.2.1.6 ступенчатый вытяжной сердечник с заданной точкой разрыва (multi-grip flush break positive lock pull mandrel): Сердечник, который за счет заранее определенной деформации сердечника и/или тела заклепки повышает сопротивление выталкиванию сердечника, и после установки заклепки обрывается в районе головки заклепки (рисунок 9).

Примечание. - Этот тип сердечника дает заклепке способность скреплять детали с большим разбросом общей толщины пакета.

Рисунок 9. - Ступенчатый вытяжной сердечник с заданной точкой разрыва

2.2.2 забивной штифт (drive pin): Установленный в корпусе заклепки выступающий над головкой заклепки элемент, который после вставления заклепки в отверстия скрепляемых деталей запрессовывается в тело заклепки заподлицо с верхней поверхностью головки заклепки, раздвигая собой конец заклепки и формируя таким образом «слепую» головку (рисунок 10).

Рисунок 10. - Забивной штифт

2.3 Типы стержней «слепых» заклепок

2.3.1 открытый конец (open end): Корпус заклепки со сквозным отверстием, который может использоваться с любым типом сердечника (рисунок 11).

Примечание. - Типы сердечников см. в 2.2.1.1 - 2.2.1.6.

Рисунок 11. - Открытый конец

2.3.2 удлиненный открытый конец (open end, extended set): Корпус заклепки с открытым концом, характеристики которого позволяют соединять детали с большим разбросом по толщине (рисунок 12).

Рисунок 12. - Удлиненный открытый конец

2.3.3 закрытый конец (closed end): Корпус заклепки, конец которого закрыт и остается закрытым после установки заклепки (рисунок 13).

Примечание. - Этот тип корпуса может использоваться с сердечниками типа 2.2.1.2 или 2.2.1.4.

Рисунок 13. - Закрытый конец

2.3.4 разделяющийся конец (split end): Корпус заклепки, конец которого разделен вдоль оси на два или более сегментов (рисунки 14 и 15).

Примечание. - Этот тип корпуса может использоваться с сердечниками типов 2.2.1.1 - 2.2.1.4, 2.2.1.6 или типа 2.2.2.

Рисунок 14. - Разделяющийся конец

Рисунок 15. - Разделяющийся конец

2.3.5 разрезной стержень (slotted shank): Корпус заклепки, имеющий продольные разрезы в средней части стержня заклепки между головой и концом заклепки (рисунок 16).

Примечание. - Этот тип корпуса может использоваться с сердечниками типов 2.2.1.1 - 2.2.1.5.

Рисунок 16. - Разрезной стержень

2.4. Типы сердцевин заклепок

2.4.1 заполненная сердцевина (filled core): Заклепка, у которой после установки сердечник остается в корпусе и заканчивается заподлицо с верхней частью головки заклепки (рисунки 7 - 9).

2.4.2 частично заполненная сердцевина (semi-filled core): Заклепка, у которой после установки в корпусе остается только небольшая часть сердечника (рисунок 5).

2.4.3 полая сердцевина (hollow core): Заклепка, после установки которой сердечник полностью удаляется из корпуса заклепки и остается сквозное отверстие.

2.5. Рабочие характеристики

2.5.1 предельная растягивающая нагрузка (ultimate tensile load): Предельная растягивающая нагрузка, которую может выдержать заклепка без разрушения.

2.5.2 предельная срезающая нагрузка (ultimate shear load): Предельная срезающая нагрузка, которую заклепка может выдержать однократно без разрушения.

2.5.3 усилие установки заклепки (rivet setting load): Усилие, необходимое для установки заклепки.

2.5.4 разрывающая нагрузка сердечника (mandrel break load): Нагрузка, необходимая для разрыва сердечника после установки заклепки.

2.5.5 стягивающая способность (pull-together capability): Способность заклепки при установке стягивать соединяемые детали.

2.5.6 сжимающее усилие (clamping force): Максимальное усилие, действующее на соединяемые детали в процессе установки заклепки.

2.5.7 остаточная нагрузка (residual load): Осевое усилие растяжения, действующее в заклепке после установки.

2.5.8 сопротивление сердечника выталкиванию (mandrel push out resistance): Сопротивление сердечника выталкиванию из корпуса заклепки до установки.

2.5.9 сопротивление выталкиванию головки сердечника (mandrel head retention capability): Способность заклепки после установки удерживать часть сердечника, оставшуюся в корпусе заклепки.

2.5.10 герметичность (sealing capability): Способность заклепки после установки не пропускать газы, жидкости и твердые частицы.

2.5.11 способность заполнять отверстие (hole fill capability): Показывает, насколько стержень заклепки заполняет отверстие после установки заклепки.

2.6. Размеры

2.6.1. «Слепая» заклепка

Размеры «слепой» заклепки приведены на рисунке 17.

b - слепая длина; d - диаметр заклепки; dk - диаметр головки; dm - диаметр сердечника; k - высота головки; l - длина заклепки; p - выступающая длина сердечника

Рисунок 17

2.6.1.1 длина заклепки (rivet length): Расстояние вдоль оси заклепки от внутренней стороны выступающей головки или от верхней поверхности потайной головки до конца заклепки.

2.6.1.2 слепая длина (blind length) (для заклепок с открытым концом): расстояние вдоль оси заклепки от внутренней стороны выступающей головки или от верхней поверхности потайной головки до конца головки сердечника.

Примечание. - Для заклепок с закрытым концом слепая длина равна длине заклепки.

2.6.1.3 выступающая длина сердечника (mandrel protrusion): Расстояние вдоль оси заклепки, на которое сердечник выступает из головки заклепки до установки.

2.6.2. Применение «слепых» заклепок

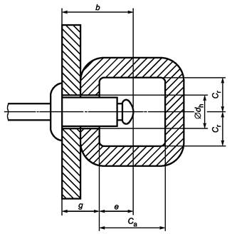
На рисунке 18 приведены размеры для применения «слепых» заклепок.

b - слепая длина; Cа - осевой зазор со «слепой» стороны; Cг - радиальный зазор со «слепой» стороны; dh - диаметр отверстия; e - выступающая длина «слепой» стороны; g - толщина пакета

Рисунок 18

2.6.2.1 отверстие для заклепки (assembly hole): Отверстие в соединяемых деталях для установки заклепки.

2.6.2.2 толщина пакета (grip length): Общая толщина соединяемых деталей.

2.6.2.3 разброс толщины пакета (grip range): Минимальная и максимальная суммарная толщина соединяемых деталей, которые могут быть качественно соединены заклепкой данной номинальной длины.

2.6.2.4 выступающая длина «слепой» стороны (blind side protrusion): Разница между максимальной «слепой» длиной и минимальной толщиной пакета.

2.6.2.5 осевой зазор со «слепой» стороны (blind side axial clearence): Минимальное расстояние между внутренней поверхностью скрепляемой детали и поверхностью любого компонента или детали, находящихся напротив головки сердечника или конца заклепки.

Примечание. - Для правильной установки и фиксации заклепки осевой зазор должен быть больше, чем выступ слепой стороны.

2.6.2.6 радиальный зазор со «слепой» стороны (blind side radial clearence): Расстояние от оси заклепки до любой части скрепляемых деталей, измеренное под прямым углом к оси заклепки.

Примечание. - Для правильной установки и фиксации заклепки радиальный зазор должен быть больше, чем радиус головки «слепой» заклепки.

2.6.2.7 доступность инструменту (tool clearence): Минимальное пространство со стороны установки заклепки, необходимое для работы с установочным инструментом и правильной установки заклепки.

2.7. Установка заклепок и установочный инструмент

2.7.1 установка заклепки (setting): Вставление заклепки в отверстия соединяемых деталей и вытягивание или запрессовка сердечника для стягивания и фиксирования соединения.

2.7.1.1 установочный инструмент (setting tool): Устройство, предназначенное для установки заклепок.

Примечание. - Установочный инструмент может быть ручным, пневматическим, гидравлическим, электрическим или с комбинированным приводом.

2.7.1.2 наконечник инструмента (nose assembly): Часть установочного инструмента, состоящая из зажима и тянущего механизма.

2.7.1.3 улавливатель сердечников (mandrel catcher): Часть установочного инструмента, предназначенная для улавливания сердечников, оторванных или вытянутых при установке заклепок.

2.7.1.4 система сбора сердечников (mandrel collection system): Часть установочного инструмента, в которую помещаются сердечники, оторванные или вытянутые при установке заклепок.

2.7.2 чистовая обработка (dressing): Последующие операции для удаления частей сердечника, выступающих над головкой заклепки.

 

СОДЕРЖАНИЕ

1. Область применения. 2

2. Термины и определения. 2

 

Ключевые слова: «слепая» заклепка, термины и определения, размеры