ГОСУДАРСТВЕННЫЙ КОМИТЕТ СССР ПО СТАНДАРТАМ
МЕТОДИЧЕСКИЕ УКАЗАНИЯ
СРЕДСТВА
ИЗМЕРЕНИЙ МАГНИТНОЙ
ИНДУКЦИИ
ПЕРЕМЕННОГО МАГНИТНОГО
ПОЛЯ
от 1 · 10-13 до 3 · 10-2 Тл ОБРАЗЦОВЫЕ
2-го
РАЗРЯДА. ДИАПАЗОН ЧАСТОТ
1
- 20000 Гц. МЕТОДЫ И СРЕДСТВА
ПОВЕРКИ
РД 50-488-84
Москва
ИЗДАТЕЛЬСТВО
СТАНДАРТОВ
1985
РАЗРАБОТАНЫ Государственным комитетом СССР по стандартам
ИСПОЛНИТЕЛИ
В.Е. Чернышев (руководитель темы); Н.Е. Муравчик, О.М. Козлова
ВНЕСЕНЫ Управлением метрологии Госстандарта
Член Госстандарта Л.К. Исаев
УТВЕРЖДЕНЫ И ВВЕДЕНЫ В ДЕЙСТВИЕ Постановлением Государственного комитета СССР по стандартам от 20 июля 1984 г. № 2555
РУКОВОДЯЩИЙ НОРМАТИВНЫЙ ДОКУМЕНТ
|
Средства измерений магнитной индукции переменного магнитного поля от 1 · 10-3 до 3 · 10-2 Тл образцовые 2-го разряда. Диапазон частот 1 - 20000 Гц. Методы и средства поверки |
РД Введены впервые |
Утверждены Постановлением Госстандарта от 20 июля 1984 г. № 2555, срок введения установлен
с 01.07.85 г.
Настоящие методические указания (далее - МУ) распространяются на образцовые 2-го разряда средства измерений магнитной индукции переменного поля (меры и установки) в соответствии с поверочной схемой ГОСТ 8.093-80 и устанавливают:
методы и средства периодической поверки катушек магнитной индукции переменного поля (далее КМИ) и измерительных катушек магнитной индукции переменного поля (далее ИКМИ), входящих в состав указанных выше образцовых средств измерений, в диапазоне частот 20 - 20000 Гц, а также возможность распространения результатов этой поверки на катушки в диапазоне частот 1 - 20 Гц;
поэлементный порядок периодической поверки указанных выше образцовых 2-го разряда средств измерений.
Технические характеристики КМИ и ИКМИ приведены в обязательном приложении 1.
МУ устанавливают два метода поверки: метод косвенных измерений и метод поверки с помощью компаратора.
Первый метод применяется при поверке катушек с пределом допускаемой относительной погрешности (далее - относительная погрешность) по поверяемому параметру более 3 %. Допускается применение этого метода для поверки катушек более высокой точности при выполнении требований п. 2.1.
Второй метод (более точный, но менее производительный) может быть применен при поверке любых катушек, однако наиболее рационально его применение при поверке катушек с относительной погрешностью по поверяемому параметру до 3 %.
Порядок определения метрологических характеристик при метрологической аттестации КМИ и ИКМИ устанавливает обязательное приложение 2.
1.1. При проведении поверки КМИ должны выполняться операции, указанные в табл. 1.
|
Номера пунктов МУ при поверке КМИ с относительной погрешностью по постоянной КВ обмоток |
||
|
более 3 % |
0,5 - 3 % |
|
|
Внешний осмотр |
||
|
Определение сопротивления обмоток КМИ |
||
|
Определение постоянных КВ обмоток КМИ в ее геометрическом центре |
||
|
Определение углов между магнитными осями обмоток многокомпонентных КМИ |
||
1.2. При проведении поверки ИКМИ должны выполняться операции, указанные в табл. 2.
|
Номера пунктов МУ при поверке ИКМИ с относительной погрешностью по постоянной Кsw обмоток |
||
|
более 3 % |
0,5 - 3 % |
|
|
Внешний осмотр |
||
|
Определение сопротивления обмоток ИКМИ |
||
|
Определение постоянных Кsw обмоток ИКМИ |
||
|
Определение углов между магнитными осями обмоток многокомпонентной ИКМИ |
||
1.3. При проведении поверки образцовых 2-го разряда средств измерений магнитной индукции переменного поля (мер и установок) должны выполняться операции, указанные в табл. 3.
|
Номера пунктов МУ |
|
|
Внешний осмотр |
|
|
Проверка условий эксплуатации |
|
|
Опробование |
2.1. Соотношение погрешностей образцовых и поверяемых средств измерений не должно быть более 1 : 3. Расчет погрешности образцовых средств измерений приведен в справочном приложении 3.
2.2. При проведении поверки КМИ и ИКМИ с относительной погрешностью по постоянным КВ и Кsw более 3 % методом косвенных измерений применяют следующие средства измерений.
2.2.1. Образцовый вольтметр переменного тока 3-го разряда, измеряющий действующее значение напряжения, с диапазоном измерений 0,001 - 10 В и диапазоном частот 20 - 20000 Гц и входным сопротивлением не менее 0,5 МОм.
2.2.2. Образцовый амперметр переменного тока 3-го разряда, измеряющий действующее значение силы тока, с диапазоном измерений 0,001 - 1 А и диапазоном частот 20 - 20000 Гц.
2.2.3. Образцовые вольтметр и амперметр должны также удовлетворять следующим требованиям:
Umin £ 2 π fmin Imax Ksw KB
Umax ³ 2 π fmax Imin Ksw KB
где Umin, Umax - пределы измерения вольтметра, В;
Imin, Imax - наименьшая и наибольшая силы тока при поверке, А;
fmin, fmax - наименьшая и наибольшая частоты при поверке, Гц;
Ksw - постоянные обмоток поверяемой ИКМИ (или образцовой), В · с/Тл;
KB - постоянные обмоток образцовой КМИ (или поверяемой), Тл/А.
Примечание. Наибольшую и наименьшую частоты при поверке выбирают равными нижней и верхней частотам рабочего диапазона поверяемой катушки. Если нижняя частота рабочего диапазона менее 20 Гц, то наименьшую частоту при поверке выбирают равной 20 Гц.
2.2.4. Низкочастотный измерительный генератор синусоидального напряжения с выходной мощностью не менее 2 Вт на согласованной нагрузке, диапазоном частот 20 - 20000 Гц и коэффициентом гармоник не более 1,5 %.
2.2.5. Электронно-счетный частотомер с диапазоном измеряемых частот 20 - 20000 Гц и погрешностью не более 0,01 %.
2.2.6. Омметр с диапазоном измерений 0 - 1000 Ом и погрешностью не более 5 %.
2.2.7. При проведении поверки КМИ кроме средств измерений по пп. 2.2.1 - 2.2.5 применяются также следующие.
2.2.7.1. Образцовая трехкомпонентная ИКМИ* с постоянными Ksw обмоток X, Y и Z в пределах 0,1 - 0,5 В · с/Тл, диапазоном частот 200 - 2000 Гц, относительной погрешностью по постоянным Ksw не более 0,5 % и пределом допускаемой основной погрешности по углам между магнитными осями не более 30΄.
* Здесь и далее образцовыми называются КМИ и ИКМИ, входящие в состав соответствующих образцовых средств измерений 1-го разряда.
2.2.7.2. Набор образцовых однокомпонентных ИКМИ с постоянными Ksw обмоток (0,30 ± 0,05), (1,0 ± 0,1), (5,0 ± 0,5) В· с/Тл, диапазоном частот 20 - 20000 Гц и относительной погрешностью по постоянной Ksw не более 0,5 %.
2.2.8. При проведении поверки ИКМИ кроме средств измерений по пп. 2.2.1 - 2.2.5 применяют также следующие.
2.2.8.1. Образцовая трехкомпонентная КМИ с постоянными КВ обмоток X, Y и Z в пределах 0,5 · 10-4 - 2,0 · 10-4 Тл/А, диапазоном частот 200 - 2000 Гц, относительной погрешностью по постоянной КВ не более 0,5 % и пределом допускаемой основной погрешности по углам между магнитными осями те более 30΄.
2.2.8.2. Набор образцовых однокомпонентных КМИ с постоянными КВ обмоток (1,0 ± 0,2) · 10-4 и (1,0 ± 0,2) 10-3 Тл/А, диапазоном частот 20 - 20000 Гц и относительной погрешностью по постоянной КВ не более 0,5 %.
2.2.8.3. Неоднородность магнитной индукции КМИ по пп. 2.2.8.1 и 2.2.8.2 в объеме поверяемой ИКМИ не должна превышать 1/3 относительной погрешности поверяемой ИКМИ по постоянной Ksw обмоток.
2.3. При проведении поверки КМИ и ИКМИ с относительной, погрешностью по постоянным КВ и Ksw 0,5 - 3 % с помощью компаратора применяют следующие средства измерений.
2.3.1. Набор образцовых мер взаимной индуктивности 3-го разряда с номинальными значениями 0,1; 0,3; 1 и 3 мГн, диапазоном частот 20 - 20000 Гц и доверительной относительной погрешностью не более 0,1 %.
2.3.2. Образцовые магазины сопротивления переменного тока 3-го разряда с диапазоном сопротивления 0,01 - 10000 Ом, диапазоном частот 20 - 20000 Гц и доверительной относительной погрешностью не более 0,05 %.
2.3.3. Селективный усилитель или селективный нульиндикатор с диапазоном частот 20 - 20000 Гц и порогом реагирования не более 10 мкВ.
2.3.4. Низкочастотный измерительный генератор синусоидального напряжения с выходной мощностью не менее 2 Вт на согласованной нагрузке, диапазоном частот 20 - 20000 Гц и коэффициентом гармоник не более 1,5 %.
2.3.5. Омметр с диапазоном измерения 0 - 1000 Ом и погрешностью не более 5 %.
2.3.6. При проведении поверки КМИ кроме средств измерений по пп. 2.3.1 - 2.3.5 применяют следующие.
2.3.6.1. Образцовая трехкомпонентная ИКМИ с постоянными Ksw обмоток X, Y и Z в пределах 0,1 - 0,5 В · с/Тл, диапазоном частот 200 - 2000 Гц, относительной погрешностью по постоянной Ksw не более 0,1 % и пределом допускаемой основной погрешности по углам между магнитными осями не более 4΄.
2.3.6.2. Набор образцовых однокомпонентных ИКМИ с постоянными Ksw обмоток (0,3 ± 0,05), (1,0 ± 0,1) и (5,0 ± 0,5) В · с/Тл, диапазоном частот 20 - 20000 Гц и относительной погрешностью по постоянной Ksw не более 0,1 %.
2.3.7. При проведении поверки ИКМИ кроме средств измерений по пп. 2.3.1 - 2.3.5 применяют следующие.
2.3.7.1. Образцовая трехкомпонентная КМИ с достоянными КВ обмоток X, Y и Z в пределах 0,5 · 10-4 - 2,0 · 10-4 Тл/А, диапазоном частот 200 - 2000 Гц, относительной погрешностью по постоянной КВ не более 0,1 % и пределом основной погрешности по углам между магнитными осями не более 4.
2.3.7.2. Набор образцовых однокомпонентных КМИ с постоянными КВ обмоток (1,0 ± 0,2) · 10-4 и (1,0 ± 0,2) · 10-3 Тл/А, диапазоном частот 20 - 20000 Гц и относительной погрешностью по постоянной КВ не более 0,1 %.
2.3.7.3. Неоднородность магнитной индукции КМИ по пп. 2.3.7.1 и 2.3.7.2 должна удовлетворять условиям п. 2.2.8.3.
2.3.8. Микротесламетр переменного поля с диапазоном измерений 0,05 - 100 мкТл и относительной погрешностью не более 10 % применяют для измерения уровня помех в помещении.
2.3.9. Рекомендуемые к применению измерительные приборы по пп. 2.2.1, 2.2.2, 2.2.4, 2.2.3, 2.2.5, 2.2.6, 2.3.1, 2.3.2, 2.3.3 и 2.3.8 приведены в справочном приложении 4.
2.3.10. Допускается применение других средств поверки с метрологическими характеристиками, удовлетворяющими требованиям п. 2.1 настоящих МУ.
2.3.11. Все средства измерений должны иметь действующие свидетельства о поверке (аттестации).
3.1. При проведении поверки должны соблюдаться нормальные условия, нормированные в технической документации на поверяемые и образцовые средства измерений.
3.2. При отсутствии данных о нормальных условиях должны соблюдаться следующие условия:
температура,°С 20 ± 5;
колебание температуры в процессе выполнения измерений, °С, не более ±2;
атмосферное давление, кПа 84 - 106;
относительная влажность, % 45 - 80;
амплитуда магнитной индукции переменного магнитного поля помех частотой до 20000 Гц, Тл, не более 1 · 10-7;
напряжение сети, В 220 ± 4,4;
частота питающей сети, Гц 50 ± 0,5.
Примечание. Допускается проводить поверку при больших или неизвестных значениях магнитной индукции помех, если: при проведении операций по пп. 5.1 и 5.2 сила тока и напряжение более чем в 10 раз превосходят силу тока и напряжение, измеренные при отключенном генераторе; при проведении операций по пп. 5.3 и 5.4 достигается глубина компенсации (1 - 2) · 10-4.
3.3. Для исключения влияния близко расположенных ферромагнитных и проводящих масс на результаты поверки расстояние от них до неэкранированной КМИ должно втрое превышать ее наибольший габаритный размер. Учитывают ферромагнитные и проводящие массы, наибольший размер которых превышает 0,1 наибольшего габаритного размера КМИ.
Примечание. При поверке или применения в качестве образцовой стационарных КМИ допускается наличие ферромагнитных и проводящих масс на расстоянии не менее полуторакратного наибольшего размера КМИ. При этом указанные массы не должны перемещаться.
4.1. Перед измерениями поверяемые КМИ и ИКМИ (если нет специальных указаний в технической документации на них) должны быть выдержаны в нормальных условиях в течение 4 ч.
5.1. Проведение поверки КМИ с относительной погрешностью по постоянной КВ более 3 %.
5.1.1. Внешний осмотр
При внешнем осмотре необходимо установить соответствие КМИ следующим требованиям:
на табличке или передней поверхности КМИ должно быть указано ее наименование, порядковый номер по системе предприятия-изготовителя, товарный знак или наименование предприятия-изготовителя, для многокомпонентных КМИ должны быть указаны стрелками направления магнитных осей;
к КМИ должен быть приложен документ, содержащий следующие сведения: данные, указанные на табличке, значения относительной погрешности КМИ по постоянным КВ обмоток, значения углов между магнитными осями обмоток и их предельные допускаемые отклонения, конфигурацию, размеры и расположение рабочего пространства КМИ, рабочий диапазон частот, принципиальную схему с указанием числа и диаметра витков в секциях каждой обмотки, значение активного сопротивления обмоток с предельным допускаемым значением отклонения и максимальный допускаемый для них ток;
к КМИ должно быть приложено свидетельство о предыдущей поверке (аттестации);
наличие кабеля, входящего в комплект КМИ;
поверяемая КМИ не должна иметь видимых глазом повреждений (сколов, трещин, нарушений изоляции обмоток и т.п.), а ее конструкция не должна допускать смещения витков и секций обмотки.
5.1.2. Определение активного сопротивления обмоток КМИ
Сопротивление обмоток КМИ определяют с помощью омметра. Значение сопротивления должно находиться в пределах, указанных в документе по п. 5.1.1.
5.1.3. Определение постоянных КВ обмоток КМИ в ее геометрическом центре.
5.1.3.1. В рабочем диапазоне частот поверяемой КМИ (если в документации на КМИ нет специальных указаний) выбирают ряд частот f1, f2, f3, ... fn, где f1 = fmin, f2 = 2 fmin, f3 = 4 fmin, ... fn = fmax (о значениях fmin, fmax см. примечание к п. 2.2.3).
Частоты должны отличаться от частоты 50 Гц и ее гармоник не менее чем на 5 Гц.
5.1.3.2. Образцовую однокомпонентную ИКМИ (п. 2.2.7.2) помещают в центральную часть рабочего пространства поверяемой КМИ. Направления магнитных осей ИКМИ и КМИ должны визуально совпадать.
5.1.3.3. Поверяемую КМИ и средства поверки соединяют согласно по схеме, приведенной на рис. 1, причем при подключении КМИ используют ее собственный кабель.
5.1.3.4. На одной из частот от 200 до 20000 Гц устанавливают согласованное (примерно) значение выходного сопротивления генератора и значение выходного напряжения генератора, соответствующее 40 - 80 % номинального, так, чтобы показания вольтметра (рис. 1) составляли 70 - 90 % его диапазона. Последовательным поворотом ИКМИ вокруг двух осей, перпендикулярных магнитной оси, добиваются максимальных показаний вольтметра.
P1 - вольтметр; P2 - амперметр; Р3 - частотомер; G - генератор
Затем на каждой из выбранных частот устанавливают согласованное значение выходного сопротивления генератора и значение выходного напряжения генератора, соответствующее 40 - 80 % номинального, и производят измерения силы тока в обмотке КМИ и напряжения на выводах обмотки ИКМИ.
5.1.3.5. Постоянную КВ на каждой из выбранных частот вычисляют по формуле
![]()
где КВ - постоянная обмотки КМИ, Тл/А;
U - измеренное значение напряжения на выводах обмотки ИКМИ, В;
f - частота переменного тока, Гц;
I - измеренное значение силы тока в обмотке поверяемой КМИ, А;
Ksw - постоянная обмотки образцовой ИКМИ, В с/Тл.
Операцию повторяют для всех обмоток КМИ. Для каждой обмотки КМИ относительное значение разности между наибольшим и наименьшим значением постоянной КВ в рабочем диапазоне частот не должно более чем в 5 раз превышать относительной погрешности КМИ по постоянной КВ, приведенной в технической документации. Изменение постоянной КВ в межповерочный срок не должно превышать значения, нормируемого в технической документации, а при отсутствии данных - относительной погрешности КМИ по постоянной КВ.
5.1.4. Определение углов между магнитными осями многокомпонентной КМИ
5.1.4.1. Определение углов между магнитными осями производят для обмоток КМИ, указанных в технической документации по п. 5.1.1.
При отсутствии данных производят определение углов между магнитными осями трех пар обмоток XY, XZ и YZ с наибольшими значениями постоянных КВ.
В центральную часть рабочего пространства поверяемой многокомпонентной КМИ помещают образцовую трехкомпонентную ИКМИ (п. 2.2.7.1) и ориентируют ее визуально так, чтобы направления одноименных магнитных осей совпадали.
5.1.4.2. В схему рис. 1 подключают обмотку Y ИКМИ и обмотку X КМИ. На частоте 200 - 2000 Гц и силе тока 50 - 70 % от максимальной производят измерение силы тока IX и напряжения UYX.
Затем в схему подключают обмотку X ИКМИ и обмотку Y КМИ и производят измерение силы тока IY, напряжения UXY и определяют знак напряжения UXY.
После этого вновь подключают к схеме обмотку Y ИКМИ и обмотку X КМИ и определяют знак напряжения UYX.
5.1.4.3. Знаки напряжения UXY и Uyx определяют путем наблюдения за изменениями этих напряжений при повороте ИКМИ вокруг оси, перпендикулярной плоскости измеряемого угла в сторону его увеличения на (1 - 2) ° с последующим возвращением в исходное положение. При этом увеличение показаний вольтметра соответствует знаку «+», а уменьшение - знаку «-».
5.1.4.4. Операции по пп. 5.1.4.1 - 5.1.4.3 повторяют для всех остальных пар обмоток. Порядок пропускания тока по обмоткам КМИ, поворотов ИКМИ и измерения напряжения на выводах обмоток ИКМИ устанавливает табл. 4.
|
Направления магнитных осей КМИ, между которыми определяется угол |
Наличие тока в обмотках КМИ |
Поворот ИКМИ вокруг оси |
Обмотка ИКМИ, на выводах которой производится измерение напряжения |
Результат |
||||||
|
X |
Y |
Z |
X |
Y |
Z |
X |
Y |
Z |
||
|
X и Y |
+* |
- |
- |
- |
- |
- |
- |
+ |
- |
модуль UY X |
|
- |
+ |
- |
- |
- |
- |
+ |
- |
- |
модуль UX Y |
|
|
- |
+ |
- |
- |
- |
+ |
+ |
- |
- |
знак UX Y |
|
|
+ |
- |
- |
- |
- |
+ |
- |
+ |
- |
знак UY X |
|
|
X и Z |
+ |
- |
- |
- |
- |
- |
- |
- |
+ |
модуль UZ X |
|
- |
- |
+ |
- |
- |
- |
+ |
- |
- |
модуль UX Z |
|
|
- |
- |
+ |
- |
+ |
- |
+ |
- |
- |
знак Uх х |
|
|
+ |
- |
- |
- |
+ |
- |
- |
- |
+ |
знак UZ X |
|
|
Y и Z |
- |
- |
+ |
- |
- |
- |
- |
+ |
- |
модуль UY Z |
|
- |
+ |
- |
- |
- |
- |
- |
- |
+ |
модуль UZ Y |
|
|
- |
+ |
- |
+ |
- |
- |
- |
- |
+ |
знак UZ Y |
|
|
- |
- |
+ |
+ |
- |
- |
- |
+ |
- |
знак UY Z |
|
* знак «+» показывает, по каким обмоткам КМИ пропускается ток, вокруг каких осей поворачивается ИКМИ и на выводах каких обмоток ИКМИ производится измерение напряжения.
5.1.4.5. Углы между направлениями магнитных осей поверяемой КМИ вычисляют по формулам:



где jXY, jXZ, jYZ - углы между магнитными осями поверяемой КМИ, ... °.
UXY - напряжение на выводах обмотки компонента X образцовой ИКМИ при пропускании тока по обмотке Y поверяемой КМИ, В;
UXZ - то же, при пропускании тока по обмотке Z, В;
UYX - напряжение на выводах обмотки Y образцовой ИКМИ при пропускании тока по обмотке X поверяемой КМИ, В;
UYZ - то же, при пропускании тока по обмотке Z, В;
UZX - напряжение на выводах обмотки Z образцовой ИКМИ при пропускании тока по обмотке X поверяемой КМИ, В;
UZY - то же, при пропускании тока по обмотке Y, В;
f - частота переменного тока, Гц;
IX, IY, IZ - силы тока в обмотках X, Y, Z поверяемой КМИ, А;
-
постоянные обмоток X, Y, Z поверяемой КМИ,
Тл/А;
-
постоянные обмоток X, Y, Z образцовой ИКМИ,
В · с/Тл;
bXY, bXZ, bYZ - поправки на взаимную неортогональность магнитных осей образцовых ИКМИ (из свидетельства), ... °.
При отсутствии данных о поправках последние принимают равными нулю.
Углы между магнитными осями поверяемой КМИ должны находиться в пределах, указанных в технической документации (см. п. 5.1.1).
5.2. Проведение поверки КМИ с относительной погрешностью по постоянной KВ 0,5 - 3 %.
5.2.1. Внешний осмотр
При проведении внешнего осмотра необходимо установить соответствие КМИ требованиям, перечисленным в п. 5.1.1.
5.2.2. Определение активного сопротивления обмоток КМИ
Определение активного сопротивления обмоток проводят в соответствии с требованиями п. 5.1.2.
5.2.3. Определение постоянных KВ обмоток КМИ в ее геометрическом центре
5.2.3.1. В рабочем диапазоне частот поверяемой КМИ выбирают ряд частот по методике п. 5.1.3.1.
5.2.3.2. Из комплектов образцовых мер взаимной индуктивности и однокомпонентных ИКМИ (п. 2.3.6.2) выбирают меру и ИКМИ, удовлетворяющие условию
![]()
где KВ - постоянная i-й обмотки КМИ, Тл/А;
Ksw - постоянная обмотки ИКМИ, В-с/Тл;
Мo - номинальное значение меры взаимной индуктивности, Гн.
5.2.3.3. Образцовую однокомпонентную ИКМИ помещают в центральную часть рабочего пространства поверяемой КМИ. Направления магнитных осей ИКМИ и КМИ должны визуально совпадать.
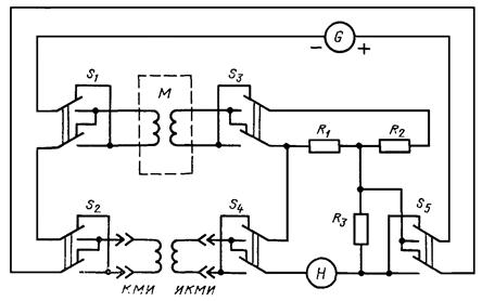
Одну из обмоток поверяемой КМИ и средства поверки соединяют согласно схеме, приведенной на рис. 2, причем при подключении КМИ используют ее собственный кабель.
S1, S2, S3, S4, S5 - переключатели; М - мера взаимной индуктивности; R1, R2, R3 - магазины сопротивления; G - генератор; H - нульиндикатор
5.2.3.4. На образцовых магазинах сопротивления R1, R2, R3 устанавливают значения сопротивления 1 кОм, 10 кОм и 0 Ом соответственно.
Все переключатели от S1 до S5 устанавливают в любое положение, принятое за исходное («+»)
Устанавливают на генераторе и нульиндикаторе одну из частот выбранного ряда.
Переключатель S1 устанавливают в положение, соответствующее меньшему показанию нульиндикатора. С помощью магазина сопротивления R1, а затем и R3 добиваются компенсации (нулевого показания на индикаторе).
Если изменение значения R3 не приводит к компенсации, то меняют положение переключателя S5 на противоположное. Компенсацию следует производить до уровня, соответствующего (1 - 2) · 10-4 значения сопротивления R1.
Уменьшают значение сопротивления R1 на 5 - 10 % и проводят операции ориентирования КМИ по п. 5.1.3.4. Снова производят компенсацию и проводят серию измерений при различных положениях переключателей S2, S3, S4 согласно табл. 5.
|
Положения переключателей |
|||
|
S2 |
S3 |
S4 |
|
|
1 |
+ |
+ |
+ |
|
2 |
+* |
-** |
- |
|
3 |
- |
+ |
- |
|
4 |
- |
- |
+ |
* Знаком «+» обозначены исходные положения переключателей.
** Знаком «-» обозначены положения переключателей, противоположные исходным.
5.2.3.5. Вычисляют постоянную К΄В для каждого измерения по формуле
![]()
где К΄B - постоянная обмотки КМИ, Тл/А;
Мo - значение взаимной индуктивности меры взаимной индуктивности, Гн (из свидетельства);
R1, R2 - значения сопротивления образцовых магазинов сопротивления, Ом;
ro - сопротивление вторичной обмотки меры взаимной индуктивности, Ом (из паспорта);
Ksw - постоянная обмотки образцовой ИКМИ, В · с/Тл (из свидетельства).
Значение постоянной КB данной обмотки вычисляют как среднее арифметическое результатов четырех измерений К΄B.
Операцию проводят для всех остальных частот ряда и для всех обмоток КМИ.
Для каждой обмотки относительное значение разности между наибольшим и наименьшим значением постоянной КB в рабочем диапазоне частот не должно более чем в 5 раз превышать значение относительной погрешности КМИ по постоянной КB, приведенное в технической документации. Изменение постоянной КB в межповерочный срок не должно превышать значения, нормируемого в технической документации, а при отсутствии данных - относительной погрешности КМИ по постоянной КB.
5.2.4. Определение углов между магнитными осями многокомпонентной КМИ
5.2.4.1. Трехкомпонентную образцовую ИКМИ (п. 2.3.6.1) размещают внутри поверяемой КМИ в соответствии с требованиями п. 5.1.4.2.
5.2.4.2. Соединяют обмотку Y ИКМИ с переключателем S4 и одну из подлежащих поверке обмоток X КМИ с переключателем S2 (см. рис. 2). На частоте 200 - 2000 Гц и при силе тока 50 - 70 % максимального обмотки производят измерение взаимной индуктивности MYX между обмоткой Y ИКМИ и обмоткой X КМИ. Методика измерений аналогична приведенной в п. 5.2.3.4. Взаимная индуктивность вычисляется по формуле
![]()
где М΄YX - взаимная индуктивность обмотки Y ИКМИ и обмотки X КМИ, Гн;
Мo - значение образцовой меры взаимной индуктивности, Гн;
R1, R2 - сопротивление образцовых магазинов, Ом;
ro - активное сопротивление вторичной обмотки образцовой меры взаимной индуктивности, Ом.
Определение взаимной индуктивности М΄YX производят в соответствии с требованиями табл. 5.
Значение взаимной индуктивности МYX для последующих расчетов вычисляют как среднее арифметическое четырех полученных значений М΄YX. Затем в схему рис. 2 подключают обмотку X ИКМИ и любую обмотку Y КМИ и производят измерение и вычисление взаимной индуктивности MXY. Знаки взаимных индуктивностей МXY, МYX определяются так же, как знаки напряжений UXY, UYX по п. 5.1.4.3.
Указанные измерения повторяются для других пар обмоток XY, XZ и YZ. Порядок подключения к схеме (рис. 2) обмоток КМИ и ИКМИ устанавливает табл. 6.
|
Направления магнитных осей КМИ, между которыми определяется угол |
Подключенная к схеме обмотка КМИ |
Поворот ИКМИ вокруг оси |
Подключенная к схеме обмотка ИКМИ |
Результат |
||||||
|
X |
Y |
Z |
X |
Y |
Z |
X |
Y |
Z |
||
|
X и Y |
+* |
- |
- |
- |
- |
- |
- |
+ |
- |
Модуль MY X |
|
- |
+ |
- |
- |
- |
- |
+ |
- |
- |
Модуль МX Y |
|
|
- |
+ |
- |
- |
- |
+ |
+ |
- |
- |
Знак МX Y |
|
|
+ |
- |
- |
- |
- |
+ |
- |
+ |
- |
Знак MY X |
|
|
X и Z |
+ |
- |
- |
- |
- |
- |
- |
- |
+ |
Модуль MZ X |
|
- |
- |
+ |
- |
- |
- |
+ |
- |
- |
Модуль MX Z |
|
|
- |
- |
+ |
- |
+ |
- |
+ |
- |
- |
Знак MX Z |
|
|
+ |
- |
- |
- |
+ |
- |
- |
- |
+ |
Знак MZ X |
|
|
Y и Z |
- |
- |
+ |
- |
- |
- |
- |
+ |
|
Модуль MY Z |
|
- |
+ |
- |
- |
- |
- |
- |
- |
+ |
Модуль МZ Y |
|
|
- |
+ |
- |
+ |
- |
- |
- |
- |
+ |
Знак МZ Y |
|
|
- |
- |
+ |
+ |
- |
- |
- |
+ |
- |
Знак MY Z |
|
* Знак «+» показывает, какие из обмоток КМИ и ИКМИ подключены к схеме и вокруг каких осей производится поворот ИКМИ.
5.2.4.3. Углы между магнитными осями компонентов поверяемой КМИ вычисляют по формулам:



где jXY, jXZ, jYZ - углы между магнитными осями поверяемой КМИ, ...°;
МXY - взаимная индуктивность между обмоткой Y поверяемой КМИ и обмоткой X образцовой ИКМИ, Гн;
МZY - то же, с обмоткой Z образцовой ИКМИ, Гн;
МXZ - взаимная индуктивность между обмоткой Z поверяемой КМИ и обмоткой X образцовой ИКМИ, Гн;
МYZ - то же, с обмоткой Y образцовой ИКМИ, Гн;
МYX - взаимная индуктивность между обмоткой X поверяемой КМИ и обмоткой Y образцовой ИКМИ, Гн;
МZX - то же, с обмоткой Z образцовой ИКМИ, Гн;
-
постоянные обмоток X, Y, Z поверяемой КМИ,
Тл/А;
-
постоянные обмоток X, Y, Z образцовой ИКМИ,
В · с/Тл;
bXY, bXZ, byz - поправки на неортогональность магнитных осей образцовой ИКМИ, ...° (из свидетельства).
При отсутствии данных о поправках, значения последних принимают равными нулю.
Углы между магнитными осями поверяемой КМИ должны быть в пределах, указанных в документации на нее.
5.3. Проведение поверки ИКМИ с относительной погрешностью по постоянной Ksw более 3 %
5.3.1. Внешний осмотр
При внешнем осмотре необходимо установить соответствие ИКМИ следующим требованиям:
на табличке или передней поверхности ИКМИ должны быть указаны ее наименование и порядковый номер по системе предприятия-изготовителя, для многокомпонентных ИКМИ должны быть указаны стрелкой направления магнитных осей;
к ИКМИ должен быть приложен документ, содержащий данные, приведенные на табличке, значение относительной погрешности по постоянным Ksw обмоток, значения углов между магнитными осями обмоток и их предельные допускаемые отклонения, число и диаметр витков, значение активного сопротивления каждой обмотки с предельным значением допускаемого отклонения, рабочий диапазон частот, диапазон допускаемых значений входного сопротивления подключаемого прибора;
к ИКМИ должно быть приложено свидетельство о предыдущей поверке (аттестации);
ИКМИ должна быть представлена на поверку вместе с собственным кабелем, который должен быть либо выполнен из перевитых проводов, либо быть коаксиальным. Отношение площади петли подводящих проводов к значению постоянной Ksw (из предыдущего свидетельства о поверке) поверяемой ИКМИ не должно превосходить 1/300 ее относительной погрешности по постоянной Ksw (в процентах);
поверяемая ИКМИ не должна иметь видимых глазом механических повреждений (сколов, трещин, нарушений изоляции обмоток и т.п.), а ее конструкция не должна допускать смещение витков обмотки.
5.3.2. Определение активного сопротивления обмоток ИКМИ
Определение сопротивления обмоток ИКМИ следует проводить в порядке, аналогичном указанному в п. 5.1.2.
5.3.3. Определение постоянных Ksw обмоток ИКМИ
5.3.3.1. В рабочем диапазоне частот ИКМИ выбирают ряд частот в соответствии с требованиями п. 5.1.3.1.
5.3.3.2. Поверяемую ИКМИ помещают в центральную часть рабочего пространства образцовой однокомпонентной КМИ (п. 2.2.8.2). Направления магнитных осей выбранной обмотки ИКМИ и образцовой КМИ должны визуально совпадать.
5.3.3.3. Поверяемую ИКМИ и средства поверки соединяют согласно схеме, приведенной на рис. 1, причем при подключении ИКМИ должен быть использован ее собственный кабель.
5.3.3.4. Проводят операции согласно п. 5.1.3.4.
5.3.3.5. Постоянную Ksw обмотки ИКМИ вычисляют по формуле
![]()
где Ksw - постоянная обмотки поверяемой ИКМИ, В · с/Тл;
U - измеренное значение напряжения на выводах обмотки поверяемой ИКМИ, В;
f - частота переменного тока, Гц;
I - измеренное значение силы тока в обмотке образцовой КМИ, А.
Операцию повторяют для всех обмоток ИКМИ.
Для каждой обмотки ИКМИ относительное значение разности между наибольшими и наименьшими значениями Ksw внутри рабочего диапазона частот не должно более чем в 5 раз превышать относительной погрешности ИКМИ по постоянной Ksw.
Изменение постоянной Ksw в межповерочный срок не должно превышать значения, нормируемого в технической документации, а при отсутствии данных - относительной погрешности ИКМИ по постоянной Ksw.
5.3.4. Определение углов между магнитными осями обмоток многокомпонентной ИКМИ
5.3.4.1. В центральную часть рабочего пространства образцовой трехкомпонентной КМИ (п. 2.2.8.1) помещают поверяемую многокомпонентную ИКМИ и ориентируют ее визуально так, чтобы направления одноименных магнитных осей совпадали.
5.3.4.2. Проводят операции согласно пп. 5.1.4.2, 5.1.4.3 и 5.1.4.4.
5.3.4.3. Углы между направлениями магнитных осей поверяемой ИКМИ определяют по формулам:



где jXY, jXZ, jyz - углы между направлениями магнитных осей X, Y, Z поверяемой ИКМИ, ...°;
Uxy - напряжение на выводах обмотки X поверяемой ИКМИ при пропускании тока по обмотке Y образцовой КМИ, В;
UXZ - то же, при пропускании тока по обмотке Z образцовой КМИ, В;
UYX - напряжение на выводах обмотки Y поверяемой ИКМИ при пропускании тока по обмотке X образцовой КМИ, В;
UYZ - то же, при пропускании тока по обмотке Z образцовой КМИ, В;
UZX - напряжение на выводах обмотки Z поверяемой ИКМИ при пропускании тока по обмотке X образцовой КМИ, В;
UZY - то же, при пропускании тока по обмотке Y образцовой КМИ, В;
f - частота переменного тока, Гц;
IX, IY, IZ - сила тока в обмотках X, Y, Z образцовой КМИ, А;
-
постоянные обмоток X, Y, Z поверяемой КМИ
(из свидетельства), Тл/А;
-
постоянные обмоток X, Y, Z поверяемой ИКМИ,
В · с/Тл;
bXY, bXZ, byz - поправки на взаимную неортогональность магнитных осей образцовой ИКМИ, ...° (из свидетельства).
При отсутствии данных о поправках, значения последних принимают равными нулю. Углы между направлениями магнитных осей поверяемой ИКМИ должны быть в пределах значений, указанных в технической документации на нее.
5.4. Проведение поверки ИКМИ с относительной погрешностью по постоянной Ksw в пределах 0,5 - 3 %
5.4.1. Внешний осмотр
При проведении внешнего осмотра необходимо установить соответствие ИКМИ требованиям, изложенным в п. 5.3.1.
5.4.2. Определение активного сопротивления обмоток ИКМИ следует проводить в порядке, аналогичном указанному в п. 5.1.2.
5.4.3. Определение постоянных Ksw обмоток ИКМИ
5.4.3.1. В рабочем диапазоне частот поверяемой ИКМИ выбирают ряд частот по п. 5.1.3.1.
5.4.3.2. Из комплекта образцовых мер взаимной индуктивности и однокомпонентных КМИ выбирают меру и КМИ, удовлетворяющие условию п. 5.2.3.2.
5.4.3.3. Поверяемую ИКМИ помещают в центральную часть рабочего пространства образцовой однокомпонентной КМИ (п. 2.3.8.2). Направления магнитных осей КМИ и ИКМИ должны визуально совпадать.
5.4.3.4. Поверяемую ИКМИ и средства поверки соединяют согласно схеме, приведенной на рис. 2, причем при подключении ИКМИ должен быть использован ее собственный кабель.
5.4.3.5. Проводят операции по компенсации согласно п. 5.2.3.4. Постоянные Ksw данной обмотки вычисляют по формуле
![]()
где K΄sw - постоянная обмотки поверяемой ИКМИ, В · с/Тл;
Мo - значение взаимной индуктивности образцовой меры, Гн;
R1, R2 - сопротивления образцовых магазинов, Ом;
кo - сопротивление вторичной обмотки меры взаимной индуктивности, Ом;
КB - постоянная обмотки образцовой КМИ, Тл/А.
Производят измерения значения постоянной K΄sw в соответствии с требованиями табл. 5. Значение постоянной Ksw для последующих расчетов вычисляют как среднее арифметическое четырех полученных значений K΄sw.
Операцию повторяют на всех остальных частотах ряда и для всех обмоток ИКМИ.
Для всех обмоток относительное значение разности между наибольшим и наименьшим значением постоянной Ksw в рабочем диапазоне частот не должно более чем в 5 раз превышать относительную погрешность ИКМИ по постоянной Ksw. Изменение постоянной Ksw в межповерочный срок не должно превышать значения, нормируемого в технической документации, а при отсутствии данных - относительной погрешности ИКМИ по постоянной Ksw.
5.4.4. Определение углов между магнитными осями обмоток многокомпонентной ИКМИ
5.4.4.1. Поверяемую ИКМИ помещают в центральную часть рабочего пространства образцовой трехкомпонентной КМИ (п. 2.3.6.1). Направление одноименных магнитных осей КМИ и ИКМИ должны визуально совпадать.
5.4.4.2. Выполняют операции согласно п. 5.2.4.2.
5.4.4.3. Производят вычисление углов между направлениями магнитных осей поверяемой ИКМИ по формулам:



где jXY, jXZ, jYZ - углы между магнитными осями поверяемой КМИ, ...°;
МXY - взаимная индуктивность между обмоткой Y поверяемой КМИ и обмоткой X образцовой ИКМИ, Гн;
МZY - то же, с обмоткой Z образцовой ИКМИ, Гн;
МXZ - взаимная индуктивность между обмоткой Z поверяемой КМИ и обмоткой X образцовой ИКМИ, Гн;
МYZ - то же, с обмоткой Y образцовой ИКМИ, Гн;
МYX - взаимная индуктивность между обмоткой X поверяемой КМИ и обмоткой Y образцовой ИКМИ, Гн;
МZX - то же, с обмоткой Z образцовой ИКМИ, Гн;
-
постоянные обмоток X, Y, Z поверяемой КМИ,
Тл/А;
-
постоянные обмоток X, Y, Z образцовой ИКМИ,
В · с/Тл;
bXY, bXZ, byz - поправки на неортогональность магнитных осей образцовой трехкомпонентной КМИ, (из свидетельства), ...°.
При отсутствии данных о поправках значения последних принимают равными нулю.
Углы между магнитными осями поверяемой ИКМИ должны быть в пределах значений, указанных в технической документации на нее.
5.5. Проведение поверки образцовых мер магнитной индукции 2-го разряда, поверочных установок 2-го разряда для тесламетров и поверочных установок 2-го разряда для мер магнитной индукции.
5.5.1. Внешний осмотр
При проведении внешнего осмотра устанавливают соответствие количества и типов средств измерений и других устройств, входящих в меру (установку), формуляру (или документу, его заменяющему). Устанавливают соответствие их фактического размещения монтажному чертежу (при его наличии) и соответствие фактического соединения составных частей электрической схеме соединений.
Проверяют наличие и срок действия свидетельств о поверке средств измерений, входящих в состав меры (установки), возможность применения этих средств измерений в составе установки (меры) и соответствие номеров средств измерений номерам, указанным в свидетельствах.
5.5.2. При проверке условий эксплуатации устанавливают соответствие характеристик поверочного помещения и условий размещения меры (установки) требованиям раздела 3 настоящих МУ.
Примечание. При отсутствии тесламетра переменного поля измерения амплитуды магнитной индукции переменного магнитного поля помех (п. 3.2.4) допускается не производить, а заменить их проверкой выполнения требований примечания к п. 3.2.4 при проведении операций поверки ИКМИ с постоянной Ksw = 5,0 В · с/Тл из комплекта меры (установки) на частоте 20 - 30 Гц по пп. 5.3 и 5.4.
5.5.3. Опробование
При опробовании поверяют возможность проведения операций поверки по пп. 5.3 и 5.4 путем определения постоянной Ksw ИКМИ. В качестве поверяемой катушки используют ИКМИ из комплекта поверочной установки (меры) с постоянной Ksw = 5 В · с/Тл. Операцию производят на одной частоте.
6.1. При положительных результатах поверки КМИ и ИКМИ на нее выдают свидетельство о поверке по установленной форме о государственной или ведомственной поверке со сроком действия не более двух лет, в котором указывается, что данная КМИ или ИКМИ может применяться в составе образцовых мер магнитной индукции и поверочных установок 2-го разряда.
В свидетельстве приводятся предел допускаемой относительной основной погрешности КМИ или ИКМИ по постоянным, рабочий диапазон частот, конфигурация, размеры и расположение рабочего пространства (для КМИ) и срок действия свидетельства.
Если в рабочем диапазоне частот изменение значений постоянных не превосходит 1/3 относительной погрешности по постоянной, в свидетельстве приводят среднее значение постоянной для всего рабочего диапазона частот.
Если это изменение превосходит 1/3 относительной погрешности, в свидетельстве приводят значения постоянных для всех частот, на которых производилось их определение.
Значение постоянной (либо таблица постоянных) приводят для каждой обмотки КМИ или ИКМИ.
Для многокомпонентных КМИ или ИКМИ в свидетельстве приводятся действительные значения углов между магнитными осями и погрешность их определения.
Примечания:
1. Допускается результат поверки ИКМИ и неэкранированных КМИ с каркасами из диэлектрических материалов в диапазоне частот 20 - 20000 Гц распространять на диапазон частот 1 - 120 Гц.
2. Допускается отдельное свидетельство о поверке КМИ и ИКМИ не оформлять, а результаты поверки и полученные значения метрологических характеристик внести в свидетельство о поверке меры магнитной индукции или поверочной установки, в состав которых они входят.
6.2. При положительных результатах поверки образцовой меры магнитной индукции или поверочной установки 2-го разряда на нее выдают свидетельство, в котором указывают наименование, тип меры (установки), ее номер по системе нумерации предприятия-изготовителя, принадлежность и метрологическое назначение.
В свидетельстве приводят рабочие диапазоны меры по поверяемым параметрам, рабочий диапазон частот и предел допускаемой относительной основной погрешности.
Там же перечисляют наименования и номера по системе нумерации предприятия-изготовителя всех входящих в меру (установку) средств измерений.
Срок действия свидетельства определяется сроком действия свидетельств на КМИ и ИКМИ, входящих в состав меры (установки), при условии наличия действующих свидетельств на остальные средства измерений, входящие в состав меры (установки).
6.3. При наличии паспорта (или документа, его заменяющего) на поверяемую образцовую меру или поверочную установку в нем производят запись о результатах поверки, заверяемую поверителем.
6.4. При отрицательных результатах поверки образцовую меру магнитной индукции или поверочную установку к применению не допускают и на нее выдают извещение о непригодности с указанием причин.
6.5. При отрицательных результатах поверки КМИ или ИКМИ они к применению не допускаются, и на них выдают извещение о непригодности с указанием причин.
Обязательное
1. КМИ
Количество компонент 1; 2 или 3
Диапазон частот 1 - 20000 Гц
Значение постоянных KB в обмоток КМИ 1 · 10-6 - 1 · 10-3 Тл/А
Относительная погрешность КМИ по KB* 0,5 - 5 %
Предел допускаемой основной погрешности КМИ по углам между направлениями магнитных осей обмоток** 10΄ - 2°
2. ИКМИ
Количество компонент 1; 2 или 3
Диапазон частот 1 - 20000 Гц
Значение постоянных Ksw обмоток ИКМИ 1 · 10-2 - 10 В · с/Тл
(1 · 10-2 - 10 м2)
Относительная погрешность ИКМИ по Ksw* 0,5 - 5 %
Предел допускаемой основной погрешности ИКМИ по углам между магнитными осями обмоток** 10΄ - 2°
* Обычно погрешность нормируют одинаковой для всех обмоток, т.е. для катушки в целом. В некоторых случаях погрешность нормируют в отдельности для каждой обмотки или групп обмоток.
** Погрешность нормируют для катушки в целом.
Обязательное
1. Метрологическую аттестацию (далее аттестация) КМИ и ИКМИ проводят при выпуске их из производства и после ремонта. При этом определение их метрологических характеристик производится дважды с интервалом в 1 год.
2. На аттестацию КМИ и ИКМИ представляют в соответствии с требованиями пп. 5.1.1 и 5.2.1 настоящих МУ. При этом в прилагаемом документе кроме характеристик, перечисленных в пп. 5.1.1 или 5.3.1, приводят значение КB или Ksw. Все характеристики приводят как заданные (для серийных катушек) или как предполагаемые (для катушек индивидуального изготовления).
3. При первом определении метрологических характеристик КМИ с заданной (предполагаемой) относительной погрешностью по постоянной КB более 3 % выполняют операции п. 5.1, а для КМИ с заданной (предполагаемой) относительной погрешностью по постоянной КB 0,5 - 3 % - операции п. 5.2 настоящих МУ.
Дополнительно для КМИ проводят определение неоднородности магнитной индукции каждой обмотки. Для этого производят измерение постоянной КB каждой обмотки при размещении образцовой ИКМИ в центре рабочего пространства, в точках пересечения магнитной оси и двух перпендикулярных ей и друг другу осей с границей рабочего пространства и на серединах отрезков этих трех осей между центром КМИ и границей рабочего пространства.
Если при определении постоянной КB относительное значение разности между наибольшим и наименьшим значением КB в рабочем диапазоне частот превосходит пятикратное значение заданной (предполагаемой) относительной погрешности или относительное значение разности между постоянной КB в центре КМИ и любой точке рабочего пространства превосходит 1/3 заданного (предполагаемого) значения относительной погрешности по постоянной КB, или (для многокомпонентной КМИ) измеренные отклонения углов между магнитными осями превосходят заданные (предполагаемые) предельные допускаемые отклонения, КМИ признают непригодной для дальнейшей аттестации и возвращают заказчику.
4. При первом определении метрологических характеристик ИКМИ с заданной (предполагаемой) относительной погрешностью по постоянной Ksw более 3 % выполняют операции п. 5.3, а для ИКМИ с заданной (предполагаемой) относительной погрешностью 0,5 - 3 % - операции п. 5.4. настоящих МУ.
Если при определении постоянной Ksw относительное значение разности между наибольшим и наименьшим значениями постоянной в рабочем диапазоне частот превосходит пятикратное значение заданной (предполагаемой) относительной погрешности или (для многокомпонентной ИКМИ) измеренные отклонения углов между магнитными осями превосходят заданные (предполагаемые) предельные допускаемые отклонения, ИКМИ признают непригодной для дальнейшей аттестации и возвращают заказчику.
5. При положительных результатах определения метрологических характеристик по пп. 3 или 4 настоящего приложения на КМИ или ИКМИ выдают справку, в которой приводят полученные значения постоянных КB или Ksw, неоднородность магнитной индукции (для КМИ), значения углов между магнитными осями (для многокомпонентных катушек), погрешности определения постоянных и углов между магнитными осями и срок следующего представления катушки.
В справке также указывают, что применение катушки в качестве средства измерений запрещается.
6. При втором определении метрологических характеристик катушек проводят операции по пп. 5.1, 5.2, 5.3 или 5.4 настоящих МУ.
7. Установление предела допускаемой относительной основной погрешности катушки
7.1. Производят расчет относительной погрешности катушки по формуле (1), если результаты определения постоянной в рабочем диапазоне частот представлены в виде таблицы, или по формуле (2), если постоянная определена как среднее арифметическое для всего рабочего диапазона частот
где δ0 - относительная погрешность катушки по постоянной, %;
ν - относительное значение разности между результатами первого и второго определения постоянной, %;
δ1, δ2 - суммарная относительная погрешность образцовых средств измерений при первом и втором определении постоянных, %.
7.2. Если полученное значение δ0 не превосходит 3δ2, то относительную погрешность катушки принимают равной 3 δ2, в противном случае принимается результат, вычисленный по п. 7.1.
7.3. Если принятое по п. 7.2 значение δ0 не превосходит 0,2 δf, то относительную погрешность катушки принимают равной 0,2 δf, в противном случае δ0 сохраняет значение, принятое в п. 7.2, δf - относительное значение разности между наибольшим и наименьшим значением постоянной в рабочем диапазоне частот, %
7.4. Если принятое по п. 7.3 значение δ0 не превосходит 3 δн (только для КМИ), то относительную погрешность КМИ принимают равной 3 δн, в противном случае δ0 сохраняет значение, принятое в п. 7.3, δн - относительное значение разности между постоянными КB в центре КМИ и любой точке рабочего пространства, %
7.5. Из ряда 0,5; 0,75; 1,0; 1,5; 2,0; 3,0; 5,0 и 10 % выбирают ближайшее превосходящее δ0 значение.
Для катушек индивидуального изготовления выбранное значение устанавливают в качестве предела допускаемой относительной основной погрешности аттестуемой катушки по постоянной. Для серийных катушек выбранное значение δ0 сравнивают с заданным значением относительной погрешности. Если выбранное значение относительной погрешности не превосходит заданного, то заданное значение относительной погрешности устанавливают в качестве предела допускаемой относительной основной погрешности аттестуемой катушки по постоянной.
Если выбранное значение относительной погрешности превосходит заданное, катушку бракуют.
8. В тех случаях, когда в данном органе поверки имеется опыт аттестации катушек, изготовленных по тем же чертежам, что и аттестуемая катушка, допускается аттестовать катушку только после однократного определения метрологических характеристик. При этом относительную погрешность катушки первоначально принимают равной 3 δ2, а ее окончательное значение устанавливают в соответствии с пп. 7.3, 7.4 и 7.5 настоящего приложения.
9. После проведения измерений и установления значения предела допускаемой относительной основной погрешности по постоянной на катушку выдают свидетельство о метрологической аттестации.
В свидетельстве приводят данные в соответствии с п. 6.1 настоящих МУ, за исключением срока последующей поверки, который в этом случае устанавливают через 1 год.
Для КМИ приводят дополнительно результаты определения неоднородности магнитной индукции.
Справочное
Погрешность образцового средства измерения (при доверительной погрешности 0,95) вычисляют по формуле
![]()
К неисключенным систематическим погрешностям θ1 относят пределы допускаемой относительной погрешности используемых образцовых средств измерений и погрешность от непараллельности магнитных осей КМИ и ИКМИ, которую при их визуальной установке с непараллельностью не более 2° принимают равной 0,05 %.
Рекомендуемое
|
Наименование средства измерений |
Тип |
Диапазон измерений (пределы) |
Относительная погрешность, класс точности и др. |
Диапазон частот, Гц |
|
|
Вольтметр переменного тока |
Ф 584 |
0,001 - 300 В |
0,5 % |
20 - 40000 |
|
|
Амперметр |
Приставка Ф 5051 к вольтметру Ф584 |
0,01 мА - 1 А |
0,5 % |
20 - 40000 |
|
|
Низкочастотный измерительный генератор |
ГЗ-109 |
0 - 140 В |
Коэффициент гармоник 0,5 % |
20 - 20000 |
|
|
Электронно-счетный частотомер |
ЧЗ-57 |
0,1 Гц - 100 мГц |
1 · 10-8 |
1 · 101 - 1 · 108 |
|
|
Вольтамперометр |
Ц4312 |
1 Ом - 10 МОм |
5 % |
- |
|
|
|
|
|
|
|
|
|
Меры взаимной индуктивности |
Р5009 |
100 мкГн, 300 мкГн, 1 мГн, 3 мГн |
0,1 % |
20 - 50000 |
|
|
Магазин сопротивления |
Р4830/1 |
0,01 - 10000 Ом |
0,05 % |
0 - 20000 |
|
|
Селективный усилитель |
У2-8 |
1 мкВ - 10 мВ |
15 % |
20 - 20000 |
|
|
Микротесламетр |
Г-79 |
0,02 - 1000 мкТл |
5 % |
20 - 20000 |
Справочное
|
Участок электрической цепи, заключенный между выводами КМИ и предназначенный для получения магнитной индукции внутри рабочего пространства КМИ при пропускании по нему тока |
|
|
Направление магнитной оси обмотки КМИ |
Направление вектора магнитной индукции в геометрическом центре рабочего пространства КМИ при пропускании тока по обмотке |
|
Обмотка ИКМИ |
Участок электрической цепи, заключенный между выводами ИКМИ и предназначенный для получения на них напряжения при изменении магнитной индукции в объеме ИКМИ |
|
Направление магнитной оси обмотки ИКМИ |
Направление вектора магнитной индукции однородного переменного магнитного поля, при котором напряжение на выводах обмотки ИКМИ максимально |
|
Постоянная КВ |
Коэффициент связи магнитной индукции магнитного поля КМИ и тока в обмотке В
где В - магнитная индукция, Тл; I - ток питания КМИ, А |
|
Постоянная Ksw |
Коэффициент связи ЭДС, наведенной на выводах обмотки ИКМИ, и скорости изменения осевой составляющей магнитной индукции в объеме ИКМИ где
Е - ЭДС, В; В - осевая составляющая магнитной индукции в объеме ИКМИ, Тл |
|
Рабочее пространство КМИ |
Свободное пространство (обычно расположенное внутри КМИ), неоднородность магнитной индукции внутри которого не превосходит заданного значения |
СОДЕРЖАНИЕ