ФЕДЕРАЛЬНОЕ
АГЕНТСТВО
ПО ТЕХНИЧЕСКОМУ РЕГУЛИРОВАНИЮ И МЕТРОЛОГИИ
|

|
НАЦИОНАЛЬНЫЙ СТАНДАРТ РОССИЙСКОЙ ФЕДЕРАЦИИ
|
ГОСТ Р ИСО
10849-2006
|
Выбросы
стационарных источников
ОПРЕДЕЛЕНИЕ
МАССОВОЙ КОНЦЕНТРАЦИИ
ОКСИДОВ АЗОТА
Характеристики
автоматических
измерительных систем в условиях применения
ISO 10849:1996
Stationary
source emissions - Determination of the mass concentration of nitrogen oxides -
Performance characteristics of automated measuring systems (IDT)

Москва
Стандартинформ
2006
Предисловие
Цели и принципы
стандартизации в Российской Федерации установлены Федеральным законом от 27 декабря 2002 г. №
184-ФЗ «О техническом регулировании», а правила применения национальных
стандартов Российской Федерации - ГОСТ Р
1.0-2004 «Стандартизация в Российской Федерации. Основные положения»
Сведения о
стандарте
1 ПОДГОТОВЛЕН
Открытым акционерным обществом «Научно-исследовательский центр контроля и
диагностики технических систем» (ОАО «НИЦ КД») на основе собственного
аутентичного перевода стандарта, указанного в пункте 4
2 ВНЕСЕН
Техническим комитетом по стандартизации ТК 457 «Качество воздуха»
3 УТВЕРЖДЕН И
ВВЕДЕН В ДЕЙСТВИЕ Приказом Федерального агентства по техническому регулированию
и метрологии от 20 апреля 2006 г. № 70-ст
4
Настоящий стандарт идентичен международному стандарту ИСО 10849:1996 «Выбросы
стационарных источников. Определение массовой концентрации оксидов азота.
Характеристики автоматических измерительных систем в условиях применения» (ISO 10849:1996 «Stationary
source emissions
- Determination
of the mass concentration of nitrogen oxides - Performance
characteristics of automated measuring systems»).
При применении
настоящего стандарта рекомендуется использовать вместо ссылочных международных
стандартов соответствующие им национальные стандарты, сведения о которых
приведены в дополнительном приложении С
5 ВВЕДЕН ВПЕРВЫЕ
Информация об изменениях к настоящему стандарту публикуется
в ежегодно издаваемом информационном указателе «Национальные стандарты», а
текст изменений и поправок - в ежемесячно
издаваемых информационных указателях «Национальные стандарты». В случае пересмотра
(замены) или отмены настоящего стандарта соответствующее уведомление будет
опубликовано в ежемесячно издаваемом информационном указателе «Национальные
стандарты». Соответствующая информация, уведомление и тексты размещаются также
в информационной системе общего пользования - на официальном сайте Федерального агентства по техническому регулированию
и метрологии в сети Интернет
СОДЕРЖАНИЕ
Введение
Оксиды азота
образуются практически во всех процессах горения, например при горении твердого
топлива, в результате окисления азота, входящего в состав топлива, а также при
окислении азота воздуха, используемого в процессе горения. Количество
образовавшихся оксидов азота зависит от содержания азота в топливе, конструкции
котла, форсунки и режимов горения.
Оксиды азота,
содержащиеся в отходящих газах при обычных процессах горения, состоят
приблизительно на 95 % из монооксида азота (NO). Следующим по
уровню содержания является диоксид азота (NO2), образующийся
при окислении NO, когда температура отходящего газа понижается.
Оксиды (NO + NO2) обычно
обозначают как NOx. Следует отметить, что для некоторых
других процессов может быть характерно другое соотношение NO и NO2 и образование
других оксидов азота.
Содержание
оксидов азота в отходящих газах мусоросжигательных заводов определяют объемными
(«мокрая химия»)/аналитическими, а также инструментальными методами.
ГОСТ Р ИСО
10849-2006
НАЦИОНАЛЬНЫЙ СТАНДАРТ РОССИЙСКОЙ ФЕДЕРАЦИИ
|
Выбросы
стационарных источников
ОПРЕДЕЛЕНИЕ
МАССОВОЙ КОНЦЕНТРАЦИИ ОКСИДОВ АЗОТА
Характеристики
автоматических измерительных систем в условиях применения
Stationary
source emissions. Determination of the mass concentration of nitrogen oxides.
Performance characteristics of automated measuring systems
|
Дата введения -
2006-08-01
Настоящий
стандарт устанавливает структуру и характеристики автоматических измерительных
систем (далее - АИС), которые предполагается использовать на стационарных
источниках выбросов, например мусоросжигательных заводах, для определения
содержания оксидов азота, а также методы определения этих характеристик.
Настоящий
стандарт содержит описание методов и оборудования для определения монооксида
азота NO или оксидов азота NOx (NO + NO2) в отходящих
газах, включая систему отбора и подготовки проб газов. N2O - оксид азота (I) не определяют
методами, описанными в настоящем стандарте.
Стандарт
содержит описание экстрактивных и неэкстрактивных АИС, включающих в себя
газоанализаторы, принцип действия которых основан на одном из следующих
методов:
-
хемилюминесценции;
-
недисперсионной инфракрасной (ИК) спектроскопии;
-
недисперсионной ультрафиолетовой (УФ) спектроскопии;
-
дифференциальной оптической абсорбционной спектрометрии (ДОАС).
Примечание 1 - Допускается применение серийно
выпускаемых измерительных приборов, соответствующих требованиям настоящего
стандарта.
В настоящем
стандарте использованы нормативные ссылки на следующие стандарты:
ИСО 6879:1995
Качество воздуха - Характеристики и соответствующие им понятия, относящиеся к
методам измерений качества воздуха
ИСО 7996:1985
Окружающая атмосфера - Определение массовой концентрации оксидов азота - Хемилюминесцентный
метод
ИСО 9096:1992
Выбросы стационарных источников - Определение массовой концентрации твердых
частиц ручным гравиметрическим методом
ИСО 9169:1994
Качество воздуха - Определение характеристик методов измерений
ИСО 10396:1993
Выбросы стационарных источников - Отбор проб при автоматическом определении
содержания газов
В настоящем
стандарте применены следующие термины с соответствующими определениями:
3.1 автоматическая
измерительная система; АИС (automated measuring system; AMS): Система
непрерывного измерения и регистрации массовой концентрации оксидов азота в
отходящих газах, которую можно крепить к трубе.
3.2 газоанализатор
(analyser): Аналитический
блок АИС.
3.3 поверенная
автоматическая измерительная система (verified AMS): АИС,
предварительно поверенная и соответствующая требованиям настоящего стандарта.
3.4 калибровочный
газ1) (calibration gas): Смесь газов
известного устойчивого состава, предназначенная для поверки и калибровки2)
АИС.
1) Калибровочный газ (calibration gas) в области газового анализа в
Российской Федерации принято называть градуировочным газом или поверочной
газовой смесью (ПГС).
2) Калибровку в Российской
Федерации в данном случае принято называть градуировкой.
3.5 сравнительные
измерения (comparative measurements): Измерения,
проводимые на одном и том же газоходе в той же плоскости отбора проб в течение
одного и того же периода времени с помощью проверяемой АИС и сравнительным
методом, обеспечивающие получение пар результатов измерений.
3.6 сравнительный
метод (comparative
method):
Метод, основанный на сравнительных измерениях выбросов стационарных источников,
содержащих оксиды азота, и используемый для оценки точности АИС в условиях ее
применения.
Примечание 2 - Это может быть как ручной метод,
так и соответствующая поверенная АИС с другим принципом измерения. Применяют
фотометрический метод с использованием нафтилэтилендиамина (НЭДА) в
соответствии с ИСО 11564 [1] и другие методы, для которых установлены
характеристики (стандартное отклонение, предел обнаружения, влияние мешающих
веществ).
3.7
стандартное отклонение sA (standard
deviation,
sA): Мера
прецизионности АИС в условиях применения.
Стандартное
отклонение sA вычисляют исходя
из разности в парах результатов измерений массовой концентрации оксидов азота,
полученных с помощью проверяемой АИС и сравнительного метода на основе
достаточного числа сравнительных измерений, и распространяют его на весь период
необслуживаемой работы (приложение А
).
Приняты следующие обозначения:
sc - стандартное отклонение сравнительного метода;
sD - стандартное отклонение парных значений;
sx - стандартное отклонение
показаний холостого опыта.
Примечания
3
Стандартное отклонение sA в повторяющихся рабочих или лабораторных условиях невозможно определить
непосредственно по результатам измерений, выполненных АИС, так как:
-
выпускаемые калибровочные газы, содержащие NO, не имеют всех свойств реального
отходящего газа и не позволяют учесть все возможные воздействия;
-
массовая концентрация оксидов азота в отходящем газе обычно изменяется со
временем;
- для
отобранной в баллон пробы газа невозможно сохранить свойства реального
отходящего газа.
Поэтому
стандартное отклонение sA оценивают путем сравнения результатов измерений, полученных на АИС, с
результатами, полученными независимым ручным методом, или с использованием
газоанализатора, имеющего другой принцип измерений.
Применение
сравнительного метода в комбинации с контролем систематических погрешностей
обеспечивает удовлетворительную точность АИС.
4
Стандартное отклонение sA является мерой прецизионности АИС в условиях применения. Поэтому оно
включает в себя, кроме случайных погрешностей, погрешности вследствие влияния
мешающих веществ, изменений температуры и любых дрейфов нуля и показаний,
которые не могут быть устранены на практике.
Стандартное
отклонение sA
является верхним предельным значением для АИС. Следует учитывать известные
систематические погрешности результатов измерений, полученных независимым
сравнительным методом.
5 Эта
методика позволяет оценить прецизионность результата измерения автоматическим
методом, если стандартное отклонение sc результатов измерений, полученных
сравнительным методом, значительно меньше, чем стандартное отклонение sD, рассчитанное по разностям
результатов измерений в паре.
Если проверяемая АИС имеет значительно меньшее
стандартное отклонение sA, чем отклонение сравнительного метода sc, автоматический метод может быть
применен, но при этом значение sA будет иметь большую неопределенность. Если неопределенность стандартного
отклонения sc неизвестна
и, следовательно, пределы sA не могут быть установлены, значение sA может быть использовано как
качественная, но не количественная оценка режима работы АИС.
3.8 труба (chimney): Дымовая труба или конечный
выход газохода стационарного (технологического) процесса, используемая(ый)для
рассеивания отходящих газов.
3.9 массовая концентрация, мг/м3 (mass concentration): Концентрация определяемого
вещества в отходящем газе, выраженная в миллиграммах на кубический метр.
Примечание 6 - Концентрация оксидов азота может
быть выражена как в миллионных долях (ppm), так и в
миллиграммах NO на кубический метр или в миллиграммах NO2 на кубический
метр.
NO - 1
ppm (об.) = 1,34 мг/м3.
NO2
- 1 ppm (об.) = 2,05 мг/м3.
Значения
концентраций должны быть приведены к нормальным условиям (273 К, 101,3 кПа) и
сухому газу.
В
зависимости от требований национальных нормативных документов значения
концентраций должны быть отнесены к базовому значению концентрации кислорода
или диоксида углерода.
В настоящем стандарте все концентрации оксидов азота
выражены в миллиграммах NO2 на
кубический метр.
3.10 выбросы стационарных источников (stationary source
emissions): Газы,
выброшенные стационарной установкой или в ходе технологического процесса и
транспортируемые к трубе для рассеивания в атмосфере.
3.11 градуировочная характеристика (calibration curve): Кривая, выражающая зависимость
выходного сигнала средства измерений от значения содержания определяемого
компонента в калибровочном газе.
3.12 период необслуживаемой работы (period of unattended
operation):
Максимально допустимый интервал времени, в течение которого значения
характеристик остаются в установленных пределах без технического обслуживания,
например перезагрузки, калибровки, регулировки.
[ИСО 6879].
Примечание
7
- Для установок долговременного мониторинга период необслуживаемой работы
должен составлять не менее семи дней.
3.13 калибровка (calibration): Регулировка и контроль АИС
перед определением ее характеристик или перед началом измерений концентрации NOx; подробное описание операций калибровки
должно быть приведено в эксплуатационной документации на конкретную АИС.
При использовании экстрактивных АИС представительную
пробу газа (далее - проба) отбирают в газоходе с помощью зонда для отбора проб
и направляют через трубку для отбора и систему подготовки проб к
газоанализатору.
Неэкстрактивные АИС не содержат устройств отбора и
подготовки пробы за пределами газохода. Для установки этих АИС в газоходе
выбирают представительное место. АИС, работающие «на месте», могут отбирать
большую часть отходящего газа.
Результаты, полученные с помощью газоанализатора,
регистрируют и(или) сохраняют в электронном блоке обработки данных.
Описанные в стандарте АИС в основном измеряют массовую
концентрацию только NO. Если с помощью АИС необходимо определять содержание NO2 или суммарное содержание оксидов
азота (NO + NO2), следует использовать конвертер
для превращения NO2 в NO. Конвертер может быть
отдельным блоком или частью газоанализатора NO.
Существуют также АИС с принципом действия, основанным на
УФ-методе, с помощью которых напрямую контролируют содержание NO2. Их часто используют в сочетании
с газоанализаторами для NO.
В большинстве случаев определяют только NO, так как
содержание NO2 в отходящих газах незначительно.
Если NO2 присутствует в больших
количествах и его концентрацию следует учитывать, то применяют метод прямого
измерения или измерения с использованием конвертера. В этом случае отбор проб
будет затруднен из-за высокой реакционной способности NO2.
5.1 Отбор и системы подготовки проб для экстрактивных
автоматических измерительных систем
5.1.1 Общие положения
Более подробное описание отбора и систем подготовки проб
для экстрактивных методов - по ИСО 10396.
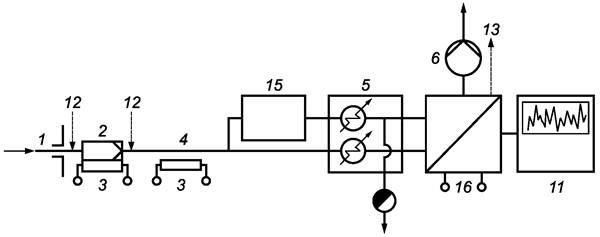
Типичная схема размещения устройств АИС для определения
NO приведена на рисунке 1а. Такая АИС пригодна для использования с
газоанализаторами, описанными в 5.2.

а - для
измерения массовой концентрации NO

b - для измерения
массовой концентрации NO/NOx
1 - зонд для
отбора пробы; 2 - фильтр для
удаления твердых частиц; 3 - нагреватель; 4
-
трубка отбора проб (при необходимости подогреваемая); 5 - охладитель пробы с сепаратором
конденсата; 6 - насос для
откачивания пробы; 7 - фильтр; 8 - вентиль тонкой регулировки; 9 - расходомер; 10 - газоанализатор NO; 11 - регистратор данных; 12 - ввод нулевого газа и
калибровочного газа (предпочтительно помещать перед фильтром) для проверки и
настройки всей системы; 13 - сброс избытка газа; 14 - ввод нулевого газа и калибровочного газа для проверки и настройки
газоанализатора; 15 - конвертер; 16 - газоанализатор NO/NOx
Рисунок 1 - Схема размещения устройств автоматической измерительной
системы
В АИС, предназначенных для определения содержания NOx, с целью предотвратить потери NO2 предусматривают подогрев
отобранного газа выше температур точек росы воды и кислот (или точек росы
других конденсируемых веществ). В этом случае АИС может быть упрощена. Важно,
чтобы компоненты АИС, через которые отобранный газ поступает к газоанализатору,
были нагреты выше температур точек росы воды и кислот.
Если в пробе присутствует большое количество NO2, использование охладителя (из-за
растворимости NO2 в конденсированной воде) может
привести к погрешности результата измерения концентрации NO2, зависящей от наличия водяного
пара в отходящем газе. Схема размещения устройств АИС, позволяющая исключить
потери NO2, приведена на рисунке 1b.
Отбор проб
должен быть представительным, т.е. место отбора проб должно быть типичным для
всего газохода. Представительность места отбора проб требует подтверждения
посредством сетевого измерения в соответствии с указаниями ИСО 10396. Точки
отбора проб для сетевого измерения располагают в соответствии с ИСО 9096.
Проверку представительности отбора проб следует проводить перед первым запуском
АИС и повторять в случае сомнений.
Устройства,
описанные в 5.1.2.1 - 5.1.2.8, были успешно проверены при измерениях на
электростанциях, работающих на газе, нефти и угле (следует соблюдать меры
предосторожности из-за высокой агрессивности конденсирующихся кислых газов,
например, HCl, SO3 или NO2).
5.1.2 Основные компоненты
5.1.2.1 Зонд для отбора проб изготовляют из
коррозионно-стойкого материала. При температуре газов ниже 220 °С применяют
политетрафторэтилен (ПТФЭ). При температуре выше 250 °С нержавеющая сталь и
некоторые другие материалы могут изменить соотношение NO:NO2. В этом случае применяют керамические или стеклянные
материалы, если необходимо определять это соотношение. Для сохранения
содержания определяемых компонентов в отходящем газе может потребоваться
охлаждение пробы.
5.1.2.2 Фильтр с номинальной тонкостью фильтрации 10 мкм,
изготовленный из керамического или спеченного металлокерамического материала.
Фильтр следует подогревать выше температур точек росы, воды или кислоты.
5.1.2.3 Трубка для отбора проб, изготовленная из ПТФЭ или
нержавеющей стали. Внутренний диаметр трубки, зависящий от требуемого
количества отбираемого газа, должен быть не менее 4 мм (предпочтительный
диаметр трубки для отбора проб - от 4 до 8 мм). Трубки для отбора проб должны
находиться при температуре на 15 К выше температуры точки росы конденсирующихся
веществ (обычно точки росы, воды или кислоты).
5.1.2.4 Охладитель пробы или диффузионный осушитель для
отделения водяного пара от отходящего газа. Температура точки росы должна быть
значительно ниже окружающей температуры. Рекомендуется температура охладителя
от 2 °С до 5 °С. Охладитель должен охлаждать весь объем отбираемого газа и
водяной пар, который в нем содержится.
Конструкция охладителя пробы должна быть такой, чтобы
поглощение NO2 конденсатом было сведено до
минимума. В результате этого потери NO2,
растворенного в конденсате, отводимом из охладителя, будут минимальны.
Использование диффузионного осушителя гарантирует, что
потери NO2 будут незначительны.
5.1.2.5 Насос для отбора проб (коррозионно-стойкий),
технические характеристики которого обеспечивают подачу на вход газоанализатора
требуемого потока газа. Количество отбираемого газа может изменяться от 30 до
50 л/ч в зависимости от типа газоанализатора и ожидаемого времени отклика.
5.1.2.6 Вторичный фильтр для отделения мелкой пыли с
номинальной тонкостью фильтрации от 1 до 2 мкм, изготовленный, например, из
стекловолокна, металлокерамики, нержавеющей стали или ПТФЭ волокна.
5.1.2.7 Регулятор и расходомер потока для установления
требуемого потока, изготовленные из коррозионно-стойкого материала.
5.1.2.8 Конвертер NO2/NO, необходимый для измерения массовой концентрации NO2 газоанализатором, предназначенным для NO
(его применение возможно только в сочетании с экстрактивными АИС).
Типы конвертеров:
- угольные;
- угольно-молибденовые;
- из нержавеющей стали;
- термические.
В некоторых ситуациях (например, если в пробе
присутствует аммиак) возможны влияющие эффекты в зависимости от рабочей
температуры конвертера. В этих случаях при выборе типа конвертера необходимо
принимать в расчет возможность таких эффектов.
Конвертер может быть подсоединен к трубке для отбора проб
с помощью трехходового клапана. Если отобранный газ проходит через конвертер,
то получают общее количество (NO + NO2); когда вход в конвертер
перекрыт, регистрируют содержание NO. Содержание NO2 рассчитывают по разности
значений массовых концентраций NOx и NO.
Эффективность работы конвертера, которая должна быть
более 95 %, проверяют с использованием калибровочных газов, содержащих NO2 в синтетическом воздухе, или с
помощью специального прибора для измерения эффективности конвертера. Этот метод
детально описан в ИСО 7996 и непригоден, если
газоанализатор NO может
реагировать на озон. Схема устройства для проверки эффективности конвертера
приведена на рисунке 2.

1 - ввод калибровочного газа, содержащего NO; 2 - вентиль тонкой регулировки; 3 - расходомер; 4 - ввод кислорода; 5 - генератор озона (регулируемый); 6 - сброс излишка испытательного газа; 7 - подача испытательного газа в
конвертер и на вход газоанализатора
Рисунок 2 - Схема устройства для проверки эффективности конвертера NO2/NO
Стационарный поток калибровочных газов, содержащий NO, смешивается со
стационарным потоком воздуха или кислорода, содержащим различные количества
озона, образовавшегося в регулируемом озонаторе. Озон реагирует с NO с
образованием NO2. Таким образом, общее количество
оксидов азота (NO + NO2) остается постоянным, в то время
как изменяется соотношение NO:NO2
Если эффективность конвертера составляет более 95 %, то сигнал
газоанализатора, объединенного с испытуемым конвертером, остается почти
постоянным. Сигнал, отвечающий каждой измененной концентрации, сравнивают с
сигналом газовой смеси, содержащей только NO (с выключенным озонатором). При
каждом изменении концентрации озона определяют концентрации NO и (NO + NO2) в газовой смеси. N2O не превращается в NO. Оксид азота (V) - N2O5 - превращается в NO.
5.1.3 Разбавление
Методика разбавления альтернативна анализу горячего газа или осушению
пробы. Отходящий газ разбавляют газом-разбавителем, не содержащим оксиды азота.
Коэффициент разбавления выбирают в соответствии с объектами измерений и
диапазоном измерений аналитического блока. Он должен оставаться постоянным на
протяжении всего периода измерений. Температура точки росы воды должна быть
снижена для предотвращения конденсации водяных паров в петлях трубок.
Полученные результаты измерений всегда относятся к влажному газу.
Газоанализаторы, применяемые в комбинации с зондами для разбавления
пробы, имеют диапазоны измерений, типичные для газоанализаторов окружающего
воздуха (от 0 мг/м3 до 1 мг/м3, 5 мг/м3, 10
мг/м3 или 25 мг/м3).
5.2 Методы измерений, используемые в газоанализаторах
В настоящем подразделе приведены принципы методов измерений, используемых
в газоанализаторах. Характеристики (см. раздел 6) применимы для существующего
измерительного оборудования и для будущих разработок.
5.2.1 Хемилюминесцентный метод
Принцип хемилюминесцентного метода измерений массовой концентрации
оксидов азота в атмосферном воздухе описан в ИСО 7996.
При реакции NO с озоном (О3) образуется NO2. Часть образовавшегося NO2 находится в фотохимически
возбужденном состоянии. При переходе в основное состояние возбужденные молекулы
NO2 излучают свет в диапазоне длин
волн от 590 до 3000 нм. Интенсивность излучения зависит от содержания NO,
давления и присутствия других газов.
Схема хемилюминесцентного газоанализатора приведена на рисунке 3.
В зависимости от давления в реакционной камере различают газоанализаторы
атмосферного и низкого давления. Газоанализаторы, имеющие встроенные конвертеры
NO2/NO, выдают аналитические сигналы по NO, NOx и NO2 одновременно или
последовательно.
Диапазон измерений хемилюминесцентных газоанализаторов, используемых для
анализа выбросов, составляет от 10 до 20000 мг/м3. Минимальный
рабочий диапазон измерений, отвечающий требованиям настоящего стандарта,
составляет от 0 до 200 мг/м3.
Возможно влияние диоксида углерода (СО2), особенно в
присутствии водяного пара, из-за гашения хемилюминесценции. Степень гашения
зависит от концентраций СО2, Н2O и типа используемого газоанализатора. Точность
результатов измерений достигают введением поправок выходного сигнала
газоанализатора с помощью корректировочных кривых (указывает производитель
газоанализатора) или калибровки с использованием газов, имеющих приблизительно
такую же концентрацию СО2, что и проба.

1 - ввод пробы; 2 - насос для прокачивания пробы; 3 - электромагнитный клапан; 4 - конвертер NO2/NO; 5 - регулятор потока; 6 - регулятор давления; 7 - реакционная камера; 8 - фотоумножитель; 9 - блок электронной обработки данных; 10 - ввод кислорода; 11 - регулятор давления; 12 - регулятор озона; 13 - фильтр для озона; 14 - блок регистрации данных; 15 - сброс газа
Рисунок 3 - Схема хемилюминесцентного газоанализатора
5.2.2 Недисперсионный инфракрасный метод
Наиболее простое применение ИК-метода реализовано в газоанализаторах,
работающих по недисперсионному инфракрасному (НДИК) методу.
Газы, которые состоят из молекул, содержащих различные атомы, поглощают
свет с характеристичной длиной волны в ИК-области спектра. В методе НДИК
спектральный анализ инфракрасного излучения не проводят. Для измерений
используют суммарное поглощение молекулой NO при максимальной частоте νmax = 1876 см-1 или длине
волны 5,3 мкм.
Схема НДИК-газоанализатора приведена на рисунке 4.

1 - источник
излучения; 2 - мотор
модулятора; 3 - модулятор; 4 - измерительная кювета; 5 - кювета сравнения; 6 - детектор; 7 - блок электронной обработки данных; 8 - блок регистрации данных
Рисунок 4 - Схема недисперсионного инфракрасного газоанализатора
Излучение от ИК-источника делится на два пучка, а затем модулируется.
Один пучок проходит через измерительную ячейку, другой - через ячейку
сравнения, содержащую газ, не поглощающий ИК-излучение, обычно азот. Если проба
содержит NO, часть энергии ИК-излучения поглощается, и доля энергии
ИК-излучения, достигшего детектора, будет пропорциональна количеству NO,
присутствующему в пробе. Детектор сконструирован так, что он обладает чувствительностью
к излучению с длиной волны, являющейся характеристичной для NO.
Корреляционный метод типа «газовый фильтр» является частным случаем
НДИК-метода.
Минимальный диапазон измерений массовой концентрации может составлять от
0 до 200 мг/м3. Каждый газоанализатор может быть использован только
для заданного диапазона массовых концентраций.
На результаты измерений НДИК-методом могут оказывать влияние мешающие
вещества, особенно водяной пар.
5.2.3 Недисперсионный ультрафиолетовый метод
Описанный ниже газоанализатор является типичным примером реализации
недисперсионного ультрафиолетового (НДУФ) метода. Однако существуют и другие
газоанализаторы.
НДУФ-метод основан на резонансном поглощении излучения (серии
мультиплетов), испускаемого газоразрядной лампой с полым катодом, монооксидом
азота NO, содержащимся в пробе.
Схема НДУФ-газоанализатора приведена на рисунке 5.

1 - газоразрядная
лампа с полым катодом; 2 - мотор; 3 - кювета для
NO; 4 - пустая
кювета; 5 - коллиматор; 6 - интерференционный фильтр; 7 - полупрозрачное зеркало; 8 - измерительная кювета; 9 - контрольный детектор; 10 - измерительный детектор; 11 - блок электронной обработки
данных; 12 - блок
регистрации данных
Рисунок 5 - Схема недисперсионного ультрафиолетового газоанализатора
Газоразрядная лампа с полым катодом, заполненная азотом и кислородом,
испускает лучи, которым соответствует спектральная линия с мультиплетной
структурой, характеристичная для NO в области 226 нм. Этот пучок состоит из
резонансных лучей, которые поглощает NO, а также нерезонансных лучей.
Вращающийся модулятор с двумя кюветами связан с газоразрядной лампой с полым
катодом. Одна кювета заполнена концентрированным NO, другая - пустая.
Резонансные лучи пучка при прохождении через кювету, заполненную NO,
поглощаются. Таким образом, попеременно получают два пучка: измерительный пучок
резонансных и нерезонансных лучей и пучок сравнения нерезонансных лучей. Через
расположенный далее интерференционный фильтр с полосой пропускания в несколько
нанометров проходит только излучение в области 226 нм. Через полупрозрачное
зеркало два пучка попеременно направляются на контрольный и измерительный
детекторы. NO, содержащийся в пробе, поглощает резонансные лучи измерительного
пучка, и это поглощение зависит от содержания NO. В результате на двух
детекторах наблюдаются четыре сигнала, обрабатываемые микропроцессором для
получения линейного выходного сигнала. Результирующий сигнал пропорционален
концентрации NO.
Минимальный диапазон измерений массовой концентрации NO данным методом
составляет от 0 до 200 мг/м3.
На результаты измерений УФ-газоанализаторами может влиять наличие SO2 в пробе отходящего газа. Влияние
SO2 может быть сведено к минимуму
путем соответствующей настройки газоанализаторов. Присутствие в пробе NO2 или ароматических соединений
оказывает слабое влияние на результаты измерений.
5.2.4 Неэкстрактивные методы (измерения «на месте»)
Существует два различных вида методов измерений «на месте»:
- метод просвечивания газохода (с использованием маршрутных датчиков);
- точечный метод (с использованием точечных датчиков).
Сигналы приборов, используемых для измерений «на месте», всегда относятся
к влажному газу. Для приведения результатов измерений к сухому газу необходим
поправочный коэффициент.
5.2.4.1 Метод просвечивания
При использовании метода просвечивания в формировании аналитического
сигнала участвует больший объем отходящего газа, чем при точечном методе. В
данном методе используют прохождение оптического излучения непосредственно
через газоход с газовым потоком. В состав АИС входят два модуля: модуль,
формирующий излучение, и модуль приема излучения после прохождения его через
газ, содержащий оксиды азота.
В 5.2.4.1.1 и 5.2.4.1.2 приведено краткое описание двух АИС,
характеристики которых соответствуют требованиям настоящего стандарта.
5.2.4.1.1 Схема типичного маршрутного датчика,
используемого в методе просвечивания, приведена на рисунке 6.

1 - дейтериевая лампа; 2 - конденсор; 3
-
сменные и контрольные светофильтры; 4 - светоделительная пластина; 5 - позиционный датчик; 6 - предварительные усилители; 7 - светоделительная пластина; 8 -контрольный детектор*; 9 - отклоняющее зеркало; 10 - привод управления
отклоняющим зеркалом; 11 - плоское зеркало; 12 - отражатель опорного сигнала; 13, 24 - сменное окно*; 14 - диафрагма*; 15 - входное окно; 16 - коллиматорное зеркало; 17 - вогнутая дифракционная
решетка; 18 - линейка
детекторов; 19 - полихроматоры
(входная щель); 20 - конденсор; 21 - светоделительная пластина;
22 - фотодиод
(пыль)*; 23
-
уголковый отражатель
* Объекты,
используемые только в присутствии пыли.
Рисунок 6
- Схема маршрутного датчика
В газоанализаторе используется излучение УФ-области спектра с длиной
волны от 218 до 233 нм. Отличные от NO и SO2 газы не поглощают излучение с
длиной волны этого диапазона или поглощают с малыми или постоянными
коэффициентами поглощения.
АИС состоит из следующих крупных блоков:
- оптического;
- отражающего;
- детектирующего;
- двух блоков очистки.
В качестве источника излучения используют дейтериевую лампу, излучающую в
УФ- и видимой областях спектра. С помощью дифракционной решетки «вырезается»
излучение в диапазоне длин волн от 218 до 233 нм.
Детектор представляет собой линейку фотодиодов. Интенсивность
испускаемого лампой пучка света, пересекающего газоход, измеряет контрольный
детектор.
Массовую концентрацию NO рассчитывают по разнице интенсивностей
прошедшего через газоход и опорного сигналов известного спектра NO с учетом
температуры газа в газоходе.
Применение маршрутного датчика может быть ограничено диаметром газохода.
Минимальный диапазон измерений массовой концентрации NO данным методом
составляет от 0 до 150 мг/м3.
На результат измерения может влиять присутствие SO2, содержание которого также может
быть измерено методом просвечивания.
5.2.4.1.2 В основе дифференциальной оптической
абсорбционной спектроскопии (ДОАС) лежит
принцип поглощения излучения в широком диапазоне длин волн.
С помощью газоанализатора регистрируют полный спектр поглощения в области
от 200 до 2000 нм. Этот спектр математически сравнивают со спектром источника
излучения. Полученный дифференциальный спектр поглощения является основой для
определения концентрации веществ(а). Методом ДОАС также определяют концентрацию
NO2 и других газов.
Минимальный диапазон измерений массовой концентрации для NO и NO2 составляет от 0 до 150 мг/м3.
5.2.4.2 Точечный метод
С помощью точечного датчика анализируют отходящий газ также
непосредственно в газовом потоке, помещая измерительный зонд в отходящий газ.
Для непосредственного измерения массовой концентрации газа служат ячейки,
расположенные на конце зонда. Схема точечного датчика приведена на рисунке 7.

1 - приемопередающий блок; 2 - фильтр; 3 - зонд; 4 - крепление зонда; 5 - трубка для ввода калибровочного
газа; 6 - защитный
кожух; 7 -
измерительная ячейка; 8 - газоход или труба; 9 - блок регистрации данных
Рисунок 7 - Схема точечного датчика
Принцип измерения основан или на спектральном методе (например,
ультрафиолетовом в комбинации с нахождением второй производной или
инфракрасном), или на электрохимическом.
Измерительная ячейка защищена от пыли с помощью спеченного фильтра
(керамического или металлокерамического) и соединена с приемопередающим блоком
через зонд. Через трубку для ввода калибровочного газа в измерительную ячейку
можно вводить нулевой или калибровочный газ.
Температура отходящего газа может быть более 350 °С (инфракрасный метод).
Основные характеристики АИС, определяемые в соответствии с методами,
описанными в приложении А, должны удовлетворять требованиям, приведенным в таблице 1.
Диапазоны массовых концентраций NO2 в выбросах стационарных источников, приведенные в таблице 2, и числовые значения,
представленные в таблице 1, показывают современный технический уровень анализа выбросов на
содержание оксидов азота.
Характеристики определяют на АИС, введенных в эксплуатацию. Стандартное отклонение
sA следует определять в процессе
измерений при нормальных режимах работы источника выбросов, предпочтительно на
интересующем объекте; другие характеристики могут быть определены как в
производственных, так и в лабораторных условиях.
Примечания
8 В
таблице В.1 (приложение В) указаны дополнительные характеристики АИС, которые
служат ориентирами, облегчающими выполнение требований, приведенных в таблице 1. В таблице 2 представлены источники выбросов,
на которых значения характеристик, приведенных в таблице 1, были подтверждены в
соответствии с настоящим стандартом в указанных диапазонах массовой
концентрации NO2.
9 Считают,
что результат измерений (свободный от известных систематических погрешностей,
определенных в соответствии с А.4.2.2.2) лежит в интервале, включающем в
себя истинное значение измеряемой величины. Разность между верхней границей
этой области и истинным значением измеряемой величины или разность между
истинным значением измеряемой величины и нижней границей этой области
рассматривают как неопределенность измерений.
Если
характеристики АИС соответствуют указанным в таблице 1, может быть достигнута
неопределенность измерений менее ± 10 % (приведенная к полному диапазону измерений) при
доверительной вероятности 95 %.
Неопределенность
результата измерений в процентах рассчитывают умножением неопределенности на
верхнее значение диапазона измерений, деленное на результат измерений.
10 Характеристики, указанные в таблице 1, основаны на результатах
большого числа измерений, проведенных с помощью различных экстрактивных АИС и
газоанализаторов, использующих хемилюминесцентный, НДИК- и НДУФ-методы, а также
газоанализаторов, применяемых при неэкстрактивном методе (методе
просвечивания).
Таблица 1 - Основные характеристики АИС в условиях применения
для измерения массовой концентрации оксидов азота
|
Наименование характеристики1)
|
Значение
|
Метод определения (см. приложение А)
|
|
Предел обнаружения, %2), не
более
|
2
|
А.4.2.1.1
|
|
Влияние мешающих веществ, %2), 3),
не более
|
± 4
|
А.4.2.1.2
|
|
Время отклика, с, не более
|
200
|
А.4.2.1.3
|
|
Стандартное отклонение sА (сравнение
с независимым ручным методом или газоанализатором с другим принципом
измерения), % 2), 4), не более
|
± 5
|
А.4.2.2.2
|
1)
Приведенные характеристики определяли на предприятиях, где соотношение
содержаний NO/NO2 было
высоким.
2) От
верхнего значения диапазона измерений.
3)
Основными мешающими веществами в отходящем газе мусоросжигательных заводов
являются СО2, СО, SO2, Н2О и NH3 (при
меньшем содержании). Если водяной пар не удаляется из отходящего газа печей,
работающих на угле, или мусоросжигательных печей (например, при использовании
неэкстрактивной АИС), то в отходящем газе также могут присутствовать HCl и HF. В
некоторых случаях присутствуют другие мешающие вещества (например, цианид или N2О).
4) См. 3.7.
Таблица 2 - Источники выбросов с указанием диапазона измерений
(обязательное)
А.1 Область применения
Настоящее приложение содержит описание методов определения основных
характеристик АИС в условиях применения в диапазонах массовых концентраций NO2 в отходящих газах от 0 до 200
мг/м3 и от 0 до 5000 мг/м3.
При определении основных характеристик АИС в условиях применения первым
этапом является калибровка АИС. Каждая процедура калибровки должна начинаться с
использования калибровочных газов. Детальное описание процедуры использования
калибровочного газа приведено в А.4.1.
Примечание 11 - Подробное описание процедуры калибровки приводят в
соответствующем разделе руководства по эксплуатации или в методике поверки
конкретной АИС.
Для
калибровки АИС могут быть также применены сравнительные измерения. Применение
сравнительных измерений является более длительным и более дорогостоящим по
сравнению с применением только калибровочных газов. Сравнительные методы
являются предпочтительными, когда требуется получение высокодостоверных
результатов (например, при установке оборудования для непрерывного мониторинга
на крупных источниках выбросов). Оценка характеристик АИС с использованием
сравнительных методов может быть проведена как во время запуска АИС, так и
после нескольких лет работы.
При периодическом использовании АИС применяют только калибровочные газы.
В таблице 2 указаны стационарные источники выбросов, на которых могут быть
использованы АИС для NOx. Характеристики новых АИС или АИС, по которым информации
недостаточно, должны быть оценены с учетом новых условий их применения.
Оцененные характеристики АИС часто бывает возможно сохранять при переходе от
одного объекта применения к другому.
А.2 Основные положения
Значения основных характеристик АИС в условиях применения оценивают на
полностью собранной АИС. В случае невозможности соблюдения этого требования
необходимо тщательно проанализировать полученные результаты.
Три основные характеристики АИС: предел обнаружения, время отклика и
влияние мешающих веществ - определяют «на месте» применения или в лабораторных
условиях с использованием испытательных газов с известным содержанием
компонентов. При использовании экстрактивных АИС газы подают на вход системы
отбора проб АИС.
Стандартное отклонение sA АИС определяют затем «на месте» сравнением с измерениями, выполненными
ручным методом, или на поверенной АИС, основанной на другом принципе измерения.
Для определения стандартного отклонения sA АИС устанавливают «на месте»
применения на газоходе (или трубе). Ее показание (выходной сигнал) при
различных режимах технологического процесса сравнивают с количественными
оценками соответствующих отобранных вручную проб (т.е. отбор проб и анализ по
крайней мере в 70 % диапазона измерений АИС, если действительное содержание
отходящих газов лежит в этом диапазоне) или с выходным сигналом другой АИС с
другим принципом измерения.
Часто содержание NOx изменяется в малых пределах, поэтому sA определяют в основном вблизи
уровня концентрации при нормальных режимах горения. Полученные данные
используют для определения некоторых характеристик, указанных в таблицах 1 и В.1.
А.3 Реагенты
А.3.1 Нулевой газ
В качестве нулевого газа следует использовать газ, не содержащий оксидов
азота, например, технически чистый азот или воздух, свободный от оксидов азота.
А.3.2 Калибровочные газы
Исходный калибровочный газ должен иметь паспорт, содержащий установленное
в соответствии с государственной поверочной схемой значение массовой
концентрации оксида(ов) азота.
А.4 Процедуры проверки
А.4.1 Проверка калибровки
Производитель экстрактивных АИС предоставляет информацию о калибровке
полностью собранной АИС и градуировочной кривой газоанализатора.
Неэкстрактивные АИС калибруют предварительно и затем на месте применения.
Простейшая проверка, проводимая пользователем, - это проверка только
газоанализатора по двум точкам (нулевого показания и точки внутри диапазона).
Информация о состоянии АИС позволяет проводить эту проверку на АИС. Подробную
информацию получают при проверке в нескольких точках диапазона измерений
газоанализатора.
При непрерывном режиме работы газоанализатора его нулевые показания и
калибровку (А.4.1.1) проверяют через регулярные интервалы времени,
задаваемые периодом необслуживаемой работы (например, еженедельно), с
использованием калибровочных газов. Проверку калибровки во всем диапазоне
измерений проводят реже (например, ежегодно) или после ремонта газоанализатора.
При периодических измерениях газоанализатор калибруют по
калибровочным газам перед каждым использованием.
А.4.1.1 Настройка газоанализатора
Газоанализатор устанавливают в соответствии с
инструкциями производителя. На вход газоанализатора подают нулевой газ (А.3.1), и устанавливают показание на
нулевую отметку. Затем подают калибровочный газ (А.3.2) с известным значением массовой
концентрации определяемого компонента, соответствующим приблизительно от 70 %
до 80 % предельного значения диапазона измерений газоанализатора, и
соответственно регулируют показание. На вход газоанализатора вновь подают
нулевой газ и проверяют, вернулось ли показание на нулевую отметку. Если это не
происходит, вновь регулируют нулевую отметку и повторяют процедуру.
Примечание
12
- Для неэкстрактивных АИС (маршрутных датчиков) настройку газоанализатора не
выполняют, так как он является составной частью АИС. В точечные датчики нулевой
газ и калибровочный газ могут быть поданы в измерительную ячейку.
А.4.1.2 Проверка настройки АИС
Выполняют операции по А.4.1.1, используя при этом полностью
собранную АИС. Для экстрактивных АИС нулевой газ и калибровочный газ подают на
вход АИС как можно ближе к отверстию зонда (если возможно, то перед фильтром)
при атмосферном давлении. В этом случае учитывают влияние системы отбора проб.
В случае неэкстрактивных АИС следуют инструкциям
производителя. Операции предусматривают использование трубки такой же длины,
как и длина оптического пути, соответствующая реальному расстоянию на месте
применения, которую помещают между источником излучения и приемником, или
специальных калибровочных кювет, поставляемых производителем.
А.4.1.3 Проверка калибровки газоанализатора
Для проверки АИС с линейной градуировочной
характеристикой во всем диапазоне измерений выполняют операции по А.4.1.1, но используют пять газовых
смесей массовыми концентрациями, равномерно распределенными по диапазону
измерений (приблизительно 20 %, 40 %, 60 %, 80 % и 90 % верхнего предела
диапазона измерений). Для получения газовых смесей с требуемыми значениями
массовой концентрации исходный калибровочный газ (А.3.2), используемый для целей
настройки (см. А.4.1.1), постепенно разбавляют. Калибровочный газ готовят в
соответствии с ИСО 6145-2 [2].
Примечание 13 - ИСО/ТК
158 «Анализ газов» разрабатывает стандарты, относящиеся к приготовлению
калибровочных газовых смесей.
В случае нелинейной градуировочной характеристики
требуется, по меньшей мере, 10 газовых смесей с различными значениями массовой
концентрации.
Точный математический метод проверки гипотезы о
линейности приведен в ИСО 9169. Однако данный метод дает только качественный
результат («да» или «нет») и не может быть использован для количественной
оценки отклонения градуировочной характеристики (кривой). Линейность считают
приемлемой, если отклонение каждого результата измерения от градуировочной кривой
не превышает ± 2 % верхнего предела диапазона измерений.
Примечание
14
- Вводить газовую смесь для проверки приемлемости калибровки во всем диапазоне
измерений можно непосредственно перед газоанализатором, поскольку
градуировочная характеристика зависит только от газоанализатора.
А.4.2 Определение характеристик
А.4.2.1 Проверка АИС с использованием калибровочных газов
Проверку АИС с использованием газовых смесей проводят на
полностью собранной АИС в лабораторных условиях или на месте применения с
установленной в газоходе системой отбора проб.
Для экстрактивных АИС вводят нулевой газ (А.3.1) и калибровочный газ (А.3.2) непосредственно в систему
отбора проб, как можно ближе к ее входному блоку (см. рисунок 1), под давлением, под которым
такой же поток пробы проходит через газоанализатор, как указано в А.4.1.2. Если входной блок системы
отбора проб установлен в газоходе, проверяют, загрязняются ли калибровочные
газы газами из газохода (например, путем закрытия любого вентиля, соединенного
с входным блоком системы отбора проб).
Для проверки АИС, работа которых основана на принципе
просвечивания, с применением испытательных газов необходимы специальные
устройства. Они должны включать в себя механические компоненты для ввода испытательных
газов в трубку (или кювету) при соответствующих давлении и температуре.
Требуется большая оптическая кювета с окнами, прозрачными в области длин волн,
используемых для анализа. Кювета должна иметь достаточный диаметр для
прохождения излучения, сформированного оптическими элементами газоанализатора,
и такую же длину, как оптический путь через газоход, для моделирования
максимальных требуемых массовых концентраций калибровочных газов. Температура
кюветы должна быть равной температуре в газоходе. Массовая концентрация газа в
кювете должна изменяться при условиях, указанных для экстрактивных АИС.
Калибровочные газы могут быть использованы для точечных
датчиков таким же образом, как и для экстрактивных АИС. Обычно производители
предоставляют соответствующие устройства для выполнения подобной процедуры.
А.4.2.1.1 Предел обнаружения
Не менее 30 раз вводят в АИС нулевой газ (А.3.1), как указано в А.4.2.1, и записывают показания.
Показания считывают за максимально короткое время для сведения к минимуму
дрейфа нуля и отклонения нуля, связанного с температурой (см. приложение В).
Принимая уровень доверительной вероятности равным 95 %,
вычисляют предел обнаружения х, мг/м3, по формуле
(A.1)
где
- среднее значение показаний при
введении нулевого газа, мг/м3;
sx0 -
стандартное отклонение показаний при введении нулевого газа, мг/м3.
А.4.2.1.2
Определение влияния мешающих веществ
На вход
АИС в соответствии с А.4.2.1 подают испытательные газы с равномерно распределенными
известными концентрациями мешающего газа yi, соответствующими типичным
значениям. Записывают результат измерения xsi, выраженный в мг/м3 NO2, и массовую концентрацию ρsi мешающего газа.
В тех случаях, когда изменение результата измерения
представляет собой линейную зависимость от массовой концентрации мешающего
вещества, эффект влияния этого вещества может быть задан как xsi/ρsi. Если изменение результата
измерения нелинейно с увеличением массовой концентрации вещества, эффект
влияния должен быть определен отдельно.
Для установления максимально возможного влияния мешающих
веществ определяют эффект влияния каждого мешающего вещества отдельно, а также
общий эффект влияния смеси всех мешающих веществ.
Эффект влияния S, %, для типичной смеси мешающих
веществ вычисляют по полученным индивидуальным эффектам xsi/ρsi мешающих веществ yi по формуле
, (A.2)
где ρmi - массовая концентрация
мешающего вещества в смеси, мг/м3;
ρFS - диапазон измерений NO2, мг/м3;
n - число
мешающих веществ.
Сравнивают
вычисленное значение с результатом измерения массовой концентрации смеси. Если
эти значения различаются не более чем на 20 %, то эффектом комбинирования
пренебрегают и вычисляют эффекты влияния для других смесей мешающих веществ.
Также
устанавливают влияние мешающих веществ при концентрации определяемого
соединения на уровне 50 % верхнего предела диапазона измерений (эффекты
гашения, эффекты превращения).
Примечания
15 При отсутствии синергетических
эффектов по отношению к газам или методам измерений рассчитывают только сумму
индивидуальных влияющих эффектов.
16 Максимально возможная
концентрация мешающих газов, используемых для проверки, зависит от источника
выбросов и цели измерения. Как правило, обоснованные максимальные концентрации
мешающего вещества не могут быть заданы.
Пример - Типичная смесь мешающих веществ с
указанием основных компонентов отходящих газов мусоросжигательных заводов (с
установками, работающими на тяжелой нефти):
СО2 - 14 % (275 г/м3);
СО - 100 мг/м3;
SO2 - 3000 мг/м3;
NO2 - 30 мг/м3.
17
Значение, приведенное в таблице 1, представляет собой сумму эффектов влияния,
обусловленных максимальными концентрациями мешающих веществ в анализируемой
пробе.
А.4.2.1.3 Определение времени отклика
На вход АИС в соответствии с А.4.2.1 подают калибровочный газ,
содержащий NO массовой концентрации от 50 % до 90 % предельного значения
диапазона измерений.
За время отклика принимают средний интервал времени между
подачей калибровочного газа и достижением аналитическим сигналом 90 % уровня
зафиксированной массовой концентрации (см. 5.2.18 ИСО 6879).
Примечание 18 - Время
отклика зависит от геометрического объема автоматического измерительного
устройства, выдающего измерительный сигнал, мощности насоса и других факторов.
А.4.2.2 Сравнительные измерения и оценка стандартного
отклонения sA
А.4.2.2.1 Сравнительные измерения
Для сравнительных измерений отдельным зондом отбирают
дополнительные пробы газа.
При сравнении результатов измерений, полученных с помощью
экстрактивной АИС, с результатами, полученными ручным методом или с помощью
другой АИС, отвечающей требованиям настоящего стандарта, используют два
отдельных зонда. Два зонда располагают в газоходе как можно ближе друг к другу,
а их входные отверстия - на расстоянии не более 100 мм друг от друга.
На неэкстрактивных АИС проводят сравнительные измерения
по всей длине пути АИС в газоходе, используя решетку или сеть зондов.
Время отбора проб при использовании ручного
сравнительного метода должно быть достаточным для получения среднего значения
концентрации оксидов азота для АИС.
Необходимое время отбора проб для АИС - 30 мин. Однако,
поскольку отбор проб оксидов азота проводят в газовые трубки, очень трудно
получить время отбора проб более чем 3 - 10 мин. В некоторых случаях необходимо
будет учитывать время отклика АИС.
Сравнение результатов измерений, полученных на
проверяемой АИС и АИС, основанной на другом принципе измерения, проводят для
одного и того же периода времени (не менее 30 мин).
Результаты сравнительных измерений сравнивают с
результатами измерений, зарегистрированными АИС в то же время.
Примечания
19
Кроме проверки установки нуля и приемлемости калибровки по калибровочным газам
(А.4.1.1 и А.4.1.2), сравнительный метод позволяет оценить неопределенность
газоанализатора АИС, используемой для долговременного мониторинга источников
выбросов. Калибровке на месте применения путем сравнительных измерений всегда
должна предшествовать проверка калибровки по калибровочным газам.
20
Для экстрактивных АИС проверка в соответствии с А.4.1.1 всегда является первым этапом
при определении их характеристик на месте применения. Впоследствии на полностью
собранной АИС проводят проверки в соответствии с А.4.1.2. Разности соответствующих результатов измерений могут быть следствием
утечек. Погрешность значения массовой концентрации газов из-за разбавления не
должна превышать 0,5 % предельного значения диапазона измерений.
Погрешности измерений, обусловленные абсорбцией и
адсорбцией анализируемого газа, обычно являются следствием небрежности
оператора. При проведении сравнительных измерений систематические разности
результатов, полученных на АИС и сравнительным методом, регистрируют и
учитывают.
А.4.2.2.2 Определение стандартного отклонения sA и систематических погрешностей
Оценку
стандартного отклонения sA для АИС
получают только на месте применения проведением не менее 10 измерений
(желательно проведение 30 измерений) в соответствии с А.4.2.2.1. Результаты, полученные с помощью проверяемой АИС,
сравнивают с результатами, полученными ручным методом или с помощью АИС,
основанной на другом принципе измерения, соответствующей требованиям настоящего
стандарта.
Стандартное отклонение результатов измерений, полученных
с помощью АИС, sA, мг/м3(см. 3.7), вычисляют на основе значения sD и известного значения sc по формуле
(А.3)
где sc - стандартное отклонение
результатов, полученных сравнительным методом, мг/м3;
sD - вычисляют по разностям
в парах результатов измерений в соответствии с уравнением для расчета
стандартного отклонения, мг/м3.
Значение sD, мг/м3, вычисляют по
формуле
, (А.4)
где zi = xi - yi - разность в парах результатов
измерений, мг/м3;
n -
число сравнительных измерений.
Для
проверки на наличие систематических погрешностей среднюю разность результатов
сравнительных измерений
вычисляют по формуле
, (A.5)
где xi - массовая концентрация оксидов
азота, определяемая сравнительным методом, мг/м3;
yi - средняя
зарегистрированная массовая концентрация NO [при
использовании конвертера это значение представляет собой общую концентрацию
оксидов азота (NO + NO2) для
проверяемой АИС], мг/м3.
Если
средняя разность лежит за пределами 95 %-ного доверительного интервала, то
имеется статистическое доказательство наличия значительной систематической
погрешности.
Значительная
систематическая погрешность наблюдается при выполнении следующего условия:
. (А.6)
Если
систематическая погрешность превышает 2 % предельного значения диапазона
измерений, то находят причину этого и принимают меры по ее устранению.
Если
стандартное отклонение sc сравнительного метода (ручного или автоматического) неизвестно, оно
должно быть определено.
Стандартное
отклонение sc АИС, с
помощью которой измеряют неизвестную концентрацию соединения, определяют при
сравнительных измерениях на двух идентичных АИС, установленных в одном и том же
газоходе (сравнить с А.4.2.2.1). Стандартное отклонение sc, мг/м3, вычисляют на
основе результатов сравнительных измерений (полученных на двух идентичных АИС)
по формуле
, (A.7)
где ρ1i, ρ2i - массовые концентрации оксидов
азота, определенные на двух идентичных АИС сравнительным методом, мг/м3;
n -
число сравнительных измерений.
Примечание 21 -
Поскольку неопределенность результатов измерений АИС, которая зависит от
качества работы всей АИС, распространяется на период необслуживаемой работы,
вне этого периода проводят достаточное число сравнительных измерений (см.
выше).
А.5 Отчет
о выполнении проверки
В отчет о
выполнении проверки включают:
a) ссылку на настоящий
стандарт;
b) полную идентификацию
АИС;
c) подробную информацию о
проведении проверки в лаборатории или «на месте», а также информацию о месте и
условиях проведения проверки;
d) данные о свойствах и
концентрации используемых калибровочных газов (неопределенность концентрации);
e) информацию о
процедурах, не установленных настоящим стандартом или отнесенных к разряду
необязательных;
f) результаты, полученные
в соответствии с разделом А.4, и вывод о соответствии
результатов значениям таблицы 1;
g)
дату и время отбора проб.
(справочное)
В.1 Дополнительные характеристики автоматических измерительных систем
Характеристики и значения в таблице В.1 приведены в качестве
ориентировочных, соблюдение которых поможет в достижении соответствия
характеристикам, указанным в таблице 1.
Таблица В.1
-Дополнительные характеристики АИС в условиях применения
|
Наименование характеристики АИС
|
Значение, %
|
Метод определения (пункт настоящего
стандарта)
|
|
Дрейф нуля, не более
|
21), 2)
|
В.2.1
|
|
Дрейф показаний, не более
|
4 2), 3)
|
В.2.1
|
|
Дрейф нулевого показания в зависимости
от температуры окружающей среды, не более
|
21), 4)
|
В.2.2
|
|
Дрейф показаний в зависимости от
температуры окружающей среды, не более
|
43), 4)
|
В.2.2
|
|
1) Отнесенное к предельному значению
диапазона измерений.
2) В течение
периода необслуживаемой работы (обычно на практике период необслуживаемой
работы составляет семь дней).
3) Отнесенное
к результату измерения (точка на градуировочной кривой).
4) При изменении температуры окружающей
среды на ± 10 К в диапазоне, указанном производителем АИС. Этот
диапазон должен составлять, по крайней мере, от 5 °С до 35 °С.
|
В.2 Определение дополнительных характеристик автоматических измерительных
систем в условиях применения
B.2.1 Определение дрейфа нуля и дрейфа показаний
Выполняют операции по А.4.2.1 не менее одного раза в день в
течение периода необслуживаемой работы, который обычно составляет семь дней.
Регистрируют показания каждой проверки.
Вычисляют разности показаний, полученных в начале и конце
периода необслуживаемой работы, отнесенные к предельному значению диапазона
измерений (дрейф нуля) или к точке, в которой определяли дрейф показания
калибровки, в процентах.
Примечание 22 -
Определять характеристики в лаборатории легче, но определение на месте
применения дает результаты, характеризующие реальные производственные условия.
B.2.2 Определение зависимости дрейфа нуля и показаний от температуры окружающей
среды
Проводят проверку с использованием калибровочных газов (А.4.2.1), устанавливая температуру
(климатическая камера) в пределах допускаемого диапазона с шагом 10 К.
Фиксируют результаты каждой проверки.
Вычисляют разности показаний, полученных при одной
температуре и при следующей (с учетом шага) более высокой или более низкой
температуре, по отношению к предельному значению диапазона измерений (дрейф
нуля в зависимости от температуры окружающей среды) или точке измерения (дрейф
показаний в зависимости от температуры окружающей среды).
Примечания
23
Для сведения к минимуму влияния дрейфа операции проводят как можно быстрее.
24 Учитывают, что значения, приведенные в таблице В.1 для зависимых от температуры
нуля и показаний, относятся к изменению температуры окружающей среды максимум
на ± 10 К.
(справочное)
[1] ИСО 11564:1998 Выбросы стационарных источников -
Определение массовой концентрации диоксида серы - Фотометрический метод с применением
нафтилэтилендиамина
[2] ИСО 6145-2:2001 Анализ газов - Приготовление
газовых смесей для калибровки с применением динамических объемных методов -
Часть 2: Объемные насосы
ИСО 7935:1992 Выбросы
стационарных источников - Определение массовой концентрации диоксида серы -
Параметры автоматических методов измерений