Shipbuilding. Inland vessels. Rope reels

ФЕДЕРАЛЬНОЕ АГЕНТСТВО
ПО ТЕХНИЧЕСКОМУ РЕГУЛИРОВАНИЮ И МЕТРОЛОГИИ

НАЦИОНАЛЬНЫЙ
СТАНДАРТ
РОССИЙСКОЙ
ФЕДЕРАЦИИ

ГОСТ Р исо
3652-2005

Судостроение
Суда внутреннего плавания

ВЬЮШКИ ТРОСОВЫЕ

ISO 3652:1975
Shipbuilding - Inland vessels - Rope reels
(IDT)

Москва

Стандартинформ

2006

Предисловие

Цели и принципы стандартизации в Российской Федерации установлены Федеральным законом от 27 декабря 2002 г. № 184-ФЗ «О техническом регулировании», а правила применения национальных стандартов Российской Федерации - ГОСТ Р 1.0-2004 «Стандартизация в Российской Федерации. Основные положения»

Сведения о стандарте

1 ПОДГОТОВЛЕН Научно-исследовательским институтом по стандартизации и сертификации «Лот» ФГУП «ЦНИИ им. акад. А.Н. Крылова» на основе аутентичного перевода международного стандарта, указанного в пункте 4

2 ВНЕСЕН Техническим комитетом по стандартизации ТК 005 «Судостроение»

3 УТВЕРЖДЕН И ВВЕДЕН В ДЕЙСТВИЕ Приказом Федерального агентства по техническому регулированию и метрологии от 28 декабря 2005 г. № 390-ст

4 Настоящий стандарт идентичен международному стандарту ИСО 3652:1975 «Судостроение. Суда внутреннего плавания. Вьюшки тросовые» (ISO 3652:1975 «Shipbuilding - Inland vessels - Rope reels»)

5 ВВЕДЕН ВПЕРВЫЕ

Информация об изменениях к настоящему стандарту публикуется в ежегодно издаваемом информационном указателе «Национальные стандарты», а текст изменений и поправок - в ежемесячно издаваемых информационных указателях «Национальные стандарты». В случае пересмотра (замены) или отмены настоящего стандарта соответствующее уведомление будет опубликовано в ежемесячно издаваемом информационном указателе «Национальные стандарты». Соответствующая информация, уведомление и тексты размещаются также в информационной системе общего пользования - на официальном сайте Федерального агентства по техническому регулированию и метрологии в сети Интернет

ГОСТ Р ИСО 3652-2005

НАЦИОНАЛЬНЫЙ СТАНДАРТ РОССИЙСКОЙ ФЕДЕРАЦИИ

Судостроение
Суда внутреннего плавания

ВЬЮШКИ ТРОСОВЫЕ

Shipbuilding. Inland vessels. Rope reels

Дата введения - 2007-01-01

1 Область применения

Настоящий стандарт устанавливает основные размеры вьюшек для хранения швартовных и буксирных тросов на судах всех типов, предназначенных для внутреннего судоходства.

2 Характеристики (основные размеры)

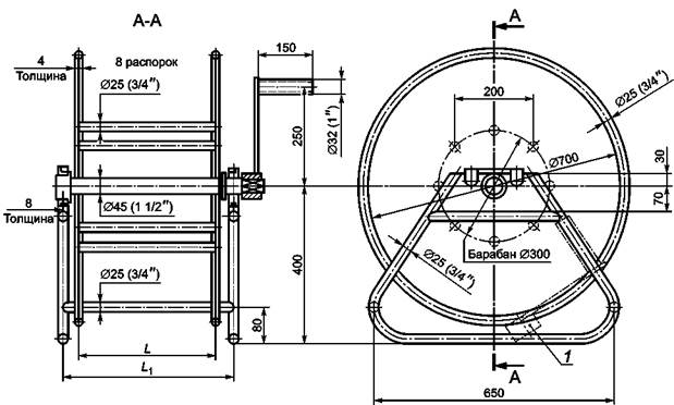
Основные размеры вьюшек- в соответствии с рисунком 1 и таблицей 1.

1 - крепление подвижной рукоятки в нерабочем положении

Рисунок 1 Материал: сварные стальные трубы и стальные листы.

Примечание - Рисунок не определяет конструкцию (элементы конструкции)

Таблица 1

Размеры в миллиметрах

Размеры вьюшки, номин.

Длина барабана L

Длина основания L1

300´380

380

460

300´700

700

780

3 Обозначение

Пример - Вьюшка с барабаном длиной 380 мм: Вьюшка 300´380 ГОСТ Р ИСО 3652-2005.

Ключевые слова: судостроение, суда внутреннего плавания, вьюшки, размеры