РД 45.077-99

Средства измерений электросвязи.

Методические указания по поверке анализаторов цифровых сетей PFA-35

 

 

1 РАЗРАБОТАН Московским техническим университетом связи и информатики (МТУСИ)

ВНЕСЕН Научно-техническим управлением и охраны труда Минсвязи России

2 УТВЕРЖДЕН Минсвязи России

3 ВВЕДЕН В ДЕЙСТВИЕ информационным письмом от 27.01.2000 г. № 327

4 ВВЕДЕН ВПЕРВЫЕ

 

СОДЕРЖАНИЕ

1. Область применения. 1

2. Нормативные ссылки. 1

3. Определения. 2

4. Операции поверки. 2

5. Средства поверки. 2

6. Условия поверки. 3

7. Требования к квалификации поверителя. 3

8. Требования безопасности. 3

9. Проведение поверки. 3

10. Оформление результатов поверки. 11

Приложение А. Библиография. 11

РД 45.077-99

РУКОВОДЯЩИЙ ДОКУМЕНТ ОТРАСЛИ

Средства измерений электросвязи.

Методические указания по поверке анализаторов цифровых сетей PFA-35

Дата введения 01.02.2000 г.

1. ОБЛАСТЬ ПРИМЕНЕНИЯ

Настоящий руководящий документ отрасли устанавливает порядок поверки анализаторов цифровых сетей PFA-35.

Требования руководящего документа обязательны для выполнения специалистами метрологической службы отрасли, занимающихся поверкой данного типа средств измерений.

Руководящий документ отрасли разработан с учетом положений РД 50-660, ОСТ 45.143, ОСТ 45.88 и МИ 2526.

2. НОРМАТИВНЫЕ ССЫЛКИ

В руководящем документе отрасли использованы ссылки на следующие нормативные документы:

ГОСТ 12.3.019-80 ССБТ. Испытание и измерения электрические. Общие требования безопасности.

ГОСТ 12.4.011-89 ССБТ. Средства защиты работающих. Общие требования и классификация.

ГОСТ 16263-70 Метрология. Термины и определения.

ГОСТ 26886-86 ГСС. Стыки цифровых каналов передачи и групповых трактов первичной сети ЕАСС. Основные параметры.

ОСТ 45.143-99 Отраслевая система обеспечения единства измерений. Методические указания по поверке средств измерений электросвязи. Порядок разработки. Требования к построению, изложению, оформлению и содержанию.

ОСТ 45.88-96 Отраслевая система стандартизации. Порядок разработки руководящих документов отрасли.

РД 50-660-88 ГСП Документы на методики поверки средств измерений.

ПР 50.2.012-94 ГСИ. Порядок аттестации поверителей средств измерений.

МИ 2526-99 Рекомендация. ГСИ. Нормативные документы на методики поверки средств измерений. Основные положения.

МИ 2247-93 Рекомендация. ГСИ. Метрология Основные термины и определения.

3. ОПРЕДЕЛЕНИЯ

В настоящем руководящем документе использованы термины с определениями по ГОСТ 16263 и МИ 2247.

4. ОПЕРАЦИИ ПОВЕРКИ

4.1 Периодическая поверка анализаторов цифровых сетей PFA-35 проводится 1 раз в год для приборов, находящихся в эксплуатации и 1 раз в 3 года для приборов, находящихся на длительном хранении.

4.2 Параметры и метрологические характеристики прибора, подлежащие поверке, приведены в таблице 1.

Таблица 1

Наименование поверяемых параметров

Номер пункта методики

Обязательность поверки параметров

 

Первичная поверка

Периодическая поверка

1. Тактовая частота измерительного сигнала на выходе генератора

9.3.1

да

да

2. Параметры формы импульсов цифрового сигнала на выходе генератора

9.3.2

да

да

З. Правильность формирования кода сигнала на выходе генератора

9.3.3

да

да

4. Правильность введения и счета одиночных ошибок

9.3.4

да

да

5. Сопротивление выхода генератора и входа приемника

9.3.5

да

да

6. Затухание асимметрии на выходе генератора и на входе приемника

9.3.6

да

нет

7. Чувствительность входа приемника

9.3.7

да

да

8. Устойчивость к расстройке тактовой частоты входного сигнала

9.3.8

да

нет

9. Собственное фазовое дрожание сигнала на выходе генератора

9.3.9

да

нет

5. СРЕДСТВА ПОВЕРКИ

Для проведения поверки применяются средства поверки, приведенные в таблице 2. Средства измерений, указанные в таблице 2, могут быть заменены при проведении поверки другими средствами измерений с аналогичными метрологическими характеристиками.

Таблица 2

Наименование и тип средств поверки

Технические характеристики средств поверки

Примечание

1. Осциллограф С1-97

0 - 350 МГц; 10 мВ - 5 В время нарастания ПХ менее 1 нс погрешности измерения по оси X и Y - £ 3 %; 1 МОм, 50 Ом

 

2 Генератор сигналов Г4-153 (для измерения входного сопротивления и затухания асимметрии)

10 Гц - 10 МГц;

100 мкВ - 10 В

 

3. Генератор ИКМ - сигнала ГК5-83

2,048 Мбит/с;

ПСП 2n - 1, n = 7, 10, 15, 20, 23

расстройка скорости передачи до ± f

Может быть применен любой генератор на 2 Мбит/с с возможностью изменения скорости f

4. Частотомер электронно-счетный Ч3-63/1

0,1 Гц - 200 МГц;

Погрешность ± f

0,03 (0,1) - 10 В

 

5. Вольтметр В3-56

10 Гц - 15 МГц; 0,1 мВ - 300 В

Погрешность ± 2,5 %; 1 МОм, 15 пФ

 

6. Схемы измерения входного и выходного сопротивления

Резисторы с точностью не хуже 3 %

Обеспечиваются лабораторией

7. Схемы измерения асимметрии относительно земли выхода и выхода прибора

Резисторы, подобранные попарно с разностью сопротивлений не более 0,1 %

Обеспечиваются лабораторией

8. Магазин затуханий МЗ-50-3

Затухание 0 - 82,1 дБ,

0 - 50 МГц, 75 Ом

 

9. Анализатор спектра С4-74

300 Гц - 300 МГц; 300 нВ - 3 В

динамический диапазон 70 - 80 дБ

 

6. УСЛОВИЯ ПОВЕРКИ

При проведении поверки должны соблюдаться следующие условия:

температура окружающего воздуха        (20 ± 5) °С;

относительная влажность воздуха         (65 ± 15) %;

атмосферное давление                             100  4 (750 ± 30 мм.рт.ст.) кПа;

питание: 1) от сети переменного тока

напряжением (220 ± 4,4) В;

частотой (50 ± 2,5) Гц,

2) от встроенных аккумуляторов

7. ТРЕБОВАНИЯ К КВАЛИФИКАЦИИ ПОВЕРИТЕЛЯ

Поверка анализаторов цифровых сетей PFA-35 осуществляется физическими лицами, аттестованными в качестве поверителей по ПР 50.2.012.

Поверитель должен иметь практические навыки работы с рабочими эталонами и вспомогательными средствами измерений, знать требования эксплуатационной документации на поверяемый прибор.

8. ТРЕБОВАНИЯ БЕЗОПАСНОСТИ

При приведении поверки должны соблюдаться требования ГОСТ 12.3.019, ГОСТ 12.4.011, рекомендаций по мерам безопасности при проведении поверочных работ [1], а также требования инструкции по технике безопасности на рабочем месте поверителя, утвержденной в установленном (в поверочном органе) порядке.

9. ПРОВЕДЕНИЕ ПОВЕРКИ

9.1. Внешний осмотр

При внешнем осмотре проверяется:

- укомплектованность анализатора. Укомплектованность анализатора должна позволять выполнить поверху в полном объеме;

- отсутствие механических повреждений регулировочных и соединительных элементов, а также других внешних дефектов, влияющих на нормальную работу поверяемого анализатора;

- отсутствие внутри анализатора посторонних предметов или незакрепленных частей (определяется на слух при наклонах поверяемого средства измерения).

9.2. Проверка работы прибора в режиме самопроверки (опробование)

Подключить поверяемый анализатор в сеть переменного тока через адаптер/зарядное устройство. Нажать кнопку ON. После звукового сигнала, анализатор выполнит все процедуры режима самопроверки.

В случае положительных результатов самопроверки анализатора на его экране (после звукового сигнала) должно появится меню «Main Menu».

9.3. Определение метрологических параметров

9.3.1. Измерение типовой частоты измерительного сигнала на выходе генератора

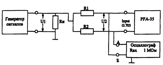
Измерение тактовой частоты проводится по схеме изображенной на рисунке 1 при автономном питании (шнур питания отсоединен от прибора) на симметричном выходе прибора «Output G.703».

Рисунок 1. Схема для измерения частоты сигнала

Нажать на поверяемом приборе кнопку S1 для выхода в меню «Setup Menu 1». Выполнить установки в меню «Setup Menu 1» с помощью кнопок S1 - S6:

Mode

RX/TX

Interfаce

G.703

Line code

HDB3

Framing

OFF

Termination

75/120

Tx Clk src

INTERN

kbps

2048

Выполнить установки в меню «Setup Menu 2» с помощью программной кнопки <Fixed>:

BERT pattern

1111

Нажать кнопку <Run> (S6) в меню «Setup Menu 3».

Показания частотомера должны находиться в пределах 2048000 ± 100 Гц.

9.3.2 Измерение формы импульсов цифрового сигнала на выходе генератора

Параметры формы импульса цифрового сигнала (амплитуда, длительность, время нарастания и спада импульса) на выходе генератора «Output G.703» проверяются на соответствие шаблону ГОСТ 26886 для стыка ОЦК и первичного сетевого стыка. Измерения проводятся с помощью осциллографа на симметричном выходе прибора при автономном питании (шнур питания отсоединен от прибора) по схеме, изображенной на рисунке 2.

Выполнить установки в меню «Setup Menu 1» (с помощью кнопок S1 - S6):

 

1) для первичного стыка

2) для стыка ОЦК

Mode

RX/TX

RX/TX

Interfасe

G.703

G.703

Line code

HDB3

Co-dir

Framing

OFF

OFF

Termination

75/120

75/120

Tx Clk src

INTERN

INTERN

kbps

2048

64

Выполнить установки в меню «Setup Menu 2» с помощью программной кнопки <Fixed>.

BERT pattern

1010

Нажать кнопку <Run> (S6) в меню «Setup Menu 3».

Импульсы сигналов должны укладываться в шаблоны, приведенные на рисунке (для скорости передачи 64 кбит/с) и на рисунке (для скорости передачи 2048 кбит/с).

Рисунок 2. Схема для измерения параметров формы выходного сигнала

Рисунок 2в. Шаблон импульса для первичного цифрового стыка (2,048 кбит/с)

1) Одиночный импульс

2) Сдвоенный импульс

Рисунок 2а. Шаблоны импульсов для сонаправленного стыка (64 кбит/с)

9.3.3. Правильность формирования кода сигнала на выходе генератора

Правильность формирования кода сигнала на выходе «Output G.703» генератора проверяется для кода HDB-3 (скорость передачи 2048 кбит/с) и для сонаправленного кода (скорость передачи 64 кбит/с) по схеме, приведенной на рисунке 2 путем последовательного наблюдения периодических сигналов, состоящих из единицы с различным количеством нулей. Алгоритм формирования сигнала в коде HDB-3 и в сонаправленном коде должен соответствовать ГОСТ 26886. На рисунке 3 приведено изображение нескольких таких сигналов, которые надо последовательно установить при выполнении этой проверки.

Перед началом поверки на поверяемом приборе выполняются те же установки, что и в п. 9.3.2 настоящей методики, кроме BERT pattern, которая кнопкой <Fixed> устанавливается либо на фиксированные последовательности 1111, 0000, 1010, либо кнопками WORD, BYTE на 8 или 16 битовое слово 10001000, 1000010000... Сравнить форму сигнала с приведенными на рисунке 3 эталонными изображениями комбинаций.

Рисунок 3. Формирование кода сигнала HDB-3

9.3.4. Проверка правильности введения и счета одиночных ошибок

Подключить симметричный выход G 703 к симметричному входу G.703. Выполнить установки в меню «Setup Menu 1»:

Mode

RX/TX

Interface

G.703

Line code

HDB3

Framing

PCM31

Termination

75/120

Tx Cik src

INTERN

kbps

2048

Rx slots

1

Tx slots

1

Выполнить установки в меню «Setup Menu 2»:

Idle pattern 1011 0000

BERT pattern 211 - 1 (с помощью программной кнопки <PRBS>).

Выполнить установки в меню «Setup Menu 3»:

Err Inject RATIO

Нажать кнопку <Run> из меню «Setup Menu 3». Дня введения битовых ошибок выберите программную кнопку <morе>. Нажать кнопки <InjErr> и <InjBit>. Ввести 5 одиночных ошибок при помощи кнопки <One Err>. При каждом нажатии на экране прибора должна отображаться одна ошибка. Аналогичные измерения провести с кодовыми ошибками (вместо кнопки <InjBit> нажать кнопку <InjGod>) и с ошибками сигнала цикловой синхронизации (нажать кнопку <InjFAS>). Ввод ошибок FAS можно контролировать на экране результатов «Frame» при нажатой клавише S2.

9.3.5. Сопротивление выхода генератора и входа приемника

На симметричных разъемах G.703 измерение входного и выходного сопротивлений осуществляется с помощью резисторных схем по схемам, приведенным на рисунках 4 и 5.

Перед началом проверки на поверяемом приборе делаются те же установки, что и в п. 9.3.1 настоящей методики, причем испытательную последовательность (BERT pattern) целесообразно установить 1010 или 1000.

Выходное сопротивление прибора (рисунок 4) измеряется при разных значениях нагрузки (R1 = Rн и R2 = Rн/2) и определяется по формуле:

|Zвых| =

где U1 - амплитуда или напряжение 1-й гармоники выходного сигнала при подключении номинальной нагрузки R1 = Rн = 120 Ом (± 3 %);

U2 - амплитуда или напряжение 1-й гармоники выходного сигнала при подключении измененной нагрузки R2 = Rн/2 = 60 Ом (± 3 %).

Примечание - Допускается измерять выходное сопротивление методом включенной и отключенной нагрузки. При этом |Zвыx| = Rн (U1 / U2 - 1).

Измерение амплитуды выходного сигнала следует проводить прибором с высокоомным входом. Для этой цели можно использовать осциллограф, включенный по схеме, приведенной на рисунке 4, а питание прибора при этом должно осуществляться oт внутреннего аккумулятора (шнур адаптера/зарядного устройства сети переменного тока должен быть отключен).

Рисунок 4. Схема измерения выходного сопротивления прибора

Входное сопротивление прибора измеряют по схеме, приведенной на рисунке 5. Значение R1 устанавливается равным ожидаемому значению входного сопротивления 120 Ом (± 3 %). Значения напряжений U1 и U2 определяются по милливольтметру с высокоомным входом.

Рисунок 5. Измерение входного сопротивления прибора

Вначале измеряется напряжение U1, которое должно быть порядка (1 - 3) В при замкнутом ключе П. Записать значение напряжения U1. Затем ключ размыкается, напряжение генератора при этом повышается до получения U2 = U1. Записать значение напряжения U1" при разомкнутом ключе.

Измерения входного сопротивления проводятся на частотах: 60 кГц, 100 кГц; 2МГц, 3 МГц.

Входное сопротивление на данной частоте определяется по формуле:

/Zbx/ =

Значение входного сопротивления должно находиться в пределах ± 10 % от его номинального значения 120 Ом.

9.3.6. Затухание асимметрии выхода передающей и входа приемной части прибора

Измерение затухания асимметрии выхода и входа G.703 проводится по схемам, приведенным на рисунках 6 и 7. Резисторы R1 и R2 на обеих схемах подбираются так, чтобы их разность была менее 0,1 %.

Схемы проверяются предварительно по затуханию собственной асимметрии, которое должно быть на 10 - 20 дБ выше измеряемого.

Искомое значение затухания асимметрии в децибелах равно.

аас = р1 - р2,

где p1 и р2 - уровни в дБ напряжений U1 и U2 соответственно, измеренных приборами с высокоомным входом, поэтому:

аас = 20 lgU1/U2

Перед началом измерений на поверяемом приборе делаются те же установки, что и в п. 9.3.1 настоящей методики. Асимметрия выхода прибора измеряется по амплитуде импульса выходного сигнала, асимметрия входа - по синусоидальному сигналу на частоте 1 МГц.

Измеренное значение затухания асимметрии должно быть не менее 20 дБ.

R1 = R2 = RH/2 = 60 Ом с точностью (0,5 - 1,0) %.

Рисунок 6. Измерение затухания асимметрии выхода прибора

R1 = R2 = Rн/2 = 60 Ом с точностью (0,5 - 1,0) %.

Рисунок 7. Измерение затухания асимметрии входа прибора

9.3.7. Чувствительность приемника

Измерение чувствительности приемника на входе G.703 проводится по схеме, приведенной на рисунке 8 при несимметричном входе прибора.

Перед началом измерений на поверяемом приборе делаются те же установки, что и в п. 9.3.1 настоящей методики, кроме BERT pattern, которую необходимо кнопкой PRBS установить на 215-1.

Ввести на магазине затуханий затухание 20 дБ. Нажать программную кнопку <Run> на странице «Setup Menu 3». За время 10 - 15 с ошибок и аварийных сигналов не должно быть. Увеличить затухание с шагом 1 дБ до появления ошибок. Зафиксировать последнее значение затухания, при котором еще не было ошибок и аварийных сигналов.

Рисунок 8. Измерение чувствительности приемника на входе G.703

9.3.8 Устойчивость к расстройке тактовой частоты входного сигнала

Устойчивость к расстройке тактовой частоты входного сигнала проверяется от внешнего генератора ИКМ-сигнала при симметричном входе G.703 по схеме, приведенной на рисунке 9. На генераторе ИКМ-сигнала установить номинальную скорость передачи 2048 кбит/с и испытательный сигнал в виде ПСП 215 - 1. Выполнить на приборе PFA-35 те же установки, что и в п. 9.3.7.

Рисунок 9. Измерение устойчивости к расстройке тактовой частоты входного сигнала

Примечание: Скорость передачи от внешнего генератора ИКМ-сигнала контролируется путем подключения частотомера к гнезду «Выход тактового генератора» или по измерительному сигналу, установив комбинацию 1111.

Нажать программную кнопку <Run>. За время 10 - 15 с ошибок и аварийных сигналов не должно быть сначала при номинальной скорости передачи сигнала, а затем при расстройке тактовой частоты сигнала на ± 10-6.f, т.е. ± 100 Гц.

9.3.9. Проверка собственного фазового дрожания сигнала на выходе генератора

Проверка собственного фазового дрожания сигнала на выходе прибора G.703 (2048 кбит/с) проводится при помощи анализатора спектра, подключаемого к выходу прибора по схеме, приведенной на рисунке 10. Установить структуру выходного сигнала в виде последовательности единиц (в строке BERT pattern установить 1111). На экране анализатора должен наблюдаться спектр исследуемого сигнала вокруг полутактовой частоты сигнала.

Рисунок 10. Схема проверки собственного фазового дрожания

Принимая во внимание, что амплитуда собственного фазового дрожания много меньше тактового интервала (ТИ), ее можно определить по формуле:

Y = 0.32 B/A (ТИ),

где: А - амплитуда основной спектральной составляющей;

В - наибольшая амплитуда паразитных составляющих в диапазоне частот, отстоящих от частоты основной спектральной составляющей до ± (5 - 10) %.

Полоса обзора анализатора спектра устанавливается шириной до 15 - 20 % от частоты основной спектральной составляющей, а полоса пропускания (3 - 10) Гц.

Значение амплитуды собственного фазового дрожания должно быть (0,05 - 0,2) ТИ.

10. ОФОРМЛЕНИЕ РЕЗУЛЬТАТОВ ПОВЕРКИ

Средства измерений, удовлетворяющие требованиям настоящего руководящего документа, признаются годными к применению. Результаты поверки средств измерений оформляются их клеймением и выдачей свидетельств о поверке или же записью результатов поверки в эксплуатационных паспортах (или их дубликатах).

Средства измерений не удовлетворяющие требованиям настоящего руководящего документа, к дальнейшему применению не допускаются. На такие средства измерений выдаются извещения с указанием причин их непригодности к дальнейшей эксплуатации, гасятся клейма предыдущих поверок, а в эксплуатационных паспортах (или их дубликатах) делаются соответствующие записи.

ПРИЛОЖЕНИЕ А

БИБЛИОГРАФИЯ

[1] Нормативные документы по метрологическому обеспечению средств и услуг электросвязи, выпуск 3, метрологическая служба Госкомсвязи России, Москва, 1999 год.