ГОСУДАРСТВЕННЫЙ КОМИТЕТ РОССИЙСКОЙ
ФЕДЕРАЦИИ ПО СВЯЗИ И ИНФОРМАТИЗАЦИИ

 

РУКОВОДЯЩИЙ ДОКУМЕНТ ОТРАСЛИ

Средства измерений специализированные

Методические указания по поверке измерителей переходных помех ИПП1М

 

РД 45.017-98

 

 

ЦНТИ «ИНФОРМСВЯЗЬ»

Москва - 1999

 

1 РАЗРАБОТАН Московским техническим иниверситетом связи и информатики (МТУСИ)

ВНЕСЕН Научно-техническим управлением и охраны труда Госкомсвязи России

2 УТВЕРЖДЕН Госкомсвязи России

3 ВВЕДЕН В ДЕЙСТВИЕ информационным письмом от 11.08.99 г. № 4826

4 ВВЕДЕН ВПЕРВЫЕ

 

СОДЕРЖАНИЕ

1 Область применения. 2

2. Методические указания по поверке измерителей переходных помех ИПП1М... 2

2.1 Условия поверки. 2

2.2. Операции поверки. 2

2.3. Средства поверки. 3

2.4 Опробование. 3

2.5. Определение максимального выходного уровня сигнала «белого шума» передающего устройства ИПП1М-Пд. 3

2.6. Определение предела допускаемой основной погрешности установки выходного уровня «белого шума» передающего устройства ИПП1М-Пд. 4

2.7 Определение неравномерности уровня спектральной плотности «белого шума» передающего устройства ИПП1М-Пд. 5

2.8 Определение ослабления спектральной плотности «белого шума» передающего устройства ИПП1М-Пд на частотах ниже 0,8 fгр и выше 1,2 fгр. 7

2.9 Определение минимального уровня сигналов на входе приемного устройства ИПП1М-Пм на частотах измерительных каналов. 7

2.10 Определение предела допускаемой основной погрешности измерения относительного уровня сигналов приемного устройства ИПП1М-Пм.. 8

2.11 Определение полосы пропускания измерительных каналов приемного устройства ИПП1М-Пм на уровне 3 дБ. 9

2.12 Определение минимального уровня шумового сигнала на входе приемного устройства ИПП1М-Пм, обеспечивающего измерение суммарных шумов. 10

2.13 Определение погрешности измерения относительного уровня сигналов при работе измерителя в автоматическом режиме. 11

2.14 Определение относительной величины собственных остаточных помех в каждом измерительном канале. 11

3 Оформление результатов поверки. 13

РД 45.017-98

РУКОВОДЯЩИЙ ДОКУМЕНТ ОТРАСЛИ

Средства измерений специализированные

Методические указания по поверке измерителей
переходных помех ИПП1М

Дата введения  01.09.99 г.

1 Область применения

Настоящий руководящий документ отрасли устанавливает порядок поверки измерителей переходных помех ИПП1М.

Требования руководящего документа обязательны для выполнения специалистами метрологической службы отрасли, занимающихся поверкой данного типа средств измерений.

Руководящий документ отрасли разработан с учетом положений РД 50-660-88 «Документы на методики поверки средств измерений» и стандарта отрасли ОСТ 45.88-96 «Отраслевая система стандартизации. Порядок разработки руководящих документов отрасли».

2. Методические указания по поверке измерителей переходных помех ИПП1М

2.1 Условия поверки

При поверке измерителей переходных помех ИПП1М должны соблюдаться следующие условия:

температура окружающей среды (20 ± 5) °С;

относительная влажность (65 ± 15) %;

атмосферное давление (750 ± 30) мм.рт.ст.;

напряжение питания от сети переменного тока (220 ± 4,4) В частотой 50 Гц.

2.2. Операции поверки

Поверка измерителей переходных помех ИПП1М должна проводиться в объеме и последовательности операций, указанной в таблице 1.

ТАБЛИЦА 1

Наименование операций поверки

Номера пунктов руководящего документа по поверке ИПП1М

1

2

Опробование

2.4

Определение максимального выходного уровня сигнала «белого шума» передающего устройства ИПП1М-Пд

2.5

Определение предела допустимой основной погрешности установки выходного уровня «белого шума» передающего устройства ИПП1М-Пд

2.6

Определение неравномерности уровня спектральной плотности «белого шума» передающего устройства ИПП1М-Пд

2.7

Определение ослабления спектральной плотности «белого шума» передающего устройства ИПП1М-Пд на частотах ниже 0,8 fгр и выше 1,2 fгр

2.8

Определение минимального уровня сигналов на входе приемного устройства ИПП1М-Пм на частотах измерительных каналов

2.9

Определение предела допускаемой основной погрешности измерения относительного уровня сигналов приемного устройства ИПП1М-Пм

2.10

Определение полосы пропускания измерительных каналов приемного устройства ИПП1М-Пм на уровне 3 дБ

2.11

Определение минимального уровня шумового сигнала на входе приемного устройства ИПП1М-Пм, обеспечивающего измерение суммарных шумов

2.12

Определение погрешности измерения относительного уровня сигналов при работе измерителя в автоматическом режиме

2.13

Определение относительной величины собственных остаточных помех в каждом измерительном канале

2.14

2.3. Средства поверки

При проведении поверки измерителей переходных помех ИПП1М должны применяться средства измерений, указанные в таблице 2.

ТАБЛИЦА 2

Наименование средства измерения

Тип средства измерения

Норма основной погрешности, требуемый диапазон

1

2

3

Генератор сигналов высокочастотный

Г4-158

0,3 - 10 Мгц

0,01 - 0,5 В

± 0,01 % (по частоте)

± 0,5 dB (по напряжению)

Милливольтметр цифровой широкополосный

В3-54

0,3 - 10 МГц

0,3 mВ - 0,5 В

± (0,4 - 2,5) %

Микровольтметр селективный

В6-10

0,3 - 10 МГц

1 мкВ - 0,5 В

Магазин затуханий

МЗ-50-3

0,005 - 10 МГц

± 0,1 дБ

Допускается применение других средств измерений, если они обеспечивают измерение метрологических характеристик поверяемых измерителей переходных помех ИПП1М с требуемой точностью.

2.4 Опробование

При опробовании измерителей переходных помех ИПП1М проверить:

четкость фиксации переключателей и совпадение их указателей с отметками на соответствующих шкалах;

возможность управления прибором.

2.5. Определение максимального выходного уровня сигнала «белого шума» передающего устройства ИПП1М-Пд

Собрать схему измерений, как показано на рисунке 1.

Ш2 - кабельная перемычка (3г3.640.644) из комплекта ИПП1М;

П1 - переход РР-75 (3г3.640.348) из комплекта ИПП1М;

П2 - переход (3г2.236.493) из комплекта КНИП-2.

Примечание - Милливольтметр В3-54 включается в схему измерений высокочастотным входом с пробником.

Рисунок 1

Установить переключатели передающего устройства ИПП1М-Пд в положения:

ЧИСЛО КАНАЛОВ - в положение «600»;

КАЛИБР. ИЗМЕР. - в положение «КАЛИБР.»

Переключателем «< >» добиться на цифровом табло «выходной уровень» поверяемого прибора показания «0». Регулятором «- +» установить стрелку измерительного прибора в нулевое положение.

Измерить милливольтметром В3-59 напряжение U1 на выходе передающего устройства. Определить погрешность установки выходного нулевого уровня по формуле:

                                                    (1)

где: U1 - напряжение, измеренное по милливольтметру В3-59, мВ;

U2 - эффективное напряжение, соответствующее мощности 1 мВт, на нагрузке 75 Ом, равное 274 мВ;

В - уровень, установленный на цифровом табло поверяемого прибора (в данном случае В = 0), дБм.

Установить переключатель ЧИСЛО КАНАЛОВ последовательно в положения «720», «1020», «1320», «1920» и «1800».

Измерить милливольтметром В3-59 напряжение U1 на выходе передающего устройства для каждого положения переключателя ЧИСЛО КАНАЛОВ. Определить погрешность установки выходного нулевого уровня по формуле (1).

Значение погрешности установки выходного нулевого уровня должно быть (0 ± 0,7) дБм, или (274 ± 21) мВ.

2.6. Определение предела допускаемой основной погрешности установки выходного уровня «белого шума» передающего устройства ИПП1М-Пд.

Поверка предела допускаемой основной погрешности установки выходного уровня «белого шума» передающего устройства ИПП1М-Пд проводится по схеме, изображенной на рисунке 1, для значений В, приведенных в таблице 3.

Таблица 3

Выходной уровень «белого шума», устанавливаемый по цифровому табло «выходной уровень» ИПП1М-Пд, дБм

-1

-2

-4

-6

-10

-20

-30

-40

Включить милливольтметр В3-59 в режим работы «Измерение дБ».

Установить переключатели передающего устройства ИПП1М-Пд в положения:

ЧИСЛО КАНАЛОВ - в положение «1920»;

ИЗМЕР. КАЛИБР. - в положение «КАЛИБР.».

Переключателем «< >» добиться на цифровом табло «ВЫХОДНОЙ УРОВЕНЬ» поверяемого прибора показания «0». Регулятором «- +» установить стрелку измерительного прибора в нулевое положение. Зафиксировать милливольтметром В3-59 показание В0.

Установить переключателем «< >» на цифровом табло «ВЫХОДНОЙ УРОВЕНЬ» поочередно значения, указанные в таблице 3. При этом для каждого случая необходимо установить регулятором « - +» стрелку измерительного прибора в нулевое положение и фиксировать милливольтметром В3-59 показания B1.

Определить погрешность установки выходного уровня по формуле:

∆ В = В1 - В0 - В, Дб                                                       (2)

где: В - показание цифрового табло «ВЫХОДНОЙ УРОВЕНЬ» поверяемого прибора, дБ;

В1 - показание милливольтметра В3-59 при значениях В, указанных в таблице 3, дБ;

В0 - показание милливольтметра В3-59 при В = 0, дБ.

Значение погрешности установки выходного уровня «белого шума» от 0 до минус 63 дБм передающего устройства должно быть:

± 0,7 дБ - в пределах от 0 до минус 30 дБм;

± 1,0 дБ - для значений менее минус 30 дБм.

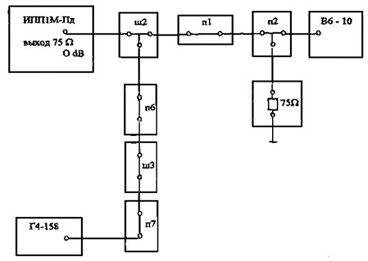
2.7 Определение неравномерности уровня спектральной плотности «белого шума» передающего устройства ИПП1М-Пд

Собрать схему измерений, как показано на рисунке 2.

ш2 - кабельная перемычка (3г3.640.644) из комплекта ИПП1М;

п1 - переходник РР-75 (3г3.640.348) из комплекта ИПП1М;

п2 - переход (3г2.236.493) из комплекта КНИП-2;

п6 - переход из комплекта ИПП1М;

п7 - переходник Э2-114/3(2.236.132) из комплекта Г4-158;

ш3 - соединительный кабель (3г6.645.104) из комплекта ИПП1М.

Рисунок 2

Неравномерность уровня спектральной плотности определяется с помощью селективного микровольтметра В6-10 в полосе частот равной 9 кГц. При измерениях следует усреднять показания колеблющейся под действием шумового сигнала стрелки прибора.

Примечание - Селективный микровольтметр В6-10 должен быть предварительно аттестован метрологической службой и иметь поправочный график зависимости усиления от частоты в диапазоне 200 кГц - 10 МГц.

Установить переключатели передающего устройства ИПП1М-Пд в положения:

ЧИСЛО КАНАЛОВ - в положение «1920»;

ИЗМЕР. КАЛИБР. - в положение «КАЛИБР».

Переключателем «< >» добиться на числовом табло ВЫХОДНОЙ УРОВЕНЬ показания минус 6 дБм. Регулятором «- +» установить стрелку измерительного прибора в нулевое положение.

С помощью генератора Г4-158 и частотомера встроенного в генератор, установить на микровольтметре В6-10 частоту сигнала равную 1248 кГц. Регулятором на микровольтметре В6-10 установить удобное для отсчета показание по шкале децибел (А0).

Последовательно устанавливая на микровольтметре В6-10 частоты измерительных каналов для числа каналов N = 1920, фиксировать отклонение стрелки от ранее установленного значения (А0).

Определить неравномерность уровня спектральной плотности по формуле:

∆ А = Ai - А0, дБ                                                                   (3)

где: Ai - показание микровольтметра В6-10 на частоте измерительного канала или граничной частоте, дБ;

А0 - показание микровольтметра В6-10 на опорной частоте 1248 кГц, дБ.

Последовательно устанавливая на микровольтметре В6-10 граничные частоты для числа каналов N = 1920, аналогичным способом определить неравномерность уровня спектральной плотности на граничных частотах.

Неравномерность уровня спектральной плотности на частотах измерительных каналов и граничных частотах для числа каналов N = 600; 720; 1020; 1320; 1800 определяется вышеизложенным способом.

Неравномерность уровня спектральной плотности должна соответствовать данным приведенным в таблице 4.

ТАБЛИЦА 4

Число каналов

Опорная частота, кГц

Частоты измерительных каналов, кГц

Неравномерность уровня, дБ

Граничные частоты, кГц

Неравномерность уровня не менее, дБ

600

1248

534, 2438

± 0,5

312,2844

-3

720

1248

534, 2438

± 0,5

312,3340

-3

1020

1248

534, 2438, 3886

± 0,5

312,4636

-3

1320

1248

534, 2438, 3886, 5340

± 0,5

312,5932

-3

1920

1248

534, 2438, 3886, 5340, 7600

± 0,5

312,8524

-3

1800

1248

2438, 3886, 5340, 7600

± 0,5

312,8524

-3

2.8 Определение ослабления спектральной плотности «белого шума» передающего устройства ИПП1М-Пд на частотах ниже 0,8 fгр и выше 1,2 fгр.

Поверка ослабления спектральной плотности «белого шума» передающего устройства ИПП1М-Пд на частотах ниже 0,8 fгр, и выше 1,2 fгр, проводится по схеме, изображенной на рисунке 2, в следующей последовательности;

1) измерить ослабление уровня сигнала «белого шума» за пределами спектра по методике, изложенной в пункте 2.5, на частотах указанных в таблице 5.

Таблица 5

Число каналов

Частота 0,8 fгр кГц

Частота 1,2 fгр кГц

600

250

3410

720

250

4000

1020

250

5560

1320

250

7118

1920

250

10200

1800

650

10200

2) определить ослабление уровня сигнала «белого шума» за пределами спектра относительно уровня на частоте 1248 кГц по формуле (3).

Ослабление уровня сигнала «белого шума» за пределами спектра должно быть не менее 25 дБ на частотах ниже 0,8 fгр, и выше 1,2 fгр.

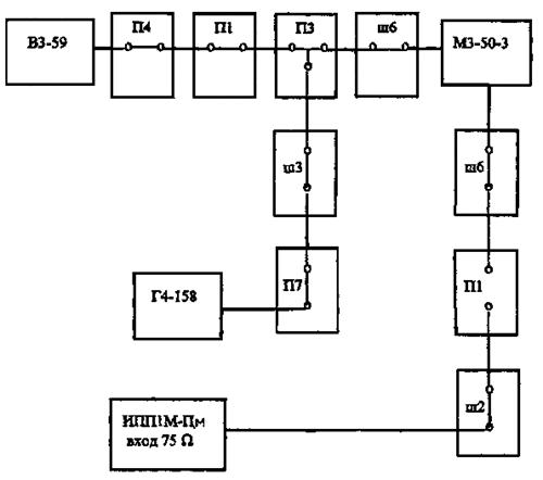
2.9 Определение минимального уровня сигналов на входе приемного устройства ИПП1М-Пм на частотах измерительных каналов.

Собрать схему измерений, как показано на рисунке 3.

Установить переключатели приемного устройства ИПП1М-Пм в положения:

ИЗМЕРИТЕЛЬНЫЕ КАНАЛЫ, кГц - в положение «534»;

УПРАВЛЕНИЕ АТТЕНЮАТОРОМ - в положение «РУЧН.»;

ИЗМЕР. КАЛИБР. - в положение «ИЗМЕР.».

Установить переключателем «< >» на цифровом табло ИЗМЕРЕНИЕ показание «63». На выходе генератора Г4-158 установить сигнал частотой 534,8 кГц и напряжением 2,7 мВ (минус 40 дБ). Контроль частоты сигнала осуществлять по встроенному частотомеру, а напряжение - по милливольтметру В3-59 в режиме работы «ИЗМЕРЕНИЯ мВ». Точную настройку на частоту измерительного канала следует проводить на слух по тону частоты 800 Гц, включив регулятор громкости ЗВУКОВОЙ КОНТРОЛЬ ИЗМЕРИТЕЛЬНОГО КАНАЛА.

Изменяя затухание магазина МЗ-50-3, установить стрелку измерителя приемного устройства в нулевое положение.

Определить уровень на входе приемного устройства по формуле:

А = - 40 - В, дБ                                                               (4)

где: В - затухание магазина МЗ-50-3, дБ.

Аналогичным способом определить минимальный уровень на входе приемного устройства на частотах измерительных каналов 1248, 2438, 3886, 5340 и 7600 кГц.

Минимальный уровень на входе приемного устройства должен быть не более минус 110 дБм.

П4 - переход (3г5.433.225) из комплекта КНИП-2;

П3 - переход РР-75 (3г2.246.058) из комплекта КНИП-2;

П1 - переход РР-75 (3г3.640.348) из комплект» ИПП1М;

П7 - переход Э2-114/3 из комплекта Г4-158;

ш2 - кабельная перемычка (3г3.640.644) из комплекта ИПП1М;

ш3 - соединительный кабель (3г6.645.104) из комплекта ИПП1М;

ш6 - соединительный кабель (3г4.850.025) из комплекта КНИП-2.

Рисунок 3

2.10 Определение предела допускаемой основной погрешности измерения относительного уровня сигналов приемного устройства ИПП1М-Пм

Поверка предела допускаемой основной погрешности измерения относительного уровня сигналов приемного устройства ИПП1М-Пм проводится по схеме, изображенной на рисунке 3.

Поверке основной погрешности измерения относительного уровня сигналов должна предшествовать поверка погрешности аттенюатора калибровки, которая в дальнейшем будет использована при определении погрешности измерения относительного уровня сигналов в пределах от минус 63 дБ до минус 73 дБ. Поверка погрешности аттенюатора калибровки осуществляется в следующей последовательности:

1) установить на выходе генератора Г4-158 сигнал частотой 1248,8 кГц и напряжением 5 мВ;

2) установить переключатели приемного устройства ИПП1М-Пм в положения:

ИЗМЕРИТЕЛЬНЫЕ КАНАЛЫ, кГц - в положение «1248»;

УПРАВЛЕНИЕ АТТЕНЮАТОРОМ - в положение «РУЧН.»;

ИЗМЕР. КАЛИБР. - в положение «КАЛИБР.»;

3) установить на магазине МЗ-50-3 затухание равным 20 дБ;

4) установить на цифровом табло КАЛИБ. приемного устройства ИПП1М-Пм показание равным 0 дБ;

5) установить с помощью магазина MЗ-50-3 стрелку измерительного прибора приемного устройства ИПП1М-Пм в нулевое положение;

6) зафиксировать показание Вн на магазине МЗ-50-3;

7) последовательно устанавливая показания на цифровом табло КАЛИБР от 1 до 10 дБ (через 1 дБ), каждый раз (переключателями магазина МЗ-50-3) добиваться нулевого положения стрелки измерительного прибора приемного устройства ИПП1М-Пм;

8) зафиксировать показания Вм, на магазине МЗ-50-3;

9) определить погрешность аттенюатора калибровки по формуле:

∆ Вx = В - (Вн - Вм), дБ                                                              (5)

где: В - величина, установленная на цифровом табло КАЛИБР., дБ;

Вн - начальное затухание на магазине МЗ-50-3, дБ;

Вм - установленная величина затухания на магазине МЗ-50-3, дБ.

Поверка погрешности измерения относительного уровня сигналов в пределах от минус 1 дБ до минус 63 дБ осуществляется в следующей последовательности:

1) установить на магазине МЗ-50-3 затухание равным 0 дБ;

2) установить переключателем «< >» на цифровом табло КАЛИБР приемного устройства ИПП1М-Пм такое показание, при котором стрелка измерительного прибора будет находиться в пределах шкалы;

3) установить переключатель ИЗМЕР. КАЛИБР. приемного устройства ИПП1М-Пм в положение ИЗМЕР., при этом на цифровом табло ИЗМЕРЕНИЕ должно быть показание «00»;

4) добиться плавной регулировкой выходного уровня генератора Г4-158 установки стрелки измерительного прибора в нулевое положение;

5) установить последовательно на цифровом табло ИЗМЕРЕНИЕ показания В = 1; 2; 4; 8; 16; 32; 40; 50; 63;

6) установить переключателями магазина МЗ-50-3 стрелку измерительного прибора в нулевое положение для каждого показания В;

7) зафиксировать показание Вм на магазине МЗ-50-3;

8) определить погрешность измерения относительного уровня сигналов по формуле:

∆ Вx = В - Вм, дБ                                                                 (6)

где: В - величина, установленная на цифровом табло ИЗМЕРЕНИЕ, дБ;

Вм - величина затухания, установленная на магазине МЗ-50-3.

Полученные значения ∆ В, определяют погрешность измерения относительного уровня сигналов приемного устройства ИПП1М-Пм в диапазоне измерения от минус 1 дБ до минус 63 дБ.

Погрешность измерения относительного уровня сигналов в диапазоне измерения от минус 63 дБ до минус 73 дБ определяется по формуле:

Bм1 = ∆ Вм63 + ∆Вxi, дБ                                                       (7)

где: ∆ Вм63 - погрешность измерения относительного уровня сигналов в точке минус 63 дБ;

∆ Вxi - погрешность аттенюатора калибровки, дБ.

Аналогичным способом определить погрешность измерения относительного уровня сигналов на частоте 7600,8 кГц.

Значения погрешности измерения относительного уровня сигналов должны быть:

± 0,7 дБ - в пределах от 0 до минус 40 дБ;

± 1,0 дБ - в пределах от минус 40 до минус 63 дБ;

± 1,5 дБ - в пределах от минус 63 до минус 73 дБ.

2.11 Определение полосы пропускания измерительных каналов приемного устройства ИПП1М-Пм на уровне 3 дБ

Собрать схему измерений, как показано на рисунке 4.

П7 - переход Э2-114/3 (2.236.132) из комплекта Г4-158;

ш1 - соединительный кабель (3г6.645.033) из комплекта ИПП1М;

ш5 - соединительный кабель из комплекта ИПП1М.

Рисунок 4

Установить переключатели приемного устройства ИПП1М-Пм в положения:

ИЗМЕРИТЕЛЬНЫЕ КАНАЛЫ, кГц - в положение «534»;

УПРАВЛЕНИЕ АТТЕНЮАТОРОМ - в положение «РУЧН»;

ИЗМЕР. КАЛИБР. - в положение «КАЛИБР».

Установить на выходе генератора Г4-158 сигнал частотой 534,8 кГц и напряжением 5 мВ.

Переключателем «< >» приемного устройства ИПП1М-Пм установить стрелку измерительного прибора в пределах шкалы. Милливольтметром В3-59, работающем в режиме «ИЗМЕРЕНИЕ дБ», измерить напряжение U1. Увеличением частоты сигнала на выходе генератора Г4-158 установить на милливольтметре В3-59 показание на 3 дБ ниже значения напряжения U1. Зафиксировать значение частоты f1 по встроенному в генератор Г4-158 частотомеру.

Установить на выходе генератора Г4-158 сигнал частотой 533,2 кГц. Уменьшением частоты сигнала на выходе генератора Г4-158 установить показание милливольтметра B3-59 на 3 дБ ниже значения напряжения U1. Зафиксировать значение частоты f2 по встроенному в генератор Г4-158 частотомеру.

Определить полосу пропускания измерительных каналов на уровне 3 дБ по формуле:

f = f1 - f2                                                                                           (8)

Значение полосы пропускания измерительных каналов на уровне 3 дБ должно быть не более 3 кГц.

2.12 Определение минимального уровня шумового сигнала на входе приемного устройства ИПП1М-Пм, обеспечивающего измерение суммарных шумов

Собрать схему измерений, как показано на рисунке 5.

ш2 - кабельная перемычка (3г3.640.644) из комплекта ИПП1М;

П1 - переход PP-75 (3г3.640.348) из комплекта ИПП1М.

Рисунок 5

Установить переключатели передающего устройства ИПП1М-Пд в положения:

ЧИСЛО КАНАЛОВ - в положение «1920»;

ИЗМЕР. КАЛИБР. - в положение «КАЛИБР».

Установить переключатели приемного устройства ИПП1М-Пм в положения:

ИЗМЕРИТЕЛЬНЫЕ КАНАЛЫ, кГц - в положение «534»;

УПРАВЛЕНИЕ АТТЕНЮАТОРОМ - в положение «РУЧН»;

ИЗМЕР. КАЛИБР. - в положение «КАЛИБР.».

Установить переключателем «< >» приемного устройства ИПП1М-Пм на цифровом табло КАЛИБР. показание «00». Переключателем «< >» передающего устройства ИПП1М-Пд установить на цифровом табло ВЫХОДНОЙ УРОВЕНЬ показание минус 45 дБм. Регулятором « - ↔ +» установить стрелку измерительного прибора в нулевое положение.

Установить переключатель ИЗМЕР. КАЛИБР. приемного устройства ИПП1М-Пм в положение ИЗМЕР. Увеличить переключателем «< >» передающего устройства ИПП1М-Пд уровень шумового сигнала до значения, при котором загорится световой индикатор Р0 на приемном устройстве ИПП1М-Пм. Зафиксировать показание на цифровом табло ВЫХОДНОЙ УРОВЕНЬ передающего устройства ИПП1М-Пд.

Зафиксированное показание на цифровом табло является минимальным уровнем шумового сигнала на входе приемного устройства ИПП1М-Пм, обеспечивающим измерение суммарных шумов (Р0). Значение минимального уровня шумового сигнала должно быть не более минус 30 дБм.

2.13 Определение погрешности измерения относительного уровня сигналов при работе измерителя в автоматическом режиме

Поверка погрешности измерения относительного уровня сигналов при работе измерителя в автоматическом режиме проводится по схеме, изображенной на рисунке 3.

Установить переключатели приемного устройства ИПП1М-Пм в положения:

ИЗМЕРИТЕЛЬНЫЕ КАНАЛЫ, кГц - в положение «1248»;

УПРАВЛЕНИЕ АТТЕНЮАТОРОМ - в положение «РУЧН»;

ИЗМЕР. КАЛИБР. - в положение «КАЛИБР».

Установить на выходе генератора Г4-158 сигнал частотой 1248 кГц и напряжением 5 мВ. Установить на магазине МЗ-50-3 затухание равное 0 дБ. Переключатель УПРАВЛЕНИЕ АТТЕНЮАТОРОМ поставить в положение «АВТ».

Примечание - При работе приемного устройства ИПП1М-Пм в автоматическом режиме установка загрузки по его входу проводится автоматически. Величина его индуцируется на цифровом табло «КАЛИБР» в децибелах, при этом стрелка измерительного прибора должна устанавливаться в пределах шкалы.

Установить переключатель ИЗМЕР. КАЛИБР. приемного устройства в положение «ИЗМЕР». На магазине MЗ-50-3 последовательно установить значения затухания Вмз = 1; 2; 4; 8; 16; 32; 40; 50; 60 дБ, при этом на цифровом табло ИЗМЕРЕНИЕ приемного устройства ИПП1М-Пм автоматически должны устанавливаться соответствующие показания. Зафиксировать для каждого значения затухание Вмз показания на цифровом табло Вавт.

Определить погрешность измерения относительного уровня сигналов при работе измерителя в автоматическом режиме по формуле:

∆ Вавт = Вавт - Вмз, дБ                                                         (9)

где: Вавт - показание цифрового табло ИЗМЕРЕНИЕ, дБ;

Вмз - величина затухания, установленная на магазине МЗ-50-3, дБ.

Значение погрешности измерения относительного уровня сигналов при работе измерителя в автоматическом режиме должно быть ± 1,5 дБ.

2.14 Определение относительной величины собственных остаточных помех в каждом измерительном канале.

Поверка относительной величины собственных остаточных помех в измерительном канале проводится по схеме, изображенной на рисунке 5.

Установить переключатели передающего устройства ИПП1М-Пд в положения:

ЧИСЛО КАНАЛОВ - в положение «1920»;

ИЗМЕР. КАЛИБР. - в положение «КАЛИБР».

Установить переключатели приемного устройства ИПП1М-Пм в положения:

ИЗМЕР. КАЛИБР. - в положение «КАЛИБР»;

ИЗМЕРИТЕЛЬНЫЕ КАНАЛЫ, кГц - в положение «534»;

УПРАВЛЕНИЕ АТТЕНЮАТОРОМ - в положение «РУЧН».

Переключателем «< >» передающего устройства ИПП1М-Пд установить на цифровом табло ВЫХОДНОЙ УРОВЕНЬ показание минус 6 дБм. Регулятором «- +» установить стрелку измерительного прибора в нулевое положение. Переключателем «< >» приемного устройства установить на цифровом табло КАЛИБР такое показание, при котором стрелка измерительного прибора будет находиться в пределах шкалы прибора.

Установить переключатель ИЗМЕРИТЕЛЬНЫЕ КАНАЛЫ, кГц приемного устройства ИПП1М-Пм последовательно в положения: «1248»; «2438»; «3886»; «5340» и «7600». Регуляторами «», выведенными «под шлиц», для каждого положения переключателя ИЗМЕРИТЕЛЬНЫЕ КАНАЛЫ, кГц устанавливать стрелку измерительного прибора в нулевое положение.

Установить переключатели передающего устройства ИПП1М-Пд в положения:

ИЗМЕРИТЕЛЬНЫЕ КАНАЛЫ, кГц - в положение «534»;

ИЗМЕР. КАЛИБР. - в положение «Р0».

Установить переключатели приемного устройства ИПП1М-Пм в положения:

ИЗМЕРИТЕЛЬНЫЕ КАНАЛЫ, кГц - в положение «534»;

ИЗМЕР. КАЛИБР. - в положение «ИЗМЕР».

Переключателем «< >» приемного устройства ИПП1М-Пм добиться на цифровом табло ИЗМЕРЕНИЕ показания «63». При этом стрелка измерительного прибора должна находиться в крайнем левом положении.

Установить переключатель ИЗМЕР. КАЛИБР. приемного устройства ИПП1М-Пм в положение «КАЛИБР». С помощью переключателя «< >» приемного устройства ИПП1М-Пм уменьшить показание цифрового табло КАЛИБР на Вк = 10.

Установить переключатель ИЗМЕР. КАЛИБР. приемного устройства ИПП1М-Пм в положение «ИЗМЕР». Переключателем «< >» приемного устройства ИПП1М-Пм добиться на цифровом табло ИЗМЕРЕНИЕ показания «63» (Вн). Если при этом стрелка измерительного прибора находиться в нулевом или левом положении, то это значит, что относительная величина собственных остаточных помех составляет не более минус 73 дБ. Если стрелка измерительного прибора находиться в правом (относительно нуля) положении, то переключателем «< >» приемного устройства ИПП1М-Пм установить стрелку в пределах шкалы прибора.

Определить относительную величину собственных остаточных помех по формуле:

В = Внк, дБ                                                                  (10)

где: Вк = 10 - величина, на которую уменьшено показание цифрового табло КАЛИБР, дБ;

Вн - показание цифрового табло ИЗМЕРЕНИЕ, дБ.

Установить переключатели ИЗМЕРИТЕЛЬНЫЕ КАНАЛЫ, кГц передающего устройства ИПП1М-Пд и приемного устройства ИПП1М-Пм поочередно в положения «1248»; «2438»; «3886»; «5340»; «7600» и аналогичным способом определить относительную величину собственных остаточных помех для каждого измерительного канала.

Установить переключатель ЧИСЛО КАНАЛОВ передающего устройства ИПП1М-Пд и переключатели ИЗМЕРИТЕЛЬНЫЕ КАНАЛЫ, кГц передающего устройства ИПП1М-Пд и приемного устройства ИПП1М-Пм в положения, указанные в таблице 6.

ТАБЛИЦА 6

Положения переключателя ЧИСЛО КАНАЛОВ

Положения переключателей ИЗМЕРИТЕЛЬНЫЕ КАНАЛЫ, кГц передающего устройства ИПП1М-Пд и приемного устройства ИПП1М-Пм

600

534; 2438

720

534; 2438

1020

534; 2438;3886

1320

534; 2438; 3886; 5340

1800

2438;3886; 5340; 7600

Определить относительную величину собственных остаточных помех для каждого измерительного канала вышеизложенным способом.

Значение относительной величины собственных остаточных помех должно быть не более минус 71 дБ.

3 Оформление результатов поверки.

Средства измерений, удовлетворяющие требованиям настоящего руководящего документа, признаются годными к применению. Результаты поверки средств измерений оформляются их клеймением и выдачей свидетельств о поверке или же записью результатов поверки в эксплуатационных паспортах (или же дубликатах).

Средства измерений, не удовлетворяющие требованиям настоящего руководящего документа, к дальнейшему применению не допускаются. На такие средства измерений выдаются извещения с указанием причин их непригодности к дальнейшей эксплуатации, гасятся клейма предыдущих поверок, а в эксплуатационных паспортах (или их дубликатах) делаются соответствующие записи.